第2章 气体输配管网的水力特征与水力计算
- 格式:ppt
- 大小:871.50 KB
- 文档页数:64
(完整word版)流体输配管网期末复习知识点第一章流体输配管网的功能与类型1。
1空气输配管网的装置及管件有风机、风阀、风口、三通、弯头、变径管等还有空气处理设备。
它们是影响官网性能的重要因素。
1。
2燃气输配管网由分配管道、用户引入馆和室内管道三部分组成。
居民和小型公共建筑用户一般由低压管道供气。
1。
3冷热水输配管网系统:按循环动力可分为重力循环系统和机械循环系统;按水流路径可分为同程式和异程式系统;按流量变化可分为定流量和变流量系统;按水泵设置可分为单式泵和复式泵系统;按与大气解除情况可分为开示和闭式系统。
1。
4采暖空调冷热水管网装置:膨胀水箱;排气装置;散热器温控阀;分水器、集水器;过滤器;阀门;换热装置。
1.5膨胀水箱的作用与安装方式:(1)是用来储存冷热水系统水温上升时的膨胀水量.在重力循环上供下回式系统中,它还起着排气作用。
膨胀水箱的另一个作用是恒定水系统压力。
(2)膨胀水箱的膨胀管与水系统管路的连接,在重力循环系统中,应接在供水总立管的顶端;在机械循环中,一般接至循环水泵吸入口前.连接点处的压力,无论在系统不工作或运行时,都是恒定的.此点为定压点。
(3)膨胀水箱的循环管应接到系统定压点前的水平回水干管上。
该点与定压点之间保持1。
5-3m的距离。
1。
6采暖用户与热网的连接方式:可分为直接连接(1无混合装置的直接连接2装水喷射器的直接连接3装混合水泵的直接连接)和间接连接两种.1。
7补偿器及不同类型的原理:(1)为了防止供热管道升温时,由于热伸长或温度应力而引起管道变形或破坏,需要在管道上设置补偿器,以补偿管道的热伸长,从而减少管壁的应力和作用在阀件或支架结构上的作用力.(2)自然补偿、方形补偿器、波纹管补偿器是利用补偿器材料的变形来吸热伸长,套筒补偿器、球形补偿器是利用管道的位移来吸热伸长.1.8建筑给水管网的功能和类型:(1)功能:建筑给水系统将城镇给水管网或自备水源给水管网的水引入室内,经支管配水管送至用水的末端装置,满足各用水点对水量、水压和水质的需求。
2-1 某工程中的空调送风管网,在计算时可否忽略位压的作用?为什么?(提示:估计位压作用的大小,与阻力损失进行比较。
)答:民用建筑空调送风温度可取在15~35℃(夏季~冬季)之间,室内温度可取在25~20℃(夏季~冬季)之间。
取20℃空气密度为1.204kg/m3,可求得各温度下空气的密度分别为:15℃:= =1.225 kg/m335℃:= =1.145 kg/m325℃:= =1.184 kg/m3因此:夏季空调送风与室内空气的密度差为1.225-1.184=0.041kg/m3冬季空调送风与室内空气的密度差为1.204-1.145=0.059kg/m3空调送风管网送风高差通常为楼层层高,可取H=3m,g=9.807 N/m.s2,则夏季空调送风位压=9.807×0.041×3=1.2 Pa冬季空调送风位压=9.807×0.059×3=1.7 Pa空调送风系统末端风口的阻力通常为15~25Pa,整个空调送风系统总阻力通常也在100~300 Pa之间。
可见送风位压的作用与系统阻力相比是完全可以忽略的。
但是有的空调系统送风集中处理,送风高差不是楼层高度,而是整个建筑高度,此时H可达50米以上。
这种情况送风位压应该考虑。
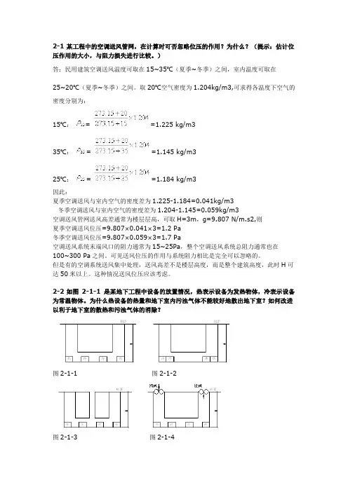
2-2 如图2-1-1 是某地下工程中设备的放置情况,热表示设备为发热物体,冷表示设备为常温物体。
为什么热设备的热量和地下室内污浊气体不能较好地散出地下室?如何改进以利于地下室的散热和污浊气体的消除?图2-1-1 图2-1-2图2-1-3 图2-1-4答:该图可视为一U 型管模型。
因为两侧竖井内空气温度都受热源影响,密度差很小,不能很好地依靠位压形成流动,热设备的热量和污浊气体也不易排出地下室。
改进的方法有多种:(1)将冷、热设备分别放置于两端竖井旁,使竖井内空气形成较明显的密度差,如图2-1-2 ;(2)在原冷物体间再另掘一通风竖井,如图2-1-3 ;(3)在不改变原设备位置和另增竖井的前提下,采用机械通风方式,强制竖井内空气流动,带走地下室内余热和污浊气体,如图2-1-4 。
《流体输配管网》主要知识要点学习指导与本专业有关的流体输配管网,种类很多,技术繁杂。
同时,平台课的教学计划学时又非常有限。
《流体输配管网》课程共48学时,其中理论教学为44学时,实验4学时。
若采用原来专业课的教学方法,面面俱到,讲授新构成的平台课程,难以获得好的教学效果。
《流体输配管网》课程的两个关键是:(1)必须把本专业各类流体输配管网共同的技术原理和方法讲深、讲透,讲完整,即构造一个共性体系;(2)要注意平台课沟通基础课与专业课的桥梁作用,不能脱离具体的工程实践,讲成纯粹的网络理论。
共性原理要能解决个性(具体管网)问题。
-----课前准备由于要联系具体的工程管网,这就要求学生在学习本门课程前,对实际的管网有基本的了解。
学生在本门课程之前,要学习《制图》、《建筑环境与设备工程概论》、《流体力学》等课程和进行认识实习。
可在认识实习任务书中,给学生下达如下任务:认真观察1~3个不同的流体输配管网,并绘制出管网轴测图。
管网类型不限。
要求学生结合《建筑环境与设备工程概论》课程学习的知识和《流体输配管网》教材的第一章,根据自己所观察的实际工程的流体输配管网,回答以下问题:(1)该管网的作用是什么?(2)该管网中流动的流体是液体还是气体?还是水蒸气?是单一的一种流体还是两种流体共同流动?或者是在某些地方是单一流体,而其他地方有两种流体共同流动的情况?如果有两种流体,请说明管网不同位置的流体种类、哪种流体是主要的。
(3)该管网中工作的流体是在管网中周而复始地循环工作,还是从某个(某些)地方进入该管网,又从其他地方流出管网?(4)该管网中的流体与大气相通吗?在什么位置相通?(5)该管网中的哪些位置设有阀门?它们各起什么作用?(6)该管网中设有风机(或水泵)吗?有几台?它们的作用是什么?如果有多台,请分析它们之间是一种什么样的工作关系(并联还是串联)?为什么要让它们按照这种关系共同工作?(7)该管网与你所了解的其他管网(或其他同学绘制的管网)之间有哪些共同点?哪些不同点?如果认识实习安排在本课开课前一学期,可将这个与认识实习结合。
2.1 气体管流水力特征2.1.1气体重力管流的水力特征1.竖直管(分析竖井热压通风问题)竖直管内重力流的能量方程:122221221121))((21P v P H H v P j a j ∆++=--++ργγρ (2-1-1) 其中:21,j j P P ——静压;222121,21v v ρρ——动压;))((12H H a --γγ——位压,当管道内外的气体密度相同时,位压为0,当密度差)(ρρ-a 由温差造成的时候,工程上成为热压。
当断面1和断面2位于进口和出口处,这时0,0121===v P P j j ,式(2-1-1)简化为12221221))((P v H H a ∆+=--ργγ(2-1-2) 上式表面:流动阻力依靠位压克服。
流动方向取决于管内外的密度差,若管道内的密度小(ρρ<a ),管道内气流向上,反之气流向下。
2.U 形管内的重力流断面1和断面D 之间的能量方程:D D jD a j P v P H H v P 1221121121))((21∆++=--++ργγρ(2-1-3) 断面D 和断面2之间的能量方程:2222122221))((21D j a D jD P v P H H v P ∆++=--++ργγρ(2-1-4) 以上两式相加得:212212122121))((v v P H H a ρργγ-+∆=--(2-1-5) 该式表明:U 形管内的重力流与管道外的空气密度无关。
流动动力取决于两竖直管累的气体密度差)(12ρρ-和管道高度)(12H H -之积。
气体密度小的向上,密度大的气流向下。
3.闭式循环管道能量方程:l P H H ∆=--))((1221γγ(2-1-6)。
该式表明:无机械动力的闭式管道中,流动动力取决于竖管内气体密度差与竖管高度之积。
密度大的气流向下,密度小的气流向上。
2.1.2气体压力管流水利特征当管道内部、管道内外不存在密度差或者水平管网,则有0))((211=--H H a γγ,即位压为0,此时式(2-1-1)简化为:122222112121P v P v P j j ∆++=+ρρ(2-1-7) 移项得:22122121)]2121([j j P v v P P =-+∆-ρρ(2-1-8) 全压221v P P j q ρ+=,则上式变为:1221P P P q q ∆=-(2-1-9) 结论:①位压为0的管道,两断面之间的流动阻力等于两断面间的全压差。
第 2 章气体管流水力特征与水力计算2-1 某工程中的空调送风管网,在计算时可否忽略位压的作用?为什么?(提示:估计位压作用的大小,与阻力损失进行比较。
)答:民用建筑空调送风温度可取在15~35℃(夏季~冬季)之间,室内温度可取在25~20℃(夏季~冬季)之间。
取20℃空气密度为1.204kg/m3,可求得各温度下空气的密度分别为:15℃:==1.225 kg/m335℃:==1.145 kg/m325℃:==1.184 kg/m3因此:夏季空调送风与室内空气的密度差为1.225-1.184=0.041kg/m3冬季空调送风与室内空气的密度差为1.204-1.145=0.059kg/m3空调送风管网送风高差通常为楼层层高,可取H=3m,g=9.807 N/m.s2,则夏季空调送风位压=9.807×0.041×3=1.2 Pa冬季空调送风位压=9.807×0.059×3=1.7 Pa空调送风系统末端风口的阻力通常为15~25Pa,整个空调送风系统总阻力通常也在100~300 Pa之间。
可见送风位压的作用与系统阻力相比是完全可以忽略的。
但是有的空调系统送风集中处理,送风高差不是楼层高度,而是整个建筑高度,此时H可达50米以上。
这种情况送风位压应该考虑。
2-2 如图 2-1-1 是某地下工程中设备的放置情况,热表示设备为发热物体,冷表示设备为常温物体。
为什么热设备的热量和地下室内污浊气体不能较好地散出地下室?如何改进以利于地下室的散热和污浊气体的消除?图2-1-1 图2-1-2图2-1-3 图2-1-4答:该图可视为一 U 型管模型。
因为两侧竖井内空气温度都受热源影响,密度差很小,不能很好地依靠位压形成流动,热设备的热量和污浊气体也不易排出地下室。
改进的方法有多种:(1)将冷、热设备分别放置于两端竖井旁,使竖井内空气形成较明显的密度差,如图 2-1-2 ;(2)在原冷物体间再另掘一通风竖井,如图 2-1-3 ;(3)在不改变原设备位置和另增竖井的前提下,采用机械通风方式,强制竖井内空气流动,带走地下室内余热和污浊气体,如图 2-1-4 。
第一章流体输配管网型式与装置1.什么是流体输配管网?它包括哪些内容?将流体输送并分配到各相关设备或空间,或者从哥接受点将流体收集起来输送都指定点的管网系统。
内容:管道,动力装置,调节装置,末端装置和其他附属装置2.通风工程的风管系统常分为哪两类?送风系统和排风系统3.理解什么是回风系统、双风道系统、定风量系统、变风量系统?回风:重新利用的风双:一根送冷风,一根送热风定:风量一定,但是参数改变变:风量改变,但是参数不变4.同时具有控制、调节两种功能的阀有哪几种?只具有控制功能的阀常见的有哪几种?同时:各种调节阀控制:防火阀(平常全开),排烟阀(平常全关),逆止阀参数:全开时的阻力性能,和全闭时的漏风性能5.燃气输配管网由哪几部分组成?分配管段,用户引入管,室内管段6.燃气输配管道按压力分可分为哪几类?一、二、三、多级管网的构成分别如何?七级:单位:MP 高压A:2.5~4 高压B 1.6~2.5 次高压A 0.8~1.6 次高压B 0.4~0.8 中压A 0.2~0.4 中压B 0.01~0.2 低压<0.017.燃气输配管网的储配站、调压站各自的作用是什么?储配站:1.储配必要的燃气量,用以调峰:2.使多种燃气进行混合,保证用气组分均匀3.将燃气加压以保证每个燃气用具前与足够的压力调压站:1.将燃气管网的压力调到下一级管网或者用户需要的压力2.保证调压后的压力稳定8. 供暖空调冷热水管网按动力方式、水流路径、水流量是否变化、循环水泵的设置、是否与大气接触等方式分类时,各分为哪些型式?动力方式:机械循环,重力(自然)循环水流路径:同程式,异程式水流量是否变化:定流量,变流量循环水泵的设置:单式泵,复式泵是否与大气接触:开式,闭式9. 膨胀水箱的作用是什么?贮存冷热水系统水温上升时的膨胀水量10.了解建筑给水管网的基本类型。
1.直接给水管网2.设水箱的给水管网3.设水泵的给水管网4.设水箱水泵的给水管网5.气压给水管网6.分区给水管网7.分质给水管网11.自动喷水灭火系统常见的型式有哪几种?干式自动喷水灭火系统,湿式自动喷水灭火系统,预作用自动喷水灭火系统12.供暖系统热用户与热水网路有哪些连接方式?P14直接连接:热网的水力工况和热力工况与用户管网有着密切的联系和间接连接(设置表面式水-水换热器):用户管网和热力管网被表面式水-水换热器隔开,形成两个独立系统,只进行热交换,而水力工况互不影响。