电气接地电阻测试记录
- 格式:doc
- 大小:52.70 KB
- 文档页数:11
电气接地电阻测试记录
编号
精品文档
电气绝缘电阻测试记录
编号
电气工程隐蔽验收记录
编号
现场施工验收记录
编号
接地装置安装工程检验批质量验收记录
CB50303-2002 (1)
YN060109OO YN060206OO
接地装置安装工程检验批质量验收记录
避雷引下线和变配电室接地干线敷设工程检验批质量验收记录
精品文档
避雷引下线和变配电室接地干线敷设工程检验批质量验收记录
避雷引下线和变配电室接地干线敷设安装工程检验批质量验收记录
避雷引下线和变配电室接地干线敷设安装工程检验批质量验收记录
精品文档
精品文档。
如何填写电气接地电阻测试记录和电气绝缘电阻测试记录电气接地电阻测试记录是用于记录电气设备接地电阻测试过程中的测试数据和结果的一种记录表格。
下面我将以填写电气接地电阻测试记录为例,给出一个详细的步骤。
1.表头填写在表格的最上方填写测试记录的相关信息,包括:-项目名称:填写被测试设备或系统的名称;-测试日期:填写测试的具体日期;-测试人员:填写进行测试的人员姓名;-测试地点:填写进行测试的具体位置。
2.测试设备准备准备测试仪器和设备,包括:-接地电阻仪:确保它的电源充足,可以正常工作;-电源供给:确认试验电源的电压和频率符合要求;-测试线和夹具:确保测试线缆与夹具清洁、无损坏;-环境准备:确保测试环境安全和整洁。
3.接地电阻测量根据被测设备的不同,选择合适的测试方法,包括:-精确接地电阻法:适用于小地网、小接地体和低电阻值的测试。
-四线法和三线法:适用于大地网和高电阻值的测试。
对于每个测点,按照以下步骤进行接地电阻测量:-将测量仪器的测试线接入被测设备的接地线缆;-在测量仪器上选择相应的测试方法;-按下测量按钮开始测量,并等待测量结果稳定;-将测量结果记录在相应的表格中。
4.测量结果记录根据测量的数据,填写电气接地电阻测试记录表格的具体内容,包括:-测量序号:按照测点的顺序给测试数据编号;-测点名称:填写测点的具体位置或名称;-测量数值:将测到的接地电阻数值填写在表格中;-测量日期:记录该测点的测量日期;-测试人员:记录该测点的测量人员。
5.结果分析根据测量结果,对接地电阻的值进行分析,包括:-比较与标准值的差异:将实测值与标准值进行比较,判断是否符合要求;-分析异常值:对于异常值需要进行排查和维修。
6.完成表格完成所有测点的测试记录后,仔细核对数据的准确性和完整性,确保表格填写无误。
7.测试报告将填写完整的电气接地电阻测试记录整理成测试报告,包括:-报告标题:简明扼要地概括测试的目的和内容;-测试概述:对测试的整体结果进行总结和描述;-测试数据:将填写完整的电气接地电阻测试记录作为测试数据的展示;-结果分析:对测试结果进行详细的分析和解释;-结论和建议:根据测试结果提出相应的结论和建议。
电气接地装置接地电阻测试记录电气接地装置是保护电气设备和人身安全的重要装置,通过将设备接地,能够有效地将电流导向地面,防止漏电和电击等危险事件的发生。
而为了确保电气接地系统的正常运行,需要定期进行接地电阻测试,以评估接地系统的质量。
接地电阻测试是通过测量接地装置的电阻值来判断接地系统的良好性。
接地电阻是指从接地装置的接地点到地下埋设的电极之间的电阻值。
电阻值越小,说明接地系统的导电性能越好,能够更好地将电流引导到地面。
测试前的准备工作包括检查测试仪器仪表的工作状态,确保接地测试仪的电源正常,并进行电阻刻度的校准。
然后检查接地装置的连接情况,确保连接牢固可靠。
接地系统的测试可以采用电压放电法和电阻法两种方法,下面将分别进行记录。
1.电压放电法测试记录:开始时间:2024年5月10日9:00测试地点:XX电力公司维修车间测试仪器:接地测试仪接地电阻测试区域:车间地面测试步骤:1)将接地测试仪电极插入地面数厘米处。
2)开启测试仪器,设置电压放电法测试模式。
3)按下测试按钮,测试仪器开始进行放电。
4)记录测试仪器显示的电阻值。
测试结果:测试时间:2024年5月10日9:10测试仪器显示电阻值:3.5Ω2.电阻法测试记录:开始时间:2024年5月10日9:30测试地点:XX电力公司维修车间测试仪器:接地测试仪接地电阻测试区域:车间地面测试步骤:1)将接地测试仪的两个测试电极插入地面10厘米处,形成一个测量回路。
2)开启测试仪器,设置电阻法测试模式。
3)按下测试按钮,测试仪器开始进行测试。
4)记录测试仪器显示的电阻值。
测试结果:测试时间:2024年5月10日9:40测试仪器显示电阻值:3.2Ω测试结束后,进行测试数据的比对分析,确认测试结果的准确性。
根据测试结果可以得知,该车间地面的接地电阻值为3.5Ω和3.2Ω,说明接地系统的导电性良好,能够有效地将电流引导到地面,保证电气设备和人身安全。
最后,需要注意的是,电气接地装置的接地电阻测试应定期进行,通常建议每半年或每年进行一次测试,确保接地系统的良好运行状态。
电气工程接地电阻测试记录电气工程中的接地电阻测试是确保电设备的安全可靠运行的重要环节。
下面是一份接地电阻测试记录,供参考:一、测试概述接地电阻测试是用来测量工业和住宅电力系统的接地系统的电阻值,以确认其符合安全标准要求。
本次测试范围包括变电站、电缆线路、电力设备等。
二、测试仪器和设备1.接地电阻测试仪:型号XYZ-123,测量范围0.1Ω-200Ω。
2.测试线:标准测试线一套。
3.温度测量仪:型号ABC-456三、测试对象1.变电站接地系统:测试范围包括变电站主体结构的接地系统以及辅助设备(发电机、变压器等)的接地系统。
2.电缆线路接地系统:测试范围包括负荷电缆和备用电缆两部分的接地系统。
3.电力设备接地系统:测试范围包括发电机、变压器、断路器等设备的接地系统。
四、测试方法1.变电站接地系统测试:选择变电站主体结构中的2个测试点,测试线与地面保持水平放置,测试间距控制在10m以内,测量接地电阻值。
2.电缆线路接地系统测试:选择负荷电缆和备用电缆的不同截面位置,测试线与地面保持水平放置,测试间距控制在10m以内,测量接地电阻值。
3.电力设备接地系统测试:测试发电机、变压器、断路器等设备的接地电阻值,测试线与地面保持水平放置,测试间距控制在2m以内。
五、测试结果记录测试地点:XXX变电站测试日期:XXXX年XX月XX日1.变电站接地系统:测试点1:接地电阻值为0.5Ω测试点2:接地电阻值为0.3Ω2.电缆线路接地系统:负荷电缆:位置1:接地电阻值为0.6Ω位置2:接地电阻值为0.8Ω备用电缆:位置1:接地电阻值为0.4Ω位置2:接地电阻值为0.5Ω3.电力设备接地系统:发电机:接地电阻值为0.2Ω变压器:接地电阻值为0.2Ω断路器:接地电阻值为0.3Ω六、测试结论根据测试结果,变电站接地系统、电缆线路接地系统和电力设备接地系统的接地电阻值均符合安全标准要求,并且在合理的范围内。
无需进行进一步处理。
七、测试人员签名测试人员1:_______________测试人员2:_______________。
电气接地电阻测试记录电气接地电阻测试记录施工单位:XXX。
测试日期:2011年10月15日。
编号:01.工程名称:XXX附属楼接地名称与类型:防雷接地、保护接地、引下型式、重复接地、柱内钢筋组数8测试部位:接地电阻测试点仪表型号:ZC-8型接地电阻测试仪。
计量单位:1Ω(欧姆)接地装置平面示意图:组别及实测数据:组别 | 实测数据 |1.| 8.6.|2.| 8.7.|3.| 8.8.|4.| 6.9.|5.| ≤10Ω。
|6.| ≤10Ω。
|7.| 9.8.|8.| 8.6.|9.| 8.9.|设计要求:接地电阻值≤10Ω气象:晴,气温22℃结论:经测试接地电阻值符合设计要求和《建筑电气工程施工质量验收规范》GB-2002规定施工单位(签章):XXX。
专业技术负责人:XXX。
质检员:XXX。
专业工长:XXX。
测试人:XXX监理(建设)单位(签章):XXX签栏:无本文是一份电气接地电阻测试记录,记录了XXX附属楼的接地电阻测试数据。
根据测试结果,接地电阻值符合设计要求和《建筑电气工程施工质量验收规范》GB-2002规定。
测试共涉及防雷接地、保护接地、引下型式、重复接地和柱内钢筋组数8等接地名称与类型。
测试部位为接地电阻测试点,测试仪器为ZC-8型接地电阻测试仪,计量单位为1Ω(欧姆)。
测试数据如下表所示:组别 | 实测数据 |1.| 8.6.|2.| 8.7.|3.| 8.8.|4.| 6.9.|5.| ≤10Ω。
|6.| ≤10Ω。
|7.| 9.8.|8.| 8.6.|9.| 8.9.|其中,组别5和6的实测数据均符合设计要求,即接地电阻值≤10Ω。
其他组别的实测数据也都在合理范围内。
测试时气象为晴,气温22℃。
最终结论为,经测试接地电阻值符合设计要求和相关规范。
施工单位、专业技术负责人、质检员、专业工长和测试人均在文末签署了相关信息。
022电气接地电阻测试记录电气接地电阻测试是用来检测接地系统的电阻值,确保接地系统的正常运行。
接地系统是保障电力系统安全运行的重要组成部分,它能够将电力设备的金属部分与大地相连接,使得任何发生故障时的接地电流能够迅速地通过接地系统排除到大地中,避免对人身安全和设备的损坏。
接地系统的电阻值是影响接地系统性能的重要指标之一,合理的接地电阻能够确保快速排除故障电流,降低接地体与大地之间的电位差,减少电压冲击对设备的伤害。
因此,进行定期的电气接地电阻测试是非常必要的,本文将对电气接地电阻测试的记录进行详细介绍。
首先是测试准备。
测试之前需要确认测试设备的完好性,包括测试仪器的电源电压是否正常,测试端子是否清洁,测试线是否损坏等。
同时,测试之前需要与现场人员进行沟通,明确测试的范围和要求,确保测试的准确性和安全性。
接下来是测试过程。
测试人员根据实际情况选择适当的测试方法,在现场设置测试电极,连接测试线。
常用的测试方法包括四线法和二线法。
四线法是指利用测试仪器的四个测试端子进行测试,可以准确地测量接地电阻值;二线法则是利用测试仪器的两个测试端子进行测试,需要通过计算来得到接地电阻值。
在进行测试过程中,测试人员需要保持专注,注意操作的准确性和安全性。
测试之前需要将测试线连接到测试电极上,确保良好的接触,避免因接触不良导致的测试结果不准确。
测试仪器的测试结果应该保留至少两位小数,以提高准确性。
测试过程中,测试人员需要注意测试环境的影响。
在测试时,应尽量避免测试线与其他导体的接触,以免影响测试结果。
同时,在测试现场应保持清洁,减少外部环境对测试的干扰。
最后是测试结果的记录。
测试人员需要将测试结果详细地记录下来,包括测试地点、测试时间、测试方法、测试仪器型号和序列号等信息。
测试结果应当包括接地电阻值、测试环境的温度、湿度等参数。
在记录测试结果时,可以使用表格的形式进行,便于整理和查询。
测试结果记录完成后,测试人员应将测试仪器的参数恢复到初始状态,并将测试仪器进行合适的保养和存储。
电气接地电阻测试记录1.实验目的本实验旨在测试电气接地电阻,以确保安全地使用电力设备。
2.实验仪器和材料(1)电缆测试仪(2)接地电极(3)测试线缆(4)计算机3.实验步骤(1)准备工作a.将接地电极埋设于地下,确保电极与土壤良好接触。
b.连接测试线缆至接地电极。
(2)连接电缆测试仪a.将测试线缆连接至电缆测试仪。
b.将测试线缆的另一端连接至接地电极。
(3)开始测试a.打开电缆测试仪,选择接地电阻测试功能。
b.根据测试仪的指示,选择合适的测试电流。
c.按下测试按钮,开始测试电阻。
d.等待测试结果显示在仪器上。
(4)记录测试结果a.将每次测试的结果记录在表格中。
b.包括测试日期、时间、测试地点等相关信息。
c.确保准确记录每次测试的数值。
(5)分析结果a.将测试结果转换为标准计量单位。
b.对测试结果进行分析,判断接地电阻是否符合安全标准。
c.如果接地电阻超出标准范围,需要采取措施改善接地系统。
(6)报告编写a.根据实验结果撰写实验报告。
b.报告应包括实验目的、仪器和材料、测试步骤、测试结果和分析。
4.实验注意事项(1)在实施测试前,确保测试仪器的准确性。
(2)使用合适的测试电流,不要超过设备承受范围,以免造成损坏。
(3)在测试过程中,确保测试线缆连接牢固,避免接触不良导致测试结果不准确。
(4)根据实际情况,选择合适的测试点进行测试。
(5)测试环境应保持清洁、干燥,避免测试结果受到影响。
5.实验结果分析根据测试结果我们可以分析接地电阻的情况,判断是否需要对接地系统进行改善。
符合安全标准的接地电阻范围通常在1欧姆以下,如果测试结果超出了这个范围,说明接地系统存在问题,可能导致电击、漏电等安全隐患。
6.结论通过电气接地电阻测试,我们可以及时了解接地系统的情况,并采取相应措施确保设备和人员的安全。
在测试过程中,我们需要注意测试仪器的准确性、测试电流的选择、测试线缆的连接等细节。
实验报告应包括实验目的、仪器和材料、测试步骤、测试结果和分析等内容,以便后续参考和改善。
接地电阻测试记录引言:接地电阻测试是一项重要的电气安全检测,用于评估电气设备或系统的接地状态。
接地电阻是指接地装置与大地之间的电阻,其大小直接影响电气设备的安全性能。
本文将对接地电阻测试进行详细记录和分析。
一、测试背景为了确保电气设备正常运行并保证人身安全,接地电阻测试是必不可少的。
通过测试接地电阻的大小,可以判断设备的接地状态是否合格。
同时,测试记录也是电气设备维护和检修的重要依据。
二、测试仪器和方法本次接地电阻测试使用了XXXX型接地电阻测试仪,该仪器具备高精度和稳定性,能够准确测量接地电阻的值。
测试方法为四线法,即在测试过程中使用两对电极,一对用于注入电流,另一对用于测量电压。
三、测试过程1. 准备工作:确认测试仪器和电源连接正常,并做好安全防护措施。
2. 选择测试点:根据需要测试的电气设备或系统,选择合适的接地点进行测试。
通常选择接地装置或接地网的主要连接点。
3. 测试仪器设置:按照仪器说明书,设置测试仪器的参数,包括电流大小、测试时间等。
4. 测试接线:将测试仪器的注入电流端子与测试点连接,确保连接牢固可靠。
同时,将测量电压端子与测试点的另一端连接。
5. 开始测试:启动测试仪器,仪器将自动注入电流并测量电压。
测试时间一般为几秒钟至几分钟不等,根据具体情况而定。
6. 测试结果记录:测试仪器会显示出测试结果,包括接地电阻的数值和测试通过与否的判断。
将测试结果记录下来,并标注测试时间、测试人员等相关信息。
7. 结束测试:测试完成后,及时断开测试仪器与测试点的连接,并做好仪器的保养和维护工作。
四、测试结果分析根据测试记录,我们可以对接地电阻的状态进行分析和评估。
一般情况下,接地电阻应符合国家或行业标准的要求,通常要求接地电阻不应超过一定数值。
如果测试结果显示接地电阻超过了标准要求,说明接地系统存在问题,需要及时调查和处理;如果测试结果显示接地电阻合格,则说明接地系统工作正常。
五、测试结果的处理根据测试结果的分析,如果接地电阻超过了标准要求,我们需要进一步调查和处理。
电气接地电阻测试记录
工程名称:榆能横山煤电一体化发电工程编号:YLFT-DQ-001 电土施表13.1-3
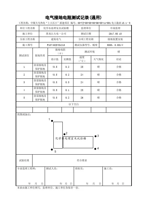
本表由施工单位填写,监理单位、施工单位各保存一份。
电气接地电阻测试记录
工程名称:榆能横山煤电一体化发电工程编号:YLFT-DQ-002 电土施表13.1-3
本表由施工单位填写,监理单位、施工单位各保存一份。
电气接地电阻测试记录
工程名称:榆能横山煤电一体化发电工程编号:YLFT-DQ-003 电土施表13.1-3
本表由施工单位填写,监理单位、施工单位各保存一份。
电气接地电阻测试记录
工程名称:榆能横山煤电一体化发电工程编号:YLFT-DQ-004 电土施表13.1-3
本表由施工单位填写,监理单位、施工单位各保存一份。
电气接地电阻测试记录
工程名称:榆能横山煤电一体化发电工程编号:YLFT-DQ-005 电土施表13.1-3
本表由施工单位填写,监理单位、施工单位各保存一份。
电气接地电阻测试记录
工程名称:榆能横山煤电一体化发电工程编号:YLFT-DQ-006 电土施表13.1-3
本表由施工单位填写,监理单位、施工单位各保存一份。
电气接地电阻测试记录
工程名称:榆能横山煤电一体化发电工程编号:YLFT-DQ-007 电土施表13.1-3
本表由施工单位填写,监理单位、施工单位各保存一份。
电气接地电阻测试记录
工程名称:榆能横山煤电一体化发电工程编号:YLFT-DQ-008 电土施表13.1-3
本表由施工单位填写,监理单位、施工单位各保存一份。
电气接地电阻测试记录
工程名称:榆能横山煤电一体化发电工程编号:YLFT-DQ-009 电土施表13.1-3
本表由施工单位填写,监理单位、施工单位各保存一份。
电气接地电阻测试记录
工程名称:榆能横山煤电一体化发电工程编号:YLFT-DQ-010 电土施表13.1-3
..本表由施工单位填写,监理单位、施工单位各保存一份。
此次电气接地电阻测试合格。