直螺纹套筒连接地技术地要求规范地要求
- 格式:doc
- 大小:66.50 KB
- 文档页数:6
直螺纹套筒连接的技术规范要求规范一、施工准备1、材料准备:应具有出厂和力学性能,所有检验结果,均应符合现行规范的规定和设计要求。
应有出厂合格证,一般为或优质炭素结构钢,其抗拉承载力应大于、等于被连接钢筋的受拉承载力标准值的1.20倍,长为的二倍,套筒应有保护盖,保护盖上应注明套筒的规格。
套筒在运输、储存过程中,要防止锈蚀和,套筒的尺寸偏差及精度要求见表1。
表1:套筒尺寸偏差及精度要求套筒出场要求见表2表2:套筒出厂质量常用连接套筒有四种形式,分别是标准型套筒、正反丝扣型套筒、变径型套筒、可调型套筒。
标准型套筒主要用于相同直径可转动钢筋的连接;正反丝扣型套筒用于两端钢筋不能转动但至少有一根钢筋可以轴向移动的,如拐铁钢筋的施工;变径型套筒用于不同直径钢筋的连接;可调型套筒用于两端不能转动的钢筋连接,也可用于拐铁处钢筋连接。
当两端钢筋轴向位置不能移动时,只能使用此种拉头形式,如在两个预制大型混凝土结构连接施工中的钢筋对接。
2.2技术准备:在进行时,应综合考虑以下几个问题:1)直螺纹接头的厚度应满足现行《》中受力最小厚度的要求,且不得小于15nmm。
2)受力钢筋滚压直螺纹接头位置应相互错开。
在任一接头中心至长度为钢筋直径的35倍的区段内,有接头的受力占钢筋总截面面积的百分率,应符合下列规定:a、受拉区的受力钢筋接头百分率不宜超过50%,b、接头宜避开有抗震设防要求的框架的梁端和柱端的加密区;当无法避开时,接头的百分率不应超过50%。
c、受压区和装配式构件中钢筋受力较小部位,接头百分率可不受限制。
3)根据待连接钢筋的实际情况,选择好套筒的型号、丝扣的方向,并及时调整因在下料、加工丝头、随机切断抽验检验而切短了的钢筋。
2.3?人员准备所有从事等强剥肋滚压直螺纹丝头的加工、连接的操作人员,必须经过严格的,经主管部门考核合格,并获得相应的上岗证书方可进行上岗作业,严禁无证人员串岗、代岗。
2.4主要机具等强剥肋滚压直螺纹所用的主要机具有、直螺纹成型机、等。
钢筋直螺纹连接作业指导1. 剥肋滚压直螺纹加工采用钢筋剥肋滚丝机(型号:GHG40),先将钢筋的横肋和纵肋进行剥切处理后,使钢筋滚丝前的柱体直径达到同一尺寸,然后再进行螺纹滚压成型。
根据钢筋型号选择滚丝轮型号Φ20、Φ22为A25,Φ25、Φ28、Φ32为A30,Φ36为A35。
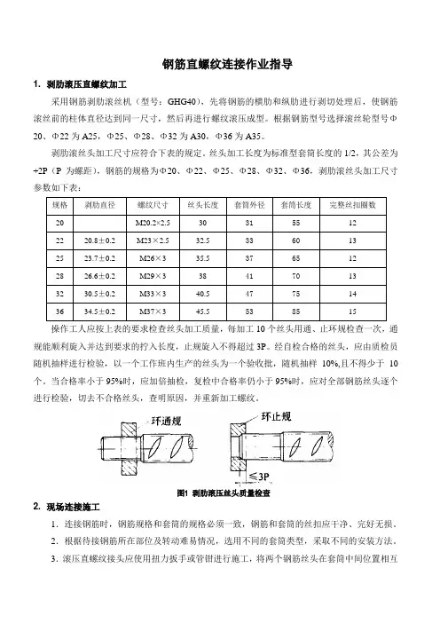
剥肋滚丝头加工尺寸应符合下表的规定。
丝头加工长度为标准型套筒长度的1/2,其公差为+2P(P为螺距),钢筋的规格为Φ20、Φ22、Φ25、Φ28、Φ32、Φ36,剥肋滚丝头加工尺寸参数如下表:规格剥肋直径螺纹尺寸丝头长度套筒外径套筒长度完整丝扣圈数20 M20.2×2.5 30 31 55 1222 20.8±0.2 M23×2.5 32.5 33 60 1325 23.7±0.2 M26×3 35.5 37 65 1228 26.6±0.2 M29×3 38 41 70 1332 30.5±0.2 M33×3 40.5 47 75 1436 34.5±0.2 M37×3 45.5 53 85 15操作工人应按上表的要求检查丝头加工质量,每加工10个丝头用通、止环规检查一次,通规能顺利旋入并达到要求的拧入长度,止规旋入不得超过3P。
经自检合格的丝头,应由质检员随机抽样进行检验,以一个工作班内生产的丝头为一个验收批,随机抽样10%,且不得少于10个。
当合格率小于95%时,应加倍抽检,复检中合格率仍小于95%时,应对全部钢筋丝头逐个进行检验,切去不合格丝头,查明原因,并重新加工螺纹。
图1剥肋滚压丝头质量检查2. 现场连接施工1.连接钢筋时,钢筋规格和套筒的规格必须一致,钢筋和套筒的丝扣应干净、完好无损。
2.根据待接钢筋所在部位及转动难易情况,选用不同的套筒类型,采取不同的安装方法。
3.滚压直螺纹接头应使用扭力扳手或管钳进行施工,将两个钢筋丝头在套筒中间位置相互顶紧,接头拧紧力矩应符合规定。
施工中直螺纹套筒接头位置的规定一、钢筋接头形式钢筋接头形式包括:绑扎连接、焊接连接、机械连接,机械连接又分为:直螺纹、锥螺纹、套筒挤压、套筒灌浆等。
现在施工工地常用的是绑扎连接和直螺纹套筒连接,绑扎连接用于小规格钢筋,一般是直径16以下的钢筋,套筒连接用于直径16以上(含)的钢筋。
经过试验,剥肋滚轧直螺纹接头的疲劳性能最好。
通常来说,套筒连接比绑扎连接、焊接连接具有更好的连接性能。
但绑扎接头的质量更好控制些,只要不少于规定的搭接长度就可以了。
但机械接头和焊接接头的质量不太容易控制。
“GB 50010-2010”对绑扎接头和焊接接头的使用是有限制的。
“GB 50010-2010”第8.4.2轴心受科及小偏心受拉杆件的纵向受力钢筋不得采用绑扎搭接;其他构件中的钢筋采用绑扎搭接时,受拉钢筋直径不宜大于25mm,受压钢筋直径不宜大于28mm。
“GB 50010-2010”第8.4.9需进行疲劳验算的构件,其纵向受拉钢筋不得采用绑扎搭接接头,也不宜采用焊接接头。
二、钢筋接头设置原则不管是何种钢筋接头形式,均按《混凝土结构设计规范》(GB 50010-2010)(以下简称“规范”)第8.4.1的规定:混凝土结构中受力钢筋的连接接头宜设置在受力较小处。
在同一根受力钢筋上宜少设接头。
在结构的重要构件和关键传力部位,纵向受力钢筋不宜设置连接接头。
这是钢筋接头设置位置的总原则。
为什么对钢筋接头位置作出如此之多的严格限制?因为接头终究是薄弱点,钢筋接头的传力性能(强度、变形、恢复力、破坏状态等)均不如直接传力的整根钢筋,任何形式的钢筋连接均会削弱其传力性能。
套筒接头通过钢筋与连接件的机械咬合作用将一根钢筋的力传递至另一根钢筋的连接方式。
即使接头质量合格,也不如钢筋原本身。
所以,规范限制接头位置、接头数量和接头百分率。
由于在受力最大处受拉钢筋传力的重要性,接头宜设置在受力较小处。
同时,接头宜避开关键受力部位,如抗震结构的柱端、梁端的箍筋加密区。
钢筋套筒是用来连接钢筋并有与丝头螺纹相对应内螺纹的,其中直螺纹的具有连接速度快、安全、可靠连接等优点,在各类高层建筑、电视塔等工程中广泛应用,那么在工程施工过程中,就需要注意正确的安装要求和规定。
钢筋套筒连接规范:
1.钢筋端口要平整,不能有“马蹄”状端面。
2.钢筋剥肋套丝后与套筒之间不能松动,显露2-3个丝牙用扭矩扳手扭紧钢筋与套筒。
3.钢筋套丝后丝牙要包满,滚轮损害过大时要及时替换,防止丝牙受力不均影响接头质量。
点这免费下载施工技术资料
4.钢筋车丝机要常常养护,增加乳化油保持机械润滑,增加套丝机使用寿命。
钢筋直螺纹套筒在使用的时候一定要注意安装的事项,这样可以避免一些不
必要的技术问题,从而影响钢筋直螺纹套筒的质量问题。
1、钢筋就位:将丝头检验合格的钢筋搬运至施工现场待连接。
2、接头拧紧:使用钢筋直螺纹套筒工作扳手将连接套筒拧紧。
3、作标记:对已经拧紧的套筒作标记,与未拧紧的套筒区分开。
4、施工检验:对施工完的接头进行的质量检验。
5、绑扎其它钢筋。
钢筋直螺纹套筒连接对结构整体受力性能有着较大影响,是关系到结构质量、安全的重要环节。
由于直螺纹连接工程量大,且涉及到各种不同部位、不同方式的连接,对直螺纹连接质量问题引起高度重视,应该严格按照上诉规范操作督促、检查、验收。
保证此环节的施工质量。
直螺纹套筒连接的技术规要求直螺纹套筒规一、施工准备1、材料准备:钢筋应具有出厂合格证和力学性能检验报告,所有检验结果,均应符合现行规的规定和设计要求。
连接套筒应有出厂合格证,一般为低合金钢或优质炭素结构钢,其抗拉承载力标准值应大于、等于被连接钢筋的受拉承载力标准值的1.20倍,套筒长为钢筋直径的二倍,套筒应有保护盖,保护盖上应注明套筒的规格。
套筒在运输、储存过程中,要防止锈蚀和沾污,套筒的尺寸偏差及精度要求见表1。
表1:套筒尺寸偏差及精度要求套筒出场质量检验要求见表2表2:套筒出厂质量检验要求常用连接套筒有四种形式,分别是标准型套筒、正反丝扣型套筒、变径型套筒、可调型套筒。
标准型套筒主要用于相同直径可转动钢筋的连接;正反丝扣型套筒用于两端钢筋不能转动但至少有一根钢筋可以轴向移动的钢筋连接,如拐铁钢筋的施工;变径型套筒用于不同直径钢筋的连接;可调型套筒用于两端不能转动的钢筋连接,也可用于拐铁处钢筋连接。
当两端钢筋轴向位置不能移动时,只能使用此种拉头形式,如在两个预制大型混凝土结构连接施工中的钢筋对接。
2.2技术准备:在进行钢筋翻样时,应综合考虑以下几个问题:1)滚压直螺纹接头的混凝土保护层厚度应满足现行国家标准《混凝土结构设计规》中受力钢筋保护层最小厚度的要求,且不得小于15nmm。
2)受力钢筋滚压直螺纹接头位置应相互错开。
在任一接头中心至长度为钢筋直径的35倍的区段,有接头的受力钢筋截面面积占钢筋总截面面积的百分率,应符合下列规定:a、受拉区的受力钢筋接头百分率不宜超过50%,b、接头宜避开有抗震设防要求的框架的梁端和柱端的箍筋加密区;当无法避开时,接头的百分率不应超过50%。
c、受压区和装配式构件中钢筋受力较小部位,接头百分率可不受限制。
3)根据待连接钢筋的实际情况,选择好套筒的型号、丝扣的方向,并及时调整因在下料、加工丝头、随机切断抽验检验而切短了的钢筋。
2.3 人员准备所有从事等强剥肋滚压直螺纹丝头的加工、连接的操作人员,必须经过严格的专业技术培训,经主管部门考核合格,并获得相应的上岗证书方可进行上岗作业,严禁无证人员串岗、代岗。
直螺纹套筒规范一、施工准备1、材料准备:钢筋应具有出厂合格证和力学性能检验报告,所有检验结果,均应符合现行规范的规定和设计要求。
连接套筒应有出厂合格证,一般为低合金钢或优质炭素结构钢,其抗拉承载力标准值应大于、等于被连接钢筋的受拉承载力标准值的1.20倍,套筒长为钢筋直径的二倍,套筒应有保护盖,保护盖上应注明套筒的规格。
套筒在运输、储存过程中,要防止锈蚀和沾污,套筒的尺寸偏差及精度要求见表1。
表1:套筒尺寸偏差及精度要求套筒直径D 外径允许偏差长度允许偏差螺纹精度≤50±0.5±0.56H/GB197-81>50 ±0.01D±0.56H/GB197-81套筒出场质量检验要求见表2表2:套筒出厂质量检验要求序号检验项目量具名称检验要求1 外观质量目测表面应无裂纹和影响接头质量的其它缺陷2 外型尺寸卡尺或专用量长度及外径应满足图纸要求规3 螺纹尺寸通端螺纹赛规能顺利连接套筒并达到旋合长度止端螺纹赛规赛规允许从套筒两端部分旋合,旋入量不应超过3P常用连接套筒有四种形式,分别是标准型套筒、正反丝扣型套筒、变径型套筒、可调型套筒。
标准型套筒主要用于相同直径可转动钢筋的连接;正反丝扣型套筒用于两端钢筋不能转动但至少有一根钢筋可以轴向移动的钢筋连接,如拐铁钢筋的施工;变径型套筒用于不同直径钢筋的连接;可调型套筒用于两端不能转动的钢筋连接,也可用于拐铁处钢筋连接。
当两端钢筋轴向位置不能移动时,只能使用此种拉头形式,如在两个预制大型混凝土结构连接施工中的钢筋对接。
2.2技术准备:在进行钢筋翻样时,应综合考虑以下几个问题:1)滚压直螺纹接头的混凝土保护层厚度应满足现行国家标准《混凝土结构设计规范》中受力钢筋保护层最小厚度的要求,且不得小于15nmm。
2)受力钢筋滚压直螺纹接头位置应相互错开。
在任一接头中心至长度为钢筋直径的35倍的区段内,有接头的受力钢筋截面面积占钢筋总截面面积的百分率,应符合下列规定:a、受拉区的受力钢筋接头百分率不宜超过50%,b、接头宜避开有抗震设防要求的框架的梁端和柱端的箍筋加密区;当无法避开时,接头的百分率不应超过50%。
直螺纹套筒规范一、施工准备1、材料准备:钢筋应具有出厂合格证和力学性能检验报告,所有检验结果,均应符合现行规范的规定和设计要求。
连接套筒应有出厂合格证,一般为低合金钢或优质炭素结构钢,其抗拉承载力标准值应大于、等于被连接钢筋的受拉承载力标准值的1.20倍,套筒长为钢筋直径的二倍,套筒应有保护盖,保护盖上应注明套筒的规格。
套筒在运输、储存过程中,要防止锈蚀和沾污,套筒的尺寸偏差及精度要求见表1。
表1:套筒尺寸偏差及精度要求套筒直径D 外径允许偏差长度允许偏差螺纹精度≤50 ±0.5 ±0.5 6H/GB197-81 >50 ±0.01D ±0.5 6H/GB197-81 套筒出场质量检验要求见表2 表2:套筒出厂质量检验要求序号检验项目量具名称检验要求1 外观质量目测表面应无裂纹和影响接头质量的其它缺陷 2 外型尺寸卡尺或专用量规长度及外径应满足图纸要求 3 螺纹尺寸通端螺纹赛规能顺利连接套筒并达到旋合长度止端螺纹赛规赛规允许从套筒两端部分旋合,旋入量不应超过3P 常用连接套筒有四种形式,分别是标准型套筒、正反丝扣型套筒、变径型套筒、可调型套筒。
标准型套筒主要用于相同直径可转动钢筋的连接;正反丝扣型套筒用于两端钢筋不能转动但至少有一根钢筋可以轴向移动的钢筋连接,如拐铁钢筋的施工;变径型套筒用于不同直径钢筋的连接;可调型套筒用于两端不能转动的钢筋连接,也可用于拐铁处钢筋连接。
当两端钢筋轴向位置不能移动时,只能使用此种拉头形式,如在两个预制大型混凝土结构连接施工中的钢筋对接。
2.2技术准备:在进行钢筋翻样时,应综合考虑以下几个问题:1)滚压直螺纹接头的混凝土保护层厚度应满足现行国家标准《混凝土结构设计规范》中受力钢筋保护层最小厚度的要求,且不得小于15nmm。
2)受力钢筋滚压直螺纹接头位置应相互错开。
在任一接头中心至长度为钢筋直径的35倍的区段内,有接头的受力钢筋截面面积占钢筋总截面面积的百分率,应符合下列规定:a、受拉区的受力钢筋接头百分率不宜超过50%,b、接头宜避开有抗震设防要求的框架的梁端和柱端的箍筋加密区;当无法避开时,接头的百分率不应超过50%。
1.连接钢筋时,钢筋规格和套筒的规格必须一致,钢筋和套筒的丝扣应干净、完好无损。
2.采用预埋接头时,连接套筒的位置、规格和数量应符合设计要求。
带连接套筒的钢筋应固定牢,连接套筒的外露端应有保护盖。
3.滚压直螺纹接头应使用管钳和力矩扳手进行施工,将两个钢筋丝头在套筒中间位置相互顶紧,接头拧紧力矩应符合表4的规定。
力矩扳手的精度为±5%。
材料:
a) 直螺纹套筒宜采用牌号为45 号的圆钢或无缝钢管制造,其机械性能、化学成分应符合GB/T 699、GB/T 8162 的规定。
也可采用其它钢材,其力学性能应符合相应国家或行业标准的规定,并经过型式检验确认。
b) 需要与结构中型钢等钢材焊接的套筒,其材料应满足可焊性要求。
扩展资料:
直螺纹套筒的连接方法就是将待连接钢筋端部的纵肋和横肋用滚丝机采用切削的方法剥掉一部分,然后直接滚轧成普通直螺纹,用特制的直螺纹套筒连接起来,形成钢筋的连接。
钢筋剥肋滚压直螺纹连接技术属国内外首创技术发明,达到国际先进水平;剥肋滚压直螺纹连接技术高效、便捷、快速的施工方法和节能降耗、提高效益、连接质量稳定可靠等优点得到了广大施工单位和业主的青睐。
是直螺纹连接技术的一种新型产品。
采用直螺纹套筒用于建筑行业的几点好处:
1、在建筑工程行业使用钢筋连接套筒可以大大降低材料的使用,而且操作简便,不受钢筋成份种类限制。
可提前预制,不占工期,加工效率高。
2、直螺纹套筒具有连接方便、快捷、简单,施工不用电,风雨无阻,可全天候施工。
3、可连接横、竖、斜向的HRB335、HRB400同径或异径钢筋。
直螺纹套筒连接规范一、引言直螺纹套筒连接是一种常用的机械连接方式,在工程实践中被广泛应用。
本文将介绍直螺纹套筒连接的规范,包括连接的设计要求、连接的安装要点、以及连接之后的计算和验收等内容,以帮助读者更好地了解和应用直螺纹套筒连接。
二、设计要求1. 直螺纹套筒连接的设计要符合相关的国家标准和规范要求。
确保连接的可靠性、安全性和使用寿命。
2. 根据连接的工作条件和要求,选择合适的螺纹规格、螺纹材料和套筒材料。
同时,考虑到使用环境中的温度、湿度、腐蚀等因素,选择耐腐蚀性能良好的材料。
3. 根据连接的应力计算,确定套筒壁厚和螺纹的尺寸。
确保连接能够承受预期的工作负荷而不发生变形或断裂。
4. 设计套筒连接的螺纹数量和螺纹类型。
根据连接的要求,选择适当数量的螺纹,以确保连接的均匀性和稳定性。
5. 在设计中考虑连接的拆卸和维修便捷性。
选择适当的连接工具和方法,便于后期对连接进行维护和维修。
三、安装要点1. 在安装前,确保连接的套筒和螺纹表面清洁,并去除杂质和油污。
2. 在安装时,应使用适当的力量和工具对连接进行拧紧。
过度拧紧可能导致螺纹损坏,而过松则可能导致连接松动。
3. 在安装过程中,应注意螺纹的对中和配合。
确保套筒与螺纹之间能够完全贴合,杜绝空隙和歪斜。
4. 对于较长的螺纹套筒连接,可以采用分段拧紧的方法,依次拧紧各个部分,以减少安装过程中的应力集中。
5. 安装完成后,使用测量工具检查连接的质量。
包括测量连接长度和直径,以及检查连接的外观和表面质量等。
四、连接计算与验收1. 根据连接的工作条件和要求,使用适当的计算方法对连接的强度进行计算。
包括连接的承载能力、抗剪强度、抗拉强度等指标。
2. 验收连接时,可以采用非破坏性检测的方法,如超声波探伤等,检查连接的内部缺陷和断面质量。
3. 同时,需对连接进行静态和动态的试验和负荷测试,验证连接的可靠性和耐久性。
4. 对连接的检查和测试结果,应符合相关标准和规定,以确定连接是否合格。
直螺纹套筒连接的技术规范要求其次,连接的螺纹要满足一定的技术要求。
螺纹的牙型应符合标准要求,如BS21、ISO7/1等。
螺纹的密封性能是关键,要求连接能够达到密封和防漏的要求。
同时,螺纹的承力能力也要满足要求,能够承受工作过程中的压力和载荷。
在螺纹套筒连接的制造过程中,还需要注意以下几个方面:1.材料选择和加工:连接组件的材料要选择高质量、合适的材料,一般为碳钢、不锈钢等。
加工工艺要符合相关的标准和要求,如表面光洁度、无明显缺陷等。
2.组装和拧紧:连接过程中要注意正确的组装顺序和拧紧力度。
要根据标准要求,使用合适的工具和方法进行组装和拧紧。
过紧或过松的拧紧力度都会影响连接的性能。
3.密封材料选择:连接中需要使用适合的密封材料,如PTFE胶带、垫片等。
密封材料的选择要考虑工作条件和介质的特性,确保连接的密封性能。
4.检测和验收:连接完成后,需要进行必要的检测和验收工作。
常见的检测方法包括压力测试、渗透测试、超声波检测等。
验收标准要符合相关规范和标准。
最后,连接的使用和维护也需要注意一些事项:1.定期检查和维护:定期检查连接的紧固件、密封材料,发现问题及时进行维护和更换。
2.避免过应力:过应力会导致连接失效,因此要避免在连接中施加过大的载荷。
3.清理和保养:定期清理连接的内部和外部,以防止污物和腐蚀物的堆积。
总之,直螺纹套筒连接的技术规范要求是确保连接的可靠性和安全性的重要保障。
这些规范要求包括尺寸、螺纹、材料、加工、组装、拧紧、密封、检测和维护等方面,涉及到连接的制造、使用和维护的各个环节。
只有按照规范要求进行操作,才能确保连接的质量和性能。
直螺纹套筒连接规范1. 引言直螺纹套筒连接是一种常用的机械连接方式,广泛应用于各类机械设备中。
本文档旨在介绍直螺纹套筒连接的规范要求,包括连接材料、尺寸标准、连接力学性能等方面的内容。
2. 连接材料要求直螺纹套筒连接的材料应具备以下要求:•材料应为高强度、耐磨损的金属材料,常用的材料有合金钢、不锈钢等。
•材料应具备良好的耐腐蚀性能,以确保连接的可靠性和耐久性。
•材料应具备良好的热传导性能,以便于散热和避免连接部位的过热。
3. 尺寸标准直螺纹套筒连接的尺寸标准应符合以下要求:•螺纹尺寸应符合国家标准或国际标准,常用的标准有GB/T 7306.2-2000等。
•螺纹牙型应为三角形牙型,螺纹形状应清晰、规整,以确保连接的牢固性和密封性。
•螺纹的内外直径、螺距、牙深等尺寸应符合标准要求,以便于连接的互换和组装。
4. 连接力学性能要求直螺纹套筒连接的力学性能要求应符合以下要求:•连接应具备足够的轴向拉伸强度,以确保连接的可靠性和安全性。
•连接应具备良好的径向刚度,以确保连接的稳定性和抗振性。
•连接的拆卸力矩应适中,既不应过大导致拆卸困难,也不应过小导致连接失效。
5. 连接安装步骤直螺纹套筒连接的安装步骤如下:1.清洁连接部位,确保无尘、杂物等干扰物。
2.涂抹适量的润滑油或润滑剂于螺纹表面。
3.将套筒轻轻旋入螺纹孔直到紧固到位。
4.使用专用扳手或扭力扳手按照标准要求拧紧套筒至合适的拧紧力矩。
5.安装完成后,进行连接的质量检验,确保连接的稳固和密封性。
6. 连接维护与检修为了确保直螺纹套筒连接的稳固性和可靠性,需要进行定期的维护与检修。
具体步骤如下:1.定期检查连接部位的紧固情况,如发现松动或损坏应及时进行修复。
2.定期检查连接部位的密封性,如发现泄漏等问题应及时处理。
3.定期清洗连接部位,保持干净和无尘,避免积尘和杂物对连接性能的影响。
4.定期涂抹适量的润滑油或润滑剂,以保持连接的良好运行和防止腐蚀。
7. 总结直螺纹套筒连接是一种常见的机械连接方式,连接材料、尺寸标准和连接力学性能对连接的可靠性和耐久性有重要影响。
直螺纹套筒连接规范
直螺纹套筒连接是一种常用的螺纹连接方式,常用于管道、阀门等设备的连接。
以下是关于直螺纹套筒连接规范的一
些要点:
1. 尺寸规范:直螺纹套筒连接的尺寸常用国际标准ISO 7-
1(GB/T7307-2001)或美国标准NPT(ANSI/ASME
B1.20.1)。
这些标准规定了螺纹套筒的内外径、螺纹数量、螺纹角度等尺寸参数。
2. 螺纹类型:直螺纹套筒连接常见的螺纹类型包括圆螺纹(常称为G螺纹)和圆锥螺纹(常称为R螺纹)。
圆螺纹
适用于密封性要求较高的连接,而圆锥螺纹适用于直接连
接密封性要求不高的管道。
3. 安装规范:在进行直螺纹套筒连接时,需要注意以下几点:
- 螺纹套筒的螺纹必须与连接对象的螺纹相匹配,并且保持干净和光滑。
- 在安装之前,需要在螺纹套筒上涂抹密封剂或润滑剂,以确保连接的密封性和易于安装。
- 在紧固螺纹套筒时,应使用适当的工具,并避免过度拧紧,以防止螺纹套筒损坏或泄漏。
4. 严禁混用规范:直螺纹套筒连接时,不允许混用不同规
范和类型的螺纹套筒,以免造成连接不牢固或泄漏的情况
发生。
需要注意的是,以上规范仅为一般情况下的参考,具体的
直螺纹套筒连接规范还需根据具体的应用和需求进行确定。
如果有特殊需求,建议参考相关国际标准或咨询专业人员。
直螺纹套筒规范直螺纹套筒规范一、施工预备1、材料预备:钢筋应具有出厂合格证和力学性能检验报告,所有检验结果,均应符合现行规范的规定和设计要求。
连接套筒应有出厂合格证,一般为低合金钢或优质炭素结构钢,其抗拉承载力标准值应大于、即是被连接钢筋的受拉承载力标准值的1.20倍,套筒长为钢筋直径的二倍,套筒应有保护盖,保护盖上应注明套筒的规格。
套筒在运输、储存过程中,要防止锈蚀和沾污,套筒的尺寸偏差及精度要求见表1。
表1:套筒尺寸偏差及精度要求套筒直径D 外径答应偏差长度答应偏差螺纹精度≤50±0.5±0.56H/GB197-81>50 ±0.01D±0.56H/GB197-81套筒出场质量检验要求见表2表2:套筒出厂质量检验要求序号检验项目量具名称检验要求1 外观质量目测表面应无裂纹和影响接头质量的其它缺陷2 外型尺寸卡尺或专用量规长度及外径应满足图纸要求3 螺纹尺寸通端螺纹赛规能顺利连接套筒并达到旋合长度止端螺纹赛规赛规答应从套筒两端部分旋合,旋进量不应超过3P常用连接套筒有四种形式,分别是标准型套筒、正反丝扣型套筒、变径型套筒、可调型套筒。
标准型套筒主要用于相同直径可转动钢筋的连接;正反丝扣型套筒用于两端钢筋不能转动但至少有一根钢筋可以轴向移动的钢筋连接,如拐铁钢筋的施工;变径型套筒用于不同直径钢筋的连接;可调型套筒用于两端不能转动的钢筋连接,也可用于拐铁处钢筋连接。
当两端钢筋轴向位置不能移动时,只能使用此种拉头形式,如在两个预制大型混凝土结构连接施工中的钢筋对接。
2.2技术预备:在进行钢筋翻样时,应综合考虑以下几个题目:1)滚压直螺纹接头的混凝土保护层厚度应满足现行国家标准《混凝土结构设计规范》中受力钢筋保护层最小厚度的要求,且不得小于15nmm。
2)受力钢筋滚压直螺纹接头位置应相互错开。
在任一接头中心至长度为钢筋直径的35倍的区段内,有接头的受力钢筋截面面积占钢筋总截面面积的百分率,应符合下列规定:a、受拉区的受力钢筋接头百分率不宜超过50%,b、接头宜避开有抗震设防要求的框架的梁端和柱真个箍筋加密区;当无法避开时,接头的百分率不应超过50%。
实用文档之"直螺纹套筒连接的技术规范要求"直螺纹套筒规范一、施工准备1、材料准备:钢筋应具有出厂合格证和力学性能检验报告,所有检验结果,均应符合现行规范的规定和设计要求。
连接套筒应有出厂合格证,一般为低合金钢或优质炭素结构钢,其抗拉承载力标准值应大于、等于被连接钢筋的受拉承载力标准值的1.20倍,套筒长为钢筋直径的二倍,套筒应有保护盖,保护盖上应注明套筒的规格。
套筒在运输、储存过程中,要防止锈蚀和沾污,套筒的尺寸偏差及精度要求见表1。
表1:套筒尺寸偏差及精度要求套筒直径D 外径允许偏差长度允许偏差螺纹精度≤50±0.5 ±0.5 6H/GB197-81 >50 ±0.01D ±0.5 6H/GB197-81 套筒出场质量检验要求见表2表2:套筒出厂质量检验要求序检验量具名检验要求号项目称1 外观质量目测表面应无裂纹和影响接头质量的其它缺陷2 外型尺寸卡尺或专用量规长度及外径应满足图纸要求3 螺纹尺寸通端螺纹赛规能顺利连接套筒并达到旋合长度止端螺纹赛规赛规允许从套筒两端部分旋合,旋入量不应超过3P常用连接套筒有四种形式,分别是标准型套筒、正反丝扣型套筒、变径型套筒、可调型套筒。
标准型套筒主要用于相同直径可转动钢筋的连接;正反丝扣型套筒用于两端钢筋不能转动但至少有一根钢筋可以轴向移动的钢筋连接,如拐铁钢筋的施工;变径型套筒用于不同直径钢筋的连接;可调型套筒用于两端不能转动的钢筋连接,也可用于拐铁处钢筋连接。
当两端钢筋轴向位置不能移动时,只能使用此种拉头形式,如在两个预制大型混凝土结构连接施工中的钢筋对接。
2.2技术准备:在进行钢筋翻样时,应综合考虑以下几个问题:1)滚压直螺纹接头的混凝土保护层厚度应满足现行国家标准《混凝土结构设计规范》中受力钢筋保护层最小厚度的要求,且不得小于15nmm。
2)受力钢筋滚压直螺纹接头位置应相互错开。
在任一接头中心至长度为钢筋直径的35倍的区段内,有接头的受力钢筋截面面积占钢筋总截面面积的百分率,应符合下列规定:a、受拉区的受力钢筋接头百分率不宜超过50%,b、接头宜避开有抗震设防要求的框架的梁端和柱端的箍筋加密区;当无法避开时,接头的百分率不应超过50%。
直螺纹套筒规范直螺纹套筒是一种常用的机械连接件,具有安装简便、可靠性高等特点。
为了保证直螺纹套筒的质量和使用效果,制定了一系列的规范。
下面是直螺纹套筒规范的主要内容。
一、材料要求直螺纹套筒的材料应选用优质的合金钢材料,具有足够的强度和韧性。
材料的化学成分应符合国家标准,并且应经过热处理,达到所要求的硬度。
二、加工工艺直螺纹套筒的加工工艺应符合下列要求:1. 加工精度:直螺纹套筒的加工精度应满足国家标准的相应要求,包括尺寸精度和形位公差等方面。
2. 表面质量:直螺纹套筒应具有光洁度好、表面无裂纹和气泡等缺陷的要求。
3. 热处理:直螺纹套筒应进行热处理,以提高其硬度和耐磨性。
热处理工艺应符合相关标准,并进行质量检验。
三、设计要求直螺纹套筒的设计应符合下列要求:1. 尺寸设计:直螺纹套筒的尺寸设计应符合国家标准的要求,包括外径、长度、螺纹规格等方面。
2. 螺纹设计:直螺纹套筒的螺纹设计应满足连接件的要求,包括螺纹规格、螺距、螺纹角度等方面。
3. 强度设计:直螺纹套筒的强度设计应满足使用要求,包括最大扭矩、最大载荷等方面。
四、检验要求直螺纹套筒的检验应符合下列要求:1. 尺寸检验:直螺纹套筒的尺寸检验应满足国家标准的要求,包括外径、长度、螺纹规格等方面。
2. 螺纹检验:直螺纹套筒的螺纹检验应满足国家标准的要求,包括螺纹规格、螺距、螺纹角度等方面。
3. 表面质量检验:直螺纹套筒的表面质量检验应满足国家标准的要求,包括光洁度、无裂纹和气泡等方面。
五、包装与标识直螺纹套筒的包装和标识应符合下列要求:1. 包装:直螺纹套筒应进行适当的包装,以保护产品的完好性和安全性。
包装材料应符合环保要求。
2. 标识:直螺纹套筒上应有清晰的标识,包括产品名称、规格、材质、生产厂商等信息。
六、质量保证直螺纹套筒的质量保证应符合国家标准和相关技术要求,包括质量保证体系的建立和质量管理的执行等。
综上所述,直螺纹套筒规范包括材料要求、加工工艺、设计要求、检验要求、包装与标识以及质量保证等方面的内容。
直螺纹套筒连接的技术规范要求规范一、施工准备1、材料准备:应具有出厂和力学性能,所有检验结果,均应符合现行规范的规定和设计要求。
应有出厂合格证,一般为或优质炭素结构钢,其抗拉承载力应大于、等于被连接钢筋的受拉承载力标准值的倍,长为的二倍,套筒应有保护盖,保护盖上应注明套筒的规格。
套筒在运输、储存过程中,要防止锈蚀和,套筒的尺寸偏差及精度要求见表1。
表1:套筒尺寸偏差及精度要求套筒出场要求见表2表2:套筒出厂质量常用连接套筒有四种形式,分别是标准型套筒、正反丝扣型套筒、变径型套筒、可调型套筒。
标准型套筒主要用于相同直径可转动钢筋的连接;正反丝扣型套筒用于两端钢筋不能转动但至少有一根钢筋可以轴向移动的,如拐铁钢筋的施工;变径型套筒用于不同直径钢筋的连接;可调型套筒用于两端不能转动的钢筋连接,也可用于拐铁处钢筋连接。
当两端钢筋轴向位置不能移动时,只能使用此种拉头形式,如在两个预制大型混凝土结构连接施工中的钢筋对接。
技术准备:在进行时,应综合考虑以下几个问题:1)直螺纹接头的厚度应满足现行《》中受力最小厚度的要求,且不得小于15nmm。
2)受力钢筋滚压直螺纹接头位置应相互错开。
在任一接头中心至长度为钢筋直径的35倍的区段内,有接头的受力占钢筋总截面面积的百分率,应符合下列规定:a、受拉区的受力钢筋接头百分率不宜超过50%,b、接头宜避开有抗震设防要求的框架的梁端和柱端的加密区;当无法避开时,接头的百分率不应超过50%。
c、受压区和装配式构件中钢筋受力较小部位,接头百分率可不受限制。
3)根据待连接钢筋的实际情况,选择好套筒的型号、丝扣的方向,并及时调整因在下料、加工丝头、随机切断抽验检验而切短了的钢筋。
?人员准备所有从事等强剥肋滚压直螺纹丝头的加工、连接的操作人员,必须经过严格的,经主管部门考核合格,并获得相应的上岗证书方可进行上岗作业,严禁无证人员串岗、代岗。
主要机具等强剥肋滚压直螺纹所用的主要机具有、直螺纹成型机、等。
螺纹连接规范Document serial number【KK89K-LLS98YT-SS8CB-SSUT-SST108】直螺纹套筒连接的技术规范要求直螺纹套筒规范一、施工准备1、材料准备:钢筋应具有出厂合格证和力学性能检验报告,所有检验结果,均应符合现行规范的规定和设计要求。
连接套筒应有出厂合格证,一般为低合金钢或优质炭素结构钢,其抗拉承载力标准值应大于、等于被连接钢筋的受拉承载力标准值的1.20倍,套筒长为钢筋直径的二倍,套筒应有保护盖,保护盖上应注明套筒的规格。
套筒在运输、储存过程中,要防止锈蚀和沾污,套筒的尺寸偏差及精度要求见表1。
表1:套筒尺寸偏差及精度要求套筒直径D外径允许偏差长度允许偏差螺纹精度质量检验要求见表2表2:套筒出厂质量检验要求1外观质量目测表面应无裂纹和影响接头质量的其它缺陷2外型尺寸卡尺或专用量规长度及外径应满足图纸要求3螺纹尺寸常用连接套筒有四种形式,分别是标准型套筒、正反丝扣型套筒、变径型套筒、可调型套筒。
标准型套筒主要用于相同直径可转动钢筋的连接;正反丝扣型套筒用于两端钢筋不能转动但至少有一根钢筋可以轴向移动的钢筋连接,如拐铁钢筋的施工;变径型套筒用于不同直径钢筋的连接;可调型套筒用于两端不能转动的钢筋连接,也可用于拐铁处钢筋连接。
当两端钢筋轴向位置不能移动时,只能使用此种拉头形式,如在两个预制大型混凝土结构连接施工中的钢筋对接。
2.2技术准备:在进行钢筋翻样时,应综合考虑以下几个问题:1)滚压直螺纹接头的混凝土保护层厚度应满足现行国家标准《混凝土结构设计规范》中受力钢筋保护层最小厚度的要求,且不得小于15nmm。
2)受力钢筋滚压直螺纹接头位置应相互错开。
在任一接头心至长度为钢筋直径的35倍的区段内,有接头的受力钢筋截面面积占钢筋总截面面积的百分率,应符合下列规定:a、受拉区的受力钢筋接头百分率不宜超过50%,b、接头宜避开有抗震设防要求的框架的梁端和柱端的箍筋加密区;当无法避开时,接头的百分率不应超过50%。
直螺纹套筒连接的技术规范要求
直螺纹套筒规范
一、施工准备
1、材料准备:
钢筋应具有出厂合格证和力学性能检验报告,所有检验结果,均应符合现行规范的规定和设计要求。
连接套筒应有出厂合格证,一般为低合金钢或优质炭素结构钢,其抗拉承载力标准值应大于、等于被连接钢筋的受拉承载力标准值的1.20倍,套筒长为钢筋直径的二倍,套筒应有保护盖,保护盖上应注明套筒的规格。
套筒在运输、储存过程中,要防止锈蚀和沾污,套筒的尺寸偏差及精度要求见表1。
表1:套筒尺寸偏差及精度要求
套筒出场质量检验要求见表2
表2:套筒出厂质量检验要求
常用连接套筒有四种形式,分别是标准型套筒、正反丝扣型套筒、变径型套筒、可调型套筒。
标准型套筒主要用于相同直径
可转动钢筋的连接;正反丝扣型套筒用于两端钢筋不能转动但至少有一根钢筋可以轴向移动的钢筋连接,如拐铁钢筋的施工;变径型套筒用于不同直径钢筋的连接;可调型套筒用于两端不能转动的钢筋连接,也可用于拐铁处钢筋连接。
当两端钢筋轴向位置不能移动时,只能使用此种拉头形式,如在两个预制大型混凝土结构连接施工中的钢筋对接。
2.2技术准备:
在进行钢筋翻样时,应综合考虑以下几个问题:
1)滚压直螺纹接头的混凝土保护层厚度应满足现行国家标准《混凝土结构设计规范》中受力钢筋保护层最小厚度的要求,且不得小于15nmm。
2)受力钢筋滚压直螺纹接头位置应相互错开。
在任一接头中心至长度为钢筋直径的35倍的区段内,有接头的受力钢筋截面面积占钢筋总截面面积的百分率,应符合下列规定:
a、受拉区的受力钢筋接头百分率不宜超过50%,
b、接头宜避开有抗震设防要求的框架的梁端和柱端的箍筋加密区;当无法避开时,接头的百分率不应超过50%。
c、受压区和装配式构件中钢筋受力较小部位,接头百分率可不受限制。
3)根据待连接钢筋的实际情况,选择好套筒的型号、丝扣的方向,并及时调整因在下料、加工丝头、随机切断抽验检验而切短了的钢筋。
2.3 人员准备
所有从事等强剥肋滚压直螺纹丝头的加工、连接的操作人员,必须经过严格的专业技术培训,经主管部门考核合格,并获得相应的上岗证书方可进行上岗作业,严禁无证人员串岗、代岗。
2.4主要机具
等强剥肋滚压直螺纹所用的主要机具有砂轮切割机、直螺纹成型机、力矩扳手等。
3、主要施工方法
3.1 工艺流程:下料、平头→剥肋滚压螺纹→丝头检验→利用套筒连接→接头检验→完成
3.2 接头施工
1)切割下料
对端部不直的钢筋要预先调直,按规程要求,切口的端面应与轴线垂直,不得有马蹄形或挠曲,因此刀片式切断机和氧气吹割都无法满足加工精度要求,通长只有采用砂轮切割机,按配料长度逐根进行切割。
2)加工丝头
a、丝头的加工过程是:将待加工钢筋夹持在设备的台钳上,开动机器,扳动给进装置,动力头向前移动,开始剥肋滚压螺纹,等滚压到调定位置后,设备自动停机并反转,将钢筋端部退出动力头,扳动进给装置将设备复位,钢筋丝头即加工完成。
b、加工丝头时,应采用水溶性切削液,当气温低于0℃时,应
掺入15~20%亚硝酸钠。
严禁用机油作切削液或不加切削液加工丝头。
c、丝头加工长度为标准型套筒长度的1/2,其公差为+2P(P为螺距)。
d、操作工人应按下表的要求检查丝头的加工质量,每加工10个丝头用通、止环规检查一次。
钢筋丝头质量检验的方法及要求
序号检验
项目
量具名称检验要求
1 螺纹
牙型
目测、卡尺
牙型完整,螺纹大径低于中径的不完整丝
扣累计长度不得超过两螺纹周长
2 丝头
长度
卡尺、专用
量规
标准套筒长度的1/2,其公差为2P(P为螺
距)
3 螺纹
直径
通端螺纹
环规
能顺利旋入螺纹
e、经自检合格的丝头,应由项目部专职质检员随机抽样进
行检查,切去不合格的丝头,查明原因并解决后重新加工螺纹。
f、检查合格的丝头应加以保护,在其端头加带保护帽或用套筒拧紧,按规格分类堆放整齐。
3)现场连接加工
a、连接钢筋时,钢筋规格和套筒的规格必须一致,钢筋和套筒的丝扣应干净、完好无损。
b、采用预埋接头时,连接套筒的位置、规格和数量应符合设计要求。
带连接套筒的钢筋应固定牢,连接套筒的外露端应有保护盖。
c、滚压直螺纹接头应使用管钳和力矩扳手进行施工,将两个钢筋丝头在套筒中间位置相互顶紧,接头拧紧力矩应符合表4的规定。
力矩扳手的精度为±5%。
d、经拧紧后的滚压直螺纹接头应随手刷上红漆以作标识,单边外露丝扣长度不应超过2P。
4、质量控制
4.1 工程中应用滚压直螺纹接头时,技术合作单位提供有效的型式检验报告。
4.2 钢筋连接作业开始前及施工过程中,应对每批进场钢筋进行接头连接工艺检验,工艺检验应符合下列要求:
4.2.1 每种规格的钢筋连接接头试件不应少于三根;
4.2.2 接头试件的钢筋母材应进行抗拉强度检验;
4.2.3 现场检验应进行拧紧力矩检验和单向拉伸强度试验。
施工中要注重对切割下料、螺纹加工的外观检查验收工作。
严格把好自检、交接检和专职检验的过程控制关。
4.2.4 用力矩扳手按规定的接头拧紧力矩值抽检接头的施工质量。
抽检数量为:梁、柱构件按接头数的15%,且每个构件的接头抽检数不得少于一个接头;基础、墙、扳构件,每100个接
头作为一个验收批,不足100个也作为一个验收批,每批抽检3个接头。
抽检的接头应全部合格,如有一个接头不合格,则该验收批应逐个检查并拧紧。
4.2.5 滚压直螺纹接头的单向拉伸强度试验按验收批进行。
同一施工条件下采用同一批材料的同等级、同型式、同规格接头,以500个为一个验收批进行检验和验收,不足500个也作为一个验收批。
4.2.6 对每一个验收批均应按《钢筋机械连接通用技术规程》JGJ107-96中A级接头的性能进行检验与验收,在工程结构中随机抽取三个试件做单向拉伸试验。
当三个试件抗拉强度均不小于该级别钢筋抗拉强度标准值,且不小于0.9倍钢筋器材的实际抗拉强度时,该验收批判定为合格。
计算实际抗拉强度时,应采用钢筋的实际横截面积。
如有一个试件的抗拉强度不符合要求,应再取六个试件进行复检,复检中仍有一个试件不符合要求,则该验收批判定为不合格。
滚压直螺纹接头的单向拉伸试验破坏形式有三种:钢筋母材拉断、套筒拉断、钢筋从套筒中滑脱,只要满足强度要求,任何破坏形式均可判定。