郑塔机附着验算计算书
- 格式:doc
- 大小:119.00 KB
- 文档页数:7
JP7020塔机附着验算计算书计算依据:1、《塔式起重机混凝土基础工程技术规程》JGJ/T187-20092、《钢结构设计规范》GB50017-2003一、塔机附着杆参数塔机附着立面图三、工作状态下附墙杆内力计算1、在平衡臂、起重臂高度处的风荷载标准值q kq k=0.8βzμzμsω0α0h=0.8×1.73×1.019×1.95×0.2×0.35×1.06=0.204kN/m 2、扭矩组合标准值T k由风荷载产生的扭矩标准值T k2T k2=1/2q k l12-1/2q k l22=1/2×0.204×602-1/2×0.204×12.92=350.226kN·m 集中扭矩标准值(考虑两项可变荷载控制的组合系数取0.9)T k=0.9(T k1+ T k2)=0.9×(402+350.226)=677.003kN·m3、附着支座反力计算计算简图剪力图得:R E=73.08kN在工作状态下,塔机起重臂位置的不确定性以及风向的随机性,在计算支座2处锚固环截面内力时需考虑塔身承受双向的风荷载和倾覆力矩及扭矩。
4、附墙杆内力计算支座2处锚固环的截面扭矩T k(考虑塔机产生的扭矩由支座2处的附墙杆承担),水平内力N w=20.5R E=103.351kN。
计算简图:塔机附着示意图塔机附着平面图α1=arctan(b1/a1)=55.251°α2=arctan(b2/a2)=40.352°α3=arctan(b3/a3)=55.942°β1=arctan((b1+c/2)/(a1+c/2))=52.604°β2=arctan((b2+c/2)/(a2-c/2))=55.741°β3=arctan((b3+c/2)/(a3+c/2))=53.1°各杆件轴力计算:ΣM O=0T1×sin(α1-β1)×(b1+c/2)/sinβ1+T2×sin(α2-β2)×(b2+c/2)/sinβ2-T3×sin(α3-β3)×(b3+c/2)/sinβ3-T k=0ΣM h=0-T2×sinα2×c-T3×sinα3×c+N w×cosθ×c/2-N w×sinθ×c/2-T k=0ΣM g=0T1×sinα1×c+N w×sinθ×c/2+N w×cosθ×c/2-T k=0(1)θ由0~360°循环,当T k按图上方向设置时求解各杆最大轴拉力和轴压力:最大轴压力T1=501.012kN,T2=0kN,T3=0kN最大轴拉力T1=0kN,T2=413.368kN,T3=211.215kN(2)θ由0~360°循环,当T k按图上反方向设置时求解各杆最大轴拉力和轴压力:最大轴压力T1=0kN,T2=413.368kN,T3=211.215kN最大轴拉力T1=501.012kN,T2=0kN,T3=0kN四、非工作状态下附墙杆内力计算此工况下塔机回转机构的制动器完全松开,起重臂能随风转动,故不计风荷载产生的扭转力矩。
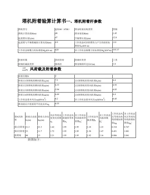
塔机附着验算计算书塔机附着验算计算书计算依据:1、《塔式起重机混凝土基础工程技术规程》JGJ/T187-20092、《钢结构设计规范》GB50017-2003一、塔机附着杆参数塔机型号QTZ40(浙江建机)塔身桁架结构类型型钢塔机计算高度H(m) 30 塔身宽度B(m) 1.6 起重臂长度l1(m) 57 平衡臂长度l2(m) 12.9 起重臂与平衡臂截面计算高度h(m) 1.06 工作状态时回转惯性力产生的扭矩标准值T k1(kN·m)60工作状态倾覆力矩标准值M k(kN·m) 60 非工作状态倾覆力矩标准值M k'(kN*m)60附着杆数四杆附着附墙杆类型Ⅰ类附墙杆截面类型格构柱塔身锚固环边长C(m) 1.8附着次数N 4附着点1到塔机的横向距离a1(m) 9.5 点1到塔机的竖向距离b1(m) 9.5 附着点2到塔机的横向距离a2(m) 5.7 点2到塔机的竖向距离b2(m) 5.7 附着点3到塔机的横向距离a3(m) 5.7 点3到塔机的竖向距离b3(m) 5.7 附着点4到塔机的横向距离a4(m) 9.5 点4到塔机的竖向距离b4(m) 9.5 工作状态基本风压ω0(kN/m2) 0.2 非工作状态基本风压ω0'(kN/m2) 1塔身前后片桁架的平均充实率α00.35第N次附着附着点高度h1(m)附着点净高h01(m)风压等效高度变化系数μz工作状态风荷载体型系数μs非工作状态风荷载体型系数μs'工作状态风振系数βz非工作状态风振系数βz'工作状态风压等效均布线荷载标准值q sk非工作状态风压等效均布线荷载标准值q sk'第1次附着9 9 0.65 1.95 1.95 1.977 1.977 0.269 1.347第2次附着15 6 0.734 1.95 1.95 1.901 1.963 0.293 1.51第3次附着20 5 0.738 1.95 1.95 1.825 1.934 0.282 1.496第4次附25 5 0.751 1.95 1.95 1.798 1.944 0.283 1.53 着悬臂端30 5 0.774 1.95 1.95 1.79 1.945 0.29 1.578 Array塔机附着立面图三、工作状态下附墙杆内力计算1、在平衡臂、起重臂高度处的风荷载标准值q kq k=0.8βzμzμsω0α0h=0.8×1.79×0.774×1.95×0.2×0.35×1.06=0.16kN/m2、扭矩组合标准值T k由风荷载产生的扭矩标准值T k2T k2=1/2q k l12-1/2q k l22=1/2×0.16×572-1/2×0.16×12.92=246.607kN·m集中扭矩标准值(考虑两项可变荷载控制的组合系数取0.9)T k=0.9(T k1+ T k2)=0.9×(60+246.607)=275.946kN·m3、附着支座反力计算计算简图塔身上部第一附着点(塔身悬臂支承端)的支承反力最大,应取该反力值作为附着装置及建筑物支承装置的计算载荷。
塔机附着计算书实例 The pony was revised in January 2021H5810塔式起重机非标附着计算书一、设计依据GB/T 13752-92《塔式起重机设计规范》二、设计说明1、本方案仅适用于我公司QTZ80(H5810)塔机在以下附着示意图方式的使用;2、任何力学或几何方式的改变均不再适用于本方案。
三、QTZ80(H5810)塔机附着平面内的最大载荷见下表:(表一)四、附着示意图各附着杆长度(表二)五、附着杆受力及附着点反力工作状态各附着杆最大受力(表三)非工作状态各附着杆最大受力(表四)通过以上分析,选取以下各附着杆的最大受力工况进行校核:工作状态各附着点最大受力(表五)非工作状态各附着点最大受力(表六)通过以上分析,附着点最大反力见下表:(表七)六、附着杆校核附着杆截面示意图以下仅对附着杆1~4进行分析计算;附着杆主肢:∠50×50×5,Q235,截面积A1=480mm2;附着杆缀条:∠30×30×3,Q235,截面积A2=175mm2;附着杆截面边长a1=(mm)附着杆截面边长a2=(mm)附着杆1重量:G1=210(kg)附着杆2重量:G2=175(kg)附着杆3重量:G2=170(kg)附着杆4重量:G2=206(kg)附着杆最大截面主肢X轴总惯性矩:Imax=(mm^4)附着杆最小截面主肢X轴总惯性矩:Imin=(mm^4)主弦单肢弱轴惯性矩:I1=46400(mm^4)缀条弱轴惯性矩:Iz=6100(mm^4)缀条跨距L1=(mm)材料安全系数:k=整体惯性半径:r=(mm)r=mm)主弦单肢惯性半径:1缀条惯性半径:r z =(mm ) r=r1=rz= 根据min maxI I 和附着杆变截面型式确定计算长度系数μ μ= ; 附着杆主肢结构长细比:rL μλ= 附着杆主弦单肢长细比:111r L λ=附着杆缀条长细比:z zλ=附着杆换算长细比:λ=换167.74λ=换;253.02λ=换; 50.31λ=换3;64.96λ=换4附着杆长细比<120,整体刚度满足要求!附着杆主弦单肢长细比≤倍整体长细比,主弦单肢刚度满足要求! 附着杆缀条长细比<120,缀条刚度满足要求!附着杆1~4整体刚度满足要求!附着杆1~4主弦单肢刚度满足要求!附着杆1~4缀条刚度满足要求!查表得附着杆整体受压稳定系数:10.765ψ=;20.842ψ=; 30.855ψ=;20.780ψ=查表得附着杆主弦单肢受压稳定系数:ψ1=查表得附着杆缀条受压稳定系数:ψz= 附着杆自重产生的弯矩108GL M =(); M1=2083725()M2=()M3=1226975()M4=()附着杆截面远点至弱轴距离h=150(mm ) 附着杆抗弯模量h I W =(mm^3) W=(mm^3)欧拉临界载荷22E EAF πλ=换(N) 1850285.16E F N =;21387770.08E F N =; 31541425.93E F N =;4924732.91E F N =1、附着杆整体稳定性验算:188.55MPa σ=;2139.69MPa σ=; 3141.31MPa σ=;490.29MPa σ= σ<235/=175附着杆1~4整体稳定性满足要求!2、附着杆主弦单肢稳定性验算:d166.80MPa σ=;d2124.88MPa σ=; d3128.95MPa σ=;d470.28MPa σ= σd <235/=175附着杆1~4主弦单肢稳定性满足要求!3、附着杆缀条稳定性校核附着杆侧向力:c F =缀条轴力:z F =18.57Z MPa σ=;213.52Z MPa σ=; 313.68Z MPa σ=;28.74Z MPa σ=σ<235/=175z附着杆1~4缀条满足要求!综述:各附着杆经过校核均满足使用要求!。
附着计算计算书本计算书主要依据施工图纸及以下规范及参考文献编制:《塔式起重机设计规范》(GB/T13752-1992)、《建筑结构荷载规范》(GB50009-2001)、《建筑安全检查标准》(JGJ59-99)、《建筑施工手册》、《钢结构设计规范》(GB50017-2003)等编制。
塔机安装位置至附墙或建筑物距离超过使用说明规定时,需要增设附着杆,附着杆与附墙连接或者附着杆与建筑物连接的两支座间距改变时,必须进行附着计算。
主要包括附着支座计算、附着杆计算、锚固环计算。
一、支座力计算塔机按照说明书与建筑物附着时,最上面一道附着装置的负荷最大,因此以此道附着杆的负荷作为设计或校核附着杆截面的依据。
附着式塔机的塔身可以简化为一个带悬臂的刚性支撑连续梁,其内力及支座反力计算如下:风荷载标准值应按照以下公式计算:ωk=ω0×μz×μs×βz= 0.390×1.170×1.450×0.700 =0.463 kN/m2;其中ω0──基本风压(kN/m2),按照《建筑结构荷载规范》(GBJ9)的规定采用:ω0 = 0.390 kN/m2;μz──风压高度变化系数,按照《建筑结构荷载规范》(GBJ9)的规定采用:μz = 1.450 ;μs──风荷载体型系数:μs = 1.170;βz──高度Z处的风振系数,βz = 0.700;风荷载的水平作用力:q = W k×B×K s = 0.463×1.600×0.200 = 0.148 kN/m;其中 W k──风荷载水平压力,W k= 0.463 kN/m2;B──塔吊作用宽度,B= 1.600 m;K s──迎风面积折减系数,K s= 0.200;实际取风荷载的水平作用力 q = 0.148 kN/m;塔吊的最大倾覆力矩:M = 1090.000 kN·m;弯矩图变形图剪力图计算结果: N w = 60.8891kN ;二、附着杆内力计算计算简图:计算单元的平衡方程:ΣF x=0T1cosα1+T2cosα2-T3cosα3=-N w cosθΣF y=0T1sinα1+T2sinα2+T3sinα3=-N w sinθΣM0=0T1[(b1+c/2)cosα1-(α1+c/2)sinα1]+T2[(b1+c/2)cosα2-(α1+c/2)sinα2]+T3[-(b1+c/2)cosα3+ (α2-α1-c/2)sinα3]=M w其中:α1=arctan[b1/a1] α2=arctan[b1/(a1+c)] α3=arctan[b1/(a2- a1-c)]2.1 第一种工况的计算:塔机满载工作,风向垂直于起重臂,考虑塔身在最上层截面的回转惯性力产生的扭矩和风荷载扭矩。
塔吊建筑物附着处强度验算QTZ80G 附着式塔吊的第一次附着距离地面25m,所受荷载值如下:载荷工况建筑物承载(吨力)F1(t)F2(t) F3(t)F4(t)工作状态2。
25 4.62 12.71 7。
29非工作状态4。
74 6.73 13。
5 10。
24附着锚固区设在混凝土剪力墙下部,距楼板300mm,锚固点区段(上下个1m区域)设置螺纹12加强筋,间距20cm,双向双层。
附着锚固区设在7层,14层,21层,28层外墙连梁上,连梁主筋2Φ22/2Φ22,箍筋2ф12@100,厚度220mm,跨度1200mm,高1400mm。
塔吊附着连杆固定在T型板上,T型板的尺寸为600×300×12mm,M30普通螺栓。
冲切破坏角为45o垂直于墙面的最大力为135KN根据《现行建筑结构规范大全》第4。
4。
2条F l ≤0.8 f v A vf v = 125 N/mm2A v-与呈45o冲切破坏锥体斜面相交的全部钢筋界面面积A v ≥ Fl/0.8f v = 13。
5×104 /(0。
8×125) = 1350 mm2通过冲切斜截面的钢筋截面数为 4×2×2 = 16根,其中竖直方向的钢筋考虑上方锚固不足,不计入抗剪钢筋内,Φ12截面面积113mm2,总抗剪面积为 16×113=1808 mm2,该附着区增补构造筋满足抗冲切破坏的要求。
备注:1.由于连梁的混凝土与钢筋本身承受很大的竖向的结构自身的重力,所以在考虑抗从切破坏时不考虑连梁的混凝土与钢筋的作用.规范4。
4。
2条 F l ≤0。
3 f t μm h0+0。
8 f yv A svu不考虑混凝土及箍筋的抗剪,只考虑加强钢筋Φ22@200的抗冲切作用,所以以公式F l ≤0.8 f yv A svu 计算。
2.钢筋安装尺寸如下图所示。
塔机附着验算计算书一、塔机附着杆参数二、风荷载及附着参数附图如下:塔机附着立面图三、工作状态下附墙杆内力计算1、在平衡臂、起重臂高度处的风荷载标准值q kq k=0.8βzμzμsω0α0h=0.8×1.695×1.206×1.95×0.2×0.35×1.06=0.237kN/m 2、扭矩组合标准值T k由风荷载产生的扭矩标准值T k2T k2=1/2q k l12-1/2q k l22=1/2×0.237×572-1/2×0.237×12.92=365.287kN·m 集中扭矩标准值(考虑两项可变荷载控制的组合系数取0.9)T k=0.9(T k1+ T k2)=0.9×(270+365.287)=571.758kN·m3、附着支座反力计算计算简图剪力图得:R E=77.975kN在工作状态下,塔机起重臂位置的不确定性以及风向的随机性,在计算支座4处锚固环截面内力时需考虑塔身承受双向的风荷载和倾覆力矩及扭矩。
4、附墙杆内力计算支座4处锚固环的截面扭矩T k(考虑塔机产生的扭矩由支座4处的附墙杆承担),水平内力N w=20.5R E=110.273kN。
计算简图:塔机附着示意图塔机附着平面图α1=arctan(b1/a1)=53.241°α2=arctan(b2/a2)=46.353°α3=arctan(b3/a3)=46.353°α4=arctan(b4/a4)=53.241°β1=arctan((b1-c/2)/(a1+c/2))=46.185°β2=arctan((b2+c/2)/(a2+c/2))=46.185°β3=arctan((b3+c/2)/(a3+c/2))=46.185°β4=arctan((b4-c/2)/(a4+c/2))=46.185°四杆附着属于一次超静定结构,用力法计算,切断T4杆并代以相应多余未知力X1=1。
一、计算书塔机附着验算(32层)计算书计算依据:1、《塔式起重机混凝土基础工程技术规程》JGJ/T187-20092、《钢结构设计规范》GB50017-2003一、塔机附着杆参数二、风荷载及附着参数第2次附着40 15 0.832 1.95 1.95 1.763 1.801 0.308 0.471 第3次附着55 15 0.922 1.95 1.95 1.755 1.792 0.339 0.52 第4次附着70 15 1.008 1.95 1.95 1.733 1.766 0.366 0.56 第5次附着85 15 1.087 1.95 1.95 1.708 1.746 0.389 0.597 第6次附着100 15 1.16 1.95 1.95 1.699 1.734 0.413 0.633 悬臂端121 21 1.254 1.95 1.95 1.686 1.728 0.443 0.681 附图如下:塔机附着立面图三、工作状态下附墙杆内力计算1、在平衡臂、起重臂高度处的风荷载标准值q kq k=0.8βzμzμsω0α0h=0.8×1.686×1.254×1.95×0.2×0.35×1.06=0.245kN/m2、扭矩组合标准值T k由风荷载产生的扭矩标准值T k2T k2=1/2q k l12-1/2q k l22=1/2×0.245×562-1/2×0.245×12.92=363.775kN·m集中扭矩标准值(考虑两项可变荷载控制的组合系数取0.9)T k=0.9(T k1+ T k2)=0.9×(269.3+363.775)=569.768kN·m3、附着支座反力计算计算简图剪力图得:R E=146.645kN在工作状态下,塔机起重臂位置的不确定性以及风向的随机性,在计算支座7处锚固环截面内力时需考虑塔身承受双向的风荷载和倾覆力矩及扭矩。
附着计算计算书塔机安装位置至附墙或建筑物距离超过利用说明规按时,需要增设附着杆,附着杆与附墙连接或附着杆与建筑物连接的两支座间距改变时,必需进行附着计算。
要紧包括附着支座计算、附着杆计算、锚固环计算。
一、支座力计算塔机依照说明书与建筑物附着时,最上面一道附着装置的负荷最大,因此以此道附着杆的负荷作为设计或校核附着杆截面的依据。
附着式塔机的塔身能够简化为一个带悬臂的刚性支撑持续梁,其内力及支座反力计算如下:风荷载取值:Q = ;塔吊的最大倾覆力矩:M = ;弯矩图变形图剪力图= ;计算结果: Nw二、附着杆内力计算计算简图:计算单元的平稳方程:其中:第一种工况的计算:塔机满载工作,风向垂直于起重臂,考虑塔身在最上层截面的回转惯性力产生的扭矩合风荷载扭矩。
将上面的方程组求解,其中θ从 0 - 360 循环, 别离取正负两种情形,求得各附着最大的。
塔机满载工作,风向垂直于起重臂,考虑塔身在最上层截面的回转惯性力产生的扭矩合。
杆1的最大轴向压力为: kN;杆2的最大轴向压力为: kN;杆3的最大轴向压力为: kN;杆1的最大轴向拉力为: kN;杆2的最大轴向拉力为: kN;杆3的最大轴向拉力为: kN;第二种工况的计算:塔机非工作状态,风向顺着着起重臂, 不考虑扭矩的阻碍。
= 0,别将上面的方程组求解,其中θ= 45, 135, 225, 315,Mw离求得各附着最大的轴压和轴拉力。
杆1的最大轴向压力为: kN;杆2的最大轴向压力为: kN;杆3的最大轴向压力为: kN;杆1的最大轴向拉力为: kN;杆2的最大轴向拉力为: kN;杆3的最大轴向拉力为: kN;三、附着杆强度验算1.杆件轴心受拉强度验算验算公式:σ= N / A n≤f其中σ --- 为杆件的受拉应力;N --- 为杆件的最大轴向拉力,取 N = kN;--- 为杆件的截面面积,本工程选取的是 10号工字钢;An查表可知 A=1430.00 mm2。
QTZ63塔机附着计算书一、塔机附着架受力情况(按三弯矩方程计算结果):工作工况 :水平力 F h =28.5KN扭矩 Mz=412kN. m非工作工况水平力 F h =107KN扭矩 Mz=0二附着撑杆设计计算整体稳定性校核(计算最长的L撑杆 L2)L1=14130mm、L2=14520mm 、L3=14760mm计算条件:撑杆力: Fmax=189KN撑杆材料:角钢∠ 70×5/Q235B [ λ]=138撑杆力学模型如图1.刚度验算:初选角钢∠ 70× 5/Q235B,四肢构成的截面为 L× L=300mm×300mm 撑杆截面惯性矩I=1.31 × 10 mm84截面回转半径: i= (I/A )1/2 =150.8mm则长细比为:λ =Lo/i=89.5缀条采用∠ 50× 5/Q235B则折算长细比为:λ0=(λ2+40A/A’)1/2 =100.1 < [ λ ]2. 截面验算:四角钢格构式柱属 b 类截面,差表得稳定系数φ=0.555由撑杆重量引起的最大弯矩为:2Mmax=qIo/8=20010538 N.mσ=Fmax/Aφ +k Mmax/W=128.24MPa[ σ]=175.37 MPaσ<[ σ] 整体强度稳定满足。
用同样的方法计算受力最大撑杆 Bσ= Fmax/Aφ+k Mmax/W=103.39MPaσ<[ σ]整体强度稳定满足。
3.单肢稳定性校核:计算长度: I =700mm1回转半径: i 1=14.9mm单肢许用长细比 [ λ1]=120单肢计算长细比:λ1=I o1/i1=47<[λ1]按 b 类截面差表得稳定系数为:φ1=0.87撑杆 B 单肢所受的折算力为: N=Fmax/4+Mmax/(2d)=72394N撑杆 D 单肢所受的折算力为:N=Fmax/4+Mmax/(2d)=75151N应力:σ =N/φ1 A1 =98.19MPa[ σ]=235/1.34=175.37MPaσ<[ σ] 单肢稳定满足。
塔机附着验算计算书一、塔机附着杆参数二、风荷载及附着参数塔机附着立面图三、工作状态下附墙杆内力计算1、在平衡臂、起重臂高度处的风荷载标准值q kq k=0.8βzμzμsω0α0h=0.8×2.21×1.92×1.95×0.2×0.35×0.9=0.417kN/m 2、扭矩组合标准值T k由风荷载产生的扭矩标准值T k2T k2=1/2q k l12-1/2q k l22=1/2×0.417×472-1/2×0.417×12.82=426.416kN·m 集中扭矩标准值(考虑两项可变荷载控制的组合系数取0.9)T k=0.9(T k1+ T k2)=0.9×(110+426.416)=482.774kN·m3、附着支座反力计算计算简图剪力图得:R E=83.222kN在工作状态下,塔机起重臂位置的不确定性以及风向的随机性,在计算支座3处锚固环截面内力时需考虑塔身承受双向的风荷载和倾覆力矩及扭矩。
4、附墙杆内力计算支座3处锚固环的截面扭矩T k(考虑塔机产生的扭矩由支座3处的附墙杆承担),水平内力N w=20.5R E=117.694kN。
计算简图:塔机附着平面图α1=arctan(b1/a1)=41.634°α2=arctan(b2/a2)=37.913°α3=arctan(b3/a3)=39.116°α4=arctan(b4/a4)=44.822°β1=arctan((b1-c/2)/(a1+c/2))=34.177°β2=arctan((b2+c/2)/(a2+c/2))=38.881°β3=arctan((b3+c/2)/(a3+c/2))=39.954°β4=arctan((b4-c/2)/(a4+c/2))=36.845°四杆附着属于一次超静定结构,用力法计算,切断T4杆并代以相应多余未知力X1=1。
塔机附着验算计算书本计算运用软件为:品茗安控信息技术生产。
本工程为珠江御景花园工程;工程建设地点位于省市。
由中建四局建设。
建筑物为10#楼,地上33层,预计110米高,故设计塔机计算高度为140米,塔机型号为QTZ80(TC5710),省建设机械集团制造。
根据现场实际情况,设有5道附墙。
本计算书主要依据施工图纸及以下规及参考文献编制:《塔式起重机设计规》(GB/T13752-1992)、《建筑结构荷载规》(GB50009-2001)、《建筑安全检查标准》(JGJ59-99)、《建筑施工手册》、《钢结构设计规》(GB50017-2003)等编制。
塔机安装位置至附墙或建筑物距离超过使用说明规定时,需要增设附着杆,附着杆与附墙连接或者附着杆与建筑物连接的两支座间距改变时,必须进行附着计算。
主要包括附着支座计算、附着杆计算、锚固环计算。
注意:所设置附墙撑杆类型、尺寸、安装高度等应严格按照此计算书中给出的相应数据制造,安装。
如有改动,此计算书作废,必须重新进行计算、验算。
附墙因不按此计算书制造、安装而产生的安全事故,本验算单位概不负责。
一、塔机附着杆参数二、风荷载及附着参数塔机附着立面图三、工作状态下附墙杆力计算1、在平衡臂、起重臂高度处的风荷载标准值q kq k=0.8βzμzμsω0α0h=0.8×2.21×1.92×1.95×0.2×0.35×1.06=0.491kN/m 2、扭矩组合标准值T k由风荷载产生的扭矩标准值T k2T k2=1/2q k l12-1/2q k l22=1/2×0.491×572-1/2×0.491×12.92=756.776kN·m 集中扭矩标准值(考虑两项可变荷载控制的组合系数取0.9)T k=0.9(T k1+ T k2)=0.9×(270+756.776)=924.098kN·m3、附着支座反力计算计算简图剪力图得:R E=106.756kN在工作状态下,塔机起重臂位置的不确定性以及风向的随机性,在计算支座6处锚固环截面力时需考虑塔身承受双向的风荷载和倾覆力矩及扭矩。
塔吊附着计算塔机安装位置至建筑物距离超过使用说明规定,需要增长附着杆或附着杆与建筑物连接的两支座间距改变时,需要进行附着的计算。
主要包括附着杆计算、附着支座计算和锚固环计算。
一. 参数信息二. 支座力计算塔机按照说明书与建筑物附着时,最上面一道附着装置的负荷最大,因此以此道附着杆的负荷作为设计或校核附着杆截面的依据。
附着式塔机的塔身可以视为一个带悬臂的刚性支撑连续梁,其内力及支座反力计算如下:1. 风荷载计算1) 工作状态下塔机塔身截面对角线方向所受风荷载标准值塔机所受风均布线荷载标准值 (Wo=0.2kN/m2)W k=0.8×0.7×1.95×1.54×0.2=0.34kN/m2q sk=1.2×0.34×0.35×1.8=0.25kN/m2) 非工作状态下塔机塔身截面对角线方向所受风荷载标准值塔机所受风均布线荷载标准值 (本地区 Wo=0.30kN/m2)W k=0.8×0.7×1.95×1.54×0.30=0.50kN/m2q sk=1.2×0.50×0.35×1.80=0.38kN/m2. 塔机的倾覆力矩工作状态下,标准组合的倾覆力矩标准值M k=-2450+800=-1650.00kN.m非工作状态下,标准组合的倾覆力矩标准值M k=-2450.00kN.m3. 力 Nw 计算工作状态下: N w=0.000kN非工作状态下: N w=0.000kN三. 附着杆内力计算塔吊四附着杆件的计算属于一次超静定问题,采用结构力学计算个杆件内力: 计算简图:方法的基本方程:计算过程如下:其中:∑1p为静定结构的位移;T i0为F=1时各杆件的轴向力;T i为在外力M和P作用下时各杆件的轴向力;l i为各杆件的长度。
考虑到各杆件的材料截面相同,在计算中将弹性模量与截面面积的积EA约去,可以得到:各杆件的轴向力为:考虑工作状态和非工作状态两个工况,以上的计算过程将θ从0-360度循环,解得每杆件的最大轴压力,最大轴拉力:杆1的最大轴向拉力为:102.2kN;杆2的最大轴向拉力为:62.57kN;杆3的最大轴向拉力为:62.57kN;杆4的最大轴向拉力为:102.2kN;杆1的最大轴向压力为:102.20kN;杆2的最大轴向压力为:62.57kN;杆3的最大轴向压力为:62.57kN;杆4的最大轴向压力为: 102.20kN。
塔机附着验算计算书一、编制依据:本方案编制主要依据为:GB/T13752-1992《塔式起重机设计规范》、GB50017《钢结构设计规范》、GB/T3811-2008《起重机设计规范》和百脉QTZ型塔式起重机使用说明书。
一、工程概况项目名称:圣源地毯有限公司公租房项目,施工单位:城西二建,施工地址:西宁市城南新区,安装了塔机一台生产厂家为:山东百脉、型号为:QTZ50的塔机。
二、塔机附着杆参数三、风荷载及附着参数四、工作状态下附墙杆内力计算1、在平衡臂、起重臂高度处的风荷载标准值q kq k=0.8βzμzμsω0α0h=0.8×1.92×2.21×1.95×0.2×0.35×1.06=0.491kN/m2、扭矩组合标准值T k由风荷载产生的扭矩标准值T k2T k2=1/2q k l12-1/2q k l22=1/2×0.491×442-1/2×0.491×11.82=625.182kN·m集中扭矩标准值(考虑两项可变荷载控制的组合系数取0.9)T k=0.9(T k1+ T k2)=0.9×(454.63+625.182)=14079.812kN·m3、附墙杆内力计算支座5处锚固环的截面扭矩T k(考虑塔机产生的扭矩由支座5处的附墙杆承担),水平内力N w=20.5R E=123.311kN。
计算简图:塔机附着平面图α1=arctan(b1/a1)=73.218°α2=arctan(b2/a2)=67.418°α3=arctan(b3/a3)=67.895°α4=arctan(b4/a4)=72.752°β1=arctan((b1-c/2)/(a1+c/2))=63.546°β2=arctan((b2+c/2)/(a2+c/2))=63.197°β3=arctan((b3+c/2)/(a3+c/2))=63.758°β4=arctan((b4-c/2)/(a4+c/2))=63.077°四杆附着属于一次超静定结构,用力法计算,切断T4杆并代以相应多余未知力X1=1。
附着计算计算书阳江项目工程;工程建设地点:;属于结构;地上0层;地下0层;建筑高度:0m;标准层层高:0m ;总建筑面积:0平方米;总工期:0天。
本工程由投资建设,设计,地质勘察,监理,组织施工;由担任项目经理,担任技术负责人。
本计算书主要依据施工图纸及以下规范及参考文献编制:《塔式起重机设计规范》(GB/T13752-1992)、《建筑结构荷载规范》(GB50009-2001)、《建筑安全检查标准》(JGJ59-99)、《建筑施工手册》、《钢结构设计规范》(GB50017-2003)等编制。
塔机安装位置至附墙或建筑物距离超过使用说明规定时,需要增设附着杆,附着杆与附墙连接或者附着杆与建筑物连接的两支座间距改变时,必须进行附着计算。
主要包括附着支座计算、附着杆计算、锚固环计算。
一、支座力计算塔机按照说明书与建筑物附着时,最上面一道附着装置的负荷最大,因此以此道附着杆的负荷作为设计或校核附着杆截面的依据。
附着式塔机的塔身可以简化为一个带悬臂的刚性支撑连续梁,其内力及支座反力计算如下:风荷载标准值应按照以下公式计算:ωk=ω0×μz×μs×βz= 0.450×1.170×1.450×0.700 =0.534 kN/m2;其中ω0──基本风压(kN/m2),按照《建筑结构荷载规范》(GBJ9)的规定采用:ω0 = 0.450 kN/m2;μz──风压高度变化系数,按照《建筑结构荷载规范》(GBJ9)的规定采用:μz = 1.450 ;μs──风荷载体型系数:μs = 1.170;βz──高度Z处的风振系数,βz = 0.700;风荷载的水平作用力:q = W k×B×K s = 0.534×1.600×0.200 = 0.171 kN/m;其中 W k──风荷载水平压力,W k= 0.534 kN/m2; B──塔吊作用宽度,B= 1.600 m;K s──迎风面积折减系数,K s= 0.200;实际取风荷载的水平作用力 q = 0.171 kN/m;塔吊的最大倾覆力矩:M = 500.000 kN·m;弯矩图变形图剪力图计算结果: N w = 29.2183kN ;二、附着杆内力计算计算简图:计算单元的平衡方程:ΣF x=0T1cosα1+T2cosα2-T3cosα3=-N w cosθΣF y=0T1sinα1+T2sinα2+T3sinα3=-N w sinθΣM0=0T1[(b1+c/2)cosα1-(α1+c/2)sinα1]+T2[(b1+c/2)cosα2-(α1+c/2)sinα2]+T3[-(b1+c/2)co sα3+(α2-α1-c/2)sinα3]=M w其中:α1=arctan[b1/a1] α2=arctan[b1/(a1+c)] α3=arctan[b1/(a2- a1-c)]2.1 第一种工况的计算:塔机满载工作,风向垂直于起重臂,考虑塔身在最上层截面的回转惯性力产生的扭矩和风荷载扭矩。
塔机附着验算计算书一、塔机附着杆参数
二、风荷载及附着参数
附图如下:
塔机附着立面图
三、工作状态下附墙杆内力计算
1、在平衡臂、起重臂高度处的风荷载标准值q
k
q
k =0.8β
z
μ
z
μ
s
ω
α
h=0.8×1.619×1.532×1.95×0.35×0.35×1.15=0.545kN/m
2、扭矩组合标准值T
k
由风荷载产生的扭矩标准值T
k2
T
k2=1/2q
k
l
1
2-1/2q
k
l
2
2=1/2×0.545×552-1/2×0.545×11.312=789.455kN·m
集中扭矩标准值(考虑两项可变荷载控制的组合系数取0.9)
T
k =0.9(T
k1
+ T
k2
)=0.9×(564+789.455)=1218.11kN·m
3、附着支座反力计算
计算简图
剪力图
得:R
E
=85.861kN
在工作状态下,塔机起重臂位置的不确定性以及风向的随机性,在计算支座4处锚固环截面内力时需考虑塔身承受双向的风荷载和倾覆力矩及扭矩。
4、附墙杆内力计算
支座4处锚固环的截面扭矩T
k
(考虑塔机产生的扭矩由支座4处的附墙杆承担),水平
内力N
w =20.5R
E
=121.426kN。
计算简图:
塔机附着示意图
塔机附着平面图
α
1=arctan(b
1
/a
1
)=60.945°
α
2=arctan(b
2
/a
2
)=52.792°
α
3=arctan(b
3
/a
3
)=60.945°
β
1=arctan((b
1
+c/2)/(a
1
+c/2))=58.241°
β
2=arctan((b
2
+c/2)/(a
2
-c/2))=63.072°
β
3=arctan((b
3
+c/2)/(a
3
+c/2))=58.241°
各杆件轴力计算:ΣM
O
=0
T
1×sin(α
1
-β
1
)×(b
1
+c/2)/sinβ
1
-T
2
×sin(α
2
-β
2
)×(b
2
+c/2)/sinβ
2
-T
3
×
sin(α
3-β
3
)×(b
3
+c/2)/sinβ
3
+T
k
=0
ΣM
g
=0
T
1×sinα
1
×c+T
2
×sinα
2
×c-N
w
×cosθ×c/2-N
w
×sinθ×c/2+T
k
=0
ΣM
h
=0
T
3×sinα
3
×c-N
w
×sinθ×c/2+N
w
×cosθ×c/2-T
k
=0
(1)θ由0~360°循环,当T
k
按图上方向设置时求解各杆最大轴拉力和轴压力:
最大轴拉力T
1=7.872kN,T
2
=0kN,T
3
=872.084kN
最大轴压力T
1=264.676kN,T
2
=761.546kN,T
3
=0kN
(2)θ由0~360°循环,当T
k
按图上反方向设置时求解各杆最大轴拉力和轴压力:
最大轴拉力T
1=264.676kN,T
2
=761.546kN,T
3
=0kN
最大轴压力T
1=7.872kN,T
2
=0kN,T
3
=872.084kN
四、非工作状态下附墙杆内力计算
此工况下塔机回转机构的制动器完全松开,起重臂能随风转动,故不计风荷载产生的扭转力矩。
1、附着支座反力计算
计算简图
剪力图得:R
E
=137.112kN
2、附墙杆内力计算
支座4处锚固环的水平内力N
w =R
E
=137.112kN。
根据工作状态方程组Tk=0,θ由0~360°循环,求解各杆最大轴拉力和轴压力:
最大轴拉力T
1=153.878kN,T
2
=59.327kN,T
3
=110.874kN
最大轴压力T
1=153.878kN,T
2
=59.327kN,T
3
=110.874kN
五、附墙杆强度验算
附墙杆钢管规格(mm) Φ220×10 附墙杆截面面积A(mm2) 6597.345 附墙杆截面回转半径i(mm) 74.33 附墙杆强度设计值[f](N/mm2) 215
1、杆件轴心受拉强度验算
σ=N/A=872084/6597.345=132.187N/mm2≤[f]=215N/mm2
满足要求!
2、杆件轴心受压强度验算
附墙杆1长细比:
λ
1=L
/i=(a
1
2+b
1
2)0.5/i=(30002+54002)0.5/74.33=83.107≤[λ]=100,查规范表得:φ
1
=0.667
满足要求!
附墙杆2长细比:
λ
2=L
/i=(a
2
2+b
2
2)0.5/i=(41002+54002)0.5/74.33=91.216≤[λ]=100,查规范表得:φ
2
=0.613
满足要求!
附墙杆3长细比:
λ
3=L
/i=(a
3
2+b
3
2)0.5/i=(30002+54002)0.5/74.33=83.107≤[λ]=100,查规范表得:φ
3
=0.667
满足要求!
附墙杆1轴心受压稳定系数:
σ
1=N
1
/(φ
1
A)=264676/(0.667×6597.345)=60.148N/mm2≤[f]=215N/mm2
满足要求!
附墙杆2轴心受压稳定系数:
σ
2=N
2
/(φ
2
A)=761546/(0.613×6597.345)=188.307N/mm2≤[f]=215N/mm2
满足要求!
附墙杆3轴心受压稳定系数:
σ
3=N
3
/(φ
3
A)=872084/(0.667×6597.345)=198.182N/mm2≤[f]=215N/mm2
满足要求!。