机顶盒硬件测试指南
- 格式:doc
- 大小:1.19 MB
- 文档页数:16
目录1 概述 (4)2 视频入网指标测试 (4)2.1 CVBS 视频入网指标测试 (4)2.1.1 幅频特性 (4)2.1.2 输出幅度和同步幅度 (5)2.1.3 色度/亮度增益不等和色度/亮度延时不等 (5)2.1.4 K 系数 (5)2.1.5 亮度非线性 (5)2.1.6 视频信杂比(加权) (5)2.1.7 微分增益和微分相位 (6)2.1.8 色同步副载波频率测试 (6)2.1.9 副载波对水平同步脉冲的相位偏移(SCH)测试 (6)2.2 S_Video 视频入网指标测试 (6)2.3 YCbCr 分量指标测试 (6)2.3.1 蝴蝶结测试(Bowtie) (7)2.3.2 通道延时(Channel Delay) (7)2.3.3 K 系数测量(K-Factor Measurement) (8)2.3.4 水平测试(LevelMeter Measurement) (8)2.3.5 色度振幅和延时(Lightning) (8)2.3.6 亮度非线性测量(Luminance Nonlinearrity Measurement) (8)2.3.7 幅频特性测量(Multiburst Measurement) (9)2.3.8 噪声频谱测量(Noise Spectrum Measurement) (9)2.3.9 信号重叠对比测量(Overlay MeasureMent) (9)2.3.10 行列测量(Parade Measurement) (10)3 音频入网指标测试 (10)3.1 输出幅度 (10)3.2 音频失真度 (11)3.3 幅频特性 (11)3.4 左右声道相位差 (11)3.5 左右声道电平差 (11)3.6 音频信噪比(不加权) (11)3.7 左右声道串扰 (11)4 网口眼图测试 (12)5 USB 眼图测试 (12)1 概述机顶盒硬件测试项目包括:指标测试(视频、音频和信道)和眼图测试(网口和 USB )。
机顶盒测试报告1. 引言机顶盒是一种用于接收和解码数字电视信号的设备,能够将数字电视信号转换为可供电视机显示的画面。
本文将对机顶盒进行全面的测试,包括硬件测试和软件测试。
2. 硬件测试2.1 电源测试首先,我们对机顶盒的电源进行测试。
我们使用万用表测量了机顶盒的电源电压和电流,确保其在正常范围内。
同时,我们还进行了电源开关的测试,以确保机顶盒能够正常启动和关闭。
2.2 网络连接测试接下来,我们测试了机顶盒的网络连接功能。
我们首先使用网线将机顶盒连接到路由器,然后使用网络测试工具对网络连接进行测试。
我们测试了机顶盒的网络下载速度和稳定性,确保其能够正常连接互联网并流畅播放在线视频。
2.3 视频输出测试为了测试机顶盒的视频输出功能,我们将其连接到一台电视机。
我们首先使用HDMI线连接机顶盒和电视机,并确保视频信号正常传输。
然后,我们测试了机顶盒的分辨率和画质设置,以确保能够提供高质量的视频输出。
2.4 遥控器测试机顶盒的遥控器是用户与设备交互的关键工具,因此我们对其进行了全面测试。
我们测试了遥控器的按键功能和响应速度,确保用户能够方便地操作机顶盒。
3. 软件测试3.1 操作系统测试机顶盒的操作系统是其核心组成部分,我们对其进行了功能和稳定性测试。
我们测试了操作系统的启动速度和运行稳定性,确保其能够顺畅地运行各种应用程序。
3.2 应用程序测试机顶盒通常预装了各种应用程序,我们对这些应用程序进行了功能和性能测试。
我们测试了应用程序的安装和卸载功能,并确保其能够正常运行,提供良好的用户体验。
3.3 多媒体播放测试由于机顶盒主要用于播放多媒体内容,我们对其多媒体播放功能进行了全面测试。
我们测试了机顶盒的音频和视频播放质量,包括声音清晰度、画质流畅度和格式兼容性等方面。
3.4 系统更新测试为了确保机顶盒能够及时升级和更新,我们对系统更新功能进行了测试。
我们测试了系统更新的稳定性和可靠性,以及更新后的功能和性能改进。
制 作审 核检查日期
判定□合格□不合格□待定小郭批 准1)用卡尺测量:电源板下面,4个螺丝柱的高
度。
螺丝柱高度,大于9.4MM。
2)用卡尺测量:电源板输入部分PCB板边与铁
壳距离尺寸.大于6.4MM。
安规检查
3)电源线端子检查:用2扭力拉拔
5次,不能有松脱现象。
4)用卡尺测量:电源线内部铜线芯。
0.75X2 MM(24条,每条0.15MM)
5)线槽卡位拉拔测试:将电源线安装到铁箱
上,。
用3扭力,拉拔5次,不能有松脱现象(移位不能超过1MM)。
6)上盖绝缘胶片检查:在电源板输入端位置。
是否有贴在电源板输出端,高压位置顶部。
检查项目检查方法
样机编号
软件版本检查要求备注
检查结果结构检查报告
样机型号
样机数量测试目的。
一机顶盒的测试简介1.机顶盒的原理机顶盒包括数字电视机顶盒和IP 机顶盒。
数字电视机顶盒是一种能提供模拟音频和视频接口,使现在的模拟电视机能正常接收数字电视节目;同时还能提供各类数据信息服务和交互式功能,它的接入方式有有线、卫星和地表接入方式,是目前国内应用较多的有线数字电视接入方式。
IP 机顶盒的基本功能原理和数字电视相同,但它的接入网络不是广电网络,而是Internet 网络。
2.数字电视机顶盒的测试如《有线数字电视系统用户终端接收机》性能参数要求所示,机顶盒的测试主要包括解调性能的测试和音视频(AV)输出指标测试。
2.1.解调性能的测试测试目的是检验机顶盒的信号接收性能是否符合标准要求,如《有线数字电视系统用户终端接收机》所示为有线电视的接入方式国家标准要求。
2.2.音视频(AV)输出指标测试音视频是重要指标,是表征机顶盒提供给用户音视频信号能否达到要求。
测试项目及要求见《有线数字电视系统用户终端接收机》。
二研发生产测试方案总体测试方案分为三个主要部分,信号发生部分、信号网络分配部分和音视频测试部分。
信号源产生标准数字测试信号,经过网络传输,加入到被测机顶盒的输入端口,控制机顶盒接收信号,并输出音视频信号,音视频测试设备接收并分析机顶盒产生的音视频信号,给出测试结论。
如图一所示,是一个DVB-C 接入方式的机顶盒测试系统方案图,测试方案解释如下:1. 电视前端模拟为测试信号源部分,这是一个简单的数字前端。
QAM 调制器接收标准的测试码流信号(来自于DS7618 机顶盒测试系统),调制成有线数字电视信号,这个信号和多路电视发生器(一般为60 路左右)产生的多路电视信号合路生成多频道的数字模拟电视信号,这样做的目的是为了产生实际的电视多波群测试信号,多波群信号进入分配网络和接收机(如DVB-C 机顶盒)会产生复杂的交调失真信号,进而影响接收效果,这就是模仿实际信号的目的所在。
注意多路电视信号和数字电视信号间的功率差最好控制到10dB 以内(可用DS8821Q 监测功率指标,检验模拟、数字电视信号的质量)。
能
测试人##
通过
未通过功能错误现象
/64/128/256)接收
按键一致,不出现歧义,界面显示正常
默认为PAL制式
项目测试描述
由上下左右移动;每个页面的内容、菜单按钮退出浏览器有提示(退出 取消)
(确认 取消)
节目编辑功能;任意频点(或节目)切换换后保持在原来频道(或状态)。
,显示前端CA发送的文字内容,邮件可以保存
时间<(待定)S)
现(误差<0.3S)。
音频最大音量的时候是否干
息,没有缺漏。
在收看切换频道时,底部菜
下一节目和播出时间;一定时间后自动消失,系统时。
认PAL模拟音量信号,记忆声道选择,默认左。
静音功能和音量调节正常。
自动搜索可根据EPG播出的NIT表格式搜索
现全频道搜素功能
功
能测
试
种格式的广告业务,接收显示的速度<(待定)
升级,提供备份恢复功能
以按STB-ID对机顶盒进行分厂商分批分段的
离()
环通),RF输出直插头IEC169-2 公头(断电为0
看的必要功能。
大小。
iptv机顶盒测试标准IPTV(Internet Protocol Television)机顶盒是一种通过互联网传输电视信号的设备。
测试IPTV机顶盒通常需要考虑多个方面,包括硬件性能、软件功能、互联网连接等。
以下是一些可能用于测试IPTV机顶盒的标准:1.硬件性能测试:•处理器性能:测试机顶盒的处理器性能,包括处理速度和多任务处理能力。
•存储性能:检查机顶盒的内存和存储设备,确保其足够运行应用程序和存储媒体内容。
2.视频和音频质量测试:•分辨率和画质:测试机顶盒对不同分辨率的视频的支持以及输出的画质。
•音频输出:检查机顶盒的音频输出性能,包括声道和音质。
3.互联网连接测试:•网络连接:测试机顶盒的网络连接性能,确保其能够稳定连接到互联网,以提供流畅的视频播放。
•带宽需求:测试机顶盒对带宽的需求,以确保在网络条件不佳时仍能提供适当的服务。
4.用户界面和用户体验测试:•菜单导航:测试机顶盒的用户界面,确保用户可以轻松导航和使用。
•遥控器功能:测试遥控器的响应性和功能,以确保用户可以方便地控制机顶盒。
5.应用和软件功能测试:•IPTV应用:测试机顶盒上预装的或可下载的IPTV应用的性能和稳定性。
•EPG(Electronic Program Guide):测试节目指南的准确性和更新频率。
6.安全性和稳定性测试:•安全性:测试机顶盒的安全性能,包括防火墙、加密等。
•稳定性:测试机顶盒在长时间使用中的稳定性,确保其不容易崩溃或出现故障。
这些测试标准通常由制造商、行业协会或相关标准制定组织制定。
具体的标准可能因地区而异。
如果您对特定机顶盒的测试标准感兴趣,建议联系制造商或参考相关行业标准。
机顶盒测试项目说明1 启动测试测试内容:1)测试非法退出时,能否自动重启2)启动过程中,屏幕有无显示静态画面2 浏览器测试测试内容:1)完全启动后,应打开设置在机顶盒中的首页2)无法获取IP造成无法打开首页,应提示用户相应的错误信息并切换到DVB模式3)交互服务已成功启动时,应可浏览网页或收看IPTV 点播部分的节目4)通过切换键可将机顶盒切换到直播服务状态。
5)用户可通过遥控器对频道直播和交互服务部分进行控制。
3点播测试测试内容:1)可以进行点播影片。
当网络繁忙,机顶盒与服务器的连接中断或受阻时,画面会弹出网络繁忙的提示窗口。
之后如果在一定的时间内恢复连接,影片可以正常播放,如果不能恢复,则退出,返回播放页面。
2)可以进行播放控制:快进、快退、定时播放和显示影片功能。
4 频道相关测试测试内容:1)频道信息查看2)节目信息3)个人收藏4)数字广播5)节目管理5节目管理测试测试内容:1)节目预告2)节目预约3)节目搜索6系统设置测试测试内容:1)用户设置2)CA设置3)系统信息4)高级设置7升级loader测试测试内容:1)成功升级2)升级失败3)升级后的列表、用户的信息情况8 running set up设置测试测试内容:1)登入测试2)网络模式设置测试3)浏览器设置测试9 硬件功能性测试测试内容:读卡器测试网卡测试USB接口测试Tuner测试前面板按键测试前面板显示屏测试视频输出测试(HDMI/YCrCb/S-video/AV)音频输出测试(SPDIF/立体声)。
裕兴机顶盒的测试流程及方法1.硬件区分方法(和朝歌机顶盒的区分方法)A、顶顶盒的区分方法:机顶盒通过S/N条码命名方式进行区分,裕兴机顶盒S/N条码中带有字母H0B,朝歌S/N 条码没有字母H0B 。
B、遥控器的区分方法:遥控器通过电池安装处QC标贴的不同颜色进行区分,裕兴为白色QC标贴,朝歌为绿色QC 标贴。
C、电源的区分方法:电源型号码:俗兴:KSAFC1200100W1CH,朝歌:KSAC1200100W1CH。
2.检测方法2.1.按照如下方法一步步进行测试机顶盒的硬件问题1.电源检测:将机顶盒电源加电,接通一台正常的机顶盒,看机顶盒灯是否亮,如不亮表明电源已坏,反之则正常。
2.后背板开关机测试:反复关机开机10次以上,能否正常开关机。
开机有无噪音。
Data指示灯注意事项:2.1.开机后,data指示灯红绿交替循环闪烁,按遥控器上任何按键后,data灯变红,不再交替闪烁。
2.2.当网络有数据正常通讯后(组播时)为绿灯,当网络数据包非正常通讯时为红灯,StandBy功能下熄灭。
3.遥控器StandBy(待机)功能测试:按Standby是否能进行待机状态或待机唤醒。
2.2.软件升级软件升级说明:进行工厂测试模试也可以对机顶盒进行升级,但在工厂测试模试下对机顶盒升级需要搭建比较复杂的环境。
而可以不在工厂测试模试下,利用工具软件对机顶盒进行升级的方法比较简单,并且可以达到测试升级的效果,具体方法如下。
软件升级的做用是:升级到最新版本,排除因为软件问题造成盒子问题,同时验证盒子升级工功是否正常。
机顶盒的配置:开机以后时按“设置”键进入配置页面,输入密码“8288”进入系统配置页面。
选择“网络连接”→有线连接→LAN(此时机顶机的IP地址已经烧在了要顶盒芯片中为10.10.10.89),选中以后按“确定”退到系统配置主页面,点“确定”到保存页面,输入密码“3008”保存重启。
具体如下组图(图1-图5)所示:输入密码为8288。
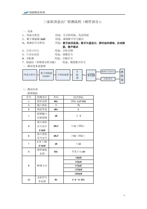
三泰机顶盒出厂检测流程(硬件部分):一、设备1、 码流分析仪 用途:可分析码流,发送码流2、 数字调制器(QAM) 用途:调制数字信号输出3、 视频信号分析仪 用途:数字波形监视,数字矢量显示,群时延和频响,自动测量,噪声测试4、音频分析仪 用途:分析音频5、可调衰减器 用途:调整信号6、分配器 用途:分配信号7、场强仪(带频谱分析功能) 用途:测量数字信号 二、测试设备连接图三、测试内容 射频指标序号 检测项目 单位 技术指标 1 频率范围 MHz 国标:110-8552 输入阻抗 Ω 753 频道带宽MHz84射频输入反射损耗 dB ≥ 85 最小接收信号电平64QAM dBuV ≤40(国标)6 最大接收信号电平 dBuV ≥80(国标)7 C/N 门限(64QAM) dB ≤25 8频率捕捉范围KHz不劣于±150 16QAM 32QAM64QAM 128QAM 9 解调方式256QAM10支持符号率范围Mb 3.6∽6.952视频、音频检测指标视频输出幅度 mVp-p 700±30视频同步幅度 mVp-p 300 ±20±0.8(≤4.8MHz)±1.0(4.8-5MHz)视频幅频特性 dB0.5/-4(5.5MHz)微分增益 % ≤8微分相位 度 ≤8视频信噪比(加权) dB ≥56亮度非线性 % ±8色度/亮度增益差 % ±5色度/亮度时延差 ns ≤50K 系数 % ≤4音频检测指标序号 项目 单位 技术要求 备注1 工作高温试验 --- 在温度+40℃的条件下,应能持续正常工作16小时。
2 工作低温试验 --- 在温度-10℃的条件下搁置2小时后,应能持续正常工作1小时。
3 恒定湿热试验 --- 在温度40℃和湿度93%的条件下搁置96小时,经4小时恢复后,应能正常工作。
4 供电 --- 150 – 240V, 50Hz±2Hz四、其余参考国家标准。
机顶盒测试认识机顶盒测试认识 (1)一.机顶盒功能 (1)1.1视频转换处理 (1)1.2视频编码转换 (2)1.3数字内容管理 (2)1.4条件式接取(CA) (2)1.5数字内容管理技术-DRM (2)1.6安全视频处理器(SVP) (3)二.机顶盒的系统架构 (3)三.数字电视机顶盒的工作过程 (4)四.测试项目和测试方法的选定 (5)五.测试工具 (7)六.测试组网和测试平台 (8)七.测试项目关键点分析 (9)7.1接口完备性 (9)7.2网络适应性和抗时延抖动能力 (9)7.3编解码能力和图像功能 (9)7.4协议一致性 (10)7.5互通性 (10)7.6家用电器标准 (11)八.参考文献 (11)一.机顶盒功能数字电视机顶盒首先从传输层提取信道编码信号,完成信道解调,接着还原压缩的信源编码信号,恢复原始视音频流,同时完成数据业务和多种应用的接收、解析。
1.1视频转换处理视频转换处理无疑是STB最主要的功能,因此编码/解码器(CODEC)犹如STB 的心脏。
目前电视广播业以MPEG-2为基本视频压缩规格,但已积极转向MPEG-4、H.264/AVC(即MPEG-4 Part 10)及VC-1等新一代编解码规格。
1.2视频编码转换身为数字家庭网络核心位置的STB,除了提供电视节目的视频转换播放之外,目前也成为家庭中如DVD、PMP、数码相机等各种不同设备的互连中心。
为了让视频内容能在不同设备间进行播放及存取,STB还得具有视频编码转换的能力,也就是调整位元速率以符合特殊的通道速率或储存格式;或是用来改变分辨率,如将高分辨率(HD)视频串流传送给标准分辨率(SD)电视,或是在CIF 移动终端上显示SD视频等。
1.3数字内容管理进入数字内容的时代,复制盗版的难度大减,这也成了电视服务业者迈向数字电视或IPTV时最关心的问题之一,负责接收转换数字内容的STB,自然就被赋与了版权管控的任务。
以下为参考测试方案:机顶盒检测主要包括实验室基本检测、网络适应性检测、安全和质量例行检测、主观评价。
机项盒基本功能检测1 数字电视、数字音频广播的接收1)搜索全部数字电视、数字音频广播节目;2)分别收看、收听各个节目,检查是否正常。
2 软件更新3.1 更新软件版本高于机顶盒软件版本1)前端发送更新软件;2)检查机顶盒是否检测到更新软件并出现提示信息;a)选择更新软件操作,检测是否满足要求;b)选择不更新软件操作,检测是否满足要求;3)通过手动方式强制进行被测机顶盒的软件升级,检测是否满足要求;4)查看更新后用户定制的选项是否改变(包括已经编辑过的节目顺序、喜爱频道等);3.2 更新软件版本不高于机顶盒软件版本1)前端发送更新软件;2)检查机顶盒是否检测到更新软件并出现提示信息;3)通过手动方式强制进行被测机顶盒的软件升级,检测是否满足要求;3.3 非本机顶盒软件更新1)前端发送的更新信息分别设置与被测机顶盒不同的厂家代号、硬件版本号、序列号;2)前端发送更新软件;3)检查机顶盒是否检测到更新软件并出现提示信息;4)通过手动方式强制进行被测机顶盒的软件升级,检测是否满足要求;3.4 出现异常情况能否恢复1)在更新过程中,将机顶盒断电然后恢复,检测机顶盒的运行状况是否满足要求;2)在更新过程中,将机顶盒输入信号断开然后恢复,检测机顶盒的运行状况是否满足要求;3 频道切换切换频道,记录频道切换时间,检查是否满足要求;4 显示界面调阅所有的中文信息提示(如:菜单、节目描述、EPG等),打开菜单界面,检查是否满足要求;5 声道设置1)使用快速自动搜索出全部播放的标准清晰度数字电视、数字音频广播;2)检查各节目的声道设置是否满足要求;3)在前端改变节目的声道设置,检测机顶盒的运行状况是否满足要求;4)在机顶盒端手动改变节目的声道设置,检查是否满足要求;6 音量1)使用快速自动搜索搜出全部播放的标准清晰度数字电视、数字音频广播;2)检查各节目的音量设置是否满足要求音量基本一致的要求;3)改变各节目的音量设置,检查是否满足各节目音量设置单独存储的要求。
IPTV机顶盒与ONU测试方案1.组网分析NE5000E下新建两台S9300下挂IPTV组播服务器,新建机顶盒上联OUN设备,IPTV业务流通过城域网承载。
1、组播协议的选择:组播协议有很多种,目前推荐使用的组播协议包括PIM-DM、PIM-SM和PIM-SSM。
PIM-SSM指定源组播需要IGMPV3的支持,而目前大多数终端都不支持IGMPV3。
因此虽然PIM-SSM有着诸多的技术优势,但在实际应用依旧无法在终端用户中大范围开展。
PIM-DM虽然协议较为简单,但是在发送组播的时候是以推的方式实现,因此会耗费很多资源。
所以,在大范围、地理位置分布比较分散的环境下非常不适合,它更适合于小范围的企业进行远程教学。
PIM-SM支持IGMPV1、IGMPV2,目前大多数的终端设备都支持两种协议,而且PIM-SM在发送组播流时是以拉的发式实现,资源消耗没有PIM-DM大,能够尽量减轻网络设备的负担,适合大型网络,所以在目前网络情况中PIM-SM最为适合。
2、组播RP的部署:选用高端路由器NE5000E作为RP设备,两台NE5000E配置Anycast-rp,保证RP的冗余备份。
Anycast-rp技术允许单个组映射到多个RP。
这些RP分布在整个组播域,使用相同的RP地址,产生多个虚拟的RP。
MSDP是产生虚拟RP的基础,使用msdp协议同步不同RP上的组播源信息,组播路由器在最近的RP上进行注册。
MSDP最初设计用于域间组播应用的,在anycast-rp应用中,MSDP在域内提供一种域内容错备份和负载分担机制,在IPTV网络中使用anycast-rp实现单个组播域内容错性要求。
有了anycast-rp技术就不需要使用动态rp来发送rp信息,而改用静态RP的,方法是在每台NE80E、NE40E上都配置静态的rp。
Anycast-rp技术解决了静态RP 协议故障后,需要重新更改RP地址问题。
3、NE80E、NE40E配置组播组负载均但配置组播组负载均担,将每个组播流的业务均担到每条上行链路,从而实现NE80E、NE40E上行链路流量的负载均担。
1 概述42 视频入网指标测试42.1 CVBS视频入网指标测试42.1.1 幅频特性42.1.2 输出幅度和同步幅度52.1.3 色度/亮度增益不等和色度/亮度延时不等52.1.4 K系数52.1.5 亮度非线性52.1.6 视频信杂比(加权)52.1.7 微分增益和微分相位62.1.8 色同步副载波频率测试62.1.9 副载波对水平同步脉冲的相位偏移(SCH)测试62.2 S_Video视频入网指标测试62.3 YCbCr分量指标测试62.3.1 蝴蝶结测试(Bowtie)72.3.2 通道延时(ChannelDelay)72.3.3 K系数测量(K-FactorMeasurement)82.3.4 水平测试(LevelMeterMeasurement)82.3.5 色度振幅和延时(Lightning)82.3.6 亮度非线性测量(LuminanceNonlinearrityMeasurement)8 2.3.7 幅频特性测量(MultiburstMeasurement)92.3.8 噪声频谱测量(NoiseSpectrumMeasurement)92.3.9 信号重叠对比测量(OverlayMeasureMent)92.3.10 行列测量(ParadeMeasurement)103 音频入网指标测试103.1 输出幅度103.2 音频失真度113.3 幅频特性113.4 左右声道相位差113.5 左右声道电平差113.6 音频信噪比(不加权)113.7 左右声道串扰114 网口眼图测试125 USB眼图测试12概述机顶盒硬件测试项目包括:指标测试(视频、音频和信道)和眼图测试(网□和USB)。
2视频入网指标测试测试使用的视频测试仪器为VM700T&VM5000,测试使用全部为CCITTO.33码流。
组网图如下:图1复合视频测试组网图序号项目单位技术要求备注1模拟复合视频视频输出幅度mV-p700±302视频同步幅度mV-p300i203视频幅频特性dB i0.8(4.8MHz以内)±1(4.8-5MHz)+0.5/-4(5.5MHz) 4视频信杂比(加权)dB>565K系数%046微分增益(P-P)%<87微分相位(P-P)度<88亮度非线性%±89色度/亮度增益差%i510色度/亮度时延不等ns工501.2幅频特性测试项目名称:CVBS输出视频测试+幅频特性测试方法:播放CCITTO.33码流。
目录1 概述 (4)2 视频入网指标测试 (4)2.1 CVBS 视频入网指标测试 (4)2.1.1 幅频特性 (4)2.1.2 输出幅度和同步幅度 (5)2.1.3 色度/亮度增益不等和色度/亮度延时不等 (5)2.1.4 K 系数 (5)2.1.5 亮度非线性 (5)2.1.6 视频信杂比(加权) (5)2.1.7 微分增益和微分相位 (6)2.1.8 色同步副载波频率测试 (6)2.1.9 副载波对水平同步脉冲的相位偏移(SCH)测试 (6)2.2 S_Video 视频入网指标测试 (6)2.3 YCbCr 分量指标测试 (6)2.3.1 蝴蝶结测试(Bowtie) (7)2.3.2 通道延时(Channel Delay) (7)2.3.3 K 系数测量(K-Factor Measurement) (8)2.3.4 水平测试(LevelMeter Measurement) (8)2.3.5 色度振幅和延时(Lightning) (8)2.3.6 亮度非线性测量(Luminance Nonlinearrity Measurement) (8)2.3.7 幅频特性测量(Multiburst Measurement) (9)2.3.8 噪声频谱测量(Noise Spectrum Measurement) (9)2.3.9 信号重叠对比测量(Overlay MeasureMent) (9)2.3.10 行列测量(Parade Measurement) (10)3 音频入网指标测试 (10)3.1 输出幅度 (10)3.2 音频失真度 (11)3.3 幅频特性 (11)3.4 左右声道相位差 (11)3.5 左右声道电平差 (11)3.6 音频信噪比(不加权) (11)3.7 左右声道串扰 (11)4 网口眼图测试 (12)5 USB 眼图测试 (12)1 概述机顶盒硬件测试项目包括:指标测试(视频、音频和信道)和眼图测试(网口和 USB )。
2 视频入网指标测试测试使用的视频测试仪器为 VM700T&VM5000,测试使用全部为 CCITT O.33 码流。
组网图如下:图1 复合视频测试组网图 或2.1 CVBS 视频入网指标测试2.1.1 幅频特性测试项目名称:CVBS 输出视频测试+幅频特性 测试方法: 1. 播放CCITT O.33码流。
2. 按下视频分析仪“Measure ”键,在显示屏中选择“GroupDelay SinX_X ”。
3. 然后按下“Select Line ”键,旋转旋钮选择行,当旋到L287~L293和L600~L606时,在显示屏 中选择“Menu ”→“ Cursor ”→“Cursor On”和“Cursor Active ”,旋转旋钮参照国标进行测量。
2.1.2 输出幅度和同步幅度测试项目名称:CVBS 输出视频测试+视频输出幅度和视频同步幅度测试方法:1、播放CCITT O.33码流按下视频分析仪“Measure”键,在显示屏中选择“Bar LevelTime”。
2、按下“Select Line”键,旋转旋钮选择行,(L32~L37和L345~L350)。
3、在显示屏中读出“Bar Level(Ref.Back Parch)”的值即为“视频输出幅度”值。
4、在显示屏中读出“Sync Level”的值即为“视频同步幅度”值。
2.1.3 色度/亮度增益不等和色度/亮度延时不等测试项目名称:CVBS 输出视频测试+色度/亮度增益不等和色度/亮度延时不等测试方法:1、播放CCITT O.33码流按下视频分析仪“Measure”键,在显示屏中选择“Bar LevelTime”。
2、按下“Select Line”键,旋转旋钮选择行,(L32~L37和L345~L350)。
3、显示屏中读出“Chroma Gain”的值即为“色度/亮度增益不等”值。
4、在显示屏中读出“Chroma Delay”的值即为“色度/亮度延时不等”的值。
2.1.4 K 系数测试项目名称:CVBS 输出视频测试+K 系数测试方法:1、播放CCITT O.33码流按下视频分析仪“Measure”键,在显示屏中选择“K-Factor”。
2、按下“Select Line”键,旋转旋钮选择行,(L32~L37和L345~L350)。
3、显示屏中读出“K-2T”的值和“K-PB”的值,取最大的失真作为K系数的测量结果。
2.1.5 亮度非线性测试项目名称:CVBS 输出视频测试+亮度非线性测试方法:1、播放CCITT O.33码流按下视频分析仪“Measure”键,在显示屏中选择“Luminace Nonlinearity”。
2、按下“Select Line”键,旋转旋钮选择行,(L32~L37和L345~L350)。
3、在显示屏中读出“PK-PK”的值即为“亮度非线性”值。
2.1.6 视频信杂比(加权)测试项目名称:CVBS 输出视频测试+亮度非线性测试方法:1、播放CCITT O.33码流按下视频分析仪“Measure”键,在显示屏中选择“Noise Spectrm”。
2、按下“Select Line”键,旋转旋钮选择行,(L47~L58)。
3、按下“Menu”键,在显示屏中选择“Filters Selection”→High Pass 200KHz、Low Pass 5.0MHz和Unified Weighting然后在显示屏中读出“Noise Level”的值即为“视频信杂比(加权)”值。
2.1.7 微分增益和微分相位测试项目名称:CVBS 输出视频测试+微分增益和微分相位测试方法:1、播放CCITT O.33视频测试信号,按下视频分析仪“Measure”键,在显示屏中选择“DGDP”。
2、按下“Select Line”键,旋转旋钮选择行,测试L295~L302行。
3、在显示屏中读出“Differential Gain PK-PK”的值即为“微分增益(p-p)”值,在显示屏中读出“Differential Phase PK-PK”的值即为“微分增益(p-p)”值。
2.1.8 色同步副载波频率测试测试项目名称:CVBS 输出视频测试+色同步副载波频率测量测试方法:1、播放CCITT O.33视频测试信号,按仪器面板上的“waveform”键进入波形显示方式,通过调节“功能控制旋钮”可以选择波形对应的测试行。
在“waveform”方式下,按“select line”键可以更快速的定位测试行,进而得到测试用波形图。
2、按下“Select Line”键,旋转旋钮选择行,测试L343~L349、L32~L38、L295~L301、L607~L613之间的任意行作为测试行。
通常选择行L295~L301。
3、按下视频分析仪“Measure”键,在显示屏中选择“Burst_Frequency”,显示屏出现一个指针用于显示色同步副载波频率偏移基准频率的大小。
4、设置好信号基准来源“Ref Internal”,进行测试零点校准“Zero Set”。
读取“Burst Frequency Error”的值,完成色同步副载波频率大小的测量。
2.1.9 副载波对水平同步脉冲的相位偏移(SCH)测试测试项目名称:CVBS 输出视频测试+Subcarrier to Horizontal Phaser Shift(副载波对水平同步脉冲的相位偏移)测试测试方法:1、播放CCITT O.33码流。
2、按下视频分析仪“Measure”键,在显示屏中选择“SCH”。
2.2 S_Video视频入网指标测试采用VM700T 进行S_Video 视频指标测试与进行CVBS 视频指标测试不同,需要如下操作:(1)由于VM700T 没有直接的S 端输入,必须将S 端子输出的Y、C 视频分开为两个通道,分别输送到SourceA、SourceB 的输入端。
(2)在VM700T 前面板上,按仪器面板上的“waveform”键进入波形显示方式,按住“Source A”不放,再按“Source B”将输入进来的Y、C 信号重新叠加到一起显示。
其他操作步骤与测试CVBS 视频指标一样,S_Video 视频指标测试方法参见CVBS 视频指标测试用例。
2.3 YCbCr分量指标测试信号特性:亮度信号y 为单极性带有同步脉冲的标准亮度信号,总幅度为1Vp-p;信号部分0.7V,正极性;同步,负极性。
色差信号 R -Y 、B —Y 为双极性;无同步脉冲;总幅度为 0.7Vp-p (±0.35Vp-p )。
亮度信号所占频带宽度 5MHz 以上,色差信号为其一半。
Y 、R —Y 、B -Y 3 个信号分别用 3 个通道传送、且 3 个幅度可以分别调整。
通道特性: 分量信号视频通道与复合信号的要求一样,也要进行五大项指标的考核。
由于其每个讯道都要扩充为 3 个通道传输,已没有 DG 、DP 和色亮交调等问题,但却产生了 3 通道间传输的一致 性问题、通道间串扰问题以及两个色差信号的对称性问题等,这都需要在测试中注意。
测试仪器和测试组网图:TEK VM5000 一台,无源探头 2 个;TEK VM700T(含 OPT30 选件) 一台,转接头 三个,75Ω 精密匹配电阻 三个,Tektronix 测试盘 一张;罗德施瓦茨电视信号发生器 一台; InfoLink DTX8210 调制器 一台。
罗德施瓦茨 图 2 YCbCr 分量测试组网图调制器 电视信号发生器A YB CbC Cr2.3.1 蝴蝶结测试(Bowtie )测试项目名称:YCbCr 输出视频测试+YCbCr 分量视频测试+蝴蝶结测试 测试方法:此测试项目测试的是通道间的交调时间和增益错误,相当于 CVBS 的亮色增益及延时不等测试。
所 用测试信号为 Tektronix 测试盘上蝴蝶结(bowtie )信号,按下“Component ”→“Bowtie”,在显示 屏内读出“Relative Timing ”和“Relative Amplitude ”的值即为交调时间和增益错误值。
2.3.2 通道延时(Channel Delay )测试项目名称:YCbCr 输出视频测试+YCbCr 分量视频测试+通道延时测试(Channel Delay ) 测试方法:此测试项目是对3 通道间2 者的传输延时进行测试,可用任何含有抖动的信号作为测试信号,我们采用Tektronix 测试盘上蝴蝶结(bowtie)信号测试,按下“Component”→“Channel Delay”, 在显示屏即可读出任意两通道间的延时。
与蝴蝶结测试不同的是,通道延时测试可选择需要的测试频率,而蝴蝶结测试只能测Y 通道为500KHz,B-Y 和R-Y 为502KHz。