电线平方与直径对照表
- 格式:docx
- 大小:14.73 KB
- 文档页数:2
标准电线平方数和直径一览表
注:以上导体直径指BV 塑铜线及BLV 塑铝线
换算方法:知道电线的平方,计算电线的半径用求圆形面积的公式计算:电线平方数(平方毫米)=圆周率(3。
14)×电线半径(毫米)的平方知道电线的平方,计算线直径也是这样,如:2。
5方电线的线直径是:2。
5÷ 3。
14 = 0。
8,再开方得出0.9毫米,因
此2。
5方线的线直径是:2×0。
9毫米=1。
8毫米。
知道电线的直径,计算电线的平方也用求圆形面积的公式来计算:电线的平方=圆周率(3。
14)×线直径的平方/4 电缆大小也用平方标称,多股线就是每根导线截面积之和。
电缆截面积的计算公式: 0。
7854 ×电线半径(毫米)的平方×股数如48股(每股电线半径0。
2毫米)1。
5平方的线:0。
785 ×(0。
2 × 0。
2)× 48 = 1.5平方。
标准电线平方数和直径一览表
注:以上导体直径指BV 塑铜线及BLV 塑铝线
换算方法:知道电线的平方,计算电线的半径用求圆形面积的公式计算:电线平方数(平方毫米)=圆周率(3。
14)×电线半径(毫米)的平方知道电线的平方,计算线直径也是这样,如:2。
5方电线的线直径是:2。
5÷ 3。
14 = 0。
8,再开方得出
0.9毫米,因此2。
5方线的线直径是:2×0。
9毫米=1。
8毫米. 知道电线的直径,计算电线的平方也用求圆形面积的公式来计
算:电线的平方=圆周率(3。
14)×线直径的平方/4 电缆大小也用平方标称,多股线就是每根导线截面积之和。
电缆截面积的计算公式:0.7854 ×电线半径(毫米)的平方×股数如48
股(每股电线半径0。
2毫米)1。
5平方的线: 0。
785 ×(0.2 × 0。
2)× 48 = 1.5平方。
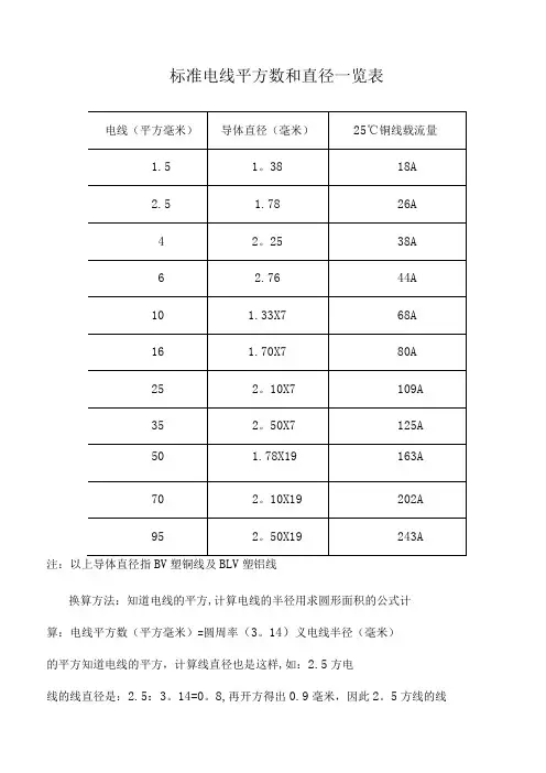
标准电线平方数和直径一览表?电线(平方毫米)导体直径(毫米)25℃铜线载流量1.5 1.38 18A2.5 1.78 26A4 2.25 38A6 2.76 44A10 1.33×7 68A16 1.70×7 80A25 2.10×7 109A35 2.50×7 125A50 1.78×19 163A70 2.10×19 202A95 2.50×19 243A注:以上导体直径指BV塑铜线及BLV塑铝线换算方法:????知道电线的平方,计算电线的半径用求圆形面积的公式计算:????电线平方数(平方毫米)=圆周率(3.14)×电线半径(毫米)的平方????知道电线的平方,计算线直径也是这样,如:????2.5方电线的线直径是:2.5÷3.14=0.8,再开方得出0.9毫米,因此2.5方线的线直径是:2×0.9毫米=1.8毫米。
????知道电线的直径,计算电线的平方也用求圆形面积的公式来计算:????电线的平方=圆周率(3.14)×线直径的平方/4????电缆大小也用平方标称,多股线就是每根导线截面积之和。
????电缆截面积的计算公式:????0.7854×电线半径(毫米)的平方×股数????如48股(每股电线半径0.2毫米)1.5平方的线:????0.785×(0.2×0.2)×48=1.5平方??硅橡胶导线编辑锁定本词条缺少信息栏、名片图,补充相关内容使词条更完整,还能快速升级,赶紧来编辑吧!硅橡胶导线是指具有耐高温耐低温性能,具有电绝缘性能的导线,采用耐高温高强型、经特殊工艺加工而成。
目录1. 1定义信息2. 2产品信息3. 3特点/用途4. 4规格结构及技术参数硅橡胶导线定义信息编辑硅橡胶导线,主要特征是耐高温、绝缘、防火阻燃、耐腐蚀、耐老化、耐气候性、高强度、高模量、防静电、外观光滑等特点。
标准电线平方数和直径一览表
注:以上导体直径指BV 塑铜线及BLV 塑铝线
换算方法:
知道电线的平方,计算电线的半径用求圆形面积的公式计算: 电线平方数(平方毫米)=圆周率(3。
14)×电线半径(毫米)的平方
知道电线的平方,计算线直径也是这样,如:
2。
5方电线的线直径是:2。
5÷ 3.14 = 0。
8,再开方得出0.9毫米,因此2.5方线的线直径是:2×0。
9毫米=1。
8毫米.
知道电线的直径,计算电线的平方也用求圆形面积的公式来计算: 电线的平方=圆周率(3.14)×线直径的平方/4
电缆大小也用平方标称,多股线就是每根导线截面积之和。
电缆截面积的计算公式:
0。
7854 ×电线半径(毫米)的平方×股数
如48股(每股电线半径0。
2毫米)1。
5平方的线:
0.785 ×(0.2 × 0。
2)× 48 = 1。
5平方。
国标电线平方数和直径一览表注:以上导体直径指BV 塑铜线及BLV 塑铝线换算方法:知道电线的平方,计算电线的半径用求圆形面积的公式计算:电线平方数(平方毫米)=圆周率(3.14)×电线半径(毫米)的平方知道电线的平方,计算线直径也是这样,如: 2.5方电线的线直径是:2.5÷ 3.14 = 0.8,再开方得出0.9毫米,因此2.5方线的线直径是:2×0.9毫米=1.8毫米。
知道电线的直径,计算电线的平方也用求圆形面积的公式来计算:电线的平方=圆周率(3.14)×线直径的平方/4 电缆大小也用平方标称,多股线就是每根导线截面积之和。
电缆截面积的计算公式: 0.7854 ×电线半径(毫米)的平方×股数如48股(每股电线半径0.2毫米)1.5平方的线:0.785 ×(0.2 × 0.2)× 48 = 1.5平方铜线在不同温度下的线径和所能承受的最大电流表2008-04-28 06:22 P.M.铜线安全载流量计算方法是:2.5平方毫米铜电源线的安全载流量--28A。
4平方毫米铜电源线的安全载流量--35A 。
6平方毫米铜电源线的安全载流量--48A 。
10平方毫米铜电源线的安全载流量--65A。
16平方毫米铜电源线的安全载流量--91A 。
25平方毫米铜电源线的安全载流量--120A。
如果是铝线,线径要取铜线的1.5-2倍。
如果铜线电流小于28A,按每平方毫米10A来取肯定安全。
如果铜线电流大于120A,按每平方毫米5A来取。
导线的截面积所能正常通过的电流可根据其所需要导通的电流总数进行选择,一般可按照如下顺口溜进行确定:十下五,百上二, 二五三五四三界,柒拾玖五两倍半,铜线升级算.给你解释一下,就是10平方一下的铝线,平方毫米数乘以5就可以了,要是铜线呢,就升一个档,比如2.5平方的铜线,就按4平方计算.一百以上的都是截面积乘以2, 二十五平方以下的乘以4, 三十五平方以上的乘以3, 柒拾和95平方都乘以2.5,这么几句口诀应该很好记吧,说明:只能作为估算,不是很准确。
标准电线平方数和直径一览表
注:以上导体直径指BV塑铜线及BLV塑铝线
换算方法:
知道电线的平方,计算电线的半径用求圆形面积的公式计算:电线平方数(平方毫米)=圆周率(3.14)X电线半径(毫米)
的平方
知道电线的平方,计算线直径也是这样,如:
2.5方电线的线直径是:2.5七.14 = 0.8,再开方得出0.9毫米, 因此2.5方线的线直径是:2X).9毫米=1.8毫米。
知道电线的直径,计算电线的平方也用求圆形面积的公式来计算: 电线的平方=圆周率(3.14 )X线直径的平方/ 4
电缆大小也用平方标称,多股线就是每根导线截面积之和。
电缆截面积的计算公式:
0.7854 X电线半径(毫米)的平方X股数
如48股(每股电线半径0.2毫米)1.5平方的线:
0.785 X(0.2 X.2)X48 = 1.5 平方。
国标电线平方数和直径一览表电工资料2010-07-09 09:18:08 阅读769 评论0 字号:大中小订阅注:以上导体直径指BV 塑铜线及BLV 塑铝线换算方法:知道电线的平方,计算电线的半径用求圆形面积的公式计算:电线平方数(平方毫米)=圆周率(3.14)×电线半径(毫米)的平方知道电线的平方,计算线直径也是这样,如:2.5方电线的线直径是:2.5÷3.14 = 0.8,再开方得出0.9毫米,因此2.5方线的线直径是:2×0.9毫米=1.8毫米。
知道电线的直径,计算电线的平方也用求圆形面积的公式来计算:电线的平方=圆周率(3.14)×线直径的平方/4电缆大小也用平方标称,多股线就是每根导线截面积之和。
电缆截面积的计算公式:0.7854 ×电线半径(毫米)的平方×股数如48股(每股电线半径0.2毫米)1.5平方的线:0.785 ×(0.2 × 0.2)× 48 = 1.5平方电缆线国家标准技术参数表2009年11月19日星期四 16:080.3MM平方16 0.15MM 6A0.4MM平方23 0.15MM0.5MM平方28 0.15MM0.75MM平方42 0.15MM 14A1.5MM平方48 0.2MM 25A2.5MM平方19 0.41MM 34A标称截面积铜丝根数单根直径参数截流0.3MM平方16 0.15MM 6A0.4MM平方23 0.15MM0.5MM平方28 0.15MM0.75MM平方42 0.15MM 14A1.5MM平方48 0.2MM 25A2.5MM平方19 0.41MM 34A 标称截面积计算方法:标称截面积=单根铜线半径的平方*3.14(圆周率)*铜线根数。
标准电线平方数和直径一览表
注:以上导体直径指BV 塑铜线及BLV 塑铝线
换算方法:
知道电线平方,计算电线半径用求圆形面积公式计算:
电线平方数(平方毫米)=圆周率(3.14)×电线半径(毫米)平方
知道电线平方,计算线直径也是这么,如:
2.5方电线线直径是:2.5÷
3.14 = 0.8,再开方得出0.9毫米,所以2.5方线线直径是:2×0.9毫米=1.8毫米。
知道电线直径,计算电线平方也用求圆形面积公式来计算:
电线平方=圆周率(3.14)×线直径平方/4
电缆大小也用平方标称,多股线就是每根导线截面积之和。
电缆截面积计算公式:
0.7854 ×电线半径(毫米)平方×股数
如48股(每股电线半径0.2毫米)1.5平方线:
0.785 ×(0.2 × 0.2)× 48 = 1.5平方。
国标电线平方数和直径一览表-CAL-FENGHAI.-(YICAI)-Company One1国标电线平方数和直径一览表电线(平方毫米)导体直径(毫米) 25℃铜线载流量?18A26A4 38A6 44A?10? ×7? 68A16 ×7? 80A25 ×7? 109A?35? ×7 125A50 ×19 163A70 ×19 202A95 ×19 243A注:以上导体直径指BV塑铜线换算方法:知道电线的平方,计算电线的半径用求圆形面积的公式计算:电线平方数(平方毫米)=圆周率()×电线半径(毫米)的平方?知道电线的平方,计算线直径也是这样,如:方电线的线直径是:÷=,再开方得出毫米,因此方线的线直径是:2×毫米=毫米。
知道电线的直径,计算电线的平方也用求圆形面积的公式来计算:电线的平方=圆周率()×线直径的平方/4电缆大小也用平方标称,多股线就是每根导线截面积之和。
电缆截面积的计算公式:×电线半径(毫米)的平方×股数如48股(每股电线半径毫米)平方的线:×(×)×48=平方电缆价格铜价:70400元/吨YJV22-5×16150米87元/米YJV-5×6160米34元/米YJV22-5×10240米64元/米YJV-4×490米元/米YJV22-4×35+1×16100米136元/米YJV-5×101000米46元/米YJV-5×16550米69元/米YJV22-4×150+1×70200米513元/米YJV22-4×120+1×70200米419元/米19000米元/米BV-4450米元/米650米元/米电线电缆报价咨询:8郑州第三电缆有限公司报价,含17%税票,仅供参考!现货现价咨询:8铜线在不同温度下的线径和所能承受的最大电流表2008-04-2806:22.铜线安全载流量计算方法是:平方毫米铜电源线的安全载流量--28A。
标准电线平方数和直径一览表注:以上导体直径指BV塑铜线及BLV塑铝线换算方法:知道电线的平方,计算电线的半径用求圆形面积的公式计算:电线平方数(平方毫米)=圆周率(3。
14)义电线半径(毫米)的平方知道电线的平方,计算线直径也是这样,如:2.5方电线的线直径是:2.5:3。
14=0。
8,再开方得出0.9毫米,因此2。
5方线的线直径是:2X0。
9毫米=1.8毫米。
知道电线的直径,计算电线的平方也用求圆形面积的公式来计算:电线的平方=圆周率(3.14)X线直径的平方/4电缆大小也用平方标称,多股线就是每根导线截面积之和。
电缆截面积的计算公式:0.7854X电线半径(毫米)的平方X股数如48股(每股电线半径0。
2毫米)1。
5平方的线:0.785X(0.2X0。
2)X48=1.5平方硅橡胶导线编辑锁定本词条缺少信息栏、名片图,补充相关内容使词条更完整,还能快速升级,赶紧来编辑吧!硅橡胶导线是指具有耐高温耐低温性能,具有电绝缘性能的导线,采用耐高温高强型、经特殊工艺加工而成。
目录1.1定义信息2.2产品信息3.3特点/用途4.4规格结构及技术参数硅橡胶导线定义信息编辑硅橡胶导线,主要特征是耐高温、绝缘、防火阻燃、耐腐蚀、耐老化、耐气候性、高强度、高模量、防静电、外观光滑等特点。
硅橡胶导线产品信息编辑产品名称:硅橡胶导线产品型号:60245IEC03(YG)执行标准:GB5013。
3-2008产品特性:1、额定电压:300/500V2、工作温度:-60〜+200℃3、导体:绞合裸铜线或镀锡铜线4、绝缘:硅橡胶5、编织:玻璃纤维+硅树脂6、颜色:红/黄/兰/白/黑/黄绿/棕等硅橡胶导线特点/用途编辑具有优良的高温耐低温性能,具有优良的电绝缘性能,优良的化学稳定性能,耐高电压,耐老化,使用寿命长。
且柔软便于安装.广泛应用于照明灯具、家用电器、电热电器、仪表仪器、电机引接线及电子、灯具、燃具等高温环境。
[1]硅橡胶导线规格结构及技术参数编辑标称截面绝缘厚度(mm) 编织厚度(mm)平均外径(mm)20℃时导体电阻最大值(Q/km)包装长度(m)(mm)导体结构根数/单线直径0。
标准电线平方数和直径一览表?电线(平方毫米)导体直径(毫米)25℃铜线载流量1.5 1.38 18A2.5 1.78 26A4 2.25 38A6 2.76 44A10 1.33×7 68A16 1.70×7 80A25 2.10×7 109A35 2.50×7 125A50 1.78×19 163A70 2.10×19 202A95 2.50×19 243A注:以上导体直径指BV 塑铜线及BLV 塑铝线换算方法:???? 知道电线的平方,计算电线的半径用求圆形面积的公式计算:???? 电线平方数(平方毫米)=圆周率(3.14)×电线半径(毫米)的平方???? 知道电线的平方,计算线直径也是这样,如:???? 2.5方电线的线直径是:2.5÷ 3.14 = 0.8,再开方得出0.9毫米,因此2.5方线的线直径是:2×0.9毫米=1.8毫米。
???? 知道电线的直径,计算电线的平方也用求圆形面积的公式来计算:???? 电线的平方=圆周率(3.14)×线直径的平方/4???? 电缆大小也用平方标称,多股线就是每根导线截面积之和。
???? 电缆截面积的计算公式:???? 0.7854 ×电线半径(毫米)的平方×股数???? 如48股(每股电线半径0.2毫米)1.5平方的线:???? 0.785 ×(0.2 × 0.2)× 48 = 1.5平方??仅供个人用于学习、研究;不得用于商业用途。
For personal use only in study and research; not for commercial use.Nur für den persönlichen für Studien, Forschung, zu kommerziellen Zwecken verwendet werden.Pour l 'étude et la recherche uniquement à des fins personnelles; pas à des fins commerciales.толькодля людей, которые используются для обучения, исследований и не должны использоваться в коммерческих целях.以下无正文。
标准电线平方数和直径一览表
注:以上导体直径指BV 塑铜线及BLV 塑铝线
换算方法:
知道电线的平方,计算电线的半径用求圆形面积的公式计算:电线平方数(平方毫米)=圆周率(3.14)×电线半径(毫米)的平方
知道电线的平方,计算线直径也是这样,如:
2.5方电线的线直径是:2.5÷
3.14 = 0.8,再开方得出0.9毫米,因此2.5方线的线直径是:2×0.9毫米=1.8毫米。
知道电线的直径,计算电线的平方也用求圆形面积的公式来计算:
电线的平方=圆周率(3.14)×线直径的平方/4
电缆大小也用平方标称,多股线就是每根导线截面积之和。
电缆截面积的计算公式:
0.7854 ×电线半径(毫米)的平方×股数
如48股(每股电线半径0.2毫米)1.5平方的线:
0.785 ×(0.2 × 0.2)× 48 = 1.5平方。
知道电线的平方,计算电线的半径用求圆形面积的公式计算:电线平方数(平方毫米)=圆周率(3。
14)×电线半径(毫米)的平方知道电线的平方,计算线直径也是这样,如:2。
5方电线的线直径是:2.5÷ 3。
14 = 0。
8,再开方得出0。
9毫米,因此2.5方线的线直径是:2×0.9毫米=1.8毫米。
知道电线的直径,计算电线的平方也用求圆形面积的公式来计算:电线的平方=圆周率(3.14)×线直径的平方/4电缆大小也用平方标称,多股线就是每根导线截面积之和。
电缆截面积的计算公式:0。
7854 ×电线半径(毫米)的平方×股数如48股(每股电线半径0。
2毫米)1.5平方的线:0.785 ×(0.2 × 0。
2)× 48 = 1。
5平方电缆线国家标准技术参数表0。
3MM平方16 0。
15MM 6A0.4MM平方23 0.15MM0。
5MM平方28 0。
15MM0.75MM平方42 0.15MM 14A1。
5MM平方48 0。
2MM 25A2。
5MM平方19 0.41MM 34A标称截面积铜丝根数单根直径参数截流0。
3MM平方16 0.15MM 6A 0.4MM平方23 0.15MM0.5MM平方28 0.15MM0.75MM平方42 0。
15MM 14A1.5MM平方 48 0。
2MM 25A 2。
5MM平方 19 0.41MM 34A 标称截面积计算方法:标称截面积=单根铜线半径的平方*3.14(圆周率)*铜线根数电缆截面积的计算公式:0。
7854 × 电线半径(毫米)的平方× 股数如48股(每股电线半径0.2毫米)1.5平方的线:0.785 ×(0。
2 × 0。
2)× 48 = 1.5平方电缆线国家标准技术参数表0。
3MM平方 16 0.15MM 6A0.4MM平方 23 0.15MM0.5MM平方 28 0.15MM0.75MM平方 42 0。
以下是常见的电线规格与直径对照表:
1平方毫米的电线直径为1.38毫米。
2.5平方毫米的电线直径为1.78毫米。
4平方毫米的电线直径为2.25毫米。
6平方毫米的电线直径为2.76毫米。
10平方毫米的电线直径为1.33*7毫米。
16平方毫米的电线直径为1.7*7毫米。
需要注意的是,以上数据仅供参考,实际使用中可能存在一定的误差。
在选择电线规格时,需要根据具体使用场合和要求进行选择,以确保安全和可靠性。
同时,在安装电线时,还需要遵循相关标准和规范,确保安全用电和设备正常运行。
换算方法:知道电线的平方,计算电线的半径用求圆形面积的公式计算:电线平方数(平方毫米)=圆周率(3。
14)×电线半径(毫米)的平方知道电线的平方,计算线直径也是这样,如:2。
5方电线的线直径是:2.5÷ 3。
14 = 0.8,再开方得出0.9毫米,因此2。
5方线的线直径是:2×0。
9毫米=1。
8毫米。
知道电线的直径,计算电线的平方也用求圆形面积的公式来计算:电线的平方=圆周率(3。
14)×线直径的平方/4电缆大小也用平方标称,多股线就是每根导线截面积之和。
电缆截面积的计算公式:0.7854 ×电线半径(毫米)的平方×股数如48股(每股电线半径0.2毫米)1。
5平方的线:0.785 ×(0。
2 × 0.2)× 48 = 1。
5平方电缆线国家标准技术参数表0.3MM平方16 0。
15MM 6A0.4MM平方23 0.15MM0。
5MM平方28 0.15MM0.75MM平方42 0.15MM 14A1。
5MM平方48 0.2MM 25A2.5MM平方19 0。
41MM 34A标称截面积铜丝根数单根直径参数截流0.3MM平方16 0。
15MM 6A 0.4MM平方23 0.15MM0。
5MM平方28 0。
15MM0。
75MM平方42 0。
15MM 14A 1。
5MM平方 48 0。
2MM 25A 2。
5MM平方 19 0。
41MM 34A 标称截面积计算方法:标称截面积=单根铜线半径的平方*3。
14(圆周率)*铜线根数国标电线平方数和直径一览表电线(平方毫米)导体直径(毫米)25℃铜线载流量1.51。
3818A2.5 1.7826A4 2.2538A62。
7644A10 1.33×768A16 1.70×780A25 2.10×7109A352。
50×7125A50 1.78×19163A70 2.10×19202A95 2.50×19243A换算方法:知道电线的平方,计算电线的半径用求圆形面积的公式计算:电线平方数(平方毫米)=圆周率(3.14)×电线半径(毫米)的平方知道电线的平方,计算线直径也是这样,如:2。
电线平方与直径对照表
换算方法:知道电线的平方,计算电线的半径用求圆形面积的公式计算:电线平方数(平方毫米)=圆周率(3.14)×电线半径(毫米)的平方知道电线的平方,计算线直径也是这样,如:2.5方电线的线直径是:2.5÷3.14 = 0.8,再开方得出0.9毫米,因此2.5平方线的线直径是:2×0.9毫米=1.8毫米。
知道电线的直径,计算电线的平方也用求圆形面积的公式来计算:电线的平方=圆周率(3.14)×线直径的平方/4 电缆大小也用平方标称,多股线就是每根导线截面积之和。
电缆截面积的计算公式:0.7854 ×电线半径(毫米)的平方×股数如48股(每股电线半径0.2毫米)1.5平方的线:0.785 ×(0.2 ×0.2)×48 = 1.5平方电力计算公式大全(升级加强版),共计65个文件!电子版资料,直接发邮箱,谨慎购买
1.电缆选型计算
2.电缆载流量表
3.电缆与桥架负荷计算
4.电缆自动选型1.0
5.电力负荷计算
6.电力负荷计算书(完美版)
7.电力系统短路电流计算书
8.电流计算器
9.电气安装定额10.电气安装定额电气安装定额11.电气计算公式12.电气计算公式及数据表13.电气计算书14.电气设计计算书15.电容器保护定值计算工具16.电线选型、线管选型小型计算软件17.电压互感器一次补偿匝数计算器18.短路电流19.短路电流估算20.短路电流计算及热稳定校验10.14 21.负荷计算表(完美版)22.(国标)电力电缆载流量23.避雷针24.变压器差动保护试验公式详解25.变压器差动
保护试验公式详解26.变压器电流值计算表格27.变压器基础参数28.常用电气计算29.常用母排载流量表30.导线载流量表31.低压电抗器计算32.电动机启动压降33.电机启动计算34.电工表格计算器(可计算电机电流、变压器选型、铜铝重量) 35.电机变压器计算公式36.电缆、阻抗值、短路电流、电压降计算表37.副本变压器损耗38.副本负荷总表39.副本配电箱负荷计算书40.各种常用的电气计算公式41.高压开关柜保护计算42.工程中短路电流实用计算表43.电力无功补偿公式44.基础接地体的接地电阻计算45.计算电流及需要系数表46.家庭常用电器数据47.接地电阻计算48.配电箱负荷计算书49.强弱电电线电缆桥架计算表50.桥架计算书51.输电线路导线机械计算器52.通信工程预算书53.铜排载流量计算54.完整电气计算书55.微机电动机保护装置整定计算56.微机供配电保护装置整定计算57.无功补偿部分常用公式58.无功补偿计算公式59.无功补偿容量计算60.五金手册61.线电压降数值表62.需要系数法负荷计算表63.预结算计算表64.直线塔摇摆角计算65.综合布线计算书。