涂料稀释剂MSDS
- 格式:docx
- 大小:75.16 KB
- 文档页数:8
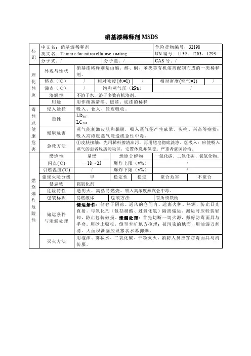
硝基漆稀释剂MSDS标识中文名:硝基漆稀释剂危险货物编号:32198英文名:Thinnre for nitrocellulose coating UN编号:1139、1263、1293分子式:/分子量:/CAS号:/理化性质外观与性状硝基漆稀释剂是由酯、醇、酮、苯类等有机溶剂配制而成的一类稀释剂。
熔点(℃)/相对密度(水=1)/相对密度(空气=1)/沸点(℃)/饱和蒸气压(kPa)/溶解性不溶于水,溶于多数有机溶剂。
用途用作硝基清漆、磁漆、底漆的稀释毒性及健康危害侵入途径吸入、食入、经皮吸收。
毒性LD50:LC50:健康危害蒸气能刺激皮肤和黏膜,吸入蒸气能产生眩晕、头痛、兴奋等症状;吸入高浓度蒸气能造成急性中毒。
急救方法①皮肤接触:先用稀料擦清油污,再用肥皂彻底洗涤。
②吸入:应使吸入蒸气的患者脱离污染区,安置休息并保暖。
严重者就医诊治。
燃烧爆炸危险性燃烧性易燃燃烧分解物一氧化碳、二氧化碳、氮氧化物。
闪点(℃)—18~23爆炸上限(v%)/引燃温度(℃)/爆炸下限(v%)/建规火险分级甲稳定性稳定聚合危害不聚合禁忌物强氧化剂危险特性遇明火、高热易燃烧。
吸入高浓度蒸汽会中毒。
包装标识易燃液体包装方法铁听或铁桶储运条件与泄漏处理储运条件:储存于阴凉、通风的仓间内。
远离火种、热源,防止日光直射。
与氧化剂(包括硝酸、过氧化氢)隔离储运。
搬运时应轻装轻卸,防止包装破损。
泄漏处理:首先切断一切火源,戴好防毒面具与手套。
用砂土吸收,倒至空旷地方掩埋;被污染的地面,用油漆刀刮清。
大面积泄漏应设雾状水幕抑爆。
灭火方法用泡沫、雾状水、二氧化碳、干粉灭火,消防人员应穿防毒面具与消防服。
安全技术说明书第一部分化学品及企业标识GHS产品标识符:丙烯酸漆稀释剂产品类型:液体推荐用途和限制用途:仅用于专业的车辆油漆。
供应商的详细情况:增城市瀛泽化学工业有限公司地址:增城市石滩镇长江岭边邮编:511330国家应急电话:营运时间:24H第二部分危险性概述物质或混合物的分类:易燃液体 - 3急性毒性: 口服 - 5急性毒性: 吸入 - 4皮肤腐蚀/刺激 - 2严重眼睛损伤/眼睛刺激性- 2A吸入危险– 1危害水生环境—慢性危险- 3危害水生环境—急性危险- 2化学品分类和标记全球协调体系(GHS)标签要素危险象形标记:警示词:警告危险性说明:易燃液体和蒸气。
吸入有害。
吞咽可能有害。
造成皮肤刺激。
造成严重眼刺激。
吞咽并进入呼吸道可能致命。
对水生生物有毒。
对水生生物有害并具有长期持续影响。
防范说明预防措施:得到专门指导后操作。
戴防护手套。
戴防护眼镜、防护面罩。
远离热源,火花,明火,热表面。
-- 禁止吸烟。
使用防爆电气、通风、照明和所有的物料操作设备。
禁止排入环境。
事故响应:如吸入:将患者转移到空气新鲜处,休息,保持利于呼吸的体位。
如皮肤(或头发)接触:立即脱掉所有被污染的衣服。
用水冲洗皮肤或淋浴。
贮存:保持阴凉。
废弃处置:不适用不导致分类的其他危险:无资料第三部分成分/组成信息职业暴露限制, 如果有的话, 列在第 8 节中。
第四部分急救措施注明必要的措施眼睛接触:立即用大量水冲洗眼睛,并不时提起上下眼睑。
检查和取出任何隐形眼镜。
冲洗至少十分钟。
寻求医疗救护。
吸入:将患者转移到空气新鲜处,休息,保持利于呼吸的体位。
如果仍怀疑有烟存在,救助者应当戴适当的面罩或独立的呼吸装置。
如没有呼吸,呼吸不规则或呼吸停止,由受过训练的人员进行人工呼吸或给氧。
如使用嘴对嘴呼吸方法进行救助,可能会对救助者造成危险。
如有害的健康影响持续存在或加重,应寻求医疗救治。
如有必要,呼叫中毒控制中心或就医。
如失去知觉,应置于康复位置并立即寻求医疗救治。
急救电话门卫化 学 品 危 害 告 知 卡(MSDS简化板)
化学品名称注意防护保障健康危险性类别及标志
当心火灾—易燃物质防护措施应急处理
紧急联系电话
操作注意事项:避免与皮肤、眼睛和衣服接触。
储存注意事项: 在通风良好的区域操作
泄漏应急处理
稳定性与反应活性
危险性概述理化特性
操作处置与储存
环氧涂料稀释剂DANGER OF FIRE- HIGHLY FLAMMABLE MATERALS
酸碱性: 中性 密度: 0.9
水中溶解性: 不溶
闪点: 21℃ 外观: 清澈透明液体
自燃温度:300℃
高温时产品可能放出有害健康产物
溅入眼睛: 立刻用清水冲洗眼睛至少15 分钟,严重时到医院处理。
皮肤接触: 如果皮肤接触,用肥皂水彻底清洗,除去污染的衣鞋,出现症状时到医院处理。
吸入: 移到有新鲜空气的地方,严重时到医院处理。
摄取: 会对口腔、胃造成伤害;应立即到医院处理。
1、.接地防止静电聚集。
2、使用本品,要在无明火、无其他燃烧源
、有电器防爆保护处。
3、不使用产生火星的工具。
不吸烟4、灭火使
用干粉灭火器
环境预防:用不燃烧的材料如沙子,土,蛭石、硅藻土吸收
和控制泄露物;防止任何物料进入水路
毒性: 对皮肤和眼睛有轻微的刺激作用。
进入的主要路径: 眼睛,皮肤接触,吸入。
皮肤接触:长期接触可能引起皮肤过敏和刺激;
吸入:对呼吸道略有刺激;
眼睛接触:刺激眼睛;
摄取:危险,应立即就医;
消防措施
厂内急救EHS。
开油水(MSDS )安全技术说明书开油水又名:稀释剂.,是调整油墨粘度,提高印刷适用性。
除此之外还能冲淡着色力,增加印刷面积,显著降低成本。
开油水:开油水就是稀释油墨或涂料的一种溶剂。
在油墨干的时候加入,影响着图案的效果,特别是光滑度和明暗度。
1 化学品及企业标识产品详情商品名称:开油水生产企业名称:邮编:518010 电话号码: 2 危险概述危险性类别:易燃液体危险有害性信息:易燃液体和蒸汽,口服吞咽有害,接触皮肤有刺激,吸入有害(气体,蒸汽,粉尘,烟雾),对眼睛有刺激。
预防措施:远离热源、火花、明火。
禁止吸烟。
保持容器密闭。
只能使用不产生火花的工具。
采取防止静电放电的措施。
不要吸入粉尘、烟、气体、烟雾、需戴防护蒸气,作业后彻底清洗皮肤。
使用本产品时不要进食、饮水或吸烟。
手套、防护眼罩以及防护面具。
储存:存放在通风良好的地方。
保持容器密闭。
存放在通风良好的地方。
保持低温。
3 成份 / 组成信息成份CAS 号成份重量百分比醋酸乙酯异丁醇防白水醋酸丁酯4急救措施皮肤接触:用大量清水冲洗。
眼睛接触:用清洁的水充分冲洗至少15 分钟并寻求医生的帮助。
吸入:脱离现场至空气新鲜处。
如呼吸困难,给输氧,就医。
食入:如果意外吞下,催吐,就医。
5消防措施灭火剂:二氧化碳,化学干粉,泡沫,水雾。
源于此物质或混合物的特别的危害:碳氧化物灭火时可能遭遇之特殊危害:灭火前先停止溢漏,若无法停止溢漏且周围无危险,就让溢漏烧完。
若灭火而没有停止溢蒸,可能与空气形成爆炸性混合物而再引燃。
特殊灭火程序:在安全情况下将容器搬离火场。
用水雾灭火无效,但可用水雾冷却暴露火场的容器。
消防人员需着化学防护衣和正压容空气呼吸器( 自携式空气面具) 。
消防人员之特殊防护装备:消防人员必须配戴空气呼吸器、消防衣及防护手套。
6泄漏应急处理应急处理:穿戴适当的个人防护装备。
环境注意事项:对泄漏区通风换气。
移开所有引燃源。
通知政府职业安全卫生与环保相关单位。
丙烯酸聚氨酯漆稀释剂1、成分/组成有害物成分:二甲苯(20-30%)、正丁酯(20-30%)、丙二醇甲醚醋酸酯(12-15%)、S-100 (15-20%)、醋酸乙酯(5-10%)、苯(≤0.3%)2、危险性概述危险性类别:第3.3类中闪点易燃液体侵入途径:吸入、食入,经皮肤吸收健康危害:高浓度挥发气体对中枢神经具有麻醉作用,可引起急性中毒,长期接触高浓度挥发气体对造血系统有损害,引起慢性中毒,对皮肤有轻微刺激。
环境危害:该物质对环境有危害,应注意对水体的污染。
燃爆危害:易燃,其蒸气与空气可形成爆炸性混合物,遇明火,高温有燃烧爆炸危险。
3、急救措施通常情况下:在不明原因的情况下,或者患者症状持续不退,应及时就医,切忌使昏迷不醒的患者服用任何东西。
皮肤接触:脱去污染的衣着,用肥皂水及清水彻底清洗皮肤。
切忌用溶剂或稀释剂清洗。
眼睛接触:立即提起眼睑,用流动清水或生理盐水冲洗,就医。
吸入:迅速离开现场至新鲜空气处,保持呼吸畅通。
呼吸困难时给输氧,如呼吸及心跳停止,立即进行人工呼吸和心脏按摩术,就医。
食入:催吐,就医。
4、消防措施危险特性:其蒸气与空气形成爆炸混合物,遇明火高热能引起燃烧爆炸,其蒸气比空气重,能在较低处扩散,遇火源引着回燃。
若遇高热,容器内压增大,有开裂和爆炸的危险。
有害燃烧物:CO灭火方法及灭火剂:二氧化碳、泡沫、干粉、沙土扑救。
(1211、1301已列入淘汰)5、泄露危害处理应急处理:切断火源,尽可能将泄露液收集密闭容器内,用沙土或其它惰性材料吸收残液,收集泄露物送至废物处理场所处理。
切勿使其流入下水道和水源。
6、操作处置及储存操作处置注意事项:操作施工时,加强通风,操作人员需进行专门培训,严格遵守操作规程,建议操作人员,佩戴自吸过滤面具、防护眼睛及耐油手套,远离火种、热源,工作场所严禁吸烟,使用防爆型的通风系统。
搬运时要轻装轻卸,防止包装容器损坏,配备相应品种和数量的消防器材,倒空的容器可能残留有害物及可燃物。
燃爆危害:本品遇明火、高热易引起燃烧,蒸汽与空气易形成爆炸性混合物。
大鼠、家兔吸入5000?mg/m3, 8小时/天,55天,导致眼刺激、衰竭,共济失调,RBC
和
WBC数稍下降,骨髓增生并有_3%~4%的巨核细胞。
人经眼:200PPM,引起刺激。
家兔经皮500?mg (24小时)中度刺激。
亚急性和慢毒性:
无资料致突变型无资料
致?奇?性:
LD50????5000mg/kg (大鼠经
口)
急性毒性:
LC50????19747mg/m3 4 小时(大鼠吸入)
致癌性:
生态毒理毒性:
对生态环境尤其是水环境有严重影响。
其蒸气对周边空气环境有严重危
害。
遵守当地的污水处理条例。
大鼠吸入最低中毒浓度(TCLo) : 19?mg/m3, 2小时(孕9-14天用药),
引起肌肉骨髓发育异常。
无资料
参考文献
化学工业出版社出版《危险化学品安全技术全书》 、《新编危险化学品 手册》、
《有毒化学品卫生与安全使用手册》、中国计量出版社《化学危 险品法规与标准?实用手册》。
填表部门
填表日期
废弃物性质: 废弃处置方法:
危险废物
送环卫部门指定的处理场所或用控制焚烧法处理。
包装标志: 易燃液体
32198
金属桶(罐)包装;必要时外加木箱、纸箱。
危险货物编号:
包装方法: 包装类别:
运输注意事项:
夏季应早晚运输,防止日光曝晒。
化学危险品安全管理条例 (2002年1月16日国务院发布),针对化学危险品的安全生产、 使用、
储存、运输、装卸等方面均作了相应规定。
天那水(油漆稀释剂)T712
T712天那水(油漆稀释剂)主要由芳烃类、醇类、酯类等有机材料组成。
适用于大部分绝缘油漆的稀释。
该品稀释能力强,易于挥发,是绝缘漆的优良稀释剂。
技术要求:
包装、贮存
1、每桶包装为20L或200L;
2、贮存期为半年,过期按标准检查,为合格仍可使用;
3、应贮存在清洁、干燥、通风良好,温度为10-35℃的库房或遮棚中,不得靠近火源、暖气或
受日光直射。
注意事项:
1、本品有微毒,应注意劳动保护。
2、本品易燃,注意防火。
第一段制造商资料
第二段材料辩识量
第三段物理化学特性
第四段灾害处理资料
第五段化学反应特殊性
第六段健康急救措施
第七段预防措施
第八段泄露及废弃处理
第九段法规及其它信息
第十段制表者资料。
丙烯酸漆稀释剂安全技术说明书xx-MSDS-002第一部分:化学品及企业标识(1)化学品中文名称:丙烯酸漆稀释剂(2)化学品英文名称:Tinner for arylic panting(3)企业名称:地址:(4)邮编:(5)电子邮件地址:(6)传真号码:企业应急电话:技术说明书编码:xx-MSDS-002(7)生效日期:国家应急电话第二部分:成分/组成信息(1)纯品□混合物□√(2)化学品名称:丙烯酸漆稀释剂(1)成分:120号溶剂、丁酮、丁脂、异丙醇、异丁醇、乙二醇丁醚混和物。
(2)有害物成分浓度(%) CASNo.120号40丁酮22.5 78-93-3丁脂7.5 123-86-4异丙醇15 67-36-0异丁醇7.5 78-83-1乙二醇丁醚7.5 110-80-5第三部分:危险性概述(1)危险性类别:第3.2类,中闪点易燃液体(2)侵入途径:吸入、食入、经皮肤吸收(3)健康危害:A.接触高浓度蒸气时对眼,皮肤、粘膜上呼吸道有刺激作用,引起食欲减退和体重减轻。
B.接触皮肤:引起局部充血,经斑,开裂,干燥等。
环境危害:该物质对环境有危害,应特别注意对水体的污染。
(4)燃爆危险:该物质与空气可形成爆炸性混合物,遇明火、高热有燃烧爆炸危险。
第四部分:急救措施(1)皮肤接触:立即脱去污染的衣物,再先用溶剂擦掉,后用肥皂水清洗,并用清水洗净。
(2)眼睛接触:不慎入眼应立即提起眼睑用大量清水冲洗,严重者送医院治疗。
(3)吸入:大量吸入稀释剂,应立即至通风阴凉的地方作深呼吸,严重者送医院治疗。
(4)误食:误食后应立即饮入液体石蜡,送医就诊。
第五部分:消防措施(1)危险特性:该物质的蒸气与空气形成爆炸性混合物,遇明火、高热能引起燃烧爆炸。
与氧化剂能产生强烈反应。
其蒸气比空气重,能在较低处扩散到相当远的地方,遇火源引着回燃。
若遇高热,容器内压增大,有开裂和爆炸的危险。
流速过快,容易产生和积聚静电。
(2)有害燃烧产物:不完全燃烧会产生一氧化碳。
稀释剂MSDS
一.物质与厂商资料
物品名称: 稀释剂
厂商:DXC
二.物理特性:无色透明澄清液体,有溶剂味
三.主要用途:用作稀释油漆主剂
熔点(℃):-25℃相对密度(水=1):0.86
沸点(℃):130℃相对蒸氧密度(空气=1)
溶解性:不溶于水
其他理化性质:挥发速率(乙酸丁酯=1):0.7
四.燃烧爆炸危险特性
燃烧性:易燃
稳定性:稳定
灭火方式:二氧化碳、化学干粉、泡沬、水雾灭火
特殊灭火程序:A、灭火前先停止溢漏,若无法停止溢漏且周围无危险物
B、若灭火而没有停止溢漏,蒸气可能与空气形成爆作性
C、在安全情况下将容器搬离火场
D、用水物灭火无效,但可用来冷却暴露火场的容器
E、如果溢漏未引燃,喷水雾以分散蒸气并保护尝试停止
五.急救措施
皮肤接触:立即缓和刷掉或吸掉多余的化学品
用水和肥皂清洗干净
脱掉污染的衣物
若冲洗后仍有刺激感,立即就医
需将污染的衣物,鞋子以及皮饰品完全除污后再使用或丢弃吸入:清除污染源或将患者移至空气清新处
立即就医
食入:给患者喝下240-300毫升的水以稀释胃中的化合物
若患者有自发性的呕吐
立即就医
六.废弃处理方法
废弃的溶剂及空桶统一进行收集,,然后交危废处理中心.
七.其它数据。
涂料稀释剂化学品安全技术说明书(开油水MSDS)(Safety data sheet for chemical products)1.化学品及企业标识:产品名称:稀释剂产品型号:QB-1000化学品类型:混合物供应商:地址:邮编:电话:2.危害性概述:3.危险成分/组成信息:4.急救措施:4.1一般处理任何有怀疑的情况或持续出现症状,应找医生治疗。
对失去知觉者,不可喂食任何东西。
4.2吸入处理将病人移至空气新鲜处,使其保持安静并保暖。
如呼吸不正常或停止,应进行人工呼吸。
如失去知觉,应使其保持安全姿势并立即找医生治疗。
不可喂食任何东西。
4.3眼部接触处理采用大量清水冲洗至少10分钟,将眼睑保持分开,并找医生治疗。
4.4皮肤接触处理脱去沾污的衣物,采用肥皂水或认可的皮肤清洁剂彻底清洗皮肤。
勿用溶剂或稀释剂进行清洗。
4.5咽入处理如不慎咽入,应立即找医生治疗。
不要紧张,不要试图呕吐。
5.消防措施:建议灭火材料为:抗溶性泡沫,二氧化碳,粉末,水雾。
勿使用水喷射。
注意:火焰会产生浓烈的黑烟。
分解的产品可能对健康有害,应避免暴露于其中并适时使用呼吸装置。
处于火中的封闭容器,应喷水进行冷却。
灭火过程中产生的水和污物不得排入下水道或河流。
6.泄漏应急处理:6.1除去明火源,不得开关电灯或无保护装置的电器设备。
如在密闭场所发生大范围溢出,应撤离该区域,并在再次进入前检查溶剂,蒸汽浓度应低于爆炸下限浓度。
6.2应使溢出区域保持通风状态并避免人体吸入蒸汽,采用第8条列出的个人防护措施。
6.3采用非易燃性材料,例如:沙,土,蛭石阻止并吸去溢出物,将其放入室外的密闭容器中并按废物处理规定(见第13条)进行处置。
6.4最好采用洗涤剂清洗溢出区域,勿使用溶剂进行清洗。
6.5溢出物不得进入下水道或河流。
6.6如果下水道,排水管或水池遭至污染,应立即通知当地的自来水公司。
万一河流,溪水或湖泊遭至污染,还应通知环境保护机构。
7.操作处置与储存:7.1管理该涂料含有溶剂。
稀释剂物质安全资料表(MSDS)1 化学品化学品中文名称:稀释剂化学品英文名称:103 thinner2 组分信息纯品混合物√主要组份 CAS RN 含量%二甲苯 1330-20-7 60~80丁醇 71-36-3 20~403 危险性概述:危险性类别:第 3.2 类侵入途径:吸入、皮肤、眼、误服健康危害:眼接触:可引起眼睛刺激、发红、流泪、视力模糊。
吸入:吸入蒸气可引起鼻和呼吸道刺激、头昏、虚弱、疲倦、恶心、头痛,严重者意识丧失。
皮肤:可引起皮肤刺激、皮炎、持续接触可引起皮肤皲裂和脱脂。
误服:可引起胃肠道刺激、恶心、呕吐、腹泻。
4 急救措施眼睛接触:用流动清水冲洗 15 分钟,如仍感刺激,就医。
吸入:迅速脱离现场至空气新鲜处,保持呼吸道通畅,如呼吸困难,给输氧,如呼吸停止,立即进行人工呼吸。
就医。
皮肤接触:立即脱去污染的衣着,用大量流动清水和肥皂水或专用洗涤剂冲洗。
误服:饮足量温水,催吐,就医。
5 消防措施燃烧性:易燃。
灭火剂:二氧化碳、干粉、泡沫。
灭火注意事项:用水喷雾冷却火场中的容器。
消防员必须佩带通气式面罩或正压自给式呼吸器。
有害燃烧物:一氧化碳、二氧化碳、NOx 等有毒烟雾。
6 泄漏应急措施对泄漏区进行通风,排除火种,避免吸入蒸气,大量泄漏用泡沫覆盖,降低蒸汽危害。
用砂土或其它类似物质吸收。
按环保部门的要求处置。
7 作业与储存操作注意事项:采用合理的通风,避免眼和皮肤接触。
储存温度不宜超过 30℃。
空容器禁止动火切割。
远离热源、火种,防止阳光直射。
避免与强酸、强碱和氧化剂接触。
分开存放,搬运时要轻装轻放,防止包装及容器损坏。
8 防护措施作业场所职业接触限值二甲苯(1330-20-7)中国:TWA 50 mg/m³ ;STEL 100 mg/m³丁醇(71-36-3)中国:MAC 200 mg/m³工程控制:全面通风或局部排风。
呼吸系统防护:一般不需要特殊防护,高浓度接触时可佩戴通气式面罩或自吸过滤式防毒面具。
丙烯酸漆稀释剂安全技术说明书xx-MSDS-002第一部分:化学品及企业标识(1)化学品中文名称:丙烯酸漆稀释剂(2)化学品英文名称:Tinner for arylic panting(3)企业名称:地址:(4)邮编:(5)电子邮件地址:(6)传真号码:企业应急电话:技术说明书编码:xx-MSDS-002(7)生效日期:国家应急电话第二部分:成分/组成信息(1)纯品□混合物□√(2)化学品名称:丙烯酸漆稀释剂(1)成分:120号溶剂、丁酮、丁脂、异丙醇、异丁醇、乙二醇丁醚混和物。
(2)有害物成分浓度(%) CASNo.120号40丁酮22.5 78-93-3丁脂7.5 123-86-4异丙醇15 67-36-0异丁醇7.5 78-83-1乙二醇丁醚7.5 110-80-5第三部分:危险性概述(1)危险性类别:第3.2类,中闪点易燃液体(2)侵入途径:吸入、食入、经皮肤吸收(3)健康危害:A.接触高浓度蒸气时对眼,皮肤、粘膜上呼吸道有刺激作用,引起食欲减退和体重减轻。
B.接触皮肤:引起局部充血,经斑,开裂,干燥等。
环境危害:该物质对环境有危害,应特别注意对水体的污染。
(4)燃爆危险:该物质与空气可形成爆炸性混合物,遇明火、高热有燃烧爆炸危险。
第四部分:急救措施(1)皮肤接触:立即脱去污染的衣物,再先用溶剂擦掉,后用肥皂水清洗,并用清水洗净。
(2)眼睛接触:不慎入眼应立即提起眼睑用大量清水冲洗,严重者送医院治疗。
(3)吸入:大量吸入稀释剂,应立即至通风阴凉的地方作深呼吸,严重者送医院治疗。
(4)误食:误食后应立即饮入液体石蜡,送医就诊。
第五部分:消防措施(1)危险特性:该物质的蒸气与空气形成爆炸性混合物,遇明火、高热能引起燃烧爆炸。
与氧化剂能产生强烈反应。
其蒸气比空气重,能在较低处扩散到相当远的地方,遇火源引着回燃。
若遇高热,容器内压增大,有开裂和爆炸的危险。
流速过快,容易产生和积聚静电。
(2)有害燃烧产物:不完全燃烧会产生一氧化碳。
涂料稀释剂M S D S 公司内部编号:(GOOD-TMMT-MMUT-UUPTY-UUYY-DTTI-
第一部分化学品及企业标识
化学品中文名称:涂料稀释剂
化学品英文名称:
企业名称:常州市华菱新材料有限公司
地址:中国江苏常州市溧阳市南渡镇旧县工业集中区
邮编:213371
电子邮件地址:hl
化学品安全技术说明书编码:
生效日期:2015年1月13日
消防应急救援电话:119
第二部分成分/组成信息
纯品混合物√
化学品名称:涂料稀释剂
主要有害物成分浓度% CAS-No 甲基异丁基酮 0--5 108-10-1 正丁醇 0--20 108-88-3醋酸丁酯 0--30 123-86-4 二甲苯 30--50 1330-20-7 丙二醇甲醚醋酸酯 0--20 697-82-5 挥发有机化合物(VOC)≤900 g/L
第三部分危险性概述
危险性类别:第类,高闪点液体
侵入途径:吸入、食入、经皮肤吸收
健康危害:接触或使用本品对人体有害。
其蒸汽对眼、粘膜、上呼吸道、皮肤有刺激作用,对中枢神经有麻醉作用,长期接触或短期内吸入高浓度蒸汽可有头晕、头痛、恶心、呕吐、食欲不振、胸闷、四肢无力、眼灼痛及皮肤干燥、皲裂及皮肤病等症状。
能造成急性中毒。
环境危害:本品对环境有害,主要体现在对水体及大气的污染,应特别注意对水体的污染。
燃爆危害:本品遇明火、高热易引起燃烧,蒸汽与空气易形成爆炸性混合物。
第四部分急救措施
皮肤接触:脱去污染衣服,用肥皂和清水彻底冲洗皮肤。
眼睛接触:立即提起眼帘,用大量清水冲洗。
就医。
吸入:迅速离开现场到空气新鲜处。
如呼吸困难,给输氧;如呼吸停止,进行人工呼吸。
就医。
食入:立即漱口饮水,洗胃。
就医。
第五部分消防措施
危险特性:本品遇明火、高热易引起燃烧;其蒸汽与空气形成爆炸性混合物,遇明火、高热能引起燃烧爆炸。
与氧化剂发生强烈反应,会引起燃烧和爆炸。
蒸汽比空气重,能在较低处扩散到相当远的地方,遇火源易引着回燃。
若遇高热,盛装本品的容器内压增大,有开裂和爆炸危险。
流速过快,容易产生和积聚静电。
有害燃烧产物:燃烧时有烟雾,并产生一氧化碳、二氧化碳。
灭火方法及灭火器:消防人员必须佩戴正压式呼吸器,穿全身消防防护服,尽量在上风处灭火,可用干粉、砂土、泡沫及二氧化碳扑救。
第六部分泄漏应急处理
应急处理:切断火源,疏散泄漏污染区无关人员至安全地带,严格限制人员出入,查找并切断泄漏源,防止进入下水道,建议应急处理人员佩戴正压式呼吸器,穿消防防护服。
小量泄漏:尽可能将溢流液收集到有盖容器内,用砂土或其它惰性材料吸收残液,对使用过的吸附物必须送至环卫部门规定的处理场所。
大量泄漏:构筑围堤或挖坑收集到专用容器内回收或运至环卫部门规定的处理场所。
用泡沫覆盖抑制蒸发,以保护现场人员。
对泄漏的包装进行调换。
第七部分操作处置与储存
操作注意事项:操作人员必须经专门的安全培训,严格遵守涂装作业安全操作规程和有关规定。
加强劳动保护,建议操作人员应穿戴好各种防护用具,裸露部分皮肤应涂好防护膏,当皮肤沾上本品时,应及时用肥皂洗净。
使用本品的区域应有明显的禁止烟火标志,严禁明火,禁止使用产生火花的机械设备和工具,并设置足够数量的灭火器材。
使用本品时应通风良好,如通风不良时,应采用强制通风换气。
使用本品的区域所有电气设备、照明设施应防爆,并防静电积聚,设施应接地,人员应穿防静电的工作服。
每次使用结束,应将未用完的本品盖好盖子放回仓库,严禁置于无人看管的场所。
沾有本品的棉纱、抹布必须集中于带盖的铁桶内,一天一清,严禁随意丢弃。
搬运时要注意轻装轻卸,防止包装破损,配备泄漏应急处理设备。
储存注意事项:储存于干燥、阴凉、通风、清洁、有严禁烟火标志的库房,防止阳光直接照射,远离火种热源,库温不宜超过30℃(高温季节可采取库顶喷水等办法),相对湿度不超过80%。
保持容器密封。
切忌与氧化剂、酸、碱、食用化学品混储,库房内应有足够的灭火器材。
储存场所应有防雷击装置,库房内所有
电气设备、照明设施应防爆,库房内应备有泄漏处置设施。
搬运时轻装轻卸,防止包装破损。
第八部分接触控制/个体防护
最高允许浓度:二甲苯(皮):100mg/m3;丁醇:200 mg/m3;甲基异丁基酮:未制定标准。
监测方法:空气中有毒气体浓度测定用气相色谱法。
工程控制:加强通风换气。
呼吸系统防护:空气中浓度超标时建议戴过滤式防毒面具(半面罩)。
紧急事态抢救或撤离时戴正压式呼吸器。
眼睛防护:戴防化学品眼镜。
身体防护:穿防毒物渗透工作服。
手防护:涂防护膏或戴耐油橡胶手套。
其它防护:工作现场禁止吸烟,进食、饮水。
工作前避免饮用酒精性饮料。
工作后,淋浴更衣。
进行就业前和定期体检。
第九部分理化特性
外观与性状:无色或微黄色透明均匀液体,有特殊芳香味。
PH 值:无资料外观与性状:无色透明液体,有刺激性气味。
闪点(闭杯/℃): 25
相对密度(g/cm3):
自燃温度(℃): 340
溶解性:不能与水混溶,可溶于溶剂。
爆炸极限%(V/V):上限,
爆炸极限%(V/V):下限,
*熔点(℃):
*沸点(℃):139
相对密度(水=1):
*相对蒸汽密度(空气=1):
*饱和蒸汽压(Kpa):(℃)
*燃烧热(KJ/mol):
*临界温度(℃):
*临界压力(Mpa):
*辛醇/水份配等数的对数值:
闪点(℃):27
*引燃温度(℃):525
*爆炸上限%(V/V):
*爆炸下限%(V/V):
溶解性:与环氧类油漆互溶。
主要用途:作为H06-1环氧富锌底漆、H103环氧云铁防锈漆、H172环氧面漆等环氧类油漆的施工粘度调节及环氧类油漆涂装施工的清洗剂之用。
(*表示采用1,4二甲苯数据,摘自《危险化学品安全技术全书》)
第十部分稳定性及反应性
稳定性:稳定。
禁配物:禁与氧化剂、酸、碱同库储存。
避免接触的条件:高热、明火。
聚合危害:不能发生
分解产物:一氧化碳、二氧化碳。
第十一部分毒理学资料
*急性毒性:LD50 5000mg/kg(大鼠经口)
LC50 19747mg/m3,4小时(大鼠吸入)
*亚急性和慢性毒性:大鼠、家兔吸入5000 mg/m3,8小时/天,55天,导致眼刺激、衰竭,共济失调,RBC和WBC数稍下降,骨髓增生并有3%~4%的巨核细胞。
*刺激性:人经眼:200PPM,引起刺激。
家兔经皮500 mg(24小时)中度刺激。
致敏性:无资料
*致突变性:无资料
*致畸性:大鼠吸入最低中毒浓度(TCLo):19 mg/m3,2小时(孕9-14天用药),引起肌肉骨髓发育异常。
致癌性:无资料
(*表示采用1,4二甲苯数据,摘自《危险化学品安全技术全书》)
第十二部分生态学资料
生态毒理毒性:对生态环境尤其是水环境有严重影响。
其蒸气对周边空气环境有严重危害。
遵守当地的污水处理条例。
第十三部分废弃处置
废弃物性质:危险废物
废弃处置方法:送环卫部门指定的处理场所或用控制焚烧法处理。
第十四部分运输信息
危险货物编号:33648(未列名)
UN编号:1992
包装标志:易燃液体
包装类别:Ⅲ
包装方法:金属桶(罐)包装;必要时外加木箱、纸箱。
运输注意事项:夏季应早晚运输,防止日光曝晒。
第十五部分法规信息
化学危险品安全管理条例(2002年1月16日国务院发布),针对化学危险品的安全生产、使用、储存、运输、装卸等方面均作了相应规定。
第十六部分其它信息
参考文献:化学工业出版社出版《危险化学品安全技术全书》、《新编危险化学品手册》、《有毒化学品卫生与安全使用手册》、中国计量出版社《化学危险品法规与标准实用手册》。
填表时间:2015年1月13日
填表部门:常州市华菱新材料有限公司
数据审核单位:
修改说明:。