地下室挡土墙设计要领及算例
- 格式:doc
- 大小:26.50 KB
- 文档页数:2
挡土墙计算实例范文挡土墙是一种用于抵抗土壤背压的结构工程,广泛应用于土木工程领域。
在设计和施工挡土墙时,需要考虑到许多因素,例如土壤的性质、墙体的高度和倾斜度、墙体的稳定性等。
本文将介绍一种常见的挡土墙计算实例。
假设我们需要设计一道高度为6米、倾斜度为1:2的混凝土挡土墙,用于防止毗邻道路一侧的黏土土壤塌方。
首先,我们需要确定挡土墙的重力墙高度和抗滑稳定面的高度。
根据经验公式,挡土墙重力墙高度的计算公式为:H = K * Hmax其中,H 是挡土墙的重力墙高度,K 是土壤侧向压力系数,Hmax 是土壤的最大高度。
根据黏土的性质,K 可以取0.33假设黏土的最大高度为4米,则重力墙高度为:H=0.33*4=1.32米接下来,我们需要确定抗滑稳定面的高度。
通常情况下,抗滑稳定面的高度为挡土墙的50%到70%。
假设我们取抗滑稳定面的高度为挡土墙高度的60%,则抗滑稳定面的高度为:Hs=0.6*6=3.6米接下来,我们需要计算挡土墙的基底宽度。
基底宽度的计算公式为:B = (H + Hs) / tan(θ)其中,B是基底宽度,H是重力墙的高度,Hs是抗滑稳定面的高度,θ是倾斜度的反正切值。
假设挡土墙的倾斜度为1:2,则倾斜角度的反正切值为:θ = atan(1/2)基底宽度为:B = (1.32 + 3.6) / tan(atan(1/2)) = 6.6 / 0.4636 = 14.23 米现在,我们需要确定挡土墙的稳定性。
通常,挡土墙在水平方向上的抗滑稳定性是最主要的考虑因素。
根据经验公式,抗滑稳定性的计算公式为:Fc=(KpNc+KvV+KhH)*(Fc1/Fc2)其中,Fc是抗滑稳定性,Kp是被动土压力系数,Nc是被动土压力的土壤参数,Kv是垂直力系数,V是垂直力,Kh是水平力系数,H是水平力,Fc1是抗滑稳定性的设计值,Fc2是抗滑稳定性的规定值。
假设挡土墙的背填土采用均布荷载作用,并且抗滑稳定性的设计值为1.5,规定值为1.1首先,我们需要计算被动土压力系数 Kp。
计算一、墙身配筋计算(一)已知条件:墙身混凝土等级40钢筋设计强度N/mm2360混凝土容重γc=25KN/mm3墙背填土容重γ土=20KN/mm3水容重γ水=10KN/mm3裂缝限值0.2mm覆土面距离墙底H1=3m水位距离墙底H2=0m墙高H=4.5m地面堆积荷载q0=10KN/m2墙厚h(mm)=300mm保护层(mm)=35mm横载分项系数1.2(二)土压力计算:Ka=0.50q土=(γ土×H1-γ水×H2)×Ka=30.00KN/m2qo=5q水=γ水H2=0KN/m2q2=q土+q水+qo=35.00KN/m2q22=1.2×q2=42KN/m2(三)内力计算(基本组合下):β=b/c=0.666666667b=3mM1=q22*b2*(4-3β+3β2/5)/24=-35.70KN·MRA=q22*b3*(1-β/5)/8C2=20.48M2=RA*(a+2*b/3*(2*RA/q22b)^0.5)=54.05759KN·M(四)配筋计算混凝土抗压强度fcd=19.1N/mm2ho=255mm钢筋设计强度fy=360N/mm2计算宽度b=1000mmM1 =f cd bx(h0-x/2)35700000.00 =19100x(255-x/2)x =7.438 m≤ξb h0 =0.53×255.00 =解得A s = M支座/(ho-x/2)/f y =400mm2M2 =f cd bx(h0-x/2)54000000.00 =19100x(255-x/2)x =11.339 mm≤ξb h0 =0.53×255.00 =解得跨中A s = M2/(ho-x/2)/f y =618mm2(五)裂缝计算(仅计算支座处裂缝)钢筋直径d=14mm钢筋间距150mm每延米实配钢筋A s=1026.25mm2标准组合下M1=q2*b2*(4-3β+3β2/5)/24=-29.75KN·Mσsk=Mk支座/(0.87hoAs)=130.6691N/mm2αcr=2.1ρte=0.006841691ftk=2.39ψ=-0.63770071< 1 且<0.2所以ψ取0.2Es=200000c=35deq=14裂缝宽度W fk=0.063168659mm裂缝满足要求135.2mm 135.2mm。
地下室外墙挡土墙计算书3.1地下室挡土墙高2.5m,挡土墙构造柱最大间距3.1m外墙厚370mm,砖标号MU15.水泥砂浆M10,地面荷载5KN/m2,墙侧土容重20kN/m3,静止土压力系数K=0.50。
(取Im宽板带计算)3.2 中部不设圈粱时砖墙承载力验算(1) 根据《土力学基础工程》(简称《土力学》)计算土压力:ql=kql=0.5×5×1=2.5kN/mq2=kγh l=0.5×20×2.5×1=25kN/m(2) 根据《建筑结构静力计算手册》(简称<手册》)计算墙内力:Mmax=Ma= q1H2/8+q2H2/I5=2.5×2.52/8+25×2.52/I5=12.4kN.m (3) 根据现行《砌体结构设计规范》(简称《砌规》)计算砖墙承载力:[M]=γa f tm W=1×0.33×103 xl×0.372/6=7.5kN.m(4)验算承载力:M>[M]不满足强度要求剪力验算略。
3.3 中部加设一道圈粱时砖墙承载力验算(1) 根据《土力学》计算土压力:ql=2.5kN/mq2=kγh l=0.5×20×1.5×1=15kN/mq3=kγh l=0.5×20×1.0×1=10kN/m(2)根据《手册》计算墙内力:Mbc= q1H12/8+q2H12/93=2.5×1.52/8+15×1.52/93=2.9kN.M<[M] Ma=(q1+q2)H22/8+q3H22/I5=(2.5+15)×1.02/8+10×1.02/15=2.8kN.m<[M]Qc=qlHl/2+q2H1/6=2.5×1.5/2+15×1.5/6=5.63KNQb上=qlH1/2+q2H1/3 =2.5×1.5/2+15×1.5/3=9.34KNQb下=(ql+q2)H2/2+q3H2/10=(2.5+15)×1.0/2+10×1.0/10=9.75KNQa=(ql+q2)H2/2-12/2+2q3H2/5=(2.5+15)×1.0/2+10×1.0×2/5=12.75kN(3)根据《砌规》计算砖墙承载力[M]= γa f tm W=7.5kN.m[Q]=γa f v bz=0.9×0.17×103×1×0.37×2/3=37.7KN(4)承载力验算Mmax=2.9kN .m<[M] 满足强度条件。
地下室钢筋混凝土挡土墙计算程序首先,需要确定挡土墙的几何形状和尺寸。
挡土墙通常采用梯形或者平顶梯形的截面形状,这取决于土的性质和挡土墙的高度。
挡土墙的底宽和顶宽可以根据实际情况进行设计,一般情况下,底宽为挡土墙高度的1/3到1/2,而顶宽可以取底宽的1/2到2/3在确定了挡土墙的几何形状和尺寸后,需要计算挡土墙的稳定性和承载能力。
挡土墙的稳定性主要包括滑动稳定性、翻转稳定性和倾覆稳定性。
滑动稳定性是指挡土墙顶部的土体抗滑力和挡土墙底部的土体推力之间的平衡关系。
翻转稳定性是指挡土墙处于倾斜状态下,挡土墙的倾斜角度小于土的内摩擦角,使其不翻倒。
倾覆稳定性是指挡土墙沿顶部轴线发生侧向倾覆的情况。
通过计算这些稳定性指标,可以确定挡土墙的稳定性,并采取相应的增加稳定性的措施。
挡土墙的承载能力主要是指挡土墙的自重和土压力所引起的受力情况。
在计算挡土墙的承载能力时,需要考虑地下水位、土的重度、土的内摩擦角和挡土墙的摩擦力等因素。
通过对这些因素进行综合计算,可以确定挡土墙的承载能力,并进行相应的设计和加固。
为了进行这些计算步骤,可以使用一种计算程序来辅助完成。
这种计算程序可以根据输入的挡土墙尺寸、土的性质和地下水位等参数,自动计算出挡土墙的稳定性和承载能力,并给出相应的设计建议。
这样可以提高计算的准确性和效率,减少人为的误差。
对于这种计算程序,可以使用计算机编程语言进行开发,比如使用Python或者MATLAB等。
开发计算程序需要考虑的主要步骤包括:输入参数的处理、计算公式和算法的实现、结果输出和可视化等。
通过合理地设计这些步骤,可以使计算程序更加直观、易用和实用。
综上所述,地下室钢筋混凝土挡土墙的计算程序是一种辅助工具,用于确定挡土墙的稳定性和承载能力。
通过该程序,可以提高计算的准确性和效率,为挡土墙的设计和加固提供有力的参考依据。
挡土墙计算书(地下室)挡土墙计算书(地下室)1. 引言1.1 本文档旨在提供一个关于地下室挡土墙计算的综合指南。
挡土墙在地下室建筑中起到支撑土体、减少地下水渗流和保护建筑结构的重要作用。
1.2 本文档将介绍挡土墙设计的基本原理、计算方法和相关规范要求,以供工程师、设计师和相关人员参考和使用。
2. 挡土墙的类型和性能2.1 常见的挡土墙类型包括重力式挡土墙、悬臂式挡土墙、钢筋混凝土挡土墙和土工格栅挡土墙等。
2.2 挡土墙的性能包括承载力、变形性能、稳定性和耐久性等。
3. 挡土墙设计的基本原理3.1 挡土墙的设计应遵循土力学的基本原理和结构力学的原则。
3.2 挡土墙应考虑土壤的侧压力、水压力和地震力等作用。
4. 挡土墙计算的基本步骤4.1 确定设计参数,包括土壤参数、荷载参数和结构参数等。
4.2 进行挡土墙的稳定性分析,计算土壤的侧压力和结构的抗倾覆能力。
4.3 根据挡土墙的变形性能要求,计算挡土墙的变形和应力。
4.4 按照相关规范要求,确定挡土墙的尺寸和钢筋配筋等。
5. 挡土墙计算的常见问题和解决方法5.1 挡土墙的稳定性问题,包括滑动、倾覆和底部切割等。
5.2 挡土墙的变形问题,包括沉降、倾斜和裂缝等。
5.3 挡土墙的材料和施工质量问题,包括土体的质量和挡土墙的防水等。
6. 挡土墙计算的实例分析6.1 钢筋混凝土挡土墙的设计和计算。
6.2 土工格栅挡土墙的设计和计算。
7. 结论7.1 地下室挡土墙在地下建筑中起着至关重要的作用,其设计和计算必须严格遵循相关规范要求。
7.2 本文档提供了一个详尽和全面的挡土墙计算指南,供相关人员参考和使用。
附件:本文档所涉及的附件如下:1. 挡土墙设计参数表格2. 挡土墙稳定性计算表格3. 挡土墙变形和应力计算表格法律名词及注释:1. 土壤参数:指土壤的密度、摩擦角、内摩擦角等力学性质。
2. 荷载参数:指作用在挡土墙上的水压力、侧压力和地震力等。
3. 结构参数:指挡土墙的尺寸、钢筋配筋和防水措施等。
地下室外墙挡土墙的计算1.挡土墙的稳定性计算:挡土墙的稳定性计算主要考虑挡土墙的抗倾覆能力和抗滑移能力。
在计算抗倾覆能力时,需要考虑挡土墙和土体的重心位置、土壤的强度特性以及挡土墙的几何形状等因素。
常用的方法有平衡法、极限平衡法和荷载线法等。
在计算抗滑移能力时,需要考虑土壤的内摩擦角、挡土墙下方土体的水平地表投影面积以及地震作用等因素。
常用的方法有摩擦圆形法、规划法和剪力面法等。
2.挡土墙的抗震性设计:地下室外墙挡土墙在地震作用下容易发生破坏,因此需要进行抗震性设计。
设计时需要考虑挡土墙的水平地震作用力、地震剪切力以及离心力等因素。
常用的方法有地震力法和离心力法等。
在挡土墙的设计中,还需要采用抗震加固措施,如设置加固墙、增加钢筋等。
3.挡土墙的排水系统设计:地下室外墙挡土墙需要设置排水系统,以避免土水压力对挡土墙的破坏。
排水系统可以采用土工合成材料、排水板等。
其中,土工合成材料是一种能够保持良好排水性能和抗腐蚀性能的材料。
排水板也是一种常用的排水系统,可以有效排除土壤中的水分。
4.挡土墙的结构设计:地下室外墙挡土墙的结构设计需要考虑挡土墙的高度和宽度、墙体厚度以及使用材料等。
挡土墙的高度应根据土壤类型和地下室的布置情况决定,同时需要考虑土壤斜坡的稳定性。
挡土墙的宽度可以根据需求和土壤类型确定,通常需要满足挡土墙稳定性和排水性能的要求。
挡土墙的墙体厚度一般为200mm以上,需要根据施工要求和结构设计进行确定。
挡土墙的使用材料一般使用混凝土或砖石等。
综上所述,地下室外墙挡土墙的计算需要考虑挡土墙的稳定性、抗震性以及排水系统的设计等因素。
根据地下室的布置情况和土壤特性,可以采用适当的方法和措施进行设计。
挡土墙计算实例在土木工程中,挡土墙是一种常见的结构,用于支撑土体,防止土体坍塌或滑坡,保护道路、建筑物和其他设施的安全。
挡土墙的设计和计算至关重要,需要综合考虑多种因素,如土体性质、墙高、墙背倾斜度、荷载条件等。
下面通过一个具体的实例来详细介绍挡土墙的计算过程。
假设有一重力式挡土墙,墙高为 5 米,墙顶宽度为 1 米,墙底宽度为 3 米,墙背倾斜度为 1:025(即墙背与铅垂线的夹角为 14°),填土为砂性土,重度为 18kN/m³,内摩擦角为 30°,墙背与填土之间的摩擦角为 15°,填土表面水平,作用有均布荷载 q = 10kN/m²。
首先,计算主动土压力。
主动土压力系数可以通过库仑土压力理论计算:Ka =tan²(45° φ/2) = tan²(45° 30°/2) = 033主动土压力的强度分布为:ea =γzKa 2c√Ka由于填土为砂性土,c = 0,所以:ea =γzKa其中,γ为填土的重度,z 为计算点距离填土表面的深度。
在墙顶处(z = 0),主动土压力强度为 0。
在墙底处(z = 5m),主动土压力强度为:ea = 18×5×033 = 297kN/m²则主动土压力的合力为:Ea = 05×297×5 = 7425kN/m合力作用点距离墙底的高度为:h = 5/3 = 167m接下来,计算挡土墙的自重。
挡土墙的体积为:V = 05×(1 + 3)×5 = 10m³挡土墙的自重为:G =γcV = 25×10 = 250kN/m其中,γc为挡土墙材料的重度,取 25kN/m³。
然后,计算抗滑稳定性。
抗滑稳定性系数为:Ks =(G + Ean) / Eax其中,Ean为主动土压力的垂直分力,Eax为主动土压力的水平分力。
钢筋混凝土地下室挡土墙计算一、土体参数的确定在进行地下室挡土墙的计算之前,首先需要确定土体参数。
常用的土体参数有土壤的重度γ,摩擦角ψ,内摩擦角φ,黏聚力c等。
通过室内室外的土样试验,可以得到土体参数的取值。
二、土压力的计算计算挡土墙所承受的土压力是计算地下室挡土墙的重要步骤。
1.被动土压力的计算被动土压力是指土体对挡土墙表面施加的垂直力。
根据库埃特方程,可以计算出被动土压力。
具体公式为:P=0.5×K×γ×H²其中,P为被动土压力,K为土压力系数,γ为土体的重度,H为土体的高度。
2.主动土压力的计算主动土压力是指土体对挡土墙的背面施加的水平力。
根据瑞吉曼公式,可以计算出主动土压力。
具体公式为:Pa=0.5×Ka×γ×H²其中,Pa为主动土压力,Ka为土压力系数,γ为土体的重度,H为土体的高度。
三、结构参数的确定1.墙体厚度的确定挡土墙的墙体厚度应按照抗弯强度设计。
通常情况下,墙体厚度约为1/15到1/25倍的挡土墙高度。
2.钢筋设计为了增加挡土墙的强度和刚度,通常在挡土墙中设置钢筋。
钢筋的布置应符合相关的规范要求。
四、荷载条件的确定1.挡土墙的自重自重是指挡土墙本身的重量,在计算中需要考虑自重的影响。
2.土压力荷载土压力是指土体对挡土墙施加的荷载,在计算中需要考虑土压力的影响。
3.地震荷载考虑到地震会对挡土墙产生影响,需要根据相关的规范对地震荷载进行计算和考虑。
五、计算方法根据以上所述的参数,可以利用力学原理对挡土墙进行计算。
常用的计算方法有等效水平力法、弹性地基法、极限平衡法等。
六、施工要求1.墙体的质量和强度应满足设计要求。
2.挡土墙的基础应符合规范要求,以保证整个结构的稳定性。
3.施工中要注意墙体与地基之间的连接,以增加整体的稳定性。
4.在挡土墙的施工过程中要注意防水的要求,以确保地下室的使用功能。
总结:钢筋混凝土地下室挡土墙的计算涉及到土体参数的确定、土压力的计算、结构参数的确定、荷载条件的确定以及施工要求等方面。
挡土墙计算公式范文挡土墙是一种用于控制土壤侵蚀和保护地下设施的结构工程。
在设计挡土墙时,需要考虑多种因素,包括土壤的力学特性、挡土墙的几何形状、建筑材料的强度和稳定性等。
本文将介绍挡土墙计算中的一些常用公式和方法。
1.土壤侧压力公式在挡土墙设计中,土壤侧压力是一个重要的参数。
常用的土壤侧压力计算公式包括库仑法和Rankine法。
库仑法(Coulomb formula):土壤侧压力P可以通过下式计算:P=Ka*γ*H*H/2其中,Ka是活动土压力系数,γ是土壤的单位重量,H是挡土墙高度。
Rankine法:土壤侧压力P可以通过下式计算:P=Ka*γ*H*(H/2+B)其中,B是挡土墙背后的土壤深度。
2.挡土墙稳定性计算挡土墙稳定性计算中考虑了墙体滑动、倾覆和底部滑动等不稳定因素。
其中,最常见的是考虑墙体滑动和倾覆的计算方法。
墙体滑动计算:挡土墙的水平滑动稳定可以通过以下公式进行计算:Fs = Σ(actions * cos(α)) - Σ(reactions * cos(α))其中,Fs是水平力的平衡因子,actions是作用在挡土墙上的水平力,reactions是反作用力,α是倾斜角度。
墙体倾覆计算:挡土墙的倾覆稳定可以通过以下公式进行计算:Fb = Σ(actions * sin(α)) - Σ(reactions * sin(α))其中,Fb是倾覆力的平衡因子。
3.材料强度计算挡土墙的材料强度是设计中的一个关键因素。
常见的材料强度计算公式包括混凝土强度和土体强度。
混凝土强度计算:挡土墙的混凝土强度可以通过以下公式计算:f = β * fc * (1-γw/γc)其中,f是混凝土的抗压强度,β是强度折减系数,fc是混凝土的标准抗压强度,γw是水的单位重量,γc是混凝土的单位重量。
土体强度计算:土体的强度可以通过土壤试验得到,常见的土体强度参数包括内摩擦角、凝聚力和剪胀性等。
4.挡土墙形状设计挡土墙的几何形状对其稳定性和承载能力有重要影响。
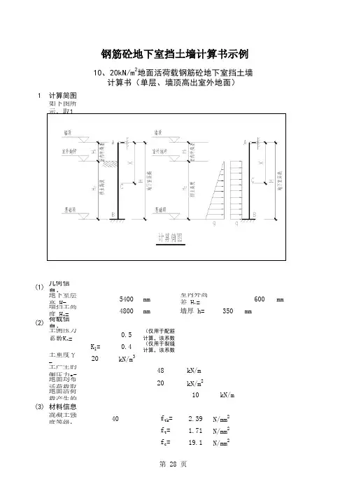
钢筋砼地下室挡土墙计算书示例10、20kN/m2地面活荷载钢筋砼地下室挡土墙计算书(单层、墙顶高出室外地面)1计算简图如下图所示,取1米墙宽,按下端固定,上端铰接计算。
(1)几何信息:地下室层高 H=5400mm室内外高差 H1=600mm墙挡土高度 H2=4800mm墙厚 h=350mm(2)荷载信息:土侧压力系数K0=0.5(仅用于配筋计算,该系数已综合考虑土压力和地面活荷载分项系数) K1=0.4(仅用于裂缝计算,该系数不考虑土压力和地面活荷载分项系数)土重度γ=20 kN/m3土产生的侧压力g=γ·H2·K0=48 kN/m地面均布活荷载取q0=20 kN/m2地面活荷载产生的侧压力q=q0·K0=10 kN/m(3)材料信息混凝土强度等级:C40 f tk= 2.39N/mm2f t= 1.71N/mm2f c=19.1N/mm2受力钢筋等级:HRB335 f y=300N/mm2ξb=0.55Es=200000N/mm2受力钢筋保护层厚度及a s:室外竖向钢筋: c=40mm a s=50mm室内竖向钢筋: c=25mm a s=35mm2内力计算:Ⅰ室外墙底截面(B点)(1)土压力g作用下:18.71kN83.29kN ·m(2)地面活荷载产生的侧压力q作用下:(3)ⅡR A=R Ag+R Aq=33.46kN剪力零点即C点:2.37m剪力零点处(C点)的土侧压力值17.73 kN/m跨中最大弯矩 54.39kN ·m3承载能力极限状态计算:按单筋矩形截面梁计算!计算过程见下表:4正常使用极限状态计算:(1)裂缝计算:(2)挠度计算:地下室外墙一般较厚,其计算模型作为单向板,跨高比H/h=12~14,其挠度计算值一般较小,不起控制作用!。
挡土墙计算实例范文挡土墙是一种用于抵挡土壤和水的力量,以防止土壤冲刷和坍塌的结构。
它被广泛应用于公路、铁路、堤防、河道治理以及建筑工程等领域。
挡土墙的计算是一项重要的工作,它需要考虑多种因素,包括挡土墙的高度、土壤的性质、水位和荷载等。
本文将通过一个实例来介绍挡土墙的计算方法。
假设我们有一个需要抵挡土壤和水的挡土墙工程,挡土墙的高度为5米,坡度为1:1.5,即每米高度向内倾斜1.5米。
挡土墙的土壤由黏土组成,黏土的重度为18kN/m³,黏土的内摩擦角为30°。
水位在挡土墙的顶部,水压力为10kN/m²。
现在我们需要计算挡土墙的稳定性和稳定的长度。
首先,我们需要计算挡土墙的土壤的水平荷载。
土壤的水平荷载可以通过土壤的重度乘以挡土墙高度得到。
在本例中,土壤的水平荷载为18kN/m³*5m=90kN/m。
接下来,我们需要计算土壤的倾倒力矩。
土壤的倾倒力矩可以通过土壤的重心到挡土墙的重心的竖直距离乘以土壤的水平荷载得到。
在本例中,土壤的倾倒力矩为(5m/3)*90kN/m=150kNm/m。
然后,我们需要计算土壤的滑移力。
土壤的滑移力可以通过土壤的水平荷载乘以土壤的内摩擦角得到。
在本例中,土壤的滑移力为90kN/m * tan(30°) = 52.03kN/m。
接着,我们需要计算土壤的推力。
土壤的推力可以通过土壤的水平荷载减去土壤的滑移力得到。
在本例中,土壤的推力为90kN/m-52.03kN/m=37.97kN/m。
最后,我们需要计算土壤的抗倾倒力矩。
土壤的抗倾倒力矩可以通过土壤的推力乘以挡土墙的倾斜距离得到。
在本例中,土壤的抗倾倒力矩为37.97kN/m*(5m/3)=63.28kNm/m。
通过以上计算,我们可以得到挡土墙的稳定性和稳定的长度。
挡土墙的稳定性可以通过土壤的倾倒力矩减去土壤的抗倾倒力矩得到。
在本例中,挡土墙的稳定性为150kNm/m-63.28kNm/m=86.72kNm/m。
挡土墙计算实例在土木工程中,挡土墙是一种常见的结构,用于支撑土体或防止土体坍塌。
为了确保挡土墙的稳定性和安全性,需要进行精确的计算。
下面将通过一个具体的实例来详细介绍挡土墙的计算过程。
假设我们要设计一个重力式挡土墙,用于支撑高度为 5 米的填土。
填土的物理性质如下:重度为 18kN/m³,内摩擦角为 20°,粘聚力为10kPa。
首先,我们需要确定挡土墙的尺寸。
假设挡土墙的顶宽为 1 米,底宽为 3 米,墙高为 5 米。
接下来,计算土压力。
土压力的计算可以采用库仑土压力理论或朗肯土压力理论。
这里我们采用库仑土压力理论。
根据库仑土压力理论,主动土压力系数可以通过以下公式计算:Ka =tan²(45° φ/2)其中,φ 为填土的内摩擦角。
将φ = 20°代入公式,可得 Ka = 049。
主动土压力的大小可以通过以下公式计算:Ea =05 × γ × h² × Ka其中,γ 为填土的重度,h 为填土的高度。
将γ = 18kN/m³,h =5m,Ka = 049 代入公式,可得 Ea = 11025kN/m。
土压力的作用点位于距离墙底高度为 h/3 处,即 5/3 = 167m 处。
然后,我们需要计算挡土墙的自重。
挡土墙的体积可以通过梯形面积乘以长度来计算。
体积= 05 ×(1 + 3) × 5 ×长度假设长度为 1m,则体积为 10m³。
挡土墙的材料假设为混凝土,其重度为25kN/m³,则自重为250kN。
接下来,计算挡土墙的抗滑稳定性。
抗滑力=墙底摩擦力+墙底粘聚力墙底摩擦力=μ × 自重其中,μ 为墙底与地基之间的摩擦系数,假设为 04。
则墙底摩擦力= 04 × 250 = 100kN墙底粘聚力= c ×底宽其中,c 为墙底与地基之间的粘聚力,假设为 20kPa。
(最全)挡土墙计算实例.pdf【文档一】正文:一、引言本文档旨在提供挡土墙计算实例,通过对挡土墙设计的细致分析和计算,读者更好地理解挡土墙的构造和承重原理,并为实际工程提供参考。
本文档将从挡土墙的选材、设计要点、计算公式等方面进行详细介绍和解释。
二、挡土墙的选材挡土墙的选材是保证挡土墙工程质量和稳定性的重要环节。
一般来说,挡土墙的选材应考虑以下几个因素:1. 抗压和抗弯能力:挡土墙需要能够承受土壤的垂直荷载和水平力,选材时应选择具有足够的抗压和抗弯强度的材料。
2. 耐久性:挡土墙长期暴露在自然环境中,选材时应选择具有良好耐久性的材料,以保证挡土墙的使用寿命。
3. 经济性:挡土墙的选材不仅要考虑其功能需求,还要考虑其成本,选择性价比较高的材料。
三、挡土墙的设计要点挡土墙的设计要点包括以下几个方面:1. 挡土墙的高度和土压力:挡土墙的高度决定了土压力的大小,设计时要根据土壤的性质和挡土墙的稳定性要求确定合适的高度。
2. 挡土墙的倾斜角度:挡土墙的倾斜角度决定了土壤对挡土墙的压力分布,设计时应根据土壤的内磨擦角和挡土墙材料的磨擦系数确定合适的倾斜角度。
3. 挡土墙的排水设计:挡土墙上方的水分对挡土墙的稳定性有影响,设计时应考虑排水系统的设置,以减小水分对挡土墙的影响。
4. 挡土墙的加固措施:在设计挡土墙时,应根据需要采取一些加固措施,如设置土工布、加筋等,以增加挡土墙的稳定性。
四、挡土墙的计算公式在设计挡土墙时,需要进行一系列的计算,其中包括以下几个方面:1. 挡土墙的自重计算:根据挡土墙的材料和形状,估算挡土墙的自重。
2. 土压力的计算:根据土壤的性质和挡土墙的高度,计算土壤对挡土墙的压力。
3. 挡土墙的稳定性计算:根据挡土墙的几何形状和土壤的性质,计算挡土墙的稳定性,包括滑动稳定性、倾覆稳定性和底部稳定性等。
4. 排水系统的设计:根据挡土墙上方的水分情况,设计合理的排水系统,以减小水分对挡土墙的影响。
地下室外墙挡土墙计算书一、工程概况本工程为_____项目,地下室外墙挡土墙设计高度为_____m,墙厚为_____mm,挡土墙所承受的土压力类型为静止土压力。
地下室所处场地的地质条件为_____,地下水位位于_____m。
二、设计依据1、《建筑结构荷载规范》(GB 50009-2012)2、《混凝土结构设计规范》(GB 50010-2010)(2015 年版)3、《建筑地基基础设计规范》(GB 50007-2011)三、荷载计算1、土压力计算静止土压力系数 K₀:根据地质勘察报告及相关规范,取 K₀= 05。
土的重度γ:取γ = 18kN/m³。
地面超载 q:考虑地面堆载等因素,取 q = 10kN/m²。
土压力强度计算公式为:P₁= K₀γh₁+ q,P₂= K₀γh₂其中,h₁为地面至地下水位的距离,h₂为地下水位至挡土墙底部的距离。
2、水压力计算地下水位以下,水压力按静水压力计算。
水的重度γw = 10kN/m³。
水压力强度计算公式为:Pw =γwh四、内力计算1、采用悬臂式挡土墙计算模型,按底端固定、顶端自由的悬臂梁进行内力计算。
2、计算各工况下(如正常使用状态、承载能力极限状态)的弯矩和剪力。
五、配筋计算1、根据内力计算结果,按照混凝土结构设计规范进行配筋计算。
2、考虑混凝土强度等级为 C_____,钢筋采用 HRB_____级。
六、裂缝控制计算为保证地下室外墙的耐久性和防水性能,需进行裂缝控制计算。
裂缝宽度限值根据规范要求取_____mm。
七、稳定性验算1、抗滑移稳定性验算计算挡土墙底部与地基土之间的摩擦力,与水平力进行比较,判断是否满足抗滑移要求。
2、抗倾覆稳定性验算计算挡土墙的抗倾覆力矩和倾覆力矩,判断是否满足抗倾覆要求。
八、计算结果及分析1、经过计算,得到挡土墙的配筋结果为:水平分布钢筋_____,竖向分布钢筋_____。
2、裂缝宽度计算结果满足规范限值要求。
地下室外墙挡土墙的计算集团标准化小组:[VVOPPT-JOPP28-JPPTL98-LOPPNN]地下室外墙(挡土墙)的计算1计算方法1.1计算简图①根据墙板长边与短边支承长度的比例关系,地下室外墙(挡土墙)、窗井外墙按双向板或单向板计算。
②对单层或多层地下室外墙,当基础底板厚度不小于墙厚时,可按底边固结于基础、顶边铰接于地下室顶板的单跨或连续板计算。
当基础底板厚度小于墙厚时,底边按铰接计算。
窗井外墙顶边按自由计算。
墙板两侧根据实际情况按固结或铰接考虑。
③墙板的支承条件应符合实际受力状态,作为墙板支座的基础和内墙(或扶壁柱),其内力和变形应满足设计要求。
1.2计算荷载图一地下室外墙压力分布地下室外墙承受竖向荷载和水平荷载。
竖向荷载包括地下室外墙自重、上部建筑(结构构件和围护构件)竖向荷载、地下室各层楼板传递的竖向荷载。
水平荷载包括土压力(地下水位以下为土水混合压力)、地下水压力、室外地面活荷载引起的侧压力、人防外墙等效静荷载。
2计算中需注意的问题2.1《全国民用建筑工程设计技术措施/结构/地基与基础》(2009年版)[1]第5.8.11条和《北京市建筑设计技术细则-结构专业》(2005版)[2]第2.1.6条对室外地面活荷载,建议取5kN/m2(包括可能停放消防车的室外地面)。
该规定适用于有上部结构的地下室外墙,且当考虑消防车时消防车重不超过30吨。
其出发点是行车道距离建筑物外墙总是有一定距离的,即一般情况下汽车不可能紧贴上部建筑外墙行驶(《城市居住区规划设计规范》、《建筑设计防火规范》等对室外行车道距离建筑物外墙的距离有明确规定),消防车更不可能紧贴上部建筑外墙进行消防扑救(因消防云梯车在工作时受云梯高度和仰角的制约必须与建筑物外墙保持一定距离)。
但是,对于没有上部结构的纯地下车库,或处于上部结构范围之外的地下室外墙,以及消防车重超过30吨的,笼统地按5kN/m2计算是有问题的,应当根据车道与地下室外墙的位置关系、地下室顶板覆盖层厚度及其应力扩散角、车辆轮压按实际情况计算。
钢筋混凝土地下室挡土墙计算钢筋混凝土地下室挡土墙计算1. 引言本旨在提供钢筋混凝土地下室挡土墙计算的详细指导,包括设计要求、计算方法、材料选择、验算等内容。
2. 设计要求2.1 地下室挡土墙的设计目标地下室挡土墙应能承受地下水压力和土壤压力,并保证结构的稳定性、安全性和耐久性。
2.2 地下室挡土墙的设计参数设计参数包括土壤参数、地下水参数、结构参数等,需要进行详细的工程调查和实验分析。
3. 土压力计算3.1 初始土压力计算初始土压力由土壤自重和活动土压力组成,需要根据土壤性质和临界状态等确定活动土壤压力系数。
3.2 顶部土压力计算顶部土压力由土壤的自重、车辆荷载等因素引起,按照相应的公式进行计算。
3.3 阻力墙土压力计算钢筋混凝土挡土墙具有一定的刚度和强度,在计算阻力墙土压力时需要考虑挡土墙的刚度和强度。
4. 地下水压力计算地下水压力是设计地下室挡土墙时必须考虑的重要参数。
需要根据实际情况测定地下水位、水文地质条件等,然后利用相应的公式进行计算。
5. 地下室挡土墙结构计算5.1 挡土墙结构形式选择根据挡土墙所需承受的土压力和结构的稳定性要求选择适当的挡土墙结构形式,如重力墙、钢筋混凝土挡墙等。
5.2 钢筋混凝土挡土墙计算根据挡土墙的几何形状和材料力学性质,利用弹性力学基本原理进行挡土墙的计算,包括截面选取、受力分析等。
6. 材料选择与验算6.1 挡土墙材料选择挡土墙所使用的钢筋混凝土材料需要满足相应的强度、耐久性、变形性能等要求。
6.2 材料验算对挡土墙所使用的材料进行相应的验算,包括混凝土抗压强度、钢筋抗拉强度等。
扩展内容:1. 附件列表:1.1 设计图纸1.2 结构计算表格1.3 施工工艺说明书2. 法律名词及注释:2.1 建造法:指对建造工程的设计、施工、验收等方面进行管理和监督的法律。
2.2 土木工程法:指土木工程建设和管理方面的法律。
地下室挡土墙计算
地基基础
1.室外地面活荷载:一般可取10kN/m2,荷载较小时也可取5.0kN/m2
2.土侧压力系数:
(1)一般可取静止土压力系数0.5;
(2)考虑到支座处可认为无侧向位移,为静止土压力,跨中部分随着侧向位移的增大,逐渐趋向于主动土压力,我院综合取0.4,
(3)地下室施工采用护坡桩时可取0.33.
3.覆土重度:以前习惯取18,现在习惯取20,也有的院取19.
4.砼强度:宜取C30,有利于控制裂缝。
5.外侧保护层:《全国民用建筑人防技术措施》3.
6.2 注4上规定保护层厚度:“地下室外墙迎水面有外防水层取30”;
《防水规范》规定取50是直接取用前苏联的规定,不适用于一般的地下室结构。
6.裂缝限值:有外防水时取0.3mm,无外防水时取0.2mm
7.调幅系数:不宜调幅太大,最多0.9,建议0.95。
8.考虑室内填土的有利作用:当基础埋深低于室内地坪较深时(>2m时),可考虑室内填土的有利作用,
此时,应要求回填时先回填室内后回填室外(此项作用不大)。
9.配筋:地下室外墙为控制收缩及温度裂缝,水平筋间距不应大于150,配筋率宜取0.4%~0.5%(内外两侧均计入),有扶壁柱处应另增设直径8mm短钢筋,长度为柱宽加两侧各
800mm,间距150mm(在原有水平分布筋之间加此短筋)
10.其他:
(1)无上部结构柱相连的地下室外墙,支撑顶板梁处不宜设扶壁柱,扶壁柱使得此处墙为变截面,易产生收缩裂缝,不设扶壁柱顶板梁在墙上按铰接考虑,此处墙无需设暗柱。
(2)地下室内外墙除了上部为框剪结构或外框架-内核心筒结构的剪力墙延伸者外,在楼层不需要设置暗梁,所有剪力墙在基础底板处均不需要设置暗梁。
(3)单层或多层地下室外墙,均可按单向板或连续单向板计算,最上层地下室楼层板处按铰支座,基础底板处按固端
(4)窗井外侧墙顶部敞开无顶板相连,其计算简图可根据窗井深度按三边连续一边自由,或水平多跨连续板计算,如按多跨连续板计算时,因为荷载上下差别大,可上下分段计算弯矩确定配筋。
(5)实际工程的地下室外墙截面设计中,竖向荷载及风荷载或地震作用产生的内力一般不起控制作用,通常不考虑竖向荷载组合的压弯作用,仅按墙板弯曲计算墙的配筋。
11. 参考文献:
《砼结构设计禁忌与实例》第四章禁忌28 (李国胜主编)
《建筑结构技术通讯》2009年第一期P29页(李国胜)
《地基基础设计实例》朱丙寅娄宇主编
可以参考《砌体结构》科学出版社,傅传国主编第63页例5.7的解答过程,不过抽象力学模型还得根据你自己的工程来定。
地下室挡土墙只验算受弯、受剪承载力即可。
我之前也遇到过的。
下面附例题一个:
已知地下室240厚挡土墙,高3m, 墙背直立、光滑、填土面水平。
填土的物理力学指标如下:r=18kN/m3.
计算过程:
土压力为:q=K0rH
K0=0.5, r=18 kN / m3, H取两个圈梁之间的高度为1.5m
故q=0.5×18×1.5=13.5(kN/m)
上下有圈梁约束,墙体按固端考虑,则在三角形侧向土压力作用下
弯矩MA=rG•1/20qL2=1.2×1/20×13.5×1.52=1.82(kN•m)
剪力VA= rG•7/20qL=1.2×7/20×13.5×1.5=8.5(kN)
受弯、受剪承载力计算:
墙体MU10煤矸石实心砖,M10水泥砂浆,240墙厚
M≤ftmW, V≤fvbz
砌体沿齿缝弯曲抗拉强度设计值ftm=0.8×0.33=0.264(MPa)
抗剪强度设计值fv=0.8×0.17=0.136(MPa)
取1m宽墙体计算单元且按矩形截面计算,
截面抵抗矩W=bh2/6=1000×2402/6=9.6×106(mm3)
截面内力臂z=2h/3=2×240/3=160(mm)
砌体受弯承载力ftmW=0.264×9.6×106=2.53(kN•m)> MA=1.82 kN•m
砌体受剪承载力fvbz=0.136×1000×160=21.76(kN)> VA=8.5 kN
故240厚挡土墙受弯、受剪承载力均满足要求。