《江西省建筑安装工程费用定额》(2004年)最新版2013年7月
- 格式:xls
- 大小:51.50 KB
- 文档页数:1
江西省建筑安装工程费用定额(2004年版)江西省建设工程造价管理站二00四年九月十五日目录说明第一章建筑安装工程费用组成表第二章建筑安装工程费用定额第1节组织措施费计取标准第2节企业管理费计取标准第3节利润计取标准第4节规费计取标准第5节税金计取标准第三章建筑安装工程费用计算程序表第1节采用工程量清单计价第2节采用定额计价第四章建筑安装工程类别划分标准及说明第1节工程类别划分标准第2节工程类别划分说明第五章建筑安装工程项目适用范围第六章建筑安装工程费用项目组成第1节直接费第2节间接费第3节利润第4节税金说明一、《江西省建筑安装工程费用定额(2004年)》(以下简称本定额),是根据国家标准《建设工程工程量清单计价规范》(GB50500—2003)、建设部《建筑安装工程费用项目组成》(建标[2003]206号)、《建筑工程发包与承包计价管理办法》(建设部107号令)等文件精神,结合我省实际情况编制的。
二、本定额适用于我省境内建筑、装饰装修、安装工程施工发包与承包的计价及其他有关计价活动。
在计价方式上,既适用于工程量清单计价,又适用于定额计价。
三、本定额是编制投资估算、设计概算的基础,是编制招标标底、投标报价(施工图预算)、工程结算及约定工程合同价等的依据。
四、建筑安装工程费用由直接费、间接费、利润和税金组成。
直接费由直接工程费和措施费组成,直接工程费指构成工程实体的人工费、材料费(含主材或未计价材料)、机械费,措施费分为技术措施费和组织措施费,间接费由企业管理费和规费组成。
五、技术措施费参照《江西省建筑工程消耗量定额及统一基价表》、《江西省装饰装修工程消耗量定额及统一基价表》、《江西省安装工程消耗量定额及单位估价表》中技术措施项目列项计算,组织措施费参照本费用定额中的组织措施费列项计算,对未包括的施工技术措施费和施工组织措施费可根据工程实际进行补充。
六、建筑工程中有部分装饰工程项目时,建筑工程参照《江西省建筑工程消耗量定额及统一基价表》和本费用定额建筑工程类别划分及取费标准执行,装饰工程参照《江西省装饰装修工程消耗量定额及统一基价表》和本费用定额装饰工程类别划分及取费标准执行;装饰工程中有部分建筑工程项目时,装饰工程参照《江西省装饰装修工程消耗量定额及统一基价表》和本费用定额装饰工程类别划分及取费标准执行,建筑工程参照《江西省建筑工程消耗量定额及统一基价表》和本费用定额建筑工程四类取费标准执行。
江西省建筑安装工程费用定额(2004年版)江西省建设工程造价管理站二00四年九月十五日目录说明第一章建筑安装工程费用组成表第二章建筑安装工程费用定额第1节组织措施费计取标准第2节企业管理费计取标准第3节利润计取标准第4节规费计取标准第5节税金计取标准第三章建筑安装工程费用计算程序表第1节采用工程量清单计价第2节采用定额计价第四章建筑安装工程类别划分标准及说明第1节工程类别划分标准第2节工程类别划分说明第五章建筑安装工程项目适用范围第六章建筑安装工程费用项目组成第1节直接费第2节间接费第3节利润第4节税金说明一、《江西省建筑安装工程费用定额(2004年)》(以下简称本定额),是根据国家标准《建设工程工程量清单计价规范》(GB50500—2003)、建设部《建筑安装工程费用项目组成》(建标[2003]206号)、《建筑工程发包与承包计价管理办法》(建设部107号令)等文件精神,结合我省实际情况编制的。
二、本定额适用于我省境内建筑、装饰装修、安装工程施工发包与承包的计价及其他有关计价活动。
在计价方式上,既适用于工程量清单计价,又适用于定额计价。
三、本定额是编制投资估算、设计概算的基础,是编制招标标底、投标报价(施工图预算)、工程结算及约定工程合同价等的依据。
四、建筑安装工程费用由直接费、间接费、利润和税金组成。
直接费由直接工程费和措施费组成,直接工程费指构成工程实体的人工费、材料费(含主材或未计价材料)、机械费,措施费分为技术措施费和组织措施费,间接费由企业管理费和规费组成。
五、技术措施费参照《江西省建筑工程消耗量定额及统一基价表》、《江西省装饰装修工程消耗量定额及统一基价表》、《江西省安装工程消耗量定额及单位估价表》中技术措施项目列项计算,组织措施费参照本费用定额中的组织措施费列项计算,对未包括的施工技术措施费和施工组织措施费可根据工程实际进行补充。
六、建筑工程中有部分装饰工程项目时,建筑工程参照《江西省建筑工程消耗量定额及统一基价表》和本费用定额建筑工程类别划分及取费标准执行,装饰工程参照《江西省装饰装修工程消耗量定额及统一基价表》和本费用定额装饰工程类别划分及取费标准执行;装饰工程中有部分建筑工程项目时,装饰工程参照《江西省装饰装修工程消耗量定额及统一基价表》和本费用定额装饰工程类别划分及取费标准执行,建筑工程参照《江西省建筑工程消耗量定额及统一基价表》和本费用定额建筑工程四类取费标准执行。
1、分部分项工程量清单综合单价计算程序表
2、施工技术措施项目费计算程序表
注:技术措施项目∑(人工费+材料费+机械费)未详列人工、材料、机械耗用量,而以每项“××元”表示的,或无工日耗用量的,以人工费为3、施工组织措施项目费计算程序表
注:组织措施项目∑(人工费+材料费+机械费)中的人工系数按15%计算。
4、零星工作项目费计算程序表
5、单位工程工程费用计算程序表
(1)以工料机费为计费基础
(2)以人工费为计费基础
注:“∑其他项目费中的人工费”指预留金、零星工作项目费中的人工费,预留金中的人工费按15%计算。
以人工费为基础计取有关费用时,人工费按15%比例计算。
江西省 2001 定额与 2004 定额的差别两者的计价方式不同, 2001 与 2004 的消耗量不同计价方式分两种:定额计价及清单计价自 03 年 7 月国家要求实施清单计价以来,某些省份依据《工程量清单计价规范》( GB50500-2003)进行相应的地方定额改编,使之与清单计价规范相对应以利于工程计价,但大部分省份还是沿用03 年以前定额,江苏省应该在03 年后有颁发新的定额吧?但不管定额与清单有无对应,计划利润、管理费及税金(企业所得税另计)等仍要计价,清单细目与定额细目的区别在于前者一般包括范围更广(依据计算规则),往往一个清单细目可能包含几个定额细目内容,而所有这些定额细目的这类费用也必然需综合至该清单细目中,定额改编(与清单相对应)原理也是如此。
所以不管是哪种计价方式,这些费用的计取都不可能取消。
你所反映的工程结算中还仍计算计划利润之类且用到以前定额,这是很容易理解的,因为国家颁的《计价规范》过于笼统和门类不全,客观上存在许多不完善之处,它往往并不能完全囊括一个工程项目所有发生的内容,在这种情况下,清单未能反映的问题则只能借助以前的定额进行取费了。
江西省建筑安装工程费用定额(一)一、《江西省建筑安装工程费用定额(2004 年)》(以下简称本定额),是根据国家标准《建设工程工程量清单计价规范》(GB50500— 2003)、建设部《建筑安装工程费用项目组成》(建标 [2003]206 号)、《建筑工程发包与承包计价管理办法》(建设部107 号令)等文件精神,结合我省实际情况编制的。
二、本定额适用于我省境内建筑、装饰装修、安装工程施工发包与承包的计价及其他有关计价活动。
在计价方式上,既适用于工程量清单计价,又适用于定额计价。
三、本定额是编制投资估算、设计概算的基础,是编制招标标底、投标报价(施工图预算)、工程结算及约定工程合同价等的依据。
四、建筑安装工程费用由直接费、间接费、利润和税金组成。
序号费用项目计算方法一1工料机费(直接工程费)∑(人工费+材料费+机械费)2企业管理费⑴×费率3利 润[ ⑴+⑵ ]×费率4 价 差价差×相应数量5风 险投标人根据市场情况自行确定6综合 单价[⑴+⑵+⑶+⑷+⑸]/清单工程数量二7工 料 机 费∑(人工费+材料费+机械费)8企业管理费(7)×费率9利 润〔⑺+⑻〕×费率10价 差价差×相应数量11风 险投标人根据市场情况自行确定12综 合 单 价⑺+⑻+⑼+⑽+⑾三13①临时设施费{[(一)+(二)]-∑[⑷+⑸+⑽+⑾]}×费率②环保、文明、 安全施工费{[(一)+(二)+①+(14)+(四)+(五)]-∑[⑷ + ⑸ + ⑽ + ⑾]}×费率14检验试验等六项费{[(一)+(二)]-∑[⑷+⑸+⑽+⑾]}×费率四15预 留 金(一)×费率16材 料 购 置 费∑材料单价×相应材料数量17零星工作项目费(一)×费率或 ∑(人工综合单价×工日+材料综合单价×材料数量+机械综合单价×机械台班)18总 包 服 务费按分包工程的(一)×费率五规费(社保、公积金、保险、排污费){[(一)+(二)+(三)+(四)]-∑[⑷ + ⑸ + ⑽ + ⑾]-②}×费率六七规费(上级管理费) [(一)+(二)+(三)+(四)+(五)+(六)]×费率八规费(定额测定费) [(一)+(二)+(三)+(四)+(五)+(六)]×费率九税 金[(一)+(二)+(三)+(四)+(五)+(六)+(七)+(八)]×费率十总 造 价(一)+(二)+(三)+(四)+(五)+(六)+(七)+(八)+(九)一、工程量清单计价计费程序(以工料机为计费基础)赶工措施费、提前竣工奖、优良工程增加费、桩基础检测费等按工程实际参照有关标准或市场价计算分部分项工程项目 ∑(综合单价×清单工程量)技术措施费 ∑技术措施项目费组织措施费其他项目费安全防护、文明施工措施费 ①+②班)。
江西省建筑安装工程费用定额(2004年版)江西省建设工程造价管理站二00四年九月十五日第一章建筑安装工程费用项目组成表注:本表措施费仅列通用项目,各专业工程的措施费项目参照《建设工程工程量清单计价规范》措施项目一览表作为其他措施费项目列项。
套用消耗量定额项目计算的措施费,作为技术措施费列项;以费率形式计算的措施费,作为组织措施费列项。
第二章建筑安装工程费用定额第一节组织措施费计取标准注:1、获得省(市)安全文明样板工地的工程,按上述费率乘以1.15系数计算,竣工安全文明综合评价不合格的工程,按上述费率乘以0.85系数计算。
2、计费程序中的组织措施费不包含安全文明施工措施费的内容,安全文明施工措施费单列,计入总价。
3、检验实验费等六项组织措施费计取标准单位:%第二节企业管理费计取标准单位:%说明:1、表中工程定额测定费系数为非住宅工程系数;住宅工程系数为0.14;一项工程既有住宅建设又有非住宅建设,分别按不同标准计算。
2、工程定额测定费、上级(行业)管理费不论建筑、装饰、安装工程均以“工料机费”为计费基础,具体计算方法按计费程序规定。
3.上级(行业)管理费中系数0.5适用于清单计价,系数0.6适用于定额计价。
第五节税金计取标准营业税、城市建设维护税、教育费附加综合税率第三章建筑安装工程费用计算程序表第一节采用工程量清单计价1、分部分项工程量清单综合单价计算程序表2、施工技术措施项目费计算程序表注:技术措施项目∑(人工费+材料费+机械费)未详列人工、材料、机械耗用量,而以每项“××元”表示的,或无工日耗用量的,以人工费为基础计取有关费用时,人工费按15%比例计算。
3、施工组织措施项目费计算程序表注:组织措施项目∑(人工费+材料费+机械费)中的人工系数按15%计算。
4、零星工作项目费计算程序表5、单位工程工程费用计算程序表(1)以工料机费为计费基础注:“∑其他项目费中的人工费”指预留金、零星工作项目费中的人工费,预留金中的人工费按15%计算。
江西省建筑安装工程费用定额(2004年版)江西省建设工程造价管理站二00四年九月十五日第一章建筑安装工程费用项目组成表注:本表措施费仅列通用项目,各专业工程的措施费项目参照《建设工程工程量清单计价规范》措施项目一览表作为其他措施费项目列项。
套用消耗量定额项目计算的措施费,作为技术措施费列项;以费率形式计算的措施费,作为组织措施费列项。
第二章建筑安装工程费用定额第一节组织措施费计取标准注:1、获得省(市)安全文明样板工地的工程,按上述费率乘以1.15系数计算,竣工安全文明综合评价不合格的工程,按上述费率乘以0.85系数计算。
2、计费程序中的组织措施费不包含安全文明施工措施费的内容,安全文明施工措施费单列,计入总价。
3、检验实验费等六项组织措施费计取标准第二节企业管理费计取标准第三节利润计取标准第四节规费计取标准单位:%说明:1、表中工程定额测定费系数为非住宅工程系数;住宅工程系数为0.14;一项工程既有住宅建设又有非住宅建设,分别按不同标准计算。
2、工程定额测定费、上级(行业)管理费不论建筑、装饰、安装工程均以“工料机费”为计费基础,具体计算方法按计费程序规定。
3.上级(行业)管理费中系数0.5适用于清单计价,系数0.6适用于定额计价。
第五节税金计取标准营业税、城市建设维护税、教育费附加综合税率第三章建筑安装工程费用计算程序表第一节采用工程量清单计价1、分部分项工程量清单综合单价计算程序表2、施工技术措施项目费计算程序表注:技术措施项目∑(人工费+材料费+机械费)未详列人工、材料、机械耗用量,而以每项“××元”表示的,或无工日耗用量的,以人工费为基础计取有关费用时,人工费按15%比例计算。
3、施工组织措施项目费计算程序表注:组织措施项目∑(人工费+材料费+机械费)中的人工系数按15%计算。
4、零星工作项目费计算程序表5、单位工程工程费用计算程序表(1)以工料机费为计费基础(2)以人工费为计费基础注:“∑其他项目费中的人工费”指预留金、零星工作项目费中的人工费,预留金中的人工费按15%计算。
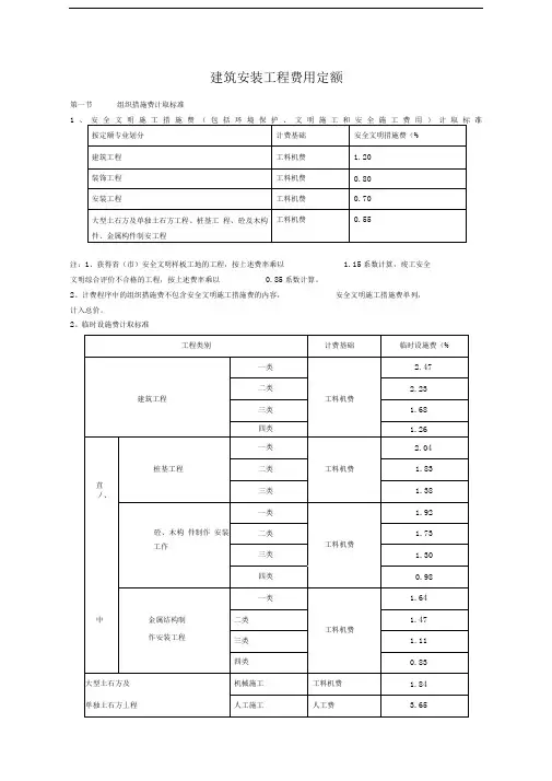
建筑安装工程费用定额
第一节组织措施费计取标准
1、安全文明施工措施费(包括环境保护、文明施工和安全施工费用)计取标准
注:1、获得省(市)安全文明样板工地的工程,按上述费率乘以 1.15系数计算,竣工安全
文明综合评价不合格的工程,按上述费率乘以0.85系数计算。
2、计费程序中的组织措施费不包含安全文明施工措施费的内容,安全文明施工措施费单列,
计入总价。
2、临时设施费计取标准
3、检验实验费等六项组织措施费计取标准
单位:
第二节企业管理费计取标准
第三节利润计取标准
第四节规费计取标准
单位:%
说明:、表中工程定额测定费系数为非住宅工程系数;住宅工程系数为;一项工程既有住宅建设又有非住宅建设,分别按不同标准计算。
2、工程定额测定费、上级(行业)管理费不论建筑、装饰、安装工程均以“工料机费”
为计费基础,具体计算方法按计费程序规定。
3. 上级(行业)管理费中系数0.5适用于清单计价,系数0.6适用于定额计价。
第五节税金计取标准
营业税、城市建设维护税、教育费附加综合税率
3.41
采用定额计价程序1以工料机费为计费基础的单位工程工程费用计算程序表
2
注:1、技术措施项目未详列人工、材料、机械耗用量,而以每项“XX元”表示的,或无工日耗用量的,以人工费为基础计取有关费用时,人工费按15%比例计算。
2、组织措施费人工系数按15%:匕例计算。
米用工程量清单计价(1 )以工料机费为计费基础
(2)以人工费为计费基础
注:“刀其他项目费中的人工费”指预留金、零星工作项目费中的人工费,预留金中的人工费按15%十算。
2004定额的差别江西省2001定额与两者的计价方式不同,2001与2004的消耗量不同计价方式分两种:定额计价及清单计价自03年7月国家要求实施清单计价以来,某些省份依据《工程量清单计价规范》(GB50500-2003)进行相应的地方定额改编,使之与清单计价规范相对应以利于工程计价,但大部分省份还是沿用03年以前定额,江苏省应该在03年后有颁发新的定额吧?但不管定额与清单有无对应,计划利润、管理费及税金(企业所得税另计)等仍要计价,清单细目与定额细目的区别在于前者一般包括范围更广(依据计算规则),往往一个清单细目可能包含几个定额细目内容,而所有这些定额细目的这类费用也必然需综合至该清单细目中,定额改编(与清单相对应)原理也是如此。
所以不管是哪种计价方式,这些费用的计取都不可能取消。
你所反映的工程结算中还仍计算计划利润之类且用到以前定额,这是很容易理解的,因为国家颁的《计价规范》过于笼统和门类不全,客观上存在许多不完善之处,它往往并不能完全囊括一个工程项目所有发生的内容,在这种情况下,清单未能反映的问题则只能借助以前的定额进行取费了。
江西省建筑安装工程费用定额(一)一、《江西省建筑安装工程费用定额(2004年)》(以下简称本定额),是根据国家)、建设部《建筑安装工程费用项2003—GB50500标准《建设工程工程量清单计价规范》(.目组成》(建标[2003]206号)、《建筑工程发包与承包计价管理办法》(建设部107号令)等文件精神,结合我省实际情况编制的。
二、本定额适用于我省境内建筑、装饰装修、安装工程施工发包与承包的计价及其他有关计价活动。
在计价方式上,既适用于工程量清单计价,又适用于定额计价。
三、本定额是编制投资估算、设计概算的基础,是编制招标标底、投标报价(施工图预算)、工程结算及约定工程合同价等的依据。
四、建筑安装工程费用由直接费、间接费、利润和税金组成。
直接费由直接工程费和措施费组成,直接工程费指构成工程实体的人工费、材料费(含主材或未计价材料)、机械费,措施费分为技术措施费和组织措施费,间接费由企业管理费和规费组成。
江西省建筑工程消耗量定额(仅供参考-GYA2004)目录1. 江西省建筑工程消耗量定额及统一基价表 (3)1.1 目录 (3)1.2 总说明 (10)1.3 工程量清单计算规则 (12)1.4 A.01 土(石)方工程 (13)1.4.1 说明 (15)1.4.2 工程量计算规则 (17)1.5 A.02 桩与地基基础工程 (22)1.5.1 说明 (23)1.5.2 工程量计算规则 (25)1.6 A.03 砌筑工程 (26)1.6.1 说明 (27)1.6.2 工程量计算规则 (27)1.7 A.04 混凝土及钢筋混凝土工程 (30)1.7.1 说明 (32)1.7.2 工程量计算规则 (34)1.8 A.05 厂库房大门、特种门、木结构工程 (42)1.8.1 说明 (43)1.8.2 工程量计算规则 (44)1.9 A.06 金属结构工程 (44)1.9.1 说明 (46)1.9.2 工程量计算规则 (47)1.10 A.07 屋面及防水工程 (48)1.10.1 说明 (48)1.10.2 工程量计算规则 (49)1.11 A.08 防腐、隔热、保温工程 (51)1.11.1 说明 (51)1.11.2 工程量计算规则 (52)1.12 A.09 建筑物超高增加费 (52)1.12.1 说明 (53)1.12.2 工程量计算规则 (53)1.13 A.10 混凝土、钢筋混凝土模板及支撑工程 (54)1.13.1 说明 (55)1.13.2 工程量计算规则 (55)1.14 A.11 脚手架工程 (60)1.14.1 说明 (61)1.14.2 工程量计算规则 (61)1.15 A.12 垂直运输工程 (62)1.15.1 说明 (63)1.15.2 工程量计算规则 (64)1.16 A 常用大型机械安拆和场外运输费用表 (65)1.17 A 附录 (67)1.18 A 机械台班说明 (67)1.19 A 附表:材料预算价格表 (69)2. 江西省建筑安装工程费用定额 (69)2.1 目录 (70)2.2 说明 (71)2.3 第一章建筑安装工程费用组成表 (73)2.3.1 第一节建筑安装工程费用项目组成表 (74)2.4 第二章建筑安装工程费用定额 (75)2.4.1 第一节组织措施费计取标准 (77)2.4.2 第二节临时设施费计取标准 (79)2.4.3 第三节利润计取标准 (80)2.4.4 第四节规费计取标准 (81)2.4.5 第五节税金计取标准 (82)2.5 第三章建筑安装工程费用计算程序表 (82)2.5.1 第一节采用工程量清单计价 (86)2.5.2 第二节采用定额计价 (90)2.6 第四章建筑安装工程类别划分标准及说明 (92)2.6.1 第一节工程类别划分标准 (94)2.6.2 第二节工程类别划分说明 (96)2.7 第五章建筑安装工程项目适用范围 (98)2.7.1 第一节建筑安装工程项目适用范围 (98)2.8 第六章建筑安装工程费用项目组成 (99)2.8.1 第一节直接费 (102)2.8.2 第二节间接费 (105)2.8.3 第三节利润 (107)2.8.4 第四节税金 (107)3. 江西省建设工程计价办法 (107)3.1 江西省建设工程计价办法(试行) (112)4. 《建筑工程消耗量定额》勘误表 (118)4.1 《建筑工程消耗量定额》勘误表[JX20050425] (118)1. 江西省建筑工程消耗量定额及统一基价表江西省建筑工程消耗量定额江西省建设工程造价管理站2004年9月1.1 目录目录第一部分工程项目第一章土(石)方工程说明工程量计算规则一、土方工程1.人工土方(1)平整场地、人工挖土方、淤泥、流砂(2)山坡切土(3)人工挖沟槽(4)人工挖基坑(5)人工挖孔桩挖土方(6)沉管灌注混凝土桩空孔土方(7)回旋钻孔灌注桩空孔土方(8)修凿混凝土桩头(9)支挡土板2.机械土方(1)推土机推土方(2)铲运机铲运土方(3)挖掘机挖土方(4)场地平整二、石方工程1.人工石方(1)人工凿石(2)人工打眼爆破石方2.机械石方机械打眼爆破石方三、土石方回填1.土方回填(1)回填、打夯(2)基底钎探2.机械碾压(1)原土碾压(2)填土碾压四、土、石方运输1.人工运土、石方(1)土方运输(2)石方运输2.机械运土石方(1)装载机装运土方(2)自卸汽车运土方(3)推土机推碴(4)挖掘机挖碴自卸汽车运碴第二章桩基础与地基工程说明工程量计算规则一、混凝土桩1.预制钢筋混凝土桩(1)柴油打桩机打预制钢筋混凝土桩(2)液压静力压桩机压预制钢筋混凝土方桩(3)静压锚杆桩2.预制钢筋混凝土桩接桩3.混凝土灌注桩(1)沉管灌注混凝土桩(2)复打灌注混凝土桩(3)回旋钻孔灌注桩(4)长螺旋钻孔灌注混凝土桩(5)人工挖孔桩二、其它桩1.沉管灌注砂(碎石或砂石)桩2.灰土挤密桩3.深层搅拌法加固地基(喷粉桩)三、地基处理第三章砌筑工程一、砖基础二、砖砌体1.实心墙2.空斗墙、空花墙3.填充墙、贴砌砖4.围墙5.砖柱6.其他三、砖构筑物1.砖烟囱、水塔2.化粪池、检查井四、砌块砌体1.砌块墙2.多孔砖墙3.空心砖墙五、石砌体1.石基础2.石墙、柱3.地沟4.护坡5.其他6.红条石六、砖明沟、混凝土管道铺设1.砖明沟2.混凝土管道铺设(平接式,管长1050mm) 第四章混凝土及钢筋混凝土工程说明工程量计算规则一、垫层二、现浇混凝土1.基础2.柱3.梁4.墙5.板6.其它三、预制混凝土1.桩2.柱3.梁4.屋架5.板6.其它四、构筑物混凝土1.贮水(油)池2.贮仓3.水塔4.倒锥壳水塔5.烟囱6.筒仓7.地沟五、集中搅拌混凝土1.混凝土搅拌站2.混凝土搅拌输送车3.混凝土泵送六、钢筋混凝土构件接头灌缝七、预制构件运输八、预制构件安装1.柱安装2.吊车梁安装3.梁安装4.屋架安装5.天窗架、天窗端壁安装6.板安装九、钢筋及铁件1.现浇构件圆钢筋2.现浇构件螺纹钢筋3.现浇构件变形钢筋4.桩基础钢筋5.预制构件圆钢筋6.预制构件螺纹钢筋7.先张法预应力钢筋8.后张法预应力钢筋9.后张法预应力钢丝束(钢绞线)10.铁件及电渣压力焊接第五章厂库房大门、特种门、木结构说明工程量计算规则一、厂库房大门、特种门1.木板大门2.钢木大门3.全板钢大门4.特种门5.围墙钢大门6.门窗五金配件表二、木屋架三、木构件1.屋面木基层2.木楼梯第六章金属结构工程说明工程量计算规则一、金属结构制作1.钢柱制作2.钢屋架、钢托架制作3.钢吊车梁、钢制动梁制作4.钢支撑、钢檩条、钢墙架制作5.钢平台、钢梯、钢栏杆制作6.钢漏斗、H型钢制作7.螺栓球节点钢网架制作二、金属结构构件运输三、金属结构构件安装1.钢柱安装2.钢吊车梁安装3.钢屋架拼装4.钢屋架安装5.钢网架拼装安装6.钢天窗架拼装安装7.钢托架梁安装8.钢桁架安装9.钢檩条安装10.钢屋架支撑、柱间支撑安装11.钢平台、操作台、扶梯安装第七章屋面及防水工程说明工程量计算规则一、瓦屋面二、屋面防水、排水1.卷材屋面(1)油毡屋面(2)高分子卷材屋面2.涂膜屋面3.屋面排水三、墙(地)面防水、防潮1.防水砂浆2.卷材防水3.涂膜防水四、变形缝1.填缝2.盖缝第八章防腐、隔热、保温工程说明工程量计算规则一、防腐1.整体面层(1)砂浆、混凝土、胶泥面层(2)玻璃钢面层(3)塑料面层2.块料面层(1)平面砌块料面层(2)池、沟、槽砌块料二、其他防腐1.隔离层2.耐酸防腐涂料三、隔热保温1.屋面保温2.天棚保温(带木龙骨)3.墙体保温4.楼地面隔热5.柱保温第九章建筑物超高增加费说明工程量计算规则建筑物超高增加费第二部分施工技术措施项目第十章混凝土、混凝土模板及支撑工程说明工程量计算规则一、现浇混凝土模板1.基础2.柱3.梁4.墙5.板6.其它二、预制混凝土模板1.桩2.柱3.梁4.屋架5.板6.其他7.地胎模三、构筑物混凝土模板1.烟囱2.水塔3.倒锥壳水塔4.贮水(油)池5.贮仓6.筒仓7.地沟四、钢屋架、钢托架制作平台摊销第十一章脚手架工程说明工程量计算规则一、外脚手架1.毛竹脚手架2.钢管脚手架二、里脚手架三、基础满堂脚手架四、独立斜道1.竹斜道2.钢管斜道五、烟囱脚手架六、电梯井字架七、架空运输道第十二章垂直运输工程说明工程量计算规则一、建筑物垂直运输1.20m(6层)内卷扬机施工2.20m(6层)内塔式起重机施工3.20m(6层)以上塔式起重机施工4.20m(6层)以上卷扬机施工二、构筑物垂直运输第十三章常用大型机械安拆和场外运输费用表说明附表一、轨道铺设费用表附表二、特、大型机械每安装、拆卸一次费用表附表三、特、大型机械场外运输费用表附录附录一:混凝土、砂浆及垫层、保温材料配合比表一、现浇卵石混凝土二、现浇碎石混凝土三、预制卵石混凝土附录二、材料预算价格表附录三、机械台班费用定额1.2 总说明总说明一、《江西省建筑工程消耗量定额及统一基价表》(以下简称建筑定额)是在国家标准《建设工程工程量清单计价规范》(GB50500-2003)(以下简称《规范》)和《全国统一建筑工程基础定额》(GJD-101-95)及《全国统一建筑工程基础定额》(江西省单位估价表)(2000年)基础上,结合我省具体情况进行编制的。
江西省2001定额与2004定额的差别两者的计价方式不同,2001与2004的消耗量不同计价方式分两种:定额计价及清单计价自03年7月国家要求实施清单计价以来,某些省份依据《工程量清单计价规范》(GB50500-2003)进行相应的地方定额改编,使之与清单计价规范相对应以利于工程计价,但大部分省份还是沿用03年以前定额,江苏省应该在03年后有颁发新的定额吧?但不管定额与清单有无对应,计划利润、管理费及税金(企业所得税另计)等仍要计价,清单细目与定额细目的区别在于前者一般包括范围更广(依据计算规则),往往一个清单细目可能包含几个定额细目内容,而所有这些定额细目的这类费用也必然需综合至该清单细目中,定额改编(与清单相对应)原理也是如此。
所以不管是哪种计价方式,这些费用的计取都不可能取消。
你所反映的工程结算中还仍计算计划利润之类且用到以前定额,这是很容易理解的,因为国家颁的《计价规范》过于笼统和门类不全,客观上存在许多不完善之处,它往往并不能完全囊括一个工程项目所有发生的内容,在这种情况下,清单未能反映的问题则只能借助以前的定额进行取费了。
江西省建筑安装工程费用定额(一)一、《江西省建筑安装工程费用定额(2004年)》(以下简称本定额),是根据国家标准《建设工程工程量清单计价规范》(GB50500—2003)、建设部《建筑安装工程费用项目组成》(建标[2003]206号)、《建筑工程发包与承包计价管理办法》(建设部107号令)等文件精神,结合我省实际情况编制的。
二、本定额适用于我省境内建筑、装饰装修、安装工程施工发包与承包的计价及其他有关计价活动。
在计价方式上,既适用于工程量清单计价,又适用于定额计价。
三、本定额是编制投资估算、设计概算的基础,是编制招标标底、投标报价(施工图预算)、工程结算及约定工程合同价等的依据。
四、建筑安装工程费用由直接费、间接费、利润和税金组成。
直接费由直接工程费和措施费组成,直接工程费指构成工程实体的人工费、材料费(含主材或未计价材料)、机械费,措施费分为技术措施费和组织措施费,间接费由企业管理费和规费组成。
最新版江西省建筑(装饰)安装工程各项费率表
2010年9月1日起,税金计取标准调整,市区的为3.477%,县城及镇的为3.413%,其他地方的为3.284%
2009年1月1日起,原规费中的“定额测定费”被取消,故本表格不予列入。
2012年2月1日起,原规费中的“上级(行业)管理费”被取消,故本表格不予列入。
费率与系数的区别在于取费基数,费率的基数如注1,而系数的取费基数永远是A,一般只认费率。
六项组织措施费分别是指检验试验费,夜间施工增加费,二次搬运费,冬雨季施工增加费,生产工具使用费,定位及场地清理费。