板模板(扣件钢管高架)计算书
- 格式:doc
- 大小:180.00 KB
- 文档页数:11
6米层高板模板(扣件钢管高架)计算书
一、参数信息
1.模板支架参数
横向间距或排距(m):1.00;纵距(m):1.00;步距(m):1.50;
立杆上端伸出至模板支撑点长度(m):0.10;模板支架搭设高度(m):6.00;
采用的钢管(mm):Φ48×3.25 ;板底支撑连接方式:方木支撑;
立杆承重连接方式:双扣件,考虑扣件的保养情况,扣件抗滑承载力系数:0.75;
2.荷载参数
模板与木板自重(kN/m2):0.500;混凝土与钢筋自重(kN/m3):25.500;
施工均布荷载标准值(kN/m2):1.000;
3.材料参数
面板采用胶合面板,厚度为18mm;板底支撑采用方木;
面板弹性模量E(N/mm2):9500;面板抗弯强度设计值(N/mm2):13;
木方抗剪强度设计值(N/mm2):1.400;木方的间隔距离(mm):250.000;
木方弹性模量E(N/mm2):9000.000;木方抗弯强度设计值(N/mm2):13.000;
木方的截面宽度(mm):50.00;木方的截面高度(mm):100.00;
4.楼板参数
楼板的计算厚度(mm):180.00;
图2 楼板支撑架荷载计算单元。
板模板(扣件式)计算书计算依据:1、《建筑施工模板安全技术规范》JGJ162-20082、《建筑施工扣件式钢管脚手架安全技术规范》JGJ 130-20113、《混凝土结构设计规范》GB50010-20104、《建筑结构荷载规范》GB 50009-20125、《钢结构设计规范》GB 50017-2003一、工程属性模板设计平面图模板设计剖面图(楼板长向)模板设计剖面图(楼板宽向)四、面板验算现实,楼板面板应搁置在梁侧模板上,因此本例以简支梁,取1m单位宽度计算。
计算简图如下:W=bh2/6=1000×15×15/6=37500mm3,I=bh3/12=1000×15×15×15/12=281250mm41、强度验算q 1=0.9max[1.2(G 1k + (G 3k +G 2k )×h)+1.4Q 1k ,1.35(G 1k +(G 3k +G 2k )×h)+1.4×0.7Q 1k ]×b=0.9max[1.2×(0.1+(1.1+24)×0.12)+1.4×2.5,1.35×(0.1+(1.1+24)×0.12)+1.4×0.7×2.5] ×1=6.511kN/m q 2=0.9×1.2×G 1k ×b=0.9×1.2×0.1×1=0.108kN/m p =0.9×1.4×Q 1K =0.9×1.4×2.5=3.15kNM max =max[q 1l 2/8,q 2l 2/8+pl/4]=max[6.511×0.32/8,0.108×0.32/8+3.15×0.3/4]= 0.237kN·mσ=M max /W =0.237×106/37500=6.332N/mm 2≤[f]=15N/mm 2 满足要求! 2、挠度验算q =(G 1k +(G 3k +G 2k )×h)×b=(0.1+(1.1+24)×0.12)×1=3.112kN/mν=5ql 4/(384EI)=5×3.112×3004/(384×10000×281250)=0.117mm≤[ν]=l/250=300/250=1.2mm 满足要求!五、小梁验算小梁类型方木 小梁材料规格(mm)50×100 小梁抗弯强度设计值[f](N/mm 2) 15.44 小梁抗剪强度设计值[τ](N/mm 2) 1.78 小梁弹性模量E(N/mm 2) 9350 小梁截面抵抗矩W(cm 3)83.33小梁截面惯性矩I(cm 4)416.67因[B/l b ]取整=[5000/900]取整=5,按四等跨连续梁计算,又因小梁较大悬挑长度为250mm ,因此需进行最不利组合,计算简图如下:1、强度验算q1=0.9max[1.2(G1k+(G3k+G2k)×h)+1.4Q1k,1.35(G1k+(G3k+G2k)×h)+1.4×0.7Q1k]×b=0.9×max[1.2×(0.3+(1.1+24)×0.12)+1.4×2.5,1.35×(0.3+(1.1+24)×0.12)+1.4×0.7×2.5]×0.3=2.018kN/m因此,q1静=0.9×1.2(G1k+(G3k+G2k)×h)×b=0.9×1.2×(0.3+(1.1+24)×0.12)×0.3=1.073kN/mq1活=0.9×1.4×Q1k×b=0.9×1.4×2.5×0.3=0.945kN/mM1=0.107q1静L2+0.121q1活L2=0.107×1.073×0.92+0.121×0.945×0.92=0.186kN·m q2=0.9×1.2×G1k×b=0.9×1.2×0.3×0.3=0.097kN/mp=0.9×1.4×Q1k=0.9×1.4×2.5=3.15kNM2=max[0.077q2L2+0.21pL,0.107q2L2+0.181pL]=max[0.077×0.097×0.92+0.21×3.15×0.9,0.107×0.097×0.92+0.181×3.15×0.9]=0.601kN·mM3=max[q1L12/2,q2L12/2+pL1]=max[2.018×0.252/2,0.097×0.252/2+3.15×0.25]=0.791kN·mM max=max[M1,M2,M3]=max[0.186,0.601,0.791]=0.791kN·mσ=M max/W=0.791×106/83330=9.487N/mm2≤[f]=15.44N/mm2满足要求!2、抗剪验算V1=0.607q1静L+0.62q1活L=0.607×1.073×0.9+0.62×0.945×0.9=1.114kNV2=0.607q2L+0.681p=0.607×0.097×0.9+0.681×3.15=2.198kNV3=max[q1L1,q2L1+p]=max[2.018×0.25,0.097×0.25+3.15]=3.174kNV max=max[V1,V2,V3]=max[1.114,2.198,3.174]=3.174kNτmax=3V max/(2bh0)=3×3.174×1000/(2×100×50)=0.952N/mm2≤[τ]=1.78N/mm2 满足要求!3、挠度验算q=(G1k+(G3k+G2k)×h)×b=(0.3+(24+1.1)×0.12)×0.3=0.994kN/m跨中νmax=0.632qL4/(100EI)=0.632×0.994×9004/(100×9350×4166700)=0.106mm≤[ν]=l/250=900/250=3.6mm悬臂端νmax=qL4/(8EI)=0.994×2504/(8×9350×4166700)=0.012mm≤[ν]=l1/250=250/250=1mm满足要求!六、主梁验算1、小梁最大支座反力计算Q1k=1.5kN/m2q1=0.9max[1.2(G1k+ (G3k+G2k)×h)+1.4Q1k,1.35(G1k+(G3k+G2k)×h)+1.4×0.7Q1k]×b=0.9max[1.2×(0.5+(1.1+24)×0.12)+1.4×1.5,1.35×(0.5+(1.1+24)×0.12)+1.4×0.7×1.5]×0.3=1.705kN/mq1静=0.9×1.2(G1k+ (G3k+G2k)×h)×b=0.9×1.2×(0.5+(1.1+24)×0.12)×0.3=1.138kN/mq1活=0.9×1.4×Q1k×b=0.9×1.4×1.5×0.3=0.567kN/mq2=(G1k+ (G3k+G2k)×h)×b=(0.5+(1.1+24)×0.12)×0.3=1.054kN/m承载能力极限状态按四跨连续梁,R max=(1.143q1静+1.223q1活)L=1.143×1.138×0.9+1.223×0.567×0.9=1.795kN按悬臂梁,R1=q1l=1.705×0.25=0.426kNR=max[R max,R1]/2=0.897kN;正常使用极限状态按四跨连续梁,R max=1.143q2L=1.143×1.054×0.9=1.084kN按悬臂梁,R1=q2l=1.054×0.25=0.263kNR=max[R max,R1]/2=0.542kN;2、抗弯验算计算简图如下:主梁弯矩图(kN·m)M max=0.24kN·mσ=M max/W=0.24×106/4490=53.349N/mm2≤[f]=205N/mm2满足要求!3、抗剪验算主梁剪力图(kN)V max=1.861kNτmax=2V max/A=2×1.861×1000/424=8.776N/mm2≤[τ]=125N/mm2 满足要求!4、挠度验算主梁变形图(mm)νmax=0.297mm跨中νmax=0.297mm≤[ν]=900/250=3.6mm悬挑段νmax=0.26mm≤[ν]=250/250=1mm满足要求!七、立柱验算剪刀撑设置加强型立杆顶部步距h d (mm) 1500 立杆伸出顶层水平杆中心线至支撑点的长度a(mm)200 顶部立杆计算长度系数μ11.386非顶部立杆计算长度系数μ2 1.755 钢管类型Ф48×3 立柱截面面积A(mm 2) 424 立柱截面回转半径i(mm)15.9立柱截面抵抗矩W(cm 3)4.491、长细比验算顶部立杆段:l 01=kμ1(h d +2a)=1×1.386×(1500+2×200)=2633.4mm 非顶部立杆段:l 02=kμ2h =1×1.755×1500=2632.5mm λ=l 0/i=2633.4/15.9=165.623≤[λ]=210 长细比满足要求! 2、立柱稳定性验算顶部立杆段:l 01=kμ1(h d +2a)=1.155×1.386×(1500+2×200)=3041.577mm λ1=l 01/i =3041.577/15.9=191.294,查表得,φ1=0.197f=N/(φA)=[1.2×(0.5+(1.1+24)×0.12)+1.4×1)]×0.9×0.9×1000/(0.197×424)=4.548×1000/83.528=54.445N/mm 2≤[f]=205 N/mm 2 满足要求!非顶部立杆段:l 02=kμ2h =1.155×1.755×1500=3040.538mm λ2=l 02/i =3040.538/15.9=191.229,查表得,φ2=0.197f=N/(φA)=[1.2×(0.75+(1.1+24)×0.12)+1.4×1)]×0.9×0.9×1000/(0.197×424)=4.791×1000/83.528=57.354N/mm 2≤[f]=205 N/mm 2 满足要求!八、可调托座验算满足要求!九、立柱地基基础验算f ak 115kPa满足要求!。
600*900扣件式钢管高支撑模板系统计算书一、参数信息:1.立杆参数:立杆的纵距b=0.9m立杆的横距l=0.6m立杆的步距h=0.9m伸出长度:0.3m2.荷载参数:混凝土板厚:900mm混凝土自重选用24kN/m3模板自重采用0.3kN/m2施工均布荷载选用3kN/m23.地基参数:地基承载力标准值取170kN/m2基础底面面积取0.25m24.木方参数:木方的宽度50mm木方的高度100mm木方的间距200mm木方的弹性模量为9500N/mm2木方的抗剪强度取1.4N/mm2木方的抗弯强度取15N/mm2木方的截面惯性矩II=5.00×10.003/12=416.67cm4木方的截面抵抗矩WW=5.00×10.002/6=83.33cm35.面板参数:面板板厚为18mm面板的抗剪强度取1.4N/mm2面板的抗弯强度取15N/mm2面板的弹性模量为6000N/mm2面板的截面惯性矩II=100×1.803/12=48.60cm4面板的截面抵抗矩WW =100×1.802/6=54.00cm36.其他参数:搭设高度取6.05m伸出长度取0.3m钢管尺寸:Ф48X3.5钢管i:1.58cm钢管立杆净截面面积 (cm2);A=4.89cm2钢管截面惯性矩I:I=12.19cm4钢管截面惯性矩W:W=5.08cm4二、模板面板计算面板为受弯结构,需要验算其抗弯强度和刚度。
模板面板取1米板带的按照三跨连续梁计算。
计算简图静荷载标准值:q1=24×0.90×1+0.3×1=21.90kN/m活荷载标准值: q2=3×1=3.00kN/m荷载设计值:q=1.2×21.90+1.4×3.00=30.48kN/m1、抗弯强度计算M = 0.1ql2M=0.1×30.48×0.202=0.12kN.m截面抗弯强度计算值:σ= M / W < [σ]σ=0.12×106/(54.00×103)=2.22 N/mm2截面抗弯强度设计值:[f]=15.00 N/mm2"面板的受弯应力计算值2.22N/mm2小于面板的抗弯强度设计值15.00N/mm2,满足要求!"2、抗剪计算V=0.6qlV=0.600×30.48×0.20=3.66kN截面抗剪强度计算值:T=3Q/2bh < [T]T=3×3660.00/(2×1000.00×18)=0.31N/mm2截面抗剪强度设计值 :[T]=1.40N/mm2"面板的剪力计算值0.31N/mm2小于面板的抗剪强度设计值1.40N/mm2,满足要求!"3、挠度计算v=0.677q1l4/100EI < [v]面板最大挠度计算v=0.677×21.90×2004 /(100×6000×486000.00)=0.08mm[v]=200/250=0.80mm"面板的最大扰度计算值0.08mm小于面板的最大挠度允许值0.80mm,满足要求!"三、板底木方和支撑钢管的计算木方按照均布荷载下连续梁计算。
板模板(扣件钢管高架)计算书万晟国际广场1、5楼工程;工程建设地点:承德县板城大街东侧,东瑶北侧乾隆醉酒业;属于框架结构;地上5层;地下1层;建筑高度:23.7m;标准层层高:4.8m ;总建筑面积:40617.22平方米;总工期:0天。
本工程由投资建设,设计,地质勘察,监理,组织施工;由担任项目经理,担任技术负责人。
高支撑架的计算依据《建筑施工扣件式钢管脚手架安全技术规范》(JGJ130-2001)、《混凝土结构设计规范》GB50010-2002、《建筑结构荷载规范》(GB 50009-2001)、《钢结构设计规范》(GB 50017-2003)等规范编制。
因本工程模板支架高度大于4米,根据有关文献建议,如果仅按规范计算,架体安全性仍不能得到完全保证。
为此计算中还参考了《施工技术》2002(3):《扣件式钢管模板高支撑架设计和使用安全》中的部分内容。
一、参数信息1.模板支架参数横向间距或排距(m):0.80;纵距(m):0.80;步距(m):1.50;立杆上端伸出至模板支撑点长度(m):0.10;模板支架搭设高度(m):5.40;采用的钢管(mm):Φ48×3.2 ;板底支撑连接方式:方木支撑;立杆承重连接方式:双扣件,考虑扣件的保养情况,扣件抗滑承载力系数:0.75;2.荷载参数模板与木板自重(kN/m2):0.500;混凝土与钢筋自重(kN/m3):25.500;施工均布荷载标准值(kN/m2):1.000;3.材料参数面板采用胶合面板,厚度为16mm;板底支撑采用方木;面板弹性模量E(N/mm2):9500;面板抗弯强度设计值(N/mm2):13;木方抗剪强度设计值(N/mm2):1.400;木方的间隔距离(mm):250.000;木方弹性模量E(N/mm2):9000.000;木方抗弯强度设计值(N/mm2):13.000;木方的截面宽度(mm):40.00;木方的截面高度(mm):80.00;4.楼板参数钢筋级别:三级钢HRB 400(20MnSiV,20MnSiNb,20MnTi);楼板混凝土强度等级:C30;每层标准施工天数:14;每平米楼板截面的钢筋面积(mm2):628.300;楼板的计算长度(m):4.50;施工平均温度(℃):20.000;楼板的计算宽度(m):4.00;楼板的计算厚度(mm):250.00;图2 楼板支撑架荷载计算单元二、模板面板计算模板面板为受弯构件,按三跨连续梁对面板进行验算其抗弯强度和刚度模板面板的截面惯性矩I和截面抵抗矩W分别为:W = 80×1.62/6 = 34.133 cm3;I = 80×1.63/12 = 27.307 cm4;模板面板的按照三跨连续梁计算。
板模板(扣件式)计算书因11层、15层、16层、20层、24层的连廊部位及28层中空部位其支模架高度分别为5. 5m 、22m 、5.5m 、22m 、221n 及5.5m,取其大者计算,故选取15层的22n l 支模架进行计算。
计算依据:1、《建筑施工模板安全技术规范》JGJ162-20082、《建筑施工扣件式钢管脚手架安全技术规范》JGJ 130-20113、《混凝土结构设计规范》GB50010-20104、《建筑结构荷载规范》GB 50009-20125、《钢结构设计规范》GB 50017-2010 一、工程属性二、荷载设计三、模板体系设计设计简图如下:四、面板验算面板类型覆面木胶合板面板厚度(mm) 18面板抗弯强度设计值[门(N/mm2) 15 面板弹性模量E(N/mnd 10000根据《建筑施工模板安全技术规范》5. 2.1〃面板可按简支跨计算〃的规定,另据现实, 楼板面板应搁置在梁侧模板上,因此本例以简支梁,取1m单位宽度计算。
计算简图如下:777J模板设计平面图模板设计剖面图(楼板长向)W=bh76=1000X 18X 18/6 = 54000mni3, I=bh3/12=1000X 18X 18X 18/12 = 486000mni4 .1、强度验算q1 = 0. 9max [ 1. 2 (G Jk+ (G3k+G2k) Xh)+1. 4Q ik, 1. 35(Gi k+(G3k+G2k) Xh)+1.4X0. 7Q lk] Xb=0. 9max[1.2X (0. 1+(1. 1+24) X0. 18)+1. 4X2. 5,1.35X (0. 1 + (1. 1+24) XO. 18)+1. 4X0. 7X2.5] X 1=8. 137kN/mq2=0. 9X1.2XG lk Xb=0. 9X1. 2X0. IX 1=0. 108kN/mp = 0.9X1.4XQ1K=0.9X1.4X2. 5 = 3. 15kNMm”=max[qj2/8, q2l2/8+pl/4]=max [8. 137X0. 32/8, 0. 108X0. 32/8+3. 15X0. 3/4] =0. 237kN • mo =M max/W=O. 237X10754000=4. 397N/mm2^ [f] = 15N/mm2满足要求!q=(G lk+(G3k+G2k) Xh) Xb=(0. 1+(1. 1+24) XO. 18) X 1=4. 618kN/mv =5ql7 (384EI) =5 X 4, 618 X 3007 (384 X 10000 X 486000) =0. lmm< [ v]= 1/400 = 300/400 = 0. 75mm满足要求!五、小梁验算因[B/h]取整=[5450/900]取整=6,按四等跨连续梁计算,又因小梁较大悬挑长度为25mm,因此需进行最不利组合,计算简图如下:q :f2525. 1、强度验算qi=O. 9max[ 1. 2(G lk+ (G3k+G2k) Xh)+1. 4Qi k,1. 35(G lk+ (G3k+G2k) Xh)+1.4X0. 7Q lk] Xb=O. 9Xmax[l. 2X (0. 3+(1. 1+24) X0. 18)+1. 4X2. 5, 1. 35X (0. 3+(1. 1+24) XO. 18)+1. 4X0. 7X2. 5]X0. 3 = 2. 506kN/m因此,3静=0.9XL2(Gv+(G3k+G2k) Xh) Xb=0.9X1.2X (0. 3+(1. 1+24) XO. 18) XO. 3 = 1.561kN/mqi活=0. 9X1.4XQ lk Xb=0. 9X 1. 4X2. 5X0. 3 = 0. 945kN/mM)=0. 107q^L2+0. 121q lffi L2=0. 107X1.561X0. 92+0. 121X0. 945X0. 92=0. 228kN • m q2=0. 9X 1. 2XG lk Xb=0. 9X 1. 2X0. 3X0. 3 = 0. 097kN/mp = 0. 9X1.4XQ lk=0. 9X1.4X2. 5 = 3. 15kNM2=max [0. 077q2L2+0. 21 pL, 0. 107q2L2+0. 181pL]=max [0. 077 X 0. 097 X 0. 92+0. 21X3.15X0.9, 0. 107X0. 097X0. 92+0. 181X3. 15X0. 9]=0. 601 kN • mM3=max[q1L172, q2L172+pL1]=max[2. 506X0. 02572, 0. 097X 0. 02572+3. 15X0. 025]= 0. 079kN • mM max=max [Mi, M2, M3] = max[0. 228, 0. 601, 0. 079] =0. 601kN • m。
办公楼工程模板扣件钢管高架工程施工方案及计算书1模板(扣件钢管高架)工程施工方案及计算书一、工程概况工程名称:连云港xxxx技术纺织有限公司办公楼工程;工程地点:海州开发区;结构层次:框架结构,地上4层;建筑高度:17.1m;总建筑面积:2792.88m2。
本工程由连云港xxxx技术纺织有限公司投资建设,xxxx六度建筑设计有限公司设计,连云港市经纬工程建设监理有限公司监理,江苏启安建设集团有限公司组织施工;由张惠兵担任项目经理,范冲担任技术负责人。
施工区段:3-A轴~3-D轴/3-1轴~3-3轴。
该区段梁、板、柱的模板支设高度均大于5m,施工难度和危险性较大,系模板(扣件钢管高架)工程。
二、编制依据1、高支撑架的计算依据:《建筑施工扣件式钢管脚手架安全技术规范》(JGJ130-2011)《混凝土结构设计规范》GB50010-2010《建筑结构荷载规范》(GB 50009-2012)《钢结构设计规范》(GB 50017-2003)等规范编制。
2、依据施工图纸。
因本工程模板支架高度大于4米(建筑物总高度达17.1m,根据有关文献建议,如果仅按规范计算,架体安全性仍不能得到完全保证。
为此计算中还参考了《施工技术》2002(3):《扣件式钢管模板高支撑架设计和使用安全》中的部分内容。
三、楼板模板计算(一)参数信息1.模板支架参数横向间距或排距(m):1.00;纵距(m):1.00;步距(m):1.50;立杆上端伸出至模板支撑点长度(m):0.10;模板支架搭设高度(m):17.10;采用的钢管(mm):Φ48×2.8 ;板底支撑连接方式:钢管支撑;立杆承重连接方式:双扣件,考虑扣件的保养情况,扣件抗滑承载力系数:0.80;板底钢管的间隔距离(mm):800.00;支架基础为素土夯实后浇筑150厚C25混凝土。
2.荷载参数模板与木板自重(kN/m2):0.350;混凝土与钢筋自重(kN/m3):25.000;施工均布荷载标准值(kN/m2):2.500。
楼板模板扣件钢管高支撑架计算书楼板模板的计算参照《建筑施工模板安全技术规范》(JGJ162-2008)、《建筑施工扣件式钢管脚手架安全技术规范》(JGJ130-2001)、《混凝土结构设计规范》(GB50010-2002)、《钢结构设计规范》(GB 50017-2003)、《组合钢模板技术规范》(GB50214-2001)、《木结构设计规范》(GB 50005━2003)、《建筑地基基础设计规范》(GB 50007-2002)、《建筑结构荷载规范》(GB 50009-2001)等编制。
本支架计算公式(1)(2)参照《建筑施工扣件式钢管脚手架安全技术规范》(JGJ130-2001)。
本支架计算公式(3)参照《施工技术》2002.3.《扣件式钢管模板高支撑架设计和使用安全》,模板支架搭设高度为4.0米,板厚D=300mm搭设尺寸为:立杆的纵距 b=1.20米,立杆的横距 l=1.20米,立杆的步距 h=1.50米。
梁顶托采用木方: 100×100。
图楼板支撑架立面简图图楼板支撑架立杆稳定性荷载计算单元采用的钢管类型为48×3.5。
一、模板面板计算依据《建筑施工模板安全技术规范》JGJ162-2008,5.2面板为受弯结构,需要验算其抗弯强度和刚度。
模板面板的按照简支梁计算。
使用模板类型为:胶合板。
(1)钢筋混凝土板自重(kN/m):q11 = 25.100×0.300×0.150=1.130kN/m(2)模板的自重线荷载(kN/m):q12 = 0.350×0.150=0.053kN/m(3)活荷载为施工荷载标准值(kN/m):q13 = 2.500×0.150=0.375kN/m均布线荷载标准值为:q = 25.100×0.300×0.150+0.350×0.150=1.182kN/m均布线荷载设计值为:按可变荷载效应控制的组合方式:q1 = 0.9×[1.2×(1.130+0.053)+1.4×0.375]=1.749kN/m按永久荷载效应控制的组合方式:q1 = 0.9×[1.35×(1.130+0.053)+1.4×0.7×0.375]=1.767kN/m 根据以上两者比较应取q1 = 1.767kN/m作为设计依据。
板模板(扣件钢管高架)计算书由于原木两头直径不能一致,因此考虑到最不利的因素只能以原木两头直径中较小端直径作为原木的计算直径。
支撑圆木搁置在支撑钢管上应平整且受力均匀;如通过楔形垫块或其他方法进行水平调整,应保证其充分的稳定性。
本工况在国家规范中没有作出具体规定及计算方式,故本计算书不作为依据只作参考。
高支撑架的计算依据《建筑施工扣件式钢管脚手架安全技术规范》(JGJ130-2001)、《混凝土结构设计规范》GB50010-2002、《建筑结构荷载规范》(GB 50009-2001)、《钢结构设计规范》(GB 50017-2003)等规范编制。
因本工程梁支架高度大于4米,根据有关文献建议,如果仅按规范计算,架体安全性仍不能得到完全保证。
为此计算中还参考了《施工技术》2002(3):《扣件式钢管模板高支撑架设计和使用安全》中的部分内容。
一、参数信息:1.脚手架参数横向间距或排距(m):1.00;纵距(m):1.00;步距(m):1.50;立杆上端伸出至模板支撑点长度(m):0.10;脚手架搭设高度(m):6.00;采用的钢管(mm):Φ48×3.5 ;扣件连接方式:双扣件,考虑扣件的保养情况,扣件抗滑承载力系数:0.80;板底支撑连接方式:圆木支撑;2.荷载参数模板与木板自重(kN/m2):0.350;混凝土与钢筋自重(kN/m3):25.000;楼板浇筑厚度(mm):3.000;施工均布荷载标准值(kN/m2):1.000;3.圆木参数圆木弹性模量E(N/mm2):9500.000;圆木抗弯强度设计值(N/mm2):13.000;圆木抗剪强度设计值(N/mm2):1.400;圆木的间隔距离(mm):250.000;圆木的小头直径(mm):200.00;图2 楼板支撑架荷载计算单元二、模板支撑圆木的计算:圆木按照简支梁计算,其惯性矩I和截面抵抗矩W分别为: W=3.142×20.0003/32=785.398cm3;I=3.142×20.0004/64=7853.982cm4;方木楞计算简图1.荷载的计算:(1)钢筋混凝土板自重(kN/m):= 25.000×0.250×0.003 = 0.019 kN/m;q1(2)模板的自重线荷载(kN/m):q= 0.350×0.250 = 0.088 kN/m ;2(3)活荷载为施工荷载标准值与振倒混凝土时产生的荷载(kN):p= (1.000+2.000)×1.000×0.250 = 0.750 kN;12.圆木抗弯强度验算:最大弯矩考虑为静荷载与活荷载的计算值最不利分配的弯矩和,计算公式如下:均布荷载 q = 1.2×(0.019 + 0.088) = 0.128 kN/m;集中荷载 p = 1.4×0.750=1.050 kN;最大弯距 M = Pl/4 + ql2/8 = 1.050×1.000 /4 + 0.128×1.0002/8 = 0.278 kN.m;最大支座力 N = P/2 + ql/2 = 1.050/2 + 0.128×1.000/2 = 0.589 kN ;圆木的最大应力值σ= M / w = 0.278×106/785.398×103 = 0.355 N/mm2;圆木抗弯强度设计值 [f]=13.0 N/mm2;圆木的最大应力计算值为 0.355 N/mm2小于圆木的抗弯强度设计值 13.0N/mm2,满足要求!3.圆木抗剪验算:最大剪力的计算公式如下:Q = ql/2 + P/2截面抗剪强度必须满足:T = 3Q/2bh < [T]其中最大剪力: V = 1.000×0.128/2+1.050/2 = 0.589 kN;圆木受剪应力计算值 T = 3 ×588.750/(2 ×60.000 ×80.000) = 0.184 N/mm2;圆木抗剪强度设计值 [T] = 1.400 N/mm2;圆木受剪应力计算值为 0.184 N/mm2小于圆木的抗剪强度设计值 1.400N/mm2,满足要求!4.圆木挠度验算:最大弯矩考虑为静荷载与活荷载的计算值最不利分配的挠度和,计算公式如下:均布荷载 q = q1 + q2= 0.019+0.088=0.106 kN/m;集中荷载 p = 0.750 kN;圆木最大挠度计算值 V= 5×0.106×1000.0004 /(384×9500.000×78539816.34) +750.000×1000.0003/( 48×9500.000×78539816.34) = 0.023 mm;圆木最大允许挠度值 [V]= 1000.000/250=4.000 mm;圆木的最大挠度计算值 0.023 mm 小于圆木的最大允许挠度值 4.000 mm,满足要求!三、横向支撑钢管计算:支撑钢管按照集中荷载作用下的三跨连续梁计算;集中荷载P取纵向板底支撑传递力,P = 0.128×1.000 + 1.050 = 1.178 kN;支撑钢管计算简图支撑钢管计算弯矩图(kN.m)支撑钢管计算变形图(mm)支撑钢管计算剪力图(kN)最大弯矩 M= 0.442 kN.m ;max最大变形 V= 1.240 mm ;max最大支座力 Q= 5.152 kN ;max钢管最大应力σ= 0.442×106/5080.000=86.936 N/mm2;钢管抗压强度设计值 [f]=205.000 N/mm2;支撑钢管的计算最大应力计算值 86.936 N/mm2小于钢管的抗压强度设计值205.000 N/mm2,满足要求!支撑钢管的最大挠度小于1000.000/150与10 mm,满足要求!四、扣件抗滑移的计算:按照《建筑施工扣件式钢管脚手架安全技术规范培训讲座》刘群主编,P96页,双扣件承载力设计值取16.00kN,按照扣件抗滑承载力系数0.80,该工程实际的旋转双扣件承载力取值为12.80kN 。
板模板(扣件式)计算书计算依据:1、《建筑施工脚手架安全技术统一标准》GB51210-20162、《建筑施工扣件式钢管脚手架安全技术规范》JGJ 130-20113、《建筑施工模板安全技术规范》JGJ162-20084、《建筑结构可靠性设计统一标准》GB50068-20185、《混凝土结构设计规范》GB 50010-20106、《建筑结构荷载规范》GB 50009-20127、《钢结构设计标准》GB 50017-2017一、工程属性二、荷载设计风荷载参数:三、模板体系设计荷载系数参数表:设计简图如下:模板设计平面图模板设计剖面图(模板支架纵向)模板设计剖面图(模板支架横向)四、面板验算面板类型覆面木胶合板面板厚度t(mm) 15面板抗弯强度设计值[f](N/mm2) 15 面板抗剪强度设计值[τ](N/mm2) 1.4面板弹性模量E(N/mm2) 10000 面板计算方式简支梁楼板面板应搁置在梁侧模板上,本例以简支梁,取1m单位宽度计算。
W=bh2/6=1000×15×15/6=37500mm3,I=bh3/12=1000×15×15×15/12=281250mm4 承载能力极限状态q1=γ0×[1.3×(G1k +(G2k+G3k)×h)+1.5×γL×(Q1k +Q2k)]×b=1×[1.3×(0.1+(24+1.1)×0.14)+1.5×0.9×2.5]×1=8.073kN/m正常使用极限状态q=(γG(G1k +(G2k+G3k)×h))×b =(1×(0.1+(24+1.1)×0.14))×1=3.614kN/m计算简图如下:1、强度验算M max=q1l2/8=8.073×0.252/8=0.063kN·mσ=M max/W=0.063×106/37500=1.682N/mm2≤[f]=15N/mm2满足要求!2、挠度验算νmax=5ql4/(384EI)=5×3.614×2504/(384×10000×281250)=0.065mmν=0.065mm≤[ν]=L/250=250/250=1mm满足要求!五、小梁验算小梁类型方木小梁截面类型(mm) 60×80小梁抗弯强度设计值[f](N/mm2) 15.444 小梁抗剪强度设计值[τ](N/mm2) 1.782小梁截面抵抗矩W(cm3) 64 小梁弹性模量E(N/mm2) 9350小梁截面惯性矩I(cm4) 256 小梁计算方式二等跨连续梁q1=γ0×[1.3×(G1k +(G2k+G3k)×h)+1.5×γL×(Q1k +Q2k)]×b=1×[1.3×(0.3+(24+1.1)×0.14)+1.5×0.9×2.5]×0.25=2.083kN/m因此,q1静=γ0×1.3×(G1k+(G2k+G3k)×h)×b=1×1.3×(0.3+(24+1.1)×0.14)×0.25=1.24kN/mq1活=γ0×1.5×γL×(Q1k + Q2k)×b=1×1.5×0.9×2.5×0.25=0.844kN/m计算简图如下:1、强度验算M1=0.125q1静L2+0.125q1活L2=0.125×1.24×0.92+0.125×0.844×0.92=0.211kN·m M2=q1L12/2=2.083×0.0012/2=0kN·mM max=max[M1,M2]=max[0.211,0]=0.211kN·mσ=M max/W=0.211×106/64000=3.296N/mm2≤[f]=15.444N/mm2满足要求!2、抗剪验算V1=0.625q1静L+0.625q1活L=0.625×1.24×0.9+0.625×0.844×0.9=1.172kNV2=q1L1=2.083×0.001=0.002kNV max=max[V1,V2]=max[1.172,0.002]=1.172kNτmax=3V max/(2bh0)=3×1.172×1000/(2×60×80)=0.366N/mm2≤[τ]=1.782N/mm2满足要求!3、挠度验算q=(γG(G1k +(G2k+G3k)×h))×b=(1×(0.3+(24+1.1)×0.14))×0.25=0.954kN/m挠度,跨中νmax=0.521qL4/(100EI)=0.521×0.954×9004/(100×9350×256×104)=0.136mm ≤[ν]=L/250=900/250=3.6mm;悬臂端νmax=ql14/(8EI)=0.954×14/(8×9350×256×104)=0mm≤[ν]=2×l1/250=2×1/250=0.008mm满足要求!六、主梁验算1、小梁最大支座反力计算q1=γ0×[1.3×(G1k +(G2k+G3k)×h)+1.5×γL×(Q1k +Q2k)]×b=1×[1.3×(0.5+(24+1.1)×0.14)+1.5×0.9×2.5]×0.25=2.148kN/m q1静=γ0×1.3×(G1k+(G2k+G3k)×h)×b=1×1.3×(0.5+(24+1.1)×0.14)×0.25=1.305kN/mq1活=γ0×1.5×γL×(Q1k + Q2k)×b =1×1.5×0.9×2.5×0.25=0.844kN/mq2=(γG(G1k +(G2k+G3k)×h))×b=(1×(0.5+(24+1.1)×0.14))×0.25=1.004kN/m承载能力极限状态按二等跨连续梁,R max=1.25q1L=1.25×2.148×0.9=2.417kN按二等跨连续梁按悬臂梁,R1=(0.375q1静+0.437q1活)L+q1l1=(0.375×1.305+0.437×0.844)×0.9+2.148×0.001=0.774kN主梁2根合并,其主梁受力不均匀系数=0.6R=max[R max,R1]×0.6=1.45kN;正常使用极限状态按二等跨连续梁,R'max=1.25q2L=1.25×1.004×0.9=1.129kN按二等跨连续梁悬臂梁,R'1=0.375q2L+q2l1=0.375×1.004×0.9+1.004×0.001=0.34kN R'=max[R'max,R'1]×0.6=0.677kN;计算简图如下:主梁计算简图一主梁计算简图二2、抗弯验算主梁弯矩图一(kN·m)主梁弯矩图二(kN·m)σ=M max/W=0.475×106/4490=105.823N/mm2≤[f]=205N/mm2满足要求!3、抗剪验算主梁剪力图一(kN)主梁剪力图二(kN)τmax=2V max/A=2×3.585×1000/424=16.909N/mm2≤[τ]=125N/mm2满足要求!4、挠度验算主梁变形图一(mm)主梁变形图二(mm)跨中νmax=0.563mm≤[ν]=L/250=3.6mm满足要求!5、支座反力计算承载能力极限状态图一支座反力依次为R1=2.855kN,R2=5.689kN,R3=5.753kN,R4=1.652kN 图二支座反力依次为R1=2.215kN,R2=5.76kN,R3=5.76kN,R4=2.215kN 七、可调托座验算按上节计算可知,可调托座受力N=5.76/0.6=9.599kN≤[N]=30kN满足要求!八、立杆验算1、长细比验算顶部立杆段:l01=kμ1(h d+2a)=1×1.386×(1500+2×200)=2633mm非顶部立杆段:l0=kμ2h =1×1.755×1500=2632mmλ=max[l01,l0]/i=2633/15.9=165.597≤[λ]=210满足要求!2、立杆稳定性验算考虑风荷载:顶部立杆段:l01=kμ1(h d+2a)=1.155×1.386×(1500+2×200)=3042mm非顶部立杆段:l0=kμ2h =1.155×1.755×1500=3041mmλ=max[l01,l0]/i=3042/15.9=191.321查表得,φ1=0.197M wd=γ0×γLφwγQ M wk=γ0×γLφwγQ(ζ2w k l a h2/10)=1×0.9×0.6×1.5×(1×0.022×0.9×1.52/10)=0.004kN·mN d=Max[R1,R2,R3,R4]/0.6+1×γG×q×H=Max[2.855,5.76,5.76,2.215]/0.6+1×1.3×0.15×7.4=1 1.042kNf d=N d/(φ1A)+M wd/W=11.042×103/(0.197×424)+0.004×106/4490=132.999N/mm2≤[σ]=2 05N/mm2满足要求!九、高宽比验算根据《建筑施工脚手架安全技术统一标准》GB51210-2016 第8.3.2条:支撑脚手架独立架体高宽比不应大于3.0H/B=7.4/9=0.822≤3满足要求!十、架体抗倾覆验算支撑脚手架风线荷载标准值:q wk=l a×ωfk=0.9×0.211=0.19kN/m:风荷载作用在支架外侧模板上产生的水平力标准值:F wk= l a×H m×ωmk=0.9×0.8×0.199=0.143kN支撑脚手架计算单元在风荷载作用下的倾覆力矩标准值M ok:M ok=0.5H2q wk+HF wk=0.5×7.42×0.19+7.4×0.143=6.26kN.m参考《规范》GB51210-2016 第6.2.17条:B2l a(g k1+ g k2)+2ΣG jk b j≥3γ0M okg k1——均匀分布的架体面荷载自重标准值kN/m2g k2——均匀分布的架体上部的模板等物料面荷载自重标准值kN/m2G jk——支撑脚手架计算单元上集中堆放的物料自重标准值kNb j——支撑脚手架计算单元上集中堆放的物料至倾覆原点的水平距离mB2l a(g k1+ g k2)+2ΣG jk b j=B2l a[qH/(l a×l b)+G1k]+2×G jk×B/2=92×0.9×[0.15×7.4/(0.9×0.9)+0.5]+2×1×9/2=145.35kN .m≥3γ0M ok =3×1×6.26=18.779kN.M满足要求!十一、立杆地基基础验算立杆底垫板的底面平均压力p=N/(m f A)=11.042/(0.9×0.1)=122.689kPa≤γu f ak=1.254×140 =175.56kPa满足要求!。
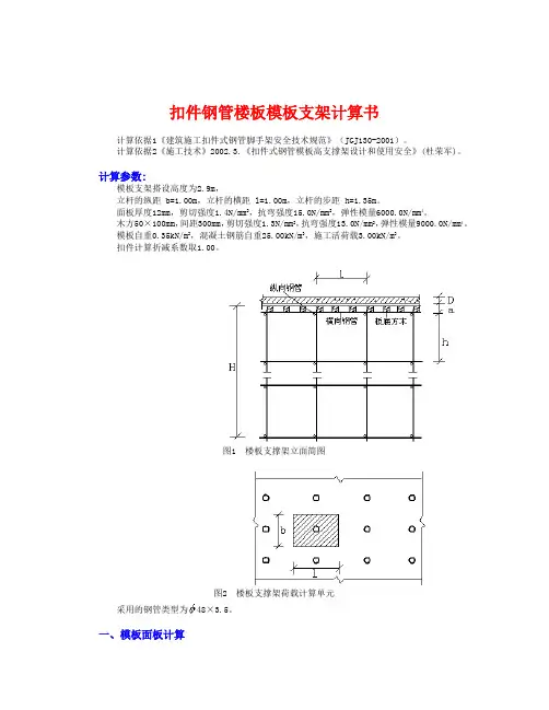
扣件钢管楼板模板支架计算书计算依据1《建筑施工扣件式钢管脚手架安全技术规范》(JGJ130-2001)。
计算依据2《施工技术》2002.3.《扣件式钢管模板高支撑架设计和使用安全》(杜荣军)。
计算参数:模板支架搭设高度为2.9m,立杆的纵距 b=1.00m,立杆的横距 l=1.00m,立杆的步距 h=1.35m。
面板厚度12mm,剪切强度1.4N/mm2,抗弯强度15.0N/mm2,弹性模量6000.0N/mm4。
木方50×100mm,间距300mm,剪切强度1.3N/mm2,抗弯强度13.0N/mm2,弹性模量9000.0N/mm4。
模板自重0.35kN/m2,混凝土钢筋自重25.00kN/m3,施工活荷载3.00kN/m2。
扣件计算折减系数取1.00。
图1 楼板支撑架立面简图图2 楼板支撑架荷载计算单元采用的钢管类型为48×3.5。
一、模板面板计算面板为受弯结构,需要验算其抗弯强度和刚度。
模板面板的按照三跨连续梁计算。
静荷载标准值 q1 = 25.000×0.140×1.000+0.350×1.000=3.850kN/m活荷载标准值 q2 = (2.000+1.000)×1.000=3.000kN/m面板的截面惯性矩I和截面抵抗矩W分别为:本算例中,截面惯性矩I和截面抵抗矩W分别为:W = 100.00×1.20×1.20/6 = 24.00cm3;I = 100.00×1.20×1.20×1.20/12 = 14.40cm4;(1)抗弯强度计算f = M / W < [f]其中 f ——面板的抗弯强度计算值(N/mm2);M ——面板的最大弯距(N.mm);W ——面板的净截面抵抗矩;[f] ——面板的抗弯强度设计值,取15.00N/mm2;M = 0.100ql2其中 q ——荷载设计值(kN/m);经计算得到 M = 0.100×(1.20×3.850+1.4×3.000)×0.300×0.300=0.079kN.m经计算得到面板抗弯强度计算值 f = 0.079×1000×1000/24000=3.308N/mm2面板的抗弯强度验算 f < [f],满足要求!(2)抗剪计算 [可以不计算]T = 3Q/2bh < [T]其中最大剪力 Q=0.600×(1.20×3.850+1.4×3.000)×0.300=1.588kN截面抗剪强度计算值 T=3×1588.0/(2×1000.000×12.000)=0.198N/mm2截面抗剪强度设计值 [T]=1.40N/mm2抗剪强度验算 T < [T],满足要求!(3)挠度计算v = 0.677ql4 / 100EI < [v] = l / 250面板最大挠度计算值 v = 0.677×3.850×3004/(100×6000×144000)=0.244mm面板的最大挠度小于300.0/250,满足要求!二、模板支撑木方的计算木方按照均布荷载下连续梁计算。
高大支模板模板(扣件式钢管架)计算书模板设计平面图模板设计纵向剖面图模板设计横向剖面图W=bh2/6=1000×152/6=37500mm3,I=bh3/12=1000×153/12=281250mm4q=γGΣq Gk+1.4Σq Qk=1.2×[0.3+(24+1.1)×0.1]×1.0+1.4×(1+2)×1.0=7.572kN/m1、抗弯验算M max=0.1ql2=0.1×7.572×0.452=0.153kN·mσmax=M max/W=0.153×106/37500=4.089N/mm2≤f m=15N/mm2符合要求!2、抗剪验算Q max=0.6ql=0.6×7.572×0.45=2.044kNτmax=3Q max/(2bh)=3×2.044×103/(2×1000×15)=0.204N/mm2≤f v=1.4N/mm2符合要求!3、挠度验算νmax=0.677ql4/(100EI)=0.677×7.572×4504/(100×6000×281250)=1.246mm νmax=1.246mm≤[ν]=min[l/150,10]=min[450/150,10]=3mm符合要求!五、次楞验算计算简图如下:q=γGΣq Gk+1.4Σq Qk=1.2×[(0.3+(24+1.1)×0.1)×0.45+0.01]+1.4×(1+2)×0.45=3.419kN/m1、强度验算M max=0.1ql2=0.1×3.419×0.92=0.277kN·mσmax=M max/W=0.277×106/24000=11.54N/mm2≤f m=13N/mm2符合要求!2、抗剪验算Q max=0.6ql=0.6×3.419×0.9=1.846kNτmax=3Q max/(2bh0)=3×1.846×1000/(2×40×60)=1.154N/mm2τmax=1.154N/mm2≤f v=1.3N/mm2符合要求!3、挠度验算νmax=0.677ql4/(100EI)=0.677×3.419×9004/(100×9000×720000)=2.344mmνmax=2.344mm≤[ν]=min[l/150,10]=min[900/150,10]=6mm符合要求!4、支座反力计算R max=1.1ql=1.1×3.419×0.9=3.385kN六、主楞(横向水平钢管)验算主楞弯矩图(kN·m)主楞剪力图(kN)主楞变形图(mm)支座反力依次为R1=4.584kN,R2=7.317kN,R3=7.317kN,R4=4.584kN 1、强度验算σmax=M max/W=0.536×106/4490=119.284N/mm2≤f m=205N/mm2符合要求!2、抗剪验算τmax=2Q max/A=2×2.222×1000/424=10.481N/mm2τmax=10.481N/mm2≤f v=125N/mm2符合要求!3、挠度验算νmax=1.293mm≤[ν]=min[l/150,10]=min[900/150,10]=6mm符合要求!max12341.05×R max=1.05×7.317=7.683kN,7.683kN≤0.75×12.0=9kN在扭矩达到40~65N·m的情况下,双扣件能满足要求!h/l a=1800/900=2,h/l b=1800/900=2,查附录D,得k=1.163,μ=1.272 l0=max[kμh,h+2a]=max[1.163×1.272×1800,1800+2×100]=2663mm λ=l0/i=2663/15.9=168≤[λ]=210长细比符合要求!查《规程》附录C得υ=0.2512、风荷载验算1) 模板支架风荷载标准值计算l a=0.9m,h=1.8m,查《规程》表4.2.7得υw=0.123因风荷载沿模板支架横向作用,所以b=l a=0.9m,b/h=0.9/1.8=0.5通过插入法求η,得η=0.97μzω0d2=0.62×0.4×0.0482=0.001,h/d=1.8/0.048=37.5通过插入法求μs1,得μs1=1.2因此μstw=υwμs1(1-ηn)/( 1-η)=0.123×1.2×(1-0.9710)/(1-0.97)=1.292μs=υwμstw=0.123×1.292=0.159ωk=0.7μzμsω0=0.7×0.62×0.159×0.4=0.028kN/m22) 整体侧向力标准值计算ωk=0.7μzμsω0=0.7×0.62×1×0.4=0.174kN/m23、稳定性验算K H=1/[1+0.005×(8.4-4)]=0.978不组合风荷载时N ut=γG∑N Gk+1.4∑N Qk=R max+0.15γG H=7.317+0.15×1.2×8.4=8.829kNσ=1.05N ut/(υAK H)=1.05×8.829×103/(0.251×424×0.978)=89.03N/mm2≤[f]=205N/mm2符合要求!组合风荷载时N ut=γG∑N Gk+0.85×1.4∑N Qk=R'max+0.15γG H=6.715+0.15×1.2×8.4=8.227kNM w=0.85×1.4ωk l a h2/10=0.85×1.4×0.028×0.9×1.82/10=0.01kN·mσ=1.05N ut/(υAK H)+M w/W=1.05×8.227×103/(0.251×424×0.978)+0.01×106/(4.49×103)=85.093N/mm2≤[f]=205N/mm 2符合要求!F k a aN1=3FH/[(m+1)L b]=3×0.048×8.4/[(4+1)×30.25]=0.008kNσ=(1.05N ut+N1)/(υAK H)=(1.05×8.227+0.008)×103/(0.251×424×0.978)=83.037N/mm2≤[f]=205N/mm2符合要求!八、立杆地基基础验算f ak符合要求!层高、楼面设计荷载、楼板板厚均按相同计。
板模板扣件钢管高架计算书[精编版]板模板(扣件钢管高架)计算书江苏顺泰包装印刷科技有限公司厂房工程;工程建设地点淮安市深圳路、飞耀路口;属于框架结构;地上局部两层;建筑高度;总建筑面积:平方米;总工期:天。
本工程由江苏顺泰包装印刷科技有限公司投资建设,东南大学设计研究院设计,淮安淮工监理,南通五建组织施工;由朱叶军担任项目经理。
高支撑架的计算依据《建筑施工扣件式钢管脚手架安全技术规范》()、《混凝土结构设计规范》、《建筑结构荷载规范》( )、《钢结构设计规范》( )等规范编制。
因本工程模板支架高度大于米,根据有关文献建议,如果仅按规范计算,架体安全性仍不能得到完全保证。
为此计算中还参考了《施工技术》():《扣件式钢管模板高支撑架设计和使用安全》中的部分内容。
一、参数信息:.模板支架参数横向间距或排距();纵距();步距();立杆上端伸出至模板支撑点长度();模板支架搭设高度();采用的钢管():Φ×;板底支撑连接方式:方木支撑;立杆承重连接方式:双扣件,考虑扣件的保养情况,扣件抗滑承载力系数;.荷载参数模板与木板自重();混凝土与钢筋自重();施工均布荷载标准值();.材料参数面板采用胶合面板,厚度为;板底支撑采用方木;面板弹性模量();面板抗弯强度设计值();木方抗剪强度设计值();木方的间隔距离();木方弹性模量();木方抗弯强度设计值();木方的截面宽度();木方的截面高度();.楼板参数楼板的计算厚度();图楼板支撑架荷载计算单元二、模板面板计算:模板面板为受弯构件,按三跨连续梁对面板进行验算其抗弯强度和刚度模板面板的截面惯性矩和截面抵抗矩分别为:×;×;模板面板的按照三跨连续梁计算。
面板计算简图、荷载计算()静荷载为钢筋混凝土楼板和模板面板的自重():×××;()活荷载为施工人员及设备荷载():×;、强度计算计算公式如下:其中:××最大弯矩××·;面板最大应力计算值σ;面板的抗弯强度设计值[] ;面板的最大应力计算值为小于面板的抗弯强度设计值,满足要求! 、挠度计算挠度计算公式为ν()≤[ν]其中面板最大挠度计算值ν××(×××) ;面板最大允许挠度[ν] ;面板的最大挠度计算值小于面板的最大允许挠度,满足要求!三、模板支撑方木的计算:方木按照三跨连续梁计算,截面惯性矩和截面抵抗矩分别为:×××;××××;方木楞计算简图.荷载的计算:()静荷载为钢筋混凝土楼板和模板面板的自重():×××;()活荷载为施工人员及设备荷载():×;.强度验算:计算公式如下:均布荷载×× ××;最大弯矩×× ·;方木最大应力计算值σ ×;方木的抗弯强度设计值[] ;方木的最大应力计算值为小于方木的抗弯强度设计值,满足要求! .抗剪验算:截面抗剪强度必须满足:τ< [τ]其中最大剪力: ××;方木受剪应力计算值τ××( ××) ;方木抗剪强度设计值[τ] ;方木的受剪应力计算值小于方木的抗剪强度设计值,满足要求! .挠度验算:计算公式如下:ν()≤[ν]均布荷载;最大挠度计算值ν×× (××) ;最大允许挠度[ν] ;方木的最大挠度计算值小于方木的最大允许挠度,满足要求! 四、木方支撑钢管计算:支撑钢管按照集中荷载作用下的三跨连续梁计算;集中荷载取纵向板底支撑传递力,=;支撑钢管计算简图支撑钢管计算弯矩图(·)支撑钢管计算变形图()支撑钢管计算剪力图()最大弯矩·;最大变形;最大支座力;最大应力σ;支撑钢管的抗压强度设计值[] ;支撑钢管的最大应力计算值小于支撑钢管的抗压强度设计值,满足要求! 支撑钢管的最大挠度为小于与,满足要求!五、扣件抗滑移的计算:按照《建筑施工扣件式钢管脚手架安全技术规范培训讲座》刘群主编,页,双扣件承载力设计值取,扣件抗滑承载力系数,该工程实际的双扣件承载力取值为。
板模板(扣件钢管高架)计算书因本工程模板支架高度大于4米,根据有关文献建议,如果仅按规范计算,架体安全性仍不能得到完全保证。
为此计算中还参考了《施工技术》2002(3):《扣件式钢管模板高支撑架设计和使用安全》中的部分内容。
一、参数信息1.模板支架参数横向间距或排距(m):0.45;纵距(m):0.50;步距(m):1.20;立杆上端伸出至模板支撑点长度(m):0.10;模板支架搭设高度(m):6.00;采用的钢管(mm):Φ48×3.0 ;板底支撑连接方式:钢管支撑;立杆承重连接方式:可调托座;板底钢管的间隔距离(mm):300.00;2.荷载参数模板与木板自重(kN/m2):0.500;混凝土与钢筋自重(kN/m3):25.500;施工均布荷载标准值(kN/m2):1.000;3.材料参数面板采用胶合面板,厚度为14mm;板底支撑采用钢管;面板弹性模量E(N/mm2):9500;面板抗弯强度设计值(N/mm2):13;托梁材料为:钢管(单钢管) :Ф48×3;4.楼板参数楼板的计算厚度(mm):1000.00;图2 楼板支撑架荷载计算单元二、模板面板计算模板面板为受弯构件,按三跨连续梁对面板进行验算其抗弯强度和刚度模板面板的截面惯性矩I和截面抵抗矩W分别为:W = 50×1.42/6 = 16.333 cm3;I = 50×1.43/12 = 11.433 cm4;模板面板的按照三跨连续梁计算。
面板计算简图1、荷载计算(1)静荷载为钢筋混凝土楼板和模板面板的自重(kN/m):q1 = 25.5×1×0.5+0.5×0.5 = 13 kN/m;(2)活荷载为施工人员及设备荷载(kN/m):q2 = 1×0.5= 0.5 kN/m;2、强度计算计算公式如下:M=0.1ql2其中:q=1.2×13+1.4×0.5= 16.3kN/m最大弯矩M=0.1×16.3×3002= 146700 N·m;面板最大应力计算值σ =M/W= 146700/16333.333 = 8.982 N/mm2;面板的抗弯强度设计值[f]=13 N/mm2;面板的最大应力计算值为8.982 N/mm2小于面板的抗弯强度设计值13 N/mm2,满足要求!3、挠度计算挠度计算公式为ν=0.677ql4/(100EI)≤[ν]=l/250其中q =q1=13kN/m面板最大挠度计算值ν = 0.677×13×3004/(100×9500×11.433×104)=0.656 mm;面板最大允许挠度[ν]=300/ 250=1.2 mm;面板的最大挠度计算值0.656 mm 小于面板的最大允许挠度 1.2 mm,满足要求!三、纵向支撑钢管的计算纵向钢管按照均布荷载下连续梁计算,截面力学参数为截面抵抗矩w=4.49cm3截面惯性矩I=10.78cm41.荷载的计算(1)静荷载为钢筋混凝土楼板和模板面板的自重(kN/m):q1= 25.5×0.3×1+0.5×0.3 = 7.8 kN/m;(2)活荷载为施工人员及设备荷载(kN):q2 = (1 + 2)×0.3 = 0.9 kN/m;2.钢管强度验算最大弯矩考虑为三跨连续梁均布荷载作用下的弯矩。
扣件钢管楼板模板支架计算书(板厚100mm)计算依据1《建筑施工扣件式钢管脚手架安全技术规范》(JGJ130-2001)。
计算依据2《施工技术》2002.3.《扣件式钢管模板高支撑架设计和使用安全》(杜荣军)。
计算参数:模板支架搭设高度为2.9m,立杆的纵距 b=1.00m,立杆的横距 l=1.00m,立杆的步距 h=1.35m。
面板厚度12mm,剪切强度1.4N/mm2,抗弯强度15.0N/mm2,弹性模量6000.0N/mm4。
木方50×100mm,间距300mm,剪切强度1.3N/mm2,抗弯强度13.0N/mm2,弹性模量9000.0N/mm4。
模板自重0.35kN/m2,混凝土钢筋自重25.00kN/m3,施工活荷载3.00kN/m2。
扣件计算折减系数取1.00。
图1 楼板支撑架立面简图图2 楼板支撑架荷载计算单元采用的钢管类型为48×3.5。
一、模板面板计算面板为受弯结构,需要验算其抗弯强度和刚度。
模板面板的按照三跨连续梁计算。
静荷载标准值 q1 = 25.000×0.100×1.000+0.350×1.000=2.850kN/m活荷载标准值 q2 = (2.000+1.000)×1.000=3.000kN/m面板的截面惯性矩I和截面抵抗矩W分别为:本算例中,截面惯性矩I和截面抵抗矩W分别为:W = 100.00×1.20×1.20/6 = 24.00cm3;I = 100.00×1.20×1.20×1.20/12 = 14.40cm4;(1)抗弯强度计算f = M / W < [f]其中 f ——面板的抗弯强度计算值(N/mm2);M ——面板的最大弯距(N.mm);W ——面板的净截面抵抗矩;[f] ——面板的抗弯强度设计值,取15.00N/mm2;M = 0.100ql2其中 q ——荷载设计值(kN/m);经计算得到 M = 0.100×(1.20×2.850+1.4×3.000)×0.300×0.300=0.069kN.m经计算得到面板抗弯强度计算值 f = 0.069×1000×1000/24000=2.858N/mm2面板的抗弯强度验算 f < [f],满足要求!(2)抗剪计算 [可以不计算]T = 3Q/2bh < [T]其中最大剪力 Q=0.600×(1.20×2.850+1.4×3.000)×0.300=1.372kN截面抗剪强度计算值 T=3×1372.0/(2×1000.000×12.000)=0.171N/mm2截面抗剪强度设计值 [T]=1.40N/mm2抗剪强度验算 T < [T],满足要求!(3)挠度计算v = 0.677ql4 / 100EI < [v] = l / 250面板最大挠度计算值 v = 0.677×2.850×3004/(100×6000×144000)=0.181mm面板的最大挠度小于300.0/250,满足要求!二、模板支撑木方的计算木方按照均布荷载下连续梁计算。
板模板(扣件钢管架支撑)计算书本计算书依据《建筑施工模板安全技术规范》(JGJ162-2008)、《建筑施工计算手册》江正荣著、《建筑结构荷载规范》(GB 50009-2001)、《混凝土结构设计规范》(GB50010-2002)、《钢结构设计规范》(GB 50017-2003)等规范编制。
板段:B1。
模板支撑体系剖面图计算直接支承小梁的主梁时取1.5kN/m2;计算支架立柱等支承结构构件时取1kN/m2;3.板底模板参数搭设形式为:2层梁顶托承重;(一) 面板参数面板采用克隆(平行方向)12mm厚覆面木胶合板;厚度:12mm;抗弯设计值fm:31N/mm2;弹性模量E:11500N/mm2;(二) 第一层支撑梁参数材料:1根50×100矩形木楞;间距:300mm;木材品种:太平洋海岸黄柏;弹性模量E:10000N/mm2;抗压强度设计值fc:13N/mm2;抗弯强度设计值fm:15N/mm2;抗剪强度设计值fv:1.6N/mm2;(三) 第二层支撑梁参数材料:1根100×100矩形木楞;木材品种:太平洋海岸黄柏;弹性模量E:10000N/mm2;抗压强度设计值fc:13N/mm2;抗弯强度设计值fm:15N/mm2;抗剪强度设计值fv:1.6N/mm2;4.地基参数模板支架放置在地面上,地基土类型为:碎石土;地基承载力标准值:650kPa;立杆基础底面面积:0.25m2;地基承载力调整系数:0.8。
二、模板面板计算面板为受弯结构,需要验算其抗弯强度和刚度。
根据《模板规范(JGJ162-2008)》第5.2.1条规定,面板按照简支跨计算。
这里取面板的计算宽度为1.000m。
面板的截面惯性矩I和截面抵抗矩W分别为:I = 1000×123/12= 1.440×105mm4;W = 1000×122/6 = 2.400×104mm3;1.荷载计算及组合模板自重标准值G=0.3×1.000=0.300 kN/m;1k=24×1.000×0.22=5.280 kN/m;新浇筑砼自重标准值G2k=1.1×1.000×0.22=0.242 kN/m;钢筋自重标准值G3k永久荷载标准值G= 0.300+ 5.280+ 0.242=5.822 kN/m;k=2.5×1.000=2.500 kN/m;施工人员及设备荷载标准值Q1k计算模板面板时用集中活荷载进行验算P=2.5 kN;(1) 计算挠度采用标准组合:q=5.822kN/m;(2) 计算弯矩采用基本组合:A 永久荷载和均布活荷载组合q=max(q1,q2)=9.438kN/m;由可变荷载效应控制的组合:q1=0.9×(1.2×5.822+1.4×2.500) =9.438kN/m;由永久荷载效应控制的组合:q2=0.9×(1.35×5.822+1.4×0.7×2.500) =9.279kN/m;B 永久荷载和集中活荷载组合由可变荷载效应控制的组合:q1=0.9×1.2×5.822=6.288kN/m;P1=0.9×1.4×2.5=3.150kN;由永久荷载效应控制的组合:q2=0.9×1.35×5.822 =7.074kN/m;P2=0.9×1.4×0.7×2.5 =2.205kN;2.面板抗弯强度验算σ= M/W < [f]其中:W -- 面板的截面抵抗矩,W =2.400×104mm3;M -- 面板的最大弯矩(N·mm) M=max(Ma,Mb1,Mb2)=0.307kN·m; Ma=0.125q×l2=0.125×9.438×0.32 =0.106kN·m;Mb1=0.125q1×l2+0.25P1×l=0.125×6.288×0.32+0.25×3.150×0.3 =0.307kN·m;Mb2=0.125q2×l2+0.25P2×l=0.125×7.074×0.32+0.25×2.205×0.3 =0.245N·mm;经计算得到,面板的受弯应力计算值: σ = 0.307×106/2.400×104=12.791N/mm2;实际弯曲应力计算值σ =12.791N/mm2小于抗弯强度设计值[f] =31N/mm2,满足要求!2.面板挠度验算ν =5ql4/(384EI)≤[ν]其中:q--作用在模板上的压力线荷载:q = 5.822kN/m;l-面板计算跨度: l =300mm;E--面板材质的弹性模量: E = 11500N/mm2;I--截面惯性矩: I =1.440×105mm4;[ν] -容许挠度: 结构表面隐藏[ν]=l/250=1.200mm;面板的最大挠度计算值: ν= 5×5.822×3004/(384×11500×1.440×105)=0.371mm;实际最大挠度计算值: ν=0.371mm小于最大允许挠度值:[ν] =1.200mm,满足要求!三、板底支撑梁的计算1.第一层支撑梁的计算支撑梁采用1根50×100矩形木楞,间距300mm。
板模板(扣件钢管高架)计算书柳州市妇幼保健院门诊保健大楼工程;属于框剪结构;地上21层;地下1层;建筑高度:;标准层层高:;总建筑面积:平方米;总工期:730天;施工单位:柳州市众鑫建筑有限公司。
本工程由柳州市妇幼保健院投资建设,广西建筑综合设计研究院设计,柳州市勘测测绘研究院地质勘察,柳州大公工程建设监理有限责任公司监理,柳州市众鑫建筑有限公司组织施工;由叶长青担任项目经理,马茂中担任技术负责人。
高支撑架的计算依据《建筑施工扣件式钢管脚手架安全技术规范》(JGJ130-2001)、《混凝土结构设计规范》GB50010-2002、《建筑结构荷载规范》(GB 50009-2001)、《钢结构设计规范》(GB 50017-2003)等规范编制。
因本工程梁支架高度大于4米,根据有关文献建议,如果仅按规范计算,架体安全性仍不能得到完全保证。
为此计算中还参考了《施工技术》2002(3):《扣件式钢管模板高支撑架设计和使用安全》中的部分内容。
一、参数信息:{1.脚手架参数横向间距或排距(m):;纵距(m):;步距(m):;立杆上端伸出至模板支撑点长度(m):;脚手架搭设高度(m):;采用的钢管(mm):Φ48× ;扣件连接方式:双扣件,考虑扣件的保养情况,扣件抗滑承载力系数:;板底支撑连接方式:方木支撑;2.荷载参数模板与木板自重(kN/m2):;混凝土与钢筋自重(kN/m3):;?楼板浇筑厚度(mm):;施工均布荷载标准值(kN/m2):;3.木方参数木方弹性模量E(N/mm2):;木方抗弯强度设计值(N/mm2):;木方抗剪强度设计值(N/mm2):;木方的间隔距离(mm):;木方的截面宽度(mm):;木方的截面高度(mm):;@图2 楼板支撑架荷载计算单元二、模板支撑方木的计算:方木按照简支梁计算,其惯性矩I和截面抵抗矩W分别为: W=××6 = cm3;I=×××12 = cm4;~方木楞计算简图1.荷载的计算:(1)钢筋混凝土板自重(kN/m):q1= ××= kN/m;(2)模板的自重线荷载(kN/m):q2= ×= kN/m ;(3)活荷载为施工荷载标准值与振倒混凝土时产生的荷载(kN):p1 = +××= kN;>2.方木抗弯强度验算:最大弯矩考虑为静荷载与活荷载的计算值最不利分配的弯矩和,计算公式如下:均布荷载q = ×+ = kN/m;集中荷载p = ×= kN;最大弯距M = Pl/4 + ql2/8 = ×/4 + ×8 = ;最大支座力N = P/2 + ql/2 = 2 + ×2 = kN ;方木的最大应力值σ= M / w = ×106/×103 = N/mm2;方木抗弯强度设计值[f]= N/mm2;,方木的最大应力计算值为N/mm2小于方木的抗弯强度设计值N/mm2,满足要求!3.方木抗剪验算:最大剪力的计算公式如下:Q = ql/2 + P/2截面抗剪强度必须满足:T = 3Q/2bh < [T]其中最大剪力: V = ×2+2 = kN;)方木受剪应力计算值T = 3 ×(2 ××= N/mm2;方木抗剪强度设计值[T] = N/mm2;方木受剪应力计算值为N/mm2小于方木的抗剪强度设计值N/mm2,满足要求!4.方木挠度验算:最大弯矩考虑为静荷载与活荷载的计算值最不利分配的挠度和,计算公式如下:均布荷载q = q1 + q2 = += kN/m;集中荷载p = kN;%方木最大挠度计算值V= 5××/(384××+×/( 48××= mm;方木最大允许挠度值[V]= 250= mm;方木的最大挠度计算值mm 小于方木的最大允许挠度值mm,满足要求!三、木方支撑钢管计算:支撑钢管按照集中荷载作用下的三跨连续梁计算;集中荷载P取纵向板底支撑传递力,P = ×+ = kN;\支撑钢管计算简图支撑钢管计算弯矩图支撑钢管计算变形图(mm) ?支撑钢管计算剪力图(kN)最大弯矩M max = ;最大变形V max = mm ;最大支座力Q max = kN ;钢管最大应力σ= ×106/= N/mm2;钢管抗压强度设计值[f]= N/mm2;支撑钢管的计算最大应力计算值N/mm2小于钢管的抗压强度设计值N/mm2,满足要求!^支撑钢管的最大挠度小于150与10 mm,满足要求!四、扣件抗滑移的计算:按照《建筑施工扣件式钢管脚手架安全技术规范培训讲座》刘群主编,P96页,双扣件承载力设计值取,按照扣件抗滑承载力系数,该工程实际的旋转双扣件承载力取值为。
板模板(扣件钢管高架)计算书高支撑架得计算依据《建筑施工扣件式钢管脚手架安全技术规范》(JGJ130-2001)、《混凝土结构设计规范》GB50010-2002、《建筑结构荷载规范》(GB 50009-2001)、《钢结构设计规范》(GB 50017-2003)等规范编制。
因本工程梁支架高度大于4米,根据有关文献建议,如果仅按规范计算,架体安全性仍不能得到完全保证。
为此计算中还参考了《施工技术》2002(3):《扣件式钢管模板高支撑架设计与使用安全》中得部分内容。
一、参数信息:1、模板支架参数横向间距或排距(m):0、80;纵距(m):0、80;步距(m):1、20;立杆上端伸出至模板支撑点长度(m):0、50;模板支架搭设高度(m):6、00;采用得钢管(mm):Φ48×3、5 ;扣件连接方式:双扣件,考虑扣件得保养情况,扣件抗滑承载力系数:0、80;板底支撑连接方式:方木支撑;2、荷载参数模板与木板自重(kN/m2):0、350;混凝土与钢筋自重(kN/m3):25、000;施工均布荷载标准值(kN/m2):2、500;4、材料参数面板采用胶合面板,厚度为10mm。
面板弹性模量E(N/mm2):9000;面板抗弯强度设计值(N/mm2):13;板底支撑采用方木;木方弹性模量E(N/mm2):9000、000;木方抗弯强度设计值(N/mm2):13、000;木方抗剪强度设计值(N/mm2):1、400;木方得间隔距离(mm):300、000;木方得截面宽度(mm):50、00;木方得截面高度(mm):100、00;托梁材料为:钢管(双钢管) :Φ48 × 3、5;5、楼板参数钢筋级别:三级钢HRB 400(20MnSiV,20MnSiNb,20MnTi);楼板混凝土强度等级:C40;每层标准施工天数:30;每平米楼板截面得钢筋面积(mm2):360、000;楼板得计算宽度(m):7、70;楼板得计算厚度(mm):250、00;楼板得计算长度(m):7、40;施工平均温度(℃):10、000;图2 楼板支撑架荷载计算单元二、模板面板计算:面板为受弯构件,需要验算其抗弯强度与刚度,取单位宽度1m得面板作为计算单元面板得截面惯性矩I与截面抵抗矩W分别为:W = 100×12/6 = 16、667 cm3;I = 100×13/12 = 8、333 cm4;模板面板得按照三跨连续梁计算。
面板计算简图1、荷载计算(1)静荷载为钢筋混凝土楼板与模板面板得自重(kN/m):q= 25×0、25×1+0、35×1 = 6、6 kN/m;1(2)活荷载为施工人员及设备荷载(kN):= 2、5×1= 2、5 kN/m;q22、强度计算最大弯矩考虑为静荷载与活荷载得计算值最不利分配得弯矩与,计算公式如下:其中:q=1、2×6、6+1、4×2、5= 11、42kN/m最大弯矩M=0、1×11、42×0、32= 0、103 kN·m;面板最大应力计算值σ= 102780/16666、667 = 6、167 N/mm2;面板得抗弯强度设计值 [f]=13 N/mm2;面板得最大应力计算值为 6、167 N/mm2小于面板得抗弯强度设计值 13 N/mm2,满足要求!3、挠度计算挠度计算公式为其中q = 6、6kN/m面板最大挠度计算值 v = 0、677×6、6×3004/(100×9000×4166666、667)=0、01 mm;面板最大允许挠度 [V]=300/ 250=1、2 mm;面板得最大挠度计算值 0、01 mm 小于面板得最大允许挠度 1、2 mm,满足要求!三、模板支撑方木得计算:方木按照简支梁计算,其惯性矩I与截面抵抗矩W分别为:W=5×10×10/6 = 83、33 cm3;I=5×10×10×10/12 = 416、67 cm4;方木楞计算简图1、荷载得计算:(1)钢筋混凝土板自重(kN/m):q= 25×0、3×0、25 = 1、875 kN/m;1(2)模板得自重线荷载(kN/m):= 0、35×0、3 = 0、105 kN/m ;q2(3)活荷载为施工荷载标准值与振倒混凝土时产生得荷载(kN):= (2、5+2)×0、8×0、3 = 1、08 kN;p12、方木抗弯强度验算:最大弯矩考虑为静荷载与活荷载得计算值最不利分配得弯矩与,计算公式如下: 均布荷载 q = 1、2×(1、875 + 0、105) = 2、376 kN/m;集中荷载 p = 1、4×1、08=1、512 kN;最大弯距 M = Pl/4 + ql2/8 = 1、512×0、8 /4 + 2、376×0、82/8 = 0、492 kN、m;最大支座力 N = P/2 + ql/2 = 1、512/2 + 2、376×0、8/2 = 1、706 kN ;方木得最大应力值σ= M / w = 0、492×106/83、333×103 = 5、91 N/mm2;方木抗弯强度设计值 [f]=13、0 N/mm2;方木得最大应力计算值为 5、91 N/mm2小于方木得抗弯强度设计值 13、0 N/mm2,满足要求!3、方木抗剪验算:最大剪力得计算公式如下:Q = ql/2 + P/2截面抗剪强度必须满足:T = 3Q/2bh < [T]其中最大剪力: V = 0、8×2、376/2+1、512/2 = 1、706 kN;方木受剪应力计算值 T = 3 ×1706、4/(2 ×50 ×100) = 0、512 N/mm2;方木抗剪强度设计值 [T] = 1、4 N/mm2;方木受剪应力计算值为 0、512 N/mm2小于方木得抗剪强度设计值 1、4 N/mm2,满足要求!4、方木挠度验算:最大弯矩考虑为静荷载与活荷载得计算值最不利分配得挠度与,计算公式如下:均布荷载 q = q1 + q2= 1、875+0、105=1、98 kN/m;集中荷载 p = 1、08 kN;方木最大挠度计算值 V= 5×1、98×8004 /(384×9000×4166666、67) +1080×8003 /( 48×9000×4166666、67) = 0、589 mm;方木最大允许挠度值 [V]= 800/250=3、2 mm;方木得最大挠度计算值 0、589 mm 小于方木得最大允许挠度值 3、2 mm,满足要求!四、托梁材料计算:托梁按照集中荷载作用下得三跨连续梁计算;托梁采用:钢管(双钢管) :Φ48 × 3、5;W=10、16 cm3;I=24、38 cm4;托梁按照集中荷载作用下得三跨连续梁计算;集中荷载P取纵向板底支撑传递力,P = 2、376×0、8 + 1、512 = 3、413 kN;托梁计算简图托梁计算弯矩图(kN、m)托梁计算变形图(mm)托梁计算剪力图(kN)最大弯矩 Mmax= 0、739 kN、m ;最大变形 Vmax= 0、582 mm ;最大支座力 Qmax= 9、883 kN ;托梁最大应力σ= 0、739×106/10160=72、753 N/mm2;托梁抗压强度设计值 [f]=205 N/mm2;托梁得计算最大应力计算值 72、753 N/mm2小于托梁得抗压强度设计值 205 N/mm2,满足要求托梁得最大挠度为 0、582 mm 小于800/150与10 mm,满足要求!五、模板支架立杆荷载标准值(轴力):作用于模板支架得荷载包括静荷载、活荷载与风荷载。
1、静荷载标准值包括以下内容:(1)脚手架得自重(kN):NG1= 0、158×6 = 0、949 kN;钢管得自重计算参照《扣件式规范》附录A。
(2)模板得自重(kN):NG2= 0、35×0、8×0、8 = 0、224 kN;(3)钢筋混凝土楼板自重(kN):NG3= 25×0、25×0、8×0、8 = 4 kN;经计算得到,静荷载标准值 NG = NG1+NG2+NG3= 5、173 kN;2、活荷载为施工荷载标准值与振倒混凝土时产生得荷载。
经计算得到,活荷载标准值 NQ= (2、5+2 ) ×0、8×0、8 = 2、88 kN;3、不考虑风荷载时,立杆得轴向压力设计值计算N = 1、2NG + 1、4NQ= 10、239 kN;六、立杆得稳定性计算:立杆得稳定性计算公式:其中 N ---- 立杆得轴心压力设计值(kN) :N = 10、239 kN;φ---- 轴心受压立杆得稳定系数,由长细比 lo/i 查表得到;i ---- 计算立杆得截面回转半径(cm) :i = 1、58 cm;A ---- 立杆净截面面积(cm2):A = 4、89 cm2;W ---- 立杆净截面模量(抵抗矩)(cm3):W=5、08 cm3;σ-------- 钢管立杆最大应力计算值 (N/mm2);[f]---- 钢管立杆抗压强度设计值:[f] =205 N/mm2;L---- 计算长度 (m);如果完全参照《扣件式规范》,按下式计算l= h+2ak1---- 计算长度附加系数,取值为1、155;u ---- 计算长度系数,参照《扣件式规范》表5、3、3;u = 1、7;a ---- 立杆上端伸出顶层横杆中心线至模板支撑点得长度;a = 0、5 m;上式得计算结果:立杆计算长度 L= h+2a = 1、2+0、5×2 = 2、2 m;L/i = 2200 / 15、8 = 139 ;由长细比 Lo/i 得结果查表得到轴心受压立杆得稳定系数φ= 0、353 ;钢管立杆得最大应力计算值;σ=10239、12/(0、353×489) = 59、317 N/mm2;钢管立杆得最大应力计算值σ= 59、317 N/mm2小于钢管立杆得抗压强度设计值 [f] = 205 N/mm2,满足要求!如果考虑到高支撑架得安全因素,适宜由下式计算l 0 = k1k2(h+2a)k1-- 计算长度附加系数按照表1取值1、243;k2-- 计算长度附加系数,h+2a = 2、2 按照表2取值1、007 ;上式得计算结果:立杆计算长度 Lo = k1k2(h+2a) = 1、243×1、007×(1、2+0、5×2) = 2、754 m;Lo/i = 2753、742 / 15、8 = 174 ;由长细比 Lo/i 得结果查表得到轴心受压立杆得稳定系数φ= 0、235 ;钢管立杆得最大应力计算值;σ=10239、12/(0、235×489) = 89、102 N/mm2;钢管立杆得最大应力计算值σ= 89、102 N/mm2小于钢管立杆得抗压强度设计值 [f] = 205 N/mm2,满足要求!模板承重架应尽量利用剪力墙或柱作为连接连墙件,否则存在安全隐患。