供应商自评评估表
- 格式:xls
- 大小:50.50 KB
- 文档页数:6
供应商自我评估表
供应商名称 :. .供应商地址 :. .自我评估日期 :. .供应商自我评估成员 :. .
此自我评估表适用于全部供应商。
这个自我评估表主要集中在对生产过程和品质管理的评估, 并不包括所有各个方面表现。
特别注意: 自我评估可能并没有将实际的不符合项指出。
1.1 评估的标准
分数判决是基于下面定义:
满分 : 全部评估案例有相应的能力。
半分 : 在主要的评估案例有相应的能力。
0分 : 仅可以在少许评估案例证明有相应的能力或不能证明有相应的能力。
说明: 此部分对分销商和贸易公司不适用。
说明: 此部分对分销商和贸易公司不适用。
说明: 此部分对分销商和贸易公司不适用。
供应商评估表版本:00 第11页,共11页。
自我评估表
调查表
定义:
能力比:是统计控制状态下的工艺所产生的实际偏差大小的一种度量,用公差的小数或百分比表示。
短期能力比(CR)或机器能力比(MCR)是在一个单项生产过程中对短期潜在能力的一种衡量。
在这个单项生产过程中,预计对材料、工具、操作人员之间的环境状况等方面由一般原因引起变化的所有根源均已被降低到最小程度。
长期能力比(PR)或过程能力比(PCR)
是对长期行为能力进行的一种衡量,其中包括造成一般变化的所有或大部分根源。
供应商评估表 (模板)
评估信息
- 供应商名称: [填写供应商名称]
- 评估日期: [填写评估日期]
- 评估人员: [填写评估人员]
评估指标
1. 供应商的经营能力
- 经营年限: [填写经营年限]
- 企业规模: [填写企业规模]
- 资金实力: [填写资金实力]
- 生产能力: [填写生产能力]
2. 供应商的产品质量
- 产品质量检验合格率: [填写产品质量检验合格率]
- 产品质量返修率: [填写产品质量返修率]
- 产品质量投诉率: [填写产品质量投诉率]
- 产品质量认证情况: [填写产品质量认证情况]
3. 供应商的交货能力
- 交货准时率: [填写交货准时率]
- 交付承诺是否兑现: [填写交付承诺是否兑现]
- 是否提供物流服务: [填写是否提供物流服务]
- 物流配送准时率: [填写物流配送准时率]
4. 供应商的价格竞争力
- 价格水平相对市场竞争: [填写价格水平相对市场竞争] - 是否提供价格优惠政策: [填写是否提供价格优惠政策]
5. 供应商的服务响应能力
- 售前服务质量: [填写售前服务质量]
- 售后服务质量: [填写售后服务质量]
- 售后服务响应时间: [填写售后服务响应时间]
评估结果
根据以上评估指标,综合考虑供应商的经营能力、产品质量、交货能力、价格竞争力和服务响应能力,对供应商进行综合评估如下:
- 综合评估等级: [填写综合评估等级]
- 综合评估意见: [填写综合评估意见]
- 建议: [填写建议]
以上是供应商评估表的模板,评估人员可以根据具体情况进行填写,以便对供应商进行有效评估和选择。
供应商自评表格背景供应商自评是一种重要的管理工具,它可以帮助供应商自我评估其在不同方面的表现,并为供应链管理提供数据支持。
本文档旨在提供一个供应商自评表格的模板,以便供应商能够系统性地评估自己的能力和表现。
表格模板1. 公司概况请提供以下信息:- 公司名称:- 成立时间:- 注册资本:- 员工数量:- 公司规模描述:- 公司所在地:- 证书和荣誉:2. 公司战略与管理请回答以下问题:- 公司的战略目标是什么?并附带相关的战略计划和实施进展;- 公司是否有明确的质量管理和环境管理体系?请简要描述;- 公司是否有明确的风险管理和供应商管理方针?请简要描述;- 公司是否有明确的监督和改进机制?请简要描述。
3. 产品与服务质量请回答以下问题:- 公司的主要产品和服务是什么?请简要介绍;- 公司的产品和服务质量如何控制和保证?请简要描述;- 公司是否具备实现持续改进的能力?请简要描述。
4. 交付能力和供应链管理请回答以下问题:- 公司的交付能力如何?是否能够按时供应产品和服务?- 公司是否实行供应链管理?请简要描述其主要内容及措施。
5. 社会责任和环境影响请回答以下问题:- 公司是否关注社会责任和环境影响?请简要描述其主要措施和实施情况。
6. 客户满意度请回答以下问题:- 公司的客户满意度如何评估和管理?请简要描述。
- 公司是否有明确的客户投诉处理机制?请简要描述。
7. 政府法规和合规性请回答以下问题:- 公司是否严格遵守政府法规和合规要求?请简要描述其主要措施和实施情况。
总结供应商自评是一项重要的管理工具,通过自我评估,供应商可以更好地了解自身的能力和表现,并为供应链管理提供有价值的数据支持。
以上表格提供了一个供应商自评的模板,供供应商进行评估。
供应商应根据自身情况填写表格,并在评估结果的基础上,制定相应的改进计划,以不断提升自身能力和表现。
请注意,以上表格仅供参考,并可根据具体情况进行修改和补充。
供应商评估表模板一、供应商基本信息。
1. 供应商名称,_________________________。
2. 统一社会信用代码/注册号,_________________________。
3. 法定代表人/负责人,_________________________。
4. 联系电话,_________________________。
5. 通讯地址,_________________________。
6. 主要产品/服务,_________________________。
二、质量管理。
1. 是否拥有ISO9001质量管理体系认证?(是/否)。
2. 是否有相关产品的质量检测报告?(是/否)。
3. 近三年内是否发生重大产品质量事故?(是/否)。
三、交货能力。
1. 供货周期是否稳定?(是/否)。
2. 是否有足够的生产能力满足订单需求?(是/否)。
3. 是否有备货计划以应对突发订单?(是/否)。
四、价格竞争力。
1. 产品价格相对市场来说是否具有竞争力?(是/否)。
2. 是否有价格调整的灵活性?(是/否)。
3. 是否能提供合理的优惠政策?(是/否)。
五、售后服务。
1. 是否提供产品售后服务承诺?(是/否)。
2. 是否有完善的投诉处理机制?(是/否)。
3. 是否能及时响应客户的售后需求?(是/否)。
六、合作历史。
1. 与供应商合作的时间长短及合作项目情况,_________________________。
2. 与供应商合作过程中是否出现过纠纷或矛盾?(是/否)。
3. 供应商的整体表现如何?(优/良/中/差)。
七、评估人员意见。
评估人员,_________________________。
评估日期,_________________________。
评估结果,_________________________。
以上是供应商评估表的模板,供应商评估是企业供应链管理中非常重要的一环,通过对供应商的全面评估,可以更好地选择合作伙伴,降低采购风险,提高采购效率,保障产品质量和交货周期。
供应商评估表模板一、供应商基本信息供应商名称:供应商所在地:联系人姓名:联系人电话:联系人邮箱:二、供应商背景信息1. 公司规模:(小型/中型/大型)2. 公司成立年限:3. 公司经营范围:4. 公司注册资金:5. 公司证书资质:三、供应商服务能力评估1. 供应商所提供的产品或服务类型:2. 供应商是否有独立研发能力?(是/否)3. 供应商是否有专业的售后服务团队?(是/否)4. 供应商是否有完善的质量控制体系?(是/否)5. 供应商是否提供定制化服务?(是/否)6. 供应商是否有受过认证的质量管理体系?(是/否)四、供应商质量评估1. 供应商过去一年内的产品或服务质量评价情况:2. 供应商是否有受过其他客户的投诉记录?(是/否)3. 供应商是否有受过其他客户的表扬或好评记录?(是/否)4. 供应商是否提供了符合行业标准的产品或服务?(是/否)5. 供应商是否有严格的质量管理流程和检测机制?(是/否)五、供应商交货能力评估1. 供应商是否能按时交货?(是/否)2. 供应商是否能提供准确的交货数量?(是/否)3. 供应商是否能提供符合要求的包装和标签?(是/否)4. 供应商是否能提供满足要求的物流服务?(是/否)5. 供应商是否有能力应对突发情况并及时解决?(是/否)六、供应商价格竞争力评估1. 供应商所提供的产品或服务价格是否合理?(合理/偏高/偏低)2. 供应商是否有提供更有竞争力的价格政策?(是/否)3. 供应商是否愿意根据订购量或合作时间等因素提供价格优惠?(是/否)七、供应商互动评估1. 供应商对合作伙伴的反馈速度如何?(快/一般/慢)2. 供应商是否有提供定期的合作伙伴沟通和反馈机制?(是/否)3. 供应商是否有提供售前咨询或技术支持服务?(是/否)4. 供应商是否有帮助解决问题或提供解决方案的能力?(是/否)八、综合评估综合考虑以上评估项,对供应商综合能力进行评价,并给出评估等级(优秀/良好/一般/不合格):备注:(可填写对供应商的其他评价和建议)以上为供应商评估表模板,根据实际需要,可以酌情增加或删减评估项以满足具体情况。
供应商评估报告规范表格一、供应商信息供应商名称 | 供应商编号 | 供应商类型 | 评估日期 |供应商名称] | [供应商编号] | [供应商类型] | [评估日期] | 二、评估指标指标名称 | 评分标准 | 评分 |指标名称] | [评分标准] | [评分] |评分标准:优秀:满分良好:80 分及以上合格:60 分及以上不合格:低于 60 分三、评估内容1.供应商基本信息评估供应商的基本信息,包括:公司名称公司注册地址法定代表人联系方式2.供应商信誉度评估评估供应商的信誉度,包括:是否有相关认证近期业绩和合作案例客户满意度调查结果3.供应商质量管理体系评估评估供应商的质量管理体系,包括:是否具备 ISO9001 认证质量管理流程和控制措施抽检合格率和不合格处理能力4.供应商交货能力评估评估供应商的交货能力,包括:交货时间的准时性生产能力和产能保证供应链管理和配送能力5.供应商价格和合作条件评估评估供应商的价格和合作条件,包括:产品价格和支付方式售后服务和质保条款合作期限和合同约定四、评估结果根据各项评估指标的得分,总结供应商的综合评估结果。
评估结果:优秀:综合评分达到满分良好:综合评分在 80 分及以上合格:综合评分在 60 分及以上不合格:综合评分低于 60 分五、评估结论根据评估结果,给出对供应商的评估结论,并提出改进建议(如果适用)。
评估结论:评估结论]改进建议:改进建议(如果适用)]以上为《供应商评估报告规范表格》的模板,根据实际评估情况填写相应内容。
评估报告的详细内容和具体评分标准可根据实际需要进行调整和拓展。
供应商评估表模板评估表头部:供应商名称:评估日期:评估人员:评估周期:每年/每季度/每月(根据实际情况填写)评估维度一:供应商背景信息评估指标一:供应商信用状况评估内容:1. 供应商企业名称及注册地址2. 公司规模和年营业额3. 企业成立时间及经营年限4. 在行业内的声誉和口碑5. 是否获得相关资质证书或荣誉6. 是否存在法律纠纷记录或违法行为评估指标二:供应商财务状况评估内容:1. 最近三年财务报表(年度)2. 资产负债表3. 损益表4. 现金流量表5. 是否存在财务风险或经营困难评估指标三:供应商稳定性评估内容:1. 主要客户或合作伙伴列表2. 供应商经营者或负责人稳定性3. 历史供货记录和合同履行情况4. 供应商组织结构和员工稳定性5. 是否存在供货中断或交货延迟的情况评估维度二:供应商产品质量与技术能力评估指标一:产品质量控制体系评估内容:1. 产品质量标准和检验方法2. 产品质量控制流程和控制点3. 产品检验合格率和不合格处理方式评估指标二:产品技术能力评估内容:1. 产品研发和创新能力2. 技术团队专业水平和背景3. 公司已获得的技术专利或认证4. 技术设备和生产工艺的先进性评估维度三:供应商交付能力评估指标一:供应商交货准时率评估内容:1. 根据合同约定的交货期限,统计供应商实际交货情况2. 是否存在延期交货或无法按时交货的情况3. 供应商的库存管理能力和订单处理能力评估指标二:供应商运输和仓储能力评估内容:1. 供应商的运输方式和运输工具2. 供应商的仓储设备和管理水平3. 供应商的运输时间和运输成本评估维度四:供应商服务水平评估指标一:供应商售前服务评估内容:1. 供应商是否能及时提供产品信息和技术支持2. 供应商是否能满足客户的定制要求3. 供应商是否能提供样品和试用产品评估指标二:供应商售后服务评估内容:1. 供应商是否能及时解决产品使用问题和投诉2. 供应商是否能进行产品寿命周期管理和售后追踪3. 供应商是否能提供维修和保养服务评估指标三:供应商的沟通与协调能力评估内容:1. 供应商对客户需求的响应速度和准确度2. 供应商主动与客户协调解决问题的能力3. 供应商与客户之间的沟通渠道和沟通形式评估维度五:供应商价格与成本管理评估指标一:供应商价格合理性评估内容:1. 供应商产品价格的市场竞争力2. 供应商产品的性价比3. 供应商价格是否存在大幅波动或过高情况评估指标二:供应商成本管理能力评估内容:1. 供应商的采购成本控制能力2. 供应商是否进行成本优化和降低成本的措施3. 供应商是否能提供采购成本的透明度和明细评估综合得分及结论:根据以上评估指标,对供应商在各个维度进行打分,综合得出供应商的综合评估得分,以及评估结论。
供应商评估表
1. 供应商信息
- 公司名称:
- 公司地址:
- 联系人:
- 联系
- 电子邮件:
3. 评估细则
3.1 产品质量
- 产品符合质量标准和要求
- 采用的材料和工艺是否达到要求
- 是否存在产品质量问题和投诉历史
3.2 交货时间
- 是否按照合同上约定的时间交货
- 是否存在拖延交货或无法按时交货的情况
3.3 价格竞争力
- 供应商的价格是否与市场相比具备竞争力
- 是否有价格上涨的趋势
3.4 售后服务
- 供应商能否及时对出现的问题进行响应和解决
- 对维修、退货和更换的处理是否高效
3.5 经营规模
- 具备足够的生产和供货能力,是否能满足大批量订单
- 是否拥有稳定的供应链和库存控制系统
3.6 信誉度
- 是否在市场上建立良好的声誉
- 是否存在与业务伙伴之间的纠纷或法律诉讼
4. 评估结果
根据对供应商评估的综合结果,给出以下评估等级:
- 优秀:符合标准的项目多于80%
- 良好:符合标准的项目占比60%-80%
- 一般:符合标准的项目占比40%-60%
- 差:符合标准的项目少于40%
5. 评估报告
根据评估结果生成的供应商评估报告,用于决策和参考。
---
> 注意:以上评估内容仅供参考,具体评估标准和权重应根据实际情况进行调整。
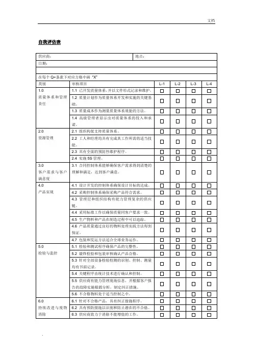
■ 自我评估 □ 实地评估
品保制度须健全,材料供应有保障。
∧保存期限∶3年∨
保制度须健全,材料实际得分=实评得分/实评项目*3 x100
供 应 商 评 估 表
厂商名称:
评估时间:
得分说明:得分依0-3分记录(0:完全不符合;1:建立了系统但运行失效;2:基本符合;3:完全符合),如果该项不适用,则填注为“NA”;自评时“☆”项需全覆盖。
等级说明:85分以上为甲级/优秀(含85分);70分~84分为乙级/合格(含84分);70分以下为丙级/不合格(不含70分)
保制度须健全,材料供应有保障。
∧保存期限∶3年∨
品保制度须健全,材料供应有保障。
∧保存期限∶3年
∨
保制度须健全,材料供应有保障。
∧保存期限∶3年∨
品保制度须健全,材料供应有保障。
∧保存期限∶3年
∨
4/6
保制度须健全,材料供应有保障。
∧保存期限∶3年∨
有保障。
∧保存期限∶3年∨品保制度须健全,材料供应有保障。
∧保存期限∶3年∨
保制度须健全,材料供应有保障。
∧保存期限∶3年∨
品保制度须健全,材料供应有保障。
∧保存期限∶3年
∨
保制度须健全,材料供应有保障。
∧保存期限∶3年
∨。