硕凯ESD静电二极管ESD05V14T-LC在USB2.0防护方案上的应用
- 格式:pdf
- 大小:99.53 KB
- 文档页数:2
Vishay超小尺寸4路ESD保护二极管实现业内首次
对手机中USB3.0接口的保护
宾夕法尼亚、MALVERN 2017 年1月11 日日前,Vishay Intertechnology, Inc.(NYSE 股市代号:VSH)宣布,推出新的4路ESD保护阵列---VBUS54FD-SD1。
该器件采用超小尺寸的芯片级CLP1007-5L封装,可用于便携式电子产品。
在不牺牲性能的前提下,Vishay Semiconductors VBUS54FD-SD1的尺寸远小于前一代元器件,具有低电容和低漏电流的特点,可保护高速数据线路免收瞬变电压信号的影响。
今天推出的保护阵列的尺寸为1.0mm x 0.7mm,厚度为0.27mm,所使用的电路板空间比前一代器件少70%,体积减小了7倍。
VBUS54FD-SD1的典型负载电容为0.9pF,采用流通设计,适合保护智能手机、数码相机、MP3
播放器和便携式游戏机中的HDMI、DisplayPort、eSATA、USB 3.0、1394/FireWire和Thunderbolt等高速数据线路。
这颗器件节省空间,在智能手机中首次实现USB 3.0接口的保护功能。
保护阵列在5.5V工作电压下的最大漏电流小于0.1μA,在1mA下的典型击穿电压为7.5V,3A下的最高箝位电压为15V。
VBUS54FD-SD1可为数据线提供符合per IEC 61000-4-2要求的±15kV(空气和接触放电)瞬变保护。
器件的潮湿敏感度等级(MSL)达到J-STD-020的1级,能进行10秒的+260℃回流焊,符合Vishay绿色标准。
ESD二极管选择参数引言静电放电(Electrostatic Discharge,简称ESD)是指由于静电的积累而导致的突发放电现象。
ESD事件可以对电子设备和元器件造成严重的损害,例如引起功能失效、数据丢失或器件完全损坏。
为了保护电子设备免受ESD的影响,常常需要在电路中使用ESD保护元件,其中ESD二极管是一种常用的解决方案。
本文将从ESD二极管的基本原理、选择参数以及应用注意事项等方面进行详细介绍,以帮助读者了解如何正确选择和使用ESD二极管。
ESD二极管的基本原理ESD二极管(ESD Diode)是一种可控的击穿二极管,也称作防护二极管(Protection Diode)。
ESD二极管通常由静电击穿电压比较低的反向击穿结构构成,用于提供对静电放电的保护。
ESD二极管通常由硅材料制成,具有快速响应时间、低电压降和高电流负载能力等特点。
当外部静电放电事件发生时,ESD二极管会迅速响应并将电流导向地或电源,有效保护被保护器件。
ESD二极管的选择参数选择适合的ESD二极管参数对于正确实现ESD保护至关重要。
下面是一些常见的ESD二极管的选择参数说明:1. 反向击穿电压(Vr)反向击穿电压是指ESD二极管在反向工作电压下发生击穿的电压,也是表征ESD二极管耐受静电放电能力的重要指标。
根据设计需求,选择一个适当的反向击穿电压是非常重要的。
一般来说,反向击穿电压应大于预期的最高工作电压。
2. 响应时间(tR)ESD二极管的响应时间是指从外部静电放电事件开始到ESD二极管完全响应并进入低阻态的时间。
响应时间越短,ESD二极管对静电放电的保护效果越好。
选择具有快速响应时间的ESD二极管可以提供更好的ESD保护。
3. 最大浪涌能量最大浪涌能量是指在一定时间内ESD二极管能够吸收的能量。
选择具有更高最大浪涌能量的ESD二极管可以提供更好的ESD保护能力。
4. 最大工作电流最大工作电流是指ESD二极管在正向工作电流模式下能够持续工作的最大电流。
ESD静电保护芯片二极管详细介绍Electrostatic Discharge Protection Devices,简称ESD,中文名:静电保护元器件,也叫瞬态电压抑制二极管阵列(TVS Array)、ESD静电二极管、ESD静电保护器件、ESD保护芯片,是一种高效型的静电保护器件。
在各类通信端口、接口中,经常需要用到ESD静电保护器件为其保驾护航,以品牌厂家东沃电子ESD静电保护器件为例,比如RS-485通讯接口选用SM712、USB2.0接口选用DW05DRF-B-AT-E和DW05-4R-AT-S、USB3.0接口选用DW05-4R2P-AT-S和DW3.3-4R2P-S、HDMI2.0接口选用DW05-4R2P-AT-S和DW05-4R2PZ-S、CAN BUS总线接口选用PESD1CAN等等。
ESD特性ESD是由多个TVS晶粒或二极管采用不同的布局设计成具有特定功能的单路或多路静电保护器件。
ESD工作电压比较低,一般是根据IC的工作电压设计的,比如2.8V、3.3V、5V、12V、15V、18V、24V、36V等等。
小体积,能够节约PCB空间。
低结电容,最低可达到零点几皮法,非常适合高频信号传输的通信端口中。
封装形式多样(SOD-323、SOD-523、SOT-23、SOT-553、SOT-563、SO-8、DFN1006-2L、DFN0603-2L、DFN0603-D等等),能够满足不同应用需求。
ESD厂家不可否认,目前市面上ESD厂家/供应商星罗棋布,琳琅满目,对于采购商而言,更多选择的背后却是更多的迷茫、不知所措。
找一家专业、可靠、稳定的ESD厂家/供应商是每个采购商最期盼的。
ESD选型、采购、询价、样品、方案设计等,东沃电子(DOWOSEMI),国内专业的ESD生产厂家,能够一站式满足客户不同的需求。
近段时间发现,很多客户因为“ESD国际品牌替代料号”找到了东沃电子,并给客户推荐了对应的料号,完美替代,不仅给客户解决了燃眉之急问题,而且还给客户节省了成本、缩短了供货周期、提供了更深层次服务(静电方案设计、EMC测试等。
USB端口的静电放电(ESD)防护我们在使用USB 设备时通常都采用热插拔,此时存在静电放电的隐患。
这篇应用说明阐述了怎样使用瞬态抑制二极管阵列保护USB 设备免受ESD 影响。
虽然至今为止在USB 1.1 和USB 2.0 的规范中并未要求ESD 防护,但USB 元件的可热插拔性使它成为静电放电敏感元件,因此对所有USB端口实施ESD 防护是极其重要且必需的。
随着现代社会的飞速发展,我们对电子设备的依赖与日俱增.现代电脑越来越多的采用低功率逻辑芯片,由于MOS 的电介质击穿和双极反向结电流的限制,使这些逻辑芯片对ESD 非常敏感。
大多数USB 集成电路都是以CMOS 工艺为基础来设计和制造的,这导致它们对ESD 造成的损害也很敏感,另外,USB 端口是热插拔系统,极易受到由用户或空气放电造成的ESD 影响。
用户在插拔任何USB 外设时都可能产生ESD。
在距离导电面的几英寸的位置可产生空气放电。
静电可以损害USB 接口,造成USB 集成电路故障,最糟糕的是会在电子系统中产生数据位重影。
这些损害和故障造成电子设备的”硬性损伤”或元器件损坏。
虽然对于硬性损伤我们可以很容易地更换失效的元器件并使系统重新纳入正轨,但是,假如发生了“软性损伤”(CMOS元件性能降级),此时系统会不断产生不规则的数据位,要花费数小时来进行故障排查,并且依靠重复测试也很难发现系统异常,因此针对USB 元件的ESD 防护已经迫在眉睫。
ESD 元件不仅要符合以上所述的ESD 业界标准,还牵涉使用能在高速数据传输情况下工作的先进半导体器件。
因此保护串行端口的传统方法在USB 应用中将会过时或者无效。
了解USB 元件的ESD 防护本质,有助于明确针对USB 应用的半导体器件所必需的特性:1. 低电容(5pf),以减少高速速率下(480Mbps, USB2.0)的信号衰减。
2. 快速工作响应时间(纳秒),可以在ESD 脉冲的快速上升时间内保护USB 元件。
铁塔防护:位置服务与无线通信终端设备USB端口防护方案一般讲静电防护基本都是以消费电子产品为例,由于功能日益强大,消费电子产品的集成度在不断的增高,再加上使用频繁,受到静电放电干扰的可能性成倍增加,因此一讲到消费电子,工程师就自然而然想到静电防护。
在电脑、笔记本电脑等含USB端口中也急需加强静电防护,以下是硕凯电子FAE工程师针对铁塔防护项目中的位置服务与无线通信终端设备设计的USB端口静电防护方案。
移动通讯塔的大范围布设,提高了通讯服务质量,但通讯塔周围雷电灾害发生率明显高于未架设铁塔前,且以雷电电磁脉冲导致雷电灾害为主。
对通讯塔布设后,铁塔对周围雷电电磁环境的影响的正确分析是雷电防护措施设计的基础。
全球气候变暖,雷雨天气增多,雷击点附近雷电电磁脉冲通过辐射干扰及传导干扰对建筑物电子信息系统构成严重危害。
雷击供电线路,附近发生雷击产生的瞬变电磁场在供电线路上形成的过电压以及雷电的下行先导在供电线路上产生的静电感应均有可能通过供电线路进入设备而使设备损坏。
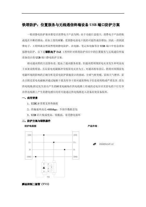
一、应用背景1、USB2.0需要支持热插拔2、传输速率高达480Mbps,不容许数据丢包3、USB芯片集成度高,很脆弱,易受静电损坏二、防护方案与硕凯器件瞬态抑制二极管(TVS)【ESD05V14T-LC】Vrwm:5.0V;Vb:6.0V;防静电能力(接触/空气):8KV/15KV;结电容(f=1MHz):1.2pF;封装为SOT-143三、方案说明与注意事项1、在USB2.0的电源线,数据用1颗TVS对地做防护,钳位静电电压2、该TVS的结电容小于1.2pF,在USB2.0最高速率480Mbps时都可以完成传输信号3、该TVS封装为SOT-143,体积小,节约PCB 空间,便于工程师设计。
ESD05V14T-LC应用于USB2.0防护
优恩半导体(UN Semiconductor)
方案应用背景:
USB支持即插即用和热插拔功能
USB接口的数据传输速率高,不容许出现数据缺失
USB接口的集成度较高,且脆弱,较易受到静电损坏
方案应用领域:
计算机外设设备
机顶盒
游戏机
车载电子
便携设备:手机、平板等
防护电路图:
产品外观:
方案说明及注意事项:
该ESD器件结电容小于1.2pF,可高效的实现USB接口高速的数据传输要求该器件拥有极低的漏电流,可减少正常工作下的功率损耗
响应速率快,可以在ESD脉冲上升时间内保护USB元件
同时该产品封装为SOT-143,封装体积小,可节约PCB的空间。
APPLICATION GUIDE ESD PROTECTION介面INTERFACEHDMI 1.4HDMI 2/UHD/4KFlex Ray e SATACANBUSCONTROL IOS100MBETHERNET1G 10GPOE/POEPT1/E1-T3/E3USB 2.0USB 3.0USB 3.1USB 3.2XDSLLVDSLINBUS RS-232RS-485SMART BATTERYCOMMUNICATION APPLICATIONSESD Protection Solutions for High Speed Communication Ports• Electrostatic discharge (ESD) occurs when a charge is exchanged between two objects of unequal charge potential. ESD most often occurs between people and metal objects.It is a result of an electron build-up behaving as capacitor when dielectric isolation is available. Manmade materials, such as shoe soles, achieve dielectric isolation while someone walks on carpet creating kinetic energy. The potential threat of an ESD transient poses a challenge to system designers to incorporate overvoltage protection. Often,the included protection must have capacitance while not degrading the transmission rate. Traditionally,the use of a high capacitor was used to provide protection. However,due to high speed requirements, the capacitance perline must be significantly reduced. It must be done while still providing overvoltage protection against potential threats. Threats can include ESD, electrical fast transients (EFT), or surges. This paper discusses standard requirements for ESD. It highlights overvoltage protection solutions for the most common high speed interfaces. These include USB,HDMI and Ethernet ports, as shown in Table 1.Application Data Rate Capacitance RS-2320.20 Mbit/S< 50 pFT1 1.544 Mbit/S< 30 pF E2 2.048 Mbit/SI2C 3.4 Mbit/SEthernet10 Mbit/SUSB1.112 Mbit/S< 20 pF E334.368 Mbit/SRS-48535 Mbit/ST344.736 Mbit/SFast Ethernet100 Mbit/S< 5 pF T5400.352 Mbit/S< 3 pF USB 2.0480 Mbit/SE5565.148 Mbit/SIEEE-1394b786.432 Mbit/SGigabit E565.148 Mbit/SDVI3960 Mbit/S< 1 pF USB 3.05000 Mbit/SDisplayPort5400 Mbit/SSATA 3.06000 Mbit/SHDMI 1.310200 Mbit/SHDMI 2.010800 Mbit/S• CANPart No.V RWM P PK , 8/20uS C J , Max.ESD Level Package FSSU24T23A 24V 350 Watts 45 pF 30KV SOT -23FDA2431T 24V 230 Watts 30 pF 30KV SOT -23SOT24C 24V 160 Watts 50 pF 30KV SOT -23FM7127V / 12V400 Watts75 pF30KVSOT -23CMC optionalC M C L i n eSPLIT CANHCAN XceiverCANHESD ProtectionCAN system architecture with a single device to protect the CAN node• LINPart No.V RWM P PK , 8/20uS C J , Max.ESD Level Package ESD1524VD15V/24V160 Watts20 pF30KVSOD-323LIN system architecture with a single device to protect the LIN nodeVBATLINLIN XceiverGNDESD1524VDC MASTER/SLAVEL I N C o n n e c t o r• FlexRayPart No.V RWM P PK , 8/20uS C J , Max.ESD Level Package BSD24C 24V 350 Watts 50 pF 30KV SOD-323FSD24C 24V 350 Watts 50 pF 30KV SOD-323GBLC24CI 24V 350 Watts 0.6 pF 30KV SOD-323GBLC24C24V350 Watts0.6 pF30KVSOD-323Bi-directional and Uni-directional ESD protection for GRIOGPIO Bi-directional protection I/O pin GPIO Uni-directional protectionI/O pin• Car infotainmentPart No.V RWM P PK , 8/20uS C J , Max.ESD Level Package FW0524LCA5V150 Watts0.4 pF30KVDFN2510-10LIn LVDS systems, the FWO524LCAprovids ultra high-speed ESD protection that is fully AEC-Q101 compliantFW0524LCACentral boardModule board e.g.camera or displayUTP cable• Digital I/OPart No.V RWM P PK , 8/20uS C J , Max.ESD Level Package FLC052AD 5.0V 80 Watts 0.3 pF 25KV DFN0603FLC0529D 5.0V 40 Watts 0.3 pF 22KV DFN1006FLC052XD 5.0V 40 Watts 0.15 pF 22KV DFN0603FLC032XD 3.3V 45 Watts 0.20 pF 20KV DFN0603FHC2511D 2.5V 90 Watts 2.50 pF 30KV DFN1006FHC1815D1.8V200 Watts1.50 pF30KVDFN1006Bi-directional and uni-directional ESD protection for GPIOGPIO Bi-directional protection I/O pin GPIO Uni-directional protectionI/O pinSerial Buses• Legacy: RS-232 and RS-485Part No.V RWM P PK , 8/20uS C J , Max.ESD Level Package SOT12CB 12 V 180 Watts 40 pF 30KV SOT -23SOT15C15 V160 Watts30 pF30KVSOT -23Standard serial port, RS-485, or RS-23 protection can be either unidirectional or bidirectionalTransceiver 0-10 Ohm SOT15C Transceiver0-10 OhmSOT15CTransceiver0-10 OhmSOT12CB• Dual USB 2.0 ProtectionPart No.V RWM P PK , 8/20uS C J , Max.ESD Level Package FW0524LCA5V150 Watts0.4 pF30 KVDFN2510-10LVBUS 1. VBUS 2. D+3. D-4. GND1. VBUS2. D+3. D-4. GNDD1+D1-VBUS DUAL USB HOST.O applicationD1+D1-FW0524LCA• High data-rate: USB 3.0Part No.V RWM P PK , 8/20uS C J , Max.ESD Level Package FW4120LC 5V 150 Watts 0.4 pF 30KV DFN4120-10L FSD052MD5V45 Watts13 pF8KVDFN1006USB 3.0 ESD protectionVBUS USB 3.0TRANSCEIVERSSTX+SSTX-SSRX+SSRX-VBUS D+D-SSTX+SSTX-SSRX+SSRX-GNDD1+D1-FW4120LCFSD052MD• High data-rate: USB 3.1Part No.V RWM P PK , 8/20uS C J , Max.ESD Level Package FLC0529D 5 V 40 Watts 0.15 pF 22 KV DFN1006FDA0531D5 V100 Watts0.40 pF17 KVDFN1006-3LPart No.V RWM P PK , 8/20uS C J , Max.ESD Level Package FSD052MD 5 V 40 Watts 0.3 pF 30 KV DFN1006FW56 Series3.3 V– 20 V>300 Watts35 pF-600 pF30 KVDFN16102121123A 1A 2A 3A 4A 5A 6A 7A 8A 9A 10A 11A 12Super Speed Lines Super Speed Lines Super Speed Lines Super Speed Lines Power 5-20v Config Control Side band 2USB 2.0USB 2.0Side band 2Config Control Power 5-20v Super Speed Lines Super Speed Lines Super Speed Lines Super Speed LinesB 12B 11B 10B 9B 8B 7B 6B 5B 4B 3B 2B 1• High data-rate: eSATAPart No.V RWM P PK , 8/20uS C J , Max.ESD Level Package FW0524LCA5 V150 Watts0.4 pF30 KVDFN2510-10LGND A+A-GND B-B+GNDFW0524LCAeSATA connector• High-speed differential mode signalingPart No.V RWM P PK , 8/20uS C J , Max.ESD Level Package FW0524LCA5 V150 Watts0.4 pF30 KVDFN2510-10LGeneral high-speed differential mode signaling line ESD protectionFW0524LCAFW0524LCATX+TX-RX+RX-RX+RX-TX+TX-TP cableFESD0518LCDHDMI Type-AConnectorD2+GNDD2-D1+GNDD1-D0+GNDD0-CLK+GNDCLK-CECN/C (or HEC_DAT)SCLSDAGND5VHPD (or HEC_DAT)Display Interfaces• HDMI-Type APart No.V RWM P PK, 8/20uS C J, Max.ESD Level Package FESD0518LCD 5 V150 Watts0.4 pF30 KV DFN5515-18LDisplay Interfaces• PHY side in GbePart No.V RWM P PK, 8/20uS C J, Max.ESD Level Package FW0524LCA 5 V150 Watts0.4 pF30 KV DFN2510-10LFW0524LCAFW0524LCATPOPATPONATPOPBTPONBTPOPCTPONCTPOPDTPONDETHERNETTRANSCEIVERQUADTRANSCEIVERRJ45TRANSCEIVER• Gbe ModePart No.V RWM P PK , 8/20uS C J , Max.ESD Level Package FSRV05-45 V350 Watts1.2 pF30 KVSOT23-6Magnetics1/2 FSRV05-4PHY O/PTX O/P RJ45Magnetics 1/2 FSRV05-4PHY I/PRX I/P RJ45Gbe common modeMagnetics1/2 FSRV05-4PHY I/PRX I/PRJ45Gbe Differential mode Magnetics1/2 FSRV05-4PHY O/PTX O/P RJ45Magnetics1/2 FSRV05-4PHY I/PRX I/P RJ45Gbe Differential mode• Gbe ModeDisplay Interfaces• Gbe ModePart No.V RWM P PK, 8/20uS C J, Max.ESD Level Package FSRV05-45V350 Watts 1.2 pF30 KV SOT23-6 FLC03-3.3 2.8 V2500 Watts12 pF30 KV SOP-8FLC03-3.3FLC03-3.3FLC03-3.3FLC03-3.3FW0524LCAFW0524LCATPOPATPONATPOPBTPONBTPOPCTPONCTPOPDTPONDETHERNETTRANSCEIVERQUADTRANSCEIVERRJ45TRANSCEIVERAudio Circuit protectionPart No.V RWM P PK , 8/20uS C J , Max.ESD Level Package FLC052TDQ5 V80 Watts0.3 pF25 KVDFN1006Description:Audio jacks and connectors can present an entrypoint for ESD to enter the system. Audio signals do not typically exceed ± 5 V before amplification but can reach higher voltages after the amplifier. Since the maximumfrequency does not exceed 30 kHz, the capacitance of the ESD diode is not a concern. Because analog audio can have both positive and negative voltage swings, ESD solutions should be bidirectional to prevent premature breakdown which would interfere with the signal.RR AudioR Audio INGNDGNDAudio Amplifier Class AB (ESD Sensitive)Speaker Connector (Source of ESD)LL AudioL Audio INGNDAudio Amplifier Class AB (ESD Sensitive)Gb Ethernet Surge and ESD ProtectionPart No.V RWM P PK , 8/20uS C J , Max.ESD Level Package FHC258AD2.5V1000 Watts1.5 pF30 KVDFN3020-10LFHC258ADFHC258ADQuad TrabsfirnerRJ-45Connector+A -A+B -B +C -C+D -DGigabit Ethernet TransceiverDisplay Port 1.2 ESD and Overcurrent ProtectionPart No.V RWM P PK, 8/20uS C J, Max.ESD Level Package FW0524LCA 5 V150 Watts0.4 pF30 KV DFN2510-10L FDA0533T 5 V100 Watts0.4 pF30 KV SOT23-6D0PD0ND1PD1ND2PD2ND3PD3NAUXNHP_DETReturn DP_PWRDP_PWRAUXPFW0524LCAFW0524LCAFDA0533TD0PGNDD0ND1PGNDD1ND2PGNDD2ND3PGNDD3NAUXPAUXNHP_DETReturn DP_PWRGNDDP_PWRDisplayPortDriverKeypad and Pushbutton Circuit ProtectionPart No.V RWM P PK , 8/20uS C J , Max.ESD Level Package FLC052TDQ5 V80 Watts0.3 pF25 KVDFN1006IO Line 21212GND LineESDensitive DevicePush ButtonsIO LIne 112。
ESD 静电保护二极管介绍ESD 静电保护二极管是一种用于保护电子电路、器件和设备免受静电损伤的器件,它能够在静电放电(ESD)事件发生时提供快速的电压保护。
静电放电是静电电荷在不断积累和释放的过程中导致的瞬间高电压事件。
这种电压导致器件损坏,从而导致电路故障和设备损坏。
ESD 静电保护二极管能够在静电事件发生时快速反应并引导电流,从而保护电路和器件免受损伤。
ESD 静电保护二极管也被称为 TVS(transient voltage suppressor)二极管,它具有以下特点:-快速响应时间:ESD 静电保护二极管能够在几纳秒内响应静电事件,从而提供快速保护。
-高压保护:它们能够承受较高电压,从而提供更广泛的应用范围和更全面的保护。
-低电容:ESD 静电保护二极管电容较小,不会对电路的高频特性和信号传输产生影响。
-高温稳定性:ESD 静电保护二极管通常具有良好的高温稳定性和长寿命,可以在高温环境下稳定运行。
ESD 静电保护二极管通常用于集成电路(ICs)、模拟电路、数字电路、通信电路、计算机系统等高速电子器件和设备中,以确保其正常、稳定、可靠地运行。
▉Features特点Bidirectional双向Ultra-lowCapacitance超低电容▉Applications应用I/OInterfaces输入输出接口IndustrialandServeRobots工业和服务机器人LaptopsandDesktops便携和台式电脑TVandMonitors电视和监视器Wearables可穿戴电子产品▉Device Marking 产品打标▉Absolute Maximum Ratings 最大额定值▉Electrical Characteristics 电特性(TA=25℃ unless otherwise noted 如无特殊说明,温度为25℃)■Typical Characteristic Curve 典型特性曲线■Typical Application 典型应用▉Dimension 外形封裝尺寸。
ESD二极管SRV05-4在SIM卡端口防护方案的静电防护应用SIM 卡数据线路保护一直是各个公司的产品重点,而且专门为此类端口设计的集ESD(TVS)/EMI/RFI 防护于一个芯片的器件,充分体现了片式器件的无限集成方案。
在这里硕凯电子要提醒各位电子工程师的是:在针对不同用途选择器件时,要避免使器件工作在其设计参数极限附近,还应根据被保护回路的特征及可能承受ESD 冲击的特征选用反应速度足够快、敏感度足够高的器件,这对于有效发挥保护器件的作用十分关键,另外集成它功能的器件也应当首先考虑。
应用器件:硕凯SOCAY瞬态抑制二极管:SRV05-4SRV05-4是低电容、低漏电流的瞬态抑制二极管(TVS)阵列,SOT-26封装,5V 工作电压,保护4 条I/O 高速数据线。
以下是SRV05-4的具体参数及静电防护原理。
SRV05-4的参数:封装:SOT-26电压:5V钳位电压:12.5V容值:1.2pF功率:350WSRV05-4是低电容、低漏电流的瞬态抑制二极管(TVS)阵列,SOT-26封装,5V 工作电压,保护4 条I/O 高速数据线。
SIM卡静电防护使用SRV05-4集成芯片,它由8支控向二极管构成两个“桥式”电路,共用了一支“雪崩二极管”,此种“桥式”电路对“正”的ESD经过导向由雪崩二极管进行箝位,而对“负”的ESD由控向二极管直接箝位,是非常好的ESD防护方案。
它可以保护四条数据线的安全,“桥式”电路的输出端接雪崩二极管,用来进行箝位吸收侵扰的ESD。
当有ESD侵扰时,正的浪涌进入”桥式”电路后,经正向的控向二极管导向传递到雪崩二极管,ESD浪涌被雪崩管箝位吸收,ESD浪涌从侵入到箝位吸收,经过了一只控向二极管和一个雪崩二极管串联到“地浪涌从侵入到箝位吸收,经过了一只控向二极管和一个雪崩二极管串联到“地”,控向二极管和雪崩二极管的串联减少了极间电容,称为“补偿”;负的浪涌进入”桥式”电路后,由负向的控向二极管直接箝位导向到地,不经过雪崩二极管,此积成芯片专门用于SIM/UIM卡的ESD防护。
硕凯ESD静电二极管ESD05V14T-LC在USB2.0防护方案上的应用
硕凯电子(Sylvia)
一、应用背景:
B
2.0需要支持热插拔
2.传输速率高达480Mbps,不容忍丢包
B芯片集成度高,很脆弱,易受静电损坏
二、方案说明及注意事项:
1.在USB
2.0的电源线,数据线用1颗TVS对地做防护,钳位静电电压。
2.该TVS的结电容小于1.2pF,在USB2.0最高速率480Mbps时都可以完整传输信号。
3.该TVS封装为SOT-143,体积小,节约PCB空间,便于工程师设计。
三、方案应用:
1.笔记本电脑
2.家用台式电脑
3.工业电脑
4.枪击设备
5.网络打印机
6.机顶盒
7.Pad
8.移动手持设备
9.电视
10.车载
11.其他含USB2.0端口设备
12.DVD刻录机
四、防护电路图及产品外观:
使用硕凯器件:
ESD静电二极管:
型号:ESD05V14T-LC;Vrwm:5.0V;Vb:6.0V;防静电能力(接触/空气):8KV/15KV;结电容(f=1MHz):1.2pF;封装:SOT-143。