化工制图习题集答案(DOC)
- 格式:doc
- 大小:1.44 MB
- 文档页数:82
化工制图试题及答案一、选择题(每题2分,共20分)1. 在化工制图中,表示管道内流体流向的符号是:A. 箭头B. 点线C. 虚线D. 实线答案:A2. 化工制图中,表示阀门的符号是:A. 圆形B. 矩形C. 三角形D. 方框答案:C3. 化工制图时,用于表示设备名称的代码通常采用:A. 拼音首字母B. 英文缩写C. 数字编号D. 汉字答案:C4. 在化工制图中,管道直径的标注通常采用哪种方式:A. 文字描述B. 符号表示C. 数字编号D. 图形表示答案:B5. 化工制图中,表示泵的符号是:A. 圆形B. 矩形C. 椭圆形D. 梯形答案:C6. 化工制图中,表示阀门开启状态的符号是:A. 一个圆圈B. 一个叉号C. 一个箭头D. 一个点答案:C7. 化工制图中,表示管道连接的符号是:A. 直线B. 曲线C. 点线D. 虚线答案:A8. 在化工制图中,表示设备内部结构的视图是:A. 剖面图B. 轴测图C. 透视图D. 侧视图答案:A9. 化工制图中,表示管道分支的符号是:A. 一个圆圈B. 一个叉号C. 一个箭头D. 一个点答案:A10. 化工制图中,表示管道阀门关闭状态的符号是:A. 一个圆圈B. 一个叉号C. 一个箭头D. 一个点答案:B二、填空题(每题2分,共20分)1. 在化工制图中,管道的尺寸通常用________表示。
答案:直径2. 化工制图中,设备的位置通常用________来表示。
答案:坐标3. 化工制图中,管道的材质通常用________来表示。
答案:符号4. 在化工制图中,表示管道内流体压力的符号是________。
答案:P5. 化工制图中,表示管道内流体温度的符号是________。
答案:T6. 化工制图中,设备的操作条件通常用________来表示。
答案:注释7. 在化工制图中,表示管道内流体速度的符号是________。
答案:V8. 化工制图中,表示管道内流体流量的符号是________。
化工制图与识图习题(含答案)一、单选题(共19题,每题1分,共19分)1.关于物料名称及代号错误的是()A、IS表示工艺固体B、再表示工艺流体C、LS表示高压强汽正确答案:C2.Ra、Rz分别代表()A、轮廓算术平均偏差、轮廓最大高度B、轮廓最大高度、轮廓算术平均偏差C、轮廓最小高度、轮廓最大高度正确答案:A3.管理布置图说法正确的是()A、需要标注与设备有关的建筑物的尺寸B、标题栏上行写平面下行写布置图C、安装方位标一般南向标志正确答案:A4.管道布置图的绘制说法正确的是()A、不需要选比例B、绘制视图用粗线画出建筑物C、需要确定管道布置图的表达方案正确答案:C5.下列属于A2图幅的尺寸是()A、1189*841B、210﹡297C、420﹡594正确答案:C6.关于设备分类代号表示正确的是()A、塔:SB、容器:当C、反应器中正确答案:C7.当设备的直径超过()mm时,应开设人孔。
A、800B、900C、600正确答案:B8.下列说法正确的是()A、向视图只允许向特定方向的基本视图B、向视图是剖视图C、向视图是可以自由配置的基本视图正确答案:C9.在管道布置图上标注标高流法错误的是()A、当标高以管底为基准时,加注管底代号“DPELSI、SIT”B、管道之间间隔较小时。
允许引出标准。
C、当标高以量道中心线为基准时,只需要标注“配置、证件”正确答案:A10.下列不属于化工设备结构特点的是()A、壳体以回转体为主B、大量采用螺纹连接C、尺寸大小相差悬殊正确答案:B11.通常以管道与管件为主体,用来指导生产与施工的工程技术图样。
称为()A、设备图B、管道图C、流程图正确答案:B12.下列不属于普通布置图的内容是()A、断面图B、足够的尺寸C、一组视图正确答案:A13.关于管架错误的是()A、管架是起支撑管道作用B、管架类别A表示固定架C、管架类别K表示吊架正确答案:C14.管道通常不需要用《》管件连接起来。
化工制图习题考核一、选择题(每题2分,共20分。
)1.制图国家标准规定,图纸幅面尺寸应优先选用()种基本幅面尺寸。
[单选题] *2.某产品用放大一倍的比例绘图,在标题栏比例项中应填写()。
[单选题] *3.图样上机件的轮廓线用()表示。
[单选题] *4.工程上常用的()有中心投影法和平行投影法。
[单选题] *5.右图中的直线AB应是()。
[单选题] *6.正平线在()面上的投影反应实长。
[单选题] *7.主视图反应物体的()关系。
[单选题] *8.内螺纹的规定画法:大径用细实线,小径用()螺纹终止线用粗实线。
[单选题] *9.剖视图中,通用剖面线是与图形的主要轮廓线或剖面区域的对称线成45°的()。
[单选题] *10.以下()不是装配图中的内容。
[单选题] *二、填空题(每空2分,共20分。
)1.机件的真实大小应以图样上所标注的____________数值为依据,与图形的____________及绘图的准确度无关。
[填空题] *空1答案:尺寸空2答案:大小2.在画组合体三视图时,对组合体进行分析有__________________和__________________两种方式。
[填空题] *空1答案:形体分析法空2答案:线面分析法3.三视图中图形之间的对应关系是三等关系,即_________________________________。
[填空题] *空1答案:长对正,高平齐,宽相等4.视图主要用于表达机件的___________结构形状,剖视图主要表达机件的__________结构形状。
[填空题] *空1答案:外部空2答案:内部5.螺距(P)、导程(Ph)、线数(n)之间的关系是______。
[填空题] *空1答案:P=Ph/n6. 粗牙普通螺纹,公称直径20,螺距2.5,中、顶径公差带7H,短旋合长度,右旋。
标出规定代号______。
[填空题] *空1答案:M20-7H-S7.左、俯视图远离主视图的一边,表示形体的_______面。
化工制图习题集答案(DOC)1-4 标注下列图形的尺寸学号班级姓名姓名学号1-4 标注下列图形的尺寸1-5 标注尺寸(尺寸从图中量取,取整数)学号班级姓名1-6 线型练习姓名班级学号1-7 用1:1比例抄画图形姓名学号1-8 完成下列图形的线段连接,比例1:1,标注出圆心和切点1-9 几何作图学号班级姓名1-10 平面图形的作图(一)班级学号姓名1-11 平面图形的作图(二)学号班级姓名1-12 平面图形的作图(三)姓名学号姓名班级学号2-1 由物体的立体图选择三视图14学号班级姓名第二章 投影基础2-2 由物体的立体图绘制三视图15班级姓名学号2-3 点的投影学号班级姓名2-4 点的投影学号班级姓名5.侧平线4. 正垂线1.正平线2-5 画出所给直线的投影图,并填空(其他条件自定)2.侧垂线183.水平线6.铅垂线面投影反应实长面投影平行OX轴面投影平行OZ轴面投影平行OY轴面投影平行OX轴面投影反应实长面投影反应实长面投影反映实长投影积聚为一点投影积聚为一点面投影反映实长面投影平行OY轴面投影平行OZ轴面投影反映实长投影积聚为一点学号班级姓名012-6 直线的投影学号班级姓名2-7 直线的投影学号班级姓名212.2-8 作出平面的另一面投影1.4. 5. 6.3.学号班级姓名4.找出A、B面的三面投影,并涂黑标记。
3.在平面ABC上求点K,使K点与H面和V面的距离都等于15mm。
1.点M在平面ABC上,作出M点的另二面投影。
2-9 平面上的直线和点2.作出平面ABCD的V面投影。
22学号班级姓名232.3-1 补画基本几何体的第三面投影,并画出表面上点、直线的另二面投影1.3. 4.学号班级姓名4.3.1.3-2 补画带切口几何体的第三视图2.24学号班级姓名252.3-3 补画带切口几何体的三视图1.3. 4.学号班级姓名4.3.1.3-4 补画带切口几何体的三视图2.26学号班级姓名272.3-5 已知基本几何体的三面投影,画出表面上点的另二面投影1.3. 4.学号班级姓名4.3.1.3-6 补画基本几何体的第三面投影,并画出表面上线段的另二面投影2.28学号班级姓名姓名3-8 补画基本几何体的第三面投影班级Array学号姓名292.3-7 补画带切口几何体的第三视图1.3. 4.学号班级姓名4.3.1.3-9 补画带切口几何体的三视图 2.31学号班级姓名3-10 标注下列形体的尺寸学号班级姓名334-1 轴测图1. 根据视图画出管道的正等轴测图d a (b)ce eˊa"(b")c"d"(e")cˊa ˊb ˊ(d ˊ) 2. 根据管道轴测图,判断其空间走向.A 该管道自A 点向(上)、向(右)、向(下)、向(前)、向(右)、向(下)、向(左)到达B 点。
化工制图试题及答案# 化工制图试题及答案## 一、选择题(每题2分,共20分)1. 化工制图中,表示管道流动方向的符号是:A. 箭头B. 圆圈C. 波浪线D. 直线2. 下列哪个不是化工设备图的组成部分?A. 标题栏B. 材料表C. 工艺流程图D. 组织结构图3. 化工制图中,管道直径的标注应使用:A. 毫米B. 英寸C. 米D. 厘米4. 化工设备图中,阀门的表示方法通常是:A. 用文字说明B. 用符号表示C. 用图形表示D. 用颜色区分5. 化工制图中,泵的表示方法通常包括:A. 泵的型号B. 泵的功率C. 泵的流量D. 所有以上## 二、填空题(每空2分,共20分)1. 化工制图中,管道的________是用来表示管道的材质。
2. 化工设备图中,________是用来表示设备内部结构的图。
3. 化工制图中,________是表示设备或管道的连接方式。
4. 化工制图时,________是表示设备或管道的尺寸。
5. 在化工制图中,________是用来表示设备或管道的安装位置。
## 三、简答题(每题15分,共30分)1. 简述化工制图中管道布置图的作用及其重要性。
2. 描述化工制图中设备图的绘制步骤。
## 四、绘图题(共30分)1. 根据所给的化工流程图,绘制出相应的管道布置图。
(15分)2. 绘制一个简单的化工设备图,包括设备的基本视图和必要的标注。
(15分)## 答案### 一、选择题1. A2. D3. A4. B5. D### 二、填空题1. 管道材质标记2. 剖面图3. 连接符号4. 尺寸线和尺寸数字5. 定位轴线### 三、简答题1. 管道布置图是化工制图中的重要组成部分,它详细展示了管道的走向、连接方式、阀门和仪表的位置等信息。
管道布置图在化工工程设计和施工中具有重要作用,它有助于确保管道系统的合理布局,避免施工过程中的错误和返工,同时也为设备的维护和检修提供了便利。
2. 化工制图中设备图的绘制步骤通常包括:- 确定设备的外形尺寸和基本参数。
化工绘图考试题及答案一、选择题(每题2分,共10分)1. 在化工制图中,表示管道连接的符号是:A. 直线B. 虚线C. 点划线D. 双点划线答案:B2. 化工流程图中,表示泵的图形符号是:A. 圆形B. 矩形C. 菱形D. 三角形答案:C3. 化工设备图中,表示阀门的符号是:A. 圆形B. 矩形C. 椭圆形D. 扇形答案:D4. 在化工制图中,表示管道直径的标注方法是:A. 直接标注数字B. 使用直径符号(ø)后跟数字C. 使用字母“D”后跟数字D. 使用字母“N”后跟数字答案:B5. 化工流程图中,表示压缩机的图形符号是:A. 圆形B. 矩形C. 菱形D. 椭圆形答案:B二、填空题(每题2分,共10分)1. 化工制图中,管道的走向通常用______表示。
答案:箭头2. 在化工设备图中,表示容器内部结构的视图是______视图。
答案:剖面3. 化工流程图中,表示反应器的图形符号通常是______。
答案:椭圆形4. 化工制图中,管道的厚度通常用______表示。
答案:线型5. 在化工制图中,表示管道连接处的法兰盘的符号是______。
答案:双线圆三、简答题(每题10分,共20分)1. 简述化工制图中管道的标注方法。
答案:化工制图中管道的标注方法包括管道的编号、直径、长度、材料、压力等级等。
管道编号通常用字母和数字组合表示,如A-101表示A系统的第一根管道。
直径用直径符号(ø)后跟数字表示,如ø100表示直径为100mm的管道。
长度和材料则根据实际情况标注,压力等级则用字母和数字组合表示,如PN16表示公称压力为16bar的管道。
2. 描述化工流程图中常见的图形符号及其代表的设备。
答案:化工流程图中常见的图形符号包括:圆形表示容器,如储罐;矩形表示换热器;菱形表示泵;椭圆形表示反应器;扇形表示阀门;三角形表示压缩机。
这些图形符号用于直观地表示流程图中各个设备的位置和类型。
化工制图与识图习题库与参考答案一、判断题(共100题,每题1分,共100分)1、为了避免增加视图或剖视,对回转体上的平面可用细实线绘出对角线表示。
A、正确B、错误正确答案:A2、物料名称及代号TS为蒸汽冷凝水。
A、正确B、错误正确答案:B3、设备分类代号P表示塔。
A、正确B、错误正确答案:B4、管道组合号PG0302-219,219代表工段号。
A、正确B、错误正确答案:B5、由钢板卷焊而成的筒体,其公称直径是指筒体的内径。
A、正确B、错误正确答案:A6、同一位号的多台设备,在平面图上要全部画出设备外形。
A、正确B、错误正确答案:B7、局部剖视范围必须要大于全剖视图的一半。
A、正确B、错误正确答案:B8、管口方位图采用A4图幅,以简化的平面图形绘制。
A、正确B、错误正确答案:A9、尺寸种类一般分为定形尺寸、定位尺寸和总体尺寸。
A、正确B、错误正确答案:A10、在绘制管道布置图时要用细线按比例画出墙、门、窗等建筑物。
A、正确B、错误正确答案:A11、管架GS-1101中11表示管架序号。
A、正确B、错误正确答案:B12、局部剖视范围必须要小于全剖视图的一半。
A、正确B、错误正确答案:B13、管道尺寸一般不需要标注公称直径。
A、正确B、错误正确答案:B14、手孔的标准直径有DN180和DN360两种。
A、正确B、错误正确答案:B15、要用细线按规定符号画出管道上的管件、阀门、管道附件、特殊管件等。
A、正确B、错误正确答案:A16、在绘制管道布置图时要预留管口表和标题栏的位置。
A、正确B、错误正确答案:A17、设备布置图用中粗线画设备支架、基础轮廓。
A、正确B、错误正确答案:A18、PID图不按比例画,但要保持它们的相对大小及位置高低。
A、正确B、错误正确答案:A19、在处理有毒、易燃、易爆的介质时,要求密封性能好,安全装置可靠。
A、正确B、错误正确答案:A20、三视图的投影规律为主、俯视图长对正(等长)。
【最新整理,下载后即可编辑】化工制图复习题1. 化工行业中常用的工程图样的分类。
答:化工机器图、化工设备图和化工工艺图。
2. 化工设备零部件的种类分为哪两大类?举例说明。
答:① 化工机器。
指主要作用部件为运动的机械,如各种过滤机,破碎机,离心分离机、旋转窑、搅拌机、旋转干燥机以及流体输送机械等。
②化工设备。
指主要作用部件是静止的或者只有很少运动的机械,如各种容器(槽、罐、釜等)、普通窑、塔器、反应器、换热器、普通干燥器、蒸发器,反应炉、电解槽、结晶设备、传质设备、吸附设备、流态化设备、普通分离设备以及离子交换设备等。
3. 筒体(钢板卷制、无缝钢管)公称直径如何确定?(外径、内径各为多少?)答:一般来说,直径从300mm至6000mm,筒体可由钢板卷焊而成,其工程直径为筒体的内径;当DN在1000mm以内时每增加50mm为一个直径档次,在1000~6000mm时每增加100mm为一个直径档次。
直径小于500mm时,可以直接使用无缝钢管来作筒体,其工程直径为同体的外径。
4. 椭圆封头公称直径如何确定?(外径、内径各为多少?)答:其长轴为短轴的2倍,JB/T4746——2002《钢制压力容器用封头》规定,以内径为标准椭圆形代号为EHA,以外径为标准的椭圆形封头代号为E HB。
5. 筒体与封头的连接方式有哪些?答:直接焊接、法兰连接。
6. 管法兰的分类?答:一个是由国家质量技术监督局批准的管法兰国家标准GB/T9112~9124—2000另一个是化工行业标准HG20592~20635—2009《钢制管法兰、垫片、紧固件》。
8. 管法兰按其与管子的连接方式分为哪几类。
答:平焊法兰、对焊法兰、螺纹法兰、承插焊法兰、松套法兰。
9. 压力容器法兰分为哪几类?密封面形式有几种?答:有甲型平焊法兰、乙型平焊法兰和长颈对焊法兰,其密封面形式有平面型密封、凹凸面密封、榫槽面密封。
11. 球形、椭圆、碟形、锥形、平板封头的特点。
化工制图与识图测试题含答案一、单选题(共19题,每题1分,共19分)1.关于管道组合号PG0302-228流改正确的是( )A、03表示工段号B、PG表示管道序号C、228表示工段号正确答案:A2.国家标准规定,机械图样中的尺寸以( )为单位。
A、米B、厘米C、毫米正确答案:C3.关于不属于化工工艺流程图组成的是( )A、方框图B、管道布置图C、首页图正确答案:B4.Ra、Rz分别代表( )A、轮廓算术平均偏差、轮廓最大高度B、轮廓最大高度、轮廓算术平均偏差C、轮廓最小高度、轮廓最大高度正确答案:A5.关于物料名称及代号错误的是( )A、IS表示工艺固体B、再表示工艺流体C、LS表示高压强汽正确答案:C6.下列属于A2图幅的尺寸是( )A、1 189*841B、210﹡297C、420﹡5947.在管道布置图上标注标高流法错误的是( )A、管道之间间隔较小时。
允许引出标准。
B、当标高以管底为基准时,加注管底代号“DPELSI、SIT”C、当标高以量道中心线为基准时,只需要标注“配置、证件”正确答案:B8.下列说法正确的是( )A、向视图只允许向特定方向的基本视图B、向视图是剖视图C、向视图是可以自由配置的基本视图正确答案:C9.关于断面图分类中不属于的是( )A、半剖视图B、移出断面C、重合断面正确答案:A10.下列不属于化工设备上一些常用的零部件的是( )A、泵B、液面计C、封头正确答案:A11.下列不属于剖视图的种类是( )A、全部视图B、断面图C、局部剖视正确答案:B12.基本视图有几种( )A、4B、6C、5D、313.关于管架错误的是( )A、管架是起支撑管道作用B、管架类别A表示固定架C、管架类别K 表示吊架正确答案:C14.下列不属于普通布置图的内容是( )A、足够的尺寸B、断面图C、一组视图正确答案:B15.管道通常不需要用《》管件连接起来。
A、法兰B、塔C、弯头正确答案:B16.化工设备安装在基础或其他构件上所需要的尺寸称为( )。
1-4 标注下列图形的尺寸班级姓名学号不得用于商业用途不得用于商业用途姓名学号1-4 标注下列图形的尺寸1-5 标注尺寸(尺寸从图中量取,取整数)班级姓名学号不得用于商业用途1-6 线型练习班级学号姓名不得用于商业用途1-7 用1:1比例抄画图形姓名学号不得用于商业用途For personal use only in study and research; not for commercial use 不得用于商业用途1-8 完成下列图形的线段连接,比例1:1,标注出圆心和切点不得用于商业用途1-9 几何作图班级姓名学号不得用于商业用途1-10 平面图形的作图(一)班级学号姓名不得用于商业用途For personal use only in study and research; not for commercial use 不得用于商业用途1-11 平面图形的作图(二)班级姓名学号不得用于商业用途1-12 平面图形的作图(三)姓名学号不得用于商业用途不得用于商业用途姓名班级学号不得用于商业用途2-1 由物体的立体图选择三视图14学号班级姓名第二章 投影基础2-2 由物体的立体图绘制三视图15班级姓名学号不得用于商业用途2-3 点的投影班级姓名学号不得用于商业用途2-4 点的投影班级姓名学号不得用于商业用途不得用于商业用途5.侧平线4. 正垂线1.正平线2-5 画出所给直线的投影图,并填空(其他条件自定)2.侧垂线183.水平线6.铅垂线面投影反应实长面投影平行OX轴面投影平行OZ轴面投影平行OY轴面投影平行OX轴面投影反应实长面投影反应实长面投影反映实长投影积聚为一点投影积聚为一点面投影反映实长面投影平行OY轴面投影平行OZ轴面投影反映实长投影积聚为一点学号班级姓名012-6 直线的投影班级姓名学号不得用于商业用途2-7 直线的投影班级姓名学号不得用于商业用途不得用于商业用途 212.2-8 作出平面的另一面投影1.4. 5. 6.3.学号班级姓名不得用于商业用途 4.找出A、B面的三面投影,并涂黑标记。
化工制图与识图习题库及答案一、单选题(共19题,每题1分,共19分)1.化工设备安装在基础或其他构件上所需要的尺寸称为()。
A、装配尺寸B、安装尺寸C、其他尺寸正确答案:B2.当设备的直径超过()mm时,应开设人孔。
A、800B、600C、900正确答案:C3.关于公差说法正确的是()A、公差为负B、公差可能为正、负或零C、公差为正正确答案:B4.关于设备分类代号表示正确的是()A、容器:当B、反应器中C、塔:S正确答案:B5.下列说法正确的是()A、向视图只允许向特定方向的基本视图B、向视图是可以自由配置的基本视图C、向视图是剖视图正确答案:B6.管道通常不需要用《》管件连接起来。
A、弯头B、法兰C、塔正确答案:C7.图样上所注尺寸,为该图样所示机件的(),否则应别加说明。
A、最后完工尺寸B、留有加工余量尺寸C、测量尺寸正确答案:A8.压力较高的设备,一般选用直径为()mm的人孔。
A、500B、400C、600正确答案:B9.关于管道组合号PG0302-228流改正确的是()A、03表示工段号B、228表示工段号C、PG表示管道序号正确答案:A10.通常以管道与管件为主体,用来指导生产与施工的工程技术图样。
称为()A、流程图B、管道图C、设备图正确答案:B11.合理布置管道时不需要考虑的是()A、物料因素B、管道的生产价格C、便于操作及安全生产正确答案:B12.关于管道布置图说法正确的是()A、管道布置时要考虑便于操作及安全生产B、管道布置图又称为设备图C、管道布置无需考虑物科因素正确答案:A13.当空间平面平等投影面时,其投影与原平面形状大小()。
A、相比不确定B、相等C、不相等正确答案:B14.关于管架错误的是()A、管架是起支撑管道作用B、管架类别A表示固定架C、管架类别K表示吊架正确答案:C15.国家标准规定,机械图样中的尺寸以()为单位。
A、米B、厘米C、毫米正确答案:C16.不属于阅读零件图的方法或步骤的是()A、概括了解B、管道布置分析C、总结归纳正确答案:B17.关于物料名称及代号错误的是()A、LS表示高压强汽B、IS表示工艺固体C、再表示工艺流体正确答案:A18.关于不属于化工工艺流程图组成的是()A、管道布置图B、方框图C、首页图正确答案:A19.下列不属于化工设备上一些常用的零部件的是()A、泵B、液面计C、封头正确答案:A二、判断题(共81题,每题1分,共81分)1.穿越多层建筑物的设备,在每层平面上均需画出设备的平面位置并标注出其位号。
化工制图考试题及答案一、单项选择题(每题2分,共20分)1. 在化工制图中,用来表示管道内流体流动方向的线是:A. 粗实线B. 细实线C. 虚线D. 点划线答案:B2. 化工制图中,用于表示设备内部结构的视图是:A. 俯视图B. 侧视图C. 剖视图D. 轴测图答案:C3. 化工制图中,表示管道连接的符号是:A. 圆圈B. 矩形C. 三角形D. 菱形答案:A4. 在化工制图中,用于表示阀门的符号是:A. 圆形B. 矩形C. 椭圆形D. 菱形答案:D5. 化工制图中,用于表示泵的符号是:A. 圆形B. 矩形C. 椭圆形D. 菱形答案:C6. 化工制图中,用于表示换热器的符号是:A. 圆形B. 矩形C. 椭圆形D. 菱形答案:B7. 在化工制图中,表示管道直径的标注方法是:A. DNB. ΦC. DD. d答案:A8. 化工制图中,表示管道壁厚的标注方法是:A. DNB. ΦC. SD. d答案:C9. 在化工制图中,表示法兰连接的符号是:A. 圆圈B. 矩形C. 三角形D. 菱形答案:B10. 化工制图中,用于表示过滤器的符号是:A. 圆形B. 矩形C. 椭圆形D. 菱形答案:A二、多项选择题(每题3分,共15分)11. 化工制图中,以下哪些元素是管道布置图中必须包含的:A. 管道编号B. 管道直径C. 管道材料D. 管道颜色答案:A, B, C12. 在化工制图中,以下哪些视图是常见的:A. 主视图B. 左视图C. 俯视图D. 右视图答案:A, B, C13. 化工制图中,以下哪些符号用于表示不同类型的阀门:A. 闸阀B. 球阀C. 蝶阀D. 止回阀答案:A, B, C, D14. 在化工制图中,以下哪些标注是用于表示管道特性的:A. 压力B. 温度C. 流量D. 材料答案:A, B, C, D15. 化工制图中,以下哪些是设备图的组成部分:A. 设备编号B. 设备名称C. 设备尺寸D. 设备材质答案:A, B, C, D三、判断题(每题2分,共20分)16. 在化工制图中,所有的尺寸线都应该从图形的外部引出。
化工制图习第五版答案1、以下哪种分离方法是利用分子筛的原理的()[单选题] *A吸附色谱法B萃取法C沉淀法D透析法(正确答案)2、南五味子保肝的主要效药效成分是()[单选题] *A蒽醌B香豆素C黄酮D木脂素(正确答案)3、在简单萃取法中,一般萃取几次即可()[单选题] *A3~4次(正确答案)B1~2次C4~5次D3~7次4、中药补骨脂中的补骨脂内脂具有()[单选题] *A抗菌作用B光敏作用(正确答案)C解痉利胆作用D抗维生素样作用5、以下不属于吸附色谱法的操作步骤的是()[单选题] *A制板B洗脱(正确答案)C点样D显色6、除了能够沉淀有羧基或邻二酚羟基成分,还能沉淀一般酚羟基成分的是()[单选题] * A碱式醋酸铅(正确答案)B中性醋酸铅C酸碱沉淀法D以上都不对7、即有一定亲水性,又能与水分层的是()[单选题] *A正丁醇B乙酸乙酯C二者均是(正确答案)D二者均非8、凡具有()的木脂素,与三氯化铁反应,呈阳性()[单选题] *A酚羟基(正确答案)B羧酸C醇羟基D氨基9、羟基蒽醌类化合物中,大黄素型和茜草素型主要区别于()[单选题] * A羟基位置B羟基数目C羟基在不同苯环上的分布(正确答案)D羟基数目10、挥发油常见属于哪类萜类化学物()[单选题] *A半萜与单萜B单贴与倍半萜(正确答案)C倍半萜与二萜D二萜与三萜11、E易酶解苷类成分关于亲水性有机溶剂,说法正确的有()*A极性大(正确答案)B极性小C水不相溶D与水部分相溶12、厚朴酚的结构类型为()[单选题] *A简单木脂素B单环氧木脂素C木脂内酯D新木脂素(正确答案)13、下列不能作为极性吸附剂的是()[单选题] *A活性炭(正确答案)B氧化铝C硅胶D氧化镁14、从香豆素类的结构与分类看,下列属于简单香豆素类的是()[单选题] *A龙脑B七叶内酯(正确答案)C薄荷醇D西瑞香素15、萃取时易发生乳化现象的是()[单选题] *A简单萃取法(正确答案)B逆流连续萃取法C二者均是D二者均不是16、中药紫草中的主要有效成分属于()[单选题] *A苯醌类B萘醌类(正确答案)C蒽醌类D菲醌类17、下列方法中哪一个不是按照色谱法的操作形式不同而进行分类的()[单选题] * A离子交换色谱(正确答案)B薄层吸附色谱C纸色谱D吸附柱色谱18、具有光化学毒性的中药化学成分类型是()[单选题] * A多糖B无机酸C鞣质D呋喃香豆素(正确答案)19、倍半萜和二萜在化学结构上的明显区别是()[单选题] * A氮原子数不同B碳原子数不同(正确答案)C碳环数不同D硫原子数不同20、浓缩速度快,又能保护不耐热成分的是()[单选题] * A水蒸汽蒸馏法B常压蒸馏法C减压蒸馏法(正确答案)D连续回流法21、提取遇热不稳定的成分宜用()[单选题] *A回流法B煎煮法C渗漉法(正确答案)D蒸馏法22、没有挥发性也不能升华的是()[单选题] *A香豆素苷类(正确答案)B游离蒽醌类C樟脑D游离香豆素豆素类23、中药厚朴中含有的厚朴酚是()[单选题] *A双环氧木脂素类B联苯环辛烯型木脂素类C环木脂内酯木脂素类D新木脂素类(正确答案)24、生物碱总碱的三氯甲烷溶液,用酸性不同的PH(由高到低)缓冲溶液萃取,最先萃取的生物碱是()[单选题] *A碱性弱的B中等碱性C吡啶类D碱性强的(正确答案)25、关于黄酮类化合物,以下说法正确的是()[单选题] * A多为液态或呈挥发性B多为无色C因分子内多具有酚羟基,多呈酸性(正确答案)D易溶于水26、能影响黄酮类成分的溶解性的因素有(多选)()*A黄酮的类型(正确答案)B苷元上取代基的种类、数目和位置(正确答案)C糖基的数目和位置(正确答案)D分子立体结构(正确答案)27、在结晶溶剂的选择过程中首先要遵循的是()[单选题] * A成分的纯度(正确答案)B相似相容原理C冷却热饱和原理D以上都不对28、下列生物碱碱性最强的是()[单选题] *APkA=22BPkA=5(正确答案)CPkA=13DPkA=5829、以下黄酮类化合物中,以离子状态存在的是()[单选题] * A黄酮B花色素(正确答案)C二氢黄酮D查耳酮30、与明胶反应生成沉淀的成分是()[单选题] *A强心苷B皂苷C有机酸D鞣质(正确答案)。
化工制图习题集答案仅供学习与交流,如有侵权请联系网站删除 谢谢2 212.2-8 作出平面的另一面投影1.4. 5. 6.3.学号班级姓名仅供学习与交流,如有侵权请联系网站删除 谢谢3 4.找出A、B面的三面投影,并涂黑标记。
3.在平面ABC上求点K,使K点与H面和V面的距离都等于15mm。
1.点M在平面ABC上,作出M点的另二面投影。
2-9 平面上的直线和点2.作出平面ABCD的V面投影。
22学号班级姓名仅供学习与交流,如有侵权请联系网站删除 谢谢4232.3-1 补画基本几何体的第三面投影,并画出表面上点、直线的另二面投影1.3. 4.学号班级姓名仅供学习与交流,如有侵权请联系网站删除 谢谢5 4.3.1.3-2 补画带切口几何体的第三视图2.24学号班级姓名仅供学习与交流,如有侵权请联系网站删除 谢谢6 252.3-3 补画带切口几何体的三视图1.3. 4.学号班级姓名仅供学习与交流,如有侵权请联系网站删除 谢谢7 4.3.1.3-4 补画带切口几何体的三视图2.26学号班级姓名仅供学习与交流,如有侵权请联系网站删除 谢谢8 272.3-5 已知基本几何体的三面投影,画出表面上点的另二面投影1.3. 4.学号班级姓名仅供学习与交流,如有侵权请联系网站删除 谢谢9 4.3.1.3-6 补画基本几何体的第三面投影,并画出表面上线段的另二面投影2.28学号班级姓名仅供学习与交流,如有侵权请联系网站删除 谢谢10 292.3-7 补画带切口几何体的第三视图1.3. 4.学号班级姓名姓名3-8 补画基本几何体的第三面投影班级Array学号姓名1112 4.3.1.3-9 补画带切口几何体的三视图2.31学号班级姓名3-10 标注下列形体的尺寸班级姓名学号1314 334-1 轴测图1. 根据视图画出管道的正等轴测图d a (b)ce eˊa"(b")c"d"(e")cˊa ˊb ˊ(d ˊ) 2. 根据管道轴测图,判断其空间走向.A 该管道自A 点向(上)、向(右)、向(下)、向(前)、向(右)、向(下)、向(左)到达B 点。
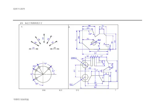
1-4 标注下列图形的尺寸
班级姓名
学号
1
2
姓名
学号1-4 标注下列图形的尺寸
1-5 标注尺寸(尺寸从图中量取,取整数)
班级姓名
学号
3
1-6 线型练习
班级学号
姓名
4
1-7 用1:1比例抄画图形
姓名
学号
5
1-8 完成下列图形的线段连接,比例1:1,标注出圆心和切点
6
1-9 几何作图
班级姓名
学号
7
1-10 平面图形的作图(一)
班级学号
姓名
8
1-11 平面图形的作图(二)
班级姓名
学号
9
1-12 平面图形的作图(三)
姓名学号10
11
姓名班级学号
12
2-1 由物体的立体图选择三视图14学号班级姓名第二章 投影基础
2-2 由物体的立体图绘制三视图
15
班级姓名
学号
13
2-3 点的投影
班级姓名
学号
14
2-4 点的投影
班级姓名
学号
15
16 5.侧平线4. 正垂线1.正平线2-5 画出所给直线的投影图,并填空(其他条件自定)
2.侧垂线18
3.水平线
6.铅垂线
面投影反应实长面投影平行OX轴面投影平行OZ轴面投影平行OY轴
面投影平行OX轴面投影反应实长面投影反应实长
面投影反映实长投影积聚为一点投影积聚为一点面投影反映实长面投影平行OY轴面投影平行OZ轴面投影反映实长
投影积聚为一点学号班级姓名01
2-6 直线的投影
班级姓名
学号
17
2-7 直线的投影
班级姓名
学号
18
19 212.2-8 作出平面的另一面投影
1.4. 5. 6.
3.学号班级姓名
20 4.找出A、B面的三面投影,并涂黑标记。
3.在平面ABC上求点K,使K点与H面和V面的距离都等于15mm。
1.点M在平面ABC上,作出M点的另二面投影。
2-9 平面上的直线和点
2.作出平面ABCD的V面投影。
22学号班级姓名
21
232.
3-1 补画基本几何体的第三面投影,并画出表面上点、直线的另二面投影1.3. 4.
学号班级姓名
22 4.
3.1.3-2 补画带切口几何体的第三视图
2.
24
学号班级姓名
23 25
2.
3-3 补画带切口几何体的三视图
1.3. 4.
学号班级姓名
24 4.
3.1.3-4 补画带切口几何体的三视图
2.
26学号班级姓名
25 272.
3-5 已知基本几何体的三面投影,画出表面上点的另二面投影1.3. 4.
学号班级姓名
26 4.
3.1.3-6 补画基本几何体的第三面投影,并画出表面上线段的另二面投影2.
28
学号班级姓名
姓名3-8 补画基本几何体的第三面投影班级Array学号
姓名
27
28 292.3-7 补画带切口几何体的第三视图1.3. 4.
学号班级姓名
29 4.
3.1.3-9 补画带切口几何体的三视图
2.31
学号班级姓名
3-10 标注下列形体的尺寸
班级姓名
学号
30
31 33
4-1 轴测图
1. 根据视图画出管道的正等轴测图
d a (b)c
e eˊa"(b")
c"
d"(e")cˊa ˊb ˊ(d ˊ) 2. 根据管道轴测图,判断其空间走向.A 该管道自A 点向(上)、向(右)、向(下)、
向(前)、向(右)、向(下)、向(左)到达B 点。
起点
终点B
学号班级姓名第四章 轴测图
32
姓名班级学号4-2 根据视图画出平面体的正等测图
1. 2.
34
33 4.
4-3 根据视图画出曲面体的正等测图
3.1.班级 2.
姓名 学号35
34
姓名班级学号4-4 根据视图画出物体的斜二测图1. 2.
36
35 372.5-1 根据轴测图补全三视图1.3. 4.
姓名班级学号第五章 组合体
36 4.
2.1.
3.姓名班级学号5-2 根据轴测图,补画三视图38
37 4.
2.1.
3.姓名班级学号5-3 补画三视图所漏的线条39
38 4.
2.1.
3.姓名班级学号5-4 补画三视图所漏的线条40
39
姓名班级学号4.
2.1.
3.5-5 补画三视图所漏的线条41
40 4.
2.1.
3.姓名班级学号5-6 补画三视图所漏的线条42
41 4.
2.1.
3.姓名班级学号5-7 补画三视图所缺的线条
43
42
44姓名班级学号4.
2.1.
3.5-8 根据轴测图徒手绘制三视图
43
姓名班级学号5-9 根据轴测图绘制三视图(任选二个)
44 4.
2.1.
3.姓名班级学号5-10 根据二视图,补画第三视图46
45
姓名班级学号4.
2.1.
3.5-11 根据二视图,补画第三视图47
46 4.
2.1.
3.姓名班级学号5-12 根据二视图,补画第三视图48
47 4.
2.1.
3.姓名班级学号5-13 根据二视图,补画第三视图49
48
姓名班级学号5-15 标注下列组合体的尺寸
5-14 分析组合体尺寸,并补齐所缺的尺寸
姓名学号49
50。