绿地地形整理工程检验批质量验收记录表
- 格式:doc
- 大小:161.00 KB
- 文档页数:9
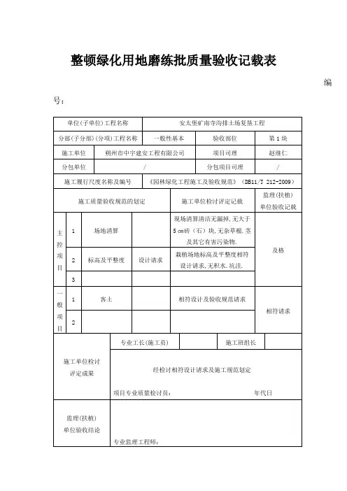
整理绿化用地检验批质量验收记录表编号:单位(子单位)工程名称安太堡矿南寺沟排土场复垦工程分部(子分部)(分项)工程名称一般性基础验收部位第1块施工单位朔州市中宇建安工程有限公司项目经理赵继仁分包单位/ 分包项目经理/施工执行标准名称及编号《园林绿化工程施工及验收规范》(DB11/T 212-2009)施工质量验收规范的规定施工单位检查评定记录监理(建设) 单位验收记录主控项目1 场地清理第5.1.2.1条现场清理干净无遗漏,无大于5㎝砖(石)块,无杂草根、茎及其它有害污染物。
合格2 标高及平整度设计要求栽植场地标高及平整度符合设计要求,无积水、坑洼。
3一般项目1 客土第5.1.3条符合设计及验收规范要求符合要求2施工单位检查评定结果专业工长(施工员) 施工班组长经检查符合设计要求及施工规范规定项目专业质量检查员:年月日监理(建设)单位验收结论专业监理工程师:(建设单位项目专业技术负责人):年月日编号:单位(子单位)工程名称安太堡矿南寺沟排土场复垦工程分部(子分部)(分项)工程名称一般性基础验收部位第2块施工单位朔州市中宇建安工程有限公司项目经理赵继仁分包单位/ 分包项目经理/施工执行标准名称及编号《园林绿化工程施工及验收规范》(DB11/T 212-2009)施工质量验收规范的规定施工单位检查评定记录监理(建设) 单位验收记录主控项目1 场地清理第5.1.2.1条现场清理干净无遗漏,无大于5㎝砖(石)块,无杂草根、茎及其它有害污染物。
合格2 标高及平整度设计要求栽植场地标高及平整度符合设计要求,无积水、坑洼。
3一般项目1 客土第5.1.3条符合设计及验收规范要求符合要求2施工单位检查评定结果专业工长(施工员) 施工班组长经检查符合设计要求及施工规范规定项目专业质量检查员:年月日监理(建设)单位验收结论专业监理工程师:(建设单位项目专业技术负责人):年月日编号:单位(子单位)工程名称安太堡矿南寺沟排土场复垦工程分部(子分部)(分项)工程名称一般性基础验收部位第3块施工单位朔州市中宇建安工程有限公司项目经理赵继仁分包单位/ 分包项目经理/施工执行标准名称及编号《园林绿化工程施工及验收规范》(DB11/T 212-2009)施工质量验收规范的规定施工单位检查评定记录监理(建设) 单位验收记录主控项目1 场地清理第5.1.2.1条现场清理干净无遗漏,无大于5㎝砖(石)块,无杂草根、茎及其它有害污染物。
景观绿化建设工程
绿地现场清理质量验收记录绿--1
景观绿化建设工程
种植土及肥料质量验收记录
绿--2
景观绿化建设工程
苗木运输假值质量验收记录
景观绿化建设工程
地形整理平整质量验收记录
绿--4
景观绿化建设工程
苗木质量验收记录
绿--5
景观绿化建设工程
苗木修剪质量验收记录
绿--6
景观绿化建设工程
种植穴、槽质量验收记录
绿--7
树木种植质量验收记录
景观绿化建设工程
苗木支撑、浇水质量验收记录
景观绿化建设工程草坪种植质量验收记录
景观绿化建设工程
花卉种植质量验收记录
绿--11
景观绿化建设工程
大树移植工程质量验收记录
绿--12
景观绿化建设工程
地下盲管工程质量验收记录
绿--13
景观绿化建设工程苗木进场清单
景观绿化建设工程植物成活率统计记录。
整顿绿化用地磨练批质量验收记载表
编号:
整顿绿化用地磨练批质量验收记载表
编号:
整顿绿化用地磨练批质量验收记载表
编号:
整顿绿化用地磨练批质量验收记载表
编号:
地形整顿磨练批质量验收记载表
编号:
地形整顿磨练批质量验收记载表
编号:
地形整顿磨练批质量验收记载表
编号:
地形整顿磨练批质量验收记载表
编号:
栽种穴(槽)磨练批质量验收记载表
编号:
栽种穴(槽)磨练批质量验收记载表
编号:
栽种穴(槽)磨练批质量验收记载表
编号:
栽种穴(槽)磨练批质量验收记载表
编号:
栽植磨练批质量验收记载表
编号:
栽植磨练批质量验收记载表
编号:
栽植磨练批质量验收记载表
编号:
栽植磨练批质量验收记载表
编号:
围堰磨练批质量验收记载表
编号:
围堰磨练批质量验收记载表
编号:
围堰磨练批质量验收记载表
编
号:
围堰磨练批质量验收记载表
编号:
支持磨练批质量验收记载表
编号:
浇灌水磨练批质量验收记载表
编号:
浇灌水磨练批质量验收记载表
编号:
浇灌水磨练批质量验收记载表
编号:
浇灌水磨练批质量验收记载表
编号:
浇灌水磨练批质量验收记载表
编号:
树木修剪磨练批质量验收记载表
编号:
树木修剪磨练批质量验收记载表
编号:
树木修剪磨练批质量验收记载表
编号:
树木修剪磨练批质量验收记载表
编号:。
栽植土检验批质量验收记录
栽植前场地清理检验批质量验收记录
栽植土回填及地形造型检验批质量验收记录
栽植土施肥和表层整理检验批质量验收记录
栽植穴(槽)检验批质量验收记录
植物材料检验批质量验收记录
苗木运输和假植检验批质量验收记录
浇灌水检验批质量验收记录
支撑检验批质量验收记录
大树挖掘包装检验批质量验收记录
大树吊运运输检验批质量验收记录
大树栽植检验批质量验收记录
草坪和草本地被分栽检验批质量验收记录
铺设草地及草卷检验批质量验收记录
施工期植物养护检验批质量验收记录
侧石安装检验批质量验收记录。
绿地地形整理工程检验批质量验收记录项目名称:绿地地形整理工程项目地点:(具体地址)验收单位:(具体单位)施工单位:(具体单位)一、工程概况:二、验收内容:本次验收主要对绿地地形整理工程的质量是否符合设计要求及相关规范进行检查。
1.地表整平:验收时,对绿地的地表进行测量,确保整平度符合相关规范要求。
同时对地表存在的突起和凹陷进行检查,确保地表平整度达标。
2.坡面处理:对绿地的坡面进行检查,确保坡度合理、坡面光滑、坡脚交界线整齐。
检查时应查看坡面的下沉、开裂情况,确保坡面处理质量。
3.地势塑造:地势塑造是绿地地形整理工程的重点,验收时应检查地势的高差和线条,确保地势的曲线自然、起伏合理。
4.花坛修建:对于绿地中的花坛,验收时应查看其造型和规模是否符合设计要求,花坛边缘是否整齐,同时要检查花坛中的土壤质量和植物的生长情况。
5.绿化植被:对于绿地的绿化植被,验收时要检查植被的种植密度和位置是否符合设计要求,同时要查看植被的健康状态和生长情况。
三、验收结果:根据对以上内容的检查,绿地地形整理工程的验收结果为:合格/不合格(请在相应选项前打勾)。
若验收结果为不合格,请在下方清楚注明不合格的具体项目及原因,并要求施工单位进行整改。
备注:__________________________________________________四、整改要求:对于不合格项目,施工单位需在验收结果检查表规定的时间内进行整改,并重新申请验收。
五、质量验收人员:1.验收单位负责人(签字):___________________________________2.验收人员(签字):_________________________________________六、日期:本次质量验收记录的日期为:______________________。
以上是绿地地形整理工程的质量验收记录。
施工单位在得到质量验收结果后,应及时进行整改,并重新申请验收,确保工程质量符合设计要求和相关规范。
种植土地形整理检验批质量验收记录一、项目基本信息项目名称:种植土地形整理项目地点:XX市XX区验收人员:XXX、XXX、XXX、XXX验收日期:20XX年XX月XX日二、验收内容1.土地整理标准:根据相关规定,进行土壤改良、平整处理,确保土地符合种植需求。
2.土壤质量测试:对整理完毕的土地进行土壤质量测试,包括PH值、有机质含量、沙粒、粘土含量等参数。
3.植被种植:进行植被种植,种植方法和密度符合规范要求。
4.排水系统:建设排水系统,确保土地排水良好。
三、验收过程及结果1.土地整理标准:-验收人员对土地进行了仔细观察,没有发现明显的问题,土地平整度良好。
-检查土地整理工程施工记录,确认土壤改良和平整工作按照设计要求进行。
-与施工方进行了沟通,了解到施工过程中严格按照相关规定进行施工,未发现违规行为。
2.土壤质量测试:-验收人员从已整理的土地中随机采集土壤样本,送至专业实验室进行测试。
-实验结果显示,土地的PH值为X.X,有机质含量为X.X%,沙粒含量为X.X%,粘土含量为X.X%。
-根据规范要求,土壤质量合格。
3.植被种植:-验收人员对植被进行了测量和观察,确认植被种植符合规范要求。
-根据设计文件和施工记录,植被种植工作按照设计要求进行,未发现违规行为。
4.排水系统:-验收人员对排水系统进行了检查,并进行了实际试水。
-试水结果显示,排水系统能够迅速排除积水,排水效果良好。
综上所述,经过全面的验收,种植土地形整理项目的质量符合设计要求和相关规范要求,验收合格。
四、存在的问题与建议1.问题:在验收过程中发现有少量杂草生长。
建议:请施工方对杂草进行清除,并加强日常的管理和维护工作,确保植被的良好生长。
2.问题:土壤PH值稍高,有机质含量稍低。
建议:请施工方加强土壤管理,进行适当的土壤改良和施肥,以改善土壤质量。
3.问题:排水系统的排放口设计不完善。
建议:请施工方对排放口进行改进,确保排放水流畅,避免积水。