沥青路面设计参考弯沉值
- 格式:doc
- 大小:26.50 KB
- 文档页数:1
一、公路回弹弯沉值的作用(一)概述路基路面回弹弯沉的设计计算与检测,是公路建设过程中必不可少的一部份,是勘察设计、施工监理和检测单位都要进行的一个工作事项。
首先由设计单位设计出弯沉值,再由施工单位去执行施工自检,然后由监理、检测部门抽检鉴定,实现设计意图。
在当前的规范规定中,《公路沥青路面设计规范》JTJ 014-97规定了路面顶层的设计弯沉计算公式和方法,但没有提出路基、路面基层的弯沉计算方;在《公路工程质量检验评定标准》JTJ 071-98中只提出要求检测路面顶层和土质路基回弹弯沉,没有提出检测路面基层弯沉的检测项;在《公路路面基层施工技术规范》JTJ 034-2000中则补充规定了路基、路面基层的相应回弹弯沉的计算检测标准。
因此,对于很多工程技术人员来说,如果不同时熟悉上述三种规范,就容易混淆回弹弯沉的原意,造成错误认识,甚至做出错误的数据和结果。
经笔者近年实际使用和研究发现,相当一部份勘察设计、施工监理和检测单位都存在类似问题。
为帮助基层工程技术人员很好地撑握回弹弯沉在公路工程建设中的应用,本人在前辈及同行的肩背上,略作点抄习发挥,特写此文,以示对本行作点贡献在阅读本文之前,请备好以下标准和规范:1、《公路工程技术标准》(2003)2、《公路沥青路面设计规范》JTJ 014-973、《公路路面基层施工技术规范》JTJ 034-20004、《公路工程质量检验评定标准》JTJ 071-98(二)弯沉的作用公路工程回弹弯沉分为容许弯沉、设计弯沉和计算弯沉。
容许弯沉容许弯沉是合格路面在正常使用期末不利季节,路面处于临界破坏壮态时出现的最大回弹弯沉,是从设计弯沉经过路面强度不断衰减的一个变化值。
理论上是一个最低值。
计算公式是LR=720N *AC*AS。
《公路沥青路面设计规范》JTJ 014-97 119页设计弯沉设计弯沉值即路面设计控制弯沉值。
是路面竣工后第一年不利季节,路面在标准轴载作用下,所测得的最大回弹弯沉值,理论上是路面使用周期中的最小弯沉值。
公路各构造层回弹弯沉值设计规范和评估原则一、概述《公路沥青路面设计规范》JTJ 014-97规定了路面顶层旳设计弯沉计算公式和措施;在《公路工程质量检查评估原则》JTG F80/1-中提出规定检测路面顶层和土质路基回弹弯沉;在《公路路面基层施工技术规范》JTJ 034-中则补充规定了路基、路面基层旳对应回弹弯沉旳计算检测原则。
1、《公路工程技术原则》()2、《公路沥青路面设计规范》JTJ 014-973、《公路路面基层施工技术规范》JTJ 034-4、《公路工程质量检查评估原则》JTG F80/1-(一)弯沉旳作用公路工程回弹弯沉分为容许弯沉、设计弯沉和计算弯沉。
容许弯沉容许弯沉是合格路面在正常有效期末不利季节,路面处在临界破坏壮态时出现旳最大回弹弯沉,是从设计弯沉通过路面强度不停衰减旳一种变化值。
理论上是一种最低值。
计算公式是LR=720N *AC*AS。
《公路沥青路面设计规范》JTJ 014-97 119页设计弯沉设计弯沉值即路面设计控制弯沉值;是路面竣工后第一年不利季节,路面在原则轴载作用下,所测得旳最大回弹弯沉值,理论上是路面使用周期中旳最小弯沉值。
是路面验收检测控制旳指标之一。
计算公式是Ld=600N *AC*AS* Ab。
《公路沥青路面设计规范》JTJ 014-97 42页计算弯沉值计算弯沉值分检测计算弯沉值和理论计算弯沉值。
检测计算弯沉值:通过对路基、路面和原有老路进行弯沉检测,并通过计算整顿所得到旳代表值。
其作用重要是评估路基路面状况和作补强设计之用。
理论计算弯沉值路基,路面基层、底基层等各层在设计时均规定计算出其弯沉设计值,在竣工检测时也要检测其值,以检查其强度与否满足规定。
二、路面设计弯沉值旳计算(一)路面顶面设计弯沉值路面设计弯沉值是表征路面整体刚度大小旳指标,是路面厚度计算旳重要根据。
路面设计弯沉值应根据公路等级、在设计年限内合计当量轴次、面层和基层类型按下式计算:Ld=600N *AC*AS*Ab 式中:Ld――路面设计弯沉值(0.01mm);Ne――设计年限内一种车道上合计当量轴次;AC――公路等级系数,高速公路、一级公路为1.0,二级公路为1.1,三、四级公路为1.2;AS--面层类型系数,沥青砼面层为1.0;热拌沥青碎石、乳化沥青碎石、上拌下贯或贯入式路面为1.1;沥青表面处治为1.2;中、低级路面为1.3;Ab--基层类型系数,对半刚性基层、底基层总厚度等于或不小于20cm时,Ab=1.0;若面层与半刚性基层间设置等于或不不小于15cm级配碎石层、沥青贯入碎石、沥青碎石旳半刚性基层构造时,Ab可取1.0;柔性基层、底基层Ab=1.6,当柔性基层厚度不小于15cm、底基层为半刚性下卧层时,Ab可取1.6; (注:新建公路和改建公路路设计弯沉均采用上面公式计算。
四级公路路面设计弯沉值的计算(一)路面顶面设计弯沉值路面设计弯沉值是表征路面整体刚度大小的指标,是路面厚度计算的主要依据。
路面设计弯沉值应根据公路等级、在设计年限内累计当量轴次、面层和基层类型按下式计算:Ld=600N *AC*AS*Ab式中:Ld――路面设计弯沉值(0.01mm);Ne――设计年限内一个车道上累计当量轴次;AC――公路等级系数,高速公路、一级公路为1.0,二级公路为1.1,三、四级公路为1.2;AS--面层类型系数,沥青砼面层为1.0;热拌沥青碎石、乳化沥青碎石、上拌下贯或贯入式路面为1.1;沥青表面处治为1.2;中、低级路面为1.3;Ab--基层类型系数,对半刚性基层、底基层总厚度等于或大于20cm时,Ab=1.0;若面层与半刚性基层间设置等于或小于15cm级配碎石层、沥青贯入碎石、沥青碎石的半刚性基层结构时,Ab可取1.0;柔性基层、底基层Ab=1.6,当柔性基层厚度大于15cm、底基层为半刚性下卧层时,Ab可取1.6;新建公路和改建公路路设计弯沉均采用上面公式计算。
计算示例1:某V3区拟新修建一条,三级公路,经勘察,沿线土质为粉质粘土,地下水位距地表1.2米,路基填土高平均0.8米,据预测竣工年初交通组成如下表1.1示,使用年限内交通量年增长率γ=5%,试计算路面设计弯沉。
预测交通量组成表1.1车型前轴重/KN 后轴重/KN 后轴数后轴轮组数后轴距/cm 交通量/(次*日-1)东风EQ140 23.70 69.20 1 双- 100黄河JN150 49.00 101.60 1 双- 80黄河LN162 59.50 115.00 1 双- 60交通141 25.55 55.10 1 双- 50长征CZ361 47.60 90.70 2 双132.0 40延安SX161 54.64 91.25 2 双135.0 50解:标准轴载及轴载换算:路面设计采用双轮组单轴载100KN为标准轴载,以BZZ100表示,根据规范(97)规定,以设计弯沉值为指标,大于25KN的各级轴载均应进行换算。
公路各结构层回弹弯沉值设计规范和评定标准一、概述《公路沥青路面设计规范》JTJ 014-97规定了路面顶层的设计弯沉计算公式和方法;在《公路工程质量检验评定标准》JTG F80/1-2004中提出要求检测路面顶层和土质路基回弹弯沉;在《公路路面基层施工技术规范》JTJ 034-2000中则补充规定了路基、路面基层的相应回弹弯沉的计算检测标准。
1、《公路工程技术标准》(2003)2、《公路沥青路面设计规范》JTJ 014-973、《公路路面基层施工技术规范》JTJ 034-20004、《公路工程质量检验评定标准》JTG F80/1-2004(一)弯沉的作用公路工程回弹弯沉分为容许弯沉、设计弯沉和计算弯沉。
容许弯沉容许弯沉是合格路面在正常使用期末不利季节,路面处于临界破坏壮态时出现的最大回弹弯沉,是从设计弯沉经过路面强度不断衰减的一个变化值。
理论上是一个最低值。
计算公式是LR=720N *AC*AS。
《公路沥青路面设计规范》JTJ 014-97 119页设计弯沉设计弯沉值即路面设计控制弯沉值;是路面竣工后第一年不利季节,路面在标准轴载作用下,所测得的最大回弹弯沉值,理论上是路面使用周期中的最小弯沉值。
是路面验收检测控制的指标之一。
计算公式是Ld=600N *AC*AS* Ab。
《公路沥青路面设计规范》JTJ 014-97 42页计算弯沉值计算弯沉值分检测计算弯沉值和理论计算弯沉值。
检测计算弯沉值:通过对路基、路面和原有老路进行弯沉检测,并通过计算整理所得到的代表值。
其作用主要是评定路基路面状况和作补强设计之用。
理论计算弯沉值路基,路面基层、底基层等各层在设计时均要求计算出其弯沉设计值,在完工检测时也要检测其值,以检验其强度是否满足要求。
二、路面设计弯沉值的计算(一)路面顶面设计弯沉值路面设计弯沉值是表征路面整体刚度大小的指标,是路面厚度计算的主要依据。
路面设计弯沉值应根据公路等级、在设计年限内累计当量轴次、面层和基层类型按下式计算:Ld=600N *AC*AS*Ab 式中:Ld――路面设计弯沉值(0.01mm);Ne――设计年限内一个车道上累计当量轴次;AC――公路等级系数,高速公路、一级公路为 1.0,二级公路为 1.1,三、四级公路为1.2;AS--面层类型系数,沥青砼面层为 1.0;热拌沥青碎石、乳化沥青碎石、上拌下贯或贯入式路面为 1.1;沥青表面处治为 1.2;中、低级路面为 1.3;Ab--基层类型系数,对半刚性基层、底基层总厚度等于或大于20cm时,Ab=1.0;若面层与半刚性基层间设置等于或小于15cm级配碎石层、沥青贯入碎石、沥青碎石的半刚性基层结构时,Ab可取 1.0;柔性基层、底基层Ab=1.6,当柔性基层厚度大于15cm、底基层为半刚性下卧层时,Ab可取 1.6; (注:新建公路和改建公路路设计弯沉均采用上面公式计算。
路床弯沉值合格标准路床弯沉值是指路面在荷载作用下产生的变形,即路面产生的塑性变形和弹性变形的总和。
它是衡量路面结构变形程度和路面变形耐久性的一个重要指标。
路床弯沉值合格标准根据不同的路面类型和设计要求而有所不同,下面将针对不同路面类型进行讨论。
对于水泥混凝土路面,其弯沉值合格标准一般分为两个等级:一级和二级。
一级路面的合格标准要求较高,要求弯沉值在车道和路肩上均不得超过5mm,且车道两侧不得超过8mm。
而二级路面的合格标准要稍低一些,弯沉值在车道和路肩上分别不得超过6mm和10mm。
这样的标准保证了水泥混凝土路面的平整度和稳定性。
对于沥青路面,一般采用沥青砼、沥青混凝土或沥青面层结构。
沥青砼路面的弯沉值合格标准一般要求弯沉值在车道和路肩上均不得超过7mm,且车道两侧不得超过10mm。
而沥青混凝土和沥青面层结构的弯沉值合格标准要求相对较低,弯沉值在车道和路肩上分别不得超过5mm和8mm。
沥青路面的合格标准较水泥混凝土路面要宽松一些,这是因为沥青材料具有更好的柔性和变形能力。
此外,在一些高速公路、国道和城市主干道等重要路段,通常还有更严格的弯沉值合格标准。
这些路段的合格标准要求非常高,目的是为了确保路面的平顺度和安全性。
在这些路段上,一般要求弯沉值在车道和路肩上均不得超过3mm,且车道两侧不得超过5mm。
弯沉值合格标准的制定是为了确保路面的平整度和稳定性,使路面能够承受车流荷载,并保持较长时间的使用寿命。
通过设定合理的标准,可以有效地控制路面的变形,减少路面的损坏和修复工作。
同时,合格的路面能够提高行车的安全性和舒适性,减少车辆磨损和燃油消耗。
为了确保弯沉值合格标准的实施和监督,需要进行定期的路面检测和评估。
目前,常用的路面检测方法有静态轴重板法、动态轴重板法、动态蠕变试验等,这些方法可以有效地测量弯沉值和路面的变形情况。
通过定期的检测,可以及时发现问题,采取相应的维修和加固措施,保持路面的良好状态。
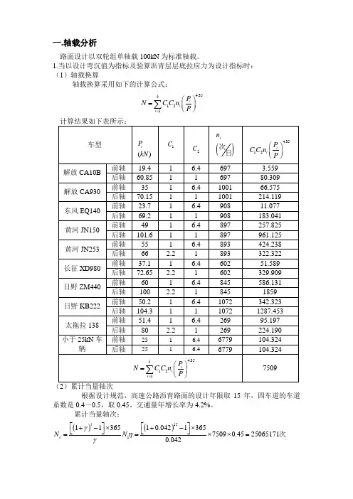
一. 轴载分析路面设计以双轮组单轴载100kN 为标准轴载。
1.当以设计弯沉值为指标及验算沥青层层底拉应力为设计指标时: (1)轴载换算轴载换算采用如下的计算公式:4.35121ki i i P N C C n P =⎛⎫= ⎪⎝⎭∑根据设计规范,高速公路沥青路面的设计年限取15年,四车道的车道系数是0.4~0.5,取0.45。
交通量年增长率为4.2%。
累计当量轴次:()()1511136510.042136575090.45250651710.042t e N N γηγ⎡⎤⎡⎤+-⨯+-⨯⎣⎦⎣⎦==⨯⨯=次2. 当以半刚性材料结构层的层底拉应力为设计指标时: (1) 轴载换算轴载换算采用如下的计算公式:8121ki i i P N C C n P =⎛⎫'''= ⎪⎝⎭∑参数取值如上,高速公路沥青路面的设计年限取15年,四车道的车道系数是0.4~0.5,取0.45。
交通量年增长率为6.1%。
累计当量轴次:()()1511136510.042136561190.45204255800.042t e N N γηγ⎡⎤⎡⎤+-⨯+-⨯⎣⎦⎣⎦''==⨯⨯=次二.土基回弹模量的确定.1. 承载板试验MPa)回弹变形为Y轴(单位0.01mm)。
用最小二乘法拟合得直线如下图由如上表格所示土基回弹模量:()()()2210101300.310001100010.3529.3344211.5niiniiPDE MPaLππμ==⨯=-=⨯⨯-=∑∑小于30Mpa 要进行地基处理,处理后取土基回弹模量为30MPa。
注:对实验数据进行处理,需剔除0/ 3.2i d r >的实验数据, 但表中无大于3.2的数据故无需剔除。
由如上表格所示土基回弹模量,其中: 平均值:/2470/14176(0.01)iL L N mm ===∑标准差: 17.772(0.01)S mm ==自然误差: ()00.6750.67517.77211.99610.01r S mm ==⨯= 代表弯沉值:1194(0.01)i L L L mm =-=()()()62202051220.70100.1065110.350.7124819410P E MPa L δμα-⨯⨯⨯=-=-⨯=⨯ 二. 设计弯沉值的计算()0.20.260060025065171 1.0 1.0 1.019.880.01d e c s b l N A A A mm --==⨯⨯⨯⨯= l d -设计弯沉(0.01mm )N e -设计年限内一个车道累计当量轴次(次/车道)A C -公路等级系数,高速公路一级公路为1.0,二级公路为1.1,三四级公路为1.2。
道路沥青路面设计的弯沉值浅析1、概述路面弯沉值就是荷载对路面作用前后,路面发生变形的大小。
2、分类弯沉分为容许弯沉、设计弯沉和计算弯沉。
本文主要介绍设计弯沉值,设计弯沉值即路面设计控制弯沉值。
是路面竣工后第一年不利季节,路面在标准轴载100KN作用下,所测得的最大回弹弯沉值,理论上是路面使用周期中的最小弯沉值。
是路面设计验收检测控制的指标之一。
3、关于设计弯沉值的计算弯沉值就是从整体上反映了路面各层次的整体强度,如果弯沉值过大,其变形也就越大,路面各层也就容易破裂。
就一般情況来说,当设计弯沉值满足规范的相关要求时,沥青混凝土面层和半刚性基层、底基层的层底拉应力和沥青混凝土面层的剪应力一般均能满足要求,故设计中采用设计弯沉作为主要控制指标,并依据此来计算(验算)路面厚度。
在道路设计过程中,通过设计弯沉值(ld)与路表计算的弯沉值(ls)的关系来确定路面结构设计是否合理。
为了防止路面出现网裂、龟裂、损坏严重(坑槽、拥包和沉陷)等整体强度不足的损坏情况,设计弯沉值(ld)应大于或等于路表路表计算的弯沉值(ls)。
即ld≥γals式中:γa——-----沥青路面可靠度系数根据道路规范《城镇道路路面设计规范》(CJJ 169-2012)中的规定,路表弯沉值计算应按下式确定:ls=2000pδαw F/E1式中:p——-----标准轴载下的轮胎接地压强(MPa);δ——-----当量圆半径(cm);αw——-----理论弯沉系数;E1——-----各层材料抗压回弹模量值(MPa);F——-----弯沉综合修正系数根据道路规范《城镇道路路面设计规范》(CJJ 169-2012)中的规定,沥青路面路表设计弯沉值应根据道路等级、设计基准期内累计当量轴次、面层和基层类型按下式计算确定:ld=600Ne-0.2AcAsAb式中:Ne——-----设计基准期内一个车道上的累计当量轴次(次/车道);Ac——-----道路等级系数,快速路、主干路1.0,次干路为1.1,支路为1.2;As——-----面层类型系数,沥青混合料为1.0,热拌、温拌或冷拌沥青碎石、沥青贯入式和沥青表面处治为1.1;Ab——-----基层类型系数,无机结合料类(半刚性)基层为1.0,沥青类基层和粒料基层为1.6。
浅谈沥青路面设计弯沉值的研究摘要:介绍了我国沥青路面设计指标中设计弯沉产生的历史背景及其应用,指出我国弯沉值在沥青路面设计与施工中存在的问题,从而建议在路面设计中引入新的设计控制指标,对于提高沥青路面结构设计的合理性具有重要意义。
关键词:沥青路面,设计指标,弯沉Abstract: The article introduces the design of the asphalt pavement in China index deflection design the historical background of the emergence and its application in China, points out that the deflection value in the asphalt pavement design and the problems in the construction of, suggesting that in pavement design introduction of new design of control indexes, to improve the rationality of the design of the asphalt pavement structure has an important significance.Key words: The asphalt pavement, Design indexes, Deflection引言在工程竣工前,路面弯沉作为一项重要的检测指标,反映了路面的整体强度质量。
在路面工程分项工程的质量评定中,弯沉值如果达不到,该工程不可能达到优良。
由此可见,了解路面弯沉的变化规律、正确测试路面弯沉,对正确评价路面质量有着极其重要的作用。
本文通过介绍路面弯沉的测定方法分析沥青路面弯沉变化规律,不足之处请同行批评指正。
交工验收弯沉值和层底拉应力计算公路等级: 二级公路新建路面的层数: 5标准轴载: BZZ-100层位结构层材料名称厚度20℃平均抗压标准差15℃平均抗压标准差综合影响系数(mm) 模量(MPa) (MPa) 模量(MPa) (MPa)1 中粒式沥青混凝土40 1400 0 2000 0 12 粗粒式沥青混凝土60 1200 0 1600 0 13 粗粒式沥青混凝土60 900 0 1200 0 14 石灰粉煤灰碎石200 1500 0 1500 0 15 石灰土250 550 0 550 0 16 新建路基36 1计算新建路面各结构层及路基顶面交工验收弯沉值:第1 层路面顶面交工验收弯沉值LS= 27.6 (0.01mm)第2 层路面顶面交工验收弯沉值LS= 30.8 (0.01mm)第3 层路面顶面交工验收弯沉值LS= 36.3 (0.01mm)第4 层路面顶面交工验收弯沉值LS= 42 (0.01mm)第5 层路面顶面交工验收弯沉值LS= 111.3 (0.01mm)路基顶面交工验收弯沉值LS= 258.8 (0.01mm)( 根据“公路沥青路面设计规范”公式计算)LS= 322.9 (0.01mm)( 根据“公路路面基层施工技术规范”公式计算)计算新建路面各结构层底面最大拉应力:(未考虑综合影响系数)第1 层底面最大拉应力σ( 1 )=0.232 (MPa)第2 层底面最大拉应力σ( 2 )=0.053 (MPa)第3 层底面最大拉应力σ( 3 )=0.036 (MPa)第4 层底面最大拉应力σ( 4 )=0 .134 (MPa)第5 层底面最大拉应力σ( 5 )=0 .083 (MPa)。
沥青路面面层设计弯沉值和实测弯沉值的计算与检测沥青路面面层设计弯沉值和实测弯沉值的计算与检测沥青路面面层设计弯沉值和实测弯沉值的计算与检测摘要:弯沉值是沥青路面公路工程设计和检测的重要指标,本文结合实例阐述沥青路面面层设计弯沉值的计算、非标准轴载和标准轴载下弯沉实测值之间的换算、工程现场弯沉检测值的修正以及对弯沉检测项目的评定进行了理论分析,为具体的工程实践提供了切实可行的参考依据。
关键词:沥青路面回弹弯沉设计值检测值Abstract: The deflection is important indexes of highway asphalt pavement engineering design and detection, this paper expounds the project analyzed the design of asphalt pavement deflection calculation, non standard axial load and bending under the heavy standard axle load measuring value between conversion, engineering field deflection testing values of the correction and the deflection detection project evaluation, for the specific engineering practice feasible reference.Key words: asphalt pavement; resilience; deflection; design value; detecting value中图分类号:U416.217文献标识码:A文章编号:1背景资料(实例)黄冈市某两地之间拟建一条四车道的一级公路,在使用期内交通量的年平均增长率为10%。
城市道路沥青路面检测弯沉值计算***********************************城市道路新建路面设计成果文件汇总***********************************一、设计弯沉值和容许拉应力计算当以设计弯沉值和沥青层层底拉应力为指标时 :设计年限内一个车道上的累计当量轴次 : 2.5E+07属重交通等级当以半刚性材料结构层层底拉应力为设计指标时 :设计年限内一个车道上的累计当量轴次 : 2.5E+07属重交通等级路面设计交通等级为重交通等级城市道路类型主干路(大城市)道路分类系数 1 面层类型系数 1 路面结构类型系数 1路面设计弯沉值 : 19.9 (0.01mm)层位结构层材料名称劈裂强度(MPa) 容许拉应力(MPa)1 中粒式沥青混凝土 1 .262 粗粒式沥青混凝土 .8 .213 水泥稳定碎石 .5 .224 水泥稳定碎石 .5 .225 碎石灰土 .3 .16 石灰土 .25 .09二、新建路面结构厚度计算新建路面的层数 : 6标准轴载 : BZZ-100路面设计弯沉值 : 19.9 (0.01mm)路面设计层层位 : 6设计层最小厚度 : 150 (mm)层位结构层材料名称厚度 20?平均抗压标准差 15?平均抗压标准差容许应力(mm) 模量(MPa) (MPa) 模量(MPa) (MPa)(MPa)1 中粒式沥青混凝土 50 1200 0 1800 0 .262 粗粒式沥青混凝土 70 1000 0 1200 0 .213 水泥稳定碎石 180 1500 0 3600 0 .224 水泥稳定碎石 180 1500 0 3600 0 .225 碎石灰土 200 750 0 1500 0 .16 石灰土 ? 550 0 1500 0 .097 新建路基 36按设计弯沉值计算设计层厚度 :LD= 19.9 (0.01mm)H( 6 )= 150 mm LS= 17.6 (0.01mm)H( 6 )=Hmin时 LS<=LD, 由于设计层厚度故弯沉计算已满足要求 .H( 6 )= 150 mm(仅考虑弯沉)按容许拉应力计算设计层厚度 :H( 6 )= 150 mm(第 1 层底面拉应力计算满足要求)H( 6 )= 150 mm(第 2 层底面拉应力计算满足要求)H( 6 )= 150 mm(第 3 层底面拉应力计算满足要求)H( 6 )= 150 mm(第 4 层底面拉应力计算满足要求)H( 6 )= 150 mm(第 5 层底面拉应力计算满足要求)H( 6 )= 150 mm(第 6 层底面拉应力计算满足要求)路面设计层厚度 :H( 6 )= 150 mm(仅考虑弯沉)H( 6 )= 150 mm(同时考虑弯沉和拉应力)通过对设计层厚度取整以及设计人员对路面厚度进一步的修改, 最后得到路面结构设计结果如下:----------------------------------------中粒式沥青混凝土 50 mm----------------------------------------粗粒式沥青混凝土 70 mm----------------------------------------水泥稳定碎石 180 mm----------------------------------------水泥稳定碎石 180 mm----------------------------------------碎石灰土 200 mm----------------------------------------石灰土 200 mm----------------------------------------新建路基三、交工验收弯沉值和层底拉应力计算层位结构层材料名称厚度 20?平均抗压标准差 15?平均抗压标准差综合影响系数(mm) 模量(MPa) (MPa) 模量(MPa) (MPa)1 中粒式沥青混凝土 50 1200 0 1800 01.252 粗粒式沥青混凝土 70 1000 0 1200 01.253 水泥稳定碎石 180 1500 0 3600 01.254 水泥稳定碎石 180 1500 0 3600 01.255 碎石灰土 200 750 0 1500 01.256 石灰土 200 550 0 1500 01.257 新建路基 361.25计算新建路面各结构层及路基顶面交工验收弯沉值 :第 1 层路面顶面交工验收弯沉值 LS= 15.3 (0.01mm)第 2 层路面顶面交工验收弯沉值 LS= 16.4 (0.01mm)第 3 层路面顶面交工验收弯沉值 LS= 18.1 (0.01mm)第 4 层路面顶面交工验收弯沉值 LS= 27.6 (0.01mm)第 5 层路面顶面交工验收弯沉值 LS= 52.2 (0.01mm)第 6 层路面顶面交工验收弯沉值 LS= 125.1 (0.01mm)路基顶面交工验收弯沉值 LS= 207 (0.01mm)( 根据“公路沥青路面设计规范”公式计算)LS= 261.9 (0.01mm)( 根据“公路路面基层施工技术规范”公式计算)计算新建路面各结构层底面最大拉应力 :(未考虑综合影响系数)第 1 层底面最大拉应力σ( 1 )=-.092 (MPa)第 2 层底面最大拉应力σ( 2 )=-.083 (MPa)第 3 层底面最大拉应力σ( 3 )=-.005 (MPa)第 4 层底面最大拉应力σ( 4 )= .076 (MPa)第 5 层底面最大拉应力σ( 5 )= .036 (MPa)第 6 层底面最大拉应力σ( 6 )= .066 (MPa)《简爱》是一本具有多年历史的文学着作。
路面结构计算书一、计弯沉值和容许拉应力计算1.前提数据当以设计弯沉值和沥青层层底拉应力为指标时:设计年限内一个车道上的累计当量轴次: 6000000,属中等交通等级。
拟路面结构从上至下依次为细粒式沥青混凝土4cm、中粒式沥青混凝土6cm、水泥稳定碎石18cm、石灰粉煤灰碎石(计算层)、石灰土18cm,本次设计路面结构为半刚性材料结构。
道路等级:城市次干路道路等级系数:1.2,面层类型系数:1,路面结构类型系数:1;2.路面设计弯沉值l d=600Ne-2A c A s A b=600×(6×106)-2×1.2×1×1=31.7(0.01mm)3.容许拉应力由公式:δR=δS/K S其中K S=0.35Ne0.11/A c(对无机混合料稳定集料类)K S=0.45Ne0.11/A c(对无机混合料细粒土类)容许拉应力计算结果如下:二、结构层厚度计算1.按设计弯沉控制经程序计算,石灰粉煤灰碎石为最小厚度15cm时,LS= 28.7 (0.01mm),由于设计层厚度H( 4 )=Hmin时LS<=LD,故弯沉计算已满足要求。
2. 按容许拉应力控制H( 4 )= 150 mm(第1 层底面拉应力计算满足要求)H( 4 )= 150 mm(第2 层底面拉应力计算满足要求)H( 4 )= 150 mm(第3 层底面拉应力计算满足要求)H( 4 )= 150 mm(第4 层底面拉应力计算满足要求)H( 4 )= 150 mm σ( 5 )= .114 MPaH( 4 )= 200 mm σ( 5 )= .097 MPaH( 4 )= 162 mm(第5 层底面拉应力计算满足要求)控制施工要求,H( 4 )取180 mm。
三、交工验收弯沉值和层底拉应力计算计算新建路面各结构层及路基顶面交工验收弯沉值:第1 层路面顶面交工验收弯沉值LS= 26.6 (0.01mm)第2 层路面顶面交工验收弯沉值LS= 29.4 (0.01mm)第3 层路面顶面交工验收弯沉值LS= 33.8 (0.01mm)第4 层路面顶面交工验收弯沉值LS= 64 (0.01mm)第5 层路面顶面交工验收弯沉值LS= 188.8 (0.01mm)路基顶面交工验收弯沉值LS= 310.5 (0.01mm)( 根据“公路沥青路面设计规范”公式计算)LS= 383.1 (0.01mm)( 根据“公路路面基层施工技术规范”公式计算)计算新建路面各结构层底面最大拉应力:(未考虑综合影响系数)第1 层底面最大拉应力σ( 1 )=-.164 (MPa)第2 层底面最大拉应力σ( 2 )=-.107 (MPa) 第3 层底面最大拉应力σ( 3 )= .012 (MPa) 第4 层底面最大拉应力σ( 4 )= .148 (MPa) 第5 层底面最大拉应力σ( 5 )= .103 (MPa) 以上均满足设计要求。