电子秒表的设计
- 格式:doc
- 大小:573.00 KB
- 文档页数:18
电子秒表设计课程设计一、课程目标知识目标:1. 学生能理解电子秒表的基本原理和功能,掌握计时器的工作流程。
2. 学生能够运用所学的电子元件和电路知识,设计并搭建一个简易的电子秒表。
3. 学生能够解释电子秒表中涉及的时间单位,如秒、分、时,并掌握它们之间的换算关系。
技能目标:1. 学生能够运用问题解决和团队合作的能力,完成电子秒表的电路设计和组装。
2. 学生通过实际操作,提升动手能力和实验技能,能够准确使用工具进行电子电路的搭建。
3. 学生能够通过编写简单程序或使用相关软件,实现对电子秒表的编程和功能调试。
情感态度价值观目标:1. 学生培养对电子技术和创新实践的热爱,增强对科学探究的兴趣。
2. 学生在学习过程中,发展耐心、细心和责任感,认识到精确计时在科学研究和技术发展中的重要性。
3. 学生通过小组合作,培养团队协作精神,尊重他人意见,学会共同解决问题。
课程性质:本课程是一门实践性与理论性相结合的综合性课程,旨在通过实际操作,使学生理解电子计时器的原理和应用。
学生特点:考虑到学生年级特点,他们已经具备一定的物理知识和动手能力,但需进一步培养创新思维和实际应用技巧。
教学要求:教学中应注重理论与实践的结合,鼓励学生主动探索,注重培养学生解决实际问题的能力和科学探究精神。
通过具体的学习成果,将课程目标转化为可观察、可评估的指标,为教学设计和评估提供依据。
二、教学内容本课程教学内容主要包括以下几部分:1. 电子秒表原理介绍:讲解计时器的基本工作原理,如振荡器、计数器、时钟脉冲等,关联课本第三章关于数字电路的内容。
2. 电子元件认知:学习常用电子元件如电阻、电容、二极管、三极管等,并了解它们在电子秒表中的作用,对应课本第二章电子元件的知识点。
3. 电路设计与搭建:根据电子秒表的功能需求,设计电路图,选用合适的电子元件进行电路搭建,结合课本第四章的电路设计原理。
4. 程序编写与调试:学习编写简单的程序或使用相关软件,实现对电子秒表的编程和功能调试,关联课本第五章关于微控制器的基础知识。
数电课程设计:电子秒表
电子秒表是一种常见的计时工具,它通过使用电子元件实现高精度的计时功能。
下面是一个基于数电的电子秒表的设计方案:
1. 运算部分设计:
- 使用一个1Hz的时钟源,可以通过计数器或者振荡器实现。
- 使用一个可重置的二进制计数器,位数根据需要的计时范
围确定。
例如,如果计时范围为1小时,可使用一个4位二进制计数器。
- 计时开始/停止控制逻辑:这可以通过一个开关电路实现,可以使用一个门电路或者触发器电路。
- 计数器重置逻辑:可以使用一个按钮或者开关来重置计数
器的值。
2. 显示部分设计:
- 使用数码管或者液晶显示器来显示计时结果。
数码管可以
使用共阳或者共阴的7段数码管。
- 使用译码器将计数器的二进制输出转换为译码信号,用于
控制数码管显示的数字。
3. 其他功能:
- 可以添加一个暂停功能,通过一个按钮或者开关来实现。
当计时中按下暂停按钮时,计时器会停止计数,再次按下暂停
按钮时,计时器继续计数。
- 可以添加一个拆表功能,通过一个按钮或者开关来实现。
按下拆表按钮时,计时器会记录当前的计时值,然后重置为0,再次按下拆表按钮时,计时器恢复原来的计时状态。
该设计方案中的电子秒表可根据实际需求进行调整和扩展,例如增加更多的功能按钮、调整计时范围和精度等。
同时,需要注意电路的稳定性和可靠性,以及对供电电源和信号的处理。
电子行业电子秒表系统设计简介电子秒表是一种非常常见和便捷的计时设备,广泛应用于电子行业的各种实验、测试和生产流程中。
本文将介绍电子行业中的电子秒表系统设计,包括硬件和软件方面的设计。
硬件设计1. 选择计时芯片电子秒表系统的核心是计时芯片,它负责精确计时和控制秒表的功能。
在选择计时芯片时,需要考虑以下因素:•精度:计时芯片的计时精度非常关键,一般要求在毫秒级别。
•接口:计时芯片应具备与微处理器或显示器等其他外设连接的接口。
•功耗:计时芯片应具备低功耗的特性,以延长电池的使用寿命。
•成本:计时芯片的成本也是设计中需要考虑的因素之一。
2. 设计电路在电子秒表系统中,除了计时芯片外,还需要其他辅助电路来实现功能。
例如,需要一个时钟电路来提供计时芯片所需的时钟信号,以及一个显示电路来显示计时结果。
时钟电路可以采用晶振或者RTC(实时时钟)芯片来提供精确的时钟信号。
显示电路可以采用LED数码管、LCD显示屏或者OLED显示屏,具体选择根据产品的应用场景和成本等因素决定。
3. 设计按键电路电子秒表系统通常需要一些按键来控制计时和功能操作。
按键电路可以采用独立按键电路或者矩阵按键电路。
在设计按键电路时,需要考虑按键的类型、数量和功能分配。
4. 设计电源电路电子秒表系统需要提供电源供电。
电源电路的设计应满足系统对电源电压、电流和稳定性的要求,并且需要考虑到电池寿命等因素。
软件设计1. 系统架构设计电子秒表系统的软件设计主要涉及系统的架构设计。
在设计系统架构时,需要考虑以下因素:•数据处理:包括对计时数据的采集、计算、存储等处理。
•用户界面:包括显示计时结果、设置计时参数等用户交互的功能。
•按键处理:包括按键的检测、响应和功能操作等处理。
2. 编程语言选择在进行软件设计时,需要选择合适的编程语言来实现系统功能。
常用的编程语言包括C、C++、Python等。
选择编程语言时要考虑系统的性能要求、开发效率和可维护性等。
3. 编程实现根据系统架构设计和选择的编程语言,开始进行软件编程实现。
电子秒表设计方案电子秒表是一种按时间计数的仪器,主要用于精确测量短时间内的时间间隔。
传统的机械秒表已经逐渐被电子秒表所取代,因为电子秒表具有更高的精确度、更便捷的使用和更多的功能。
电子秒表的设计方案如下:1. 时钟系统:电子秒表需要一个准确的时钟系统来实现时间的测量和显示。
可以采用晶体振荡器来提供稳定的时钟信号,并通过倒数计数器来计算出时间。
2. 按键设计:电子秒表需要一个按键来控制计时的开始、停止和重置。
可以采用机械按键或者触摸按键,通过按下按钮来触发计时动作。
3. 显示屏幕:电子秒表需要一个清晰的数字显示屏来显示计时结果。
可以采用液晶显示屏或者LED显示屏,显示出秒表的计时时间。
4. 计时精确度:电子秒表需要具有高精确度的计时功能。
可以采用纳秒级的计时芯片来提供更精确的计时结果,并且可以进行校准来保持计时的准确性。
5. 记录功能:电子秒表可以添加记录功能,可以记录多个计时数据,并提供查看和保存功能,方便用户随时查看和比较不同的计时结果。
6. 声音提示功能:电子秒表可以添加声音提示功能,用于在计时开始、停止和重置时发出提示音,方便用户的操作。
7. 计时模式选择:电子秒表可以提供不同的计时模式选择,如计时、计次、倒计时等,满足不同用户的需求。
8. 电池供电:电子秒表可以采用电池供电,方便携带和使用。
可以选择使用可充电电池或者干电池,提供持久的使用时间。
9. 外观设计:电子秒表的外观设计可以采用简洁大方的设计风格,便于携带和使用。
可以选择耐用的材质和防水设计,增加秒表的使用寿命和适应性。
总之,电子秒表是一种精确、便捷、多功能的计时工具,设计方案可以结合以上要点进行设计,以提供用户更好的计时体验。
电子秒表设计方案概述本文档旨在介绍一种电子秒表的设计方案。
电子秒表是一种用于测量时间间隔的仪器,通常用于跑步比赛、计时比赛或其他需要时间测量的场合。
本设计方案将介绍电子秒表的硬件设计、软件设计以及功能特点。
硬件设计电子元件电子秒表的硬件设计需要以下电子元件:1.微控制器:选择一种适合的微控制器作为核心处理器,例如STM32系列或Arduino系列。
2.显示屏:选用适宜的显示屏以显示计时结果,液晶显示屏或LED数码管都是常见的选择。
3.电池:选择适宜的电池作为电子秒表的电源,充电电池是常用的选择。
4.按钮:选择适宜的按钮用于计时开始、停止和复位等操作。
电路设计基于以上电子元件,可以设计出以下电路:1.连接微控制器和显示屏:使用适宜的接口将微控制器与显示屏相连,以实现计时结果的显示。
2.连接微控制器和按钮:将按钮连接到微控制器的输入引脚,以实现计时开始、停止和复位等功能。
3.连接微控制器和电池:将电池连接到微控制器的电源引脚,为电子秒表提供电力。
软件设计电子秒表的软件设计包括以下几个方面:1.计时功能:通过微控制器的定时器模块实现计时功能,每个定时周期递增计时器的值。
2.按钮功能:通过检测按钮的状态变化,实现计时开始、停止和复位等功能。
3.显示功能:根据计时器的值,将结果显示在显示屏上,可以显示小时、分钟、秒或者毫秒级的时间。
4.能耗优化:通过合理设计代码以及使用低功耗模式,优化电子秒表的能耗。
功能特点基于以上设计方案,本电子秒表具备以下功能特点:1.精确计时:采用微控制器的定时器模块进行计时,可以实现精确的时间测量。
2.便捷操作:通过按钮实现计时开始、停止和复位等功能,用户可以方便地操作电子秒表。
3.显示清晰:选择适宜的显示屏,可以清晰地显示计时结果,便于用户读取。
4.低能耗:通过软件设计和低功耗模式的应用,优化电子秒表的能耗,延长使用时间。
5.稳定可靠:选择质量可靠的电子元件以及合理的电路设计,保证电子秒表的稳定性和可靠性。
电子秒表的设计课程设计一、课程目标知识目标:1. 学生能够理解电子秒表的基本原理,掌握计时器的功能及其组成部分。
2. 学生能够描述电子秒表的电路工作原理,包括晶体振荡器、分频器、计数器等关键电路的作用。
3. 学生能够运用所学的电子知识,解释电子秒表中时间测量精度的影响因素。
技能目标:1. 学生能够运用所学知识设计简单的电子秒表电路,并进行模拟组装。
2. 学生通过小组合作,能够完成电子秒表的调试和故障排查,提高实际动手操作能力。
3. 学生能够使用适当的工具和仪器,对电子秒表进行性能测试,并做出准确记录。
情感态度价值观目标:1. 培养学生对电子技术的兴趣,激发他们探索科学技术的热情。
2. 通过团队合作设计电子秒表,培养学生解决问题的能力和合作精神。
3. 学生在学习过程中能够体会到科技进步对日常生活的影响,增强创新意识和实践能力。
课程性质分析:本课程为电子技术实践课程,注重理论联系实际,通过设计制作电子秒表,提高学生对电子技术的理解和应用能力。
学生特点分析:假设学生为初中八年级学生,已经具备基础的物理知识和电子技术原理,动手能力强,对新鲜事物充满好奇心。
教学要求:课程需结合学生的认知水平,通过实践操作和小组合作,使学生能够将所学知识应用于实际问题的解决中,培养创新思维和科学探究能力。
教学过程中,注重引导学生主动参与,鼓励学生提问和思考,确保学习目标的达成。
二、教学内容本课程依据课程目标,结合以下教学内容展开:1. 电子秒表基础知识:介绍电子秒表的组成、工作原理及各部分功能,涉及课本第三章“计时器原理”相关内容。
2. 电路设计与分析:讲解电子秒表电路的设计方法,包括振荡器、分频器、计数器等关键部分的设计,参照课本第四章“数字电路设计基础”。
3. 元器件选择与使用:教授如何选择合适的元器件,如晶体振荡器、集成电路、显示屏等,对应课本第五章“常用元器件”。
4. 实践操作:指导学生进行电子秒表的组装、调试与测试,强调实践操作技能的培养,结合课本第六章“电子制作实践”。
电子秒表课程设计报告电子信息工程专业10级学生单片机原理课程设计任务书电子秒表的设计一、设计要求设计一个电子秒表,与通用秒表功能类似,有启动,暂停、复位等键。
计时长长度为300秒,需显示百分秒。
二、设计方案分析1.方案设计数字电子秒表具有显示直观、读取方便、精度高等优点,在计时中广泛使用。
本设计用单片机组成数字电子秒表,力求结构简单、精度高为目标。
本系统采用C51系列单片机为中心器件,利用其定时器/计数器定时和记数的原理,结合硬件电路如电源电路,晶振电路,复位电路,显示电路,以及一些按键电路等来设计计时器,将软、硬件有机地结合起来。
其中软件系统采用汇编语言编写程序,硬件系统利用*****强大的功能来实现,简单切易于观察,在仿真中就可以观察到实际的工作状态。
本设计利用*****2单片机的定时器/计数器定时和计数的原理,使其能精确计时。
利用中断系统使其能实现开始暂停的功能。
根据要求知道秒表设计主要实现的功能是计时和显示。
因此设置了两个按键和LCD显示时间,两个按键分别是开始、停止和复位按键。
利用这两个建来实现秒表的全部功能,而LCD则能显示最多4.59.99秒的计时。
电路原理图设计最基本的要求是正确性,其次是布局合理,最后在正确性和布局合理的前提下力求美观。
硬件电路图按照图1.1进行设计。
图1.1 数字秒表硬件电路基本原理图本设计中,数码管显示的数据存放在内存单元31H-33H中。
其中31H存放分钟变量,32H存放秒钟变量,33H存放10ms计数值,即存放毫秒位数据,每一地址单元内均为十进制BCD码。
由于采用软件动态扫描实现数据显示功能,显示用十进制BCD码数据的对应段码存放在ROM表中。
显示时,先取出31H-33H 某一地址中的数据,然后查得对应的显示位,并从P1口输出,就能显示该地址单元的数据值。
计时通过INT1中断完成,定时溢出中断周期为1ms,当一处中断后向CPU发出溢出中断请求,每发出一次中断请求就对毫秒计数单元进行加一,达到10次就对十毫秒位进行加一,依次类推,直到4.59.99秒重新复位。
摘要 (1)绪论 (2)第一章系统设计的比较与选择 (3)1.1 系统设计方案论证 (3)1.2 单元电路设计 (3)第二章电路图及电路工作原理 (9)2.1各部分工作原理如下 (9)2.2 电路工作原理 (10)第三章秒表的程序设计 (11)第四章组装调试 (16)总结 (17)致谢 (19)参考文献 (18)该数字计数系统的逻辑结构较简单,是由微动开关、抖动消除电路、三状态控制电路、微分及整形清零电路、上电复位电路、0·1秒脉冲发生器、闸门计数控制电路、译码及显示电路组成的电子秒表,其中核心的部分为0·1秒脉冲发生器、计数、译码及显示电路部分,而其它部分是为使电子秒表在0.1~9·9秒范围内测定时间附加上的一些外围控制电路。
近年来随着科技的飞速发展,单片机的应用正在不断的走向深入,同时带动着传统控制检测日新月异更新。
在实时检测和自动控制的单片机应用系统中,单片机往往是作为一个核心部件来使用,仅单片机方面的知识是不够的,还要根据具体的硬件结构,以及针对具体的应用对象的软件结合,加以完善。
人们在日常生活中,有很多时候要精确地计算时间,但往往因为人为因素造成人们不愿意看到的误差。
秒表的出现,解决了传统的由于人为因素造成的误差和不公平性。
关键词:LED显示管,脉冲发生器,计数器,译码器。
电子秒表在生活中的应用,它可广泛应用于对运动物体的速度、机械能守恒等物理实验,同时也适用于对时间测量精度要求较高的场合.测定短时间间隔的仪表。
有机械秒表和电子秒表两类。
机械秒表与机械手表相仿,但具有制动装置,可精确至百分之一秒;电子秒表用微型电池作能源,电子元件测量显示,可精确至千分之一秒。
广泛应用于科学研究、体育运动及国防等方面在当今非常注重工作效率的社会环境中,定时器能给我们的工作、生活以及娱乐带来很大的方便,充分利用定时器,能有效的加强我们的工作效率。
目前数字电子技术已经广泛地应用于计算机,自动控制,电子测量仪表,电视,雷达,通信等各个领域。
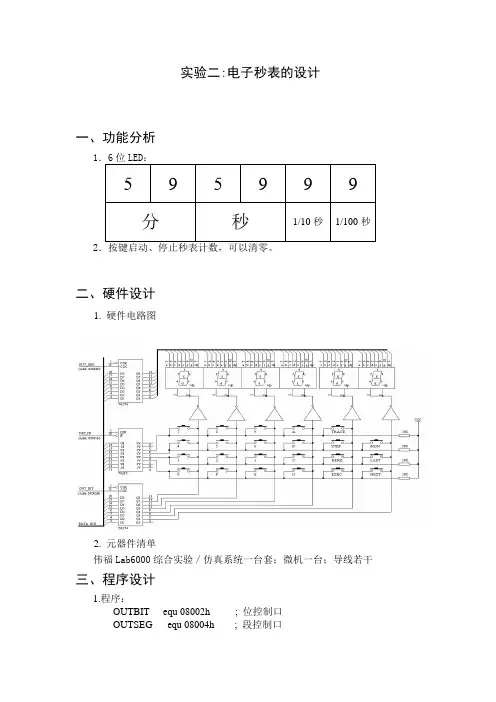
实验二:电子秒表的设计一、功能分析12二、硬件设计1. 硬件电路图2. 元器件清单伟福Lab6000综合实验/仿真系统一台套;微机一台;导线若干三、程序设计1.程序:OUTBIT equ 08002h ; 位控制口OUTSEG equ 08004h ; 段控制口IN equ 08001h ; 键盘读入口LEDBuf equ 60h ; 显示缓冲Hour equ 40hMinute equ 41hSecond equ 42hC100us equ 43hSpeaker equ P1.2Tick equ 200T100us equ 256-50ljmp Startorg 000bhljmp T0IntT0Int:push PSWpush ACCmov a, C100us+1jnz Goon0dec C100usGoon0:dec C100us+1mov a, C100usorl a, C100us+1jnz Exitmov C100us, #high(Tick)mov C100us+1, #low(Tick)inc Secondmov a, Secondcjne a, #60, Exitmov Second, #0inc Minutecall lightupmov a, Minutecjne a, #60, Exitmov Minute, #0inc Hourmov a, Hourcjne a, #24, Exitmov Hour, #0Exit:pop ACCpop PSWretiDelay:mov r7, #0DelayLoop:djnz r7, DelayLoopdjnz r6, DelayLoopretTestKey:mov dptr, #OUTBITmov a, #0movx @dptr, a ; 输出线置为0mov dptr, #INmovx a, @dptr ; 读入键状态cpl aanl a, #0fh ; 高四位不用retKeyTable: ; 键码定义db 16h, 15h, 14h, 0ffhdb 13h, 12h, 11h, 10hdb 0dh, 0ch, 0bh, 0ahdb 0eh, 03h, 06h, 09hdb 0fh, 02h, 05h, 08hdb 00h, 01h, 04h, 07hGetKey:mov dptr, #OUTBITmov P2, dphmov r0, #Low(IN)mov r1, #00100000bmov r2, #6KLoop:mov a, r1 ; 找出键所在列cpl amovx @dptr, acpl arr amov r1, a ; 下一列movx a, @r0cpl aanl a, #0fhjnz Goon1 ; 该列有键入djnz r2, KLoopmov r2, #0ffh ; 没有键按下, 返回0ffhsjmp Exit3Goon1:mov r1, a ; 键值= 列X 4 + 行mov a, r2dec arl arl amov r2, a ; r2 = (r2-1)*4mov a, r1 ; r1中为读入的行值mov r1, #4LoopC:rrc a ; 移位找出所在行jc Exit3inc r2 ; r2 = r2+ 行值djnz r1, LoopCExit3:mov a, r2 ; 取出键码mov dptr, #KeyTablemovc a, @a+dptrmov r2, aWaitRelease:mov dptr, #OUTBIT ; 等键释放clr amovx @dptr, amov r6, #10call Delaycall TestKeyjnz WaitReleasemov a, r2retLEDMAP: ; 八段管显示码db 3fh, 06h, 5bh, 4fh, 66h, 6dh, 7dh, 07hdb 7fh, 6fh, 77h, 7ch, 39h, 5eh, 79h, 71h DisplayLED:mov r0, #LEDBufmov r1, #6 ; 共6个八段管mov r2, #00100000b ; 从左边开始显示LOOP:mov dptr, #OUTBITmov a, #0movx @dptr, a ; 关所有八段管mov a, @r0mov dptr, #OUTSEGmovx @dptr,amov dptr, #OUTBITmov a, r2movx @dptr, a ; 显示一位八段管mov r6, #1call Delaymov a, r2 ; 显示下一位rr amov r2, ainc r0djnz r1, LoopretLIGHTUP:jb p1.3,lightstopsetb Speakermov b,#0ffhLIGHTDELAY:nopnopdjnz b,lightdelayclr speakerLIGHTSTOP:retToLED:mov dptr, #LEDMapmovc a, @a+dptrretSTART:mov LEDBuf+0, #07chmov LEDBuf+1, #03fhmov LEDBuf+2, #07fhmov LEDBuf+3, #05bhmov LEDBuf+4, #05bHmov LEDBuf+5, #05bHcall displayledcall testkeyjz startcall getkeycjne a,#0ah,startSTART1:mov TMOD, #02h ; 模式2, 定时器mov TH0, #T100usmov TL0, #T100usmov IE, #10000010bmov Hour, #0mov Minute, #0mov Second, #0mov C100us, #high(Tick)mov C100us+1, #low(Tick)setb TR0MAIN:JB P1.0,stopJB P1.1,clearCall testkeycall getkeymov b,axrl a,#0bhjz stop0mov a,bcjne a,#0ch,main2ljmp clear0MAIN2:mov a, Hourmov b, #10div abcall ToLEDmov LEDBuf, amov a, bcall ToLEDorl a, #80hmov LEDBuf+1, amov a, Minutemov b, #10div abcall ToLEDmov LEDBuf+2, amov a, bcall ToLEDorl a, #80hmov LEDBuf+3, amov a, Secondmov b, #10div abcall ToLEDmov LEDBuf+4, amov a, bcall ToLEDmov LEDBuf+5, acall DisplayLEDljmp MAINSTOP:mov ie,#00000000bcall displayledjb p1.0,stopmov ie,#10000010bjnb p1.0,main2 STOP0:mov ie,#00000000bcall displayledcall testkeycall getkeymov b,axrl a,#0chjz clear0mov a,bcjne a,#0bh,stop0mov ie,#10000010bjmp main2 CLEAR:mov LEDBuf+0, #03fhmov LEDBuf+1, #03fhmov LEDBuf+2, #03fhmov LEDBuf+3, #03fhmov LEDBuf+4, #03fHmov LEDBuf+5, #03fHmov Hour, #0mov Minute, #0mov Second, #0call displayledjb p1.1,clearljmp main2CLEAR0:mov LEDBuf+0, #03fhmov LEDBuf+1, #03fhmov LEDBuf+2, #03fhmov LEDBuf+3, #03fhmov LEDBuf+4, #03fHmov LEDBuf+5, #03fHmov Hour, #0mov Minute, #0mov Second, #0call displayledcall testkeyjz clear0lcall getkeyxrl a,#0ahcjne a,#0,clear0ljmp startend2.硬件连接分配由实验箱上的接线cs0接到键盘显示,我们可以得到段口,位口,列口及位口的地址。
电子秒表的设计电子秒表是一种用于测量时间间隔的电子设备,可以用来计算时间,计时等。
其设计包括硬件和软件两个部分。
下面将详细介绍电子秒表的设计。
一、硬件设计1.微控制器电子秒表的核心是微控制器,它控制整个系统的运行。
常用的微控制器有单片机、FPGA、DSP等。
其中,单片机是一种常用的微控制器,如AT89C51、STC89C52等。
这些单片机具有价格低廉、可靠性高、易于编程等优点。
2.按键电子秒表需要用到开始、停止、重置等按键,以便用户可以控制秒表的计时。
这些按键连接到微控制器的IO口上,通过软件程序实现其功能。
3.显示器电子秒表需要一个显示器来显示计时结果。
常用的显示器有LED数码管、LCD 液晶显示屏等。
其中,LED数码管具有亮度高、寿命长、价格低廉等优点,但是只能显示数字,不能显示文字。
LCD液晶显示屏可以显示数字和文字,但是价格较高。
4.定时器电子秒表需要用到定时器来计时时间。
常用的定时器有硬件定时器和软件定时器两种。
硬件定时器通常使用计时器芯片来实现,如CD4060等。
软件定时器则是通过微控制器内部的定时器来实现的。
二、软件设计1.程序流程图在软件设计阶段,首先要画出程序流程图,以便更好地理解程序的执行过程。
程序流程图是一种用图形方式表示程序执行过程的工具,它可以帮助程序设计者更好地理解程序结构,从而更容易编写程序。
2.程序代码根据程序流程图,我们可以编写程序代码。
在程序代码中,我们需要定义各个变量、声明函数、编写各个模块的程序逻辑等。
下面是一个简单的电子秒表程序代码的示例:#include <reg52.h> // 包含单片机头文件typedef unsigned int ui; // 定义无符号整型数变量typedef unsigned char uc; // 定义无符号字符型数变量sbit K1=P3^3; // 开始按钮sbit K2=P3^4; // 停止按钮sbit K3=P3^5; // 重置按钮uc code table[]={ // 显示时间的程序表0x3F,0x06,0x5B,0x4F,0x66,0x6D,0x7D,0x07, // 0~7号位的显示数据0x7F,0x6F,0x77,0x7C,0x39,0x5E,0x79,0x71 // 8~15号位的显示数据};ui num=0; // 计时器变量uc time=0; // 计时器计时结果变量uc count=0; // 软件定时器计数变量bit flag=0; // 软件定时器标志位void delay(ui x) // 延时函数{ui i,j;for(i=x;i>0;i--)for(j=112;j>0;j--);}void display(uc time) // 显示时间函数{P2=0xFE; // 选择第一位数码管P0=table[time/10]; // 显示时间的十位数字delay(5); // 延时消隐P2=0xFD; // 选择第二位数码管P0=table[time%10]; // 显示时间的个位数字delay(5); // 延时消隐}void main() // 主函数{while(1) // 循环执行程序{if(K1==0) // 如果按下开始按钮{K1=1; // 松开开始按钮num=0; // 清零计时器变量numflag=1; // 软件定时器标志位flag置1}if(K2==0) // 如果按下停止按钮{K2=1; // 松开停止按钮num=num/10; // 清零计时器变量num的高位数字display(num); // 显示计时器变量num的值}if(K3==0) // 如果按下重置按钮{K3=1; // 松开重置按钮下面详细介绍电子秒表的设计:总体架构设计。
电子秒表的设计 Document serial number【NL89WT-NY98YT-NC8CB-电子秒表的设计目录一、设计要求 (2)二、设计的目的与作用 (2)三、设计的具体体现 (2)1. 电子秒表的基本组成 (3)2.电子秒表的工作原理 (3)3.电子秒表的原理图 (4)4. 单元电路设计 (4)5.设计仿真与PCB制版 (12)四、心得体会 (17)五、附录 (18)六、参考文献 (20)一、设计要求1.以秒为最小单位进行显示。
2.秒表可显示~59:59:99秒的量程。
3.该秒表具有清零、开始计时、停止计时功能。
二、设计方案方案一:通过单片机来实现电子秒表基于51单片机电子秒表,设计简单,而且技术准确,缺点是价格相比于数字电路实现的秒表技术要昂贵。
方案二:采用数字电路来实现秒表计数,优点是价格便宜,计数精确,反应较快,缺点是,电路芯片较多,设计电路复杂。
经过比较选择了较为经济适用的数字电路。
二、设计的目的与作用1.培养我们运用有关课程的基础理论和技能解决实际问题,并进一步提高专业基本技能、创新能力。
通过课程设计,学习到设计写作方法,能用文字、图形和现代设计写作方法系统地、正确地表达课程设计和研究成果。
2. 熟悉555方波振荡器的应用。
3.熟悉计数器的级联及计数、译码、显示电路的整体配合。
4.建立分频的基本概念。
三、设计的具体体现1.电子秒表的基本组成电子秒表电路的基本组成框图如图所示,它主要由基本RS触发器、多谐振荡器、计数器和数码显示器4个部分组成。
电子秒表电路的基本组成(方框图)如下:第Ⅰ块计数器作5分频使用,将555输来的50Hz的脉冲变为秒的计数脉冲,在输出端Qd取得,作为第2块计数器的始终输入,第2、第3块计数器QA与CP2相连,都已接成8421码十进制计数电路,第4块接成六进制形式,其输出端与译码显示器的相应输入端连接,可显示00:00:00——59:59:99s3.电子秒表的原理图图(2)原理图4.单元电路设计(1)由NE555P组成的多谐振荡器(多谐振荡器)ne555是一种应用特别广泛作用很大的的集成电路,属于小规模集成电路,在很多电子产品中都有应用。
一、概述秒表的逻辑结构较简单,它主要由分频器、十进制计数器、6进制计数器、数据选择器、报警器和显示译码器等组成。
在整个秒表中最关键的是如何获得一个精确的100HZ计时脉冲,除此之外,整个秒表还需有一个启动信号和一个归零信号,以便秒表能随意停止及启动。
秒有共有3个输出显示,分别为十分之一秒、秒、十秒,所以共有3个计数器与之相对应,3个计数器的输出全都为BCD码输出,这样便与同显示译码器的连接。
二、设计任务与要求①能实现自动计数、进位和清零。
②能实现手动复位。
③能实现秒表的暂停和回复。
(2)计数器有了时间标准“秒”信号后,就可以根据设计要求设定时、分、秒计数器:分和秒计数器都采用60进制计数器,时采用24进制的计数器,都可采用74LS160来实现。
74LS160是十进制同步加法计数器。
1-3 74LS160逻辑功能由逻辑图与功能表知,在74LS160中LD为预置数控制端,D0-D3为数据输入端,C为进位输出端,RD为异步置零端,Q0-Q3位数据输出端,EP和ET为工作状态控制端。
当RC=0时所有触发器将同时被置零,而且置零操作不受其他输入端状态的影响。
当RC=1、LD=0时,电路工作在预置数状态。
这时门G16-G19的输出始终是1,所以FF0-FF1输入端J、K的状态由D0-D3的状态决定。
当RC=LD=1而EP=0、ET=1时,由于这时门G16-G19的输出均为0,亦即FF0-FF3均处在J=K=0的状态,所以CP信号到达时它们保持原来的状态不变。
同时C的状态也得到保持。
如果ET=0、则EP不论为何状态,计数器的状态也保持不变,但这时进位输出C等于0。
当RC=LD=EP=ET=1时,电路工作在计数状态。
从电路的0000状态开始连续输入16个计数脉冲时,电路将从1111的状态返回0000的状态,C端从高电平跳变至低电平。
利用C端输出的高电平或下降沿作为进位输出信号。
(3)输出及显示模块(数码管及74LS47和电阻构成)两个74LS47分别连接成十进制计数器,一个输出十分之一秒,一个输出秒,并通过两个译码器显示00-59秒的秒表数值。
电子秒表的设计实验报告
《电子秒表的设计实验报告》
摘要:本实验旨在设计一款简单易用的电子秒表,通过实验验证其准确性和稳定性。
实验结果表明,所设计的电子秒表具有较高的准确性和稳定性,能够满足实际使用需求。
引言:电子秒表是一种用于测量时间的工具,广泛应用于实验室、体育比赛和工业生产等领域。
设计一款准确可靠的电子秒表对于提高工作效率和数据准确性具有重要意义。
因此,本实验旨在设计一款简单易用的电子秒表,并通过实验验证其性能。
实验方法:首先,我们选取了一款常用的电子元件,包括计时电路、显示屏和按键等。
然后,我们根据设计要求,进行了电路连接和程序编写。
接着,我们对设计的电子秒表进行了一系列的实验,包括准确性测试、稳定性测试和耐用性测试等。
实验结果:经过实验验证,我们设计的电子秒表具有较高的准确性和稳定性。
在准确性测试中,我们对比了设计的电子秒表与标准秒表的计时结果,发现两者基本一致。
在稳定性测试中,我们对设计的电子秒表进行了长时间计时,结果显示其计时稳定性良好。
在耐用性测试中,我们对设计的电子秒表进行了反复按键操作,发现其按键灵敏度和耐用性均符合设计要求。
结论:通过本实验,我们成功设计了一款简单易用的电子秒表,并验证了其准确性和稳定性。
该电子秒表具有较高的性能表现,能够满足实际使用需求。
未来,我们将进一步改进设计,提高电子秒表的功能和性能,以满足更广泛的应用需求。
致谢:感谢实验室的老师和同学们对本实验的支持和帮助,感谢他们的耐心指导和建设性意见。
同时,也感谢所有参与本实验的人员,他们的辛勤劳动为本实验的顺利进行提供了保障。
电子秒表的设计实验报告电子秒表的设计实验报告一、引言在现代科技高度发达的社会中,电子秒表作为一种常见的计时工具,被广泛应用于各个领域。
本次实验旨在设计一个简单且实用的电子秒表,通过实际操作和数据分析,探索电子秒表的原理和功能。
二、实验目的1. 了解电子秒表的基本原理和结构;2. 掌握电子秒表的设计方法和实验操作;3. 分析电子秒表的精度和稳定性。
三、实验材料与方法1. 实验材料:电子元件、电路板、电源、计算机等;2. 实验方法:a. 按照电子秒表的设计要求,搭建电路;b. 连接电源,启动电子秒表;c. 进行计时实验,记录数据;d. 分析实验结果。
四、实验步骤1. 设计电路图:根据电子秒表的功能需求,设计电路图,并确保电路的稳定性和可靠性。
2. 搭建电路:根据电路图,将电子元件连接到电路板上,并进行焊接。
3. 连接电源:将电路板与电源连接,确保电子秒表正常工作。
4. 启动电子秒表:按下启动按钮,开始计时。
5. 进行计时实验:使用标准计时器,同时启动电子秒表和标准计时器,进行时间对比。
6. 记录数据:记录电子秒表和标准计时器的计时结果,并计算误差。
7. 分析实验结果:比较电子秒表和标准计时器的计时精度和稳定性,分析实验结果的可靠性。
五、实验结果与分析通过多次实验,记录了电子秒表和标准计时器的计时结果,并计算了误差。
实验结果显示,电子秒表的计时误差较小,精度和稳定性较高,能够满足实际使用的需求。
然而,由于实验条件的限制,电子秒表的计时精度仍有进一步提高的空间。
六、实验总结本次实验成功设计了一个简单实用的电子秒表,并通过实验验证了其计时精度和稳定性。
电子秒表作为一种常见的计时工具,在科学研究、体育竞技等领域具有广泛的应用前景。
然而,电子秒表的设计和制造仍需不断改进,以提高其计时精度和稳定性。
七、改进方向1. 优化电路设计:通过改进电路结构和选用更好的电子元件,提高电子秒表的计时精度和稳定性。
2. 加强测试和校准:定期对电子秒表进行测试和校准,确保其计时结果的准确性。
电子技术课程设计报告--电子秒表的设计一、设计目的本次课程设计的目的是设计一款电子秒表,实现具备暂停和复位功能的计时功能。
通过设计本次课程,我将学习到如何运用单片机实现计时功能,同时也将提高自己的电子设计能力。
二、设计原理本次设计采用AT89S52单片机作为控制芯片,通过单片机控制数码管的显示,完成对时间的计时和显示功能。
下面详细介绍如何实现设计的计时功能。
1、初始化:将计时器寄存器清零,并设置定时器为8位计时模式,同时设置时钟源为频率为12MHz的晶振。
2、启动计时:将定时器计数器初始值设置为0,同时启动计时器。
3、计时:定时器开始工作后,每过1ms,计时器的值就会加1,当计时器的值达到255时,定时器会自动清零,并触发定时溢出中断。
4、显示:将计时器的值传入程序中,经过处理后,将时间转化为时、分、秒、毫秒等信息,并通过数码管的显示完成时间的显示。
5、暂停功能:通过按下暂停键,可以停止计时器的工作,并记录下当前的计时时间。
6、复位功能:通过按下复位键,可以将计时器的值清零,并停止计时器的工作。
三、硬件设计1、主控芯片AT89S52单片机:采用AT89S52单片机作为控制核心,具有一定的处理能力和存储容量,能在实现计时功的同时,还实现一些其他的控制功能。
2、显示模块数码管:本设计采用了4位共阴数码管,能够完成对时间的显示。
3、按键模块本设计采用了两个按键,一个用于暂停功能,一个用于复位功能。
4、电源模块本设计采用了12V电源转接头,将12V电源转化为单片机和数码管所需要的5V电压。
5、其他零件晶振:采用12MHz的晶振作为单片机的时钟源。
电容:采用22pF电容和晶振配对使用,稳定时钟信号。
四、软件设计本设计采用Keil C51软件进行开发。
软件编写的主要思路如下:1、GPIO配置:定义IO口及初始化相关设置,如数码管的引脚及输出方向。
2、时钟初始化:配置外部晶振的时钟源,并初始化相应的寄存器。
3、定时器初始化:设定中断周期,选择定时器的计数模式,启动定时器,并设置中断优先级。
电子秒表设计方案1.电子秒表结构设计与设计方案充分运用芯片74LS160和4511BD的逻辑功能,用四片74LS160芯片实现秒表示00:00—99:99秒。
利用74LS160实现电路的计数功能。
利用74LS160的有异步清零、同步置数功能实现电子秒表的暂停及清零功能。
利用555定时器构成的多谐振荡器为电路提供脉冲源以驱动电路工作。
电路图如图1.1所示。
图1.12.电子秒表单元电路的设计2.1 秒表的设计思路用四个LED数码管显示“秒表”,显示时间为00:00-99:99秒,每厘秒自动加一。
电子秒表分为脉冲源、秒计数、厘秒计数、译码驱动电路和显示电路。
另外设计控制电路,使秒表启动、停止、复位。
框图如2.1所示。
图2.1秒表总体框图2.2脉冲源的设计振荡器是电子秒表的核心,振荡器产生脉冲。
振荡器的频率精度决定了电子秒表计时的准确程度,通常选用石英晶体构成的振荡器。
一般来说,振荡器的频率越高,计时精度越高。
用555定时器构成的多谐振荡器如图2.2.1。
图2.2.1 多谐振荡器电路图2.2.2 多谐振荡器的工作波形接通电源后,电容C被充电,当Vc上升到2Vcc/3时,使Vo为低电平,同时放电三极管T导通,此时电容C通过R2和T放电,Vc下降。
当Vc下降到Vcc/3时,Vo 翻转为高电平。
电容器C 放电所需时间为:C R 7.0t 2PL = (1)当放电结束时,T 截止,Vcc 将通过R2、Rp 、R1向电容C 充电,Vc 由Vcc/3上升到2Vcc/3,所需时间为:C R RP R t PH )(7.021++= (2)当Vc 上升到2Vcc/3时,电路又翻转为低电平。
如此周而复始,于是,在电路的输出端就得到一个周期性的矩形波,电路的工作波形如上图3.2.2所示,其振荡周期为:s C R RP R t t T PL PH 01.0)2(7.021=++=+= (3)f = 1/T = 100Hz (4)输出方波占空比为: 21212R R R R R R T t D P P PH ++++== (5)脉冲源电路的职能是为秒表提供脉冲源以驱动芯片74LS160工作。
电子秒表1.设计课题任务及指标1.通过本设计的选题、方案论证、设计计算、安装调试、资料整理、撰写“设计报告”等环节, 初步掌握电子工程设计方法和组织实施的基本技能, 深化、扩展并综合运用课堂上所学的电子电路分析设计方法以及集成电路知识完成小系统的电路设计。
2.利用基本脉冲发生器及计数、译码、显示等单元电路设计数字秒表。
3.在实验装置上或者利用仿真软件完成数字秒表的线路连接和调试。
功能要求:基本要求: 计时从1s至99s;有置数、复位功能;能用开关灵活启动和停止秒表。
扩展功能: 有倒计时功能;能计时从0.1s至9.9s。
2.系统设计方案论证所作为数字式秒表, 所以必须有数字显示。
按设计要求, 须用数码管来做显示器。
题目要求最大记数值为99秒, 那则需要两个数码管。
要求计数分辨率为1秒, 那么则需要相应频率的信号发生器。
选择信号发生器时, 有两种方案:一种是用晶体震荡器, 另一种方案是采用集成电路555定时器与电阻和电容组成的多谐振荡器。
由于熟悉程度, 本组采用集成电路555定时器与电阻和电容组成的多谐振荡器。
秒表功能中要求有复位功能、能用开关灵活启动和停止秒表, 则控制电路的方案也有两种:方案一, 用74ls08和74ls32及一个3控拨码开关;方案二, 用2个单刀双掷开关及多个单刀开关。
为了能够灵活的控制秒表, 我们选用方案一。
计数部分使用两个74LS192十进制计数器, 这种计数器能够简捷的进行顺逆计时, 为了方便简单译码显示电路采用了74ls48与共阴极七段数码管。
系统框图:图1 流程图4.单元电路设计4.1电源与总控开关图2 电源与总控开关电源由干电池提供;R1为保护电阻;S1为电路总控开关。
4.2脉冲发生器(由555构成的多些振荡器)图3 脉冲发生电路图图4 NE555管脚图由于频率f=1.43/(R1+2R2)C=1Hz, (1)产生1Hz频率,所以, 电容C1=0.33u, 电阻R2=100KΩ, R3=2.2MΩ。
电子秒表得设计目录一、设计要求 (2)二、设计得目得与作用 (2)三、设计得具体体现………………………………………21。
电子秒表得基本组成………………………………32、电子秒表得工作原理…………………………………33。
电子秒表得原理图 (4)4. 单元电路设计 (4)5。
设计仿真与PCB制版 (12)四、心得体会…………………………………………………17五、附录 (18)六、参考文献…………………………………………………20一、设计要求1.以0.01秒为最小单位进行显示、2.秒表可显示0、01~59:59:99秒得量程、3.该秒表具有清零、开始计时、停止计时功能、二、设计方案方案一:通过单片机来实现电子秒表基于51单片机电子秒表,设计简单,而且技术准确,缺点就是价格相比于数字电路实现得秒表技术要昂贵。
方案二:采用数字电路来实现秒表计数,优点就是价格便宜,计数精确,反应较快,缺点就是,电路芯片较多,设计电路复杂。
经过比较选择了较为经济适用得数字电路。
二、设计得目得与作用1。
培养我们运用有关课程得基础理论与技能解决实际问题,并进一步提高专业基本技能、创新能力。
通过课程设计,学习到设计写作方法,能用文字、图形与现代设计写作方法系统地、正确地表达课程设计与研究成果。
2、熟悉555方波振荡器得应用。
3、熟悉计数器得级联及计数、译码、显示电路得整体配合、4、建立分频得基本概念。
三、设计得具体体现1.电子秒表得基本组成电子秒表电路得基本组成框图如图所示,它主要由基本RS触发器、多谐振荡器、计数器与数码显示器4个部分组成。
电子秒表电路得基本组成(方框图)如下:2第Ⅰ块计数器作5分频使用,将555输来得50Hz得脉冲变为0、1秒得计数脉冲,在输出端Qd取得,作为第2块计数器得始终输入,第2、第3块计数器QA与CP2相连,都已接成8421码十进制计数电路 ,第4块接成六进制形式,其输出端与译码显示器得相应输入端连接,可显示00:00:00——59:59:99s3、电子秒表得原理图图(2)原理图4.单元电路设计(1)由NE555P组成得多谐振荡器(多谐振荡器)ne555就是一种应用特别广泛作用很大得得集成电路,属于小规模集成电路,在很多电子产品中都有应用。
ne555得作用就是用内部得定时器来构成时基电路,给其她得电路提供时序脉冲。
ne555时基电路有两种封装形式有,一就是dip双列直插8脚封装,另一种就是sop-8小型(smd)封装形式。
其她ha17555、lm555、ca555分属不同得公司生产得产品。
内部结构与工作原理都相同。
ne555得内部结构可等效成23个晶体三极管、17个电阻、两个二极管.组成了比较器.RS触发器、等多组单元电路。
特别就是由三只精度较高5k电阻构成了一个电阻分压器。
为上、下比较器提供基准电压。
所以称之为555。
555内部结构及引脚如下图所示:图(3)555内部结构及引脚图(A)、555时钟电路可以构成多谐振荡器,真值表如下:RSTTHRTRI OUT TD0 XX 0 导通>2\3VC1>1\3VCC 0 导通C1 <2\3VCC >1\3VCC 不变不变1 〈2\3VCC <1\3VCC 1 截止1>2\3VCC〈1\3VCC1 截止表(1)555功能真值表注明:6脚为THR,触发器输入端,低电平有效。
ﻫ2脚为TRI,阀值输入端,高电平有效。
4脚为RST,总复位端,低电平有效。
7脚为DIS,放电端、5脚为CON,控制端、1脚接地,8脚接电源。
ﻫ3脚为输出端。
TD为内部三极管。
ﻫ(B)时钟信号产生电路图(4)555组成得多谐振荡器NE555定时器就是一种电路结构简单、使用方便灵活、用途广泛得多功能电路。
利用闭合回路得反馈作用可以产生自激振荡、TTL电路延迟时间短,难以控制频率。
电路接入RC回路有助于获得较低得振荡频率,由于门电路得作用时间极短,TTL电路自有几十纳秒,所以想获得稍低一些得振荡频率式很困难得,而且频率不易调节、在电路中接入RC电路可以有助于获得较低得振荡频率,而且通过改变R,C得数值可以很容易实现对频率得调节、振荡电路就是数字秒表得核心部分,电容充放电得速度决定。
R2。
C决定了多谐振荡器得周期,即决了电路得振荡频率R1定了形成得方波得频率利用闭合回路中得负反馈作用可以产生自激振荡,利用闭合回路中得延迟负反馈作用也能产生自激振荡,只要负反馈作用足够强、为了得到频率更加准确得频率信号,加入了电容与电阻,其中电容为0、01uf与0、1uf,电阻为100K欧姆、(2) 基本RS触发器图(5)RS触发器电路用集成与非门构成基本RS触发器,属低电平直接触发得触发器,有直接置位、复位得功能。
它得一路输出作为单稳态触发器得输入,另一路输出作为与非门得输入控制信号。
按动按钮开关J1(接地),则门1输出=1;门2输出Q=0,J1复位后Q、状态保持不变。
再按动按钮开关J2,则Q由0变为1,门5开启,为计数器启动作好准备。
由1变为0,送出负脉冲,启动单稳态触发器工作。
基本RS触发器在电子秒表中得职能就是启动与停止秒表得工作、(3)单稳态触发器图(6)单稳态触发器电路用集成与非门构成得微分型单稳态触发器。
单稳态触发器得输入触发负脉冲信号Vi由基本RS触发器端提供,输出负脉冲Vo 通过非门加到计数器得清除端R、静态时,门4应处于截止状态,、定时元件RC取值不同,故电阻R必须小于们得关门电阻Roff输出脉冲宽度也不同。
当触发脉冲宽度小于输出脉冲宽度时,可以省去输入微分电路得Rp与Cp。
单稳态触发器在电子秒表中得职能就是为计数器提供清零信号。
(4)计数及译码显示(A)74L160(计数器)简介74LS160就是常用得四位二进制可预置得同步加法计数器,她可以灵活得运用在各种数字电路,以及单片机系统种实现分频器等很多重要得功能它得引脚功能如下:图(7)74LS160引脚图功能表如下:当清零端CR=“0”,计数器输出Q3、Q2、Q1、Q0立即为全“0",这个时候为异步复位功能。
当CR=“1”且LD=“0”时,在CP信号上升沿作用后,74LS161输出端Q3、Q2、Q1、Q0得状态分别与并行数据输入端D3,D2,D1,D0得状态一样,为同步置数功能。
而只有当CR=LD=EP=ET=“1”、CP脉冲上升沿作用后,计数器加1、74LS161还有一个进位输出端CO,其逻辑关系就是CO= Q0·Q1·Q2·Q3·CET。
合理应用计数器得清零功能与置数功能,一片74LS161可以组成16进制以下得任意进制分频器。
(B)十进制加法计数器74LS160与译码显示器构成电子秒表得计数单元图(8)电子表秒计数单元电路5.设计仿真与PCB制版1、、将各部分电路在MULTISIM11中连接并进行仿真(1)时钟发生器得仿真用示波器观察输出电压波形并测量其频率,调节滑动变阻器,使输出100Hz矩形波。
仿真结果如下:图(9)多谐振荡器信号波形图(2)与非门基本RS触发器得仿真用示波器观察基本RS 触发器得波形图如下(先闭合J1后再打开J1,再闭合J2后再打开)。
仿真结果如下:图(10)RS触发器仿真图(3) 单稳态触发器得仿真将启停电路单元得按钮按下, 则此电路输出一个有效信号(负脉冲),但持续时间很短。
仿真结果如下:图(11)单稳态触发器波形(4)计数电路得仿真仿真结果如下:图(12)计数单元得仿真2.电子秒表得整体测试各单元电路测试正常后,按总图把几个单元电路连接起来,进行电子秒表得总体仿真。
仿真结果如下:图(13)电子秒表总体仿真图3、PCB版电路电路制作在MULTISIM11画好电路图,仿真成功以后,设置个原件封装,直接导出网络表、在protell99se中导入生成得网络表截图可见电子秒表网络表(2)PCB制版PCB制版图四、心得体会经过这次得数字电子秒表课程设计后,我从中学到了好多东西、综合我们上一个学期得数字电子技术基础课,我们已经对数字电子技术有一定得了解,主要就是我们熟悉了protell99se软件与multisim11两个软件。
加上之前学过得电路课与模拟电子技术基础课,我们可以独立完成电路CAD基础课程设计了。
不过,在课设当中还就是遇到许多不懂得问题,都积极向老师同学请教,基本都攻克了难题。
学会了设计数字电子电路得一般方法,还进一步熟悉数字电子器件得使用。
课设过程中遇到得问题:1、在绘制电路图得过程中对数电中学习过得555芯片不就是很熟悉,通过上网查找,发现555产生方波得参数方程为T=1、1RC,这就是一个很关键得方程,调节RC可以改变方波周期,使我能够顺利得得到100HZ得方波。
2、在生成网络表后,在protel99se中导入网络表,产生许多问题,例如:multisim中得封装名跟protel中得不一样,或者就是封装原件没有,最关键得问题就是在pcb板上有好几个74ls160,考虑怎么能减少,将各个与非门合并到一个74ls160中,进过向老师请教,修改了原来得电路原理图,找到了解决办法,从新生成网络表,在pcb中减少了4个74ls160,感觉原件减少了许多。
这个课程设计课我还不就是很熟悉,第一次做难免会感到陌生,而且对很多基本得东西都不就是很清楚,在一定程度上影响了我们得课程设计得质量,希望能在以后得时间里认真学习好这些基础得东西。
我对这个课程设计课有着深刻得体会:要想做好这个课程设计,就必须认认真真地去做,不要怕麻烦,遇到不懂得问题就要主动去问同学或者老师。
最后我希望课程设计课能够再多一点给我们提供动手得机会,并让我们多点发挥主观能动性与创造能力,这样可以在学到东西得同时又能发散大家得思维。
总之,通过这次练习我有了很多收获。
在摸索该如何设计电路使之实现所需功能得过程中,特别有趣,培养了我得设计思维,增强了动手能力。
五。
附录元器件清单:六。
参考文献。