经营场所方位示意图
- 格式:doc
- 大小:15.50 KB
- 文档页数:3
北京百信医疗器械有限公司经营场所、库房地址地理位置图
相邻的不同地址(距离较远需单独画):☆北京百信医疗器械有限公司经营场所:北京市房山区西潞街道办事处西路大街122号
北京百信医疗器械有限公司库房地址:北京市房山区西潞街道办事处西路大街123号
☆北京百信医疗器械有限公司
华冠购物中心
良乡医院
房山区税务局
良乡拱辰北大街 良乡拱辰北大街
西潞大街
西潞大街
相同地址写:经营场所与库房为同一地址。
北京百信医疗器械有限公司经营场所、库房地址地理位置图
相邻的不同地址(距离较远需单独画):☆北京百信医疗器械有限公司经营场所:北京市房山区西潞街道办事处西路大街122号
北
拱
辰 大
街
北京百信医疗器械有限公司库房地址:北京市房山区西潞街道办事处西路大街123号相同地址写:经营场所与库房为同一地址。
北京百信医疗器械有限公司经营场所平面图
经营场所面积:130平方米长:13米宽:10米高:2.9米北京百信医疗器械有限公司库房平面图
库房面积:160平方米长:16米宽:10米高:2.9米。
创作时间:贰零贰壹年柒月贰叁拾日
北京百信医疗器械有限公司经营场合、库房地址地理位置图
相邻的分歧地址(距离较远需单独画):☆北京百信医疗器械有限公司经营场合:北京市房山区西潞街
道处事处西路大街122号
☆北京百信医疗器械有限公司
华冠购物中心
良乡医院
房山区税务局
良乡拱辰北大街 良乡拱辰北大街
西潞大街
西潞大街
北京百信医疗器械有限公司库房地址:北京市房山区西潞街道处事处西路大街123号相同地址写:经营场合与库房为同一地址。
北京百信医疗器械有限公司经营场合、库房地址地理位置图
北
拱
辰
大
街
创作时间:贰零贰壹年柒月贰叁拾日
相邻的分歧地址(距离较远需单独画):☆北京百信医疗器械有限公司经营场合:北京市房山区西潞街
道处事处西路大街122号
北京百信医疗器械有限公司库房地址:北京市房山区西潞街道处事处西路大街123号相同地址写:经营场合与库房为同一地址。
北京百信医疗器械有限公司经营场合平面图
创作时间:贰零贰壹年柒月贰叁拾日
北京百信医疗器械有限公司库房平面图创作时间:贰零贰壹年柒月贰叁拾日
创作时间:贰零贰壹年柒月贰叁拾日。
住所(经营场所)方位图
绘图说明:1、要求绘出住所(经营场所)所在的街(路)、段、号或乡(镇)、村及所临的主要
街道、巷或国、省、市、县、乡级公路,并标出各街、路、段、巷、公路名称。
2、要求绘出与住所和经营场所相邻的标志性建筑物、参照物或参照单位,并标出名称。
3、要使用签字笔、碳素或者蓝黑墨水绘制。
4、楼房应标明所在小区、楼栋、单元、楼层和房间号。
5、住所和经营场所在同一处的同时标清“住所”和“经营场所”。
企业(公司) 住所
市(县) 区 街(路)乡镇 段(村) 号 企业(公司)个体工商户
经营场所
市(县) 区 街(路)乡镇 段(村) 号。
经营场所方位图
北
西 东
南
喀什东路
东
站 路
说明:①请标明方向指示
②请绘制主要道路和建筑物,标出企业具体位置
铝苑小区
鸭爪抓 便民警务站
小区
师范大学
姐妹购物 工商银行
和兴嘉园小
区东门
经营平面布局图
总面积M2,经营面积M2。
北
南
说明:①请根据实际情况,按此例绘制
②请在此处对不能标注的设施用文字说明
③请对房屋所有权面积中非经营区域标注面积和用途
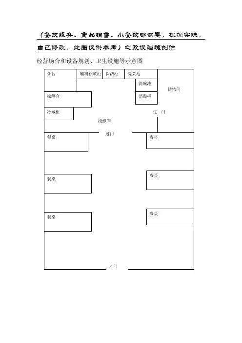
食品经营设施空间布局和操作流程食品经营设施空间布局:
食品销售流程图
申请人:王翠林
2018年 8月 8 日(注:可编辑下载,若有不当之处,请指正,谢谢!)。
XXX
经营场所地理位置图
地址:西安市户县XX路X号
说明:此为模板,请按药店的实际位置画此图。
注意:没有门牌号的话,地址一定要描述清楚.
西安中药集团户县公司庞光药店中西药门市部
经营场所平面图
单位:cm
建筑面积:44㎡
实际使用面积:40㎡
说明:此为模板,请按药店实际画此图
注意事项:1、要标示出正北方在哪个方向;2、要标示出平面尺寸;
3、标注出医疗器械在店内的摆放位置;
4、写出建筑面积和实际使用面积。
也可以你简单手画一下,我来帮你在电脑上画。
租赁合同复印件房产证复印件。
经营场所方位示意图
注:要标明申办企业与管辖区域运输管理部门的位置
厂区工艺布置示意图
注:在示意图中标明接待室,厂房(车间工位布置)、停车场的长、宽、面积,单位为米。
【说明及要求】
一、填表注意事项:
1、表格中所有项目用钢笔或签字笔据实填写,字迹工整,不得涂改;
2、“经营场所”栏填写实际经营地的详细地址,如“北京市××区××路(街)××号”;
3、经营场所还应符合工商管理部门登记注册的有关规定;
4、停车场地不在经营厂区院内或临街的应提交由乡、镇政府(或街道办事处)以上政府部门具有规划、建设等职能机构提供的停车场地合法使用证明及复印件;
5、租用的场地、生产厂房应有合法的书面租赁合同及复印件,提交的租赁协议(或合同)的租赁有效期限不得少于1年(自受理之日开始计算);
6、若经营场所未取得《房屋所有权证》或产权证的,可由有关部门在“需要证明情况”一栏盖章,视为对该房屋权属、用途合法性的确认(可参考工商部门的《投资办照通用指南及风险提示》的相关内容);
7、《厂区工艺布置示意图》指维修企业整体布局,主要包括:接待室、厂房(车间)、停车场等。
需在厂区工艺布置示意图中加以标注说明。
二、表格后附材料(请按照以下顺序附在表格后,复印件用A4纸复印并加盖公章或法人代表签字):
1. 租用的场地、生产厂房、停车场合法的书面租赁合同及复印件;
2. 经营场所所在地的产权证明;
3. 其他相应经营场所证明材料及复印件;
4. 环保部门出具的“关于机动车维修建设项目环境影响审查的批复”复印件。