建筑节能检验批表格记录文本
- 格式:doc
- 大小:319.50 KB
- 文档页数:16
幕墙节能工程检验批质量验收记录表编号:10□□02□□□工程名称分项工程名称验收部位施工单位专业工长(施工员)项目经理施工执行标准名称及编号分包单位分包项目经理施工班组长质量验收规范的规定施工单位自检记录监理(建设)单位验收记录主控项目1材料、构件的品种、规格第5.2.1条2保温隔热材料的导热系数、密度、燃烧性能;幕墙玻璃的传热系数、遮阳系数、可见光透射比、中空玻璃露点第5.2.2条3材料、构件等进场、见证取样送检第5.2.3条(1)保温材料:导热系数、密度第5.2.3条(2)幕墙玻璃可见光透射比、传热系数、遮阳系数、中空玻璃露点第5.2.3条(3)隔热型材抗拉强度、抗剪强度第5.2.3条4幕墙的气密性第5.2.4条5保温材料的厚度及安装要求第5.2.5条6遮阳设施的安装第5.2.6条7热桥部位的隔断热桥措施;断热节点的连接第5.2.7条8隔汽层及穿透隔汽层处的节点构造第5.2.8条9冷凝水的收集和排放第5.2.9条一般项目1镀(贴)膜玻璃的安装;中空玻璃及其均压管的密封第5.3.1条2单元式幕墙板块组装第5.3.2条(1)密封条规格正确,长度无负偏差,接缝的搭接符合设计要求第5.3.2条(2)保温材料固定牢固,厚度符合设计要求第5.3.2条(3)隔汽层:密封完整严密第5.3.2条(4)冷凝水排水系统通畅,无渗漏第5.3.2条3幕墙与周边墙体间的接缝第5.3.3条4伸缩缝、沉降缝、抗震缝的保温或密封做法第5.3.4条5活动遮阳设施的调节机构第5.3.5条施工操作依据质量检查记录施工单位检查结果评定:项目专业质量检查员:(项目专业技术负责人):年月日监理(建设)单位验收结论:专业监理工程师:(建设单位项目专业技术负责人)年月日。
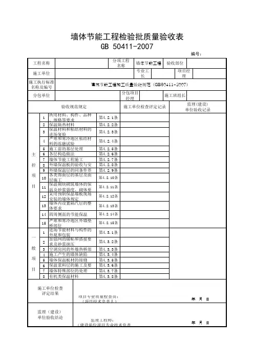
GB50411-2023 4-1 墙体节能分项工程检查批质量验收记录GB50411-2023 4-2墙体节能分项工程检查批质量验收记录(续)说明本表合用于采用板材、浆料、块材及预制复合墙板等墙体保温材料或构件的建筑墙体节能工程质量验收。
一、主控项目1. 检查方法:观测尺量检查;核查质量证明文献。
检查数量:按进场批次,每批随机抽取3个试样进行检查;质量证明文献应按照其出厂检查批进行核查。
2. 检查方法:核查质量证明文献及复验报告。
检查数量:全数检查。
3. 检查方法:随机抽样送检,核查复验报告。
检查数量:同一厂家同一种产品,当单位工程建筑面积在20230m2以下时各抽查不少于3次;当单位工程建筑面积在20230m2以上时各抽查不少于6次。
4. 检查方法:核查质量证明文献。
检查数量:全数检查。
5. 检查方法:对照设计和施工方案观测检查;核查隐蔽工程验收记录。
检查数量:全数检查。
6. 检查方法:对照设计和施工方案观测检查;核查隐蔽工程验收记录。
检查数量:全数检查。
7. 检查方法:观测;手扳检查;保温材料厚度采用针插法或剖开法尺量检查;粘结强度和锚固力核查实验报告;核查隐蔽工程验收记录。
检查数量:每个检查批抽查不少于3处。
8. 检查方法:观测检查;核查隐蔽工程验收记录。
检查数量:全数检查。
9. 检查方法:核查实验报告。
检查数量:每个检查批应抽样制作同条件养护试块不少于3组。
10. 检查方法:观测检查;核查实验报告和隐蔽工程验收记录。
检查数量:全数检查。
11. 检查方法:对照设计核查施工方案和砌筑砂浆强度报告,用百格网检查灰缝砂浆饱满度。
检查数量:每楼层的每个施工段至少抽查一次,每次抽查5处,每处不少于3个砌块。
12. 检查方法:检查型式检查报告、出厂检查报告、对照设计观测和淋水实验检查;核查隐蔽工程验收记录。
检查数量:型式检查报告、出厂检查报告全数核查;其他项目每个检查批抽查5%,并不少于3处。
13. 检查方法:对照设计观测检查;核查质量证明文献和隐蔽工程验收记录。
表B.0.7墙体节能报审/验表工程名称:九龙龙新小学教学楼及附属工程编号:
注:本表一式二份,项目监理机构、施工单位各一份.
墙体节能检验批质量验收记录
墙体节能工程质量隐蔽验收记录
页
表B。
0。
7墙体节能报审/验表工程名称:九龙龙新小学教学楼及附属工程编号:
注:本表一式二份,项目监理机构、施工单位各一份.
墙体节能检验批质量验收记录
墙体节能工程质量隐蔽验收记录
页
表B。
0。
7墙体节能报审/验表工程名称:九龙龙新小学教学楼及附属工程编号:
注:本表一式二份,项目监理机构、施工单位各一份。
墙体节能检验批质量验收记录
墙体节能工程质量隐蔽验收记录
页
表B。
0。
7墙体节能报审/验表工程名称:九龙龙新小学教学楼及附属工程编号:
注:本表一式二份,项目监理机构、施工单位各一份。
墙体节能检验批质量验收记录
墙体节能工程质量隐蔽验收记录
页。
墙体节能工程检验批/分项工程质量验收记录表
编号:
幕墙节能工程检验批/分项工程质量验收记录表
编号:
门窗节能工程检验批/分项工程质量验收记录表
编号:
屋面节能工程检验批/分项工程质量验收记录表
编号:
地面节能工程检验批/分项工程质量验收记录表
编号:
采暖节能工程检验批/分项工程质量验收记录表
编号:
通风与空调节能工程检验批/分项工程质量验收记录表
编号:
空调与采暖系统冷热源及管网节能工程检验批/分项工程质量验收记录表
编号:
配电与照明节能工程检验批/
分项工程质量验收记录表
编号:
监测与控制节能工程检验批/分项工程质量验收记录表
编号:。
地面节能工程检验批质量验收记录
1、填表说明:
检验批容量填写:
2、 1 采用相同材料、工艺和施工做法的地面, 每1000m2面积划分为一个检验批。
2 检验批的划分也可根据与施工流程相一致且方便施工与验收的原则, 由施工单位与监理单位协商确定。
最小/实际检查数量栏中,实际检查数量: 按实填写。
主控项目:
(1)保温材料品种、规格要求: 按进场批次, 每批随机抽取3个试样进行检查;质量证明文件应按照其出厂检验批进行核查
(2)保温材料性能:同厂家、同品种产品, 地面面积在1000㎡以内时应复验1次;面积每增加1000㎡应增复验1次。
同工程项目、同施工单位且同期施工的多个单位工程, 可合并计算抽检面积。
当符合本标准第3.2.3条的规定时, 检验批容量可以扩大一倍。
(3)地下室顶板和架空楼板底面的保温隔热材料: 每个检验批应抽查3处
(4)地面节能工程的施工质量要求: 全数检查
(5)地面保温层、隔离层、保护层等各层做法: 每个检验批抽查3处, 每处10㎡
(6)地面节能工程的施工质量要求:每个检验批抽查3处, 每处10㎡;穿越地面的金属管道全数检查。
(7)有防水要求的地面节能保温做法要求: 全数检查
(8)严寒和寒冷地区的地面: 全数检查
(9)保温层表面防潮层、保护层: 全数检查
一般项目:
(1)地面辐射供暖工程: 每个检验批抽查3处
(2)保温层下防潮层: 每个检验批抽查3处
3、表头中“施工依据”栏目应依照实际的施工操作依据填写, 如施工企业的操作规程、工法、施工工艺标准等。
屋面节能检验批质量验收记录一、项目名称:屋面节能检验批质量验收二、编制单位:XXXX检测有限公司三、项目概况:本项目为一处屋面改造工程,旨在提高建筑的节能性能。
该工程包括屋面绝热层的修补及增加保温材料、屋面防水层的更换、屋面排水系统的改造等内容。
本项目的目标是确保改造后的屋面具备良好的隔热、防水和排水功能,提高建筑的能源利用效率。
四、质量验收人员:验收组长:XXX成员:XXX、XXX、XXX五、质量验收内容:1.屋面绝热层修补及保温材料增加工程:(1)检查修补绝热层的材料及施工方法是否符合设计要求,材料的密度、抗压性能是否达标。
(2)检查保温材料的施工是否均匀,无空鼓、脱落现象,并对保温材料进行抽样检测,确保其导热系数符合要求。
2.屋面防水层更换工程:(1)检查防水材料及辅料是否符合要求,材料的厚度、质量是否达标。
(2)对防水层的施工工艺进行检查,包括底层处理、防水层接头处的处理、施工层与保温层之间的粘结等,确保每一项工艺都符合规范要求。
3.屋面排水系统改造工程:(1)检查排水系统的设计方案,包括排水坡度、排水管道的材质、尺寸等是否合理。
(2)检查排水管道的施工质量,包括接口是否牢固、无渗漏,管道的铺设是否均匀。
六、质量验收结果:经过对项目进行检查和抽样检测,质量验收组认为本项目的屋面节能改造工程符合设计要求,并达到了预期的节能效果。
各项施工工艺及材料质量都满足相关的规范和标准要求。
七、质量验收结论:本次屋面节能改造工程经过质量验收,达到了预期的效果。
屋面绝热层修补及保温材料增加工程、屋面防水层更换工程以及屋面排水系统改造工程等工作在材料的选择、施工工艺的执行等方面都符合规范要求。
质量验收组认为该工程的质量达到了验收标准,可以交付使用。
八、质量验收组意见:本次质量验收组对屋面节能改造工程的质量表示满意,确认屋面绝热层修补及保温材料增加工程、屋面防水层更换工程以及屋面排水系统改造工程的质量均符合要求,并可正常投入使用。
建筑门窗节能分项工程检验批质量验收记录文本范本一:1. 建筑门窗节能分项工程检验批质量验收记录1.1 工程基本信息1.1.1 工程名称:[填写工程名称]1.1.2 工程地点:[填写工程地点]1.1.3 工程规模:[填写工程规模]1.1.4 建设单位:[填写建设单位]1.1.5 施工单位:[填写施工单位]1.1.6 监理单位:[填写监理单位]1.2 检验批信息1.2.1 检验批名称:[填写检验批名称]1.2.2 批次编号:[填写批次编号]1.2.3 施工日期:[填写施工日期]1.2.4 完工日期:[填写完工日期]2. 检验项目及要求2.1 门窗安装质量检验2.1.1 门窗安装位置是否准确2.1.2 玻璃安装是否牢固2.1.3 门窗开闭是否灵活2.1.4 门窗密封性能是否良好2.2 门窗材料质量检验2.2.1 原材料检验报告2.2.2 铝合金型材表面质量2.2.3 玻璃表面平整度检验2.2.4 门窗五金配件质量检验3. 检验结果3.1 门窗安装质量验收3.1.1 检验结果及评定3.1.2 不符合项及处理意见3.2 门窗材料质量验收3.2.1 检验结果及评定3.2.2 不符合项及处理意见4. 附件[附件列表,如检验报告、质量验收表等]5. 法律名词及注释5.1 法律名词一:[注释一]5.2 法律名词二:[注释二]范本二:1. 建筑门窗节能分项工程检验批质量验收记录1.1 工程基本信息1.1.1 工程名称:[填写工程名称]1.1.2 工程地点:[填写工程地点]1.1.3 工程规模:[填写工程规模]1.1.4 建设单位:[填写建设单位]1.1.5 施工单位:[填写施工单位]1.1.6 监理单位:[填写监理单位]1.2 检验批信息1.2.1 检验批名称:[填写检验批名称]1.2.2 批次编号:[填写批次编号]1.2.3 施工日期:[填写施工日期]1.2.4 完工日期:[填写完工日期]2. 检验项目及要求2.1 门窗安装质量检验2.1.1 门窗安装位置是否准确2.1.2 玻璃安装是否牢固2.1.3 门窗开闭是否灵活2.1.4 门窗密封性能是否良好2.2 门窗材料质量检验2.2.1 原材料检验报告2.2.2 铝合金型材表面质量2.2.3 玻璃表面平整度检验2.2.4 门窗五金配件质量检验3. 检验结果3.1 门窗安装质量验收3.1.1 检验结果及评定3.1.2 不符合项及处理意见3.2 门窗材料质量验收3.2.1 检验结果及评定3.2.2 不符合项及处理意见4. 附件[附件列表,如检验报告、质量验收表等] 5. 法律名词及注释5.1 法律名词一:[注释一]5.2 法律名词二:[注释二]。
建筑节能工程质量验收表格
1. 引言
建筑节能工程质量验收旨在保证建筑节能工程设计、施工、运行等各个阶段的质量,并对其进行检查和评估。
本文档为建筑节能工程质量验收表格,用于记录建筑节能工程的相关信息和质量验收结果。
2. 建筑节能工程质量验收表格
2.1 基本信息
项目名称:
验收日期:
建设单位:
施工单位:
设计单位:
2.2 施工过程
序号施工项目是否符合要求备注
1 建筑结构
2 电力供应系统
3 给排水系统
4 空调与通风系统
5 热水系统
6 外墙保温
7 楼宇自动控制系统
8 照明与照明控制系统
9 太阳能利用系统
10 新能源利用系统
2.3 验收标准和评估
在2.2施工过程中,对每个项目进行符合要求的判定,可选择是符
合(√)还是不符合(×)。
并在备注一栏中添加必要的详细信息说明。
2.4 质量验收结果
验收结果可根据2.2施工过程中的评估进行填写。
如对某一施工项
目进行验收结果判定为不符合,则需要在备注一栏中说明不符合的具
体原因,并提出改进意见。
2.5 综合意见
验收单位根据2.4质量验收结果进行综合评价,并提出改进建议和
建议追溯措施。
3. 结论
本文档为建筑节能工程质量验收表格,用于记录建筑节能工程质量
验收的相关信息和结果。
建筑节能工程质量验收是保证建筑节能工程
质量的重要环节,通过合理评估和综合意见的提出,为建筑节能工程的改进提供指导和依据。
节能工程检验批质量验收记录表工程名称:
工程地点:
检验批编号:
检验日期:
检验项目及要求
序号检验项目检验方法及要求
1 xxx xxxx 合格
2 xxx xxxx 合格
3 xxx xxxx 不合格
4 xxx xxxx 合格
5 xxx xxxx 合格
6 xxx xxxx 合格
7 xxx xxxx 不合格
8 xxx xxxx 不合格
9 xxx xxxx 合格
检验
本检验批的节能工程质量符合有关标准和规范的要求,经过检验合格。
检验人员签字
•检验机构:
•检验人员:
•检验日期:
客户意见反馈
单位名称:
项目名称:
问题反馈
序号反馈问题处理措施
1 xxx xxxx 已处理
2 xxx xxxx 已处理
3 xxx xxxx 未处理
处理结果
根据反馈问题,已采取相应的处理措施,并在规定时间内得到了解决。
客户代表签字
•单位名称:
•代表签字:
•日期:
工程负责人意见
该检验批的节能工程质量检验合格,已按照约定时间和质量要求完成工程,现经客户反馈意见处理完毕,确认无误。
工程负责人签字
•姓名:
•日期:
附注
1.该记录表由工程负责人、检验人员等检查验收,签字确认后备案,并
在工程结算、接收等环节作为重要质量文件使用。
2.对于不合格项目,必须及时追溯,按规定流程进行整改,重新开展检
验验收工作。