地层代号用法
- 格式:docx
- 大小:36.11 KB
- 文档页数:5
地质地层名称与代号
地质地层名称与代号是地质学中的术语,描述了地层之间石层、
岩石等矿物形成的时间线。
它们可以帮助地质学家研究大地上发生过
的事件,形成研究用的时间参照系。
地质地层名称有多个,比如山脉、岩层和火山活动等,而这些术
语中,后者属于植物界。
代号是指地质地层名称的一个缩写,比如GP (古牙系)、AJ(安山系)和MQ(民权系)等。
每个代码代表一个地
质时期,并标志着地层发生的一个重要变化。
在一些地区,地质地层名称与代号也可以用于表示宏观构造上的
地形。
比如大幅度的山坡、山谷和山脉,都有专门的地质地层名称与
代号,便于科学家进行理论说明和实际应用。
地质地层名称与代号可以帮助地质学家从不同的角度理解地球的
演化史,追溯岩石形成的详细过程,并有助于解释现在的地貌。
它们
也为地质调查、勘探、矿产探测、地质内涵评价和地质灾害的研究提
供了基础信息。
综上所述,地质地层名称与代号是地质学中最基本的术语,它们
既可以用于表示地层的精确年代,又可以用于表示宏观构造上的地形,它们在地质学研究中发挥着重要作用,并为其他领域的研究提供了基
础数据。
第四纪沉积物成因代号1. ml--人工填土2. pd--植物层3. al--冲击层4. pl--洪积层5. dl--坡积层6. el--残积层7. eol--风积层8. l--湖积层9. h--沼泽沉积层10. m--海相沉积层11. mc--海陆交互相沉积层12. gl--冰积层13. fgl--冰水沉积层14. b--火山堆积层15. col--崩积层16. del--滑坡堆积层17. set--泥石流堆积层18. o--生物堆积19. ch--化学堆积物20. pr--成因不明沉积注:上述每类符号前加第四纪符号Q,并以上标符号的形式显示,表示完整的地层符号。
由原岩风化产物经各种外力地质作用而成的沉积物,至今其沉积历史不长,所以只能形成未经胶结硬化的沉积物,也就是通常所说的“第四纪沉积物”或“土”。
不同成因类型的第四纪沉积物,各具有一定的分布规律和工程地质特征,以下分别介绍其中主要的几种成因类型:残积物、坡积物和洪积物。
残积物(Q el)(Qel为第四纪地层的成因类型符号)残积物是由岩石风化后,未经搬运而残留于原地的土,而另一部分则被风和降水所带走。
它处于岩石风化壳的上部,是风化壳中的剧风化带,向下则逐渐变为半风化的岩石。
它的分布主要受地形的控制,在宽广的分水岭上,由雨水产生地表径流速度小,风化产物易于保留的地方,残积物就比较厚。
在平缓的山坡上也常有残积物覆盖。
在不同的气候条件下、不同的原岩,将产生不同矿物成份、不同物理力学性质的残积土。
由于风化剥蚀产物是未经搬运的,颗粒不可能被磨圆或分选,没有层理构造。
残积物与基岩之间没有明显的界限,通常经过一个基岩风化层(带)而直接过渡到新鲜岩石。
残积物有时与强风化层很难区分。
一般说来,残积物是由于雨雪水流将细颗粒带走后残留的较粗颗粒的堆积物。
风化层则虽受风化作用的影响,但它是未被剥蚀搬运的基岩风化产物。
残积物中残留碎屑的矿物成分很大程度上与下卧基岩相一致,这是鉴定残积物的主要根据。
地层单位符号
地层单位是地层学中的基本概念之一,它是指在地球的地壳中,具有一定厚度和空间特征的一层岩石或沉积物层。
地层单位的表示方法一般使用符号来表示,符号通常由拉丁字母、希腊字母、数字和符号组成。
在地质学中,地层单位的表示方式有许多种。
一般来说,地层单位的命名采用国际标准的形式,通常使用拉丁字母代表地层单位,如T 代表第三纪地层,K代表白垩纪地层等。
此外,地层单位也可以使用数字来表示,比如晚三叠世可以用数字“3”来表示。
另外,地层单位还可以使用符号来表示,常用的符号有三角形、圆形、矩形、菱形等,用这些符号表示不同地质年代的地层单位。
在实际工作中,地质学家们经常使用地层单位符号来表示不同地质年代的地层,进行岩石记录和研究。
地层单位符号的使用可以减少误解和交流上的不便,对于构建地质框架图和地质模型有着重要的意义。
总之,地层单位符号是地质学工作者日常工作中不可或缺的一部分,它为研究和记录地质事件提供了方便和便利,对于加深对地球的认识和理解有着十分重要的作用。
地质成因及符号ml--人工填土pd--植物层al--冲击层pl--洪积层dl-坡积层el--残积层eol--风积层l--湖积层h--沼泽沉积层m--海相沉积层mc--海相交互相沉积层gl--冰积层fgl--冰水积层b--火山堆积层col--崩积层del--滑坡堆积set--泥石流o--生物堆积ch--化学堆积物pr--成因不明沉积人工填土(ml)冲击(al)洪积(pl)坡积(dl)沼泽沉积(h)海相沉积(m)海陆交互相(mc)冲积物(al) alluvial deposit河流在平缓地段所堆积下来的碎屑物,称为冲积物。
冲积物根据其形成条件,可分为:(1)山区河谷冲积物大部分由卵石、碎石等粗颗粒组成,分选性较差,大小不同的砾石互相交替,成为水平排列的透镜体或不规则的夹层,厚度一般不大。
一般地说,山区河谷的堆积物颗粒大,承载力高,但由于河流侧向侵蚀的结果也带来了大量的细小颗粒,特别是当河流两旁有许多冲沟支岔时,这些冲沟支岔带来的细小颗粒往往和冲积的粗大颗粒交错堆积在一起,承载力也因而降低。
(2)平原河谷冲积物河流上游的冲积物一般颗粒粗大,向下游逐渐变细。
冲积层一般呈条带状,具有水平层理,有时也成流水层或湍流层的交错层理。
在每一个小层中,岩性的成分就比较均匀,有极良好的分选性。
冲积物的颗粒形状一般为亚圆形或圆形,搬运的距离愈长,颗粒的浑圆度越好。
平原河谷冲积物可分为:河床冲积物、河漫滩冲积物、牛轭湖冲积物和阶地冲积物。
河床冲积物、河漫滩冲积物多为磨圆度较好的漂石、卵石、圆砾和各种砂类土,有时也有粉土、粘性土存在。
在同一地段上,河漫滩冲积物的粒度一般较河床冲积物为小。
在同一河漫滩上,靠河床近的冲积物的粒度比距河床远的为大。
牛轭湖冲积物只有当洪水期间成为溢洪区时才能形成,此时,细砂或粉质粘土就直接覆盖在原来已形成的泥炭或淤泥层上。
阶地冲积物的粒度常较河漫滩的为小,一般由粉质粘土、粉土和各种砂土所构成,有时也有卵石、圆砾的夹层。
之宇文皓月创作地质成因及符号ml--人工填土pd--植物层al--冲击层pl--洪积层dl-坡积层el--残积层eol--风积层l--湖积层h--沼泽沉积层m--海相沉积层mc--海相交互相沉积层gl--冰积层fgl--冰水积层b--火山堆积层col--崩积层del--滑坡堆积set--泥石流o--生物堆积ch--化学堆积物pr--成因不明沉积人工填土(ml)冲击(al)洪积(pl)坡积(dl)沼泽沉积(h)海相沉积(m)海陆交互相(mc)冲积物(al) alluvial deposit河流在平缓地段所堆积下来的碎屑物,称为冲积物。
冲积物根据其形成条件,可分为:(1)山区河谷冲积物大部分由卵石、碎石等粗颗粒组成,分选性较差,大小分歧的砾石互相交替,成为水平排列的透镜体或不规则的夹层,厚度一般不大。
一般地说,山区河谷的堆积物颗粒大,承载力高,但由于河流侧向侵蚀的结果也带来了大量的细小颗粒,特别是当河流两旁有许多冲沟支岔时,这些冲沟支岔带来的细小颗粒往往和冲积的粗大颗粒交错堆积在一起,承载力也因而降低。
(2)平原河谷冲积物河流上游的冲积物一般颗粒粗大,向下游逐渐变细。
冲积层一般呈条带状,具有水平层理,有时也成流水层或湍流层的交错层理。
在每一个小层中,岩性的成分就比较均匀,有极良好的分选性。
冲积物的颗粒形状一般为亚圆形或圆形,搬运的距离愈长,颗粒的浑圆度越好。
平原河谷冲积物可分为:河床冲积物、河漫滩冲积物、牛轭湖冲积物和阶地冲积物。
河床冲积物、河漫滩冲积物多为磨圆度较好的漂石、卵石、圆砾和各种砂类土,有时也有粉土、粘性土存在。
在同一地段上,河漫滩冲积物的粒度一般较河床冲积物为小。
在同一河漫滩上,靠河床近的冲积物的粒度比距河床远的为大。
牛轭湖冲积物只有当洪水期间成为溢洪区时才干形成,此时,细砂或粉质粘土就直接覆盖在原来已形成的泥炭或淤泥层上。
阶地冲积物的粒度常较河漫滩的为小,一般由粉质粘土、粉土和各种砂土所构成,有时也有卵石、圆砾的夹层。
地层代用法Final revision by standardization team on December 10, 2020.凡从事地质专业制图的人员都会清楚地意识到,图式、图例是地质图件的重要组成部分,是表达地质成果内容的形式和手段,是读图的共同语言,同时地质体代号的书写格式是否正确和规范同样也显得尤为重要。
这反映了制图人员对制图规范的熟悉和应用程度。
结合以往在制图过程中常碰到的一些地质代号书写混乱,没能按规范要求出版的现象,本人依照中华人民共和国地质矿产部公开出版发行的《区域地质矿产调查工作图式图例》与制图工作人员共同探讨有关地质代号书写格式在计算机中的辅助应用。
首先阐述一下有关各种文字在图中的注记要求。
地名一般用宋体字表示,字的大小与地名级别有关,山名注记一般用黑体字表示,山脉的注记用耸肩体,河流、湖泊、沟、渠的注记要用宋体斜体字表示。
以上几点是制图工作人员在制图中应遵循的几项原则,同时也是制图人员应该具备和所掌握的基本知识。
如果能按照制图的基本要求去做,绘制出来的图件一定会给人带来很美观的感觉。
文字之后以图形的形式表示,以观效果。
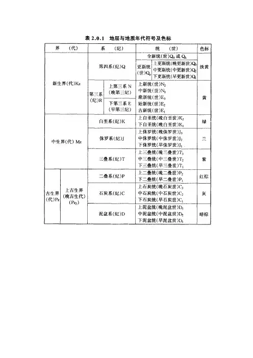
2 地层符号地质年代地层单位包括:“界、系、统”这些国际性标准。
例如:Kz表示新生界、Mz表示中生界、Pz表示古生界、PT表示元古宇等。
界还可以分为亚界,而太古宇又有新、古亚界之分,即新太古界和古太古界;元古宇又可分为新元古界、中元古界和古元古界。
中生界、新生界习惯于不分亚界。
例如:Pz2表示上古生界、Pz1表示下古生界、Pt3表示新元古界等。
系的附号一般用字母表示:例如Q表示第四系、R表示第三系、K表示白垩系[3]、J表示侏罗系、T表示三叠系、P表示二叠系、C表示石炭系、S表示志留系、O表示奥陶系、∈表示寒武系、Z表示震旦系。
亚系的符号一般不分,第三系例外,如N 表示新第三系、E表示老第三系。
统的符号是在字母的右下角加上阿拉伯数字1、2、3、4,如Q4表示全新统、Q3表示上更新统、Q2表示中更新统、Q1表示下更新统等。
地层年限及代号第四系:Q
全新统:Qh,代号:Q4
更新统:Qp,代号:上更新统:Q3
中更新统: Q2
下更新统:Q1 新近系:N
上新统:N2
中新统:N1
古近系:E
渐新统:E3
始新统:E2
古新统:E1
白垩系:K
上白垩统:K2
下白垩统:K1
侏罗系:J
上侏罗统:J3
中侏罗统:J2
下侏罗统:J1
三叠系:T
上三叠统:T3
中侏罗统:T2
下侏罗统:T1 二叠系:P
上二叠统:P3
中二叠统:P2
下二叠统:P1 石炭系:C
上石炭统:C2
下石炭统:C1 泥盆系:D
上泥盆统:D3
中泥盆统:D2
下泥盆统:D1 志留系:S
顶志留统:S4
上志留统:S3
中志留统:S2
下志留统:S1 奥陶系:O
上奥陶统:O3
中奥陶统:O2
下奥陶统:O1
寒武系:ε
上寒武统:ε3
中寒武统:ε2
下寒武统:ε1 震旦系:Z
上震旦统:Z2
下震旦统:Z1。
2地层符号地质年代地层单位包括:“界、系、统”这些国际性标准。
例如:Kz表示新生界、Mz表示中生界、Pz表示古生界、PT表示元古宇等。
界还可以分为亚界,而太古宇又有新、古亚界之分,即新太古界和古太古界;元古宇又可分为新元古界、中元古界和古元古界。
中生界、新生界习惯于不分亚界。
例如:Pz2表示上古生界、Pz1表示下古生界、Pt3表示新元古界等。
系的附号一般用字母表示:例如Q表示第四系、R表示第三系、K表示白垩系[3]、J表示侏罗系、T表示三叠系、P表示二叠系、C表示石炭系、S表示志留系、O表示奥陶系、∈表示寒武系、Z表示震旦系。
亚系的符号一般不分,第三系例外,如N表示新第三系、E表示老第三系。
统的符号是在字母的右下角加上阿拉伯数字1、2、3、4,如Q4表示全新统、Q3表示上更新统、Q2表示中更新统、Q1表示下更新统等。
而属于全国性或大区域性的使用范围的地层单位“阶”的符号是在统的符号后面加上阶名汉语拼音头一个正体小写字母,如同一统内阶名第一个字母重复时,则年代较老的阶用一个字母,较新的阶在头一个字母之后再加最近的一个正体小写字母。
例如∈3f上寒武统凤山阶、∈3c上寒武统长山阶等等。
岩石地层单位符号包括:群的符号、组的符号和段的符号等。
(1)群的符号是在相应的界或系或统的符号之后加群名两个汉语拼音小写斜体字母,第一个为汉语拼音的头一个字母,第二个是拼音最接近的声母。
例如:Pt1ht滹沱群、∈2sh水口群。
在Autocad制图中可将ht、sh选中,点菜单格式里的文本风格,找出字体名称为:“T Dutch801Rm BT”的字体,点击新的文本,设一个新层就OK了。
同时,还可将正体字改为斜体字,方法为:先点属性菜单,然后点要更改的字按鼠标右键出现一个更改文本对话框点击风格栏里选“STYLE1”就“OK”了。
将正体字设成斜体小写字母,这样就可形成比较标准的格式了。
另外亚群的符号考虑在群的符号之右上角注以小写正体字母如:a、b、c、d 表示,例如:Pt1hta滹沱群下亚群。
石家庄至济南客运专线初测地层编号
1、主层编号
1 第四系全新统人工堆积层(Q4ml)
2 第四系全新统冲积层(Q4al)
3 第四系全新统冲洪积层(Q4al+pl)
4 第四系上更新统冲击层(Q3al)
5 第四系上更新统冲洪积层(Q3al+pl)
6 第四系中更新统冲残积层(Q2al+el)
7 第四系下更新统冰积层(Q1gl)
8 上第三系(N2)
2、亚层编号
1黏土
2粉质黏土
3粉土
4新黄土
5淤泥质黏土
6淤泥质粉质黏土
7粉砂
8细砂
9中砂
10粗砂
14砾砂
15姜石层
16细圆砾土
17粗圆砾土
18细角砾土
19粗角砾土
24 卵石土
25 碎石土
3、亚层最后一位数编号
1、2、3、4.............(代表第几层土);
4、人工填筑层地层编号
①1 填筑土;①2 素填土;①3 杂填土
5、第三系地层编号
⑦1黏土、⑦2粉质黏土、⑦3 泥灰岩、⑦4 泥岩、⑦5 砂岩、⑦6 砾岩
6、示例:(理正输入的顺序)
1)主层2 亚层23 表示:②23层;即第四系全新统冲洪积层中的第3层粉质黏土2)主层3 亚层32 表示:③32层;即第四系上更新统冲洪层中的第2层粉土
1)主层号
说明:土层中按照化验指标,基本按照深度划分层号,基本按15m/35m/55m/75m划开,给定亚层号,具体划分深度按实际情况灵活掌握,若土层中含姜石较多,且连续分布,应单独划出,单独给定承载力,土层中存在松软层,也应单独划出,承载力分层。
凡从事地质专业制图的人员都会清楚地意识到,图式、图例是地质图件的重要组成部分,是表达地质成果内容的形式和手段,是读图的共同语言,同时地质体代号的书写格式是否正确和规范同样也显得尤为重要。
这反映了制图人员对制图规范的熟悉和应用程度。
结合以往在制图过程中常碰到的一些地质代号书写混乱,没能按规范要求出版的现象,本人依照中华人民共和国地质矿产部公开出版发行的《区域地质矿产调查工作图式图例》与制图工作人员共同探讨有关地质代号书写格式在计算机中的辅助应用。
首先阐述一下有关各种文字在图中的注记要求。
地名一般用宋体字表示,字的大小与地名级别有关,山名注记一般用黑体字表示,山脉的注记用耸肩体,河流、湖泊、沟、渠的注记要用宋体斜体字表示。
以上几点是制图工作人员在制图中应遵循的几项原则,同时也是制图人员应该具备和所掌握的基本知识。
如果能按照制图的基本要求去做,绘制出来的图件一定会给人带来很美观的感觉。
文字之后以图形的形式表示,以观效果。
2地层符号地质年代地层单位包括:“界、系、统”这些国际性标准。
例如:Kz表示新生界、Mz表示中生界、Pz表示古生界、PT表示元古宇等。
界还可以分为亚界,而太古宇又有新、古亚界之分,即新太古界和古太古界;元古宇又可分为新元古界、中元古界和古元古界。
中生界、新生界习惯于不分亚界。
例如:Pz2表示上古生界、Pz1表示下古生界、Pt3表示新元古界等。
系的附号一般用字母表示:例如Q表示第四系、R表示第三系、K表示白垩系[3]、J表示侏罗系、T表示三叠系、P表示二叠系、C表示石炭系、S表示志留系、O表示奥陶系、∈表示寒武系、Z表示震旦系。
亚系的符号一般不分,第三系例外,如N表示新第三系、E表示老第三系。
统的符号是在字母的右下角加上阿拉伯数字1、2、3、4,如Q4表示全新统、Q3表示上更新统、Q2表示中更新统、Q1表示下更新统等。
而属于全国性或大区域性的使用范围的地层单位“阶”的符号是在统的符号后面加上阶名汉语拼音头一个正体小写字母,如同一统内阶名第一个字母重复时,则年代较老的阶用一个字母,较新的阶在头一个字母之后再加最近的一个正体小写字母。
地层的沉积一般分为:ml--人工填土pd--植物层al--冲积层pl--洪积层dl--坡积层el--残积层eol--风积层l--湖积层h--沼泽沉积层m--海相沉积层mc--海相交互相沉积层gl--冰积层fgl--冰水积层b--火山堆积层col--崩积层del--滑坡堆积set--泥石流o--生物堆积ch--化学堆积物pr--成因不明沉积冲积物(al)河流在平缓地段所堆积下来的碎屑物,称为冲积物。
冲积物根据其形成条件,可分为:(1)山区河谷冲积物大部分由卵石、碎石等粗颗粒组成,分选性较差,大小不同的砾石互相交替,成为水平排列的透镜体或不规则的夹层,厚度一般不大。
一般地说,山区河谷的堆积物颗粒大,承载力高,但由于河流侧向侵蚀的结果也带来了大量的细小颗粒,特别是当河流两旁有许多冲沟支岔时,这些冲沟支岔带来的细小颗粒往往和冲积的粗大颗粒交错堆积在一起,承载力也因而降低。
(2)平原河谷冲积物河流上游的冲积物一般颗粒粗大,向下游逐渐变细。
冲积层一般呈条带状,具有水平层理,有时也成流水层或湍流层的交错层理。
在每一个小层中,岩性的成分就比较均匀,有极良好的分选性。
冲积物的颗粒形状一般为亚圆形或圆形,搬运的距离愈长,颗粒的浑圆度越好。
平原河谷冲积物可分为:河床冲积物、河漫滩冲积物、牛轭湖冲积物和阶地冲积物。
河床冲积物、河漫滩冲积物多为磨圆度较好的漂石、卵石、圆砾和各种砂类土,有时也有粉土、粘性土存在。
在同一地段上,河漫滩冲积物的粒度一般较河床冲积物为小。
在同一河漫滩上,靠河床近的冲积物的粒度比距河床远的为大。
牛轭湖冲积物只有当洪水期间成为溢洪区时才能形成,此时,细砂或粉质粘土就直接覆盖在原来已形成的泥炭或淤泥层上。
阶地冲积物的粒度常较河漫滩的为小,一般由粉质粘土、粉土和各种砂土所构成,有时也有卵石、圆砾的夹层。
在黄土地区,阶地则往往为各个不同地质时期的黄土所分布。
平原河谷冲积层中的地下水一般为潜水,由高阶地补给低阶地,再由河漫滩补给河水。
地层代号表示方法地层代号是用来表示地层的一种简称,通常用于地质勘探和地质调查中。
地层代号一般由两部分组成,即地层类型代号和地层编号。
地层类型代号是用来表示地层的性质的一个简称,通常包括地层的岩性、颜色、形态等信息。
例如,岩层的地层类型代号可以用"Y"表示,沙层的地层类型代号可以用"S"表示,泥层的地层类型代号可以用"N"表示等。
地层编号是用来表示地层的序号的一个简称,通常从上到下依次编号。
例如,第一层岩层的地层编号可以用"1"表示,第二层岩层的地层编号可以用"2"表示,第三层岩层的地层编号可以用"3"表示等。
因此,地层代号一般由地层类型代号和地层编号两部分组成。
例如,第一层岩层的地层代号可以用"Y1"表示,第二层岩层的地层代号可以用"Y2"表示,第一层沙层的地层代号可以用"S1"表示等。
注意,地层代号的表示方法可能会根据不同的地区、机构或个人有所不同,因此在使用地层代号时,应该确保所使用的地层代号的表示方法与所在的地区、机构或个人的地层代号表示方法相一致。
此外,在使用地层代号时,还应注意以下几点:1.地层代号应该尽量简短,方便记忆和使用。
2.地层代号应该清晰明了,不容易混淆。
3.地层代号应该尽量保持一致,避免因为地层代号的不一致而造成的混淆。
4.地层代号应该适当记录地层的其他信息,如地层厚度、地层质地等。
总之,地层代号是一种简称,用来表示地层的信息。
在使用地层代号时,应注意表示方法的一致性,并遵循上述原则。
凡从事地质专业制图得人员都会清楚地意识到,图式、图例就是地质图件得重要组成部分,就是表达地质成果内容得形式与手段,就是读图得共同语言,同时地质体代号得书写格式就是否正确与规范同样也显得尤为重要。
这反映了制图人员对制图规范得熟悉与应用程度。
结合以往在制图过程中常碰到得一些地质代号书写混乱,没能按规范要求出版得现象,本人依照中华人民共与国地质矿产部公开出版发行得《区域地质矿产调查工作图式图例》与制图工作人员共同探讨有关地质代号书写格式在计算机中得辅助应用。
首先阐述一下有关各种文字在图中得注记要求。
地名一般用宋体字表示,字得大小与地名级别有关,山名注记一般用黑体字表示,山脉得注记用耸肩体,河流、湖泊、沟、渠得注记要用宋体斜体字表示。
以上几点就是制图工作人员在制图中应遵循得几项原则,同时也就是制图人员应该具备与所掌握得基本知识。
如果能按照制图得基本要求去做,绘制出来得图件一定会给人带来很美观得感觉。
文字之后以图形得形式表示,以观效果。
2地层符号地质年代地层单位包括:“界、系、统”这些国际性标准。
例如:Kz表示新生界、Mz表示中生界、Pz表示古生界、PT表示元古宇等。
界还可以分为亚界,而太古宇又有新、古亚界之分,即新太古界与古太古界;元古宇又可分为新元古界、中元古界与古元古界。
中生界、新生界习惯于不分亚界。
例如:Pz2表示上古生界、Pz1表示下古生界、Pt3表示新元古界等。
系得附号一般用字母表示:例如Q 表示第四系、R表示第三系、K表示白垩系[3]、J表示侏罗系、T表示三叠系、P表示二叠系、C表示石炭系、S表示志留系、O表示奥陶系、∈表示寒武系、Z表示震旦系。
亚系得符号一般不分,第三系例外,如N表示新第三系、E表示老第三系。
统得符号就是在字母得右下角加上阿拉伯数字1、2、3、4,如Q4表示全新统、Q3表示上更新统、Q2表示中更新统、Q1表示下更新统等。
而属于全国性或大区域性得使用范围得地层单位“阶”得符号就是在统得符号后面加上阶名汉语拼音头一个正体小写字母,如同一统内阶名第一个字母重复时,则年代较老得阶用一个字母,较新得阶在头一个字母之后再加最近得一个正体小写字母。
地层代号用法
Company Document number:WTUT-WT88Y-W8BBGB-BWYTT-19998
凡从事地质专业制图的人员都会清楚地意识到,图式、图例是地质图件的重要组成部分,是表达地质成果内容的形式和手段,是读图的共同语言,同时地质体代号的书写格式是否正确和规范同样也显得尤为重要。
这反映了制图人员对制图规范的熟悉和应用程度。
结合以往在制图过程中常碰到的一些地质代号书写混乱,没能按规范要求出版的现象,本人依照中华人民共和国地质矿产部公开出版发行的《区域地质矿产调查工作图式图例》与制图工作人员共同探讨有关地质代号书写格式在计算机中的辅助应用。
首先阐述一下有关各种文字在图中的注记要求。
地名一般用宋体字表示,字的大小与地名级别有关,山名注记一般用黑体字表示,山脉的注记用耸肩体,河流、湖泊、沟、渠的注记要用宋体斜体字表示。
以上几点是制图工作人员在制图中应遵循的几项原则,同时也是制图人员应该具备和所掌握的基本知识。
如果能按照制图的基本要求去做,绘制出来的图件一定会给人带来很美观的感觉。
文字之后以图形的形式表示,以观效果。
2 地层符号
地质年代地层单位包括:“界、系、统”这些国际性标准。
例如:Kz表示新生界、Mz表示中生界、Pz表示古生界、PT表示元古宇等。
界还可以分为亚界,而太古宇又有新、古亚界之分,即新太古界和古太古界;元古宇又可分为新元古界、中元古界和古元古界。
中生界、新生界习惯于不分亚界。
例如:Pz2表示上古生界、Pz1表示下古生界、Pt3表示新元古界等。
系的附号一般用字母表示:例如Q表示第四系、R表示第三系、K表示白垩系[3]、J表示侏罗系、T表示三叠系、P表示二叠系、C表示石炭系、S表示志留系、O表示奥陶系、∈表示寒武系、Z表示震旦系。
亚系的符号一般不分,第三系例外,如N
表示新第三系、E表示老第三系。
统的符号是在字母的右下角加上阿拉伯数字1、2、3、4,如Q4表示全新统、Q3表示上更新统、Q2表示中更新统、Q1表示下更新统等。
而属于全国性或大区域性的使用范围的地层单位“阶”的符号是在统的符号后面加上阶名汉语拼音头一个正体小写字母,如同一统内阶名第一个字母重复时,则年代较老的阶用一个字母,较新的阶在头一个字母之后再加最近的一个正体小写字母。
例如∈3f上寒武统凤山阶、∈3c上寒武统长山阶等等。
3 岩石地层单位符号
岩石地层单位符号包括:群的符号、组的符号和段的符号等。
(1)群的符号是在相应的界或系或统的符号之后加群名两个汉语拼音小写斜体字母,第一个为汉语拼音的头一个字母,第二个是拼音最接近的声母。
例如:Pt1ht滹沱群、∈2sh水口群。
在Autocad制图中可将ht、sh选中,点菜单格式里的文本风格,找出字体名称为:“T Dutch801 Rm BT”的字体,点击新的文本,设一个新层就OK了。
同时,还可将正体字改为斜体字,方法为:先点属性菜单,然后点要更改的字按鼠标右键出现一个更改文本对话框点击风格栏里选“STYLE1”就“OK”了。
将正体字设成斜体小写字母,这样就可形成比较标准的格式了。
另外亚群的符号考虑在群的符号之右上角注以小写正体字母如:a、
ht a滹沱群下亚群。
b、c、d表示,例如: Pt
1
(2)组的符号采用在系的或统的符号后,加组名汉语拼音头一个小写斜体字母。
同一统或系内组名第一个字母有重复时,则年代较新的组在头一个字母之后再加上最接近的一个小写斜体字母,例如:∈3b保山组、∈1m馒头组。
另外亚组符号考虑在组名的右下角注以阿拉伯数字1、2、3表示,例如∈1m1镘头组下亚组。
依照组的符号书写格式,结合以往在制图过程中常碰到组的代号书写
格式不正确的现象,例举一些地质代号与大家共同识别,我们以例图形式表示:以罗定群、船山群、石炭系埃连卡特组、龙潭组、桂头组为例。
(3)段的符号是在组再进一步细分为段时,可在组的符号右上角注以阿拉伯数字。
例如:馒头组第一段∈1m1、馒头组第二段∈1m2等。
4 侵入岩年代单位符号
全部采用的是斜体小写的希腊字母,以花岗岩为例:γ表示晚元古代花岗岩、γ表示中元古代花岗岩。
鉴于以上所叙述的几点,用表格的形式将其书写格式归纳于下。
地层代号
侵入岩时代代号
以上所述的几点是本人多年来,通过学习所遵循的几项原则,同时也希望能提供给每一位制图人员参考,共勉。