备品备件管理流程图
- 格式:ppt
- 大小:649.00 KB
- 文档页数:5
供热公司备品备件管理制度第一章总则第一条为规范热公司备品备件管理,提高备品备件的利用率,确保热公司供热设备正常运作,特制定本管理制度。
第二条本管理制度适用于热公司备品备件的采购、入库、出库、使用、保养、更新等全过程管理。
第三条热公司备品备件应按照相关法律法规、标准规范的要求采购、使用、管理,确保热公司供热设备的安全和稳定运行。
第四条热公司备品备件管理应坚持“适时、适用原则”,确保备品备件的质量和数量满足公司的需要,提高备品备件的利用率和管理效率。
第五条热公司备品备件管理应强化管理责任,建立健全备品备件管理制度,加强备品备件的计划管理,提高备品备件的使用率和管理水平。
第六条热公司备品备件管理人员应具备专业知识和技能,熟悉备品备件管理流程和操作,遵守公司相关管理制度和规定,提高备品备件管理的效率和质量。
第七条热公司备品备件管理应加强信息化建设,运用现代管理技术和手段,提高备品备件管理的自动化水平,提高备品备件管理的效率和质量。
第八条热公司备品备件管理应加强内部控制,建立健全备品备件管理的内控体系,防范风险,确保备品备件管理的规范和有效。
第二章采购管理第九条热公司备品备件的采购应严格遵循公司相关管理制度和规定,按照采购程序和流程,确定备品备件的种类、规格、数量和质量要求。
第十条热公司备品备件的采购应根据公司的需要和预算,选取有合法资质和信誉的备品备件供应商,签订合同,明确双方的权利和义务。
第十一条热公司备品备件的采购应进行验收和入库登记,确保备品备件的质量和数量符合合同要求,及时入库并编号管理。
第十二条热公司备品备件的采购应建立备品备件供应商质量评价制度,对备品备件供应商的综合评价,及时反馈评价结果,提高备品备件供应商的服务水平和质量。
第十三条热公司备品备件的采购应建立备品备件档案,记录备品备件的基本信息和操作记录,确保备品备件的管理规范和有序。
第十四条热公司备品备件的采购应建立备品备件采购台帐,记录备品备件的入库和使用情况,及时更新备品备件的信息,确保备品备件的管理准确和完整。
一、目的建立备品备件管理制度,旨在于:规范备品备件的申购、收货、验收、入库、领用、出库、耗用管控以及报废操作;确保备件的安全库存同时降低库存资金。
二、管理范围适用于公司设备保养、维修备品备件管理。
三、定义3.1备品:机械设备中备品就是为易损件准备的备用易损件,以防止因为易损件损坏,失效等原因使得生产停顿。
3.2备件:指各种生产设备、辅助生产设备、电力和动力供应设备所用的零部件,备件含外购件和外协件。
3.2.1外购件:含通用件、标准件(指无需图纸可直接在市面购买的零部件)、专用备件(特定设备专用,如包装机、压缩机、冷冻机等专用备件)。
3.2.2外协件:外协加工件指需提供图纸或参照物才能进行加工的专用零部件(定制入库件);外协维修指修复的整机、轴、带料加工成型等。
3.3通用材料:管阀件、通用材料、分析器具等,如管道、阀门、法兰、除尘器布袋、滤布、滤板、油脂油品等。
四、职责4.1供应部:负责备品备件的采购,以及与供应商协调,确保备品备件按期供应。
4.2备件库:负责备品备件的收货、检验通知、入库、发放出库、盘存。
4.3工程部:负责备品备件计划申购、参与检验、管控。
4.4生产管理部:负责备品备件计划正确性、必要性、合理性审核,监督并协助追踪主要备件执行情况,参与检验、费用成本控制。
4.5生产部门:负责通用材料除安全库存外的申报,及备品备件领用,是费用承担主体部门。
4.6财务部:费用核算、费用分摊、维修成本分析。
五、流程5.1备品备件、外协加工件申购流程系统外业务流程(纸质业务流程)5.2备品、备件收货、验收流程5.5备品备件领用流程参照海丰和泰《物资管理办法》中物资出库管理规定执行,具体操作如下:5.5.1使用部门提交《出库申请单》经部门主管审批,仓管人员凭领料人员出示的《出库申请单》,PDA扫描《出库申请单》条码,仓管员对物料、数量确认,将PDA采集的数据上传NC系统,自动生成《材料出库单》完成出库操作。
设备备品备件管理办法设备备品备件管理办法(案)一、目的与适用范围为了确保本公司各种设备备品备件的有效管理~降低备品备件采购成本~及时提供优质的备品备件~满足设备日常维护和维修的需要~制定本办法。
本办法适用于全公司的各种设备备品备件的申购、审批、采购、验收、入库和存储的管理。
二、定义备品备件:为了缩短设备待修时间~在设备维修之前予以储备的设备配件材料。
三、职责与权限1、设备与安全部负责生产设备、设施的备品备件申购及入库验收~负责确定存储数量以及日常监督工作~保证正常生产需要。
2、人事行政部负责非生产设备、设施的备品备件申购入库验收~负责确定存储数量以及日常监督工作~保证后勤工作正常运转。
3、质量保证部负责实验室和计量器具的备品备件的申购入库验收~负责确定存储数量以及日常监督工作~保证正常的工作运转。
4、计划物控科负责公司所有生产和非生产设备备品备件入库验收,一级库存,及仓储管理工作。
5、采购科为公司各类备品备件采购管理和执行部门~主要负责各种设备备品备件的采购、入库验收及其相关手续的办理工作.6、财务科负责对采购各种备品备件的价格进行审核~定期进行盘库工作~监督检查各种备品备件的采购及使用情况。
四、各种设备备品备件管理流程图1设备与安全部负责(分建立备品备件技术台账电气部分和机械部分)设备与安全部负责(分备品备件采购计划申请电气部分和机械部分)逐级审批制度采购计划审批采购科负责备品备件采购采购科、设备与安全备品备件入库验收部、物控科负责物控科负责备品备件存储设备与安全部负责备品备件领用2五、工作内容及要求,一,建立备品备件技术台账设备与安全部根据生产计划,产量,以及各种设备使用频率~确定各种主要备品备件合适的存储数量~编制《备品备件技术台账》.,二,提出备品备件采购申请计划1、设备与安全部依据备品备件清单中的最高最低库存原则以及设备维修保养的需要,每月10日前,填写《采购计划申请表》~申请表中备注栏需体现备品备件需求紧急情况~及使用场所等内容,具体按照申请表详细填写,。
变电一次运检制度操作指南────────────────────────────────────────────────设备备品备件管理制度操作指南国网供电公司2015年11月描述01:组织编制公司电网备品备件配置原则描述02:编制本专业备品备件配置原则描述03:完成制定公司电网备品备件配置原则描述04:组织编制总部资产备品备件定额描述05:组织编制分部资产备品备件定额描述06:组织编制本单位所属及受托运维资产电网备品备件储备定额描述07:组织编制本单位运维资产电网备品备件储备定额描述08:编制本专业总部资产备品备件定额描述09:编制本专业分部资产备品备件定额描述10:编制本专业备品备件定额描述11:编制本专业备品备件定额描述12:制定总部资产备品备件定额描述13:制定并上报分部资产电网备品备件定额描述14:制定并上报本单位运维资产电网备品备件储备定额描述15:制定并上报本单位所属及受托运维资产电网备品备件储备定额描述16:完成本专业电网备品备件定额审查描述17:完成电网备品备件储备定额审批描述18:检查本单位备品备件库储备缺额情况描述19:基建工程合理配置备品备件描述20:组织库存退役设备(零部件)鉴定描述21:组织编制缺额备品备件年度采购预算建议描述22:组织编制缺额备品备件年度采购预算建议描述23:组织编制本单位及受托运维资产缺额备品备件年度采购预算建议描述24:组织编制本单位运维资产缺额备品备件年度采购预算建议描述25:基建工程竣工验收时清点核对基建移交备品备件描述26:各部门编制本专业年度采购预算建议描述27:各部门编制本专业年度采购预算建议描述28:各部门编制本专业年度采购预算建议描述29:各部门编制本专业缺额备品备件年度采购预算建议描述30:基建预交备品备件纳入备品备件库描述31:编制并上报本单位运维资产缺额备品备件年度采购预算建议描述32:编制并报送总部资产年度采购预算建议描述33:编制并报送本单位资产年度采购预算建议描述34:编制并上报本单位运维资产缺额备品备件年度采购预算建议描述35:将备品备件购置预算纳入公司预算描述36:判断资产归属描述37:下达/分解备品备件购置预算描述38:满足技术要求的退役设备(零部件)入备品备件库描述39:组织编报本专业备品备件采购需求描述40:审核备品备件采购需求描述41:将备品备件购置预算纳入本单位年度预算并报送总部描述42:组织电网备品备件采购描述43:组织专业部门收货验收描述44:办理电网备品备件入库手续描述45:建立及维护备品备件台账描述46:对电网备品备件进行日常巡视和定期清查盘点描述47:开展本专业电网备品备件定期检查试验描述48:判断有无维修价值描述49:开展本专业电备品备件修理维护描述50:判断是否超过备用周转期描述51:判断来源描述52:及时在基建、技改、大修项目中使用描述53:判断是否紧急抢修描述54:提出资产报废申请描述55:提出资产报废申请描述56:通知物资部门领用备品备件描述57:领用备品备件描述58:判断是否配网设备描述59:判断是否本单位描述60:提出电网备品备件使用申请描述61:审批备品备件使用申请描述62:办理领用出库手续描述63:判断是否本地市描述64:使用单位提出电网备品备件使用申请描述65:公司总部(分部)专业部门审批使用申请描述66:办理领用出库手续描述67:使用单位提出电网备品备件使用申请描述68:上级单位审批备品备件使用申请描述69:办理领用出库手续描述70:备品备件完成使用描述71:补列生产技改或设备大修项目描述72:检查、考核备品备件使用情况3.1 执行相关制度·国网(运检/3)410-2014 国家电网公司电网备品备件管理规定·国网(运检/1)94-2014 国家电网公司运维检修管理通则3.2 执行相关技术标准·智能变电站测控单元技术规·智能变电站智能控制柜技术规·电子式电压互感器技术规·电子式电流互感器技术规·承压设备产品焊接试件的力学性能检验·压力表用铜合金管·压力管道规工业管道第5部分:检验与试验·电站设备备品配件分类与编码导则·低压电气装置第6部分:检验·配电自动化技术导则·电工电子产品环境试验设备基本参数检验方法振动(随机)试验用液压振动台·配电网运维规程·配电网技术改造选型和配置原则· 10kV电缆线路不停电作业技术导则·重要电力用户供电电源及自备应急电源配置技术规·电力电缆及通道运维规程·六氟化硫气体绝缘试验变压器技术条件·智能变电站合并单元技术规·复合绝缘子用硅橡胶绝缘材料通用技术条件3.3 执行相关绩效指标·机具信息录入准确率·实物资产管理完成率·机具完好率·机具的帐、卡、物对应率·在运设备备用率3.4 执行相关风险指标·电网备品备件储备定额编制不当,不满足检修,未完全满足抢修需要,未减少重复储备。
(BPM 业务流程管理)生产制造公司各部门业务流程图汇总××××××××制造有限公司流程图2013 年 11 月目录封面 (1)目录 (2)业务总流程图 (4)1、企管部业务流程图1.1、员工招聘流程 (5)1.2、员工离职流程图 (6)1.3、员工转岗流程图 (6)1.4、工资核算发放流程图 (7)1.5、文件管理流程图 (8)1.6、员工社保办理流程图 (8)1.7、员工请假流程图 (9)1.8、员工年休假流程图 (9)1.9、办公用品申领流程图 (9)1.10、食堂结算流程图 (10)1.11、试用期转正(定岗)流程图 (10)2、生产计划部业务流程图2.1、生产流程 (11)2.2、材料申购流程 (12)2.3、材料采购流程 (13)2.4、材料领用流程 (14)3、设备部业务流程图3.1、设备检修流程图 (15)3.2、设备采购流程图 (16)3.3、设备报废流程图 (17)3.4、备品备件流程图 (18)3.5设备工具管理流程图 (19)4、储运部业务流程图4.1、主材、辅料入库流程图 (20)4.2、原材料出库流程图 (20)4.3、成品入库流程图 (21)4.4、成品发货流程图 (22)4.5、备品、备件及消耗品入库流程图 (23)4.6、备品、备件及消耗品出库流程图 (23)4.7、工具领用管理程序 (24)4.8、垃圾清理流程图 (24)4.9、废料清理流程图 (25)5、防腐保温事业部生产作业流程图 (26)6、质检部工作流程图 (27)1、企管部业务流程图1.1 、员工招聘流程序 号作业流程责任人 使用表单作业内容用人部门提出人员需求申请,经1企管部审核后上报审批:1.生产 员工由副总审批;2.其他人员由总 经理审批企管部汇总各部门人员申请需求, 2制定招聘计划,经总经理审批后实施3总经理审批招聘计划1.企管部提出招聘费用申请并按4审批权限呈批;2.根据招聘计划,发布招聘信息,并做好招聘前准备。
变电一次运检制度操作指南────────────────────────────────────────────────设备备品备件管理制度操作指南国网供电公司2015年11月描述01:组织编制公司电网备品备件配置原则描述02:编制本专业备品备件配置原则描述03:完成制定公司电网备品备件配置原则描述04:组织编制总部资产备品备件定额描述05:组织编制分部资产备品备件定额描述06:组织编制本单位所属及受托运维资产电网备品备件储备定额描述07:组织编制本单位运维资产电网备品备件储备定额描述08:编制本专业总部资产备品备件定额描述09:编制本专业分部资产备品备件定额描述10:编制本专业备品备件定额描述11:编制本专业备品备件定额描述12:制定总部资产备品备件定额描述13:制定并上报分部资产电网备品备件定额描述14:制定并上报本单位运维资产电网备品备件储备定额描述15:制定并上报本单位所属及受托运维资产电网备品备件储备定额描述16:完成本专业电网备品备件定额审查描述17:完成电网备品备件储备定额审批描述18:检查本单位备品备件库储备缺额情况描述19:基建工程合理配置备品备件描述20:组织库存退役设备(零部件)鉴定描述21:组织编制缺额备品备件年度采购预算建议描述22:组织编制缺额备品备件年度采购预算建议描述23:组织编制本单位及受托运维资产缺额备品备件年度采购预算建议描述24:组织编制本单位运维资产缺额备品备件年度采购预算建议描述25:基建工程竣工验收时清点核对基建移交备品备件描述26:各部门编制本专业年度采购预算建议描述27:各部门编制本专业年度采购预算建议描述28:各部门编制本专业年度采购预算建议描述29:各部门编制本专业缺额备品备件年度采购预算建议描述30:基建预交备品备件纳入备品备件库描述31:编制并上报本单位运维资产缺额备品备件年度采购预算建议描述32:编制并报送总部资产年度采购预算建议描述33:编制并报送本单位资产年度采购预算建议描述34:编制并上报本单位运维资产缺额备品备件年度采购预算建议描述35:将备品备件购置预算纳入公司预算描述36:判断资产归属描述37:下达/分解备品备件购置预算描述38:满足技术要求的退役设备(零部件)入备品备件库描述39:组织编报本专业备品备件采购需求描述40:审核备品备件采购需求描述41:将备品备件购置预算纳入本单位年度预算并报送总部描述42:组织电网备品备件采购描述43:组织专业部门收货验收描述44:办理电网备品备件入库手续描述45:建立及维护备品备件台账描述46:对电网备品备件进行日常巡视和定期清查盘点描述47:开展本专业电网备品备件定期检查试验描述48:判断有无维修价值描述49:开展本专业电备品备件修理维护描述50:判断是否超过备用周转期描述51:判断来源描述52:及时在基建、技改、大修项目中使用描述53:判断是否紧急抢修描述54:提出资产报废申请描述55:提出资产报废申请描述56:通知物资部门领用备品备件描述57:领用备品备件描述58:判断是否配网设备描述59:判断是否本单位描述60:提出电网备品备件使用申请描述61:审批备品备件使用申请描述62:办理领用出库手续描述63:判断是否本地市描述64:使用单位提出电网备品备件使用申请描述65:公司总部(分部)专业部门审批使用申请描述66:办理领用出库手续描述67:使用单位提出电网备品备件使用申请描述68:上级单位审批备品备件使用申请描述69:办理领用出库手续描述70:备品备件完成使用描述71:补列生产技改或设备大修项目描述72:检查、考核备品备件使用情况3.1 执行相关制度·国网(运检/3)410-2014 国家电网公司电网备品备件管理规定·国网(运检/1)94-2014 国家电网公司运维检修管理通则3.2 执行相关技术标准·智能变电站测控单元技术规·智能变电站智能控制柜技术规·电子式电压互感器技术规·电子式电流互感器技术规·承压设备产品焊接试件的力学性能检验·压力表用铜合金管·压力管道规工业管道第5部分:检验与试验·电站设备备品配件分类与编码导则·低压电气装置第6部分:检验·配电自动化技术导则·电工电子产品环境试验设备基本参数检验方法振动(随机)试验用液压振动台·配电网运维规程·配电网技术改造选型和配置原则· 10kV电缆线路不停电作业技术导则·重要电力用户供电电源及自备应急电源配置技术规·电力电缆及通道运维规程·六氟化硫气体绝缘试验变压器技术条件·智能变电站合并单元技术规·复合绝缘子用硅橡胶绝缘材料通用技术条件3.3 执行相关绩效指标·机具信息录入准确率·实物资产管理完成率·机具完好率·机具的帐、卡、物对应率·在运设备备用率3.4 执行相关风险指标·电网备品备件储备定额编制不当,不满足检修,未完全满足抢修需要,未减少重复储备。
备品、备件、专用工具管理制度范围本规定描述了对属于顾客财产的备品、备件及专用工具的管理要求,提出了标识、接收验证、现场保管、借用与归还、损坏赔偿等方面的原则。
本规定适用于上海临港燃气电厂一期工程对备品、备件及专用工具的控制。
规范性引用文件项目管理大纲职责综合管理部负责备品、备件及专用工具的归口管理,并负责备品、备件及专用工具借用申请的批准。
综合管理部负责备品、备件及专用工具借用申请的审核,负责管理过程中的日常监督和检查。
承包商负责备品、备件及专用工具的接收、储存、借用、归还的管理。
管理要求管理范围4.1.1备品、备件是指由顾客出资提供的被安装设备随机配发的替补件、易损件或运行某一限期后换装的机件,也可以包括合同表明的选购件。
4.1.2专用工具是指顾客财产中,由顾客出资提供的被安装设备随机配发的工器具,用于该设备的组装、拆卸、维护、检修。
备品、备件及专用工具的标识凡属于备品、备件及专用工具,均需进行标识。
标识常用方法有实物标识、码等。
备品、备件及专用工具的接收验证4. 3. 1总则4. 3.1应对备品、备件及专用工具进行验证。
这种验证不能免除顾客提供可接受财产的责任。
4.3.1由设备管理承包商组织,并及时通知有关责任单位参加。
4. 3. 2验证的依据4. 3.2合同及其附件。
4.3.2有关设计文件、图纸及设备、材料清册。
4. 3.2监造的相关信息。
4.3.2国家、行业(电力、制造)有关产品的验收规范。
4.3.3验证的内容4.3.3备品、备件及专用工具的名称、标识、品种、规格和数量(包括批号、批次)等是否与合同、产品说明书、装箱单等相一致,是否有铭牌等产品标识、出厂监控和测量状态标识。
4. 3.3随行的说明书、合格证、安全认证、质保书、规范、图纸等文件是否符合要求。
4.3.3检查外观是否有腐蚀、污染、损坏和不适用情况,并做出监控和测量状态标识。
4.3.3有怀疑时,应验证备品、备件及专用工具质量特性是否满足设计图纸、文件、现行技术规程规范的要求。
设备、模具、工装备品备件及焊接消耗品管理程序(IATF16949-2016/ISO9001-2015)1.0目的以保障生产正常运行为基础,为降低采购成本和节约储备资金,通过科学有效的管理提高整体经营绩效,防止浪费并加强设备、工装\模具备品备件及焊接消耗品的管理。
2.0范围本办法适用于公司所有设备、模具\工装备品备件及焊接消耗品的管理及要求。
3.0术语3.1备品备件:在设备、工装\模具维修工作中,为缩短维修间隔期,根据设备、工装/模具的磨损规律和零件使用寿命,将设备、工装/模具中容易磨损的各种零、部件,事先加工、采购和储备好,这些事前按一定数量储备的零、部件,统称为备品备件,主要包含并不局限于以下类别:1、设备说明书、图纸、工装/模具图纸所列出的易损件;2、各种配套件,如:轴承、皮带、油封等;3、传递主要负载而自身又较薄弱的零件,如:联轴器、齿轮等;4、经常摩擦而损耗较大的零件,如:轴套、摩擦片等;5、受冲击负荷或反复载荷的零件;6、因设计结构不良而故障频率较高的零件;7、在高温、高压及腐蚀性环境下工作,易造成变形、腐蚀、破裂、疲劳的零件;8、须整体备用的电机、泵类等。
3.2焊接消耗品:焊接生产过程中容易消耗的辅助材料及工业品,如:焊丝、焊条、电极盖、定位销等。
4.0管理职责4.1保障部是本办法的归口管理部门4.1.1保障部负责设备、工装/模具备品备件清单及焊接消耗品清单的编制及定期更新;4.1.2保障部负责组织制订备品备件及消耗品储备定额标准;4.1.3保障部负责监督、考核库房备品备件及焊接消耗品储备备库情况;4.1.4保障部负责备品备件及焊接消耗品入库验收;4.1.5保障部负责备品备件及焊接消耗品使用情况的技术统计分析;4.1.6保障部负责备品备件及焊接消耗品选型及换型的技术确认;4.1.7保障部维修人员做好备品备件维修更换记录;4.2物流部4.2.1物流部负责按照《搬运、储存、防护管理程序》做好备品备件及焊接消耗品的仓储、防护等物资管理工作;4.2.2物流部负责向PMC计划中心提供备品备件及焊接消耗品低储及高储预警;4.2.3物流部负责备品备件及焊接消耗品的入库报检;4.2.4物流部负责备品备件及焊接消耗品的定期盘点工作;4.3PMC计划中心4.3.1PMC计划中心负责编制需求计划及到货计划,并在K3系统中提出采购申请;4.3.2PMC计划中心负责跟踪、监督、考核需求计划及到货计划执行情况;4.4采购部4.4.1采购部负责安装需求计划及到货计划实施采购4.5生产部4.5.1生产部负责报修申请及做好相关记录4.6质保部4.6.1质保部负责备品备件及焊接消耗品更换后的产品质量跟踪及4M变化点管理工作;4.6.2质保部参与焊接消耗品的选型及换型;5.0参考文件无6.0工作流程内容6.1备库阶段6.1.1清单编制:1) 保障部设备管理员根据设备图纸、设备说明书、维修记录技术统计分析结果编制设备备件清单并制订高、低储备定额;2) 工装管理员根据工装/模具图纸、易损件清单、维修记录技术统计分析结果编制工装/模具备件清单并制订高、低储备定额;3) 焊接工艺员根据控制计划、技术消耗定额、更换记录技术统计分析结果编制焊接消耗品清单并制订高、低储备定额;4) 当工艺更改或其他原因导致备件清单变更,变更后清单需下发至PMC、库房,保障部管理员对更改后的物料进行评审处理,保证更改切换时间点为原备件库存为零。
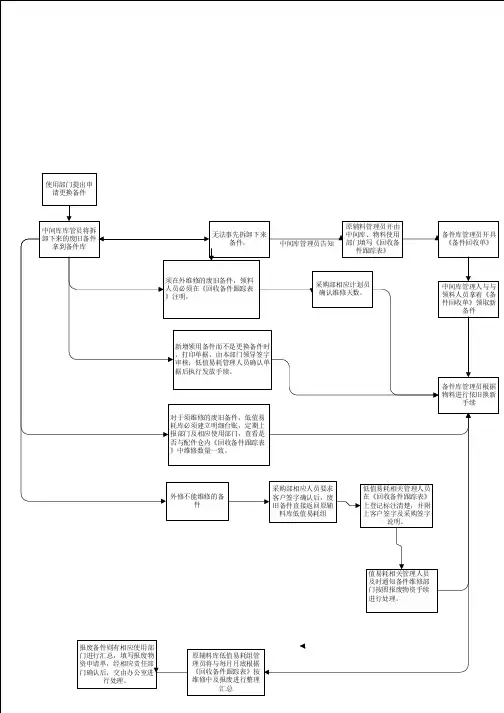
条码管理主要工作模块流程(1)备件采购入库管理流程图如图1-5所示。
流程说明:1)收货:仓库操作员根据备件采购订单收货,对于免检备件物料,可以直接打印标签。
2)检验:检验收到的备件物料是否合格,不合格则退回供应商。
3)打印标签:对于按单件管理的备件物料(如果不按单件管理,则每个备件物料分配一个相同的条码,在备件物料编码中打印,以下都相同),操作员打印出条码,并将条码贴到单个备件物料或托盘上;系统自动分配一个唯一的标签号码,信息包括备件物料编号、托盘号(托盘或箱号,以及托盘上的数量)、批号、等级、产品序列号(用于唯一标识单位产品)。
4)扫描登记入库:首先扫描仓位条码,再扫描该仓位上所有要入库的备件物料条码,循环扫描其它仓位及仓位上备件物料,直到要入库的备件物料都扫描完成。
5)上传到计算机终端:将终端上扫描的备件物料全部上传到计算机终端,并按备件采购订单生成入库单。
6)生成入库单:备件入库单可以直接从检验合格的备件收货单生成,但需要手工录入存放仓位,或使用备件收货单中的默认仓位。
7)审核入库单:确认备件入库。
(2)自制备件/修复件入库流程图如图1-6所示。
流程说明:1)入库码单:维修或制造车间打包并采集数据(自动/手工录入),同时打印装箱单、入库码单。
2)打印标签:标签可以按托盘打印,也可以按每箱打印,将标签贴到入库码单或装箱单上,再将入库码单贴到托盘上;系统自动分配一个唯一的标签号码,信息包括备件物料编号、托盘号(以及托盘上的数量)、批号、等级、产品序列号等。
3)扫描登记入库:首先扫描仓位条码,再扫描该仓位上所有要入库的备件物料条码,循环扫描其它仓位及仓位上备件物料,直到要入库的备件物料都扫描完成。
4)上传到计算机终端:将终端上扫描的备件物料全部上传到计算机终端,并按备件修复/制造加工单生成入库单。
5)生成入库单:入库单可以直接从入库码单生成,但需要手工录入存放仓位。
6)审核入库单:确认入库。
(3)备品备件、物资出库流程图如图1-7所示。
*******有限公司文件*字[2008]016号签发人:*** 备品备件(辅助物料)管理办法第一章总则第一条目的:为加强电饭煲公司备品备件(辅助物料)统一管理,规范业务流程,合理、有效的控制成本,特制订本管理办法。
第二条适用范围:适用于电饭煲公司备品备件(辅助物料)如化工品、柴油、生产低值易耗品、一次性物料、维护制作、办公用品等物料的管理。
第三条备品备件(辅助物料)分类管理之规定:一.为了有利于统计及成本管理,按用途将备品备件(辅助物料)分为生产性消耗、维护性消耗、模具制作、工装制作、办公用品,类别说明如下:二.生产性消耗物料、维护性消耗物料将按照万元辅料费加强监控、实施考核,其计算公式如下,详细考核说明见第六章。
万元辅料费=当月(生产性费用+维护性费用)*10000/当月入库成本三.模具自制、工装自制而申购的材料,其所发生费用不列入考核;各申购部门须将发生费用、相关资料(图纸、审批单)在次月5日前及时统计并上报财务管理中心会计主管;自制模具、自制工装验收后,财务管理中心按照验收价值列入固定资产、工装夹具在年度一次性摊销。
四、备品备件系统中申购的办公文具按照五项费用管理。
第四条备品备件(辅助物料)相关部门的职责如下:一.财务管理中心负责备品备件(辅助物料)的统筹管理,负责备品备件(辅助物料)的价格招标、新增物料的价格审核、采购过程的监控、供应商的管理与备品备件成本的考核。
二.品质保证部检验组负责年度消耗额在50万以上重点物料的标准核定与定期检验工作。
三.财务管理中心设置备品备件(辅助物料)仓库(简称备件仓),统一公司备品备件(辅助物料)的收发存及统计报表管理。
备件仓仓管员负责除柴油化工品外的通用件的统一下单。
四.各项目部/车间设置专职或兼职备品备件(辅助物料)申购员,专职(兼职)领料员,申购员与领料员不得由一人兼任。
申购员负责新增物料和未定价物料的询价、报价、议价及申报审批;领料员负责按申购数量领用、发放及项目部/车间自设仓库的管理。
备品备件及消耗品出库流程图
备品、备件及消耗材料领用程序
1.备品、备件及消耗材料管理实行专人负责制。
2.各部门根据生产需要开具领料单,注明名称、规格、型号、数量,对特殊物品必须有主管领导和车间主任签字方可有效。
3.库管员根据领料单正确配发。
4.严格执行公司交旧领新制度。
5.对所领用工具使用中损坏的,由使用部门填写报损单,注明损坏原因,由使用者、车间主任、主管领导签字处理后方可领用新工具。
6. 定期盘库清点,达到数量清、帐表清。
备品备件出库流程图
②出库③。
××××××××制造有限公司流程图2013年11月目录封面 (1)目录 (2)业务总流程图 (4)1、企管部业务流程图1.1、员工招聘流程 (5)1.2、员工离职流程图 (6)1.3、员工转岗流程图 (6)1.4、工资核算发放流程图 (7)1.5、文件管理流程图 (8)1.6、员工社保办理流程图 (8)1.7、员工请假流程图 (9)1.8、员工年休假流程图 (9)1.9、办公用品申领流程图 (9)1.10、食堂结算流程图 (10)1.11、试用期转正(定岗)流程图 (10)2、生产计划部业务流程图2.1、生产流程 .............................................................................................. .112.2、材料申购流程 (12)2.3、材料采购流程 (13)2.4、材料领用流程 (14)3、设备部业务流程图3.1、设备检修流程图 .................................................................................. .153.2、设备采购流程图 (16)3.3、设备报废流程图 (17)3.4、备品备件流程图 (18)3.5设备工具管理流程图 (19)4、储运部业务流程图4.1、主材、辅料入库流程图 (20)4.2、原材料出库流程图 (20)4.3、成品入库流程图 (21)4.4、成品发货流程图 (22)4.5、备品、备件及消耗品入库流程图 (23)4.6、备品、备件及消耗品出库流程图 (23)4.7、工具领用管理程序 (24)4.8、垃圾清理流程图 (24)4.9、废料清理流程图 (25)5、防腐保温事业部生产作业流程图 (26)6、质检部工作流程图 (27)41、企管部业务流程图1.1、员工招聘流程序作业流程号1用人需求申请OKNG制定招聘计划2OK3NG审批OK4发布招聘信息5收集应聘信息/资料OK6NG初试OK7NG 责任人使用表单用人部门主管经理 /部长企管部企管部人事管理员人事管理员《求职人人事管员登记理员表》企管部用人部《求职人门员登记表》作业内容用人部门提出人员需求申请,经企管部审核后上报审批: 1. 生产员工由副总审批 ;2. 其他人员由总经理审批企管部汇总各部门人员申请需求,制定招聘计划 , 经总经理审批后实施总经理审批招聘计划1.企管部提出招聘费用申请并按审批权限呈批;2.根据招聘计划,发布招聘信息,并做好招聘前准备。
售后服务体系第1章.售后服务承诺书1.1.售后服务概述我公司是一家通过了有关计算机息系统集成、支撑系统软件产品开发及网络工程设计ISO9001:2000质量认证的企业。
在我公司的ISO9001程序文件中,对于工作人员在工作中的每一个方面都有着严格的规定。
我公司关于售后的ISO9001程序文件规定了售后服务(发货、安装、调试、培训、维护、维修)的质量控制方法和要求。
客户服务将遵守ISO9001-2000质量体系国际标准的原则。
我们将联合各产品的指定维修服务机构为用户提供全面完善的技术服务及系统维护。
我公司设有专门的客户服务中心,具有完善客服流程体系。
公司承建各行业的工程项目并为其提供售后服务,拥有丰富的大型、小型工程技术服务经验。
系统正式运行后,我司有能力完全保证系统的稳定运行。
同时,我司具有提供完善的备件能力(与设备提供商有固定的合作伙伴关系,确保及时提供备件)。
1.2.完善的服务流程体系1.2.1.定期服务流程依照与客户商定的时间,技术服务工程师到达现场做系统维护工作。
主要工作内容、技术服务流程如下:1)按照服务内容所列的项目进行系统维护工作。
2)如发现问题并排除后,转入(3);如发现问题但一时无法排除,将问题的现象记录到《系统维护备忘录》,转入“专题服务流程”3)将问题的现象、分析和排除步骤记录到《系统维护记录表》,记录《工作日志》。
客户方和技术服务工程师在《系统维护记录表》上签字。
4)本次定期技术效劳结束。
定期服务流程图:1.2.2.应急效劳流程当系统遇到“突发”的故障,客户可以拨打我公司的“一号通”技术效劳热线,即进入应急效劳流程。
1)接线工程师记录客户对故障的描述后,立即做出响应。
2)如果通过电话支持,消除了本次故障,转到(6)。
3)如果没有消除故障,但可以确认为设备故障,转到(5)。
4)如果通过电话支持未能解决题目或客户要求现场技术效劳,则进行现场效劳;必要时可约请设备厂商工程师现场支持。