配筋砌体分项工程质量验收记录
- 格式:docx
- 大小:13.38 KB
- 文档页数:2
墙体砌筑检验批质量检验记录项目名称:XXX工程项目检验单位:XXX建筑检测中心检验日期:YYYY年MM月DD日一、检验目的本次质量检验旨在对XXX工程项目的墙体砌筑进行检验,确保工程质量符合相关标准和规范要求,保证墙体砌筑的安全性和稳定性。
二、被检对象被检对象为XXX工程项目的墙体砌筑,包括砖墙和混凝土墙体。
三、检验内容1.墙体砌筑材料的合格证明和进货记录。
2.砌筑墙体的垂直度和水平度。
3.墙体砌筑的强度和稳定性。
4.墙体砌筑的外观质量。
5.墙体砌筑的尺寸和布置。
四、检验方法1.对于墙体砌筑材料的合格证明和进货记录,由检验人员进行核对,并进行材料抽样进行必要的实验室检测。
2.对于砌筑墙体的垂直度和水平度,采用测量仪器进行实际测量。
3.对于墙体砌筑的强度和稳定性,采用非破坏性检测方法,如超声波检测仪、冲击试验仪等进行检验。
4.对于墙体砌筑的外观质量,采用目测法进行检查,记录墙体的平整度、表面平整度、砖缝是否均匀、墙体是否有开裂等情况。
5.对于墙体砌筑的尺寸和布置,通过测量方法确定墙体的高度、宽度、厚度等尺寸参数,检查墙体布置是否符合设计要求。
五、检验结果1.墙体砌筑材料的合格证明和进货记录均完好,材料抽样检测结果符合相关标准要求。
2.砌筑墙体的垂直度和水平度测量结果如下:墙体1:垂直度误差±5mm,水平度误差±3mm。
墙体2:垂直度误差±4mm,水平度误差±2mm。
墙体3:垂直度误差±3mm,水平度误差±1mm。
通过测量结果可以看出,对于砌筑墙体的垂直度和水平度达到了设计要求。
3.墙体砌筑的强度和稳定性检测结果如下:墙体1:强度≥XXMPa,稳定性良好。
墙体2:强度≥XXMPa,稳定性良好。
墙体3:强度≥XXMPa,稳定性良好。
通过检测结果可以看出,墙体砌筑的强度和稳定性满足了相关要求。
4.墙体砌筑的外观质量检查结果如下:墙体1:平整度符合要求,表面平整度良好,砖缝均匀,无开裂情况。
配筋砌体工程检验批质量验收记录工程名称:配筋砌体工程
工程地点:XX市XX区XX路XX号
施工单位:XX建设有限公司
检验日期:20XX年XX月XX日
检验人员: XXX
检验内容:
1. 砌块质量:对砌块进行了外观检查,符合以下要求:
a) 块体光滑,表面无裂纹,无明显的气孔
b) 重量一致,体积均匀
c) 砖型大小一致,铺垫平整,水平垂直度达到了设计要求
2. 水泥质量:对水泥进行了外观检查,符合以下要求:
a) 水泥颜色均匀,无明显的色差
b) 混凝土强度符合设计要求
c) 水泥的掺合物成分达标,符合国家标准
3. 钢筋质量:对钢筋进行了外观检查和拉力试验,符合以下要求:
a) 钢筋光滑,无明显的麻点、锈迹和变形
b) 拉力达到设计要求,能够满足施工需要
4. 砌体质量:对砌体进行了强度试验和外观检查,符合以下要求:
a) 砌体强度达到设计要求,能够满足使用要求
b) 砌体墙面平整,无明显的掉块、脱落和开裂
检验结论:配筋砌体工程通过质量验收,符合设计要求。
检验人员签字:XXX。
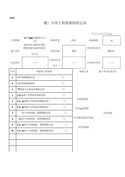
Ci7"2穗」分项工程质量验收记录□□□□□□□□a工程坍称71团2012年廉租住房工程建设项目(4坤住宅楼)结构类型砖混检验批数新源县诚信建筑有限责施工单位任公司分包单位序号检验批工程需称I条形基础模板安装□2条形基础模板拆除□3"7轴地下室构造柱模板安装□41^17轴地下室构造柱模板拆除□5】8・34轴地下室构造柱模板安装□6】8・34轴地下室构造柱模板拆除□7地下室现浇板、楼梯模板安装□8「17地下室现浇板、楼梯模板拆除□9】8・34地下室现浇板、楼梯模板安装□1O】8・34地下室现浇板、楼梯模板拆除□共9检验批,经査m检验批,符合规范和设计要求项目技术负责项目经理分包单位负分包项目经理贵人验收记录共竺检验批腾海泉施工单位检査评定符合要求Ci7"2钢筋分项工程质量验收记录□□□□□□□□□I8・34轴地下室构造柱钢筋连接砂34轴地下室构造柱钢筋安装”17轴地下室现浇板、楼梯钢筋原材料口IO KI7轴地下室现浇板、楼梯钢筋加工口11KI7轴地下室现浇板、楼梯钢筋连接口12 KI7轴地下室现浇板、楼梯钢筋安装口符合规范要求检査结论监理工程师:C I7“2工程名称施工单位分包单位序号项目专业技术负责人:年月曰(建设单位项目专业技术负责人〉7】团年療租住房工程建新源县诚信建筑有限责任公司检验批工程需称结构类型砖混责人项目经理项目技术负责人分包单位负分包项目经理验收记录年月曰□□□□□□□□□检验批数i6滕海泉施工单位检查评泄砂34轴地下室现浇板、楼梯钢筋加工I8・34轴地下室现浇板、楼梯钢筋连接符合规范要求监理工程师:混凝土分项工程质量验收记录【3I8・34轴地下室现浇板、楼梯钢筋原材料i6 共检验批,砂34轴地下室现浇板、楼梯钢筋安装经査色检验批,符合要求符合规范和设计要求共检验批检查Ci7"2项目专业技术负责人:年月曰(建设单位项目专业技术负责人)年月曰□□□□□□□□□结论混凝土分项工程质量验收记录□□□□□□□□□符合规范要求检查 结论监理工程师:Ci7"2 项目专业技术负责人:年 月曰 (建设单位项目专业技术负责人〉年 月曰Ci7"2现浇结构分项工程质量验收记录□□□□□□□□□条形基础现浇结构尺寸偏差1O检査结论C I7*2“7轴地下室构造柱现浇结构外观质量共2检验批,"7轴地下室构造柱现浇结构尺寸偏差18^34轴地下室构造柱现浇结构外观质量经査竺检验批,18^34轴地下室构造柱现浇结构尺寸偏差5轴地下室现浇板、楼梯现浇结外观质量□"7轴地下室现浇板、楼梯现浇结构尺寸偏差口18^34轴地下室现浇板、楼梯现浇结外观质量口1&34轴地下室现浇板、楼梯现浇结构尺寸偏差口符合规范要求项目专业技术负责人:年月曰工程名称共d检验批符合规范和设il要求监理工程师:(建设单位项目专业技术负贵人)砌体分项工程质量验收记录”团202年廉租住房工程建设项目(4诽住宅楼〉结构类型砖混年月曰□□□□□□□□□检验批数施工单位分包单位 新源县诚信建筑有限责任公司责人序号 检脸批工程拿称I”17轴砖砌体 口 2 I 8“34轴砖砌体 口经査2检验批,符合规范和设汁要求项目经理项目技术负责人分包单位负分包项目经理验收记录共土检验批,共2检验批滕海泉施工单位检査评符合要求I配筋砌体分项工程质量验收记录□□□□□□□□aCi7"2土方丑挖分项工程质量验收记录□□□□□□□□□IICi7"2土方迴填分项工程质量验收记录□□□□□□□□□12工程名称施工单位分包单位”团年廉租住房工程建设项目(卅住宅楼〉新源县诚信建筑有限责任公司结构类型砖混检验批数〔4项目技术负责人项目经理分包单位负责分包项目经理序号检验批工程^^称I”17轴"3・L"2・8米土方回填口218*34轴*3・L"2・8米土方回填口31*17轴*2.8—2-5米土方回填口418*34轴*2・8~“2・5米土方回填口51*17轴“2・5*~2・3米上方回填口6[8*34轴壮/"U』米上方回填口71*17轴*2・3“~2・0米上方回填口8&34轴壮yr.o米上方回填口9”17轴-2.O-I.7米土方回填□1O X8"34轴"2.0—1.7米上方回填口n”17轴"1・7~"1・4米上方回填口12X8"34轴"I・7~"I・4米土方回填口13”17轴"1・4八7・2米土方回填口14[8*34轴"1・4~7・2米土方回填口共竺检验批,符合规范和设汁要求经査14检验批,验收记录滕海泉施工单位检査评共14^^验批〔13I砂和砂丕分项工程质量验收记录□□□□□□□□□〔14C I7*2地下水泥砂浆防水层分项工程质量验收记录□□□□□□□□aCi7"2地下涂料防水层分项工程质量验收记录□□□□□□□□□16【7工程名称施工单位 分包单位 ”团年廉租住房工程建设项目(4请住宅楼〉新源县诚信建筑有限责任公司结构类型项目经理分包单位负责人砖混梁英序号 检脸批工程名称I 1^17轴地下涂料防水层 □ 2】8・34轴地下涂料防水层□符合规范和设汁要求经査2检验批,检验批数项目技术负责分包项目经理验收记录共.检验批,共2检验批腾海泉施工单位检査评符合要求18。
配筋砌体工程检验批质量验收记录为了保障配筋砌体工程的施工质量,确保建筑物的安全性与稳定性,配筋砌体工程检验批质量验收记录是必不可少的一项工作。
本文将对配筋砌体工程检验批质量验收记录进行讲述,包括其目的、流程、注意事项等。
一、目的配筋砌体工程检验批质量验收记录的目的是记录施工过程中出现的各种问题,优化施工质量,及时发现并解决可能存在的安全隐患,确保配筋砌体工程的施工质量和安全。
二、流程1. 检验前准备检验前需准备相关的文件资料和检测仪器,明确检验内容、检验标准和要求等,同时要做好检验人员的安排工作,明确各人负责的具体任务。
2. 基础检查在配筋砌体工程施工前,需对基础进行检验,包括否定基础有密度不足的情况,基础平整度是否符合要求等。
3. 砖墙检验在砖墙砌筑过程中,需对砖墙进行检测,包括墙体水平度、垂直度,尺寸、厚度等的检查。
4. 梁柱检验在进行梁柱砌筑前,需要对梁柱的加固措施以及基层水平度进行检查,确保基层的水平度与平整度符合设计要求。
5. 点验钢筋在进行钢筋砌筑过程中,需要进行钢筋的点验。
包括钢筋直径、数量、弯曲程度等的检测,确保每根钢筋的规格与数量都符合设计要求。
6. 技术文件核对在完成配筋砌体工程后,需要对各项技术文件进行核对,包括工程执行计划、施工图纸、变更单等文件资料的核查和整理。
三、注意事项1. 严格按照设计要求和施工流程进行施工,并及时对出现的问题进行处理和整改。
2. 各项检验要求必须详细记录,包括每次检验的时间、人员、结果等。
3. 检验过程中要对相关资料进行完整保管,避免丢失和变更。
4. 在施工完毕后,对各项数据进行汇总对比,做出综合评价,并根据评价结果给予奖励或者处罚。
以上是对配筋砌体工程检验批质量验收记录的讲述,可以看出,配筋砌体工程检验批质量验收记录对整个工程的施工质量和安全至关重要。
只有在记录表上如实记录并跟踪整改问题,才能保证建筑物的结构安全。
因此,建筑企业在实施配筋砌体工程项目时,必须高度重视检验批质量验收记录工作。
Q/CSG表5.9.1编号:单位(子单位)工程名称分部(子分部)工程名称分项工程名称验收部位施工单位项目经理分包单位分包项目经理施工执行标准(或规范)名称及编号施工质量检验及评定标准的规定施工单位自检记录监理(建设)单位验收记录主控项目1砖强度等级、规格和外加剂☆必须符合设计要求和现行有关标准的规定2砂浆品种、强度等级a☆必须符合设计要求和现行有关标准的规定3 斜槎留置☆砖砌体的转角处和交接应同时砌筑,严禁无可靠措施的内外墙分砌施工。
对不能同时砌筑而又必须留置的临时间断处应砌成斜槎,斜槎水平投影长度不小高度的2/34直槎拉结钢筋及接槎处理应符合设计要求和现行有关标准的规定5 水平灰缝砂浆饱满度灰缝横平竖直密实饱满,实心砌体水平灰缝饱满度必须达到80%以上6 基础防潮层应符合设计要求和现行有关标准的规定7轴线位移bmm≤10(8)8垂直度mm每层≤5(4)全高≤10m ≤10(8)>10m ≤20(15)Q/CSG表5.9.1(续)编号:施工质量检验及评定标准的规定施工单位自检记录监理(建设)单位验收记录一般项目1组砌方法c清水墙组砌正确,不应出现通缝,接槎密实、平直混水墙砌体上下错缝每间(处)4皮~6皮砖的通缝小于或等于3处,且不在同一面墙体上砌体接槎每个接槎部位水平灰缝厚度小于5mm或透亮缺陷不超过3个2水平灰缝厚度和竖缝宽度宜为10mm,但不应大于12mm,也不应小于8mm3基础顶面和楼面标高偏差dmm±15(10)4表面平整度mm清水墙、柱≤5(4)混水墙、柱、基础≤8(6)5门窗洞口高度、宽度偏差mm±5(4)6外墙上下窗偏移mm≤20(15)7水平灰缝平直度mm清水墙≤7(5)混水墙≤10(8)8清水墙游丁走缝mm≤20(15)9水平灰缝厚度偏差(10皮砖累计)mm±8(6)10预留洞中心位移mm≤10(8)截面内部尺寸偏差mm+10~0施工单位检查评定结果专业工长(施工员)施工班组长项目专业质量检查员:年月日监理(建设)单位验收结论专业监理工程师:(建设单位项目专业技术负责人) 年月日a指可按单位工程的同品种、同标号砂浆试块组数统一评定各分项工程砂浆强度。
123456789101第8.2.1条
2C20、M7.5
3第8.2.3条
4贯通截面 不削
弱
510mm
68mm
10mm
≤10m
15mm >10m 20mm
123456789101第8.3.1条
2第8.3.2条
3第8.3.3条
4第8.3.4条
5第8.3.5条验收部位项目经理年 月 日
监理(建设)单位验收记录专业工长施工班组长年 月 日规范规定
(设计要求)
规范规定
(mm)
施工单位检查评定记录施工单位检查评定记录柱垂直度水平灰缝内的钢筋每层全高
砌体工程施工质量验收规范GB50203-2002—
分包项目 经 理—钢筋品种、规格、数量混凝土或砂浆强度等级马牙槎拉结筋芯柱柱中心线位置柱层间错位员等进行验收。
钢筋防腐保护项目专业质量检查员:
施工单位检查
评定结果
监理(建设)单位
验收结论组合砌体拉结筋砌体钢筋搭接
一般项目网状配筋及位置监理工程师(建设单位项目技术负责人):配筋砌体工程检验批质量验收记录
工程名称
施工单位
施工执行标准名
称及编号
分包单位主控项目7。
配筋砌体工程检验批质量验收记录摘要:本文档记录了配筋砌体工程的检验批质量验收过程和结果。
通过详细记录每个环节的验收内容、验收标准、验收方法以及验收结果,有助于确保配筋砌体工程的质量符合相应的规范要求。
一、项目概述配筋砌体工程是建筑工程中非常重要的一环。
配筋砌体结构的质量直接关系到建筑物的安全性和使用寿命。
因此,在进行验收过程中,需要严格按照相关规范和标准进行操作,确保工程质量合格。
二、检验批验收内容本次配筋砌体工程检验批质量验收主要包括以下内容:1. 配筋材料的验收:验收包括钢筋、网片等配筋材料的规格、质量、数量等方面。
2. 配筋形状及位置的验收:验收包括配筋的形状是否符合图纸要求,配筋的位置是否准确等方面。
3. 配筋固定连接的验收:验收包括配筋与砌体的固定连接方式、连接点的数量和质量等方面。
4. 配筋砌体砌筑的验收:验收包括砌体的垂直偏差、水平偏差、砌体间缝隙、砂浆质量等方面。
5. 配筋砌体墙体的验收:验收包括墙体的垂直度、表面平整度、结构刚度等方面。
三、验收标准为了确保配筋砌体工程质量达到规范要求,我们将按照以下标准进行验收:1. 配筋材料的验收应符合国家标准或设计图纸要求。
2. 配筋形状及位置的验收应符合设计图纸要求。
3. 配筋固定连接的验收应符合国家标准或设计图纸要求。
4. 配筋砌体砌筑的验收应符合国家标准或设计图纸要求。
5. 配筋砌体墙体的验收应符合国家标准或设计图纸要求。
四、验收方法为了准确评估配筋砌体工程的质量,我们将采用以下方法进行验收:1. 视觉检查:通过目测配筋和砌体的形状、位置、垂直度、表面平整度等。
2. 测量检查:使用测量工具(如水平仪、卷尺等)测量配筋和砌体的尺寸、间隙、偏差等。
3. 抽样检测:抽取一定数量的配筋和砌体进行物理性能测试,以评估其质量。
五、验收结果根据以上的验收方法和标准,配筋砌体工程的质量验收结果如下:1. 配筋材料的验收合格,规格、质量、数量符合要求。
砌体工程质量验收表11. 引言本文档为砌体工程质量验收表,主要用于对砌体工程的质量进行验收。
通过对砌体工程的各项指标进行检查和评估,确保砌体工程的质量达到预期要求。
2. 项目概况2.1 项目名称砌体工程2.2 项目地点(填写具体项目地点)2.3 项目负责人(填写项目负责人姓名)2.4 施工单位(填写具体施工单位名称)3. 验收标准3.1 砌筑工艺•[ ] 砌筑工艺符合设计要求•[ ] 砌体墙面垂直度≤ 0.02m•[ ] 砌体墙面平整度≤ 0.02m•[ ] 砌体墙面表面粗糙度≤ 3mm•[ ] 砌体墙面缝隙均匀,填缝材料牢固不掉落•[ ] 砌体墙面无碎裂、开裂、破损等缺陷3.2 施工质量•[ ] 砌体墙体砌筑均匀、饱满、牢固•[ ] 砌体墙体砌块之间粘结牢固,砂浆饱满、均匀•[ ] 砌体墙体无虚、疏、脱、露、掉块等现象•[ ] 砌体墙体无大面积开裂、局部开裂不超过设计要求•[ ] 砌体墙体表面无明显泛碱、盐渍等现象3.3 建筑构件•[ ] 墙体与楼板、墙体与柱、墙体与梁等构件之间咬合牢固•[ ] 墙体穿孔、预埋件等处理符合设计要求•[ ] 夹缝、底缝、门洞、窗洞等构件处理牢固、美观3.4 安全施工•[ ] 砌筑过程中注意施工安全,无施工事故发生•[ ] 施工现场整洁有序,无杂乱物品妨碍施工•[ ] 施工过程中采取有效的安全防护措施4. 验收结果经过对砌体工程的质量进行检查和评估,验收结果如下:•砌筑工艺:符合设计要求•砌体墙面垂直度:达到≤ 0.02m•砌体墙面平整度:达到≤ 0.02m•砌体墙面表面粗糙度:达到≤ 3mm•砌体墙面缝隙均匀,填缝材料牢固不掉落•砌体墙面无碎裂、开裂、破损等缺陷•砌体墙体砌筑均匀、饱满、牢固•砌体墙体砌块之间粘结牢固,砂浆饱满、均匀•砌体墙体无虚、疏、脱、露、掉块等现象•砌体墙体无大面积开裂、局部开裂不超过设计要求•砌体墙体表面无明显泛碱、盐渍等现象•墙体与楼板、墙体与柱、墙体与梁等构件之间咬合牢固•墙体穿孔、预埋件等处理符合设计要求•夹缝、底缝、门洞、窗洞等构件处理牢固、美观•砌筑过程中注意施工安全,无施工事故发生•施工现场整洁有序,无杂乱物品妨碍施工•施工过程中采取有效的安全防护措施5. 验收结论根据上述验收结果,砌体工程的质量符合预期要求,达到验收标准。
配筋砌体工程检验批质量验收记录
为了确保配筋砌体工程的质量,我们在工程施工过程中进行了多次的检验和验收。
以下是本次配筋砌体工程检验批的质量验收记录。
1. 检验批名称:配筋砌体工程
2. 检验批编号:20191001
3. 检验日期:2019年10月1日
4. 检验人员:张三、李四、王五
5. 检验内容:
(1)砖块的质量:检查了砖块的尺寸、表面平整度、砖体强度等指标,符合设计要求。
(2)砂浆的质量:检查了砂浆的配合比、拌合时间、拌合均匀度等指标,符合设计要求。
(3)钢筋的质量:检查了钢筋的直径、长度、弯曲度、表面质量等指标,符合设计要求。
(4)砌体的质量:检查了砌体的垂直度、水平度、墙体厚度、砌缝宽度等指标,符合设计要求。
6. 验收结果:
本次配筋砌体工程检验批的质量验收结果为合格。
经过检验和验收,我们认为该工程的质量符合设计要求,可以进入下一步施工。
7. 处理措施:
在检验和验收过程中,我们发现了一些小问题,如砌缝宽度不够均匀、砂浆拌合不够均匀等。
我们及时采取了相应的处理措施,如重新调整砂浆的配合比、重新砌缝等,确保了工程的质量。
8. 总结:
本次配筋砌体工程检验批的质量验收工作,充分体现了我们对工程质量的重视和严谨的态度。
通过检验和验收,我们发现了一些问题,并及时采取了相应的处理措施,确保了工程的质量。
我们将继续保持高度的工作热情和严谨的工作态度,为工程的顺利进行提供有力的保障。
地基与基础分部( 子分部) 工程验收记录
安阳市建筑施工管理处监制
安阳市建筑施工管理处监制
安阳市建筑施工管理处监制
安阳市建筑施工管理处监制
单位( 子单位) 工程安全和功能检验资料核查
及主要功能抽查记录GB50300—
单位( 子单位) 工程安全和功能检验资料核查
及主要功能抽查记录GB50300—
续表
单位( 子单位) 工程质量控制资料核查记录
GB50300—
单位( 子单位) 工程质量控制资料核查记录
GB50300—续表
单位( 子单位) 工程质量控制资料核查记录
GB50300—续表
单位( 子单位) 工程观感质量检查记录
GB50300—
单位( 子单位) 工程观感质量检查记录
GB50300—
续表
单位( 子单位) 工程质量竣工验收记录
GB50300—
安阳市建筑施工管理处监制。
中华人民共和国国家标准砌体结构工程施工质量验收规范GB50203—2011主编部门:陕西省住房和城乡建设厅批准部门:中华人民共和国住房和城乡建设部施行日期:2 0 1 2 年 5 月 1 日中华人民共和国住房和城乡建设部公告第936号关于发布国家标准《砌体结构工程施工质量验收规范》的公告现批准《砌体结构工程施工质量验收规范》为国家标准,编号为GB50203-2011,自2012年5月1日起实施。
其中,第4.0.1(1、2)﹑5.2.1﹑5.2.3﹑6.1.8﹑6.1.10﹑6.2.1﹑6.2.3﹑7.1.10﹑7.2.1﹑8.2.1﹑8.2.2﹑10.0.4条(款)为强制性条文,必须严格执行。
原《砌体工程施工质量验收规范》GB 50203-2002同时废止。
本规范由我部标准定额研究所组织中国建设工业出版社出版发行。
中华人民共和国住房和城乡建设部 2011年2月18日1 总则1.0.1为加强建筑工程的质量管理,统一砌体结构工程施工质量的验收,保证工程质量,制定本规范。
1.0.2本规范适用于建筑工程的砖、石、小砌块等砌体结构工程的施工质量验收。
本规范不适用于铁路、公路和水工建筑等砌石工程。
1.0.3砌体工程施工中采用的工程技术文件、承包合同文件对施工质量验收的要求不得低于本规范的规定。
1.0.4本规范应与国家标准《建筑工程施工质量验收统一标准》GB50300配套使用。
1.0.5砌体结构工程施工质量的验收除应执行本规范外,尚应符合国家现行有关标准的规定。
2 术语2.0.1砌体结构由块体和砂浆砌筑而成的墙、柱作为建筑物主要受力构件的结构。
是砖砌体、砌块砌体和石砌体结构的统称。
2.0.2配筋砌体由配置钢筋的砌体作为建筑物主要受力构件的结构。
是网状配筋砌体柱、水平配筋砌体墙、砖砌体和钢筋混凝土面层或钢筋砂浆面层组合砌体柱(墙)、砖砌体和钢筋混凝土构造柱组合墙和配筋小砌块砌体剪力墙结构的统称。
2.0.3块体砌体所用各种砖、石、小砌块的总称。
目录工程概况TJ1。
1工程项目施工管理人员名单TJ1.2开工日期:年月日施工组织设计/方案报审表工程名称:编号:A3。
1____-____施工组织设计、施工方案审批表TJ1.4技术交底记录TJ1。
5开工报告TJ1.6图纸会审、设计变更、洽商记录汇总表 TJ2。
1编号:工程定位测量、放线验收记录TJ2。
技术负责人: 质量检查员:技术负责人: 质量检查员:砖(砌块)检验报告汇总表TJ2.3.3技术负责人: 质量检查员:混凝土外加剂(及其它材料)产品合格证技术负责人:质量检查员:技术负责人:质量检查员:技术负责人: 质量检查员:混凝土试块试压报告汇总表TJ2。
4。
1注:1.fcu,i-第i组混凝土抗压强度代表值。
2.不同验收批的混凝土、标准养护和与结构实体同条件养护的混凝土应分别汇总评定。
试验报告分别附本汇总表后.混凝土强度评定TJ2。
4.2———————-———-结构实体混凝土强度评定TJ2。
4.3 ——————-—--—-注:同条件养护试件强度GBJ107的规定确定后,宜取1。
10的折算系数.砂浆强度汇总评定表TJ2.4.4 工程名称:该批设计等级:钢筋连接试验报告、焊条(剂)合格证汇总表TJ2。
4.5技术负责人: 质量检查员:钢筋隐蔽工程验收记录TJ统表2。
5屋面、天沟、檐口、檐沟、水落口、泛水、变形缝和伸出屋面管道的防水构造隐蔽工程验收记录TJ统表2.5抹灰工程隐蔽验收记录TJ统表2.5施工日志TJ2.6.1现场施工预应力记录TJ2.6.2(建设单位项目负责人) 记录人:地基验槽记录和地基处理记录TJ2。
6。
3技术负责人:质量检查员:钢筋混凝土保护层定位件隐蔽工程验收记录2、保护层厚度允许偏差基础±10、柱梁±5、板、墙、壳±3.钢筋保护层厚度实测表TJ2。
8.1厕所、厨房、阳台等有防水要求的地面泼水、蓄水试验记录TJ3.3。