压力容器设计文件管理制度
- 格式:doc
- 大小:48.50 KB
- 文档页数:4
压力容器设计管理制度1 管理范围本制度适用于公司压力容器设计的管理2 管理职责2.1 组织实施本制度的责任部门是设备动力部。
2.2 组织实施本制度的协助部门是生产部、企管部、化机部及各事业部。
3 管理内容3.1 职责划分3.1.1 在进行压力容器设计前,使用部门(以下简称事业部)必须先提交压力容器更新(或新增)报告,经生产部、设备动力部审核、公司领导审批后方可执行。
3.1.2 事业部负责提供压力容器设计详细的工艺参数和结构型式,并对其完整性负责。
3.1.3 生产部负责对压力容器设计的工艺符合性进行审核。
3.1.4 设备动力部负责对压力容器设计的使用安全性、经济性进行审核;并选定压力容器设计单位(包括化机部、集团化机部或通过招标选定设计单位)。
3.1.5 企管部招标中心负责通过招标方式选定设计单位。
3.2 设计参数选定由事业部提供技术协议(含详细的工艺参数,如温度、压力、介质、换热面积、容积及结构型式和制造、验收标准等)和《设备设计条件表》(见附件一),报设备动力部(先经压容处审核)、生产部审核。
工艺参数由事业部工艺副部长(或工艺技术员)提供;《设备设计条件表》由事业部设备副部长(或压容主管)提供。
以上资料均需经事业部部长审核。
3.3 压力容器设计3.3.1 压力容器设计一般由化机部或集团化机部完成,必要时通过招标选定。
3.3.2 化机部或集团化机部承担压力容器设计任务时,由事业部向其提供经审批的《设备设计条件表》和《工程项目申报表》,由其进行压力容器施工图设计。
3.3.3 需招标选定设计单位时,由事业部向企管部招标中心提供经审批的《设备设计条件表》和技术协议(见附件二)等资料,由中标单位完成施工图设计。
3.4 设计图纸要求压力容器设计总图(蓝图)上须加盖压力容器设计资格印章(复印章无效),设计资格印章失效的图样和已加盖竣工图章的图样不得用于制造压力容器。
设计总图上应有设计、校核、审核(定)人员的签名,并经事业部和设备动力部会签后生效。
压力容器技术档案管理制度一、总则1. 为规范压力容器技术档案管理,保障工作安全和生产效率,制定本制度。
2. 本制度适用于所有涉及压力容器技术档案管理的部门和人员。
二、档案管理目标1. 建立完整、准确、规范的压力容器技术档案,以保障设备安全运行。
2. 提高档案管理效率,减少人力和物力资源的浪费。
3. 加强信息共享和互动,促进不同部门之间的协同工作。
4. 加强档案管理的安全性和保密性,防止信息泄露。
三、档案管理责任1. 设立压力容器技术档案管理部门,负责具体的档案管理工作。
2. 档案管理部门负责指导、培训、监督和检查各部门的档案管理工作。
3. 各部门要配备专职或兼职档案管理员,并定期组织培训,提高档案管理水平。
4. 档案管理员要按照有关规定,做好档案的创建、整理、保管和利用工作。
四、档案管理流程1. 档案的创建(1) 根据压力容器技术档案管理要求,将设备的有关资料整理成档案。
(2) 档案管理员要按照规定的格式,填写好档案的基本信息,包括设备名称、型号、制造厂家、出厂日期等。
(3) 档案管理员要及时更新档案,包括设备的检测、维修、更换等情况。
2. 档案的整理(1) 按照一定的分类标准,对档案进行分类和编目,并制定相应的编号和分类档案目录。
(2) 每个档案都要做好编号和标识,以便于查找和归档。
(3) 档案管理员要按照规定的要求,对档案进行整理、整合和更新。
3. 档案的保管(1) 档案室应具备相应的环境条件,包括温度、湿度、光照和通风等,以保证档案的安全性和保存性。
(2) 档案室要做好安全防火和防水措施,防止档案遭受灾害和损失。
(3) 档案室要对档案进行定期检查,防止档案出现变形、受潮等情况。
4. 档案的利用(1) 档案管理员要根据需要,提供档案的查询、浏览、复制等服务。
(2) 档案管理员要根据需要,向有关部门提供档案的相关信息和数据。
(3) 档案管理员要按照规定的程序,对档案进行归档和销毁。
五、档案管理制度的执行1. 档案管理制度要与其他相关制度相衔接,形成完整的管理体系。
压力容器设计管理制度1一、压力容器各级设计人员管理制度Q/XD G0301-2010 ————————————————————————————————1. 压力容器各级设计人员的范围压力容器各级设计人员包括压力容器设计单位技术负责人、设计批准人员、审核、校核及设计人员。
2. 压力容器各级设计人员的任职2.1 各级设计人员应按《劳动合同法》的规定,与本单位签订有效的“劳动合同”。
2.2压力容器设计批准人员及审核人员需经过专业考核合格,取得相应压力容器设计审批人员资格,批准人应具有高级技术职称。
各级设计人员不得在其他压力容器设计单位兼职。
2.3各级设计人员须经单位法定代表人任命。
2.4各级设计人员应每年任命一次,个别调整则应及时任命。
3 .压力容器各级设计人员任职的基本条件3.1 设计单位技术负责人由设计单位压力主管压力容器设计工作的负责人担任,具有压力容器相关专业知识,了解法规、安全技术规范、标准的有关规定,对重大技术问题能够做出正确决定。
3.2压力容器设计批准人员(1)从事本专业工作,且具有较全面的相应压力容器设计专业技术知识;(2)熟知并能正确运用有关法规、安全技术规范、标准,并且能够组织、指导各级设计人员正确贯彻执行;(3)熟知压力容器设计工作和国内外有关技术发展情况,具有综合分析和判断通能力,在关键技术问题上能作出正确决断;(4)具有3年以上压力容器设计审核经历;(5)具有高级技术职称;(6)持有效的压力容器设计审批人员资格证书。
(7)持有单位技术负责人签发的授权书。
3.3审核人员(1)熟悉并能指导设计、校核人员正确执行有关法规、安全技术规范、标准,能解决设计、制造、安装和生产中的技术问题;(2)能认真贯彻执行国家的有关技术方针、政策,工作责任心强,具有较全面的压力容器设计专业技术知识,能保证设计质量;(3)具有审查计算机设计的能力;(4)具有3年以上压力容器设计校核的经历;(5)具有中级以上(含中级)技术职称;(6)经压力容器设计审批人员专业考核合格。
压力容器设计管理制度第一章总则第一条为规范压力容器设计管理,保障压力容器的安全运行,提高设备利用率,确保生产环境安全和人身安全,制定本制度。
第二条本制度适用于企业内所有压力容器的设计管理工作。
第三条本制度包括设计前的准备工作、设计阶段的具体管理措施和设计后的评审验收等内容。
第四条压力容器设计管理应遵循科学、规范、系统和合理的原则。
第五条企业设计人员、技术负责人和安全管理人员应统一思想,协同作战,密切配合,共同推进压力容器设计管理工作。
第六条企业应建立健全压力容器设计管理制度档案,定期进行备份和更新,以备查阅和核查。
第七条企业应积极引进新技术,提高设计人员的设计水平,确保设计质量。
第二章设计前的准备工作第八条企业在进行压力容器设计前,应进行相关准备工作,包括但不限于制定规范、批准预算、确定设计人员等。
第九条企业应明确压力容器的工作环境和工作条件,包括工作压力、工作温度、介质性质等。
第十条企业应对设计人员进行必要的培训和考核,确保其具备相应的资质和技能。
第十一条企业应明确压力容器设计的技术要求和安全要求,确保设计方案符合相关标准和规范。
第十二条企业应建立完善的设计管理制度,包括设计进度、质量、安全、成本等方面的管理要求。
第十三条企业应制定设计方案的评审程序和标准,确保设计方案符合相关技术要求和安全要求。
第三章设计阶段的具体管理措施第十四条企业应建立设计计划,明确设计进度、设计目标、设计任务等内容。
第十五条企业应建立设计人员的责任制度,明确设计人员的职责和权限。
第十六条设计人员应根据设计要求,进行设计计算和分析,确保设计质量。
第十七条设计人员应进行设计方案的优化和改进,提出有效的改进建议。
第十八条设计人员应配合监理单位和验收单位,对设计方案进行全面评审和检查。
第十九条企业应建立设计变更管理制度,对设计变更进行及时记录和审批。
第四章设计后的评审验收第二十条企业应建立设计方案的评审验收制度,确保设计质量和安全性。
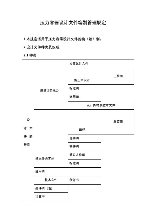
压力容器设计文件编制管理规定1本规定适用于压力容器设计文件的编(绘)制。
2设计文件种类及组成2.1种类2.2设计文件组成3图样绘制要求3.1图样的线型、视图、向视图、剖面图、节点图(局部放大图)等的绘制(含简化画法)应符合国家制图标准及压力容器的特殊规定。
3.2图纸幅面尺寸应按GB/T14689《技术制图图纸幅面和格式》的有关规定。
3.3图样在图纸上的安排及要求3.3.1标题栏、明细栏、管口表、技术特性表、技术要求和“注”在图面上的安排。
见图3.1~3.3。
图3.1图3.1图3.33.3.2对图样上的文字、符号及代号(1)简化汉字和计量单位的名称及代号应按国家有关规定。
(2)公差配合、表面形状和位置公差、表面光洁度、镀涂和热处理的代号及标注方法应按国家有关标准规定。
(3)焊接接头的符号和标注按GB/T324的规定。
(4)管口符号采用小写汉语拼音字母(字母中g、i、j、I、o、q 不推荐使用)。
(5)管口符号的标准次序应由主视图的左下方开始,按顺时针方向顺序排列。
3.3.3压力容器设计总图上至少应注明以下内容:(1)压力容器名称、类别,设计、制造所依据的主要法规、标准。
(2)工作条件,包括工作压力、工作温度、介质毒性和爆炸危害程度等。
(3)设计条件,包括设计温度、设计载荷<包含压力在内的所有应当考虑的载荷)、介质(组分)、腐蚀余量、焊接接头系数、自然条件等,对储存液化气体的储罐应当注明装量系数,对有应力腐蚀倾向的储存容器应当注明介质的限定含量。
(4)主要受压元件材料牌号与标准。
(5)主要特性参数(如压力容器容积一换热器换热面积与程数等)。
(6)压力容器设计使用年限(疲劳容器标明循环次数)。
(7)特殊制造要求。
(8)热处理要求。
(9)无损检测要求。
(10)耐压试验和泄露试验要求。
(11)预防腐蚀要求。
(12)安全附件的规格和订购特殊要求(工艺系统已考虑的除外)。
(13)压力容器铭牌的位置。
(14)包装、运输、现场组焊和安装要求。
压力容器设计管理制度压力容器设计管理制度一、引言 压力容器是一种具有潜在危险的特种设备,其设计质量直接关系到设备的安全运行和使用寿命。
为了确保压力容器的设计符合相关法规、标准和技术要求,保障人民生命财产安全,特制定本管理制度。
二、适用范围 本制度适用于本公司压力容器的设计管理工作。
三、设计单位资质管理 1. 选择具有相应资质的设计单位进行压力容器设计。
2. 对设计单位的资质进行审核和确认,确保其符合国家相关规定。
3. 与设计单位签订设计合同,明确双方的权利和义务。
四、设计人员资格管理 1. 设计人员应具备相应的专业知识和技能,熟悉相关法规、标准和技术要求。
2. 设计人员应取得相应的资格证书,如压力容器设计审批人员资格证书、压力容器设计人员资格证书等。
3. 对设计人员的资格进行审核和确认,确保其符合国家相关规定。
五、设计文件管理 1. 设计文件应包括设计说明书、设计计算书、设计图纸等。
2. 设计文件应符合相关法规、标准和技术要求,内容完整、准确、清晰。
3. 设计文件应经过审核和批准,审核人员应具备相应的资格和经验。
4. 设计文件的更改应按照规定的程序进行,更改后的文件应重新审核和批准。
六、设计过程管理 1. 设计过程应按照相关法规、标准和技术要求进行,确保设计质量。
2. 设计过程中应进行风险评估,识别潜在的危险和风险,并采取相应的措施进行控制。
3.设计过程中应与用户进行充分的沟通和交流,了解用户的需求和要求。
4. 设计过程中应进行设计验证和设计确认,确保设计结果符合要求。
七、设计文件归档管理 1. 设计文件应按照规定的格式进行归档,归档内容包括设计文件、审核文件、批准文件等。
2. 设计文件的归档应按照规定的程序进行,确保归档文件的完整性和准确性。
3. 设计文件的归档应便于查阅和使用,确保设计文件的有效性和可追溯性。
八、设计质量监督管理 1. 建立设计质量监督管理机制,对设计过程和设计结果进行监督和检查。
压力容器管理制度第一章总则第一条为了规范和加强压力容器的管理,确保生产安全,保护人身安全和财产安全,制定本制度。
第二章压力容器的管理范围和责任第二条压力容器管理范围包括但不限于压力容器的选型、设计、生产、使用、维护、检验、报废等各个环节。
第三条压力容器管理责任由企业的相关部门和职工共同承担。
企业应设立专门的压力容器管理岗位,明确相关人员的责任。
第四条压力容器管理岗位的职责包括但不限于:1. 制定和完善压力容器管理制度;2. 确保压力容器的选型符合标准和要求;3. 监督生产过程,确保生产符合设计和标准要求;4. 制定压力容器的维护计划,定期进行维护;5. 制定压力容器检验计划,确保检验按时进行;6. 确保压力容器的报废按照规定进行。
第三章压力容器的选型和设计第五条压力容器的选型应根据实际需求和标准要求进行,压力容器的容积和工作压力应符合设计要求。
第六条压力容器的设计应符合国家相关标准和规定,具备足够的强度和稳定性,材料的选用应符合要求。
第七条压力容器的设计文件应包括但不限于设计计算书、图纸和相关材料,相关文件需要保存备案。
第四章压力容器的生产和使用第八条压力容器的生产应符合国家相关标准和规定,生产过程中应注意质量控制和安全控制。
第九条压力容器的使用应符合设计要求,使用前应进行严格的安装和调试工作。
第十条压力容器的使用人员须经过培训,熟悉操作规程,具备足够的安全意识和控制能力。
第十一条压力容器的使用期限应在规定范围内,超过期限须依据规定进行检验和维修。
第五章压力容器的维护和检验第十二条压力容器的维护工作应按照规定进行,定期进行检查和维修。
第十三条压力容器的检验工作应按照国家相关标准和规定进行,检验周期应符合要求,并进行相应的记录。
第十四条压力容器的维护和检验工作应有专门的人员进行,相关人员应具备相关的证书和资质。
第十五条压力容器发生故障时,应及时报告相关部门,并采取相应的紧急措施进行处理。
第六章压力容器的报废和处置第十六条压力容器的报废应按照国家相关标准和规定进行,报废时要进行相应的记录和完善的处置。
压力容器设计管理制度二OO四年三月目录第一章、压力容器各级设计人员的条件 2第二章、压力容器各级设计人员的业务考核 4第三章、压力容器各级设计人员的岗位责任制 6第四章、压力容器设计工作程序9第五章、压力容器设计条件的编制与审查12第六章、压力容器设计文件的签署 14第七章、压力容器设计文件的标准化审查18第八章、压力容器设计文件的质量评定19第九章、压力容器设计文件的管理22第十章、压力容器设计文件的更改24第十一章、压力容器设计文件的复用26第十二章、压力容器设计条件图编制细则 27第十三章、压力容器设计资格印章的使用与管理 28第一章、压力容器各级设计人员的条件一、总则1、为满足我厂压力容器设计工作需要,加强各级设计人员的管理,并作为上岗依据,特制定本规定。
2、压力容器各级设计人员包括:单位技术总负责人,单位压力容器设计技术负责人、审核人员、校核人员和设计人员。
二、条件1、共同条件⑴认真贯彻执行国家的技术方针、政策,遵守职业道德。
⑵刻苦钻研业务技术,掌握专业知识,充分发挥设计技能,提高设计成品质量。
⑶严格执行单位其他各项制度,分工协作,共同完成设计任务。
2、人员条件⑴设计单位技术总负责人由单位主管压力容器工作的行政负责人担任。
⑵单位压力容器设计技术负责人①从事本专业工作,且具有较全面的压力容器专业知识。
②熟知并能正确运用有关规程、标准等技术规范,能组织、指导各级设计人员正确贯彻执行。
③熟知压力容器设计工作和国内外有关技术的发展情况,具有综合分析和判断能力,在关键技术问题上能做出正确决断。
④具有3年以上压力容器设计审核经历。
⑤具有高级技术职称。
⑥具有《设计审批人员资格证书》。
⑶审核人员①熟悉并能指导设计、校核人员正确执行有关规程、标准等技术规范,能解决设计、制造、安装和生产中的技术问题。
②能认真贯彻执行国家的有关技术方针、政策,工作责任心强,具有较全面的压力容器设计专业基础知识,能保证设计质量。
压力容器设计文件编制管理规定一、总则二、编制范围1.压力容器的功能和用途;2.压力容器的结构和主要零部件;3.压力容器的压力等级和工作条件;4.压力容器的材料和焊接工艺;5.压力容器的安全附件和装置;6.压力容器的制造、安装和监督检验;7.压力容器的维修、保养和报废。
三、编制要求1.编制人员应具备相关的专业知识和工作经验,能够根据国家规定和相关标准进行设计;2.编制人员应仔细阅读国家相关规定和标准,了解设计的具体要求;3.编制人员应收集和整理相关资料,包括设计和制造厂家提供的技术资料、使用说明书等;4.编制人员应秉承科学、严谨和实用的原则,确保设计的合理性和可靠性;5.编制人员应按照工艺流程逐步分解,先概括性地列出各个部分的要求,然后逐步细化;6.编制人员应进行合理的校核和复核,确保设计的正确性和一致性;7.编制人员应及时汇总和整理设计文件,确保文件的完整性和规范性。
四、评审与审批1.编制的设计文件应经过内部评审,确保设计的合理性和可行性;2.编制的设计文件还应经过专家评审,确保设计的安全性和可靠性;3.审批人员应具备相关的资质和经验,能够全面评估设计的各个方面;4.审批人员应按照国家相关规定和标准进行审批,对设计文件进行逐一检查;5.审批人员应及时对设计文件进行评价和意见反馈,确保设计的一致性和合规性。
五、变更与更新1.如果设计文件发生变更,应及时进行更新,并对变更进行合理的解释和说明;2.设计文件的变更应经过审批,确保变更的合理性和安全性;3.设计文件的变更应通知相关部门和制造单位,以便进行相应的调整和变更;4.变更的设计文件应妥善保存和备案,以备后续工作的参考和查验。
六、责任和处罚1.如果设计文件存在严重错误或不合规的情况,编制人员应承担相应的责任;2.如果设计文件导致事故发生或者造成重大经济损失,编制人员应承担法律责任;3.如果设计文件误导厂家或监督检验机构,编制人员应承担相应的刑事责任;4.对于设计文件的违规行为,应按照国家相关法律法规进行处罚。
压力容器制造程序文件及管理制度压力容器是一种应用广泛的重要设备,其制造涉及到材料选择、工艺流程、检验与验收等环节,因此需要建立一套完整的制造程序文件及管理制度,以保障其制造质量与安全性。
本文将从程序文件和管理制度两个方面进行论述。
一、程序文件1.设计文件:包括容器的结构设计、选材、工艺流程、图纸和计算书等,需要经过专业设计师和质检人员审核。
2.物资准备记录:包括原材料的采购记录、检验报告和入库记录等。
3.工艺文件:制定容器的制造工艺流程,并进行管理。
4.制造记录:记录制造过程的详细信息,如下料、焊接、热处理、检验等时间点、人员、工艺与仪器等,确保制造过程的可追溯性。
5.检验报告:记录对压力容器进行的各种检验过程与结果,包括材料、焊接、气密性、水压试验等。
6.检验记录:记录从检验开始到检验结束的全过程,并由检验员签字确认。
7.试验报告:记录压力容器的各项性能试验数据和检验结论。
二、管理制度1.组织体系:理清职责分工,明确各部门的职责和要求,落实制造过程的审核和验收机制。
2.资质认证和培训:制造压力容器的人员需要拥有相应的资质和技术水平,应经常进行培训和考核。
3.安全制度:建立安全生产制度,对操作人员进行安全、环保知识培训,严格执行作业指导书,确保生产安全。
4.质量管理:建立质量管理制度,监督制造过程,把控质量,确保压力容器的制造合格。
5.环境保护管理:在制造压力容器的过程中,要严格遵守环境保护规定,坚决防止污染环境。
6.纪律管理:对违反制造程序文件及管理制度的人员要给予相应的处罚。
综上所述,建立完整的制造程序文件和管理制度对于压力容器的制造和使用非常重要,只有保证质量和安全才能更好地服务于生产和生活。
因此,需要不断完善和更新相关制度,将其贯彻到每个环节,确保压力容器的制造质量和安全性。
压力容器设计标准化管理制度1范围本标准规定了公司压力容器设计标准化管理的有关规定。
本标准适用于与压力容器设计工作相关的部门和人员。
2总则标准化工作是压力容器设计技术管理的重要组成部分,是压力容器设计科学管理的重要手段。
搞好压力容器设计标准化工作,有利于稳定和提高设计质量及技术水平,减少重复劳动,降低设备造价,提高效益。
3压力容器设计标准化的工作任务结合压力容器设计质量管理,贯彻国家、部颁的标准、规程、规范及有关规定和技术管理制度,使压力容器设计的全过程达到效率高、质量好的目的。
各级设计人员必须密切协作,共同努力,保证标准化工作贯彻执行于始终。
4压力容器设计标准化工作的人员及职责4.1 压力容器设计标准化工作由设计室主任与标准化管理员负责,标准化管理员由设计人员兼职,与各级设计人员一同由公司任命。
4.2 标准化管理员的职责4.2.1负责收集和清理现有各项标准、规范资料,编制“压力容器设计常用法规、标准有效版本资料清单”,及时将作废资料剔除,新购资料列入,并做好标识。
对压力容器设计文件进行标准化审查,在压力容器装配图上签字,并填写审查记录。
记录格式按JL/HJYRSJ08《压力容器设计文件校审记录》。
未经标准化审查的设计文件不得出版。
4.2.2负责新标准信息的收集、提出征订标准的清单,参加上级组织的标准化工作会议及有关标准化的活动。
4.2.3参加压力容器设计有关企业标准的编制、审查、修订、咨询、解释等工作。
5标准化的贯彻执行5.1 标准化工作贯彻于压力容器设计、技术管理各方面,因此全体设计、校审人员必须密切配合,搞好标准化工作。
5.2 各级标准一经批准颁布,就是技术法规,必须严格执行。
5.3 对于某项标准由于客观困难,而暂时不能贯彻执行时,要提出报告,报压力容器设计技术负责人批准后,方可暂缓执行。
6支持性表卡JL/HJYRSJ08《压力容器设计文件校审记录》。
一、压力容器各级设计人员管理制度Q/XD G 0301-2010 ————————————————————————————————1. 压力容器各级设计人员的范围压力容器各级设计人员包括压力容器设计单位技术负责人、设计批准人员、审核、校核及设计人员。
2. 压力容器各级设计人员的任职2.1 各级设计人员应按《劳动合同法》的规定,与本单位签订有效的“劳动合同”。
2.2压力容器设计批准人员及审核人员需经过专业考核合格,取得相应压力容器设计审批人员资格,批准人应具有高级技术职称。
各级设计人员不得在其他压力容器设计单位兼职。
2.3各级设计人员须经单位法定代表人任命。
2.4各级设计人员应每年任命一次,个别调整则应及时任命。
3 . 压力容器各级设计人员任职的基本条件3.1 设计单位技术负责人由设计单位压力主管压力容器设计工作的负责人担任,具有压力容器相关专业知识,了解法规、安全技术规范、标准的有关规定,对重大技术问题能够做出正确决定。
3.2 压力容器设计批准人员(1)从事本专业工作,且具有较全面的相应压力容器设计专业技术知识;(2)熟知并能正确运用有关法规、安全技术规范、标准,并且能够组织、指导各级设计人员正确贯彻执行;(3)熟知压力容器设计工作和国内外有关技术发展情况,具有综合分析和判断通能力,在关键技术问题上能作出正确决断;(4)具有3年以上压力容器设计审核经历;(5)具有高级技术职称;(6)持有效的压力容器设计审批人员资格证书。
(7)持有单位技术负责人签发的授权书。
3.3审核人员(1)熟悉并能指导设计、校核人员正确执行有关法规、安全技术规范、标准,能解决设计、制造、安装和生产中的技术问题;(2)能认真贯彻执行国家的有关技术方针、政策,工作责任心强,具有较全面的压力容器设计专业技术知识,能保证设计质量;(3)具有审查计算机设计的能力;(4)具有3年以上压力容器设计校核的经历;(5)具有中级以上(含中级)技术职称;(6)经压力容器设计审批人员专业考核合格。
压力容器技术档案管理制度范文第一章总则第一条目的和依据为加强压力容器技术档案管理,规范档案管理工作,保证档案的完整性和可追溯性,提高管理水平,制定本制度。
本制度依据国家有关法律、法规和标准制定,适用于所有使用压力容器的单位。
第二条定义1. 压力容器:指运行中内部压力大于0.1兆帕,工作温度大于-20℃的器件。
2. 技术档案:指压力容器的设计、制造、安装、维修、检验和使用过程中产生的各类文件和资料。
第三条职责分工1. 主管部门负责指导和监督各单位的档案管理工作。
2. 使用单位负责制定并实施档案管理制度,保证档案的完整、准确和安全。
3. 档案管理部门负责具体的档案管理工作,包括档案的收集、整理、保存和查询等。
第二章技术档案管理流程第四条档案收集1. 使用单位应建立压力容器技术档案,并根据实际情况采取相应的归档方式。
2. 档案收集包括但不限于以下内容:(1) 压力容器的设计、制造和验收文件;(2) 安装和维修记录;(3) 检验和试验数据;(4) 使用和维护的文件和记录。
3. 使用单位应加强对档案收集的管理,确保档案的完整性和时效性。
第五条档案整理1. 使用单位应对收集到的档案进行整理和分类,确保档案的准确性和易查性。
2. 档案整理包括但不限于以下内容:(1) 对档案进行编号和标识;(2) 对档案进行整理和分类;(3) 对档案进行装订和封存。
3. 档案整理应由专人负责,确保档案的顺利进行。
第六条档案保存1. 使用单位应建立档案保存的制度和措施,确保档案的安全和可靠。
2. 档案保存包括但不限于以下内容:(1) 采取适当的保存方式,如纸质档案和电子档案;(2) 对档案进行保管和定期检查;(3) 建立档案备份和应急措施。
3. 档案保存应按照相关法律法规的要求进行,确保档案不受损坏或灭失。
第七条档案查询和利用1. 使用单位应建立档案查询和利用的制度和规范,确保档案的便捷使用。
2. 档案查询和利用包括但不限于以下内容:(1) 提供档案查询的渠道和方式;(2) 建立档案查询和利用的规范和程序;(3) 保护档案的隐私和机密性。
压力容器设计管理制度压力容器设计管理制度是企业在生产过程中必须遵守的一项重要制度。
压力容器在许多工业领域中起着至关重要的作用,如石化、能源、制药等行业。
由于其特殊的工作环境和高风险性质,对压力容器的设计和管理要求十分严格,以确保生产过程中的安全可靠性。
下文将详细介绍压力容器设计管理制度的内容和重要性。
首先,压力容器设计管理制度应包括以下几个方面的内容:设计标准、设计人员资格要求、设计审核制度、设计变更管理、设计文件管理等。
首先,设计标准是压力容器设计管理制度中的基础。
压力容器设计必须符合国家标准和相关法规要求。
国家标准中包括压力容器设计基本要求、材料选择、结构设计、焊接工艺等方面的规定。
设计人员应熟悉并遵守这些标准,确保设计方案的合理性和安全性。
其次,压力容器设计管理制度应明确设计人员的资格要求。
设计人员应具有相关专业背景和工作经验,并且需要经过相关资格认证或培训。
设计人员要不断学习和更新知识,紧跟国内外技术发展的最新动态。
设计审核制度是确保设计方案的有效性和可行性的重要一环。
设计审核应包括内部审核和外部审核两个层面,以确保设计方案的合理性、可靠性和符合国家标准要求。
内部审核可以通过团队内部的审核流程来实施,而外部审核则需由独立的第三方进行,以保证审核的客观性。
设计变更管理是压力容器设计过程中需要重视的环节。
设计变更指设计方案在实施过程中需要进行修改或调整的情况。
设计变更应经过专门的变更管理手续,包括设计变更的申请、审核、批准和实施等环节。
设计变更必须经过严格的技术评估和风险评估,以确保设计变更后的方案仍然能够满足工艺和安全要求。
设计文件管理是设计过程中十分重要的一环。
所有设计文件必须按照规定进行编制、审批和归档。
设计文件包括设计计算书、设计说明书、设计图纸等。
设计文件的管理要求文件的完整性、准确性和可追溯性,以便于后续的审查和追溯。
压力容器设计管理制度的重要性不言而喻。
良好的设计管理制度能够确保压力容器设计的合理性、安全性和可靠性。
压力容器设计管理制度第一章总则第一条为规范压力容器设计管理工作,确保压力容器的安全运行和储存,依据《安全生产法》及相关法律法规,制定本制度。
第二条本制度适用于本公司的各项压力容器设计管理工作。
第三条压力容器设计管理包括压力容器的设计、制造、安装调试、验收及投运工作等。
第四条本制度的目的是为了保证压力容器的设计和管理符合国家有关法律、法规和规范标准的要求,确保压力容器在使用过程中的安全可靠性。
第二章设计管理第五条压力容器设计管理应严格按照相关法律法规、规范及合同要求进行。
第六条压力容器的设计应由具有相应资质的设计单位进行,设计单位应具备相关的设计能力和技术经验。
第七条压力容器的设计应满足以下要求:(一)设计应符合相关国家、地方的法规要求;(二)设计应符合压力容器的用途和工艺要求;(三)设计应满足压力容器的强度和稳定性要求;(四)设计应满足压力容器的安全使用要求;(五)设计应满足压力容器的检测、试验和维修要求。
第八条压力容器的设计文件应包括以下内容:(一)设计计算书和计算报告;(二)工程图纸和技术规格书;(三)零部件清单和材料清单;(四)设计说明书和操作说明书;(五)压力容器标志和鉴定证书。
第九条压力容器的设计单位应对设计文件进行审核和归档,确保设计文件的完整和准确。
第十条压力容器的设计文件应交由压力容器制造单位进行生产制造。
第十一条压力容器的制造单位应按照设计文件进行制造,确保制造工艺和材料的合理性。
第十二条压力容器的制造单位应对制造过程进行质量控制和质量检测,确保制造质量的合格。
第三章安装调试和验收第十三条压力容器的安装调试和验收应按照相关规定进行。
第十四条压力容器的安装应由具备相应资质的安装单位进行,安装单位应具备相关的安装经验和技术能力。
第十五条压力容器的安装过程应满足以下要求:(一)安装前应进行现场勘察和设计论证;(二)安装过程中应按照设计文件进行,确保安装质量的合格;(三)安装后应进行技术检测和试验,确保安装的安全可靠性。
压力容器设计管理制度1. 引言压力容器是承压介质的固定容器,广泛应用于化工、石油、冶金、制药、核工业等领域。
为了确保压力容器的安全可靠运行,需要建立完善的设计管理制度。
本文将介绍压力容器设计管理制度的相关内容。
2. 设计管理制度2.1 设计基本要求设计基本要求是指对压力容器的设计原则、设计依据、设计规范、设计计算、制造工艺等进行规定,以确保压力容器符合国家和行业相关标准、规范的要求。
具体包括以下几个方面:2.1.1 设计原则•质量第一,安全第一•性能可靠,使用寿命长•吸取国内外先进设计经验,不断创新发展•节能环保,经济合理2.1.2 设计依据•《压力容器设计规范》GB150•《压力管道设计规范》 GB151•《钢结构设计规范》GB50017•应用相关国内和国际标准2.1.3 设计规范•控制设计参数,确保符合规范要求•编制压力容器设计方案•编制制图原理、尺寸确定、间隙确定等工艺文件2.1.4 设计计算•按照标准规范,进行强度、稳定性、密封性、可靠性的计算•考虑材料强度、工艺性能、温度、压力、介质、重量等诸多因素2.1.5 制造工艺•确保设计方案的准确性,适应制造工艺的要求•制定合理工艺流程和制造程序,保证质量稳定,成本合理2.2 设计文件及技术档案设计文件及技术档案是指在设计过程中,产生的所有设计资料和相关技术数据,包括图纸、报告、手册、计算、测试结果等。
具体要求如下:2.2.1 设计文件•绘制图纸:包括工艺图、零件图、总图、装配图、试压图等•编制计算书:包括强度校核、稳定性计算、密封性校核等•编写设计说明书:包括材料选择、工艺参数、运行条件等2.2.2 技术档案•设计文件:包括图纸、设计说明书、计算书等•检验记录:包括原材料质量证明、制造过程控制记录、试验结果等•检验报告:包括第三方检测、压力测试、水压试验等•改进记录:包括设计缺陷记录、工艺改进记录、技术革新进展等2.3 设计验证设计验证是指对设计方案进行检验和确认,以确保设计方案的正确性和可行性。
压力容器设计管理制度模板1. 目的与适用范围本制度旨在规范压力容器的设计流程,确保设计质量和安全性。
适用于所有从事压力容器设计的单位和个人。
2. 设计资质要求2.1 设计单位必须持有国家相关部门颁发的压力容器设计许可证。
2.2 设计人员应具备相应的专业背景和资格证书。
3. 设计流程管理3.1 设计前准备:收集并分析设计所需的技术参数、工艺要求和安全标准。
3.2 方案设计:制定初步设计方案,包括结构设计、材料选择和强度计算。
3.3 技术评审:设计方案需提交给技术评审委员会进行评估和审查。
3.4 施工图设计:根据评审意见修改方案,完成施工图设计。
3.5 设计文件归档:所有设计文件应进行归档,以备后续查询和使用。
4. 安全与质量控制4.1 设计过程中应严格遵守国家及行业相关安全标准和质量要求。
4.2 设计文件应包含安全操作指南和质量控制流程。
5. 材料与元件管理5.1 使用的材料和元件必须符合国家标准和设计要求。
5.2 应有完整的材料和元件采购、检验和使用记录。
6. 设计变更管理6.1 任何设计变更都应记录在案,并经过审批流程。
6.2 变更后的设计文件应重新进行评审和归档。
7. 培训与考核7.1 设计人员应定期接受专业培训,以保持其专业知识和技能的更新。
7.2 设计单位应定期对设计人员进行考核,确保其满足设计要求。
8. 监督与检查8.1 设计单位应设立监督机制,确保设计流程的规范性。
8.2 应定期对设计流程进行检查,及时发现并纠正问题。
9. 事故处理与预防9.1 设计单位应制定事故应急预案,以应对可能的设计事故。
9.2 应定期进行事故模拟演练,提高设计人员的安全意识和应急处理能力。
10. 文件与记录管理10.1 所有设计文件和记录应按照规定格式进行编制和保存。
10.2 设计文件和记录的保管应符合保密和存档要求。
11. 附则11.1 本制度自发布之日起生效,由设计单位负责解释。
11.2 对本制度的修改和补充应经过设计单位技术负责人审批。
压力容器设计文件管理制度生效日期2013年7月30日页码第 1页共4页
注:
1、本制度由容器技术部负责施行,主要是对设计文件档案的分类及内容、电子文档设计
文件的归档、设计文件保存、设计文件管理、更改原则、更改权限、更改程序的界定;
2、本制度由稽核部负责稽核、处理;
3、若在运行过程中遇到运作不畅等情况时,请及时知悉容器技术部指导;
4、运行过程中若同变革前文件有冲突时,一律依本文件执行。
文件更改一览表
版本更改内容更改日期更改人
会
签
栏
优卓企业管理研究所鲁一机械总经理
压力容器设计文件管理制度生效日期2013年7月30日页码第 2页共4页
1 设计文件档案的分类及内容
1.1纸质设计档案
包括:设计任务书、设计条件表、设计计算书、设计施工图(含硫酸纸)、设计说明书、设计文件校审记录、标准化审查记录、设计文件质量评定卡,使用(安装)说明书与委托方来往信函等。
对于新产品的开发设计允许以方案设计文件及其评审结论文稿代替设计条件表。
1.2 电子文档
包括:光盘CAD文件、硬盘CAD文件。
2 设计文件档案接受、保管、管理的部门及条件
2.1压力容器设计文件档案是企业科技档案之一。
具有自有知识产权属性,既要严格管理
又要发挥其科技价值。
2.2压力容器设计文件档案应由公司档案室接收、保存与管理,并设专职或兼职档案员。
2.3公司档案室应具有使用计算机管理的条件,存放设计文件档案的存储柜,底图存放柜
等应保持完好,并应设置防火、通风等设施。
3、设计文件的归档
3.1设计部门完成压力容器设计项目后,由设计人员负责整理设计项目的相关所有设计文
件,列出归档目录清单,并经审核人确认后及时送至公司档案室履行归档手续。
技术部及设计人员不得自行保管。
归档前技术部不得直接晒、印设计文件并直接发放。
3.2公司档案室必须由专职或兼职档案员认真清点并审查设计文件的完整性、设计文件的
签署正确性、设计施工图的有效性(主要设计文件是否盖有设计许可印章)。
认真履行文件归档手续。
3.3档案员将归档的压力容器设计文件整理、编号、装订、装盒、编目、编页、入柜并登
录档案台帐。
电子文档应遵守GB/T17678《CAD电子文件光盘存储、归档与档案管理要求》的规定。
4、设计文件档案的保存
4.1设计文件档案的保存应遵守《固容规》要求的保存期限。
4.2设计施工图硫酸纸底图应在通风良好、防火要求符合规定且于专用底图柜中展平保存。
4.3纸质设计文件应存放于防火、通风室内的档案柜,按集中装盒保存。
压力容器设计文件管理制度生效日期2013年7月30日页码第 3页共4页
5、设计文件档案的管理
5.1设计文件档案一般情况下不得对外借阅并随意复制。
5.2必须提阅设计文件档案时,应履行审批手续。
档案员收到批准单后,将设计文件档案
交审阅者在档案室内阅览。
档案员保存审批单并登录设计文件档案提阅台帐。
5.3对于设计文件档案中硫酸纸底图档案,由于其需要晒印成施工蓝图的特殊性,档案员,
要严格执行底图提晒的批准、登录手续。
晒图员凭批准手续提取底图。
5.4设计文件的复制(含晒印)及发送
5.4.1设计施工图、设计计算书、设计说明书、使用(安装)说明书的复制,必须建立审
批及登录的规定手续,达到可追踪的目的。
5.4.2本单位用于制造的设计图样的发送数量:制造中心三套,质量部一套另加两总图,
技术部一套。
压力容器总图(蓝图或白图)必须加盖设计许可印章方为有效。
压力容器设计文件的更改
6、更改原则
6.1设计文件归档后,未经总工程师批准和办理规定的手续,任何人都无权更改。
技术部发
送到生产、制造及质量部门的施工图纸,如确存在技术问题(含技术要求、结构、尺寸、材料、标准等错误),由发现该问题的单位技术人员以书面形式报技术部相关设计人员,履行相应的审批手续后,方可更改。
6.2 设计图样和设计文件的更改不得降低产品质量,亦不得违背现行法规、安全技术规范、
标准和技术条件的规定。
更改后的设计图样和设计文件应正确、完整、统一、清晰。
6.3设计文件的更改必须履行签字手续,并保证更改前的设计文件原貌有据可查。
7、更改权限
7.1 自行设计的设计图样和设计文件,更改权属技术部。
7.2 由用户提供或外购的设计文件的更改,必须事先取得原设计单位的设计修改的书面文
件。
8、更改程序
8.1 对需要更改的设计文件,填写«压力容器设计文件更改通知单»。
8.2 更改通知单应经设计人员按技术责任制的规定履行签字手续。
8.3 按更改通知单更改设计图样和设计文件。
压力容器设计文件管理制度生效日期2013年7月30日页码第 4页共4页
9、更改办法
9.1设计文件一般采用划改,将需要改的尺寸、文字、符号、图形等,用细实线划掉。
被划
掉部分应仍能清楚地看出更改前的情况,然后填注新的尺寸、文字、符号、图形等。
9.2 划改应靠近设计图样和设计文件更改部位,写上更改标记--用加圈的小写汉语拼音字
母○a○c······表示。
9.3 在更改栏中均应填写
9.3.1 更改标记;
9.3.2 同一标记下的更改处数;
9.3.3 更改通知单编号;
8.3.4 更改日期;
9.3.5 更改人员签字。
9.4 若设计文件的底图经多次使用与更改而污损不能再用时,需重打印底图,并标明版次,
但不得改变其图(代)号。
9.4.1 根据最后更改的尺寸、文字、图形等重新打印底图。
9.4.2 新底图更改栏按下列规定填写:
a、标记栏填写上最后一次更改标记;
b、处数栏写上"重新绘制"字样;
c、签字及日期栏由重印后负责复核的人员签上姓名、日期。
9.4.3 旧底图上应有明显的"作废"标记,并由经办人签上姓名、日期。
旧底图或其复印图
应存档备查。
9.4.4 新底图上应按规定人员签署。
9.5 注意事项
9.5.1 设计文件更改通知单应有编号,其原件或复印件应存档备查。
9.5.2 更改后的设计文件,如破坏了互换性,应改变设计文件的代号或加注尾号,也可绘制
新的设计文件,并相应更改与其有关的设计图样和设计文件。