装卸指导员岗位作业指导书
- 格式:doc
- 大小:58.00 KB
- 文档页数:4
装卸作业指导书标题:装卸作业指导书引言概述:装卸作业是仓储物流中非常重要的环节,正确的装卸作业能够提高工作效率,减少货物损坏率,保障员工安全。
本文将从装卸作业的准备工作、操作流程、注意事项、安全措施和常见问题等方面进行详细介绍,匡助读者更好地掌握装卸作业的技巧。
一、准备工作1.1 确认货物信息:在进行装卸作业前,需要确认货物的名称、数量、分量、尺寸等信息,以便做好相应的准备工作。
1.2 准备工具设备:根据货物的特点,准备好适合的搬运工具和安全防护装备,如手推车、叉车、手套、安全帽等。
1.3 制定作业计划:根据货物的特点和装卸场地的情况,制定合理的作业计划,明确作业流程和责任分工。
二、操作流程2.1 卸货操作:先将货物从运输工具上卸下,注意货物的稳定性和安全性,避免货物受损或者造成人员伤害。
2.2 运输搬运:根据货物的分量和尺寸,选择合适的搬运工具进行运输,注意搬运过程中的平稳性和安全性。
2.3 装货操作:将货物按照装载方案装车,注意货物的摆放位置和固定方式,确保货物安全运输。
三、注意事项3.1 注意货物包装:货物包装要坚固可靠,避免在装卸作业过程中受损,影响货物质量。
3.2 注意人员安全:作业现场要保持整洁有序,避免人员交叉作业和碰撞,确保人员安全。
3.3 注意环境保护:作业过程中要注意环境保护,避免污染和噪音扰民,做到文明作业。
四、安全措施4.1 安全培训:对从事装卸作业的员工进行安全培训,提高员工的安全意识和操作技能。
4.2 安全检查:定期对搬运工具和设备进行检查和维护,确保设备的正常运转和安全使用。
4.3 安全监控:安装监控摄像头和报警设备,及时发现和处理作业中的安全隐患,保障作业安全。
五、常见问题5.1 货物丢失:在装卸作业过程中,要密切关注货物的流向和数量,避免货物丢失的情况发生。
5.2 人员受伤:遵守操作规程和安全操作规范,严格执行安全措施,减少人员受伤的风险。
5.3 装卸效率低:合理规划作业流程,提高员工的作业技能,优化装卸作业流程,提高装卸效率。
装卸作业指导书一、任务背景装卸作业是指在货物运输过程中,将货物从运输工具上卸下或者装载上去的操作过程。
为了确保装卸作业的安全、高效进行,制定一份装卸作业指导书是必要的。
本文将详细介绍装卸作业的标准格式文本。
二、装卸作业指导书的编写目的1. 提供装卸作业的操作规范和流程,确保作业的安全性。
2. 提高装卸作业效率,减少货物的损坏和损失。
3. 统一装卸作业的标准,方便操作人员的培训和管理。
三、装卸作业指导书的内容1. 装卸作业的基本信息:- 装卸作业地点:XX仓库- 装卸作业时间:2022年1月1日 8:00-12:00- 装卸作业人员:装卸工1、装卸工2、装卸工32. 装卸作业的准备工作:- 确保装卸工具和设备的完好性,如叉车、吊车等。
- 检查货物的包装是否完好,确认没有破损。
- 确定货物的数量和分量,并准备好相应的计量工具。
- 确定装卸作业的流程和顺序,制定详细的操作计划。
3. 装卸作业的操作流程:- 步骤1:装卸工1使用叉车将货物从运输工具上卸下,放置在指定的区域。
- 步骤2:装卸工2对货物进行清点和检查,确认货物的数量和质量是否与运输单据一致。
- 步骤3:装卸工3根据货物的特性和要求,进行二次包装或者标记。
- 步骤4:装卸工1使用叉车将货物装载到目标运输工具上,并进行固定和封装。
- 步骤5:装卸工2对装载后的货物进行检查,确保货物的安全和稳定。
4. 装卸作业的安全注意事项:- 操作人员必须佩戴符合规定的个人防护装备,如安全帽、手套等。
- 操作人员必须熟悉和掌握相关的操作规程和安全操作技能。
- 操作人员在操作过程中,必须注意货物的重心和平衡,确保货物不会倾斜或者滑落。
- 操作人员必须遵守装卸作业现场的交通规则和安全标识,确保行人和车辆的安全。
5. 装卸作业的质量控制:- 装卸工2负责对货物的数量和质量进行检查和记录。
- 装卸工3负责对货物的包装和标记进行检查和记录。
- 管理人员负责对装卸作业的过程进行监督和检查,确保作业符合标准要求。
装卸作业指导书一、作业目的:本装卸作业指导书旨在提供详细的操作指导,确保装卸作业过程安全、高效,减少货物损坏和人员伤害。
二、作业准备:1. 确定装卸作业地点和时间,并通知相关人员。
2. 确保装卸设备和工具的完好性,如起重机、叉车、吊装绳索等。
3. 对货物进行检查,确保货物包装完好,无破损。
4. 制定装卸作业计划,包括作业流程、人员分工和安全措施等。
三、装卸作业流程:1. 装卸前的准备工作:a. 确保作业现场平整,清除杂物和障碍物。
b. 配置好所需的装卸设备和工具,确保其正常运行。
c. 检查货物的包装和标识,确保货物正确摆放和存放。
d. 分配人员到各个作业岗位,明确各自职责和任务。
2. 装卸作业步骤:a. 根据货物的性质和分量,选择合适的起重机或者叉车进行装卸。
b. 操作起重机或者叉车,将货物从车辆或者仓库中移出或者装上。
c. 在装卸过程中,要确保货物的平稳运输,避免碰撞和摔落。
d. 若需要使用吊装绳索,要正确搭配和使用,确保货物的安全吊装。
e. 将货物放置到指定位置,并进行固定,防止货物滑动或者倾倒。
f. 完成装卸后,清理现场,归还装卸设备和工具。
四、安全注意事项:1. 操作人员必须经过专业培训,熟悉装卸作业流程和安全操作规程。
2. 在装卸过程中,操作人员必须佩戴符合要求的个人防护装备,如安全帽、防护鞋等。
3. 严禁超载操作,确保起重机或者叉车的额定载荷不被超过。
4. 在装卸过程中,要保持货物稳定,避免过度摇晃或者晃动。
5. 操作人员必须遵守信号指挥,确保作业过程中的协调和安全。
6. 禁止在装卸区域内吸烟、使用明火或者进行其他危(wei)险行为。
7. 在装卸过程中,要及时发现和处理作业现场的安全隐患,确保作业环境安全。
五、应急措施:1. 在装卸作业过程中,如发生货物意外掉落或者人员受伤等情况,应即将住手作业,并及时报告相关负责人。
2. 在装卸作业现场设置急救箱,并配备专业急救人员,以应对突发事件。
装卸作业指导书一、任务背景装卸作业是指将货物从运输工具上卸下或装上的操作过程。
为了确保装卸作业的安全、高效进行,减少货物损坏和人员伤亡的风险,制定一份装卸作业指导书是非常必要的。
二、作业准备1. 确定装卸作业的时间、地点和货物种类,并进行相关准备工作。
2. 检查装卸设备的完好性和安全性,如起重机、叉车等,确保其正常运行。
3. 了解货物的特性和重量,制定相应的装卸方案。
4. 指定专人负责装卸作业的组织和协调,确保作业的顺利进行。
三、装卸操作流程1. 装卸前的准备工作:a. 检查货物的包装是否完好,如有破损应及时处理。
b. 检查装卸设备的工作状态,确保其正常运行。
c. 制定装卸方案,包括起重机的使用位置、叉车的行驶路线等。
2. 装卸操作的步骤:a. 将货物从运输工具上卸下时,应先将起重机或叉车移至合适的位置,将货物吊离运输工具,并放置在指定的地点。
b. 将货物装上运输工具时,应先将货物移至装载区域,然后利用起重机或叉车将货物吊起,并稳定地放置在运输工具上。
3. 装卸操作的注意事项:a. 在操作过程中,要确保货物的稳定,避免货物倾斜或掉落。
b. 操作人员应熟悉装卸设备的使用方法和安全操作规程,并佩戴相关的安全防护装备。
c. 在装卸作业现场设置警示标志,确保其他人员和车辆不会进入作业区域。
d. 在装卸作业进行过程中,及时清理作业区域的杂物,确保操作的顺利进行。
四、安全措施1. 操作人员应接受相关的培训和考核,熟悉装卸作业的操作规程和安全要求。
2. 在装卸作业现场设置安全警示标志,提醒其他人员和车辆注意安全。
3. 检查装卸设备的安全性能,如发现问题应及时修理或更换设备。
4. 定期进行装卸作业的安全检查,发现问题及时整改。
五、作业记录与总结1. 每次装卸作业完成后,应做好相关的作业记录,包括作业时间、地点、货物种类、装卸设备的使用情况等。
2. 根据作业记录,定期进行作业总结和评估,发现问题并提出改进措施。
六、附录1. 装卸作业安全操作规程2. 装卸设备的使用说明书3. 装卸作业现场布置图以上是装卸作业指导书的内容,旨在帮助操作人员正确、安全地进行装卸作业。
装卸作业指导书一、任务描述本文档旨在为装卸作业提供详细的指导,确保装卸作业的安全、高效进行。
本指导书将包括作业前的准备工作、作业过程中的注意事项以及作业后的清理工作等内容。
二、作业前准备工作1. 确定装卸地点:根据货物的种类和数量,确定合适的装卸地点,并确保该地点具备足够的空间和设备。
2. 检查装卸设备:检查起重机械、叉车等装卸设备的工作状态,确保其正常运转,并进行必要的维护和保养。
3. 制定作业计划:根据货物的特点和数量,制定详细的作业计划,包括作业时间、作业顺序等,以确保作业的有序进行。
4. 安排作业人员:根据作业的规模和要求,合理安排作业人员,确保他们具备必要的技能和经验,并提供必要的安全培训。
5. 准备必要的装卸工具:根据货物的特点,准备必要的装卸工具,如吊索、绳索、扳手等,以确保作业的顺利进行。
三、作业过程中的注意事项1. 货物检查:在装卸过程开始之前,对货物进行子细检查,确保货物完好无损,并记录货物的数量和状况。
2. 安全操作:作业人员在进行装卸作业时,必须佩戴必要的安全装备,如安全帽、手套等,并遵守相关的安全操作规程,确保作业过程的安全。
3. 合理摆放货物:根据货物的特点和要求,合理摆放货物,确保货物的稳定和安全,并避免货物之间的碰撞和损坏。
4. 注意货物重心:在装卸过程中,特殊是对于大型或者分量较大的货物,要注意货物的重心位置,避免因重心不稳而导致事故发生。
5. 防止货物滑落:在装卸过程中,采取必要的措施,如使用防滑垫、绑扎货物等,防止货物滑落或者倾斜。
6. 遵守信号指挥:在装卸作业过程中,作业人员应遵守信号指挥,确保作业的协调和安全。
四、作业后的清理工作1. 清理作业现场:作业结束后,及时清理作业现场,清除垃圾和杂物,确保作业现场的整洁和安全。
2. 设备维护:对使用的装卸设备进行必要的维护和保养,包括清洁、润滑等,以延长设备的使用寿命。
3. 货物存放:根据货物的种类和特点,将货物妥善存放,防止货物受潮、变形或者损坏。
装卸作业指导书一、作业目的:装卸作业是指在货物运输过程中,将货物从运输工具上卸下或者装载到运输工具上的操作。
本指导书的目的是为了规范装卸作业流程,确保作业安全、高效、顺利进行,减少货物损坏和人员伤害的发生。
二、作业准备:1. 确认货物信息:了解货物的种类、数量、分量、尺寸等信息,并根据货物特点选择合适的装卸设备和工具。
2. 检查装卸设备和工具:确保装卸设备和工具的完好性和安全性,如起重机、叉车、吊索、绳索、吊钩等。
3. 安排作业人员:根据作业量和作业难度,合理安排作业人员,并确保其具备相关的操作技能和安全意识。
4. 制定作业计划:根据货物信息和作业要求,制定详细的作业计划,包括装卸顺序、作业时间、作业地点等。
三、作业流程:1. 装卸区域设置:根据货物种类和作业要求,设置合适的装卸区域,确保作业区域的平整、宽敞、无障碍物,并设置明显的警示标志。
2. 装卸设备操作:根据作业计划,将装卸设备挪移到作业区域,并进行必要的检查和维护,确保设备的正常运行。
3. 货物装卸操作:根据作业计划和操作要求,进行货物的装卸操作。
具体操作包括:a. 货物提取:根据货物的分量和尺寸,选择合适的起重机、叉车等设备进行货物提取,并确保提取过程平稳、稳定。
b. 货物挪移:根据作业要求,将货物挪移到指定位置,并进行固定,以确保货物的稳定和安全。
c. 货物装载:将货物装载到运输工具上,并根据货物特点和运输要求进行合理摆放和固定,以减少货物损坏的风险。
d. 货物卸载:将货物从运输工具上卸下,并根据货物特点和作业要求进行合理放置,以确保货物的安全和完整。
4. 安全措施:在整个装卸作业过程中,必须严格遵守相关的安全操作规程,如佩戴安全帽、安全鞋,使用安全绳索和吊钩等。
同时,要保持作业区域的整洁和干净,防止滑倒和其他意外事故的发生。
四、作业注意事项:1. 货物搬运:在搬运货物时,要注意货物的分量和尺寸,合理选择搬运设备,并确保操作人员具备相关的搬运技能。
装卸作业指导书一、任务背景装卸作业是物流运输过程中的重要环节之一,对于货物的安全运输和高效操作具有重要意义。
为了保证装卸作业的顺利进行,提高作业效率和安全性,制定一份装卸作业指导书是必要的。
二、作业目标本指导书的目标是为了提供一套规范的装卸作业流程和操作要求,确保装卸作业的安全、高效和顺利进行。
三、作业流程1. 装卸作业前准备a. 检查装卸设备的完好性和安全性,如起重机、叉车等;b. 确认装卸场地的平整度和安全性,如地面是否平坦、无障碍物等;c. 检查货物的包装完好性和标识清晰度,如是否有破损、是否有正确的标识等;d. 安排装卸作业人员,确保人员数量足够,并进行必要的培训和安全教育。
2. 装卸作业流程a. 到达装卸场地后,根据货物特性和装卸设备的要求进行合理的停靠和定位;b. 根据作业计划和装卸指令,进行货物的拆卸或装载;c. 在装卸过程中,要注意货物的平衡和稳定,避免货物倾倒或损坏;d. 遵守装卸设备的操作规程,确保安全操作;e. 在装卸过程中,及时清理现场,避免堆放杂物和障碍物。
3. 装卸作业后处理a. 检查装卸设备的完好性和安全性,及时进行维护和保养;b. 对装卸场地进行清理和整理,确保下次作业的顺利进行;c. 对装卸作业进行总结和评估,及时发现问题并进行改进;d. 对装卸作业人员进行培训和安全教育,提高作业效率和安全性。
四、作业要求1. 安全第一:在装卸作业中,安全是最重要的,作业人员必须严格遵守安全操作规程,佩戴必要的个人防护装备,确保自身和他人的安全。
2. 高效作业:在保证安全的前提下,要尽可能提高作业效率,合理安排作业流程和人员,减少不必要的等待和停顿,提高作业效率。
3. 货物保护:在装卸作业中,要注意货物的保护,避免货物受损或丢失,特别是对易碎、易腐烂和有特殊要求的货物,要格外小心。
4. 现场整洁:在装卸作业过程中,要及时清理现场,保持场地整洁,避免杂物和障碍物对作业造成影响。
5. 沟通协调:装卸作业需要多个环节和多个人员的协同配合,因此,良好的沟通和协调是必要的,确保作业的顺利进行。
事务文书:________ 装卸、搬运工-作业指导书单位:______________________部门:______________________日期:______年_____月_____日第1 页共5 页装卸、搬运工-作业指导书1.严禁遵守易燃、易爆及化学危险物品装卸运输的有关规定。
装卸粉散材料及有毒气散发的物品,应配戴必要的防护用品。
2.工作前应认真检查所用工具是否完好可靠,不准超负荷使用。
3.装卸时应做到轻装轻放,重不压轻,大不压小,堆放平稳,捆扎牢固。
4.人工搬运、装卸物件应视物件轻重配备人员。
杠棒、跳板、绳索等工具必须完好可靠。
多人搬运同一物件时,要有专人指挥,并保持一定间隔,一律顺肩,步调一致。
5.堆放物件不可歪斜,高度要适当,对易滑动件要用木块垫塞。
不准将物件堆放在安全道内。
6.用机动车辆装运货物时,不得超载、超高、超长、超宽。
如遇必须超高、宽、长装运时,应按交通安全管理规定,要有可靠措施和明显标志。
7.装车时,随车人员要注意站立位置。
车辆行驶时,不准站在物件和前拦板之间。
车未停妥不准上下。
8.装卸货物应挂规定吊点,起吊装箱件时应先检查箱体脚是否牢固完好,按吊线标志吊挂,并经试吊确认稳妥后方能起吊。
9.使用卷扬机、钢管滚动滑移货物时,要有专人指挥,路面要坚实平整,绳索套结要找准重心,保持直线行进,有棱角快口部位应设垫衬,卸车或下坡应加保险绳,货物前后和牵引钢丝绳边不准站人。
10.装运易燃易爆化学危险物品严禁与其他货物混装。
要轻搬轻放,搬运场地不准吸烟。
车箱内不准坐人。
第 2 页共 5 页11.装卸时,应根据吊位变化,注意站立位置。
严禁站在吊物下面。
12.铁路车辆装运物件,不得超过车厢允许高度和宽度。
铁路两侧一米五以内,不得堆放装卸物件,不准在车厢底下或顶上休息。
13.在高拦板车厢装卸货物起重驾驶员无法看清车厢内的指挥信号时,应设中间指挥,正确传递信号。
装卸作业人员安全责任书乙方:贵州大方县文建友装卸队为加强装卸工的安全生产管理,规范港区安全装卸作业;提高装卸服务质量和工作效率,特签订本责任书。
装卸作业指导书一、作业背景装卸作业是指将货物从运输工具上卸下或装载到运输工具上的操作过程。
这是一项重要的物流环节,对于保证货物的安全运输和高效流通具有重要意义。
为了确保装卸作业的顺利进行,提高作业效率,减少货物损坏和人员伤害的风险,制定一份装卸作业指导书是必要的。
二、作业目的本指导书旨在规范装卸作业的流程和操作要求,确保作业人员能够正确、安全地进行装卸作业,保护货物和人员的安全,提高作业效率。
三、作业对象本指导书适用于所有涉及装卸作业的场所和作业人员,包括但不限于仓库、码头、货运站点等。
四、作业流程1. 准备工作a. 根据装卸计划,提前准备所需的装卸工具和设备,确保其完好无损。
b. 确认货物的种类、数量和重量,并做好相应的标记和分类。
c. 检查运输工具的状况,确保其能够安全承载货物。
d. 组织作业人员进行安全培训,确保其了解装卸作业的操作流程和安全注意事项。
2. 装卸作业a. 根据货物的性质和重量,选择合适的装卸工具和设备,如叉车、起重机等。
b. 在装卸现场设置明显的安全警示标志,确保作业人员和周围人员的安全。
c. 作业人员穿戴符合安全要求的个人防护装备,如安全帽、手套、防滑鞋等。
d. 根据作业计划和作业指令,有序进行装卸作业,确保货物的安全和准确装卸。
e. 作业人员应注意货物的重心和稳定性,在装卸过程中避免货物倾斜或滑落。
3. 货物储存a. 装卸完成后,将货物储存到指定位置,确保货物不受损坏和污染。
b. 对易碎、易腐、易燃等特殊货物,应采取相应的防护措施,确保其安全储存。
c. 对于需要冷藏或保温的货物,应确保储存环境符合要求,避免货物变质和损坏。
4. 安全管理a. 作业现场应设置明显的安全警示标志和安全防护设施,确保作业人员和周围人员的安全。
b. 作业人员应严格遵守安全操作规程,禁止在作业过程中吸烟、使用明火等危险行为。
c. 定期检查和维护装卸工具和设备,确保其正常运行和安全使用。
d. 做好事故和紧急情况的应急预案,提前进行演练和培训,确保能够快速、有效地应对。
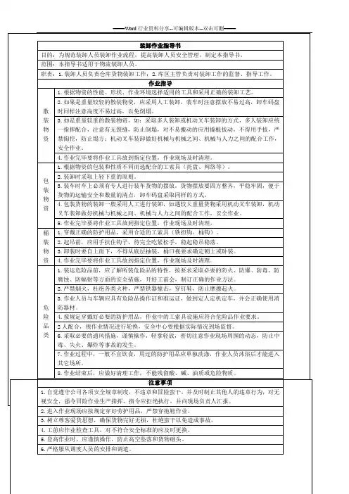
装卸指导员岗位作业指导书1 范围本标准规定了装卸指导员的岗位任务、作业流程、作业内容、操作方法、操作要求及岗位要求。
本标准适用于公司装卸指导员岗位。
2 岗位任务2.1 执行港口装卸作业管理规章制度、操作规程和标准,工艺标准和调度生产指令,开好船前会/工前会。
2.2 负责车/船装卸作业和杂作业现场的组织指挥管理工作和装卸安全质量管理工作,落实当班作业计划。
2.3 处理计划变更后的人、机、货、货位的协调工作,处理现场出现的生产、安全、质量问题。
2.4 填写当班日志,签证各类原始生产记录和单证,向调度反馈生产信息。
2.5 落实领导交办的临时性工作。
3 作业流程作业流程见图1。
图1 作业流程4 作业内容和操作方法4.1 接班4.1.1 领取工班作业计划参加班前会。
4.1.2 到作业现场与交班指导员交接。
4.1.3 组织召开船前会或工前会。
4.2 作业准备工作4.2.1 检查与作业相关的人员到位情况和工班作业人数。
4.2.2 检查装卸作业机械、工属具、库场的落实情况。
4.2.3 检查、落实作业现场安全质量预防措施落实情况。
4.3 生产现场的组织指挥管理4.3.1 协调理顺各生产环节。
4.3.2 处理生产中出现的问题和困难。
4.3.3 监控现场安全质量生产情况。
4.3.4 落实调度员或上级下达的临时作业计划。
4.3.5 组织作业人员完成生产计划。
4.3.6 督促检查作业人员执行标准,落实安全、质量措施。
4.4 记录、汇报4.4.1 填写“作业日志”“船舶装卸过程记录表”“火车/汽车装卸过程记录表”等相关质量记录和签证各类装卸作业原始单证。
4.4.2 将车、船作业动态以及现场出现的问题及时向调度员或当班副主任汇报。
4.5 交班4.5.1 填写交接班记录。
4.5.2 将本班生产情况及当前作业状况向接班指导员交待。
4.5.3 协助接班指导员进行现场交接班。
5 操作要求5.1 接班要求5.1.1 认真、仔细阅读工班作业计划,参加班前会听取工作布置。
集装箱装卸车作业指导书(货运岗位作业指导书)集装箱装卸车作业指导书(货运岗位作业指导书)第一篇一、指导原则集装箱装卸车作业是货运岗位中一项重要的工作,它直接关系到货物的安全和效率。
为了确保作业顺利进行,必须遵循以下原则:1. 安全第一:在进行装卸车作业时,必须始终将安全放在首位。
操作人员应熟悉装卸车的操作规程和安全注意事项,严格遵守操作流程和相关安全要求,保护自己和他人的生命安全。
2. 效率至上:合理安排作业时间和流程,提高装卸车作业的效率。
在确保安全的前提下,通过科学的计划和组织,减少不必要的等待和浪费,提高作业效率,保证货物按时到达目的地。
3. 精益求精:不断学习和总结经验,提高操作人员的技能水平。
通过培训和实践,提高操作人员的专业知识和操作技能,提升整个作业团队的素质水平。
二、操作流程1. 装卸车前的准备工作(1)检查装卸车设备的工作状态:操作人员在开始装卸车前,应对装卸车设备进行检查,确保其正常运转。
(2)查看装卸车区域的场地状况:检查装卸车区域的平整度和无障碍性,保障装卸车作业的顺利进行。
2. 装卸车的操作步骤(1)接收货物:根据货物信息和接货单,确认货物的数量和规格,与发货单位对照核实。
(2)准备装卸工具:根据货物的特点,选择合适的装卸工具,如叉车、吊车等。
(3)装卸车操作:根据货物的不同特点,选择合适的装卸车方法,如直接装卸、拆箱装卸等。
(4)装卸车过程中的安全措施:操作人员应戴好安全帽、工作服等个人防护装备,确保人身安全。
(5)货物的码放和固定:将货物稳妥地码放在集装箱中,并使用合适的固定装置固定货物。
(6)核对货物清单:在装卸车完成后,核对货物清单,确保货物没有遗漏或损坏。
第二篇三、安全注意事项在进行集装箱装卸车作业时,操作人员必须注意以下事项,确保作业的安全进行:1. 操作人员必须经过专业培训和考核,持有相应的岗位证书,熟悉装卸车作业的操作规程和安全要求。
2. 在装卸车过程中,操作人员应集中注意力,不得分散注意力或进行其他无关操作。
装卸搬运工作业引导书装卸搬运工作是一项特别紧要的工作,可谓是企业物流运营的紧要环节。
这项工作的好坏直接关系到企业的效益和运营质量,也关系到员工的人身安全。
为了确保装卸搬运工作的顺当进行,特编写此份作业引导书,以帮忙装卸搬运工作人员提高工作效率和注意安全。
一、装卸搬运工作的岗位职责1. 依据工作计划布置,依照装卸搬运的原则和方法完成货物运输的装卸作业任务;2. 把握电动扳手、叉车、升降平台等装卸搬运设备和工具的正常使用方法和维护保养要领;3. 遵守工作流程,精准、快速地完成各项装卸作业,适时汇报作业任务完成情况,并适时反馈所碰到的问题;4. 确保工作安全,遵守安全规定,发觉存在隐患,适时实行措施予以整改并报告主管领导;5. 做好各项物资记录工作,适时清点、更新、保存记录信息,保证资料的安全性和精准性。
二、装卸搬运工作需要注意的事项1. 搬运前,要先进行详细的检查,确保需要搬运物品的体积和重量没有超过所使用的设备的最大限制;2. 在进行搬运时,要注意货物的重心位置和稳固性,保证搬运的平稳和安全;3. 在进行搬运操作时,应严格遵从规定的工作流程,不得将易碎或不安全品与其他物品混装或挤压,以确保工作安全;4. 在使用装卸搬运设备时,要全面了解设备的使用方法,保证设备在使用过程中的稳定性和安全性;5. 在搬运货物时,要保证货物的精准性,即在存储过程中,每批物资应划分明确的存放区域,并标记货物名称、库位号、入库时间等信息。
三、装卸搬运工作中常见的安全隐患及处理方法1. 卷轴缆线夹固:采纳施力并夹住缆线松动方案解决,保证搬运安全和线路畅通;2. 高处做业安全隐患:在进行高处做业时,必需确保装卸人员的安全,建议采纳加高安全带和脚手架平台的方式,杜绝发生事故;3. 火灾、爆炸隐患:严格掌控不安全品的存放和运输,保证安全。
如发觉异常情况要适时通知相关部门,实行应急措施以保证搬运人员及四周人员的人身安全。
四、装卸搬运后如何保证货物的管理1. 在货物装卸完毕后,要进行精准的清点及记录,确保数量、批次、规格和品种的精准性;2. 依据货物的不同特性和性质,实行不同的包装方式和封装方法,保证货物品质的完好;3. 对需要特别保护的货物进行标识和分类,并进行特别管理,确保货物不受撞击、刮擦等损害。
装卸作业指导书一、任务概述装卸作业指导书旨在详细描述装卸作业的流程和操作规范,以确保装卸作业的安全和高效进行。
本指导书适用于各类装卸作业场景,包括货物的装卸、搬运、堆放等环节。
二、装卸作业流程1. 准备工作:a. 确定装卸作业的货物种类、数量和重量。
b. 检查装卸设备和工具的完好性,确保其符合安全要求。
c. 制定装卸作业计划,包括分工、时间安排等。
2. 装卸作业:a. 装卸前,对货物进行检查,确保无破损和异常。
b. 根据货物的特性和重量,选择合适的装卸设备和工具。
c. 按照操作规范,进行装卸作业,确保操作流畅和安全。
d. 在装卸过程中,注意货物的平衡和稳定,避免倾斜和滑落。
3. 装卸后处理:a. 将装卸设备和工具归位,并进行检查和维护。
b. 清理现场,确保没有杂物和障碍物。
c. 对装卸作业进行总结和评估,提出改进意见。
三、装卸作业操作规范1. 装卸设备和工具的使用:a. 使用前,对装卸设备和工具进行检查,确保其正常运行。
b. 使用时,按照设备和工具的说明书进行操作,避免误操作和事故发生。
c. 使用结束后,及时清理和维护装卸设备和工具。
2. 货物的装卸操作:a. 装卸前,对货物进行检查,确保无破损和异常。
b. 在装卸过程中,注意货物的重心和稳定性,避免倾斜和滑落。
c. 使用合适的吊装工具和绳索,确保货物的安全吊装和放置。
d. 避免过度装载或超载,确保装卸作业的安全和稳定进行。
3. 人员安全:a. 所有从事装卸作业的人员必须经过专业培训,并具备相关证书。
b. 人员必须佩戴个人防护装备,如安全帽、手套、安全鞋等。
c. 人员必须遵守作业现场的安全规定和指示,严禁违章操作和行为。
4. 环境保护:a. 在装卸作业过程中,避免对环境造成污染和破坏。
b. 合理使用能源和资源,提倡节约和循环利用。
四、装卸作业安全措施1. 安全培训:对从事装卸作业的人员进行安全培训,包括操作规范、事故案例分析、急救知识等。
2. 安全设备:提供必要的安全设备,如安全帽、手套、防护眼镜等,确保人员的安全。
装卸作业指导书一、作业目的装卸作业指导书的目的是为了确保装卸作业的安全、高效进行,保护作业人员的人身安全和货物的完整性。
本指导书旨在提供详细的装卸作业流程、操作规范和安全注意事项,以确保装卸作业的顺利进行。
二、作业流程1. 准备工作:a. 确定装卸作业的具体时间和地点。
b. 确定装卸作业所需的人员和设备。
c. 检查装卸设备的工作状态,确保其正常运行。
d. 检查货物的包装和标识,确保其符合运输要求。
2. 安全措施:a. 作业现场应设置明显的安全警示标志,确保作业人员的安全。
b. 作业人员应佩戴符合要求的个人防护装备,如安全帽、安全鞋等。
c. 作业人员应接受必要的安全培训,了解作业规范和操作流程。
d. 确保作业现场的通风良好,防止有害气体积聚。
3. 装卸操作:a. 根据货物的特性和装卸设备的要求,选择合适的装卸方法。
b. 作业人员应按照操作规范进行装卸作业,确保操作正确、高效。
c. 在装卸过程中,应注意货物的稳定性,避免货物倒塌或损坏。
d. 作业人员应注意人员安全,避免发生人员伤害事故。
4. 装卸记录:a. 在装卸作业过程中,应及时记录装卸时间、作业人员和装卸数量等关键信息。
b. 对装卸过程中出现的问题和异常情况,应及时记录并进行整理分析。
c. 对装卸作业中发生的事故和事故原因,应进行详细记录和调查分析。
三、安全注意事项1. 作业人员应定期进行体检,确保身体健康状况符合从事装卸作业的要求。
2. 作业人员应遵守作业规范,不得擅自改变装卸作业流程和操作方法。
3. 在装卸作业现场,应保持整洁,防止杂物和障碍物影响作业安全。
4. 作业人员应定期参加装卸作业安全培训,提高安全意识和应急处理能力。
5. 在装卸作业过程中,应及时清理和处理产生的垃圾和废弃物。
6. 作业人员应遵守相关法律法规,不得从事违法活动或违规操作。
四、作业效果评估1. 根据装卸作业的实际情况,对作业流程和操作规范进行评估和改进。
2. 对装卸作业中出现的问题和事故进行分析,提出相应的改进措施。
装卸作业指导书一、作业目的装卸作业指导书的目的是为了确保装卸作业的安全、高效进行,保护工作人员的人身安全和货物的完好无损。
本指导书旨在提供详细的作业流程和操作要点,以确保装卸作业过程中的各项工作能够按照规范和标准进行。
二、作业范围本指导书适用于各种装卸作业,包括但不限于货物装卸、设备安装等。
三、作业前准备1. 确认装卸作业的具体要求和时间计划。
2. 检查装卸设备和工具的完好性,确保其符合安全要求。
3. 检查作业现场的安全设施和环境,确保无隐患。
4. 分配作业人员,并确保其具备相关的技能和经验。
5. 进行作业现场的布置,确保通道畅通、货物摆放合理。
四、作业流程1. 接受作业指令:作业负责人接受作业指令,并将其传达给作业人员。
2. 安全检查:作业人员进行安全检查,包括检查装卸设备、工具和作业现场的安全状况。
3. 装卸准备:根据作业指令,作业人员准备所需的装卸工具和设备,并确保其在良好状态下。
4. 装卸操作:按照作业指令和操作要点,进行货物的装卸操作。
操作时要注意货物的重心和稳定性,避免损坏货物或发生安全事故。
5. 货物存放:根据要求将装卸完成的货物妥善存放,确保其不受损坏和污染。
6. 清理作业现场:作业完成后,及时清理作业现场,恢复通道畅通和环境整洁。
五、安全注意事项1. 严格遵守相关的安全操作规程和标准,不得擅自修改或忽略安全要求。
2. 确保装卸设备和工具的正常运行和维护,如发现异常及时报修或更换。
3. 作业人员必须穿戴符合要求的个人防护装备,如安全帽、安全鞋等。
4. 在装卸过程中,严禁吸烟、使用明火或进行其他可能引发火灾的行为。
5. 严禁在装卸作业现场随意堆放杂物或垃圾,保持作业环境整洁。
6. 如遇突发情况或安全事故,立即停止作业并及时报告相关负责人。
六、作业记录1. 每次装卸作业完成后,作业负责人应当记录作业的相关信息,包括装卸时间、作业人员、装卸数量等。
2. 如发生安全事故或货物损坏,应当及时记录并报告相关部门进行处理。
集装箱装卸车作业指导书(货运岗位作业指导书)集装箱装卸车作业指导书(货运岗位作业指导书)一、引言集装箱装卸是货运行业中的重要环节,它关乎着货物安全、运输效率和工作效益。
为了保证装卸操作的顺利进行,并确保工作人员的安全,特编写此装卸车作业指导书,以便于操作人员能够正确、规范地进行集装箱的装卸作业。
二、操作前准备1. 装卸车辆的检查(1)检查车辆的机械状况,确认车辆的正常启动和行驶能力。
(2)检查车辆的制动系统、转向系统和灯光系统,确保其正常工作。
(3)检查车辆的轮胎状态,确保轮胎没有明显的损坏。
2. 安全防护措施(1)佩戴好劳动防护用品,如安全帽、工作服、工作鞋等。
(2)确认装卸区域的安全标志、警示标志已设置完善。
(3)通知周围人员离开装卸区域,确保无人员在作业区域内。
三、操作流程1. 车辆驶入装卸区域(1)在指定区域停车等待指挥。
(2)按照指挥员的指示,缓慢驶入装卸区域。
2. 货物卸载(装填)(1)根据装卸计划,确认卸载的集装箱号码和位置。
(2)减速并停车到指定位置。
(3)确认装卸区域已进行了安全隔离,防止货物滑落或车辆滚动。
(4)打开后门或顶盖,使用合适的工具(如吊车、叉车等)进行货物的卸载操作。
(5)确保货物安全地卸载到指定区域。
3. 装载货物(装卸交替)(1)根据装卸计划,确认装载的集装箱号码和位置。
(2)减速并停车到指定位置。
(3)确认装卸区域已进行了安全隔离,防止货物滑落或车辆滚动。
(4)根据具体作业要求,使用合适的工具(如吊车、叉车等)进行货物的装载操作。
(5)确保货物安全地装载到指定位置。
四、操作安全注意事项1. 装卸车辆操作人员必须熟悉装卸车辆的机械结构和工作原理,确保能够熟练操作。
2. 装卸车辆操作人员必须具备相关安全防护用品,并正确佩戴使用。
3. 在装卸过程中,必须保持沟通畅通,充分协调指挥,确保操作的顺利进行。
4. 操作人员在装卸过程中,严禁超时工作,确保状态良好,以免操作失误造成事故。
装卸指导员岗位作业指导书
1 范围
本标准规定了装卸指导员的岗位任务、作业流程、作业内容、操作方法、操作要求及岗位要求。
本标准适用于公司装卸指导员岗位。
2 岗位任务
2.1 执行港口装卸作业管理规章制度、操作规程和标准,工艺标准和调度生产指令,开好船前会/工前会。
2.2 负责车/船装卸作业和杂作业现场的组织指挥管理工作和装卸安全质量管理工作,落实当班作业计划。
2.3 处理计划变更后的人、机、货、货位的协调工作,处理现场出现的生产、安全、质量问题。
2.4 填写当班日志,签证各类原始生产记录和单证,向调度反馈生产信息。
2.5 落实领导交办的临时性工作。
3 作业流程
作业流程见图1。
图1 作业流程
4 作业内容和操作方法
4.1 接班
4.1.1 领取工班作业计划参加班前会。
4.1.2 到作业现场与交班指导员交接。
4.1.3 组织召开船前会或工前会。
4.2 作业准备工作
4.2.1 检查与作业相关的人员到位情况和工班作业人数。
4.2.2 检查装卸作业机械、工属具、库场的落实情况。
4.2.3 检查、落实作业现场安全质量预防措施落实情况。
4.3 生产现场的组织指挥管理
4.3.1 协调理顺各生产环节。
4.3.2 处理生产中出现的问题和困难。
4.3.3 监控现场安全质量生产情况。
4.3.4 落实调度员或上级下达的临时作业计划。
4.3.5 组织作业人员完成生产计划。
4.3.6 督促检查作业人员执行标准,落实安全、质量措施。
4.4 记录、汇报
4.4.1 填写“作业日志”“船舶装卸过程记录表”“火车/汽车装卸过程记录表”等相关质量记录和签证各类装卸作业原始单证。
4.4.2 将车、船作业动态以及现场出现的问题及时向调度员或当班副主任汇报。
4.5 交班
4.5.1 填写交接班记录。
4.5.2 将本班生产情况及当前作业状况向接班指导员交待。
4.5.3 协助接班指导员进行现场交接班。
5 操作要求
5.1 接班要求
5.1.1 认真、仔细阅读工班作业计划,参加班前会听取工作布置。
5.1.2 到现场详细询问交班指导员了解上班次生产情况,做到生产情况心中有数。
5.1.3 阅读交接班记录进行交接班,了解注意事项无遗漏。
5.1.4 组织接班作业人员召开船前会,布置当班生产任务和交待作业注意事项。
5.2 准备工作要求
5.2.1 检查接班作业人员是否按计划落实到位,特种操作人员是否持证上岗。
5.2.2 检查接班作业机械是否到位,工属具是否符合安全要求。
5.2.3 检查作业环境是否符合作业要求以及安全防护设施是否齐全可靠等。
5.3 生产现场的组织指挥管理要求
5.3.1 指导作业人员按照货物装卸操作规程和安全技术操作规程作业,加强对当班重点作业环节和作业注意事项的监控,确保装卸作业顺利进行。
5.3.2 协调作业区内部各生产单位之间以及与船方、货主、代理等相关单位的关系,理顺生产环节。
5.3.3 随时了解装卸作业动态,灵活合理调整人力、机械,均衡生产,调控作业进度。
对生产过程中出现的问题和困难,及时向调度或值班副主任汇报请示并进行处理。
5.3.4 落实安全质量防范措施,纠正违章违纪行为,确保装卸作业安全、高效、优质、低成本。
5.3.5 认真落实调度员和上级领导的临时作业要求,采取有效措施,加强管理,确保按时完成。
5.4 记录、汇报要求
5.4.1 填写记录、单证要以事实为依据,详细全面,及时准确,字迹端正,清楚无误。
5.4.2 汇报要及时,简明扼要,事实清楚,必要时提出自己的建议。
5.5 交班要求
5.5.1 交班前,应认真填写“指导员交接班记录”,对当班出现的安全、质量和作业偏离计划的问题如实详细记录。
5.5.2 将当班生产情况详细交待清楚给接班指导员。
不存在遗漏现象。
5.5.3 将重点作业环节和安全注意事项重点交待清楚。
5.5.4 协助接班指导员召开船前会/工前会,组织当班作业人员做好当班作业收尾工作和交接班工作,保证交接班顺利进行。
6 岗位要求
6.1 严格遵守《港口安全生产技术操作规程》。
6.2 按《劳动防护管理规定》穿戴劳动防护用品。
6.3 了解水文气象和船舶/火车预报,掌握船舶、火车、汽车作业动态,注意收听对讲机,做到随呼随应。
6.4 开工前应进行安全、质量检查工作,确认防范措施完善,无安全质量隐患后才能组织开工。
6.5 按作业要求、作业标准、有关规定组织装卸作业,根据现场生产动态及时、灵活调整人力、机械进行作业,确保作业不偏离生产计划。
6.6 加强现场管理,督促作业人员按章操作,纠正违章违纪行为,杜绝安全质量隐患。
6.7 加强检查,及时发现生产过程中出现的问题,及时汇报、及时处理。
当班作业完毕,督促工班做好清理回收工作,归还所借工属具。
6.8 应持登轮证上外轮。
6.9 工作中言行举止得体,用语文明礼貌。
作业过程中发生顾客抱怨或投诉的,应耐心做解释工作并做好记录并及时向领导汇报,以便及时采取措施进行纠正和改进。
6.10 重点船作业要全面掌握当前的装卸计划和机械动态,工班出勤,库场安排,气象、水位变化,周密组织辅助作业,平衡各舱装卸作业的时间。
6.11 发生事故时,停止作业,保护现场,积极组织抢救伤员。
若抢救伤者需移动现场,应投设标记,及时上报和通知有关人员处理。