标准换热器型号的表示方法
- 格式:doc
- 大小:168.02 KB
- 文档页数:7
换热器型号含义
1、前端管箱形式:
A:平盖管箱;
B:封头管箱;
C:用于可拆管束与管板制成一体的管箱;
N:与管板制成一体的固定管板管箱;
D:特殊高压管箱;
2、壳体形式:
E:单程壳体;
F:具有纵向隔板的双程壳体;
G:分流;
H:双分流;
I:U形管式换热器;
J:无隔板分流(或冷凝器壳体);
K:斧式重沸器;
O:外导流;
3、后端结构型式:
L:与A相似的固定管板结构;
M:与B相似的固定管板结构;
N:与C相似的固定管板结构;
P:填料函式浮头;
S:钩圈式浮头;
T:可抽式浮头;
U:U形管式;
W:带套管填料函式浮头;
4、管壳式换热器型号及标记
管壳式换热器分为Ⅰ级和Ⅱ级。
Ⅰ级换热器采用较高级冷拔换热管,适用于无相变传热和易产生振动的场合;
Ⅱ级换热器采用普通级冷拔换热管,适用于重沸、冷凝传热和无振动的一般场合。
换热器的型号按如下方式表示。
换热器类型标记示例:平盖管箱,公称直径500mm,管程和壳程设计压力均为1.6MPa,公称换热面积54m2,较高级冷拔换热管,外径25mm、管长6m,4管程单壳程的浮头式换热器,标记为:
AES500—1.6—54—6/25——4I
封头直径,公称直径700mm,管程设计压力2.5MPa。
壳程设计压力1.6MPa,公称换热面积200m2,较高级冷拔换热管,外径25mm、管长9m,4管程单壳程的固定管板式换热器,标记为:
BEMB700—2.5/1.6—200—9/25—4I
管堵材料的硬度应不超过管子材料的硬度,堵死的管子总数不得超过该管程总管数的10%。
管壳式换热器规格标准一、介绍管壳式换热器是一种非常常见的换热设备,可以广泛应用于化工、石油、制药、食品等行业的热交换过程中。
在使用管壳式换热器之前,需要先了解它的标准尺寸,以便选择合适的型号。
二、管壳式换热器标准尺寸管壳式换热器的标准尺寸通常是按照壳体内径和管道外径计算的。
一般标准尺寸的管壳式换热器有以下规格:1. DN25/25,壳体内径为219mm,管道外径为25mm;2. DN32/25,壳体内径为273mm,管道外径为25mm;3. DN40/25,壳体内径为325mm,管道外径为25mm;4. DN50/25,壳体内径为426mm,管道外径为25mm;5. DN65/25,壳体内径为529mm,管道外径为25mm;6. DN80/25,壳体内径为630mm,管道外径为25mm;7. DN100/25,壳体内径为720mm,管道外径为25mm;以上标准尺寸仅供参考,实际情况还需根据具体使用要求进行选择。
三、注意事项在选择管壳式换热器之前,还需要注意以下事项:1. 确定换热器的流量和热载荷;2. 确认换热器的使用压力和温度范围;3. 根据流体特性和腐蚀情况选择合适的材质;4. 根据使用环境选择适当的防腐形式。
以上是关于管壳式换热器标准尺寸的介绍,希望能帮助您了解相关知识并选择合适的型号。
二、管壳式换热器国家标准规格1. 壳体尺寸壳体尺寸一般以壳体直径和长度表示。
国家标准中规定的壳体直径从50mm到5000mm不等,长度也有所不同,最长可达20m。
2. 管束数量管壳式换热器管束数量的多少直接决定了热交换的效率。
国家标准中规定管壳式换热器的管束数量应在1到12根之间,具体数量可根据使用条件及要求来进行选择。
3. 温度管壳式换热器的工作温度一般受制于材质、管束数量以及流体性质等多个因素。
国家标准中对于常用的曲率半径、沸点温度、加热量及换热系数等参数进行了规定。
4. 压力管壳式换热器的工作压力也是一个重要的参数。
一、产品概述板式换热器广泛应用于供热、洗浴、空调、冶金、液压、化工、制药、食品等领域。
板式换热器是目前各类换热器中换热效率最高的一种换热器,它占用空间小,安装拆卸方便。
板式换热器的结构分解如图1,产品外型如图2,主要部件是由换热板片、密封胶垫、夹紧板、导杆、夹紧螺栓组成。
换热板片是由不锈钢板压制成型,它上面开有4个流道孔,中部压成人字形波纹,四周压有密封槽。
密封槽内粘有密封胶垫。
换热板片通过两导杆定位对齐,两夹紧板通过夹紧螺栓将各板片压紧,从而形成换热器内腔换热流道。
相邻换热板片的人字形波纹方向安装时相反,接触点彼此相互支撑。
人字形波纹和这些支撑点使流体介质在其内部流动时充分形成湍流,这是板式换热器具有很高换热效率的主要原因。
另外换热板片厚度较薄,导热热阻较小,板片两侧的流体介质流动分布较为均衡,也使得传热较为充分。
板式换热器根据介质的温差和流量,可以装配成单流程、双流程、三流程以及多流程的形式。
单流程是指介质在换热器内流过一个流程,双流程是指介质在换热器内折返流过两个过程,依次类推,各种流程的外形图和其流程示意图如图3。
当采用多流程时,换热器的四个接口就不能在同一侧的夹紧板上,进出口要位于前后两个夹紧板上。
一般类似于水粘度较低的介质在换热流道内的平均流速为0.4m/s 较为适合,流速过大,则阻力也大;流速过小,流道内流体流动不易形成湍流,易形成死区,换热效果不好。
因此应根据介质流量的大小来选择流程数,使换热流道内的流速接近0.4m/s。
以获得最佳的换热效果。
对于类似于液压油粘度较高的介质,流速应减小,0.3m/s较为合适。
当流量较小时,可增加流程数来提高流速。
例如当所确定的换热面积在表中所对应的流量比使用的流量大一倍时,采用双流程组装形式,换热流道内的流速就可增加一倍达到合适的流速。
两个流道根据流量的不同可采用不相等的流程数。
流程数增加,阻力也会相应增加。
对于用蒸汽加热的换热器,蒸汽一侧一般应装成单流程的形式,以利于蒸汽的充分进入和冷凝水的顺利排出。
浮头式换热器 、冷凝器、U 型管式换热器换热器、冷凝器、U 型管式换热器一、标准型换热器、冷凝器、U 型管式换热器具体规格型号详见附表。
二 、规格型号表示方法武汉市润之达石化设备有限公司所制造的换热器型号表示方法为:B E S 500 -1.6 -55 —6/ 25— 2 I □ □□ □ □ X (Y) DN — Ps Pt - A – L / □ — NsNt -N I (II )—REb REa REd REcREc 全碳钢材质REd 全不锈钢材质REa 管束材质为09Cr2AlMoREREb 壳体材质为07Cr2AlMoRE I 级换热器(或II 级换热器)管/壳程数,单程只写Nt换热管类型(见表3) 换热管公称长度(m ) 光管公称换热面积(㎡) 管/壳程设计压力(MPa),相等时只写P t公称直径 壳体内安装分布式缓冲板 管箱内安装分布式缓冲板 换热管支撑形式(见表2) 后端管箱型式(见表1) 壳体型式(见表1) 前端管箱封头型式(见表1) 导流筒型式(见表1)表1 外壳型式与代号表2 换热管支撑型式与代号浮头式换热器、重沸器注:标*的制造较复杂,在特殊场合使用.表3 换热管类型标注示例:1、浮头式带管箱分布板,封头管箱DN600直径,管/壳程设计压力1。
6Mpa,面积90㎡,管长6m,管径φ25光管,2管程、1壳程管材为09Cr2AlMoRE,标注为:BES(X)600-1。
6—90—6/25—2REa2、浮头式螺旋折流板DN800直径,设计压力2.5Mpa,光管面积205㎡,管长6m,管径φ19缩放管,4管程管束材质09Cr2AlMoRE,壳体材质09Cr2AlMoRE,标注为:BES(X)LX800—2.5-205-6/19F—4Rea/b注:型号中可不加(X)Y,即不采用此结构,也可不加RE(a)b、c、d,即不采应规定的材质,但应注明详细材质要求。
三、安装尺寸安装尺寸按我公司所提供的详细安装尺寸图,用户选用后我公司当天即可提供。
换热器型号的表示(该表示法适用于卧式和立式换热器)
X1 X2 X3 DN - pt/ps - A- LN/d -Nt/Ns Ⅰ(或Ⅱ)
X1:表示前端管箱的类型,有A、B、C、N、D五种方式,A表示为平盖型,B 表示为封头型,其它类型应用少不做介绍;(关于X1、X2、X3的结构的图示可查看GB151-1999的内容)
X2:表示壳体型式,有E、Q、F、G、H、I、J、K、Q十种,E表示为单程壳体(两侧法兰型),I表示为U型管壳体,其它略;
X3: 表示后端结构型式,有L、M、N、P、S、T、U、W八种,S表示为浮头式钩圈结构,U表示为U型管束,其它略;
DN:表示换热器公称直径,单位mm;
Pt/ps:管/壳程设计压力,单位Mpa,当管壳程设计压力相等时,只表出用一个数值表示;
A:公称换热面积,单位m2;
LN/d:LN表示换热管公称长度,单位m;d表示换热管外径,单位mm;当换热管采用Al,Cu,Ti管时,应在LN/d后加上材料符号,如LN/dCu;
Nt/Ns:表示管壳程程数,单壳程时只标出管程数;
Ⅰ(或Ⅱ)表示:管束材料等级,Ⅰ表示较高级的冷拔管,Ⅱ表示普通冷拔管。
NB/T 47006—2019
附录A
(资料性附录)
热交换器型号的编制方法
A.1 热交换器型号的表示方法
A.2 符号规定说明
A.2.1 热交换器应用场合代号(采用汉语拼音的第一个拼音字母表示)表示如下:
J ——加热器(JIAREQI);
D ——动力装置(DONGLI);
H ——化工设备(HUAGONG);
K ——空分装置(KONGFEN);
L ——冷却器(LENGQUE);
R ——热交换器(HUANRE);
Z ——制冷装置(ZHILENG)。
A.2.2 换热面积F(m2)表示方法按如下规定:
a)F≤10,有效数字取小数后一位。
如10.0、0.8等;
b)F≤100,有效数字取个位整数。
如100、85等;
c)F≤1 000,有效数字取十位整数。
如850、540等;
d)F≤10 000,有效数字取百位整数。
如8500、6100等。
注:换热面积(F)取热交换器单元总换热面积。
A.2.3 设计压力(MPa)表示如下:
a)有效数字取小数点后一位。
如10.0、0.8、0.1等;
b)设计压力取热交换器单元中最高设计压力。
A.2.4 板翅式热交换器用字母BC表示。
A.3 型号表示示例
a)设计压力为4.6MPa,换热面积850m2,应用在化工设备乙烯装置中的板翅式热交换器型号表示为
BC-H-850/4.6型板翅式热交换器
b)设计压力0.9MPa,换热面积8 000m2,应用在空分装置中的板翅式热交换器型号表示为
BC-K-8000/0.9型板翅式热交换器
37。
换热器、冷凝器、U型管式换热器
一、标准型换热器、冷凝器、U型管式换热器具体规格型号详见附表。
表1 外壳型式与代号
表2 换热管支撑型式与代号
注:标*的制造较复杂,在特殊场合使用。
表3 换热管类型
标注示例:
1、浮头式带管箱分布板,封头管箱DN600直径,管/壳程设计压力1.6Mpa,面积90㎡,管长6m,管径φ25光管,2管程、1壳程管材为09Cr2AlMoRE,标注为:
BES(X)600-1.6-90-6/25-2REa
2、浮头式螺旋折流板DN800直径,设计压力2.5Mpa,光管面积205㎡,管长6m,管径φ19缩放管,4管程管束材质09Cr2AlMoRE,壳体材质09Cr2AlMoRE,标注为:
BES(X)LX800-2.5-205-6/19F-4Rea/b
注:型号中可不加(X)Y,即不采用此结构,也可不加RE(a)b、c、d,即不采应规定的材质,但应注明详细材质要求。
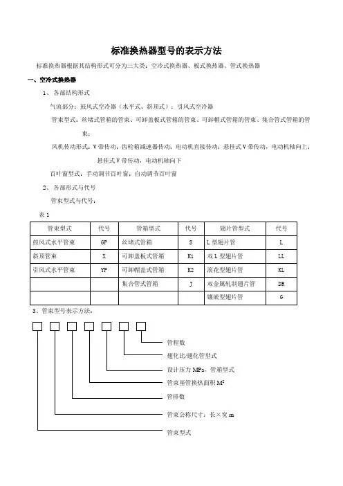
标准换热器型号的表示方法
标准换热器根据其结构形式可分为三大类:空冷式换热器、板式换热器、管式换热器
一、空冷式换热器
1、各部结构形式
气流部分:鼓风式空冷器(水平式、斜顶式);引风式空冷器
管束型式:丝堵式管箱的管束、可卸盖板式管箱的管束、可卸帽式管箱的管束、集合管式管箱的管束;
风机传动形式:V带传动;齿轮箱减速器传动;电动机直接传动;悬挂式V带传动,电动机轴向上;
悬挂式V带传动,电动机轴向下
百叶窗型式:手动调节百叶窗;自动调节百叶窗
2、各部形式与代号
管束型式与代号:
表1
3、管束型号表示方法:
4 、风机型号表示方法:
5、构架型号表示方法:
6、百叶窗型式表示方法:
7、空冷器型号的表示方法:
二、板式换热器:
1、常用的板片波纹形式代号:
表2
2、常用的框架形式代号:表3
3、板式换热器型号的表示方法:
三、管式换热器:
本表示方法适用于卧式和立式换热器。
管壳式换热器的名称构造一览表。
名称:板式换热器类别:板式换热器型号:一、产品概述板式换热器广泛应用于供热、洗浴、空调、冶金、液压、化工、制药、食品等领域。
板式换热器是目前各类换热器中换热效率最高的一种换热器,它占用空间小,安装拆卸方便。
板式换热器的结构分解如图1,产品外型如图2,主要部件是由换热板片、密封胶垫、夹紧板、导杆、夹紧螺栓组成。
换热板片是由不锈钢板压制成型它上面开有4个流道孔,中部压成人字形波纹,四周压有密封槽。
密封槽内粘有密封胶垫。
换热板片通过两导杆定位对齐,两夹紧板通过夹紧螺栓将各板片压紧,从而形成换热器内腔换热流道。
相邻换热板片的人字形波纹方向安装时相反,接触点彼此相互支撑。
人字形波纹和这些支撑点使流体介质在其内部流动时充分形成湍流,这是板式换热器具有很高换热效率的主要原因。
上导杆權热飯片密廿胶垫固定夹紧板 相匏板片漩纽方向相反下导杆妄紧摞性譲轮 活动夹紧板b/V'■10|单流程组装形式I!誓双流程组裝形式一般类似于水粘度较低的介质在换热流道内的平均流速为0.4m/s较为适合,流速过大,则阻力也大;流速过小,流道内流体流动不易形成湍流,易形成死区,换热效果不好。
因此应根据介质流量的大小来选择流程数使换热流道内的流速接近0.4m/s。
以获得最佳的换热效果。
对于类似于液压油粘度较高的介质,流速应减小,0.3m/s较为合适。
当流量较小时,可增加流程数来提高流速。
例如当所确定的换热面积在表中所对应的流量比使用的流量大一倍时,采用双流程组装形式,换热流道内的流速就可增加一倍达到合适的流速。
两个流道根据流量的不同可采用不相等的流程数。
流程数增加,阻力也会相应增加。
对于用蒸汽加热的换热器,蒸汽一侧一般应装成单流程的形式,以利于蒸汽的充分进入和冷凝水的顺利排出。
二.板式换热器的类型目前我公司生产的板式换热器主要有BR型、BRB型(BRB型可简称为BB 型)和BRV型。
BR型的特点是,换热板片和密封胶垫都是相同的,板片上四个流道孔的大小相同,同种介质在一侧的两个流道孔进出,如图4,不能形成对角流动的形式,装配时相邻换热板片调转180°,使人字型方向相反。
标准换热器型号的表示方法
标准换热器根据其结构形式可分为三大类:空冷式换热器、板式换热器、管式换热器
一、空冷式换热器
1、各部结构形式
气流部分:鼓风式空冷器(水平式、斜顶式);引风式空冷器
管束型式:丝堵式管箱的管束、可卸盖板式管箱的管束、可卸帽式管箱的管束、集合管式管箱的管束;
风机传动形式:V带传动;齿轮箱减速器传动;电动机直接传动;悬挂式V带传动,电动机轴向上;
悬挂式V带传动,电动机轴向下
百叶窗型式:手动调节百叶窗;自动调节百叶窗
2、各部形式与代号
管束型式与代号:
表1
3、管束型号表示方法:
4 、风机型号表示方法:
5、构架型号表示方法:
6、百叶窗型式表示方法:
7、空冷器型号的表示方法:
二、板式换热器:
1、常用的板片波纹形式代号:
表2
2、常用的框架形式代号:表3
3、板式换热器型号的表示方法:
三、管式换热器:
本表示方法适用于卧式和立式换热器。
管壳式换热器的名称构造一览表。
换热器主要部件分类及代号1、前端管箱型式代号根据前端管箱的类型主要分为以下几种类型:(1) A型:平盖管箱,管箱端部为平盖与管箱法兰通过螺栓、垫片来连接;(2) B型:封头管箱,管箱端部为椭圆封头;(3) N型:与管板制成一体的固定管板管箱,管箱端部为平盖,与A型管箱类似;2、壳体型式代号(1) E型:单程壳体,详见GB151-1999表7;(2) I型:U形管式换热器壳体,详见GB151-1999表7中I型;(3) K型:釜式重沸器壳体,主要用于带蒸发空间的换热器;(4) O型:带外导流筒的换热器壳体,主要用于浮头式换热器;3、后端结构型式代号(1) L型:与A相似的固定管板结构;(2) M型:与B相似的固定管板结构;(3) N型:与N相似的固定管板结构4、换热器型式代号1) AEM前端管箱为A型平盖管箱,后端管箱为带标准椭圆封头的M型管箱,管板延长部分兼作法兰的固定管板换热器,支座为鞍式或耳式;2) AEM(CONE)前端管箱为A型平盖管箱,后端管箱为带锥形封头的M型管箱,管板延长部分兼作法兰的固定管板换热器,支座为耳式支座;主要用于塔器的再沸器;3) AKL前端管箱及后端管箱均为A型平盖管箱,管板延长部分兼作法兰的固定管板换热器,支座为鞍式支座;4) AES前端管箱为A型平盖管箱,后端为S型,浮头式换热器,支座为鞍式支座;5) AKU前端管箱为A型平盖管箱,壳程为U形管式釜式重沸器,支座为鞍式支座;6) AIU前端管箱为A型平盖管箱,壳程为I形,U形管换热器,支座为鞍式支座;7) BEM前端管箱为B型标准椭圆封头管箱,后端为M型标准椭圆封头管箱,管板延长部分兼作法兰的固定管板换热器,支座为鞍式支座;8) BEM(CONE)前端管箱为B型标准椭圆封头管箱,后端为带锥形封头的M型管箱,管板延长部分兼作法兰的固定管板换热器,支座为耳式支座,主要用于塔器的再沸器;9) BES前端管箱为B型标准椭圆封头管箱,后端为S型的浮头式换热器,支座为鞍式支座;10) BKU前端管箱为B型标准椭圆封头管箱,壳程为U形管式釜式重沸器,支座为鞍式支座;11) BIU前端管箱为B型标准椭圆封头管箱,壳程为I型,U形管换热器,支座为鞍式支座;12) BKM前端管箱为B型标准椭圆封头管箱,后端管箱为M型标准椭圆封头管箱,管板延长部分兼作法兰的固定管板式釜式重沸器,支座为鞍式支座;13) NEN前、后端管箱为N型平盖管箱,管板不兼作法兰、管箱筒体与管板联为一体的固定管板换热器;支座为鞍式支座;14) NKN前、后端管箱均为N型平盖管箱,管板不兼作法兰、管箱筒体与管板联为一体的釜式重沸器,支座为鞍式支座;15) AOS与AES浮头式换热器类似,所不同的是,在壳程的进出口处设置有外导流筒,可使进出口处液体分布更为均匀;16) BOS与BES浮头式换热器类似,在壳程的进出口处设置有外导流筒,可使进口处流体分布更为均匀;。
板式换热器:型号的表示方法
更新日期:2012—07-13
板式换热器按照 GB16409—1996 《板式换热器》进行设计、制造和检验,代号也按其标准规定来表示。
板式换热器的温度指标以密封胶垫所耐温度为准,丁腈橡胶(N)的上限工作温度为110 ℃,乙丙橡胶(E)的上限工作温度为 150 ℃。
BR0。
1 型板式换热器没有悬挂形式的装配结构.
示例1 : BR0。
2-1.0—18-N—VII
表示板型为 BR0.2 的板式换热器,设计压力为 1.0MPa ,换热面积为 18㎡,密封胶垫的材质为丁腈橡胶,装配形式为不悬挂式的.
示例2 :BR0。
5—1。
0-70-E—I
表示板型为 BR0.5 的板式换热器,设计压力为 1.0MPa ,换热面积为 70㎡,密封胶垫的材质为丁丙橡胶,装配形式为悬挂式的。
示例3 :BRB0.8-1.0—120-E-I
表示板型为 BR0.8 的板式换热器,设计压力为 1.0MPa ,换热面积为 120㎡,密封胶垫的材质为乙丙橡胶,装配形式为悬挂式的.。
各种型号换热器说明一各种型号换热器说明及优点1、BLL双螺旋波节管换热器,使被加热介质在管内成螺旋线流动形式,破坏管壁的介膜层,增加传热面的热传递。
它的传热机理与光管及其它形式的传热元件有明显不同。
l换热效果明显提高由于换热器采用了导热最优良的紫铜管制作,换热效果比其它管壳式热交换器相比,换热量提高了3~5倍。
在汽-水换热中,传热系数K值在4500~6500W/m2•℃之间,在水-水换热中,传热系数K值在3200~5000 W/m2•℃之间。
不易结垢由于对紫铜管的特殊加工,在工作过程中,紫铜管的热伸冷缩,使垢片碎裂脱落,预防了结垢现象。
安全性能高因传热管具有热补偿能力,在传热过程中固定性能优良,可减少应力的作用,因此,管板与管的胀接口处不易泄漏。
安装灵活方便该设备具有立式、卧式两种结构型式,能适应各种场合的使用,方便灵活。
这类换热器是按照GB150-1998、GB151-1999〈〈钢制压力容器〉〉和〈〈管壳式压力容器〉〉制造、检验和验收的,安全可靠、性能优良,是当今最优秀的换代产品。
2、SFP、LFP型浮动盘管热交换器半即热式换热器也是适应现代需要开发研制的一种新型换热器。
它是将加热水贮存在壳体内,热媒(蒸汽或高温水)在管束盘管内,它属于一种有限量注水的换热器,具有较少的注水量(可注水1-3分钟用水),却能迅速补充热量。
由于该换热器传热效率高,在换热器热媒进口必须安装温度调节器,以控制热媒和热水温度,尤其是热水供应系统,温度控制更为重要。
自动除垢换热器中螺旋盘管在热媒温度、压力变化和离心力作用下,以及被加热水流动力的冲动下,使盘管自由上下,左右浮动和高频振动,可使水垢不易粘附在管臂上,可自动脱落,实现自动除垢。
但在某些角落仍可能有部分水垢无法脱落,每半年应清垢一次,可利用热水冲击方法,具体如下:1)放净壳体内的水。
2)关闭进出水口。
3)打开进汽阀和冷凝水阀门排净管内存水,然后关闭冷凝水阀门,大约5-6分钟突然关闭进汽阀门,打开冷水阀门和底部排污阀门,使加热管突然冷却同时关掉脱落水垢,连续5-6次,即可全部排净。
换热器主要部件分类及代号1、前端管箱型式代号根据前端管箱的类型主要分为以下几种类型:(1) A型:平盖管箱,管箱端部为平盖与管箱法兰通过螺栓、垫片来连接;(2) B型:封头管箱,管箱端部为椭圆封头;(3) N型:与管板制成一体的固定管板管箱,管箱端部为平盖,与A型管箱类似;2、壳体型式代号(1) E型:单程壳体,详见GB151-1999表7;(2) I型:U形管式换热器壳体,详见GB151-1999表7中I型;(3) K型:釜式重沸器壳体,主要用于带蒸发空间的换热器;(4) O型:带外导流筒的换热器壳体,主要用于浮头式换热器;3、后端结构型式代号(1) L型:与A相似的固定管板结构;(2) M型:与B相似的固定管板结构;(3) N型:与N相似的固定管板结构4、换热器型式代号1) AEM前端管箱为A型平盖管箱,后端管箱为带标准椭圆封头的M型管箱,管板延长部分兼作法兰的固定管板换热器,支座为鞍式或耳式;2) AEM(CONE)前端管箱为A型平盖管箱,后端管箱为带锥形封头的M型管箱,管板延长部分兼作法兰的固定管板换热器,支座为耳式支座;主要用于塔器的再沸器;3) AKL前端管箱及后端管箱均为A型平盖管箱,管板延长部分兼作法兰的固定管板换热器,支座为鞍式支座;4) AES前端管箱为A型平盖管箱,后端为S型,浮头式换热器,支座为鞍式支座;5) AKU前端管箱为A型平盖管箱,壳程为U形管式釜式重沸器,支座为鞍式支座;6) AIU前端管箱为A型平盖管箱,壳程为I形,U形管换热器,支座为鞍式支座;7) BEM前端管箱为B型标准椭圆封头管箱,后端为M型标准椭圆封头管箱,管板延长部分兼作法兰的固定管板换热器,支座为鞍式支座;8) BEM(CONE)前端管箱为B型标准椭圆封头管箱,后端为带锥形封头的M型管箱,管板延长部分兼作法兰的固定管板换热器,支座为耳式支座,主要用于塔器的再沸器;9) BES前端管箱为B型标准椭圆封头管箱,后端为S型的浮头式换热器,支座为鞍式支座;10) BKU前端管箱为B型标准椭圆封头管箱,壳程为U形管式釜式重沸器,支座为鞍式支座;11) BIU前端管箱为B型标准椭圆封头管箱,壳程为I型,U形管换热器,支座为鞍式支座;12) BKM前端管箱为B型标准椭圆封头管箱,后端管箱为M型标准椭圆封头管箱,管板延长部分兼作法兰的固定管板式釜式重沸器,支座为鞍式支座;13) NEN前、后端管箱为N型平盖管箱,管板不兼作法兰、管箱筒体与管板联为一体的固定管板换热器;支座为鞍式支座;14) NKN前、后端管箱均为N型平盖管箱,管板不兼作法兰、管箱筒体与管板联为一体的釜式重沸器,支座为鞍式支座;15) AOS与AES浮头式换热器类似,所不同的是,在壳程的进出口处设置有外导流筒,可使进出口处液体分布更为均匀;16) BOS与BES浮头式换热器类似,在壳程的进出口处设置有外导流筒,可使进口处流体分布更为均匀;。
前端管箱形式:
A:平盖管箱;
B:封头管箱;
C:用于可拆管束与管板制成一体的管箱;N:与管板制成一体的固定管板管箱;
D:特殊高压管箱;
壳体形式:
E:单程壳体;
F:具有纵向隔板的双程壳体;
G:分流;
H:双分流;
I:U形管式换热器;
J:无隔板分流(或冷凝器壳体);
K:斧式重沸器;
O:外导流;
后端结构型式:
L:与A相似的固定管板结构;
M:与B相似的固定管板结构;
N:与C相似的固定管板结构;
P:填料函式浮头;
S:钩圈式浮头;
T:可抽式浮头;
U:U形管式;
W:带套管填料函式浮头;
管壳式换热器型号及标记
管壳式换热器分为Ⅰ级和Ⅱ级。
Ⅰ级换热器采用较高级冷拔换热管,适用于无相变传热和易产生振动的场合;Ⅱ级换热器采用普通级冷拔换热管,适用于重沸、冷凝传热和无振动的一般场合。
换热器的型号按如下方式表示。
管堵材料的硬度应不超过管子材料的硬度,堵死的管子总数不得超过该管程总管数的10%。
前端管箱型式代号根据前端管箱的类型主要分为以下几种类型:" O3 Z7 j7 }0 Y% f' J; q4 |(1) A型:平盖管箱,管箱端部为平盖与管箱法兰通过螺栓、垫片来连接;(2)B型:封头管箱,管箱端部为椭圆封头;(3)N型:与管板制成一体的固定管板管箱,管箱端部为平盖,与A型管箱类似;2.1.2壳体型式代号(1)E型:单程壳体,详见GB151-1999表7;(2)I型:U形管式换热器壳体,详见GB151-1999表7中I型;(3)K型:釜式重沸器壳体,主要用于带蒸发空间的换热器;(4)O型:带外导流筒的换热器壳体,主要用于浮头式换热器;2.1.3后端结构型式代号(1)L型:与A相似的固定管板结构;(2)M型:与B相似的固定管板结构;(3)N型:与N相似的固定管板结构1 c, z. O! T5 Z6 G! H以上分类详见GB151-1999中图1-7主要部件分类及代号,以上前端、壳体、后端任意组合,构成不同形式的管壳式换热器,本软件根据石油化工(尤其是烯烃、炼油等)工艺过程中常用的类型组合出总计16种换热器;详见2.2节。
/ t7 r4 A) y5 D2 m# N" ]2.2换热器型式代号1 S0 z3 H7 C" g:S; M根据换热器2.1节中所列出的前管箱、壳体、后端管箱类型,本软件对其进行了组合,提供了组合后各类型换热器的“数据模板”,供用户在输入数据时,可直接选择相应的换热器类型数据模板,以节省数据输入的时间。
根据组合,软件主要提供了下几类换热器的模板数据,供用户根据工艺条件所定的换热器类型进行选择,见下表:, V U# c1 Z/ N8 L代号简图描述1.AEM前端管箱为A型平盖管箱,后端管箱为带标准椭圆封头的M型管箱,管板延长部分兼作法兰的固定管板换热器,支座为鞍式或耳式;1 \, N1 X3 i& ^:j7 u4 ]1 |$ _2.AEM(CONE)前端管箱为A型平盖管箱,后端管箱为带锥形封头的M型管箱,管板延长部分兼作法兰的固定管板换热器,支座为耳式支座;主要用于塔器的再沸器;- z5 r7 P, h) V$ I. {2 L7 V3.AKL前端管箱及后端管箱均为A型平盖管箱,管板延长部分兼作法兰的固定管板换热器,支座为鞍式支座;" R5 |/ v# _:o( ] A$ \1 N. Z& B0 ~- I' ` e0 L" [ d4 F2 N4.AES前端管箱为A型平盖管箱,后端为S型,浮头式换热器,支座为鞍式支座;5.AKU前端管箱为A型平盖管箱,壳程为U形管式釜式重沸器,支座为鞍式支座;. l2E. w6 {" r/ l& h; F1 o n' u! X:U" f6.AIU前端管箱为A型平盖管箱,壳程为I形,U形管换热器,支座为鞍式支座;9 P6 B5 ^" o) I* Y" w0 ]) @:l3 B7.BEM前端管箱为B型标准椭圆封头管箱,后端为M型标准椭圆封头管箱,管板延长部分兼作法兰的固定管板换热器,支座为鞍式支座;% v3E. z- S3 L% n8.BEM(CONE)前端管箱为B型标准椭圆封头管箱,后端为带锥形封头的M型管箱,管板延长部分兼作法兰的固定管板换热器,支座为耳式支座,主要用于塔器的再沸器;9.BES, r1 P% g+ e) P$ w前端管箱为B型标准椭圆封头管箱,后端为S型的浮头式换热器,支座为鞍式支座;8 X* R+ K; W/ Z2 }0 ]' d/ L" d' C `8 u" k) U1 z N10.BKU前端管箱为B型标准椭圆封头管箱,壳程为U形管式釜式重沸器,支座为鞍式支座;+ Q4 H1 H3 h- C2 A9 I11.BIU前端管箱为B型标准椭圆封头管箱,壳程为I型,U形管换热器,支座为鞍式支座;12.BKM前端管箱为B型标准椭圆封头管箱,后端管箱为M型标准椭圆封头管箱,管板延长部分兼作法兰的固定管板式釜式重沸器,支座为鞍式支座;$ k& C, X1 v+ x/ s! J:P' [+ y13.NEN前、后端管箱为N型平盖管箱,管板不兼作法兰、管箱筒体与管板联为一体的固定管板换热器;支座为鞍式支座;6 Z3 |* S6 c5 h' b/ X9 |+ a14.NKN前、后端管箱均为N型平盖管箱,管板不兼作法兰、管箱筒体与管板联为一体的釜式重沸器,支座为鞍式支座;; p:Q1 |9 k* T7 d$ L) l& o) U! V/ U+ H) j! {$ {; ~% t5 ?$ j' S* S9 Y& W% s15.AOS与AES浮头式换热器类似,所不同的是,在壳程的进出口处设置有外导流筒,可使进出口处液体分布更为均匀;/ _:M9 Z/ B8 k0 [3 n! D' M. u16. BOS与BES浮头式换热器类似,在壳程的进出口处设置有外导流筒,可使进口处流体分布更为均匀;。
标准换热器型号的表示方法
标准换热器根据其结构形式可分为三大类:空冷式换热器、板式换热器、管式换热器
一、空冷式换热器
1、各部结构形式
气流部分:鼓风式空冷器(水平式、斜顶式);引风式空冷器
管束型式:丝堵式管箱的管束、可卸盖板式管箱的管束、可卸帽式管箱的管束、集合管式管箱的管束;
风机传动形式:V带传动;齿轮箱减速器传动;电动机直接传动;悬挂式V带传动,电动机轴向上;
悬挂式V带传动,电动机轴向下
百叶窗型式:手动调节百叶窗;自动调节百叶窗
2、各部形式与代号
管束型式与代号:
表1
3、管束型号表示方法:
4 、风机型号表示方法:
5、构架型号表示方法:
6、百叶窗型式表示方法:
7、空冷器型号的表示方法:
二、板式换热器:
1、常用的板片波纹形式代号:
表2
2、常用的框架形式代号:表3
3、板式换热器型号的表示方法:
三、管式换热器:
本表示方法适用于卧式和立式换热器。
管壳式换热器的名称构造一览表。