煤气化技术简介及装置分类
- 格式:doc
- 大小:721.00 KB
- 文档页数:4
煤气化技术介绍一、起源煤气化技术是指把经过适当处理的煤送入反应器如气化炉内,在一定煤气化技术工艺流程的温度和压力下,通过氧化剂(空气或氧气和蒸气)以一定的流动方式(移动床、硫化床或携带床)转化成气体,得到粗制水煤汽,通过后续脱硫脱碳等工艺可以得到精制一氧化碳气。
1857年,德国的Siemens兄弟最早开发出用块煤生产煤气的炉子称为德士古气化炉。
这项工艺引进中国后在二十世纪九十年代由山东省鲁南化肥厂经过广大工程技术人员的努力,发明了自主知识产权的对置式四喷嘴气化炉,目前已经在国内得到广泛推广应用,特别是兖矿集团煤化工项目在多处使用次技术,取得了显著的经济效益。
还有经过其他许多开发商的开发,到1883年应用于生产氨气。
煤气化技术是清洁利用煤炭资源的重要途径和手段。
二、原理煤干馏过程,主要经历如下变化:当煤料的温度高于100℃时,煤中的水分蒸发出;温度升高到200℃以上时,煤中结合水释出;高达350℃以上时,粘结性煤开始软化,并进一步形成粘稠的胶质体(泥煤、褐煤等不发生此现象);至400~500℃大部分煤气和焦油析出,称一次热分解产物;在450~550℃,热分解继续进行,残留物逐渐变稠并固化形成半焦;高于550℃,半焦继续分解,析出余下的挥发物(主要成分是氢气),半焦失重同时进行收缩,形成裂纹;温度高于800℃,半焦体积缩小变硬形成多孔焦炭。
当干馏在室式干馏炉内进行时,一次热分解产物与赤热焦炭及高温炉壁相接触,发生二次热分解,形成二次热分解产物(焦炉煤气和其他炼焦化学产品)。
煤干馏的产物是煤炭、煤焦油和煤气。
煤干馏产物的产率和组成取决于原料煤质、炉结构和加工条件(主要是温度和时间)。
随着干馏终温的不同,煤干馏产品也不同。
低温干馏固体产物为结构疏松的黑色半焦,煤气产率低,焦油产率高;高温干馏固体产物则为结构致密的银灰色焦炭,煤气产率高而焦油产率低。
中温干馏产物的收率,则介于低温干馏和高温干馏之间。
煤干馏过程中生成的煤气主要成分为氢气和甲烷,可作为燃料或化工原料。
国内最全的煤气化技术简介(最新整理)本文收集、整理、并汇总了国内当前大多数煤气化工艺(包括水煤浆、干煤粉、碎煤等加压气化工艺;固定床、流化床、气流床气化工艺;激冷流程、废锅流程;水冷壁、耐火砖等冷壁炉和热壁炉型),可作为煤化工、煤气化专业技术人员参考资料,是目前网络上公开交流的较为全面的一篇资料。
1、“神宁炉”粉煤加压气化技术(宁夏神耀科技有限责任公司)以高旋流单喷嘴大通量粉煤加压气化炉为目标载体,以多煤种理化特性数据为基础,构建了气化炉流场、传热分析等模型;基于燃烧器强动量传导机制,揭示了顶置式旋流气化场湍流燃烧的动力学机理;揭示了氧气和煤粉的强化反应规律,独创了高效无相变水冷壁反应室与“沉降-破泡式”激冷室相耦合的气化炉。
“神宁炉”干粉煤气化技术能源转化效率高,有效气成分≥91%,碳转化率≥98.5%。
固体灰渣好处理,灰渣中不含苯、酚、焦油等大分子有机物废物。
气化系统吨煤污水排放量控制在0.4—0.5t,废水处理后可完全回用。
高效、中空、高能点火系统,实现高压、惰性环境下点火成功率98%以上。
采用组合式燃烧器通道结构,控制火焰形成,确保气化炉内壁挂渣均匀。
2、“科林炉”CCG粉煤加压气化技术(德国科林工业技术有限责任公司)技术特点:(1)煤种适应性广:适用于各种烟煤、无烟煤、褐煤及石油焦等,对强度、热稳定性、结渣性、粘结性等没有具体要求。
对高灰分、高灰熔点、高硫含量的“三高”煤等低品质的煤种拥有很好的工业化业绩。
(2)技术指标高:因燃烧器采用多烧嘴顶置下喷的配置方式,原料在气化炉内碰撞混合更加充分,气化炉炉膛及顶部挂渣均匀,可实现较高的气化温度(1400~1700℃),碳转化率高达到99%以上,合成气中不含重烃、焦油等物质,有效合成气成分90~93%,冷煤气效率80~83%。
(3)投资低:根据项目规模不同,可提供日投煤量750吨/天至3000吨/天的不同气化炉炉型设计,主要设备制造已完全实现国产化,整个装置的投资建设成本低,建设周期短。
七种煤气化工艺介绍煤气化是一种将固体煤转化为气体燃料的工艺,通常通过加热煤,使其在缺氧或氧气含量有限的条件下发生化学反应,生成焦炭、煤油和煤气等产物。
以下是七种常见的煤气化工艺的介绍。
1.固定床煤气化工艺:该工艺中,煤通过加热填充在固定的反应器中,在缺氧条件下进行气化。
在高温下,煤发生热解反应,生成固体残渣和一氧化碳、氢气等气体。
这些气体通常用于制造合成气或其他化学品。
2.流化床煤气化工艺:流化床煤气化工艺中,煤通过气化剂和促进剂的喷射,在气化炉内形成流体化床。
在床内,煤被高速的气流悬浮并在其表面上发生化学反应。
这种工艺适用于不同种类的煤,并能高效地产生合成气。
3.乌煤煤气化工艺:乌煤煤气化工艺是在低温和低压下对乌煤进行气化的一种方法。
乌煤是一种硬煤的变种,其含煤量高且易于破碎。
这种工艺能够产生较高浓度的一氧化碳和氢气,适用于燃料气和合成气的生产。
4. Lurgi煤气化工艺:Lurgi煤气化工艺采用干煤粉在喷射炉内与氧气和蒸汽进行气化。
这种工艺具有高效和灵活的特点,适用于各种煤种和煤粉尺寸。
其产气效率高,并且可以在高温下对产生的煤气进行分离和净化。
5. Koppers-Totzek煤气化工艺:Koppers-Totzek煤气化工艺是一种由德国公司开发的工艺。
该工艺利用煤在高温下与氧气和水蒸气进行反应,生成一氧化碳和氢气等气体。
这种工艺有助于减少硫化物和氨等有害物质的生成,并通过循环冷却来提高能源利用率。
6. Shell煤气化工艺:Shell煤气化工艺是一种高效的二代气化工艺,采用了先进的氧气冷喷射技术。
它将煤分解为焦炭和煤气,并将煤气用于合成气和其他化学品的生产。
该工艺具有高效能和较低的二氧化碳排放量。
7. Entrained Flow煤气化工艺:Entrained Flow煤气化工艺中,煤和氧气以高速混合,并通过特殊设计的喷射式燃烧器进行燃烧和气化。
这种工艺能够在高温下快速气化煤并生成高浓度的合成气。
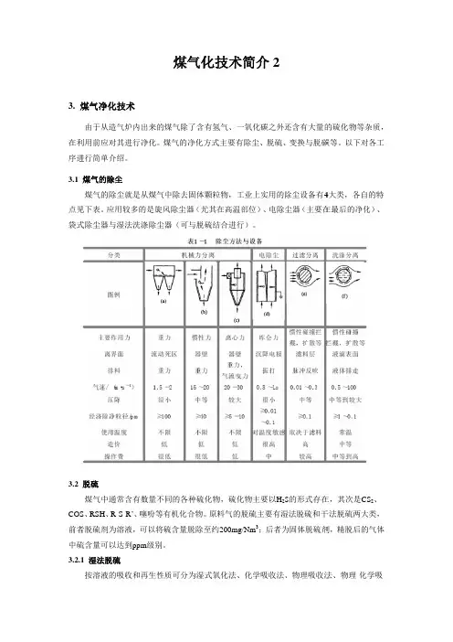
3. 煤在利序进3.1 点见袋式3.2 COS 前者中硫3.2.1煤气净化技由于从造气利用前应对其进行简单介绍煤气的除尘煤气的除尘见下表。
应用式除尘器与湿脱硫煤气中通常S 、RSH 、R-S 者脱硫剂为溶硫含量可以达1 湿法脱硫按溶液的吸技术气炉内出来的其进行净化。
绍。
尘就是从煤气较多的是旋风湿法洗涤除尘常含有数量不-R’、噻吩等有溶液,可以将达到ppm 级别吸收和再生性煤气化煤气除了含有煤气的净化方气中除去固体颗风除尘器(尤尘器(可与脱硫不同的各种硫化有机化合物。
硫含量脱除至。
性质可分为湿化技术简有氢气、一氧方式主要有除颗粒物,工业尤其在高温部硫结合进行化物,硫化物。
原料气的脱至约200mg/N式氧化法、化简介2氧化碳之外还除尘、脱硫、业上实用的除部位)、电除尘)。
物主要以H 2脱硫主要有湿Nm 3;后者为化学吸收法、还含有大量的变换与脱碳除尘设备有4尘器(主要在S 的形式存在湿法脱硫和干为固体脱硫剂、物理吸收法的硫化物等杂碳等。
以下对大类,各自在最后的净化在,其次是CS 干法脱硫两大剂,精脱后的法、物理-化学杂质,对各工的特化)、S 2、大类,气体学吸收法(1)吸收脱硫液经其工与H 生泵气液的贫滤,法。
)湿式氧化法湿式氧化法收溶液获得再下面以栲胶栲胶法脱硫硫液,与需净经氧化槽被空工艺流程如下原料气体从2S 反应吸收,泵加压送到喷液一起进入再贫液流入贫液获得副产成脱硫液的溶法法是借助于吸再生。
该法主胶法为例作一硫是在碳酸钠净化粗原料气空气氧化使溶下:从脱硫塔底部,脱硫后气体喷射再生槽的再生槽,由底部液槽,循环使用成品硫。
溶液总碱度为吸收溶液中载氧主要有改良的A 一介绍。
钠(Na 2CO 3)气在填料塔内溶液再生并浮选部进入,与塔顶体由塔顶逸出喷射器,在喷部经筛板上翻用。
硫泡沫则为0.4N(低硫含氧体的催化作ADA 法,栲稀碱液中添内逆流接触脱选出单质硫,顶上喷淋下来出。
脱硫后的喷射器自吸空翻,进行栲胶则进入中间槽含量),0.8N(高作用,将吸收胶法、氨水催加偏矾酸钠脱去硫化氢(,溶液循环使来的栲胶溶液的富液由塔底空气并在喉管胶溶液的氧化槽,然后经由高硫含量);栲收的H 2S 氧化催化法、PD (NaVO 3)、H 2S )。
煤气化发展技术概述煤气化技术是新型煤化工的基础和关键,煤气化技术的选择应用对煤化工项目综合能效和运行稳定性起至关重要的作用。
本文介绍煤气化技术的种类,概述了固定床、流化床、气流床等煤气化技术。
标签:煤气化;固定床;流化床;气流床0 引言煤气化技术是高效清洁利用煤炭资源的重要方法之一。
现代煤化工以煤制油、煤制天然氣、煤制烯烃、煤制甲醇和煤制乙二醇等为主,煤气化技术也是诸多煤化工产业的龙头,其生产的合成气是煤化工产业下游的重要原料。
1 煤气化原理煤的气化是指煤与气化剂作用,进行各种化学反应,把煤炭转化为燃料煤气或合成气的过程。
煤气化过程是一个热化学过程,是以煤或煤焦为原料,以氧气(或空气)、水蒸气等作气化剂,在高温加压条件下通过化学反应将煤或焦炭中的可燃部分转化为气体。
2 煤气化技术的发展及分类根据反应原料在气化炉内部反应时的运动形式和气化炉构造的不同,可将气化技术分为三类:固定床气化、流化床气化和气流床气化。
3 当前煤气化技术概述3.1 固定床气化技术固定床气化技术也称移动床气化技术,是世界上最早开发和应用的气化技术。
固定床一般以块煤或焦煤为原料,煤(焦)由气化炉顶部加入,自上而下经过干燥层、干馏层、还原层和氧化层,最后形成灰渣排出炉外,气化剂自下而上经灰渣层预热后进入氧化层和还原层。
固定床气化的局限性是对床层均匀性和透气性要求较高,入炉煤要有一定的粒(块)度(6~50mm)和均匀性。
煤的机械强度、热稳定性、黏结性和结渣性等指标都与透气性有关,因此,固定床气化炉对入炉原料有很多限制。
3.2 流化床气化技术气化剂由炉底部吹入,使细粒煤(粒度小于6mm)在炉内呈并逆流反应,该技术通常称为流化床气化技术。
煤粒(粉煤)和气化剂在炉底锥形部分呈并流运动,在炉上筒体部分呈并流和逆流运动,固体排渣。
并逆流气化对入炉煤的活性要求高,同时,炉温低、停留时间短会带来碳转化率低、飞灰含量高、残碳高、灰渣分离困难、操作弹性小等问题。
煤气化技术煤气化已有100多年的发展历史,先后开发了200多种气化工艺或气化炉型,有工业化应用前景的十余种。
煤气化可分为完全气化和不完全气化两大类:完全气化是指煤及其它固体原料与气化剂进行一步法化学反应,生成可燃气或合成气;不完全气化是指固体原料进行热加工时,除生成可燃气外还有含碳固体产物(如煤炼焦过程)。
这些产物又可进行加工利用。
国外为了提高燃煤电厂热效率,减少环境污染,对煤气化联合循环发电技术作了大量工作,促进了煤气化技术的开发。
目前已成功开发出了对煤种适应性广、气化压力高、生产能力大、气化效率高、污染少的新一代煤气化工艺,主要有荷兰壳牌(Shell)的粉煤气化工艺、德国克鲁伯—考柏斯(Krupp—Koppers)的Prenflo工艺,美国德士古(Texaco)和Destec 的水煤浆气化工艺以及德国黑水泵的GSP工艺等。
本章着重介绍我厂油改煤改造工程所引进的Shell粉煤气化工艺技术。
第一节煤气化技术分类及其发展一、煤气化技术分类最常用的气化分类方法是按煤和气化剂在气化炉内的相对运动来划分,大体可分成三种:逆流:固定床、移动床。
煤(焦)由气化炉顶部加入,自上而下经过干燥层、干馏层、还原层和氧化层,最后形成灰渣排出炉外;气化剂自下而上经灰渣层预热后进入氧化层和还原层(两者合称气化层)。
代表炉型为常压UGI炉和加压Lurgi炉,主要用于制取城市煤气。
固定床气化的局限性是对床层均匀性和透气性要求较高,入炉煤要有一定的粒(块)度及均匀性。
煤的机械强度、热稳定性、粘结性和结渣性等指标都与透气性有关,因此,固定床气化炉对入炉原料有很多限制。
并逆流或返混流:流化床、沸腾床。
气化剂由炉底部吹入,使细粒煤(<6mm)在炉内呈并逆流反应,通常称为流态化或沸腾床气化。
煤粒( 粉煤)和气化剂在炉底锥形部分呈并流运动,在炉上筒体部分呈并流和逆流运动。
为了维持炉内的“沸腾”状态并保证不结疤,气化温度应控制在灰软化温度(ST)以下。
煤气化炉技术介绍煤气化炉是一种将煤炭转化为合成气的设备,通过在高温、高压和缺氧的条件下将煤炭转化为合成气,这个过程被称为煤气化。
煤气化炉技术已经得到了广泛的应用,主要用于发电、化工、冶金等行业。
煤气化炉的工作原理是将煤炭与氧气或水蒸气进行接触反应,通过引入适量的氧气或水蒸气,可以改变煤炭的化学构成,生成大量的一氧化碳和氢气,这些气体被称为合成气。
合成气是一种重要的中间能源,可以用于发电、制氢、制造合成燃料和化学品等。
煤气化炉主要分为固定床煤气化炉、流化床煤气化炉和顶喷床煤气化炉等几种不同的类型。
固定床煤气化炉是最早发展的一种煤气化技术,它通过将煤炭放置在固定的反应床上,然后通过床下的气体进行气化反应。
固定床煤气化炉具有结构简单、操作稳定的优点,但是其反应效率较低,需要较长的气化时间。
流化床煤气化炉是一种更为高效的煤气化技术,它利用气化剂从底部垂直进入炉体,使煤炭床达到流态化,从而提高了反应速率和传热效率。
流化床煤气化炉具有反应效率高、适应性强的优点,广泛应用于工业生产中。
顶喷床煤气化炉是一种新型的煤气化技术,它通过将气化剂从顶部喷入煤床反应器中,实现了煤炭的均质气化。
顶喷床煤气化炉具有操作简单、反应效率高、产气质量好的优点,被认为是未来煤气化炉的发展方向之一煤气化炉的操作参数包括炉温、炉压、气化剂流量、气化剂比和煤炭粒径等。
炉温是影响煤气化反应速率和产物组成的重要参数,通常在800-1600摄氏度之间。
炉压是指气化炉内的压力,一般较高,可以保持合成气的高浓度。
气化剂流量和比例决定了反应过程中气化剂的含氧量和所产生的合成气组成。
煤炭的粒径对煤气化反应速率和产物分布也有影响,通常要求煤炭粒径在20-100mm之间。
煤气化炉的优点是可以有效利用煤炭资源,将其转化为更高价值的产品,提高了能源利用效率。
同时,煤气化炉还可以减少煤炭燃烧过程中产生的大量有害气体排放,可以减少对环境的污染。
此外,煤气化炉还可以根据不同的需求调整产气组成和比例,灵活性较强。
煤的气化技术1. 介绍煤是一种常见的化石燃料,在世界范围内广泛使用。
然而,煤的燃烧产生大量的二氧化碳等温室气体,对环境造成严重影响。
为了减少对环境的污染并提高能源利用效率,煤的气化技术应运而生。
煤的气化技术是将煤转化为合成气(syngas)的过程,合成气主要由一氧化碳(CO)、氢气(H2)和少量的二氧化碳(CO2)、氮气(N2)等组成。
合成气可以用作燃料,也可以作为化学原料,用于制造化学品、肥料和液体燃料等。
2. 煤的气化过程煤的气化主要通过以下两个步骤完成:2.1. 干燥和预气化在气化反应器中,煤被加热至高温。
在这个过程中,煤中的水分被蒸发出来,并与空气中的氧气反应生成二氧化碳和水蒸气。
这一步骤主要起到预热作用,为下一步的反应做准备。
2.2. 煤的部分氧化在气化反应器中,预热的煤与氧气反应,生成一氧化碳和水蒸气。
主要的反应方程式如下所示:C + O2 -> CO2 C + CO2 -> 2CO通过控制反应温度和氧气供应量,可以调节合成气中一氧化碳和氢气的比例。
高温和富氧条件下可以生成较多的一氧化碳,而低温和贫氧条件下可以生成较多的氢气。
3. 煤的气化技术分类煤的气化技术可以分为以下几种类型:3.1. 固定床气化固定床气化是最早开发的气化技术之一,也是最常用的气化技术之一。
在这种气化方式下,煤被放置在气化反应器中的固定床上,并通过气化剂(如空气或蒸汽)流过床层。
随着气化反应的进行,煤逐渐转化为合成气,反应产物从顶部排出。
固定床气化适用于各种类型的煤,具有反应稳定、设备简单的优点,但存在反应温度不均匀、产物中存在固体颗粒等问题。
3.2. 流化床气化流化床气化是一种将煤颗粒悬浮在气化剂中进行气化的技术。
在气化反应器中,通过气化剂(通常为空气或蒸汽)的上升流动,使煤颗粒保持悬浮状态。
在高温和富氧条件下,煤颗粒发生气化反应,生成合成气。
流化床气化技术具有高反应效率、适应多种煤种和煤质的优点,但也存在气固分离和热传递问题。
一.煤气化简介煤炭气化是煤炭转化的主要途径之一。
气化过程是煤炭的一个热化学加工过程。
它是以煤或焦炭为原料,以氧气(空气﹑富氧或工业纯氧)﹑水蒸气或氢气为气化剂,在高温条件下通过化学反应将煤或煤焦中的可燃部分转化为可燃性气体的工艺过程。
气化时得到的可燃性气体成为煤气,进行气化的设备称之为煤气化发生炉。
发生炉煤气根据所采用气化剂的不同可分为:①空气煤气,以空气为气化剂,煤气主要成分是一氧化碳和氮气。
②水煤气,以水蒸汽为气化剂,采用空气和水蒸气分阶段吹入发生炉而得到,煤气主要成分是一氧化碳和氢气。
③混合发生炉煤气,以空气和水蒸气混合气体为气化剂生产煤气,煤气主要成分是一氧化碳和氢气,还含有大量氮气,混合发生炉煤气克服了空气煤气和水煤气的气化效率低和能耗高的缺点,因而广泛应用于工业生产。
本公司开发的煤气发生炉为混合发生炉。
二.技术指标1、气化系统反应器尺寸:内径为50mm,长1.2m,采用2520不锈钢管制成;反应器外部有加热炉,三段加热,每段3KW,总热功率为9KW;2、空气预热器:内径为280mm,长450mm,加热功率为3KW;3、水蒸气发生器:加热功率6KW,最大蒸发量8kg/h;4、吸收塔:内径50mm,塔高1.2m,内装4×6mm玻璃螺旋填料;5、反应系统反应器尺寸:内径38mm,长1m;加热炉为三段电加热,每段加热功率为1.5KW;6、本设备含有一台美国科学器材公司生产的SSⅡ型平流泵;7、本设备配备湿式气柜1M3一个及0.5M3储气罐一个。
三.制气原理将煤加入到反应炉中,通入空气和水蒸气,在常压下炉内同时发生碳与氧﹑碳与水蒸气的反应。
由于碳与氧反应生成一氧化碳的反应是放热反应,而碳与水蒸气的反应为吸热反应,因此,理想的制取,煤气的过程是两个反应同时发生,碳氧化放出的热量用于水蒸气汽化热源,以此实现煤的气化。
1. 理论发生炉煤气理想发生炉煤气的基本反应,理论上制取发生炉煤气是按下列两个反应进行:kmol MJ H N CO N O C /3.24676.3276.32222-=∆+=++kmol MJ H H CO C O H /8.11822+=∆+=+理想发生炉煤气的组成决定于这两个反应的热平衡条件,即放热反应的热效应与吸热反应的热效应平衡等。
关于气化技术、煤质分析的建议一、关于气化技术以煤为原料采用洁净煤气化技术,生产粗合成气已商业化的主要有:1.水煤浆气化技术该技术为美国德士古公司开发后转为美国GE公司所有,它是根据油气化技术的思路开发成功的。
在煤中加入添加剂、助熔剂和水,用磨煤机磨成水煤浆,加压后和氧气一同喷入气化炉进行部分氧化燃烧反应,气化温度1300-1450℃,高温的热气体,用水激冷,除尘后送出。
气化压力4.0-8.7Mpa,液态渣激冷破碎后排出。
它的主要特点是:简单,可靠,投资低,在有备用炉的情况下,年开工率可达95-98%,有效气(CO+H2)≈80-82%,缺点是氧耗较高。
由于它的可靠性,国内大多数煤气化装置均采用此法生产合成气,特别是煤制烯烃的装置大多采用此法生产合成气取得成功的先例,如神华煤制烯烃装置。
2.荷兰壳牌(SHELL)气化技术气化炉为立式圆筒形,炉膛周围安装有沸水冷却管组成的膜式水冷壁,内壁衬有耐热涂层。
气化熔渣在水冷壁涂层上形成液膜,沿壁顺流而下进行分离采用以渣抗渣的防腐办法。
炉体内设有四组粉煤烧嘴,使用寿命一年以上。
气化温度1400-1560℃,碳转化率高达99%,CO+H2可达90%。
该气化技术是干粉和氧,蒸汽在气化炉内进行部分燃烧反应,由于采用干粉气化,氧耗较少,但干粉加压输送用高压N2气或CO2气流输送。
气化后的粗合成气,含尘量大,要用50%冷气激冷,特殊的过滤器过滤灰尘,再用水洗涤。
流程复杂,特别是开车时用特殊的开工烧嘴。
采用对流和辐射废锅回收热量产生蒸汽,因而设备特别复杂,国产化率低,生产过程比较难于掌握。
国内已建的20几台气化炉运行状况不理想,开工率低,比如大唐多伦180万吨甲醇/60万吨MTP装置,建成两年,开车极不顺利,经济效益差。
3.德国未来能源GSP气化技术该技术同SHELL气化技术一样是干粉气化,氧和蒸汽煤粉加压用载气(N2、CO2)送入炉内进行部分氧化反应。
炉体为水冷壁,内壁衬有耐热涂层,使用寿命较长。
各种煤气化技术介绍煤气化技术是将煤转化为合成气的一种技术,合成气主要由一氧化碳(CO)和氢气(H2)组成。
煤气化技术可以实现煤炭资源的高效利用,并且合成气还可以作为化工原料、能源供应和替代燃料等多个领域的重要能源。
下面将介绍几种常见的煤气化技术。
亚煮煤气化技术主要是通过在水中煮沸煤炭来实现煤气化过程。
这种技术具有操作稳定性好、产气质量高、煤耗低等特点。
亚煮煤气化技术可以适用于各种不同性质的煤炭,并可以通过调节操作参数来获得不同产气组成和质量。
2. 固定床煤气化(Fixed Bed Gasification,FBG)固定床煤气化技术是将煤炭放置在固定床上,通过通过煤床中的氧气进行燃烧,从而实现煤的气化。
这种技术具有气化效率高、产气质量稳定、操作灵活等特点。
固定床煤气化技术主要适用于高炉煤气和干、湿煤气的生产。
3. 流化床煤气化(Fluidized Bed Gasification,FBG)流化床煤气化技术是将煤炭与气化剂一起放置在气化反应器中,通过气体的上升速度和反应器中的床层来实现气化过程。
这种技术具有反应温度均匀、气化效率高、适用于多种煤种等特点。
流化床煤气化技术主要适用于高硫煤和高灰煤的气化过程。
4. 上升管煤气化(Entrained Flow Gasification上升管煤气化技术是将煤炭和气化剂一起注入到气化反应器中,通过气化剂的速度和反应器中的温度来实现气化过程。
这种技术具有高气化效率、适用于多种煤种等特点。
上升管煤气化技术主要适用于低灰、低硫和低磷的煤气化过程。
5. 行动床煤气化(Moving Bed Gasification,MBG)行动床煤气化技术是将煤炭放置在一个倾斜的床上,通过流化床的气流来实现气化过程。
这种技术具有气化效率高、产气质量好等特点。
行动床煤气化技术主要适用于低灰和低硫煤的气化过程。
总体来说,煤气化技术具有可替代性化石燃料、高效能源利用和多种资源转化等优势,对于能源的可持续发展具有重要意义。
三种煤气化炉技术介绍煤气化是一种利用化学反应将固体煤转化为可燃气体的技术过程,可以将煤转化为煤气、合成气和合成油等能源。
煤气化可以通过不同的煤气化炉技术实现,下面将介绍三种常见的煤气化炉技术。
1.固定床煤气化炉:固定床煤气化炉是最早应用的煤气化技术之一、在固定床煤气化炉中,煤炭被填充在炉膛中,煤气化反应通过从煤床底部通入的氧气或氧气与蒸汽的混合物进行。
煤床通过由炉膛底部从下而上通过的气流进行流化,从而促进反应的进行。
在固定床煤气化炉中,煤气化反应主要发生在煤床下部的炉膛区域,温度通常在900°C至1400°C之间。
固定床煤气化炉的优点是操作稳定、适应性强,但由于床层热阻较大,炉温难以控制并且煤气质量较低。
2.流化床煤气化炉:流化床煤气化炉是一种采用流化床技术进行的煤气化工艺,该技术首次在20世纪60年代得到应用。
在流化床煤气化炉中,煤炭经过细磨和干燥后与气化剂(如氧气和水蒸汽的混合物)一起输入炉膛。
煤炭在流化床内扬起并形成流化状态,反应通过高速气流中的煤颗粒与气体热交换实现。
在流化床煤气化炉中,温度通常在800°C至1000°C之间。
流化床煤气化炉具有热传递效率高、反应速度快的优点,产生的煤气质量较高,但操作复杂,需要高流速和高压力的气流。
3.级联煤气化炉:级联煤气化炉是一种将两个或多个煤气化反应装置相连接以提高反应效率和煤气品质的技术。
在级联煤气化炉中,通常使用高温煤气化反应器作为第一级反应器,将煤炭和气化剂进行气化反应;然后,将第一级反应器的产物气流引入低温煤气化反应器中进行进一步的气化和合成反应。
级联煤气化炉可通过优化不同反应器之间的温度和气体组成来实现高效率的煤气化过程。
级联煤气化炉的优点是可以提高煤气化效率和产气量,并可根据需要调整煤气的组成。
综上所述,固定床煤气化炉、流化床煤气化炉和级联煤气化炉是三种常见的煤气化炉技术。
每种技术都有其特点和适用范围,可以根据具体需求选择合适的煤气化炉技术。
煤的气化技术研究与应用煤是中国最主要的能源之一,但是从环保、能源利用效率等方面考虑,传统热力发电方式并不科学和可持续。
因此,煤的气化技术应运而生,可以将煤转化为一种更清洁、更高效的能源。
本文将对煤的气化技术进行详细论述。
一、煤的气化技术概述煤的气化技术是一种将煤转化为气体燃料的过程。
通过高温高压条件下的热化学反应,煤中的有机物质发生分解,生成可燃性气体,如一氧化碳、氢气等。
煤的气化技术可以说是目前最先进的煤化工技术之一,不仅可以提高能源利用率,降低污染排放,还可以减少对进口石油资源的依赖。
二、煤的气化技术分类根据气化过程中使用的反应剂的不同,可以将煤的气化技术分为两种:水蒸气气化和氧气气化。
1. 水蒸气气化水蒸气气化技术是煤化工领域应用最为广泛的技术之一。
水蒸气作为反应剂,与煤发生反应,生成可燃气体,主要是一氧化碳和氢气。
同时,氮气和二氧化碳等非常规气体也会随着可燃气体一起生成。
水蒸气气化技术优点在于过程不需要额外的氧气,煤的化学反应过程可以产生足够的热量,可以更加高效地利用煤炭资源。
2. 氧气气化氧气气化技术在煤化工领域中的应用比较新,是一种高温气化技术。
与水蒸气气化不同的是,氧气气化过程中只使用氧气作为反应剂,生成气体主要是氨、氮气和一氧化碳等。
氧气气化技术与水蒸气气化技术的不同之处在于其过程更加高温高压,输出的燃料气体构成也不同于水蒸气气化技术生成的气体组成。
三、煤的气化技术应用煤的气化技术源于早期煤炭的化学应用,随着科技的进步,煤的气化技术逐渐广泛应用于各个领域。
下面将介绍几个典型的应用案例。
1. 能源生产煤的气化技术可将煤转化为气态燃料,广泛应用于发电、燃料等领域。
例如,在我国许多地区的城市燃气中,主要燃料是煤气,而煤气就是通过煤的气化技术生成的。
此外,在我国东北地区的很多发电厂也都使用了煤的气化技术。
2. 化工生产煤的气化技术也可以应用于化工生产领域。
根据气态燃料生成的不同,煤气可分为城市煤气和工业煤气两种。
煤气化技术简介及装置分类
煤气化是清洁利用煤炭资源的重要途径和手段。
目前,国内自行开发和引进的煤气化技术种类众多,但总体上可以分为以下三大类:
一、固定床气化技术
以鲁奇为代表的加压块煤气化技术。
鲁奇加压气化炉是由联邦德国鲁奇公司于1930年开发的,属第一代煤气化工艺,技术成熟可靠,是目前世界上建厂最多的煤气化技术。
鲁奇气化炉是制取城市坑口煤气装置中的心脏设备。
它适应的煤种广﹑气化强度大﹑气化效率高﹑粗煤气无需再加压即可远距离输送。
鲁奇气化技术的特点为:采用碎煤加压式填料方式,即连接在炉体上部的煤锁将原料制成常温碎煤块,然后从进煤口经过气化炉的预热层,将温度提高至300℃左右。
从气化剂入口吹进的助燃气体将煤点燃,形成燃烧层。
燃烧层上方是反应层,产生的粗煤气从出口排出。
炉篦上方的灰渣从底部出口排到下方连接的灰锁设备中,所以气化炉与煤锁﹑灰锁构成了一体的气化装置。
鲁奇炉的代表炉型即第三代MARK-IV/4型Ф3800mm加压气化炉, 炉体由内外壳组成,其间形成50mm的环形水冷夹套,是一种技术先进﹑结构更为合理的炉型。
我公司为河南义马、大唐克旗等制做了多台鲁奇式气化炉。
图1 鲁奇加压块煤气化装置
二、流化床气化技术
以恩德炉、灰熔聚为代表的气化技术。
恩德炉粉煤流化床气化技术是朝鲜恩德“七.七”联合企业在温克勒粉煤流化床气化炉的基础上,经长期的生产实践,逐步改进和完善的一种煤气化工艺。
灰融聚流化床粉煤气化技术根据射流原理,在流化床底部设计了灰团聚分离装置,形成床内局部高温区,使灰渣团聚成球,借助重量的差异达到灰团与半焦的分离,在非结渣情况下,连续有选择地排出低碳量的灰渣。
目前,中科院山西煤化所山西省粉煤气化工程研究中心开发的加压灰熔聚气化工业装置已经成功应用于晋煤集团天溪煤制油分公司1 0万吨/年煤基MTG合成油示范工程项目,该项目配备了6台灰熔聚气化炉(5开1备),气化炉操作压力0.6MPa,日处理晋城无烟煤1600吨,干煤气产量125000Nm3/h(配套30万吨/年合成甲醇)。
图2 灰熔聚气化反应装置
三、气流床气化技术
1、以壳牌、GSP、科林、航天炉、伍德、熔渣-非熔渣为代表的气流床技术
壳牌干煤粉气化工艺于1972年开始进行基础研究,1978年投煤量150 t/d的中试装置在德国汉堡建成并投人运行。
1987年投煤量250~400 t/d的工业示范装置在美国休斯敦投产。
在取得大量实验数据的基础上,日处理煤量为2000 t的单系列大型煤气化装置于1993年在荷兰Demkolec电厂建成,煤气化装置所产煤气用于联合循环发电,经过3年多示范运于1998年正式交付用户使用。
目前,我国已经引进23套
壳牌气化炉装置。
壳牌煤气化过程是在高温、加压条件下进行的,煤粉、氧气及少量蒸汽在加压条件下并流进人气化炉内,在极为短暂的时间内完成升温挥发分脱除、裂解、燃烧及转化等一系列物理和化学过程。
由于壳牌气化炉采用较高的气化温度(>1400℃),其具有较好的煤种适应性、较高的碳转化率并且产品气体质量较高。
图3 壳牌气化反应装置
2、以德士古、多喷嘴为代表的水煤浆气流床技术
德士古气化炉如今已有五十多年的历史,是美国德士古公司的专利技术,采用水煤浆加压气化工艺。
目前国内大化肥装置较多采用德士古气化炉,并且世界范围内IGCC电站多采用德士古式气化炉。
德士古气化炉是一种以水煤浆进料的加压气流床气化装置,水煤浆由气化剂夹带由专门的单个喷嘴向下喷入炉内,
瞬间气化。
由华东理工大学研发的多喷嘴对置式水煤浆气化技术的化学反应原理与单喷嘴水煤浆气化技术相同,但其过程机理与受限射流反应器的单喷嘴水煤浆气化炉又有很大的不同,多喷嘴对置式水煤浆气化炉采用撞击流技术来强化和促进混合、传质、传热。
位于气化炉直筒段上部的4个工艺喷嘴在同一水平面上,相互垂直布置,通过4股射流的撞击可以使反应更充分并显著提高碳转化率。
目前,多喷嘴技术已经得到市场的认可,日处理量1800吨的气化装置已经在江苏灵谷顺利开车并稳定运行,同时其专利技术已经打入美国市场,并获得好评。
图4 多喷嘴气化炉的吊装现场。