电流电压转换芯片MAX472在电流检测器中的应用
- 格式:pdf
- 大小:410.54 KB
- 文档页数:2
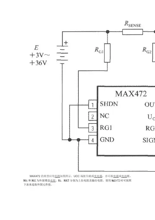
MAX472的典型应用电路如图所示。
UCC端接负载或充电器,亦可接电源或电池组。
RG1和RG2为外部增益电阻。
R1、ROUT分别为上拉电阻及输出电阻。
使用MAX472时可按照下表来选取外围元件值。
【收藏此页】【关闭】【返回】【打印】MP25P1171344:一、前言伴随着城市人口和建设规模的扩大,各种用电设备的增多,用电量越来越大,城市的供电设备经常超负荷运转,用电环境变得越来越恶劣,对电源的“考验”越来越严重。
据统计,每天,用电设备都要遭受 120 次左右各种的电源问题的侵扰,电子设备故障的 60% 来自电源 [7] 。
因此,电源问题的重要性日益凸显出来。
原先作为配角,资金投入较少的电源越来越受到厂商和研究人员的重视,电源技术遂发展成为一门崭新的技术。
而今,小小的电源设备已经融合了越来越多的新技术。
例如开关电源、硬开关、软开关、参数稳压、线性反馈稳压、磁放大器技术、数控调压、 PWM 、 SPWM 、电磁兼容等等。
实际需求直接推动电源技术不断发展和进步,为了自动检测和显示电流,并在过流、过压等危害情况发生时具有自动保护功能和更高级的智能控制,具有传感检测、传感采样、传感保护的电源技术渐成趋势,检测电流或电压的传感器便应运而生并在我国开始受到广大电源设计者的青睐,本文主要介绍 ABB 公司的电流传感器。
二、电流传感器的工作原理 [1]ABB 公司的电流传感器可以测量各种类型的电流,从直流电到几十千赫兹的交流电,其所依据的工作原理主要是霍尔效应,如图 1 所示。
当原边导线经过电流传感器时,原边电流 I P 会产生磁力线①,原边磁力线集中在磁芯②周围,内置在磁芯气隙中的霍尔电极③可产生和原边磁力线①成正比的大小仅几毫伏的电压,电子电路④可把这个微小的信号转变成副边电流 I S ⑤,并存在以下关系式其中, I S —副边电流;I P —原边电流;N P —原边线圈匝数;N S —副边线圈匝数;N P / N S —匝数比,一般取 N P =1 。
电压电流转换器的用途是电压电流转换器是一种电子设备,用于将电流和电压之间相互转换。
它具有广泛的应用,下面我将详细介绍其主要用途。
第一个用途是电力系统中的电压电流转换。
在电力系统中,需要将高电压的能量转换为较低电压的能量,以满足不同设备的电能需求。
转换器可以将高电压传输线上的电能转换为低电压用于各种设备供电,例如家庭用电、工厂设备等。
同时,转换器也可以将低电压的能量转换为高电压,以用于电力传输和长距离供电。
第二个用途是电子设备中的电压电流转换。
很多电子设备的工作原理需要不同电压和电流的输入,因此需要将电源提供的电压电流转换为设备所需的特定值。
转换器可以根据设备的工作要求,将电压电流进行调整和转换,以满足设备的工作需求。
这样可以确保设备正常运行,并且保护设备免受电压过高或过低的损害。
第三个用途是能源转换。
随着可再生能源的快速发展,如太阳能和风能等,转换器在能源转换中起着重要的作用。
这些可再生能源产生的电能一般是直流电,而大部分电器设备使用的是交流电。
因此,需要使用转换器将直流电转换为交流电,以便供应给各种家用电器和工业设备。
此外,转换器还可以将不同类型的能源转换为电能,以实现能源的高效利用。
第四个用途是通信系统中的电压电流转换。
在通信系统中,需要将信号进行放大和转换,以确保信号传输的质量和稳定性。
转换器可以将低电压的信号放大,并将其转换为适用于传输的高电压信号。
同时,转换器还可以将数字信号转换为模拟信号,或者将模拟信号转换为数字信号,以满足不同类型通信设备的工作要求。
第五个用途是科学研究和实验中的电压电流转换。
在科学研究和实验中,经常需要对电压和电流进行精确测量和控制。
转换器可以将高电压和电流信号转换为低电压和电流信号,以便进行精确测量。
同时,转换器还可以将低电压和电流信号转换为高电压和电流信号,用于实验中需要较高能量输入的场景。
综上所述,电压电流转换器是一种重要的电子设备,其用途广泛。
它可以应用于电力系统、电子设备、能源转换、通信系统以及科学研究和实验等领域。
直流稳压电源及漏电保护装置摘要:本设计以International Rectifier公司的第五代P沟道增强绝缘栅型功率场效应管IRF4905为作为调整管,使用精密电阻分压采样与精密稳压源进行比较放大构成反馈电路,构建了线性直流稳压电源,满足低压差和较高压差的DC-DC变换;同时通过单片机对电流的比较和运算,以及三极管对稳压电源的启动开关,实现数控漏电保护功能。
整个系统具有输出电压误差小,电压调整率低,电流误差小,微弱电流漏电保护的特点,并设计了人性化的操作界面和的功能,具备有产品的特性。
关键词:DC-DC;场效应管;精密稳压源;反馈电路;漏电保护;电压调整率目录一、系统方案论证和比较 (1)(一)方案一:三端稳压集成电路 (1)(二)方案二:三极管串联稳压电路 (1)(三)方案三:场效应管稳压电路 (2)(四)方案比较和选择 (3)二、系统具体设计与实现 (3)(一)系统详细结构框图 (3)(二)主要电路设计与分析计算 (4)(三)软件控制 (8)(四)创新 (8)(五)制作工艺 (9)三、测试方案与结果 (9)(一)基础部分 (9)(二)发挥部分 (11)附录1:稳压电源和漏电保护电路 (12)附录2:单片机最小系统 (13)附录3:参考书目 (14)一、系统方案论证和比较根据大学课程所学和查阅资料,不能选择开关类型的集成电源芯片,也不能利用工作在开关状态的三极管稳压电路,我们将焦点主要集中在直流稳压电路的低电压线性实现和电流的检测方法这两个关键点上,一步一步的分析和和搭建电路验证,从下面的三个方案中找到了满足任务要求的方案。
(一)方案一:三端稳压集成电路由于要求是输出电压达到5V,额定输出电流为1A,我们首先想到了用三端稳压集成电路7805作为稳压电源核心,该系统结构如图1所示。
该方案系统结构如图1所示,采用单片机作为漏电保护控制器。
图1 方案一:三端稳压集成电路该方案中,选用三端稳压集成芯片7805作为稳压电源的核心,单片机作为漏电保护的控制器,具备电路简洁的特点。
电流转电压芯片电流转电压芯片,又称电流与电压转换芯片,是一种将电流信号转换成电压信号的集成电路。
它广泛应用于各种电流测量和控制系统中。
本文将详细介绍电流转电压芯片的工作原理、应用领域以及未来发展趋势。
一、工作原理电流转电压芯片的工作原理主要涉及到电流采样、电流转电压和增益调节三个关键步骤。
1. 电流采样电流采样是将待测电流通过一个电流采样器,将其转换成电流信号。
电流采样器通常采用霍尔传感器或电阻采样器。
霍尔传感器是常用的无接触式电流采样器,其原理是通过霍尔效应测量磁场强度来获得电流信号。
电阻采样器则是通过在电路中串联一个小电阻,利用欧姆定律测量电压跨过小电阻上的电压来得到电流信号。
2. 电流转电压电流转电压是将采样到的电流信号转换成对应的电压信号。
这个过程通常通过运算放大器(OP Amp)来实现。
运算放大器的偏置电流对电压转换的精度和线性度有较大的影响,因此需要进行偏置电流校正。
3. 增益调节增益调节是将转换后的电压信号调整到适合于后续电路处理的范围。
通常使用可变电阻器或程序控制的增益调节器来实现。
可变电阻器通过改变电阻值来改变电压信号的幅值,而程序控制的增益调节器则是通过内部的数字控制器来实现对增益的调节。
二、应用领域电流转电压芯片在工业控制、电力系统、仪器仪表以及通信等领域中有广泛的应用。
1. 工业控制在工业控制系统中,电流转电压芯片经常用于电流采集和电流控制。
例如,它可以用于测量电机的电流,实现电机的过载保护;还可以用于电力设备中对电流的监测和控制,实现对设备状态的判断和报警。
2. 电力系统在电力系统中,电流转电压芯片广泛应用于电流互感器的输出信号处理。
电流互感器是一种将高电流转换成低电流以方便测量的电器设备。
电流转电压芯片可以将电流互感器输出的低电流信号转换成相应的电压信号,便于后续的电压放大和数字化处理。
3. 仪器仪表在仪器仪表领域,电流转电压芯片可以用于各种电流测量仪表的信号处理。
例如,它可以用于示波器中电流的转换和显示;还可以用于多功能电能表中的电流测量和功率计算。
电流电压转换芯片MAX472一、电流测量方法及其电路实现由于电流不能直接由A/D转换器转换,因此必须先将其转变成电压信号,然后才能转换。
所以,电流/电压转换电流在测试系统中占有很重要的地位。
常用的电流测量方法是在被测电路中串入精密电阻,通过直接采集电阻两端的电压来获取电流。
这种方法的优点是测量简单方便。
但被测电流较大而串入的电阻值又较大时,电阻的压降对电路的带载能力将产生较大的影响;当被测电流很小时,从电阻上直接取得的电压值又可能太小,影响测量准确度。
因而,这种直接测量的方法很难选择一合适的阻值,以适应电流变化范围较大的情况,尤其是较小的电流的准确测量。
MAX472电流/电压转换芯片,克服了常规测量电流的方法存在测量范围小、测量误差大等缺点。
二、MAX472的工作原理MAX472 的工作原理入图所示。
其中虚线内的是该芯片的内部结构,其中A1 和A2 是两个运算放大器,构成差动输入,这样可以增强抗干扰能力,提高小电流信号的测量准确度;Q1和Q2 是两个三极管;COMP 是一比较器;Rsence是电流采样电阻,采用热稳定性好、漂移小的康铜丝制作。
虚线外的部分是用户可以根据自己的需要改变的电路。
其工作原理详述如下:假定电流是从左向右(如图中iload方向所示)流过电流采样电阻Rsence,通过一电阻Rout接地。
这样,运放A1工作,产生电流Iout 从Q1的发射极流出。
而此时运放A2是截止的,没有电流从Q2流出。
A1的负载输入端(-)电位为:Vpower=iload*Rsence,A1的开环增益使其正输入端(+)与负输入端(+)有相同的电位。
故RG1的压降为:iload*Rsence,经过计算,电压/电流转换的比例P由下式给出:P=Vout/iload=Rsence*(Rout/RG1)根据上式Rsence取较小的值。
通过(Rout/RG1)把比例P设置为一个合适的值。
对于小电流,可以获得较大的输出测量电压Vout,避免前述直接测量电流信号太小的缺点;对于较大的电流,又不会对电路的带载能力产生较大的影响。
mf47a测量直流电流的原理一、MF47A简介MF47A是一款常用的数字多用表,具有测量直流电流、直流电压、交流电压、电阻等功能。
它采用先进的技术和精确的测量元件,能够准确稳定地测量电流。
二、测量直流电流的原理MF47A测量直流电流的原理是通过欧姆定律来实现的。
欧姆定律是指在恒定温度下,电流与电压之间的关系是线性的。
根据欧姆定律,电流等于电压与电阻的比值,即I=U/R,其中I代表电流,U代表电压,R代表电阻。
三、MF47A的工作原理MF47A测量直流电流的工作原理是利用电流的通过产生的磁场与测量元件中的磁场相互作用,从而测量电流的大小。
具体来说,MF47A采用磁电转换原理,即根据电流的大小产生相应的磁场,然后通过测量元件中的感应线圈来检测磁场的变化,从而得到电流的数值。
四、MF47A的特点1. 精度高:MF47A采用先进的测量技术和精确的测量元件,能够提供高精度的测量结果。
2. 显示清晰:MF47A配备了大屏幕显示器,能够清晰地显示测量结果,方便用户进行观察和读取。
3. 操作简便:MF47A的操作界面简单直观,使用起来非常方便,即使是初学者也能轻松上手。
4. 耐用可靠:MF47A采用高品质的材料和严格的制造工艺,具有良好的耐用性和可靠性,能够长时间稳定工作。
五、MF47A的应用领域由于MF47A具有测量直流电流的能力和高精度的特点,因此广泛应用于各个领域。
例如,工业控制、电力系统、电子制造、仪器仪表等领域都需要对直流电流进行测量,MF47A能够提供准确可靠的测量结果,满足各种应用需求。
六、使用MF47A测量直流电流的步骤1. 将MF47A的选择旋钮调至直流电流档位。
2. 将待测电路中的电流接入MF47A的输入端。
3. 读取MF47A显示屏上的数值,即可得到直流电流的大小。
七、注意事项在使用MF47A测量直流电流时,需要注意以下几点:1. 确保MF47A的电源电压稳定,并避免过高的电压对测量结果的影响。
d472场效应管参数4极型472场效应管(Field-Effect Transistor,简称FET)是一种无源器件,其特性与普通的三极管有很大的不同,属于电子元件中的一种基本类型。
它主要由三个离子金属材料组成,位于一半场效应管双极结构中;第一是门电极(Gate),用来控制通过场效应管的电流的大小;第二是源电极(Source)作为电子的输入方向;最后是漏电极(Drain),作为电子从FET流出的口子。
一般情况下,472场效应管的参数由几个重要的部分组成,这其中包括:门电阻(Gate resistance),源漏直流截止电压(Source-Drain DC cutoff voltage),转换比(Gain ratio),场效应管穿越电阻(FETgate resistance),偏置电路(Bias circuit),最大功率消耗(Maximum power consumption)、封装样式(Packaging style)等。
1、门电阻(Gate resistance):是472场效应管工作过程中重要的参数,一般介于10-100Ω之间,通过控制门电阻的大小来改变整个电路的工作特性。
2、源漏直流截止电压(Source-Drain DC cutoff voltage):它具有很大的直流阻抗,这使得两个接口之间只能通过较少电流,当截止电压较大时,则说明接口之间允许通过较大的电流。
3、转换比(Gain ratio):472场效应管的转换比一般为10-20之间,它决定了该场效应管可以放大源端到漏端的输入信号到多少倍,这就是它特有的放大比能力,太大则容易噪音,太小则放大的增益比较小。
4、场效应管穿越电阻(FETgate resistance):它决定了场效应管最大可用电流的大小,一般在大于10KΩ时就可以放心使用,但是当电流较大的时候,穿越电阻的值也会有所降低,因此最好在规定的电流范围之内进行约束。
5、偏置电路(Bias circuit):它可以提供场效应管所需要的偏置电压,当传输比变化时,偏置环路也会相应地变化,以调节场效应管的工作输出,保证工作时电路的稳定性及精准性。
4-20mA电流信号转成0-5V或0-10V电压信号解决方法:1.采用专用的电流转电压芯片,或者隔离放大器(要求精度高,抗干扰时)如:MAXIM MAX472深圳顺源公司的ISO系列产品/2.自己搭建电路,节省成本,但不推荐直接串联精密电阻的方式用运放搭建电路就非常好给个地址: /html/zonghejishu/2007/0925/2621.html1、 0-5V/0-10mA的V/I变换电路图1是由运放和阻容等元件组成的V/I变换电路,能将0—5V的直流电压信号线性地转换成0-10mA的电流信号,A1是比较器.A3是电压跟随器,构成负反馈回路,输入电压Vi与反馈电压Vf比较,在比较器A1的输出端得到输出电压VL,V1控制运放A1的输出电压V2,从而改变晶体管T1的输出电流IL而输出电流IL又影响反馈电压Vf,达到跟踪输入电压Vi的目的。
输出电流IL 的大小可通过下式计算:IL=Vf/(Rw+R7),由于负反馈的作用使Vi=Vf,因此IL=Vi/(Rw+R7),当Rw+R7取值为500Ω时,可实现0-5V/0-10mA的V/I转换,如果所选用器件的性能参数比较稳定,运故A1、A2的放大倍数较大,那么这种电路的转换精度,一般能够达到较高的要求。
2、 0-10V/0-10mA的V/I变换电路图2中Vf是输出电流IL流过电阻Rf产生的反馈电压,即V1与V2两点之间的电压差,此信号经电阻R3、R4加到运放A1的两个输入端Vp与Vn,反馈电压Vf=V1-V2,对于运放A1,有VN=Vp;Vp=V1/(R2+R3)×R2,VN=V2+(Vi-V2)×R4/(R1+R4),所以V1/(R2+R3)×R2=V2+(Vi-V2)×R4/(R1+R4),依据Vf=V1-V2及上式可推导出:若式中R1=R2=100kΩ,R1=R4=20kΩ,则有:Vf×R1=Vi×R4,得出:Vf=R4/R1×Vi=1/5Vi,如果忽略流过反馈回路R3、R4的电流,则有:IL=Vf/Rf=Vi/5Rf,由此可以看出.当运放的开环增益足够大时,输出电流IL与输入电压Vi满足线性关系,而且关系式中只与反馈电阻Rf的阻值有关.显然,当Rf=200Ω时,此电路能实现0-10v/0-10mA的V/I变换。
网站:/dm/elec/.pdf-MAX471/MAX472 是美国MAXIM 公司生产的双向、精密电流传感放大器。
MAX471 内置35mΩ精密传感电阻,可测量电流的上下限为±3A。
对于允许较大电流的场合,则可选用MAX472。
在这种情况下,用户可根据自己的需要配置外接的传感电阻与增益电阻。
MAX471/MAX472 都可通过一个输出电阻将电流输出转化为对地电压输出。
MAX471/MAX472 所需的供电电压VBR/VCC 为3~36V,所能跟踪的电流的变化频率可达到130kHz。
二者均采用8 脚封装. MAX471/MAX472 可广泛应用于电流供电系统、便携式设备、监控系统及能源管理系统等。
1引脚说明MAX471 引脚图如图1所示,MAX472 引脚图如图2所示。
各引脚功能说明如下:SHDN 为关闭信号,正常操作时接地;当它为高电平时,供电电流小于5μA。
RS+为内传感电阻的电源端。
N.C.表示无内部连接。
RG1 为增益电阻的连接端,增益电阻RG1 连接到传感电阻的电源端。
GND 为地端或电源负端。
SIGN 为集电极开路逻辑输出。
对于MAX471,SIGN 为低电平表示电流由RS-流向RS+;对于MAX472,SIGN为低电平表示Vsense(传感电阻两端的电压)为负。
当SIGN 为高电平时,SIGN 呈阻状态。
RS-为内传感电阻的负载端。
RG2为增益电阻的连接端,增益电阻RG2连接到传感电阻的负载端。
Vcc 为MAX472 的正电源连接端。
连接传感电阻与增益电阻。
OUT 为电流输出端,该电流的大小正比于流过传感电阻的电流。
2工作原理MAX471 的功能框图如图3 所示, MAX472 的功能框图如图4 所示。
MAX471和MAX472电流传感放大器的独特布局大大简化了电流监控的设计。
MAX471/MAX472 包含两个放大器,如图3和图4所示。
传感电流Isense通过传感电阻Rsense从RS+流向RS-(反之亦然)。
MAX471在电流监测中的应⽤器件应⽤MAX471在电流监测中的应⽤上海航天测控通信研究所(上海200086) 林晓莉摘 要 测量电流专⽤的运算放⼤器M AX471与极少的外部元件连接,可构成⼀个⾼精度、线性度好、使⽤⽅便、适⽤范围⼴的电流监测电路。
⽂中介绍了MAX471的原理及其在电流监测中的应⽤。
关键词 差分放⼤ 电流取样电阻 满量程1 概述在电流测量技术中,为了减少测量电路对被测电流的影响,通常采⽤在被测电路中串联⼀只⼩阻值的取样电阻进⾏I-V转换,再经过差分放⼤电路实现⼩电压放⼤的⽅法。
测量精度要求越⾼,线路就越复杂。
MAX471是美国Maxim公司向市场推出的⼀种新型的、⾼精度的电流检测放⼤器。
它可应⽤于笔记本电脑、⼿机、母⼦电话机、便携式测量仪、能源管理系统等中的电流监测单元。
M AX471内部有⼀个35mΨ的电流采样电阻,可以测量±3A 的电流。
MAX471有⼀个电流输出端,只需外接⼀个电阻,将电流转换成对地电压,就可组成⾼精度的电流监测电路。
它的⼯作电压和被测电路电流范围宽,因此得到⼴泛的应⽤。
2 MAX471的特点和结构2.1 主要特点M AX471有下列主要特点:(1)真正的⾼端电流取样;(2)精密的内置取样电阻(35mΨ);(3)电流转换⽐(I OU T/I LOAD)为500µA/A;(4)在规定⼯作温度下测量精度可达2%;(5)可监视电池的充放电;(6)最⼤的测量电流为3A;(7)最⼤耗电电流为113µA;(8)休眠时最⼤耗电电流为18µA;(9)⼯作电压为3~36V;(10)8脚的双列直插或SO封装形式。
2.2 引脚功能及内部结构M AX471的引脚排列及其引脚功能分别见图1和表1所⽰。
图1 MA X471的引脚排列图表1 MAX471引脚功能表脚号符号功能1SHDN休眠端。
接地时处于⼯作状态。
接⾼电平时,休眠状态,耗电电流⼩于18µA。
小电流霍尔传感器芯片主要用于检测磁场并转换成电信号,广泛应用于电流测量、位置检测、速度检测等领域。
下面介绍一些常见的小电流霍尔传感器芯片:
1. ACS758:该芯片是一款高灵敏度、低噪声的霍尔效应传感器,常用于电流检测、磁场测量等领域。
它具有低功耗、线性度好、抗干扰能力强等优点。
2. ACS712:该芯片是一款线性霍尔传感器,专为电流检测而设计。
它能够将电流转换成电压,具有高精度、低噪声、响应速度快等优点。
3. AH800:该芯片是一款高精度、低功耗的霍尔电流传感器芯片,能够测量直流和交流电流。
它具有线性度好、温度稳定性高、响应速度快等优点。
4. ACS724:该芯片是一款数字霍尔传感器,适用于电流检测和位置检测。
它具有高灵敏度、低噪声、低功耗等优点,并且支持SPI和I2C 通信协议。
5. ACS660:该芯片是一款高灵敏度、低噪声的霍尔效应传感器,适用于电动车电池管理和电机控制等领域。
它具有高精度、快速响应、低功耗等优点。
这些小电流霍尔传感器芯片都具有不同的特点和应用领域,可以根据具体需求选择适合的芯片。