广东实验中学物理电与磁单元培优测试卷
- 格式:doc
- 大小:288.50 KB
- 文档页数:17
第一章电与磁综合检测(时间:90分钟,满分:100分)一、单项选择题(本题共8小题,每小题4分,共32分.在每小题给出的四个选项中,只有一个选项正确.)1.磁场中任意一点的磁场方向规定,小磁针在磁场中( )A.受磁场力的方向B.北极受磁场力的方向C.南极受磁场力的方向 D.受磁场力作用转动的方向2.两个点电荷相距r时,相互作用力为F,则( )A.电荷量不变距离加倍时,作用力变为F/2B.其中一个电荷的电荷量和两电荷间距都减半时,作用力变为2FC.每个电荷的电荷量和两电荷间距都减半时,作用力为4FD.一个电荷的电荷量和两电荷间距都增加相同倍数时,作用力不变3.关于电场线的以下说法中,正确的是( )A.电场线上每一点的切线方向都跟电荷在该点的受力方向相同B.沿电场线的方向,电场强度越来越小C.电场线越密的地方同一试探电荷受到的电场力就越大D.顺着电场线移动电荷,电荷受到的电场力大小一定不变4.关于磁场、磁感线,下列说法正确的是( )A.磁场并不是真实存在的,而是人们假想出来的B.磁铁周围磁感线的形状,与铁屑在它周围排列的形状相同,说明磁场呈线条形状,磁感线是磁场的客观反映]C.磁感线可以用来表示磁场的强弱和方向D.磁感线类似电场线,它总是从磁体的N极出发,到S极终止]5.电场中有一点P,下列说法中正确的是( )A.若放在P点的点电荷量减半,则P点的场强减半B.若P点没有放入电荷,则P点的场强为零C.P点的场强越大,则同一电荷在P点受的电场力就越大D.P点的场强方向为放入该点的点电荷受力的方向6.如图1-4所示,在长直导线AB旁,有一带正电的小球用绝缘细绳悬挂在O点,当导线中通入恒定电流时,下列说法正确的是( )图1-4A.小球受到磁场力的作用,其方向指向纸里B.小球受到磁场力的作用,其方向指向纸外C.小球受到磁场力的作用,其方向垂直AB向右D.小球不受磁场力的作用7.关于安培力,下列说法中正确的是( )A.通电直导线在磁场中一定受安培力作用B.通电直导线在磁场中所受安培力的方向一定只跟磁场方向垂直C.通电直导线在磁场中所受安培力的方向一定只跟电流方向垂直]D.通电直导线所受安培力的方向垂直于由B和I所确定的平面8.在图1-5所示的竖直向下的匀强电场中,用绝缘细线拴住的带电小球在竖直平面内绕悬点O做圆周运动,下列说法正确的是( )图1-5①带电小球有可能做匀速圆周运动②带电小球有可能做变速圆周运动③带电小球通过最高点时,细线拉力一定最小④带电小球通过最低点时,细线拉力有可能最小A.② B.①②C.①②③ D.①②④二、双项选择题(本题共2小题,每小题6分,共12分.在每小题给出的四个选项中,有两个选项符合题目要求,全选对的得6分,只选1个且正确的得3分,有选错或不答的得0分) 9.在回旋加速器中( )A.高频电源产生的电场用来加速带电粒子B.D形盒内有匀强磁场,两D形盒之间的窄缝有高频电源产生的电场]C.两D形盒之间的窄缝处有恒定的电场D.带电粒子在D形盒中运动时,磁场力使带电粒子速度增大10.下列有关带电粒子运动的说法中正确的是(不考虑重力)( )A.沿着电场线方向飞入匀强电场,动能、速度都变化B.沿着磁感线方向飞入匀强磁场,动能、速度都不变C.垂直于磁感线方向飞入匀强磁场,动能、速度都变化D.垂直于磁感线方向飞入匀强磁场,速度不变,动能改变三、非选择题(本题共6小题,共56分.把答案填在题中横线上或按要求作答.解答题应写出必要的文字说明、方程式和重要的演算步骤,只写出最后答案的不能得分,有数值计算的题,答案中必须明确写出数值和单位)11.(8分)运动的电子束在垂直于运动方向的磁场中会受到______的作用,显像管通过________控制电子束打在荧光屏上的位置构成画面.12.(8分)面积为6×10-2 m2的导线框,放在磁感应强度为4×10-2 T的匀强磁场中,当线框平面与磁感线平行时,穿过线框的磁通量为________ Wb;当线框平面与磁感线垂直时,穿过线框的磁通量为________ Wb.13.(8分)如果把气球在头发上摩擦几下后靠近位于臂上的汗毛,你可能看到什么现象?请用本章学习的知识分析可能出现的现象并解释该现象.14.(10分)根据磁场和导线电流的关系,说明图1-6中安培力的方向.图1-615.(10分)判断图1-7中洛伦兹力的方向.图1-716.(12分)通过本章学习,你认为电场和磁场之间有联系吗?如果有,请至少列举两个实验现象加以证实.参考答案1.解析:选B.磁场的方向可以用小磁针和磁感线来确定,磁场的方向规定为磁感线的切线方向,也可以说是小磁针北极受磁场力的方向,或者是小磁针静止时北极所指的方向.2.解析:选B.本题考查了对库仑定律的应用.真空中两点电荷间的作用力大小与两电荷电量的乘积成正比,与它们距离的平方成反比.A选项中电荷量不变距离加倍时,相互作用力变为原来的1/4,A错误.B 选项中,一个电荷的电荷量和两电荷间距都减半时,则作用力变为原来的2倍,B对.C选项中,每个电荷的电荷量和两电荷间距都减半时,则相互作用力不变,故C错.D选项中,一个电荷的电荷量和两电荷间距都增加相同倍数时,由库仑定律可知,作用力变为原来的1/2,D错误.3.解析:选C.电场线上每一点的切线方向是电场强度的方向,是正电荷在该点受力的方向,与负电荷受力的方向相反,故A错;沿电场线的方向,场强可能越来越大,场强可能越来越小,场强可能不变,这与电场线的疏密程度有关,所以顺着电场线移动电荷,电荷所受电场力可能越来越大,可能越来越小,可能不变,故B、D错.在电场线越密的地方,场强越大,则电荷受到的电场力就越大,C正确.4.解析:选C.磁针放在磁体的周围受力的作用,说明磁体在周围空间产生了磁场,磁场是一种客观物质,故A错;人们为了形象地描绘磁场;用图形——磁感线将抽象的磁场描绘出来,磁感线是假想的曲线,其客观上并不存在,故B错;磁感线可以其疏密程度表示磁场强弱,用线上某点切线方向表示磁场方向,故C正确;在磁体周围磁感线在磁体内部从S极到N极,外部从N极到S极,故D错.正确理解磁感线这一理想模型是解决此类题的基础.5.解析:选C.电场强度是由电场本身决定的,一旦电场确定,则电场中任何一点的场强也就唯一地被确定,与放入电场中的电荷的电性、电荷量以及是否放入电荷无关,所以A、B错;电荷在电场中受到的力是电场力,电场力的大小由电荷的带电荷量及电场强度的大小决定,电荷的带电荷量越多,电场强度越大,则电场力就越大;同一电荷在电场中所受电场力的大小由场强来决定,电场强度越大,则电场力越大,电场强度越小,则电场力越小,故C正确;电场强度的方向规定为正电荷在电场中受力的方向,与负电荷受力的方向相反,D错.6.解析:选D.直线电流周围存在磁场,而带电小球相对磁场静止,故带电小球不受洛伦兹力.电荷在磁场中受到洛伦兹力的条件:①电荷必须运动;②运动方向不能与磁场方向平行.7.解析:选D.若通电导线放置与磁场方向平行,则安培力为零,若通电导线放置与磁场方向垂直,通电导线所受安培力最大,故通电导线在磁场中不一定受安培力作用,安培力方向始终垂直于磁感应强度B 和电流强度I的方向,即垂直于B、I决定的平面,故A、B、C错,D正确.通电导线所受安培力F安与电荷在电场中所受电场力F电方向规定有区别,F安垂直于B、I决定平面,F电与电场方向在同一条直线上.通电导线在磁场中是否受安培力还与导线放置方向有关,而电荷在电场中一定受电场力作用.8.解析:选D.带电小球受电场力、重力、细线的拉力,若重力和电场力的合力为零,则小球在细线拉力作用下做匀速圆周运动,否则小球将做变速圆周运动,故①、②正确;若重力与电场力合力的方向竖直向上,则在最低点绳的拉力最小;若电场力与重力的合力竖直向下,则在最高点绳的拉力最小,③错误,④正确,故选D项.9.解析:选AB.回旋加速器内有匀强磁场又有高频电源产生的加速电场,磁场使带电粒子偏转,高频电源的电场给带电粒子加速获得较高能量.在D形盒内,磁场力改变带电粒子的速度方向,不改变速度大小,使带电粒子能够多次被加速,在两个D形盒间缝隙内存在高频电源,使带电粒子速度、动能增大.10.解析:选AB.在电场中的电荷一定会受到电场力.沿电场线飞行的电荷,电场力对电荷一定做功,其动能、速度一定变化,故A正确;在磁场中的电荷不一定受到洛伦兹力,若电荷沿磁感线飞行,则电荷不受洛伦兹力,不计重力情况下,电荷将做匀速直线运动,故B正确;若电荷垂直磁感线飞行,则洛伦兹力最大,洛伦兹力只改变运动速度的方向,不改变其大小,即对电荷不做功,故C、D均错.11.答案:磁场力(洛伦兹力) 磁场12.答案:0 2.4×10-513.答案:可能看到汗毛受气球吸引而竖起来,因为气球与头发摩擦后会带上静电,靠近手臂上的汗毛时,汗毛受气球上的静电吸引而竖起来.14.答案:向下向里向左向下15.答案:向外向右向上向外16.答案:有联系.实验现象:(1)放在通电导体周围的小磁针发生偏移,说明导体周围有磁场;(2)通电导体在磁场中受到力的作用;(3)电子束在磁场中发生偏移.。
电与磁单元培优测试卷一、三物理电与磁易错压轴题(难)1.在安装直流电动机模型的实验中,小明将组装好的电动机模型、滑动变阻器、电源、开关串联起来如图甲所示:(1)小明闭合开关,发现线圈不转,他用手轻轻转了一下线圈,电动机模型开始正常转动。
线圈原来不转的原因是_______;(2)若要电动机转速加快,小明应将滑动变阻器的滑片向_______移动;(3)接下来,小明把永磁铁换成图乙所示的电磁铁,并将电磁铁线圈的两个接线柱M、N分别与电刷A、B相连,使电磁铁线圈与电动机模型线圈并联后,合用一个电源。
当对调接在电源正、负极上的导线时,电动机线圈转动的方向会不会改变?答:_______,理由是_______;(4)完成以上实验后,小明取下图甲中的电源换上小灯泡,在模型的转轴上绕上细线,如图丙所示,然后快速拉动细线,使线圈转动起来,结果小灯泡发光,此时这模型就相当于_______机。
【答案】线圈刚好处在平衡位置左不会电流方向和磁场方向同时改变发电【解析】【分析】【详解】(1)[1]线圈不转,用手轻轻转了一下线圈,电动机模型开始正常转动,说明线圈原先刚好处在平衡位置。
(2)[2]要使电动机转速变快,就要增大电流,所以滑动变阻器电阻应变小,即滑片要向左移动。
(3)[3][4]电磁铁和线圈共用一个电源,当对调电源正负极时,电磁铁的磁场方向改变,线圈中的电流方向也发生改变,所以电动机的转向不变。
(4)[5]拉动细线,线圈转动,切割磁感线,产生感应电流,所以是发电机的模型。
2.在观察“磁场对通电直导线的作用”活动中,小明用导线在固定的接线柱MN下悬挂一根轻质的铝棒ab,然后将其作为通电导线接入电路放在蹄形磁体的磁场里,如图甲所示。
(1)小明闭合开关,看到铝棒稳定时如图乙所示;在探究导线在磁场中受力方向与电流方向、磁场方向的关系时,小明先仅对调磁极位置,闭合开关,观察到铝棒ab稳定时如丙所示,由此可知通电导线在磁场中受力的方向与____________方向有关。
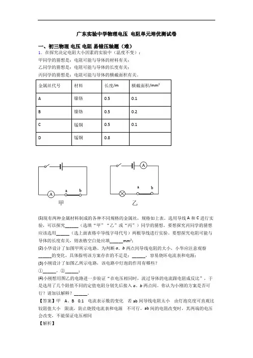
广东实验中学物理电压电阻单元培优测试卷一、初三物理电压电阻易错压轴题(难)1.在探究决定电阻大小因素的实验中(温度不变):甲同学的猜想是:电阻可能与导体的材料有关;乙同学的猜想是:电阻可能与导体的长度有关;丙同学的猜想是:电阻可能与导体的横截面积有关。
金属丝代号材料长度/m横截面积/mm2A镍铬0.50.1B镍铬0.50.2C锰铜0.50.1D锰铜0.8(1)现有两种金属材料制成的各种不同规格的金属丝,规格如上表。
选用导线A和C进行实验,可以探究______(选填“甲”“乙”或“丙”)同学的猜想。
要想探究丙同学的猜想应该选用______(选上面表格中导线字母代号)两根导线进行实验。
要想探究电阻可能与导体的长度有关,则表格空白处应填______mm2;(2)小华设计了如图甲所示电路。
为判断a、b两点间导线电阻的大小,小华应注意观察______的变化,具体指明该方案存在的不足是:______,容易烧坏电流表和电源;(3)小刚设计了如图乙所示电路,该电路中灯泡的作用有哪些?①______,②______;(4)小刚想用图乙的电路进一步验证“在电压相同时,流过导体的电流跟电阻成反比”,于是选用了几个阻值不同的定值电阻分别先后接入a、b两点间。
你认为小刚的方案是否可行?请加以解释?______。
【答案】甲 A、B 0.1 电流表示数的变化若ab间导线电阻太小由灯泡亮度可直观比较阻值大小限流,防止烧毁电流表和电源不可行,ab间的电阻改变时,其两端的电压会改变,不能保证电压相同【解析】【分析】【详解】(1)[1]由表中所给条件知,导线A和C的长度、横截面积相同,导体的材料不同,故可以探究甲同学的猜想。
[2]要探究横截面积与导体电阻大小的关系,就要控制导体的材料、长度相同,横截面积不同,在表格中给的导线中,只有A、B符合条件。
[3]要探究长度与导体电阻大小的关系,就要控制导体的材料、横截面积相同,导体的长度不同,在表格中给的导线中,只有C、D符合条件,故表格空白处应填0.1mm2。
广东实验中学物理电流和电路单元培优测试卷一、初三物理电流和电路易错压轴题(难)1.在探究“并联电路各支路中的电流与干路电流的关系”时,小明同学在实验室选取:电流表3只,灯泡2只,开关1个,干电池,导线若干.(1)请你帮助小明设计一个能够同时测量出支路和干路电流的电路,把你设计的实验电路图画在方框内.(______)(2)小明同学按照电路图连接实物,把最后一根导线连接完毕后,看到灯泡立即发光,一个电流表指针向零刻度的左边偏转.小亮认为在实验操作中有两处错误,其中一处是_____,还有一处是_____.(3)小明排除故障后开始实验,正确得出电流表示数如表实验次数I1/A I2/A I3/A1 0.100.20 0.30分析表格中的数据,小明发现并联电路干路中的电流和支路中的电流关系是_____(可用字母表达式表示).但为了使实验结论更具科学性,请你提出一条合理化建议:_____.【答案】连接电路的过程中,开关没有断开电流表的接线柱接反了 I3=I1+I2更换不同的灯泡进行多次实验【解析】【分析】(1)连接电路时,开关应断开;(2)电流表串联在电路中,电流要正进负出;(3)多次实验找出普遍性规律;【详解】(1)从电源正极依次串联开关、灯泡L1、电流表A1、电流表A回到电源负极,然后将灯泡L2和电流表A2串联后并联在灯泡L1和电流表A1两端,如下图所示:(2)把最后一根导线连接完毕后,看到灯泡立即发光,说明连接电路的过程中,开关没有断开;一个电流表指针向零刻度的左边偏转,说明电流表的接线柱接反了.(3)由表中数据分析可以知道,并联电路中干路电流等于各支路电流之和,即I3=I1+I2一组实验数据具有偶然性,要得到普遍规律,需多次实验得到多组实验数据,因此需更换不同的灯泡进行多次实验.2.在“用伏安法测电阻”的实验中:(1)实验原理是_______________________。
(2)在下左图中将滑动变阻器正确连入电路(未知电阻大于5Ω)(_______)(3)如某次测量中,老师只提供了下列器材:电压恒定的电源一个(电压未知)、电流表一只、定值电阻R0一个(电阻已知)、单刀开关两只、导线若干。
2023年春学期九年级物理第二十章【电与磁】》单元培优试卷一.选择题1.有两根外形完全相同的钢棒a和b;按图甲放置,手拿住a时,b不会掉下来;按图乙放置,手拿住b 时,a会掉下来。
这说明()A.钢棒a具有磁性B.钢棒b具有磁性C.钢棒a和b都具有磁性D.钢棒a和b都不具有磁性2.如图弹簧秤下挂一条形磁铁,沿着条形磁铁自左向右水平方向移动时,弹簧秤的示数将()A.不变B.逐渐增大C.先增大后减小D.先减小后增大3.在探究磁体特点的活动中,小华用条形磁体不接触也能把回形针吸引起来,如图所示,同组的小明说这是因为磁体周围存在磁场,但小华认为小明的说法缺乏证据,为此小明作进一步探究。
下列做法及现象中最能说明磁体周围存在磁场的是()A.把磁体拿走,回形针掉落下来B.类比“风吹树叶动”现象,说明磁体周围存在像风一样看不见的物质C.把小铁片放在磁体与回形针之间,回形针掉落下来D.把纸片放在磁体与回形针之间,回形针没有掉落下来4.图示为四个“吸”的实例,下列对它们的解释中,错误的是()A.图中甲,具空吸盘挂钩吸在光流的墙面上:空气甲存在大气压B.图乙中,与头发摩擦过的塑料梳子“吸”起纸屑:梳子与纸屑带有异种电荷C.图丙中,两接触面平滑的铅柱被用力挤压后“吸”在一起:分子间存在引力D.图丁中,底部有磁铁的教具“吸”在含铁的黑板上:磁体具有磁性5.小科在课外兴趣活动课中将数枚一元硬币按如图所示放在两根平行的条形磁铁上,搭成了一座漂亮的“硬币桥”,下列分析正确的是()A.“硬币桥”上左右两端的硬币没有磁性B.“硬币桥”中间磁性最强C.“硬币桥”的搭建利用到了磁化的原理D.两枚硬币相邻的部分是同名磁极6.如图所示,开关闭合,滑动变阻器的滑片位于A端,小铁片被竖直吸在电磁铁的左侧。
若将滑片从A 端移动到中点,则()A.铁片受到的摩擦力将不变B.小铁片会脱落C.电磁铁的磁性减弱D.电磁铁的左端为N极7.如图所示,GMR是巨磁电阻,它的阻值随电磁铁磁性的增强而减小。
电与磁培优卷一、电与磁选择题1.如图所示,A是悬挂在弹簧测力计下的条形磁铁,B是螺线管.闭合开关,待弹簧测力计示数稳定后,将滑动变阻器的滑片缓慢向右移动的过程中,下列说法正确的是()A. 电压表示数变大,电流表示数也变大B. 电压表示数变小,电流表示数也变小C. 螺线管上端是N极,弹簧测力计示数变小D. 螺线管上端是S极,弹簧测力计示数变大【答案】 C【解析】【解答】解:(1)由图可知电流由螺线管的下方流入,则由右手螺旋定则可知螺线管上端为N极,下端为S极;则螺线管与磁铁为同名磁极,相互排斥;当滑片向右移动时,滑动变阻器接入电阻变小,则由欧姆定律可知电路中电流增大,即电流表的示数变大;因为串联电路中,电阻越大,分得的电压越大,因此滑动变阻器两端电压减小,即电压表示数减小;故AB错误;(2)由于通过电路的电流变大,则螺线管的磁性增大,螺线管与磁铁之间的斥力增大,因此弹簧测力计示数变小.故C正确,D错误.故选C.【分析】解答此题从以下知识点入手:(1)影响电磁铁磁性强弱的因素有:电流的大小、线圈的匝数、有无铁芯.线圈的匝数一定,电流越大磁性越强;(2)运用安培定则判断通电螺线管的极性;(3)磁极间的相互作用:同名磁极相互排斥,异名磁极相互吸引.(4)当变阻器R的滑片缓慢向右移动,滑动变阻器接入电路的电阻变小,根据欧姆定律和串联电路电压的特点可知电路电流表和电压表示数的变化.2.从物理学角度解释诗句,下列说法与物理知识相符的是()A. “潭清疑水浅”实际上是一种光的反射现象B. “看山恰似走来迎”中描述的“山”在“走”,是以山为参照物C. “花气袭人知骤暧”说明温度越高分子的无规则运动越剧烈D. “臣心一片磁针石,不指南方不肯休”,诗中磁针指向南方的一端是磁针的N极【答案】C【解析】【解答】解:A、“潭清疑水浅”是由于光的折射产生的一种现象,A不符合题意;B、以诗人乘坐的船为参照物,山与船之间的位置发生了变化,山是运动的,所以会感觉到“看山恰似走来迎”,B不符合题意;C、“花气袭人知骤暖”说明温度越高分子无规则运动越剧烈,C符合题意;D、地球本身是一个巨大的磁体,地磁北极在地理南极附近,地磁南极在地理北极附近,小磁针在地磁场的作用下,始终指向南北方向,其中,指南的一端磁针的南(S)极,D不符合题意。
电与磁单元培优测试卷一、三物理电与磁易错压轴题(难)1.小刚学习了电磁铁的知识后,想知道电磁铁周围的磁场强弱与通入电磁铁的电流大小和距电磁铁的距离是否有关。
查阅资料知道,磁场强弱即磁感应强度(用B表示)的单位是T(特斯拉)。
图甲和图乙中电源电压均为6 V且恒定不变,图乙中R是磁敏电阻,其阻值随磁感应强度B的变化关系如图丙所示。
(1)由图丙可知,磁感应强度越大,R阻值越_____;小刚设计的图甲、乙组成的实验装置是通过________来判断R所处位置的磁感应强度。
(2)利用图甲、乙装置,保持_________相同时,闭合S1、S2后移动滑动变阻器的滑片,发现滑片P向左滑动时,灵敏电流计的示数不断变小,说明R所处位置的磁感应强度不断________(选填“增大”或“减小”)。
(3)当闭合S1、S2,保持滑片位置不变,沿电磁铁轴线方向移动R,测出R距离电磁铁的距离L和灵敏电流计的示数I,结合图丙计算出磁感应强度B的数值如下表.L/cm12345I/mA1015203050B/T0.680.6___0.360.14①当L=3 cm时,将此时磁感应强度B数值填在上表中对应位置。
②分析以上数据可以得出,通入电磁铁的电流一定时,距电磁铁越远,磁感应强度B越______.③综合(2)和(3)的实验结论可知,电磁铁周围的磁感应强度B与通入电磁铁的电流大小和距电磁铁的距离________(选填“有关”或“无关”)。
【答案】大灵敏电流计示数R距电磁铁的距离增大0.5小有关【解析】【分析】【详解】(1)[1]由图丙可知,磁感应强度越大,R阻值越大。
[2]图乙中R 是磁敏电阻,其阻值随磁感应强度B 的变化而变化,磁敏电阻的变化引起电路中电流的变化,实验中根据灵敏电流计示数判断R 所处位置的磁感应强度的强弱。
(2)[3]研究电磁铁周围的磁场强弱与通入电磁铁的电流大小是否有关,控制磁敏电阻R 到电磁铁的距离。
[4]灵敏电流计的示数不断变小,说明图乙电路中的电流不断减小,磁敏电阻的阻值不断增大,R 所处位置的磁感应强度不断增大。
物理九年级下册电与磁单元培优测试卷一、三物理电与磁易错压轴题(难)1.如图是小明探究“影响电磁铁磁性强弱因素”的装置图(A为指针下方固定的铁块;线圈电阻忽略不计)。
小明通过观察指针B偏转角度的大小来判断电磁铁磁性的强弱。
开始时导线a与接线柱1相连,闭合开关,指针B绕固定点O点发生偏转。
(1)实验前,应将导线b与滑动变阻器的__________(选填“c”或“d”)接线柱连接。
(2)闭合开关,电磁铁的左端为__________极;使滑片P向左移动时,指针的偏转角度变大,说明电磁铁磁性强弱与__________有关。
(3)断开开关,将导线a与接线柱1相连改为与接线柱2相连,保持滑动变阻器的滑片P 的位置不变,再闭合开关,此时指针偏转角度__________(选填“变大”、“变小”或“不变”)。
(4)下图所示的装置中应用电磁铁工作的是__________。
(选填序号)【答案】c N 电流大小变小④【解析】【详解】(1)[1]实验前,应将导线b与滑动变阻器的c接线柱连接,这样变阻器的电阻才能进行调节;(2)[2]从图中可以看到,电流从电磁铁的右端流入,左端流出,根据安培定则可知电磁铁的左端为N极;[3]滑片P向左移动时,电路中的总电阻变小,电路的电流变大,而指针的偏转角度也变大,说明电磁铁磁性强弱与电流大小有关;(3)[4]由于线圈的匝数变少,电流强度不变,那么电磁铁磁性变弱,则指针偏转角度减小;(4)[5]手摇发电机是产生电流,利用电磁感应原理工作的;自制电动机是利用通电线圈在磁场中受力转动的原理工作的;动圈式话筒是利用电磁感应工作的;电铃通电时,电磁铁有电流通过,产生了磁性,小锤下方的弹性片被吸过来,小锤打击电铃发出声音,同时电路断开,电磁铁失去磁性,小锤又被弹回,电路闭合,不断重复,电铃会发出连续打击声,这是应用了电磁铁;故选④。
2.如图是小明“探究导体在磁场中运动时产生感应电流的条件”的实验装置。
物理九年级下册电与磁单元培优测试卷一、三物理电与磁易错压轴题(难)1.两个电磁铁A和B都用粗细相同的漆包线绕制而成,其外形及所用的铁芯都相同,但线圈面数不同(外观上看不出)要比较哪个电磁铁的线匝数多,小明用相同的恒压电源、滑动变阻器、导线、开关,并提供足够多的大头针,连接电路进行了图两个实验。
(1)关于小明的实验:①磁性较强的电磁铁是______ (选填“A”或“B”)。
依据是_____ ;②该实验,无法比较哪个电磁铁的线圆匝数更多,原因是______;(2)利用上述器材设计实验,要求能比较哪个电磁铁的线圈匝数更多(可增加一个器材,或不增加器材):①步骤(可用文字或画图表述)______;②结论分析:______。
【答案】A 吸引大头针的数量较多不能确保流过两个电磁铁的电流相同见解析吸引大头针数量较多的电磁铁,线圈匝数较多【解析】【分析】【详解】(1)[1][2]由图可知电磁铁A吸引的的大头针数量比电磁铁B多,可判断电磁铁A的磁性较强。
[3]影响电磁铁磁性强弱的因素有线圈匝数、电流大小,该实验中无法通过电磁铁磁性强弱来判断谁的线圈匝数多,谁的少,原因在于无法确保流过两个电磁铁的电流相同。
(2)[4]步骤:将电磁铁A、B串联在一个电路中,通过它们的电流相等,是电磁铁A、B上的线圈匝数不同。
[5]结论分析:在电磁铁通过电流相同时,线圈匝数较多的电磁铁,吸引大头针数量较多;线圈匝数较少的吸引大头针数量较少;可判断:吸引大头针数量较多的电磁铁,线圈匝数较多。
2.如图是小明探究“影响电磁铁磁性强弱因素”的装置图(A为指针下方固定的铁块;线圈电阻忽略不计)。
小明通过观察指针B偏转角度的大小来判断电磁铁磁性的强弱。
开始时导线a与接线柱1相连,闭合开关,指针B绕固定点O点发生偏转。
(1)实验前,应将导线b与滑动变阻器的__________(选填“c”或“d”)接线柱连接。
(2)闭合开关,电磁铁的左端为__________极;使滑片P向左移动时,指针的偏转角度变大,说明电磁铁磁性强弱与__________有关。
一、选择题1.如图,磁场垂直于纸面,磁感应强度在竖直方向均匀分布,水平方向非均匀分布。
一铜制圆环用丝线悬挂于O点,将圆环拉至位置a后无初速释放,在圆环从a摆向b的过程中()A.感应电流方向先逆时针后顺时针再逆时针B.感应电流方向一直是逆时针C.安培力方向始终与速度方向相反D.安培力方向始终沿竖直方向2.如图所示,L是自感系数很大的线圈,但其自身的电阻几乎为零。
A和B是两个完全相同的小灯泡。
下列说法正确的是()A.闭合开关S后,A灯亮,B灯不亮B.闭合开关S后,A灯亮,B灯慢慢变亮C.开关S闭合电路稳定后,在突然断开的瞬间,A、B灯都闪亮一下D.开关S闭合电路稳定后,在突然断开的瞬间,A灯立即熄灭、B灯闪亮一下再熄灭3.如图,A、B是两个完全相同的灯泡,L是自感线圈,自感系数很大,电阻可以忽略,则以下说法正确的是()A.当K闭合时,A灯先亮,B灯后亮B.当K闭合时,B灯先亮C.当K闭合时,A、B灯同时亮,随后B灯更亮,A灯熄灭D.当K闭合时,A、B灯同时亮,随后A灯更亮,B灯亮度不变4.如图所示,在同一个水平而内的彼此绝缘的两个光滑圆环A 、B ,大圆环A 中还有顺时针方向的恒定电流I 。
小圆环B 的一半面积在环A 内、一半面积在环A 外,下列说法正确的是( )A .穿过环B 的磁通量为0B .环B 中有持续的感应电流C .若增大环A 内的电流,则环B 会向右移动。
D .若减小环A 内的电流,则环B 会产生道时针方向的电流5.科学家发现一种新型合金材料N 45Co5n40Sn10i M (),只要略微加热该材料下面的铜片,这种合金就会从非磁性合金变成强磁性合金。
将两个相同的条状新型合金材料竖直放置,在其正上方分别竖直、水平放置两闭合金属线圈,如图甲、乙所示。
现对两条状新型合金材料下面的铜片加热,则( )A .甲图线圈有收缩的趋势B .乙图线圈有收缩的趋势C .甲图线圈中一定产生逆时针方向的感应电流D .乙图线圈中一定产生顺时针方向的感应电流6.如图所示,MPQN 是边长为L 和2L 的矩形,由对角线MQ 、NP 与MN 、PQ 所围的两个三角形区域内充满磁感应强度大小相等、方向相反的匀强磁场。
广东实验中学物理内能的利用单元培优测试卷一、初三物理内能的利用易错压轴题(难)1.如图所示,甲、乙、丙三图中的装置完全相同.燃料的质量都是10g,烧杯内的液体质量也相同.假设燃料完全然烧释放热量都被液体吸收.(1)若比较不同燃料的热值,应选择______两图进行实验,燃料完全燃烧放出热量的多少,是通过_____来反映的,通过本次试验得到的燃料热值与实际热值相比偏______(选填“大”或“小”).(2)若比较不同物质的吸热本领,应选择____两图进行实验;不同物质吸热的多少是通过____来反映的.【答案】甲乙升高的温度小甲丙加热时间【解析】【分析】【详解】(1)[1]为了比较不同燃料的热值,应控制被加热液体相同而燃料不同,应选择甲、乙两图进行实验;[2]燃料燃烧放出的热量被液体吸收,燃料完全燃烧放出热量的多少,可以通过液体升高的温度来反映;[3]因为燃料燃烧释放的热量不能全部被液体吸收,则通过实验得到的燃料热值与实际相比是偏小;(2)[4]若比较不同物质的吸热本领,应控制燃料相同而被加热的液体不同,应选择甲、丙两图进行实验;[5]用相同的加热装置对液体加热,相等时间内液体吸收的热量相等,加热时间反应了不同物质吸热的多少.2.小明同学学习了燃料的热值后,考虑到燃料燃烧放出的热量会被水吸收,而水的比热已知.(注:燃料完全燃烧放热用Q放=qm计算,某燃料的热值用q表示;其质量用m表示).自己设计一个实验来探究煤油和菜籽油的热值的大小关系.他组装了如图所示的装置进行实验,记录结果见下表:燃料加热前的水温/℃燃料燃尽后水温/℃煤油2544菜籽油2534(1)为了保证实验结论的可靠,小明同学选择了两套相同装置,在实验中还应控制:煤油和菜籽油的_____相同、及_______相同.(2)分析得出:煤油和菜籽油两种燃料中,热值较大的是_______.(3)小明同学还想利用这种实验方案计算出煤油和菜籽油的热值,那么小明还需要补充的实验仪器是:______.利用此实验方法计算出的热值将比真实值_____(偏大/偏小).说说你的看法________ .【答案】质量水的质量煤油天平偏小燃烧放出的热会散失到空气中,又或被烧杯等实验装置吸了热,使Q放大于Q吸【解析】【分析】本题主要考查利用控制变量法和转换法设计实验的能力,由于燃料的热值不能直接测量,所以通过水温升高的度数大小来体现燃料的热值大小,又由于燃料燃烧释放的热量既与燃料的质量多少有关,又与燃料的热值大小有关,所以在设计实验时应控制质量相同.【详解】(1)因燃料放出的热量与质量有关,必须控制燃料的质量相等,由于水吸收热量后升高的温度受水的质量的影响,所以在实验中应控制水的质量相等;(2)由图表数据可知在相同时间内甲杯中的水温度升高的快,所以煤油的热值较大;(3)要控制质量相等,需要用天平来测量;由于燃料并不可能完全燃烧,燃料燃烧放出的热会散失到空气中,又或被烧杯等实验装置吸了热,使Q放大于Q吸,依此计算出煤油和菜籽油的热值比实际要偏小些.3.小明学习了燃料的热值后,自己设计了一个实验来探究煤油和菜籽油的热值的大小关系。
广东广东实验中学物理第十三章电磁感应与电磁波精选测试卷专题练习一、第十三章电磁感应与电磁波初步选择题易错题培优(难)1.为了解释地球的磁性,19世纪安培假设:地球的磁场是由绕过地心的轴的环形电流I引起的.在下列四个图中,正确表示安培假设中环形电流方向的是()A.B. C.D.【答案】B【解析】【分析】要知道环形电流的方向首先要知道地磁场的分布情况:地磁的南极在地理北极的附近,故右手的拇指必需指向南方,然后根据安培定则四指弯曲的方向是电流流动的方向从而判定环形电流的方向.【详解】地磁的南极在地理北极的附近,故在用安培定则判定环形电流的方向时右手的拇指必需指向南方;而根据安培定则:拇指与四指垂直,而四指弯曲的方向就是电流流动的方向,故四指的方向应该向西.故B正确.【点睛】主要考查安培定则和地磁场分布,掌握安培定则和地磁场的分布情况是解决此题的关键所在.另外要掌握此类题目一定要乐于伸手判定.2.如图所示为六根与水平面平行的导线的横截面示意图,导线分布在正六边形的六个角,B,则正六边导线所通电流方向已在图中标出。
已知每条导线在O点磁感应强度大小为形中心O处磁感应强度的大小和方向()A.大小为零B .大小02B ,方向沿x 轴负方向C .大小04B ,方向沿x 轴正方向D .大小04B ,方向沿y 轴正方向【答案】D【解析】【分析】【详解】根据磁场的叠加原理,将最右面电流向里的导线在O 点产生的磁场与最左面电流向外的导线在O 点产生的磁场进行合成,则这两根导线的合磁感应强度为B 1;同理,将左上方电流向外的导线在O 点产生的磁场与右下方电流向里的导线在O 点产生的磁场进行合成,则这两根导线的合磁感应强度为B 2;将右上方电流向里的导线在O 点产生的磁场与左下方电流向外的导线在O 点产生的磁场进行合成,则这两根导线的合磁感应强度为B 3。
如图所示:根据磁场叠加原理可知12302B B B B ===由几何关系可知B 2与B 3的夹角为120°,故将B 2与B 3合成,则它们的合磁感应强度大小也为2B 0,方向与B 1的方向相同,最后将其与B 1合成,可得正六边形中心处磁感应强度大小为4 B 0,方向沿y 轴正方向.选项D 正确,ABC 错误。
广东实验中学高二下物理3 月线上测验卷班级姓名学号一、选择题(1~4 题为单选题,5~8 题为多选题,共 48 分。
)1.如下图所示,当开关S 闭合后,小磁针处在通电电流的磁场中的位置正确的是( )2.如图所示,1831 年法拉第把两个线圈绕在一个铁环上,A 线圈与电源、滑动变阻器R 组成一个回路,B 线圈与开关S、电流表G 组成另一个回路.通过多次实验,法拉第终于总结出产生感应电流的条件.关于该实验下列说法正确的是( )A.闭合开关 S 的瞬间,电流表 G 中有a → b的感应电流B.闭合开关 S 的瞬间,电流表 G 中有b → a的感应电流C.闭合开关 S,滑动变阻器的滑片向左滑的过程中,电流表 G 中有a → b的感应电流D.闭合开关 S,滑动变阻器的滑片向左滑的过程中,电流表 G 中有b → a的感应电流3.2018 珠海航展中,我国歼10 − B眼镜蛇飞行表演让飞行爱好者赚足了眼球。
如图所示是某飞机在珠海从北往南飞行过程中的一个镜头,当飞机从水平位置飞到竖直位置时,相对于飞行员来说,关于飞机的左右机翼电势高低的说法中正确的是( )A.不管水平飞行还是竖直向上飞行,都是飞机的左侧机翼电势高B.不管水平飞行还是竖直向上飞行,都是飞行的右侧机翼电势高C.水平飞行时,飞机的左侧机翼电势高,竖直向上飞行时机翼右侧电势高D.水平飞行时,飞机的左侧机翼电势低,竖直向上飞行时机翼的左侧电势高。
4.如图所示,沿直线通过速度选择器的正离子从狭缝S 射入磁感应强度为B2的匀强磁场中,偏转后出现的轨迹半径之比为R1∶R2=1∶2,则下列说法正确的是( )A.离子的速度之比为1∶2B.离子的电荷量之比为1∶2C.离子的质量之比为1∶2D.以上说法都不对5.如图所示,一束电子以不同的速率沿图示方向飞入横截面是一正方形的匀强磁场,下列判断正确的是( )A.电子在磁场中运动的时间越长,其轨迹越长B.电子在磁场中运动的时间越长,其轨迹线所对应的圆心角越大C.在磁场中运动时间相同的电子,其轨迹一定重合D.电子的速率不同,它们在磁场中运动的时间可能相同6.如图所示,环型对撞机是研究高能粒子的重要装置.正、负离子由静止经过电压为 U 的直线加速器加速后,沿圆环切线方向注入对撞机的真空环状空腔内,空腔内存在着与圆环平面垂直的匀强磁场,磁感应强度大小为B.两种带电粒子将被局限在环状空腔内,沿相反方向做半径相等的匀速圆周运动,从而在碰撞区迎面相撞.为维持带电粒子在环状空腔中的匀速圆周运动,下列说法正确的是( )q越大,B 越大A.对于给定的加速电压,带电粒子的比荷mq越大,B 越小B.对于给定的加速电压,带电粒子的比荷mC.对于给定的带电粒子,电压 U 越大,粒子运动的周期越小D.对于给定的带电粒子,不管电压 U 多大,粒子运动的周期都不变7.如图所示,甲带正电,乙是不带电的绝缘物块,甲、乙叠放在一起,置于粗糙的固定斜面上,地面上方空间有垂直纸面向里的匀强磁场,现用平行于斜面的恒力 F 拉乙物块,在使甲、乙一起无相对滑动沿斜面向上加速运动的阶段中()A.甲、乙两物块间的摩擦力不断增大B.甲、乙两物块间的摩擦力保持不变C.甲、乙两物块间的摩擦力不断减小D.乙物块与斜面之间的摩擦力不断减小8.如图所示,两个半径相同的半圆形轨道分别竖直放置在匀强电场和匀强磁场中.轨道两端在同一高度上,轨道是光滑的,两个相同的带正电小球同时从两轨道左端最高点由静止释放.M、N 为轨道的最低点,则下列说法正确的是( )A.两小球到达轨道最低点的速度v M<v NB.两小球第一次到达轨道最低点时对轨道的压力F M>F NC.小球第一次到达 M 点的时间大于小球第一次到达 N 点的时间D.在磁场中小球能到达轨道的另一端,在电场中小球不能到达轨道的另一端二、计算题(52 分)9.(20 分)如图所示,两平行金属导轨间的距离L=0.4m,金属导轨所在的平面与水平面夹角θ=37º,在导轨所在平面内,分布着磁感应强度B=0.5T、方向垂直于导轨所在平面的匀强磁场。
初中物理电与磁培优提优专项训练试卷一、电与磁压轴实验培优题1.瑞瑞同学有-辆玩具电动车,在行驶的过程中,车上的小动物可以自由旋转,这种功能是由两个电动机带动的,如图所示是该玩具电动车的简化电路图.目前该车某一处出现了故障:通电后玩具电动车只能行驶,上面的动物不能旋转.对此,瑞瑞同学提出了猜想:[猜想与假设](1)可能是旋转开关有故障;(2)可能是旋转定时器有故障;(3)可能是________有故障.瑞瑞同学利用一只电压表来判断故障的位置.[进行实验](1)将玩具电动车装上四只新干电池,闭合旋转开关和旋转定时器;(2)将电压表一端接在d点不动,另一端依次接在a点、b点和c点,观察电压表示数. [分析与论证](1)如果另一端接在点时电压表有示数,接在点时无示数,说明旋转开关________(选填“断路”、“短路”或“正常”);(2)如果另一端分别接在、点时,电压表都有示数,然后改接到点,发现电压表仍然有示数,且,说明________和________正常,________有故障.[交流评估]瑞瑞将他的检修方法与小明和小华进行了交流.(1)小明说,在[进行实验]的第(2)步,只用一根导线连接、,就可以判断旋转电动机是否断路,方法是:如果旋转电动机________,就表明它是好的.(2)小华说,在[进行实验]的(2)第步,也可以用电流表检测旋转开关和旋转定时器是否损坏,方法是:将电流表接、,如果旋转电动机仍不转,表明旋转开关可能是________(好的/坏的);再将电流表接、,判断旋转定时器的好坏;但绝对不能将电流表接到、之间,否则有可能________.2.在探究“感应电流产生的条件”实验中:(1)如图,a、b两接线柱间应接入_____(选填“大”或“小”)量程电流表。
(2)闭合开关后,要使电路中产生感应电流,导体cd应_____运动(选填“上下”或“左右”),这是一种_____现象,利用这一原理可制成_____(选填“电动机”或“发电机”)。
广东实验中学物理电与磁单元培优测试卷一、三物理电与磁易错压轴题(难)1.学习“电磁感应”时,老师演示了发电机模型的实验(如图),摇动把手,使线圈快速转动,小灯泡就亮了。
小刚想到:产生电流的条件可能与线圈在磁场中的运动有关。
他和同学们开始了探究:(1)小刚将一根导体棒的两端用细导线悬挂起来,并与灵敏电流计、开关串联组成闭合电路,将导体棒放在蹄形磁体的磁场中(如图甲)。
小红提醒他,先把开关_______才能进行实验。
正确操作后,小刚完成了几次实验,将磁极位置、导体棒的运动方向和产生电流的情况记录如图乙,其中a表示垂直于纸面方向的导体棒;(2)小刚据此得出“只要导体棒在磁场中运动,闭合电路中就会产生电流”的结论,小红认为还应让导体棒做垂直于纸面向里、向外和________方向的运动,才能使探究更充分;(3)随着导体棒的运动,灵敏电流计的指针会发生左右偏转,于是他们对“产生电流的方向与哪些因素有关”作了如下的猜想:猜想1:产生电流的方向与磁场方向有关;猜想2:产生电流的方向与导体运动方向有关;为验证猜想,同学们进行了相应的实验,将现象记录在如下的表格中实验序号磁极位置导体棒运动情况电流计指针偏转情况1上N下S水平向右运动向右偏转2上S下N水平向右运动向左偏转3水平向左运动向右偏转分析第1、2两次实验发现,产生电流的方向跟________有关;第3次实验中磁体上方为_____(选填“N”、“S”)极,和其他实验对照验证了猜想2;(4)老师肯定了他们的探究,又介绍了科学家科拉顿的相关研究,1825年他用如图丙所示的实验装置,在两个房间中进行实验:①实验中用______________的现象来判断电路中是否产生了电流;②将导线、小磁针与磁铁、线圈分别置于两个房间,是为了________________;③科拉顿将磁铁插进线圈里,然后迅速奔向另一个房间,没有观察到产生电流的现象;他再回到放着磁铁和线圈的房间里,把磁铁从线圈中抽了出来,又跑到磁针和导线所在的房间,还是没有观察到现象。
科拉顿失去了发现电磁感应现象的机会,被后人评价为“跑失良机”。
他没能观察到产生感应电流现象的根本原因是:______________。
【答案】闭合向上、向下磁场方向 S 电流的磁效应避免磁铁的磁场对小磁针产生影响没在磁铁做切割磁感线运动时,及时观察实验现象【解析】【分析】【详解】(1)[1]进行实验时,应先闭合开关,才能得到闭合电路。
(2)[2]在图乙中,导体棒在磁场中作水平向左和斜向上的运动,那么还应让导体棒做垂直于纸面向里、向外和向上、向下方向的运动,因为应让导体棒向各个方向移动,才能对照比较出哪个方向会产生感应电流。
(3)[3]从表格的1、2两次数据知,导体棒运动的方向相同,但所处的磁场的方向相反,而产生的电流的方向也相反,说明产生的电流的方向与磁场的方向有关。
[4]从表格知,第3次实验导体棒运动的方向与上面两次都不相同,要想探究产生电流的方向与导体运动方向有关,那么应保持所处的磁场的方向相同,而1、3两次产生电流的方向相同的,不能对照验证猜想2,所以应选择2、3两次实验,那么此次实验中磁体的上方是S极。
(4)①[5]实验中用电流的磁效应现象来判断电路中是否产生电流,因为通电导体周围存在着磁场,如果有电流产生,那么导线周围就有磁场,静止的小磁针就会转动。
②[6]将导线、小磁针与磁铁、线圈分别置于两个房间,是为了避免磁铁的磁场对小磁针产生影响。
③[7]科拉顿没能观察到电流的原因是:感应电流产生的条件是,闭合电路的部分导体在作切割磁感线运动时,才会产生感应电流。
而磁铁在插入或抽出线圈时,才满足感应电流产生的条件,可是这时科拉顿尚未来得及跑到另一房间,所以错过了发现的机会。
2.如图是小明探究“影响电磁铁磁性强弱因素”的装置图(A为指针下方固定的铁块;线圈电阻忽略不计)。
小明通过观察指针B偏转角度的大小来判断电磁铁磁性的强弱。
开始时导线a与接线柱1相连,闭合开关,指针B绕固定点O点发生偏转。
(1)实验前,应将导线b与滑动变阻器的__________(选填“c”或“d”)接线柱连接。
(2)闭合开关,电磁铁的左端为__________极;使滑片P向左移动时,指针的偏转角度变大,说明电磁铁磁性强弱与__________有关。
(3)断开开关,将导线a与接线柱1相连改为与接线柱2相连,保持滑动变阻器的滑片P 的位置不变,再闭合开关,此时指针偏转角度__________(选填“变大”、“变小”或“不变”)。
(4)下图所示的装置中应用电磁铁工作的是__________。
(选填序号)【答案】c N 电流大小变小④【解析】【详解】(1)[1]实验前,应将导线b与滑动变阻器的c接线柱连接,这样变阻器的电阻才能进行调节;(2)[2]从图中可以看到,电流从电磁铁的右端流入,左端流出,根据安培定则可知电磁铁的左端为N极;[3]滑片P向左移动时,电路中的总电阻变小,电路的电流变大,而指针的偏转角度也变大,说明电磁铁磁性强弱与电流大小有关;(3)[4]由于线圈的匝数变少,电流强度不变,那么电磁铁磁性变弱,则指针偏转角度减小;(4)[5]手摇发电机是产生电流,利用电磁感应原理工作的;自制电动机是利用通电线圈在磁场中受力转动的原理工作的;动圈式话筒是利用电磁感应工作的;电铃通电时,电磁铁有电流通过,产生了磁性,小锤下方的弹性片被吸过来,小锤打击电铃发出声音,同时电路断开,电磁铁失去磁性,小锤又被弹回,电路闭合,不断重复,电铃会发出连续打击声,这是应用了电磁铁;故选④。
3.在探究“影响电磁铁磁性强弱的因素”的实验中,实验室准备的器材有:电源、开关、导线、滑动变阻器、两根完全相同的铁钉、表面绝缘的铜线、大头针若干。
利用上述器材,制成简易电磁铁甲和乙,并设计了如图所示的电路。
请你回答下列问题:(1)根据图示的情况可知,________(填“甲”或“乙”)的磁性强,依据是___________,说明电流一定时,________________电磁铁的磁性越强。
(2)当滑片P向左移动时,电磁铁甲、乙吸引大头针的个数________(填“增加”或“减少”)说明__________________电磁铁的磁性越强。
(3)电磁铁甲的上端是电磁铁的______极(填“N”或“S”)。
(4)电磁铁在生活和实际中有着广泛的应用。
以下利用电磁铁的特点工作的是________(填写序号)。
A.电热水壶B.模型电动机C.电磁继电器D.手摇发电机【答案】乙吸引的大头针个数多线圈匝数越多增加电流越大S C【解析】(1)根据图示的情境可知,甲乙串联在一起,电流相等,乙电磁铁吸引大头针比甲多,所以乙电磁铁磁性强,所以在电流一定时,线圈匝数越多,电磁铁磁性越强;(2)当滑动变阻器滑片向左移动时,线圈匝数不变,电流变大,电磁铁甲、乙吸引大头针的个数都增加,所以在线圈匝数一定时,电流越大,电磁铁磁性越强;(3)根据安培定则,右手握住螺线管,四指指向电流的方向,大拇指所指的方向是通电螺线管的N极,故下端是N极,上端是S极;(4)电热水壶利用的是电流的热效应,不符合题意;模型电动机是根据通电线圈在磁场中受力转动的原理制成的,不符合题意;电磁继电器的主要组成部分是电磁铁,是利用电磁铁通电时有磁性,断电时无磁性的原理工作的,符合题意;手摇发电机是根据电磁感应原理制成的,不符合题意,故选C。
4.如图所示为某学习小组同学设计的研究电磁铁的实验电路图.(1)当闭合开关S时,小磁针将向________(选填“顺时针”或“逆时针”)方向转动.(2)要改变电磁铁线圈中的电流大小,可通过________________________来实现;要判断电磁铁磁性强弱,可观察__________________来确定.(3)下表是该组同学所做实验的记录:①比较实验1、2、3(或4、5、6),可得出的结论是电磁铁的匝数一定时,通过电磁铁线圈中的电流________,磁性越强;②比较实验1和4(或“2和5”或“3和6”),可得出的结论是电磁铁线圈中的电流一定时,线圈匝数越多,磁性________.(4)在与同学们交流讨论时,另一组的一个同学提出了一个问题:“当线圈中的电流和匝数一定时,电磁铁的磁性强弱会不会还与线圈内的铁芯大小有关?”①你对此的猜想:____________________________;②现有两根大小不同的铁芯,利用本题电路说出验证你猜想的方法:___________.【答案】顺时针调节滑动变阻器吸引铁钉的个数越大越强当线圈中的电流和匝数一定时,电磁铁的磁性强弱与线圈内的铁芯大小有关分别把两个相同的线圈串联接入电路中,插入不同大小的铁芯,观察吸引铁钉的个数,进行比较【解析】(1)开关闭合后,由安培定则可知螺线管上方为N极,故小磁针S极会向下转动,N极向上转动,小磁针顺时针转动;(2)实验时,移动滑动变阻器的滑片,改变连入电路中的电阻,从而改变电路中的电流大小;电磁铁磁性越强,吸引大头针的数目越多,要判断电磁铁磁性强弱,可观察吸引大头针的多少;(3)①比较实验中的1、2、3(或4、5、6)可以看出,在线圈的匝数相同时,当电流增加时,吸引铁钉的个数也增加,说明在线圈的匝数一定时,通过电磁铁的电流越大,电磁铁的磁性越强;②比较实验中的1和4(或2和5或3和6)可以得出通过电磁铁的电流相同时,线圈匝数50匝的吸引5枚铁钉,线圈匝数为100匝的吸引铁钉7枚,说明在通过电磁铁的电流相同时,线圈的匝数越多,电磁铁的磁性越强.(4)①电磁铁的磁性强弱可能跟铁芯大小有关.探究电磁铁磁性强弱跟铁芯大小关系时,控制电流和线圈匝数不变,改变铁芯大小.②验证方案:保证两次电路中的线圈匝数和电流相同,让两次插入的铁芯的大小不一样,看吸引的铁钉数目的多少,如果两次吸引的数目不一样,则说明磁性的强弱与铁芯的大小有关.故答案为(1)顺时针;(2)调节滑动变阻器,吸引大头针的多少;(3)①越大;②越强;(4)①当线圈中的电流和匝数一定时,电磁铁的磁性强弱可能与线圈内的铁芯大小有关;②分别把两个相同的线圈串联接入电路中,插入不同大小的铁芯,观察吸引铁钉的个数,进行比较.5.如图所示是小华实验小组探究电磁感应现象的实验装置.(1)保持ab棒不动,闭合电路,检流计的指针不动,说明这时导线中________(选填“有“或“无”)电流.(2)当αb棒水平运动时,可以观察到电流表指针发生偏转,如果它的偏转的方向向左,若将ab棒看成是一个电源,则________端为正极.(3)保持电路闭合,当ab棒向左运动和向右运动时,检流计的指针会向左和向右偏转,表明导线中的感应电流方向与________有关.(4)将U形磁铁反转对调磁极,闭合电路,当ab棒向左运动和向右运动时,检流计的指针会向右和向左偏转,表明导线中的感应电流方向与________有关.(5)实验中小华同学为了使检流计指针明显偏转,你认为他可能会采取哪些措施?(写出一条即可)________.【答案】无b切割磁感线运动方向磁场方向换用磁性更强的磁体【解析】【详解】(1)闭合电路,若保持ab棒不动,即不做切割磁感线运动,故电路中没有感应电流;(2)在正常情况下,电流表的指针向右偏,而在这里发现电流表的指针向左偏转,故表明与电流表正接线柱相连的是电源的负极;与电流表负接线柱相连的是电源的正极,故此时b端相当于电源的正极;(3)保持电路闭合,当ab棒向左运动和向右运动时,检流计的指针会向左和向右偏转,表明导线中的感应电流方向与切割磁感线运动方向有关;(4)将U形磁铁反转对调磁极,闭合电路,当ab棒向左运动和向右运动时,检流计的指针会向右和向左偏转,表明导线中的感应电流方向与磁场方向有关.(5)使检流计指针明显偏转,即使得电路中的电流增大,故可以换用磁性更强的磁体,也可以加快导体的运动速度等均可;6.迈克尔·法拉第(Michael Faraday,1791年9月22日~1867年8月25日),英国物理学家、化学家,也是著名的自学成才的科学家,出生于萨里郡纽因顿一个贫苦铁匠家庭,仅上过小学。