多级交流放大器的设计经典电路
- 格式:doc
- 大小:194.00 KB
- 文档页数:7
多级放大电路的设计和实验一、教学目的熟悉两级(或多级)放大电路设计和调试的一般方法。
电压放大倍数的测量,幅频特性的测量方法。
可用计算机辅助设计和仿真。
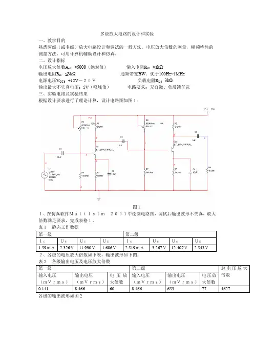
二、设计指标电压放大倍数A u :≥5000(绝对值) 输入电阻R i :≥1kΩ输出电阻R o :≤3kΩ 通频带宽BW :优于100Hz~1MHz 电源电压V CC :+12V -20V 负载电阻R L :3kΩ输出最大不失真电压:5V (峰峰值) 电路要求:无自激、负反馈任选 三、实验电路及实验结果根据设计要求进行了理论计算,设计电路图如图1:图11、在仿真软件Multisim 2001中绘制电路图,调试后输出波形不失真,放大倍数满足要求,完成表格1。
第一级 第二级 ICUBUCUE IC UBUCUE 1.59mA 2.326V 11.990V1.606V2.519mA3.267V 12.407V2.543V2、各级的电压放大倍数如下表,输出波形如下图: 第一级第二级总电压放大倍数 输入电压 (mVrms) 输出电压 (mVrms) 电压放大倍数 输入电压 (mVrms) 输出电压 (mVrms) 电压放大倍数 0.1418.466608.466653774627各级的输出波形如图2图23、电路的输入输出电阻的测量(1)用输出换算法测量放大器输入电阻R i 选取Rs=1 kΩ,完成表3,利用公式s o2o1o1i R u u u R -=计算输入电阻。
表3 放大器输入电阻R 不接R s 时输出电压 uo1(V rms) 串接R s 时输出电压 u o2(V rms) 输入电阻R i (kΩ) 0.6530.4593.3(2)用开路电压法测量放大器输出电阻Ro选取RL=3 kΩ,完成表4,利用公式L oLooo )1(R u u R -=计算输出电阻。
开路输出电压U oo (V rms)连接负载时电压u oL (V rms)输出电阻R o (kΩ)1.301 0.6532.9774、思考题(1)避免自激振荡的措施主要有哪些?你在电路中是如何避免自激振荡的? (2)你是如何分配各级电路的电压放大倍数的?分配依据是什么? (3)如果引入负反馈,目的是什么?效果如何?。
晶体管阻容耦合多级放大电路设计晶体管(三极管)阻容耦合多级放大电路是一种常见的电子放大器电路,它通常由多个级联的放大器组成,每个级别都使用晶体管进行放大。
这种电路的设计目标是实现高增益和低失真的信号放大。
首先,我们需要确定电路的放大增益要求和频率响应。
这将决定电路中每个级别的放大倍数和频率特性。
接下来,我们选择适合的晶体管型号和工作点,以确保电路在工作时具有稳定的工作性能。
理想情况下,晶体管应具有高增益和低噪声。
在设计阻容耦合多级放大电路时,我们需要确定每个级别的输入和输出阻抗。
输入阻抗应尽可能大,以确保信号源与放大器之间的匹配。
输出阻抗应尽可能小,以便将信号传递给下一个级别的放大器或负载。
为了实现这些要求,我们可以使用电容耦合和电阻器来构建电路的每个级别。
具体来说,输入端可以使用耦合电容器连接到上一个级别的输出,输出端可以通过负载电阻连接到下一个级别的输入。
这种耦合方式可以有效地传递信号,并提供适当的阻抗匹配。
在设计每个级别的放大电路时,我们需要考虑功耗和热量问题。
为了确保电路的稳定性和可靠性,我们需要选择合适的电阻和电容值,并确保电路在工作时不会过热。
此外,我们还需要确保信号的直流偏置电压的稳定性和精确度。
这可以通过添加适当的偏置电路来实现,例如电源电压分压器、偏置电流源等。
最后,在设计阻容耦合多级放大电路时,我们还需要考虑信号的幅度和相位失真问题。
为了实现低失真放大,我们可以采用反馈电路或其他补偿方法来纠正失真。
总结起来,晶体管(三极管)阻容耦合多级放大电路设计涉及到确定电路的放大增益要求和频率响应、选择合适的晶体管型号和工作点、确定每个级别的输入和输出阻抗、处理功耗和热量问题、确保直流偏置电压的稳定性和精确度,并解决信号的幅度和相位失真问题。
通过合理设计和优化,我们可以实现高增益和低失真的信号放大。
什么是多级放大电路如何设计一个多级放大器多级放大电路是指由多个放大器级联组成的电路,用于提高输入信号的幅度,并有较大增益的电子设备。
在设计一个多级放大器之前,我们需要了解多级放大器的基本原理以及设计要点。
一、多级放大器的原理多级放大器是通过将多个放大器级联连接起来,以便连续放大信号的电压或功率。
它由输入级、中级和输出级组成。
1. 输入级:输入级负责接收输入信号并将其转化为电压或电流信号。
它通常包含一个低噪声放大器,其作用是增加输入信号的幅度,并将它传递给中级放大器。
2. 中级:中级放大器是多级放大器的核心部分,它的作用是增加电压或功率的增益。
中级通常包含多个级别的放大器,其中每个级别都提供一定的增益。
3. 输出级:输出级负责将信号放大到所需的幅度,并驱动负载电阻或其他负载。
输出级通常包含高功率放大器,以确保输出信号具有足够的驱动能力。
二、多级放大器的设计要点在设计一个多级放大器时,需要考虑以下几个要点:1. 增益和带宽:多级放大器的设计目标之一是在实现所需增益的同时保持足够的带宽。
增益与带宽的折衷是设计的关键考虑因素之一。
2. 输入和输出阻抗匹配:为了最大限度地传递信号并减少反射,需要确保输入和输出阻抗与信号源和负载的阻抗相匹配。
3. 稳定性:多级放大器必须具有良好的稳定性,以确保不会出现自激振荡或非线性失真。
这可以通过使用稳定的放大器设计和适当的负反馈技术来实现。
4. 噪声:多级放大器的设计应尽可能减少噪声的引入,并提供清晰的信号放大。
5. 功率供应:多级放大器需要合适的功率供应以保证其正常工作。
供应电压和电流必须满足放大器的工作要求,并且应提供稳定和纹波较小的电源。
三、一个多级放大器的示例设计以下是一个四级放大器的示例设计,以演示多级放大器的设计过程:1. 输入级:- 使用低噪声MOSFET放大器作为输入级,以提供高增益和低噪声。
- 输入级的增益设置为10倍,输入阻抗为50欧姆。
2. 中级:- 选择两个通用增益放大器级别级联,每个级别的增益为5倍。
多级放大电路12级电工一:电路的设计1、我们需要做一个带宽为10MHz,增益>1000的放大电路,我们将其设定为两极,带宽为10MHz,增益初步设定为50x50,每一级采用同相运算放大电路。
2、为什么要设为两极?事实上,满足要求最简单的方法,我们可以找一个增益带宽积为10000的芯片,让增益为1000,则带宽便为10M,但这样做电路的增益过大,电路的稳定性较差,由于放大电路的整体增益是等于各级增益之积,所以我们想到可以将电路做成两极,我们让每一级的增益为40,两极增益变为1600,这样不仅能达到老师的要求,电路的稳定性也将大大提高。
4、所需材料:电阻若干,增益带宽积为500的芯片两个个,型号为OPA6905、相关计算由于两极过后,增益会下降,所以我们先将带宽确定为:,两级:同相放大电路:,所以:R1=1KΩ R f=34KΩ5、电路图:6、仿真分析我们采用multisim元件库中的OPA系列芯片进行仿真,用函数信号发生器输入1mV的电压,在输出端的到1.732V的电压,可知增益为1732倍,与理论值1600相差不很大,证明实验是正确的。
二:集成运放相关的知识1、分类1)、通用型运算放大器通用型运算放大器就是以通用为目的而设计的。
这类器件的主要特点是价格低廉、产品量大面广,其性能指标能适合于一般性使用。
例mA741(单运放)、LM358(双运放)、LM324(四运放)及以场效应管为输入级的LF356 都属于此种。
它们是目前应用最为广泛的集成运算放大器。
2)、高阻型运算放大器这类集成运算放大器的特点是差模输入阻抗非常高,输入偏置电流非常小,一般rid>(109~1012)W,IIB 为几皮安到几十皮安。
实现这些指标的主要措施是利用场效应管高输入阻抗的特点,用场效应管组成运算放大器的差分输入级。
用FET 作输入级,不仅输入阻抗高,输入偏置电流低,而且具有高速、宽带和低噪声等优点,但输入失调电压较大。
放大电路多级设计I. 引言放大电路是电子设备中常见的一种电路结构,用于将信号放大以增强其幅度或功率。
在某些应用中,单级放大电路可能无法满足要求,因此需要通过多级放大电路进行设计。
本文将探讨放大电路多级设计的原理和方法,以及其在实际应用中的一些考虑因素。
II. 基本放大电路在开始讨论多级设计之前,我们先回顾一下基本的放大电路。
放大电路通常由放大器、输入电路和输出电路组成。
其中放大器负责将输入信号放大,输入电路负责对输入信号进行预处理,输出电路负责将放大后的信号传递给外部载荷。
III. 多级放大电路设计原理多级放大电路通过将多个放大器级联来实现更高的增益。
每个放大器级别都增加了总体放大电路的增益,并且可以实现更高的带宽。
多级放大电路的设计要考虑以下几个因素:1. 总增益要求:根据具体应用的需求,确定所需的总增益。
随着级数的增加,总增益也会相应增加。
2. 频率响应:多级放大电路的频率响应应该与应用场景的要求相匹配。
因此,在设计过程中要考虑各级放大器的带宽以及相位延迟等参数。
3. 稳定性:在级联放大器时,必须考虑反馈和补偿电路的设计,以确保整个放大电路的稳定性。
IV. 多级放大电路设计方法多级放大电路的设计可以通过以下步骤进行:1. 确定总增益要求:根据应用需求确定所需的总增益。
2. 选择放大器类型:选择适合应用需求的放大器类型,如共射放大器、共基放大器或共集放大器等。
3. 确定各级增益:根据总增益要求和放大器性能参数,计算每个级别的增益。
4. 考虑稳定性:设计反馈和补偿电路以确保整个放大电路的稳定性。
5. 考虑频率响应:根据应用的频率要求,选择适当的带宽和延迟参数。
V. 实际应用考虑因素在实际应用中,多级放大电路的设计还需要考虑以下几个因素:1. 电源供电:选择合适的电源供电电压和容量,以确保放大电路的正常工作。
2. 噪声:多级放大电路的设计要考虑电路内部和外部噪声的影响,并采取相应的措施进行抑制。
3. 温度稳定性:温度对电子元件性能有较大的影响,因此设计中需要考虑温度对放大电路的稳定性的影响,并采取相应的温度补偿措施。
实验七 多级放大及负反馈电路一、实验目的用实验箱上两级放大模块,通过测量在输出波形不失真的情况下电压开环增益和接入负反馈后的电压闭环增益,比较有无负反馈电路的性能指标,一是电压增益和通频带宽度BW 比较,二是输入输出电阻的比较。
关注三极管静态工作点与输出波形的失真情况?二、实验仪器实验箱、示波器、电源、导线三、实验原理图9-1为带有负反馈的两级阻容耦合放大电路,在电路中通过Rf 把输出电压Uo 引回到输入端,加在晶体管T1的发射极上,在发射极电阻Rf1上形成反馈电压Uf 。
T1T2Rb330kRc12.4kRs 1kRc22.4kRe11k Rf 1100RL 2.4kRb1680kC110μC210μCe1100μCf 22μRb210k Re21kRf 8.2kCe2100μC30.1μUs UiUo+12GND图9-12基本放大器1)在画基本放大器的输入回路时,因为是电压负反馈,所以可将负反馈放大器的输出端交流短路,即令Uo =0,此时Rf 相当于并联在Rf1上;2)在画基本放大器的输出回路时,由于输入端是串联负反馈,因此需将反馈放大器的输入端(T1管的射极)开路,此时(Rf+Rf1)相当于并接在输出端。
可近似认为Rf 并接在输出端。
四、实验内容给电路输入端接入正弦波,输入Vpp=1mV ,f=100hz ~100Khz 。
(由于1mV 电压太小,信号源无法提供,示波器也无法看清波形,故输入端加了一个分压比为1:100的调压电路,这样输入信号可以提升到Vpp=100mV )注意事项:在两个三极管级联前,先调节第一个三极管的静态工作点,使之输出波形不失真,Vce1取值3-4V 为好。
级联之后,若是调节第二个三极管的静态工作点波形仍然失真,就又要返回调节第一个三极管的静态工作点。
实验电路图:T1T2Rb330kRc12.4kRs 1kRc22.4kRe11kRf 1100RL 2.4kRb1680kC110μC210μCe1100μRb210kRe21kRf 8.2kCe2100μC30.1μUsUiUoRf 8.2kRf 1100+12GND实验数据记录: V ofpp =0.23V V opp =1.17V V ipp =4.1mV静态工作点开环增益:2851041.017.12=⨯=Av F=V ofpp/V opp =0.198V CE I R2 U R1 I R1 I B U R3 I C 9.332v 0.133mA2.775V0.13857mA 0.00575mA 1.937v0.646mAV CE ’ I R6 U R6 I R5 I B ’ U R5 I C ’ U R7 6.534V0.358mA1.789V0.387mA0.029mA1.935V1.559mA4.677V闭环增益:96.41=⋅+=AvF Av通频带宽:开环:200Hz-500Hz 闭环:120Hz-7MHz。
3.16多级放大电路的设计及测试一、 实验预习与思考设计任务和要求 (1) 基本要求:用给定的三极管2SC1815(NPN ),2SA1015(PNP )设计多级放大器,已知12CC V V =+,12EE V V =-,要求设计差分放大器恒流源的射极电流31~1.5EQ I mA =,第二放大级射极电流42~3EQ I mA =;差分放大器的单端输入单端输出不失真电压增益至少大于10倍,主放大级的不失真电压增益不小于100倍;双端输入电阻大于10K Ω,输出电阻小于10Ω,并保证输入级和输出级的直流电位为零。
给出设计过程,画出设计的电路,并标明参数。
首先设计,第一级的差分放大电路.要使两端串联的电阻值一样.然后集电极的两个电阻的阻值也要差不多.最后为确保发射极上的电阻为无穷大,则需要利用长尾式差分电路,确定其发射极电阻来构成一个电流源.然后设计主放大部分,要使发射极和集电极上的电阻的差值足够大,以使其达到放大100倍的要求,但还要确保阻值的合理性,以使三极管不会处于截止区或者饱和区.最后设计输出级电路.要选用尽可能小的电阻,以确保输出电阻可以足够的小,以达到要求.最后还要注意避免互补输出级出现交越失真的现象.参数:R1=R2=5kΩ,R5=10kΩ,R3=8.87kΩ,R6=R7=10kΩ,C2=1pF,C1=4μF,R12=1Ω,R9=1kΩ,R10=R11=1Ω.二、 实验目的(1) 理解多级直接耦合放大电路的工作原理和设计方法。
(2) 学习并熟悉设计高增益的多级直接耦合放大电路的方法。
(3) 掌握多级放大器的性能指标的测试方法。
(4) 掌握在放大电路中引入负反馈的方法。
三、 实验原理与测量方法直耦式多级放大器的主要设计任务是模仿运算放大器OP07的等效内部结构,简化部分电路,采用差分输入,共射放大,互补输出等结构形式,设计出电压增益足够高的多级放大器,可对小信号进行不失真地放大。
多级放大电路概述 电流源共发射极放大电路的组成及放大作用共集电极电路和共基极电路图解分析法本章小结微变等效电路分析法图2.7.1 多级放大器框图由于单级放大电路的放大倍数有限,不能满足实际的需要,因此实用的放大电路都是由多级组成的。
通常可分为两大部分,即压放大(小信号放大)和功率放大(大信号放大),如图2.7.1框图所示。
前置级一般跟据信号源是电压源还是电流源来选定,它与中间主要的作用是放大信号电压。
中间级一般都用共发射极电路或组合电路组成。
末级要求有一定的输出功率供给负载R L ,称为功率放器,一般由共集电极电路,或互补推挽电路,有时也用变压器耦合放大电路。
2.7.1. 级间耦合方式在多级放大器中前置级的输入信号由信号源提供。
前级的输出信号(电压或电流)加到后级的输入端所采用的方式称为耦合,通过合电路使前后级联系起来。
前级的输出信号就是后级的输入信号源,前级的输出电阻就是后级的信号源内阻,后级的输入电阻就是级的负载电阻。
耦合方式解决的是级与级之间如何连接的问题。
对耦合方式的要求是不失真地、有效地传送信号。
在多级放大器中通常采用的耦合方式有三种,即变压器耦合、阻容耦合和直接耦合。
变压器耦合放大电路图2.7.2 变压器耦合多级放大器变压器耦合放大电路如图2.7.2所示。
它的特点是,各级工作点互相独立;通过变压器的阻抗变换作用,使级与级之间达到阻抗配,以获得最大功率输出。
缺点是体积大,笨重、价格高、频率响应差(高频段受线圈之间分布电容的影响,低频段受电感的影响不利于小型化,在低频小信号多级电压放大器中一般不采用。
在功率放大器中,有时选用。
阻容耦合放大电路图2.7.3 阻容耦合多级放大器阻容耦合(实际上应该称为电容耦合)放大电路如图2.7.3所示。
它的特点是,各级静态工作点互相独立,体积小,价格低。
缺点当频率很低时,电容的容抗不能忽略,输出电压比中频时低,低频响应差,级与级之间阻抗严重失配。
直接耦合放大电路图2.7.4 直接耦合多级放大器直接耦合放大电路如图2.7.4所示。
电工电子技术课程设计报告题目:多级放大电路的设计二级学院机械工程学院年级专业 14 动力本学号 1401250029学生姓名周俊指导教师张云莉教师职称讲师报告时间:2015.12.28目录第一章.基本要求和放电电路的性能指标 (1)第二章.概述和任务分析 (5)第三章.电路原理图和电路参数 (6)第四章.主要的计算过程 (9)第五章.电路调试运算结果 (11)第六章.总结 (12)制作调试步骤及结果 (12)收获和体会 (13)第七章.误差和分析 (14)第八章.参考文献 (15)第一章.基本要求和放电电路的性能指标1. 基本要求:用给定的三极管2SC1815(NPN),2SA1015(PNP)设计多级放大器,已知V CC =+12V, -V EE =-12V ,要求设计差分放大器恒流源的射极电流I EQ3=1~1.5mA ,第二级放大射极电流I EQ4=2~3mA ;差分放大器的单端输入单端输出不是真电压增益至少大于10倍,主放大器的不失真电压增益不小于100倍;双端输入电阻大于10kΩ,输出电阻小于10Ω,并保证输入级和输出级的直流点位为零。
设计并仿真实现。
2. 放电电路的性能指标:第一种是对应于一个幅值已定、频率已定的信号输入时的性能,这是放大电路的基本性能。
第二种是对于幅值不变而频率改变的信号输出时的性能。
第三种是对应于频率不变而幅值改变的信号输入时的性能。
1.1第一种类型的指标:1.放大倍数放大倍数是衡量放大电路放大能力的指标。
它定义为输出变化量的幅值与输入变化量的幅值之比,有时也称为增益。
虽然放大电路能实现功率的放大,然而在很多场合,人们常常只关心某一单项指标的放大的倍数,比如电压或者电流的放大倍数。
由于输出和输入信号都有电压和电流量,所以存在以下四中比值:(1-1)1.(1-2)(1-3)(1-4)式中的错误!未找到引用源。
、错误!未找到引用源。
、错误!未找到引用源。
、错误!未找到引用源。
一、功能利用两个共发射极放大电路构成的两级阻容耦合放大电路实现对输入电压的放大功能。
二、性能指标电路的主要性能有电压放大倍数Av、输入电阻Ri、输出电阻Ro、同频带BW三、电路图四、原理分析及理论计算㈠原理分析:将放大电路的前级输出端通过电容接到后级输入端称为阻容耦合方式,上图所示为两级阻容耦合放大电路且两级均为共射放大电路。
由于电容对直流量的阻抗为无穷大,因而阻容耦合放大电路各级之间的直流通路各不相通,各级的静态工作点相互独立,在求解或实际调试Q点时可按单级处理,所以电路的分析与设计和调试简单易行。
而且,只要输入信号频率较高,耦合电容容量较大,前级的输出信号就可以几乎没有衰减的传递到后级输入端,因此在分立件电路中阻容耦合方式得到非常广泛的应用。
由于前后两级电路静态工作点相互独立,接下来将对典型单级阻容耦合放大电路进行分析,对第一级:1、第一级是典型的阻容耦合共射级放大电路,它采用的是分压式电流负反馈偏置电路。
放大器的静态工作点Q主要由Rb1、Rb2、Re、Rc及电源电压所决定。
该电路利用电阻Rb1、Rb2的分压定基级电位Vbq,如果满足条件I1>>Ibq,当温度升高时,Ic q↑→Ve q↑→Vb e ↓→Ib q↓→Ic q↓,结果抑制了Ic q的变化,从而获得稳定的静态工作点。
2、基本关系式只有当I1>>Ibq时,才能保证Vbq恒定。
这是稳定点工作的必要条件,一般取I1=(5~10)Ib q(硅管),I1=(10~20)Ib q(锗管),负反馈越强,电路的稳定性越好。
所以要求Vbq>> Vb e,即Vbq=(5~10)Vb e,一般取Vbq=(5~10)V(硅管),Vbq=(5~10)V(锗管)电路的静态工作点由下列关系式确定R e≈(Vbq- Vb e)/ Ic q= Ve q/ Ic q,对于小信号放大器,一般Ic q=0.5mA到2mA,Veq=(0.2~0.5)VccRb2=Vbq/ I1==【Vbq/(5~10)Ic q】βRb1≈[(Vcc-Vbq)/Vbq]×Rb2Vceq≈Vcc- Ic q(Re+Rc)3、主要性能指标及测试方法①电压放大倍数Av=V o/Vi=-βRl’/rbe 式中Rl’=Rc//Rl ,rbe为晶体管内阻,即Rbe=rb+(1+β)26mV/{Ieq}. mA,测量放大倍数实际是测量放大器的输入电压与输出电压的值。
bjt多级放大电路设计
设计BJT多级放大电路涉及到选择合适的放大器级数、电阻、电容和电源电压等参数。
在设计多级放大电路时,需要考虑以下几个方面:
1. 放大倍数,确定所需的总放大倍数,根据输入信号的幅度和输出信号的要求来确定。
2. 频率响应,考虑信号的频率范围,选择合适的频带宽度和截止频率,以确保信号在整个频率范围内都能得到放大。
3. 输入输出阻抗匹配,保证前级放大器的输出阻抗与后级放大器的输入阻抗匹配,以避免信号失真和能量损失。
4. 稳定性,考虑反馈电路的设计,以提高电路的稳定性和抑制可能的振荡。
5. 电源稳定性,选择合适的电源电压和电源滤波电路,以确保电路工作时电源的稳定性。
6. 温度稳定性,考虑温度对元器件参数的影响,选择具有较好温度稳定性的元器件。
在设计BJT多级放大电路时,需要根据具体的应用需求和电路参数来进行综合考虑和优化。
同时,还需要进行电路仿真和实际测试,以验证设计的可行性和性能是否符合要求。
最后,根据测试结果对电路进行调整和优化,以达到最佳的放大效果。
第五章多级放大电路第一节多级放大电路在实际工作中,为了放大非常微弱的信号,需要把若干个基本放大电路连接起来,组成多级放大电路,以获得更高的放大倍数和功率输出。
多级放大电路内部各级之间的连接方式称为耦合方式。
常用的耦合方式有三种,即阻容耦合方式、直接耦合方式和变压器耦合方式。
1.多级放大电路的耦合方式1.1阻容耦合通过电容和电阻将信号由一级传输到另一级的方式称为阻容耦合。
图所示电路是典型的两级阻容耦合放大电路。
优点:耦合电容的隔直通交作用,使两级Q相互独立,给设计和调试带来了方便;缺点:放大频率较低的信号将产生较大的衰减,不适合传递变化缓慢的信号,更不能传递直流信号;加之不便于集成化,因而在应用上也就存在一定的局限性。
1.2直接耦合多级放大电路中各级之间直接(或通过电阻)连接的方式,称为直接耦合。
直接耦合放大电路具有结构简单、便于集成化、能够放大变化十分缓慢的信号、信号传输效率高等优点,在集成电路中获得了广泛的应用。
直接耦合放大电路存在的最突出的问题是零点漂移问题。
所谓零点漂移是指把一个直接耦合放大电路的输入端短路时,即输入信号为零时,由于种种原因引起输出电压发生漂移(波动)。
1.3变压器耦合变压器耦合放大电路如图所示。
这种耦合电路的特点是:级间无直流通路,各级Q独立;变压器具有阻抗变换作用,可获最佳负载;变压器造价高、体积大、不能集成,其应用受到限制。
2.直接耦合放大电路的特殊问题——零点漂移2.1零点漂移所谓零点漂移是指当把一个直接耦合放大电路的输入端短路时,即输入信号为零时,由于种种原因引起输出电压发生漂移(波动)。
产生零点漂移的原因很多。
如晶体管的参数随温度的年华、电源、电压的波动等,其中,温度的影响是最重要的。
在多级放大电路中,又已第一、第二级的漂移影响最为严重。
因此,抑制零点漂移着重点在第一、第二级。
2.2差分式放大电路(观看视频)在直接耦合多级放大电路中抑制零点漂移最有效的电路结构是差动放大电路。
实验七多级交流放大器的设计一.实验目的1.学习多级交流放大器的设计方法。
2.掌握多级交流放大器的安装、调试与测量方法二.预习要求1.根据教材中介绍的方法,设计一个满足指标要求的多级交流放大器,计算出多级交流放大器中各元件的参数,画出标有元件值的电路图。
2.预习多级交流放大器的调试与测量方法,制定出实验方案,选择实验用的仪器设备。
三.实验原理当需要放大低频范围内的交流信号时,可用集成运算放大器组成具有深度负反馈的交流放大器。
由于交流放大器的级与级之间可以采用电容耦合方式,所以不用考虑运算放大器的失调参数和漂移的影响。
因此,用运算放大器设计的交流放大器具有组装简单、调试方便、工作稳定等优点。
如果需要组成具有较宽频带的交流放大器,应选择宽带集成放大器,并使其处于深度负反馈。
若要得到较高增益的宽带交流放大器,可用两个或两个以上的单级交流放大器级联组成。
在设计小信号多级宽带交流放大器时,输入到前级运算放大器的信号幅值较小,为了减小动态误差,应选择宽带运算放大器,并使它处于深度负反馈。
由于运放的增益带宽积是一个常数,因此,加大负反馈深度,可以降低电压放大倍数,从而达到扩展频带宽度的目的。
由于输入到后级运放的信号幅度较大,因此,后级运放在大信号的条件下工作,这时,影响误差的主要因素是运放的转换速率,运放的转换速率越大,误差越小。
四.设计方法与设计举例1.设计方法与步骤:169170(1)确定放大器的级数n根据多级放大器的电压放大倍数A u Σ和所选用的每级放大器的放大倍数A ui ,确定多级 放大器的级数n 。
(2)选择电路形式 (3)选择集成运算放大器先初步选择一种类型的运放,然后根据所选运放的单位增益带宽BW ,计算出每级放大 器的带宽。
uiHi A BW f =(1)并按(2)式算出。
121'-=n HiHif f(2)多级放大器的总带宽H f 必须满足: 'Hi H f f ≤ (3)若'Hi H f f >,就不能满足技术指标提出的带宽要求,此时可再选择增益带宽积更高的运放。
一直到多级放大器的总带宽H f 满足(3)式为止。
当所选择的运放满足带宽要求后,对末级放大器所选用的运放,其转换速率R S 必须满足: om R U f S ⋅≥max 2π (4)否则会使输出波形严重失真。
(4)选择供电方式在交流放大器中的运放可以采用单电源供电或正负双电源供电方式。
单电源供电与正 负双电源供电的区别是:单电源供电的电位参考点为负电源端(此时负电源端接地)。
而正负双电源供电的参考电位是总电源的中间值(当正负电源的电压值相等时,参考电位为零)。
(5)计算各电阻值根据交流放大器的输入电阻和对第一级电压放大倍数的要求,先确定出第一级的输入 电阻和负反馈支路的电阻,然后再根据第二级电压放大倍数的要求,确定出第二级的输入电阻和负反馈支路的电阻。
按此顺序,逐渐地把每级的电阻值确定下来。
(6)计算耦合电容当信号源的内阻和运放的输出电阻被忽略时,信号源与输入级之间、级与级之间的耦 合电容可按下式计算。
iL R f C π2)10~1(=(5)上式中,i R 是耦合电容C 所在级的输入电阻。
类似地输出电容可按下式计算。
LL R f C π2)10~1(=(6)2.设计举例171要求设计一个交流放大器,性能指标为: 中频电压放大倍数:1000=u A 输入电阻: Ω=k R i 20通频带:L H f f f -=∆,其中 Hz f L 20≤,kHz f H 10≥ 最大不失真输出电压:V U om 5= 已知负载电阻:Ω=k R L 2 设计步骤:(1) 确定放大器的级数n由于所要求的电压放大倍数A u =1000,同相放大器的电压放大倍数在1~100之间,反相 放大器的电压放大倍数在0.1~100之间,因此采用两级就可以满足设计要求。
在本例中放大器的级数选用两级。
(2) 选择电路形式由于同相放大器的输入电阻比较高,在不接同相端平衡电阻R P 时,同相放大器的输入 电阻在10M Ω~100M Ω之间,接了同相端平衡电阻R P 后,输入电阻主要由R P 的值决定。
反相放大器的输入电阻R i =R 1,R 1的取值一般在1k Ω~1M Ω之间,对于所设计的交流放大器,要求输入电阻R i =20k Ω,因此输入级无论采用同相放大器还是反相放大器都能满足要求。
由于交流放大器所要求的最大不失真输出电压U om =5V ,因此最大不失真输出电流: mA A R U I Lom om 5.2105.2102533=⨯=⨯==-对于普通运放,其输出电流一般都在几毫安与十几毫安之间,因此无须采用扩流方式。
根据以上分析,采用图1所示两极交流放大电路。
在图1的交流放大电路中,第一级采用同相放大器,选择其电压放大倍数A u1=10第二级采用反相放大器,选择其电压放大倍数A u2=100。
此时,第 图1 两级交流放大电路 一级运放工作在小信号情况下,第二级运放工作在大信号的情况下。
(3)选择集成运算放大器第一级交流放大器中,101=u A ,若该级运放选择741A μ,由于其单位增益带宽MHz BW 1=,因此第一级交流放大器的带宽1H f 为:172kHz A BW f u H 1001010105611====Hz f fnH H 321311'1104.64121010012⨯=-⨯⨯=-=因此H H f f >'1kHz 10≥,故第一级交流放大器采用741A μ型运放,可满足设计要求。
第二级交流放大器中,1002=u A ,若该级运放也选择741A μ,则该级放大器的带宽为:kHz A BW f u H 1010100104622====Hz f f n H H 321312'21044.612101012⨯=-⨯⨯=-=因此H H f f <'2(其中kHz f H 10≥),若第二级交流放大器采用741A μ,就不能满足设计要求。
若选用LF347(或774A μ),由于LF347的单位增益带宽为4MHz ,转换速率usV S R 13=。
因此第二级的带宽为:kHz A BW f u H 401041001044622=⨯=⨯==Hz f f H H 3213212'2107.2512104012⨯=-⨯⨯=-=因此H H f f >'2,能满足设计的指标要求。
由于第二级运算放大器工作在大信号情况下,因此选择运放时,除了要考虑集成运放的增益带宽积外,还要考虑运放的转换速率R S ,要求所选运放的转换速率R S 满足:om R U f S ⋅≥max 2π将V U om 5=,kHz f 10max =代入上式,可求得s V S R μ314.0≥,对于LF347集成运放,其转换速率usVusV S R 314.013>=,因此满足设计要求。
(4)选择供电方式在本设计课题中采用正负双电源供电方式。
(5)计算电阻值根据性能指标要求,输入电阻Ω=k R i 20,第一级放大器的输入电阻1p R 既是平衡电 阻,也是整个放大器的输入电阻,因此取Ω==k R R i p 201,由 111//R R R f p = 和101111=+=R R A f u ,可得:Ω=k R 221,Ω=k R f 2001.173对于第二级放大器,100222-=-=R R A f u ,取Ω=k R 102,则Ω=M R f 12,Ω==k R R R f p 10//222,Ω==k R R i 1022。
(6)计算耦合电容对于交流同相放大器,耦合电容:F R f C iL 63110)98.3~398.0(1020202)10~1(2)10~1(-⨯=⨯⨯⨯==ππ取标称值,得:C 1=1μF第一级放大器与第二级放大器之间的耦合电容:F R f C i L 632210)96.7~796.0(1010202)10~1(2)10~1(-⨯=⨯⨯⨯==ππ其中,R i2=R 2=10k Ω,电容取标称值,得:C 2=1μF 第二级放大器输出端的的耦合电容:F R f C LL 63310)8.39~98.3(102202)10~1(2)10~1(-⨯=⨯⨯⨯==ππ取标称值,得:C 3=4.7μF四.调试方法1.按图2所示连接第一级交流放大器。
R f1 其中,R 2是第一级交流放大器的负载,也是第二级交流放大器的输入电阻R i2,C 2是第一级交流放大器与第二级交流放大器之间的耦合电容。
2.从放大器的输入端输入频率为1kHz ,幅度U im =5mV 的交流信号,用示波器在放大器 图2 第一级交流放大器的输出端测出输出电压的幅值U o1m ,根据U im 图中:R P1=20k Ω,R 1=22k Ω,R f1=200k Ω, 与U o1m 算出该级电压放大倍数A u1。
然后将输 C 1=1μF ,C 2=1μF ,R 2=10k Ω入信号的频率改为20Hz ,输入信号的幅度保持5mV 不变,测出对应的输出电压U ´o1m ,若U ´o1m =0.707 U o1m , 说明已达到指标要求,若U ´o1m < 0.707 U o1m ,说明C 1、C 2的值取得太小,此时应先加大C 1 的值,同时观察对应的输出电压U ´o1m ,然后再改变C 2 的值,一直调节到 U ´o1m =0.707 U o1m 为止;若U ´o1m >0.707 U o1m ,说明C 1、C 2的值取得太大,此时应先减小C 1的值,174同时观察对应的输出电压U ´o1m ,然后再改变C 2的值,一直调节到U ´o1m =0.707 U o1m 。
此时第一级放大器就已经调试好了,接着就可以调试第二级放大器。
3.按图3所示连接第二级放大器,在第二 R f2级交流放大器的输入端输入频率为1kHz ,幅度U im =50mV 的交流信号,用示波器在放大器的输出端测出输出电压的幅值U o2m ,根据U im 与U 算出该级电压放大倍数A u2。
然后将输入信号的频率改为20Hz ,输入信号的幅度保持不变,测出对应的输出电压U ´o2m ,若U ´o2m =0.707 U o2m , 图3 第二级交流放大器说明已达到指标要求,若U ´o2m < 0.707 U o2m , 图中:C 2取第一级交流放大器调试后的值, 说明C 2、C 3的值取得太小,此时应先加大C 2 R P2=9.1k Ω,R f2=1M Ω,C 3=4.7μF,R L =2k Ω 的值,同时观察对应的输出电压U ´o2m ,然后再改变C 3的值,一直调节到U ´o2m =0.707U o2m 为止;若U ´o2m >0.707U o2m ,说明C 2、C 3的值取得太大,此时应先减小C 2的值,同时观察对应的输出电压U ´o2m ,然后再改变C 3的值,一直调节到U ´o2m =0.707 U o2m 。