潜水排污泵型号及性能说明
- 格式:docx
- 大小:319.72 KB
- 文档页数:4
WQD单相潜水排污泵型号说明:WQD单相潜水排污泵产品概述:WQD单相潜水排污泵是引进国外先进技术的基础上消化吸取,结合我国用户特性而开发的新一代产品,具有高效区宽广,通过能力强,使用寿命长,安排方便,体积小等优点,是农用灌溉,生活污水处理的首选排污产品。
控制功能齐全等优点,尤其在全扬程性能方面和密封技术更具有自己的特点。
单相潜水排污泵电压220V,最适合家庭使用。
WQD单相潜水排污泵由水泵、密封和电动机三部分组成。
电动机位于电泵上部,为三相异步电动机,排污泵与电动机之间采用双端面机械密封,各固定止口处采用“O”形耐油橡胶密封圈作静密封。
单相潜水排污泵主要用途:该系列单相潜水泵广泛应用于工厂、农田、矿山、建筑工地、市政环保等场所,可抽送含短纤维、纸屑、泥沙等固体颗粒或软性固态物的液体,如泥水、灰水、生活废水、粪尿等,是农业排灌、河塘清淤WQD 单相潜水排污泵和工地排水的理想抽水设备。
WQD单相潜水排污泵产品特点:WQD单相潜水排污泵转轴经度硬铬处理,可有效提高轴的耐磨性和耐腐蚀性,同时有利于叶轮的维修、拆卸。
WQD单相潜水排污泵密封可靠、无泄漏、机械密封动、静环均采用硬质合金等耐磨材料,确保介质无泄漏。
WQD单相潜水排污泵整体结构小、体积小、噪音低,节能效果显著,检修方便。
WQD单相潜水排污泵叶轮为单、双流道结构,能抽送较大的固体颗粒,并可以全扬程运行。
WQD单相潜水排污泵用户可根据需要配备全自动安全保护控制器,对泵的漏水、漏电、过载及起温等进行保护,以确保产品的安全性和可靠性。
WQD单相潜水排污泵工作条件:WQD单相潜水排污泵介质温度不高于+40℃,PH值为4-10,密度不大于1.3×10kg/m3;电源为单相200~240V,频率50Hz,三相电压380V,频率50Hz,电压波动范围为额定值的0.9-1.1倍;单相排污泵潜水深度不超过5M;WQD单相潜水排污泵5.5KW及以上电泵应配相应的电动机保护起动器。
一、大地牌QW型潜水排污泵的产品概述:大地牌QW型潜水排污泵作为专业解决污水污物输送的设备,具有针对性强的特点,对于各种环境下的污水污物均能可靠高效输送,具有以下特点:●电机功率储备大、效率高,具有较强的过载能力;●采用大通道叶轮,排污性能好;●电机内设置有多种保护监控系统,能可靠保护电机;●采用自动耦合安装,维护十分方便;●配合专用控制系统,能适合于复杂环境下的全天候无人值守工作;●运行噪声低,震动小。
大地牌QW型潜水排污泵的使用条件●电泵出水口流量不得大于额定值(在规定的扬程范围内使用);●潜水深度不超过10米,超过10米时请在订货时声明;●水温不超过+60℃;●PH值在4~9之间。
大地牌QW型潜水排污泵的型号意义二、大地牌QW型潜水排污泵的主要技术参数:三、大地牌QW型潜水排污泵的安装尺寸:欲知大地牌QW型潜水排污泵的安装尺寸详情请拨打咨询电话:158****6770,或者咨询24小时在线QQ:851531379。
四、大地牌QW型潜水排污泵的常见故障及其排除方法:大地牌QW型潜水排污泵在各领域使用最为广泛的输送设备。
排水泵站能否正常运行关系到城市居民的学习、工作和生活。
正确地对潜水泵站的排水设施进行管理和养护是保证潜水泵正常运行的关键。
水泵安装后进行试运转和在正常运行过程中经常出现各种各样的问题。
结合多年经验,对潜水泵常见的故障进行分析,并提出预防措施和排除方法。
(一)大地牌QW型潜水排污泵在运行过程中常出现流量不足或不出水的原因及处理方法:(1)水泵安装高度过高,使得叶轮浸没深度不够,导致水泵出水量下降;控制水泵安装标高的允许偏差,不可随意扩大。
(2)水泵转向相反;水泵试运转前先空转电动机,核对转向使之与水泵一致。
使用过程中出现上述情况应检查电源相序是否改变。
(3)出水阀门不能打开;检查阀门,并经常对阀门进行维护。
(4)出水管路不畅通或叶轮被堵塞;清理管路及叶轮的堵塞物,经常打捞蓄水池内杂物。
■AS带自动切割潜水排污泵■上海沈泉泵阀制造有限公司☆ 概述AS型系列潜水排污泵采用德国ABS公司先进的技术,特别适用于输送含有坚硬固体、纤维物的液体,以及特别脏、粘和滑的液体。
所有A S泵均装有经调整好的撕裂机构能将污水中长纤维、袋、带、草、布条等撕裂后排出。
因此,在污水中工作不会堵塞运行极其可靠。
☆ 产品特点1.采用先进技术,排污能力强,无堵塞,能有效地通过直径φ30~φ80毫米的固体颗粒。
2.撕裂机构能够把纤维状物质撕裂,切断,然后顺利排放,无需在泵上加滤网。
3.设计合理,配套电机功率小,节能效果显著。
4.采用最新材料的机械密封,可以使泵安全连续运行在8000小时以上。
5.结构紧凑,移动方便,安装简单,可减少工程造价,无需建造泵房。
6.能够在全扬程范围内使用,而保证电机不会过载。
7.浮球开关可以根据所需的水位变化,自动控制泵的启动与停止,不需专人看管。
8.双导轨自动安装系统,它给安装,维修带来了极大的方便,人可不必为此而进出污水坑。
9.配备全自动保护控制箱对产品的漏电、漏水以及过载等进行了有效保护,提高了产品的安全性与可靠性。
☆ 使用范围1.工厂、商业严重污染废水的排放。
2.城市污水处理厂排水系统。
3.住宅区的污水排水站。
4.人防系统排水站。
5.医院、宾馆的污水排放。
6.市政工程、建筑工地。
7.勘探、矿山配套附机。
8.农村沼气池、农田灌溉。
☆ 型号意义☆ 工作条件1.最高介质温度:AS:连续使用时约40℃,间歇使用(最长不超过5分钟)为80℃。
2.A S系列泵主要零件材料为铸铁,所以不能应用于抽吸高度腐蚀性液体。
☆ 技术规格型号 流量(m3/h)扬程(m) 功率(kw)转速(r/min)额定电压(V)额定电流(A)自耦装置型号配用胶管内径(mm)重量(kg)AS10-2W/CB 15 4 1.1 2850 220 5.65 80GAK76 30 AS10-2CB 15 4.5 1.1 2850 380 2.9 80GAK76 30 AS16-2CB 29 7.6 1.5 2850 380 3.5 80GAK76 33 AS30-2CB 42 11 3 2850 380 6.4 80GAK76 40 AS55-2CB 45 13 5.5 2900 380 11.1 100GAK127 165 AS55-4CB 100 7.5 5.5 1450 380 11.6 150GAK152 180 AS75-2CB 60 18 7.5 2900 380 15.O 100GAK127 185 AS75-4CB 145 10 7.5 1450 380 15.4 150GAK152 200☆ 性能曲线☆ 外形尺寸型号 D F G H J K L M NAS10-2W/CB 76 280220 110 130 70100210373AS10-2CB 76 280220 110 130 70100210373AS16-2CB 76 280220 110 130 701OO21O373AS30-2CB 76 335220 110 155 70100260398AS55-2CB 127 630350 175 240 160310430688AS75-2CB 127 630350 175 240 160310430688AS55-4CB 152 655400 205 248 190335430740AS75-4CB 152 655400 205 248 190335430740☆ 电气控制系统与潜水排污泵配套使用的电气控制箱,在控制箱内采用了集成电路,增加了控制、保护功能,对于排污泵在外壳漏电、油腔内漏水状态下,进行闭锁。
潜污泵型号及参数
潜污泵是一种用于排放污水、污泥的重要设备,广泛应用于城市污水处理、工业污水处理等领域。
本文将介绍几种常见的潜污泵型号及其参数,供读者参考选择合适的产品。
1. 型号一:XJ 潜污泵
•功率:2.2 kW
•流量:10 m³/h
•扬程:15 m
•口径:50 mm
•转速:2900 rpm
•进口直径:150 mm
•排出直径:80 mm
XJ 潜污泵适用于小型污水处理厂、住宅小区污水处理等场所,具有结构紧凑、性能稳定等特点。
2. 型号二:WQ 潜污泵
•功率:7.5 kW
•流量:20 m³/h
•扬程:25 m
•口径:80 mm
•转速:1450 rpm
•进口直径:200 mm
•排出直径:100 mm
WQ 潜污泵适用于工业污水处理、排灌站、市政工程等领域,具有耐腐蚀、抗堵塞等特点。
3. 型号三:YW 潜污泵
•功率:11 kW
•流量:30 m³/h
•扬程:30 m
•口径:100 mm
•转速:1450 rpm
•进口直径:250 mm
•排出直径:150 mm
YW 潜污泵适用于污水处理厂、污水处理设备、环保工程等领域,具有耐磨损、高效率等特点。
通过以上介绍,读者可以根据实际需求选择适合的潜污泵型号,确保设备运行
效果和效率。
污水潜水泵型号及参数大全1. 引言污水潜水泵是一种专门用于排放和输送污水的设备,主要用于城市排水、污水处理厂、工业废水处理及农田灌溉等领域。
本文将介绍几种常见的污水潜水泵型号及其基本参数。
2. 型号一:XWQ污水潜水泵XWQ污水潜水泵是一种单级单吸轴向切割泵。
其主要特点如下:•扬程范围:2-50m•流量范围:8-550m³/h•功率范围:0.75-200kW•进口直径:50-350mm该型号的污水潜水泵适用于工业、市政污水处理及排水工程中,能有效切割纤维、塑料等颗粒物质,具有良好的排污性能。
3. 型号二:WQ宽通道污水潜水泵WQ宽通道污水潜水泵是一种多级、非堵塞式的污水潜水泵。
其主要特点如下:•扬程范围:5-40m•流量范围:5-2000m³/h•功率范围:0.75-350kW•进口直径:65-350mm宽通道设计使得该型号污水潜水泵能够有效排放含有大颗粒物的污水,适用于工业废水处理、市政污水、污水站等场合。
4. 型号三:AS潜水排污泵AS潜水排污泵是一种双吸、轴向分离式结构的污水潜水泵。
其主要特点如下:•扬程范围:5-125m•流量范围:7-1340m³/h•功率范围:1.5-400kW•进口直径:50-800mmAS潜水排污泵具有结构紧凑、噪音低、性能可靠等特点,适用于污水处理厂、化工厂及矿山工程等场合。
5. 型号四:QW液下混合流污水潜水泵QW液下混合流污水潜水泵是一种能同时输送清水和污水的潜水泵。
其主要特点如下:•扬程范围:3-30m•流量范围:10-460m³/h•功率范围:2.2-300kW•进口直径:65-600mm该型号污水潜水泵适用于排水系统、污水处理厂及污水站,具有高效能、稳定性好的优点。
6. 型号五:YW液下排污泵YW液下排污泵是一种立式、轴向流式的污水潜水泵。
其主要特点如下:•扬程范围:5-50m•流量范围:12-3500m³/h•功率范围:2.2-400kW•进口直径:150-1200mm该型号污水潜水泵适用于市政、工业污水处理站,可有效排放含有固体颗粒物的污水。
上海沈泉泵阀制造有限公司是集研究、开发、生产、销售和服务为一体的泵阀生产企业。
产品涉及工矿企业、农业、城市供水、石油化工、电站、船舶、冶金、高层建筑、消防供水、工业水处理和纯净水、食品、制药、锅炉、空调循环系统等行业领域。
一、AS/AV潜水式排污泵适用范围:上海品牌厂家沈泉泵阀生产制造的AS/AV潜水式排污泵适用于化工、石油、制药、采矿、造纸、电厂及城市污水处理、市政工程、公共设施排污等输送带颗粒、纤维的污水污物。
二、AS/AV型潜水式排污泵型号意义三、AS/AV潜水式排污泵产品简介:AS、AV型潜水式排污泵具有带撕裂的结构,能将污水中长纤维、袋、带、草、布条等物质撕裂、切断,然后顺利排放,特别适合于输送含有坚硬固体、纤维物的液体以及特别脏、粘、滑的液体。
所有AS排污泵均装有经调整好的撕裂机构,能将污水中的长纤维、袋、草、布条等撕裂后排出。
因此在污水中工作不会堵塞,运行G其可靠。
四、AS/AV潜水式排污泵产品特点:1、排污能力强、无堵塞,能有效通过直径φ30~φ80毫米的固体颗粒。
2、撕裂机构能够把纤维状物质撕裂,切断,然后顺利排放,无需在泵上加滤网。
3、设计合理,配套电机功率小,节能效果显著。
4、采用Z新材料的机械密封,可以使泵安全连续运行8000小时以上。
5、结构紧凑,移动方便,安装简单,无需建造泵房,减少工程造价。
6、双导轨自动安装系统,安装维修方便,人可不必为此而进出污水坑。
7、浮球开关可根据所需的水位变化,自动控制泵的停启,无需专人看管。
8、可配备全自动保护控制箱对产品的漏电、漏水及过载等进行有效保护,提高产品的安全可靠性。
五、AS、AV型潜水排污泵技术参数:流量:15-145m3/h;扬程:4-25m;功率:0.8-7.5kw;转速:1450-2900r/min; 口径:76-152mm;温度范围:≤40℃。
自动搅匀潜水排污泵型号及参数自动搅拌潜水排污泵是一种具有自动搅拌功能的潜水泵,主要用于排放或搅拌污水、污泥、废水等液体。
它可以有效地混合悬浮物和沉淀物,提高处理效率和排放质量,在工业、农业、市政等领域得到广泛应用。
下面将为您介绍几款常见的自动搅拌潜水排污泵的型号及参数。
1.型号AQS-A150-流量:150m³/h-扬程:20m-功率:11kW-电压:380V- 转速:1450rpm- 进口直径:150mm- 出口直径:150mm-材质:铸铁-搅拌功率:2.2kW- 搅拌转速:1450rpm2.型号AQS-B200-流量:200m³/h-扬程:25m-功率:15kW-电压:380V- 转速:1450rpm- 进口直径:200mm - 出口直径:200mm -材质:不锈钢-搅拌功率:3kW- 搅拌转速:1450rpm 3.型号AQS-C300-流量:300m³/h-扬程:30m-功率:22kW-电压:380V- 转速:1450rpm- 进口直径:250mm - 出口直径:250mm -材质:铸铁-搅拌功率:4kW- 搅拌转速:1450rpm4.型号AQS-D400-流量:400m³/h-扬程:35m-功率:30kW-电压:380V- 转速:1450rpm- 进口直径:300mm- 出口直径:300mm-材质:不锈钢-搅拌功率:5.5kW- 搅拌转速:1450rpm这些型号的自动搅拌潜水排污泵具有流量大、扬程高、功率大的特点,适用于处理大量污水和废水的场合。
采用搅拌装置可以有效地将悬浮物和沉淀物搅拌混合,提高污水的均匀性和降解效果。
潜水设计可以降低对环境的影响,避免污水外溢和异味产生。
同时,这些自动搅拌潜水排污泵还具有自动控制功能,可以通过控制面板实现启动、停止、调速等操作,使其更加方便易用。
在运行过程中,还可以实时监测流量、扬程、转速等参数,以便及时调整运行状态。
QW型污水泵QW型污水泵概述:QW系列潜水排污泵是消化、吸收国外同类产品先进技术的基础上研制成功的,具有高效、防缠绕、无堵塞、自动耦合、高可靠性和自动控制等优点,在排送固体颗粒及长纤维垃圾方面,具有独特功能。
该系列泵排出水口径为50∽600mm,流量10~7000m3/h,扬程为5∽60m,功率为1.5~315KW,通过固体颗粒直径为20~145mmQW型污水泵参数范围:流量Q 15~3800m3/s扬程H 5~45mQW型污水泵使用说明:1、电机额定电压380V,频率50HZ三相交流电源。
2、输送介质温度不超过40oC。
3、输送液体介质PH值为4-10。
4、输送介质中固相物容积比在2%以下。
5、输送介质密度小于1.2×103Kg/m3QW型污水泵结构型式:QW系列潜水排污泵结构紧凑,并设置了各种状态显示,保护装置,使得泵运行安全、可靠。
1、独特的电缆密封设计,排除了电缆漏水的隐患。
2、定子采用F级绝缘,装有热保护元件。
3、18.5KW以上泵采用外循环水自动冷却,保证电泵在最低水位状态下安全运行。
4、电机腔下底部装有浮子开关,对电机侧机械密封实施监护。
5、在泵与电机的油室上端装有油水探头,对水泵侧机械密封实施监护,一旦漏水,控制系统将报警保护。
6、波纹管式双端面机械密封,密封材料为碳化钨、碳化硅及硬质合金,防止水进入电机,保证电机安全可靠运转。
7、副叶轮用于平衡机械密封外部压力,防止水进入油室,从而延长电泵的使用寿命。
8、叶轮设计独特,大流道能够通过长纤维及污物,抗堵塞、防缠绕、过流能力强。
9、叶轮与蜗壳下端之间装有可更换的耐磨套,保持泵以最佳效率运行。
潜水排污泵型号分类及性能潜水排污泵属于无堵塞泵的一种,具有多种形式:如潜水式和干式二种,目前最常的潜水式为WQ型潜水污水泵,最常见的干式污水泵如W型卧式污水泵和WL型立式污水泵二种。
主要用于输送城市污水,粪便或液体中含有纤维。
纸屑等固体颗粒的介质,通常被输送介质的温度不大于80℃。
由于被输送的介质中含有易缠绕或聚束的纤维物。
故该种泵流道易于堵塞,泵一旦被堵塞会使泵不能正常工作,甚至烧毁电机,从而造成排污不畅。
给城市生活和环保带来严重的影响。
因此,抗堵性和可靠性是污水泵优劣的重要因素。
和其它泵一样,叶轮、压水室、是污水泵的两大核心部件。
其性能的优劣,也就代表泵性能的优劣,污水泵的抗堵塞性能,效率的高低,以及汽蚀性能,抗磨蚀性能主要是由叶泵和压水室两大部件来保证。
1、叶轮结构型式:叶轮的结构分为四大类:叶片式(开式、闭式)、旋流式、流道式、(包括单流道和双流道)螺旋离心式四种,开式半开式叶轮制造方便,当叶轮内造成堵塞时,可以很容易的清理及维修,但在长期运行中,在颗粒的磨蚀下会使叶片与压水室内侧壁的间隙加大,从而使效率降低。
并且间隙的加大会破坏叶片上的压差分布。
不仅产生大量的旋涡损失,而且会使泵的轴向力加大,同时,由于间隙加大,流道中液体的流态的稳定性受到破坏,使泵产生振动,该种型式叶轮不易于输送含大颗粒和长纤维的介质,从性能上讲,该型式叶轮效率低,最高效率约相当于普通闭式叶轮的92%左右,扬程曲线比较平坦。
2、旋流式叶轮:采用该型式叶轮的泵,由于叶轮部分或全部缩离压水室流道。
所以无堵塞性能好,过颗粒能力和长纤维的通过能力较强。
颗粒在压水室内流动靠叶轮旋转产生的涡流的推动下运动,悬浮性颗粒本身不产生能量,只是在流道内和液体交换能量。
在流动过程中,悬浮性颗粒或长纤维不与叶片接触,叶片多磨损的情况较轻,不存在间隙因磨蚀而加大的情况,在长期运行中不会造成效率严重下降的问题,采用该型式叶轮的泵适合于抽送含有大颗粒和长纤维的介质。
潜水排污泵型号规格1. 引言潜水排污泵是一种用于将液体从低洼区域或深水中排放的设备。
它主要由电机、泵体、推进器和控制设备组成。
潜水排污泵广泛应用于城市污水处理、农田灌溉、工业生产等领域。
本文将详细介绍潜水排污泵的型号和规格。
2. 型号分类潜水排污泵的型号根据其功率、排量等特性进行分类。
常见的型号分类有:2.1. 根据功率分类•小功率型号:适用于家庭污水排放和小型工业用途。
•中功率型号:适用于城市污水处理和中型工业用途。
•大功率型号:适用于大型工业生产和治理大规模的污水处理厂。
2.2. 根据排量分类•小排量型号:适用于小范围污水集中排放和小流量工业排水。
•中排量型号:适用于中型污水处理和一般工业用途。
•大排量型号:适用于大型污水处理厂和大流量工业排水。
3. 型号规格不同型号的潜水排污泵具有不同的规格。
以下是常见型号潜水排污泵的规格参数:3.1. 小功率型号规格3.1.1. 型号A•功率:0.5千瓦•排量:10立方米/小时•提升高度:5米•最大固体颗粒直径:25毫米•进口口径:50毫米•出口口径:50毫米3.1.2. 型号B•功率:0.75千瓦•排量:20立方米/小时•提升高度:8米•最大固体颗粒直径:30毫米•进口口径:50毫米•出口口径:50毫米3.2. 中功率型号规格3.2.1. 型号C•功率:2千瓦•排量:30立方米/小时•提升高度:10米•最大固体颗粒直径:40毫米•进口口径:80毫米•出口口径:80毫米3.2.2. 型号D•功率:3千瓦•排量:50立方米/小时•提升高度:15米•最大固体颗粒直径:50毫米•进口口径:80毫米•出口口径:80毫米3.3. 大功率型号规格3.3.1. 型号E•功率:5千瓦•排量:80立方米/小时•提升高度:20米•最大固体颗粒直径:60毫米•进口口径:100毫米•出口口径:100毫米3.3.2. 型号F•功率:7千瓦•排量:100立方米/小时•提升高度:25米•最大固体颗粒直径:70毫米•进口口径:100毫米•出口口径:100毫米4. 结论本文对潜水排污泵的型号和规格进行了详细介绍。
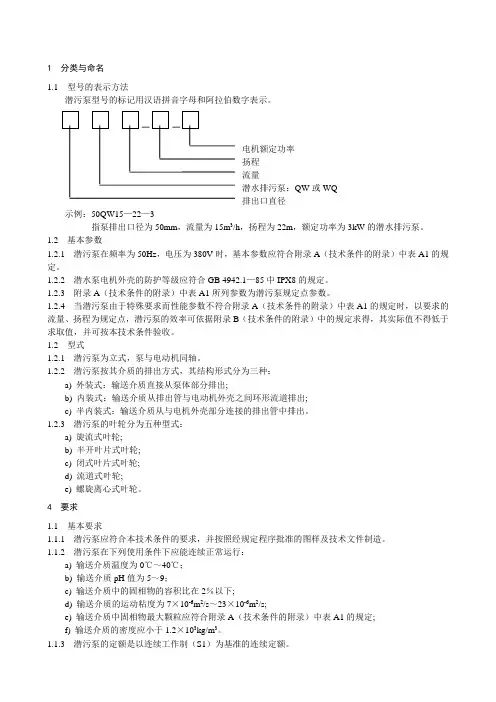
1 分类与命名1.1 型号的表示方法潜污泵型号的标记用汉语拼音字母和阿拉伯数字表示。
电机额定功率扬程流量潜水排污泵:QW或WQ排出口直径示例:50QW15—22—3指泵排出口径为50mm,流量为15m3/h,扬程为22m,额定功率为3kW的潜水排污泵。
1.2 基本参数1.2.1 潜污泵在频率为50Hz,电压为380V时,基本参数应符合附录A(技术条件的附录)中表A1的规定。
1.2.2 潜水泵电机外壳的防护等级应符合GB 4942.1—85中IPX8的规定。
1.2.3 附录A(技术条件的附录)中表A1所列参数为潜污泵规定点参数。
1.2.4 当潜污泵由于特殊要求而性能参数不符合附录A(技术条件的附录)中表A1的规定时,以要求的流量、扬程为规定点,潜污泵的效率可依据附录B(技术条件的附录)中的规定求得,其实际值不得低于求取值,并可按本技术条件验收。
1.2 型式1.2.1 潜污泵为立式,泵与电动机同轴。
1.2.2 潜污泵按其介质的排出方式,其结构形式分为三种:a) 外装式:输送介质直接从泵体部分排出;b) 内装式:输送介质从排出管与电动机外壳之间环形流道排出;c) 半内装式:输送介质从与电机外壳部分连接的排出管中排出。
1.2.3 潜污泵的叶轮分为五种型式:a) 旋流式叶轮;b) 半开叶片式叶轮;c) 闭式叶片式叶轮;d) 流道式叶轮;e) 螺旋离心式叶轮。
4 要求1.1 基本要求1.1.1 潜污泵应符合本技术条件的要求,并按照经规定程序批准的图样及技术文件制造。
1.1.2 潜污泵在下列使用条件下应能连续正常运行:a) 输送介质温度为0℃~40℃;b) 输送介质pH值为5~9;c) 输送介质中的固相物的容积比在2%以下;d) 输送介质的运动粘度为7×10-6m2/s~23×10-6m2/s;e) 输送介质中固相物最大颗粒应符合附录A(技术条件的附录)中表A1的规定;f) 输送介质的密度应小于1.2×103kg/m3。
潜水排污泵参数 QW系列潜水式无堵塞排污泵在经我厂科研人员的共同努力下,在引进国外先进技术的基础上,同时广泛征求国内水泵专家的意见,并经过多次改良而研制成功的,经测试各项性能指标次达到国外同类产品的先进水平。
潜水排污泵根据使用介质,安装方式不同设计制造成同性能参数的WL、YW、GW系列产品。
QW潜水排污泵的性能参数范围: 流量:7-2400m3/h,扬程:7-60m WQ无堵塞固定式潜水排污泵 WQ潜水泵型号意义说明: 例如:40WQ15-30-2.2 40-口径(mm) W-污水泵 Q-潜水泵 15-流量(m3/h) 30-扬程(m) 2.2-配用电机功率(kw) WQ型潜水排污泵的产品特点: 1、整体结构紧凑、体积小、噪声小、节能效果显著,检修方便,无需建泵房,潜入中即可工作,大大减少工程造价。
2、潜水排污泵有两种不同的安装方式,固定式自动耦合安装系统、移动式自由安装系统。
3、采用独特的单片或双片轮结构,大大提高了污物通过能力,能有效的通过泵口径的倍纤维物质与直径为泵口径约50%的固体颗粒。
4、可根据用户需要配备全自动控制柜,对泵的漏水、漏电、过载及超温等进行自动保护,提高了产品的安全性怀可靠性。
5、浮球开关可以根据所需液位变化,自动控制泵的起动与停止,不需专人看管,使用极为方便。
6、机械密封采用新型硬质耐腐的钛化儿钨材料,可使泵安全连续运行8000小时以上。
能够在全扬程内使用,而保证电机不会过载。
7、密封油室内设置有高精度搞干扰漏水检测传感器,定子绕组内预埋了热敏元件,对水泵电机自动保护。
8、QW系列潜水排污泵可根据用户需要配备双导轨自动耦合安装系统,它安装、维修带来更大方便,人可不必为此而进入污水坑。
优秀水泵制造商-上海沈泉泵阀制造有限公司是一家专业生产,销售管道泵,排污泵,消防泵,化工泵等给排水设备的厂家,产品涉及工矿企业、农业、城市供水、石油化工、电站、船舶、冶金、高层建筑、消防供水、工业水处理和纯净水、食品、制药、锅炉、空调循环系统等行业领域。
上海沈泉泵阀制造有限公司是集研究、开发、生产、销售和服务为一体的泵阀生产企业。
产品涉及工矿企业、农业、城市供水、石油化工、电站、船舶、冶金、高层建筑、消防供水、工业水处理和纯净水、食品、制药、锅炉、空调循环系统等行业领域。
不锈钢潜水污水泵是一种泵壳为不锈钢材质的水泵,这主要是因为潜污泵长期潜入水下作业的原因,并且考虑到长时间的与液体接触,故而采用不锈钢材质来避免泵体被腐蚀。
不锈钢潜污泵在型号规格上非常之多,在用途上也是十分的广泛。
该泵的主要工作环境是在水中,工作的同时不会对周围造成噪音污染,而且对于占地空间也不会有太大的影响。
可见该泵是有多么的优秀。
而为了让大家能够更多的了解这么一款优秀的潜污泵,上海沈泉就以其中的QWP不锈钢潜水排污泵来为大家讲解,详情如下。
QWP不锈钢潜水无堵塞排污泵:这是在国内水泵的使用特点上同时引进了国外的先进技术而研制成功的新一代水泵产品,在特点上具有节能效果显著、防缠绕、无堵塞、自动安装和自动控制。
另外,在处理固体颗粒和长纤维垃圾方面有着国内其他水泵所达不到的独特效果。
主要是由于其采用独特的叶轮结构和新型机械密封的结果,故而能够有效的输送泵口径5倍纤维物质与泵口径约50%的固体颗粒。
非常适用于化工、石油、制药、采矿、造纸工业、水泥厂、炼钢厂、电厂、煤加工工业,以及城市污水处理厂排水系统、市政工程、建筑工地等行业输送带颗粒的污水、污物,也可用于抽送清水及带腐蚀性介质。
可选流量范围:10-2600(m3/h),扬程范围:7-60(m),功率范围:0.75-250(KW),口径范围:25-500(mm)。
QWP潜水无堵塞排污泵性能参数选型表:综上所述,便是关于QWP不锈钢潜水排污泵型号规格及参数的内容简单介绍了,希望能够对大家有所帮助。
潜污泵型号及参数————————————————————————————————作者:————————————————————————————————日期:潜污泵型号及参数以下几款潜污泵型号及参数供用户或设计院选型设计【AS型撕裂式潜水排污泵】型号意义:AS型无堵塞潜水排污泵价格编号型号规格流量(m³/h)扬程(m)功率(KW)转速(r/min)电压(V)配用胶管内径(mAS 叶轮自耦装置GAK一控一全保自动控制柜一控二、一用二备全保自动控制m) 配浮球柜配浮球1AS10-2W/CB 15 4 1.1285 68 2 AS10-2CB 15 4.5 1.1 29192 973 10431668 3AS16-2CB 297.6 1.529 668 4AS30-2CB 42 1 1738 192 973111216685 AS55-2CB 45 13 5.5 29 8 3521251 1182 18076 AS55-4CB 100 7.5 5.5 33648 077 AS75-2CB 6018 7.5 29 3 352 1251 1251 18778 AS75-4CB 145 10 7.5892 48 779 AV14-4 22 5.8 1.5 29192 973 1043 1668 10 AV55-2 30 205.5 29 5 352 5 11 AV75-2 30 25 7.5 290 40 5【AS型撕裂式潜水排污泵】性能参数:型号流量扬程电机功率转速额定电压额定电流配用胶管内径自耦装置重量(m3/h)(M)(kw)(r/min)(V)(A)mmAS10-2W/CB154 1.128502205.657680GAK30 AS10-2CB15 4.51.128503802.97680GAK30 AS16-2CB297.61.528503803.57680GAK33 AS30-2CB421132850380 6.47680GAK40AS55-2CB45135.5290038011.1127100GAK165 AS55-4CB1007.5 5.5145038011.6152150GAK180AS75-2CB60187.5290038015.0127100GAK185 AS75-4CB145107.5145038015.4152150GAK200 AV14-4225.8 1.51450380 3.57680GAK33 AV55-23020 5.5290038011.176100GAK165AV75-230257.5290038015.076100GAK200AS型无堵塞潜水排污泵价格编号型号规格流量(m³/h)扬程(m)功率(KW)转速(r/min)电压(V)配用胶管内径(mm)AS 叶轮自耦装置GAK一控一全保自动控制柜配浮球一控二、一用二备全保自动控制柜配浮球1AS10-2W/CB15 4 1.1 285 68 2AS10-2CB154.5 1.1 29 192973 1043 16683AS16-2CB297.6 1.5 29 668 4 AS30-2CB 42 1 1738 192973 1112 1668 5AS55-2CB45 13 5.5 29 8 352 1251 1182 18076 AS55-4CB 1007.55.5 336 48077 AS75-2CB 60 18 7.5 29 3 352 1251 1251 18778AS75-4CB 145 10 7.5 892 48 779 AV14-4 22 5.8 1.529 192 973 1043 166810 AV55-2 30 20 5.5 29 5352511 AV75-2 30 25 7.5 29 0 40 5【JYWQ系列自动搅匀潜水排污泵】型号意义:JYWQ、JPWQ自动搅匀系列排污泵价格编号型号规格排出口径(mm)流量(m³/h)扬程(m)搅匀直径(mm)转速(r/min)功率(KW)效率(%) JYWQ\JPWQ140-12-15-1200-1.54012 .548 11822 50-20-7-1200-0.75 5 0 0.75 62 9043 50-10-10-1200-1. 2900 1.1 54 9734 50-15-15-1200-2.25 0 2.2 51 13215 50-15-10-120 5 0 1.5 65 11820-1.56 50-15-20-1200-2.250 2.2 51 13217 50-20-15-1200-2.2 50 2.2 57 13218 50-40-7-1200-2.2 5 0 2.2731321 950-40-9- 4 38 10 50-25-15-17381150-25-22-12 85 1250-40-15- 08513 50-25-32-1600-5.5 500 5.549278014 65-25-15- 17381565-37-13- 173816 65-25-28- 14 24 1780-40-7-1200-2.280 2.2 50 166818 80-30-8-1200-2.28 0 2.251 166819 80-43-13-1600_4 80 4365 20852080-50-10_1600_3 8 00372180721 80-40-15_1600_4 80 4 62222422 80-60-13-1600_4 80 6 70 222423 80-35-25-1600_5.5 8 005.558 285024 80-50-25_1600_7.5 8 00 7.556 2919 25 100-80-9- 6 0226100-110-10-2000-5.512900 5.5 67 312827 100-70-15-2000-55100 7 .5 59 312828 100-100-15- .5 70 3336编号型号规格排出口径(mm)流量(m³/h)扬程(m)搅匀直径(mm)转速(r/min)功率(KW)效率(%)JYWQ\JPWQ29 100-80-20- 20 2000 1450 7.5 71 333630 100-80-22- 22 200 031100-80-25- 25200 032 100-100-22-2000-00 533 100-80-30-2000-0 534150-150-10-2000-7.510 0 7.5 70 361435 150-200-7-2500-7.514507.5 80 347536 150-250-6-2500-7.5 14507.5 82 347537150-100-15-2600-11838 150-145-15-2600-11839 150-200-10-2600-60 240150-65-40-3200-18.51450 18.5 70 711741 150-180-22-2600-18.50 1450 18.575 711742 150-150-26-2600-18.50145018.5 72 711743 150-110-30-2600-18.501450 18.5 72711744 150-300-15-2600-22145150-130-30-2600-22 146150-200-30-2600-370247 150-150-35-3200-370248150-140-40-3200-370249 200-300-7-75 749250 200-250-11-3000- 00 751200-300-10-3000-00 752 200-250-15-3000-18.5200 25 8.572902153200-400-10-0 10 300 054200-310-13- 271 9480 55200-400-13- 0 76 1116256200-280-22_3000_3 0 6257 200-350-25_3200_3720编号型号规格排出口径(mm)流量(m³/h)扬程(m)搅匀直径(mm)转速(r/min)功率(KW) 效率(%) JYWQ\JPWQ58 200-250-35-3200_452059 200-400-30_3200_552 160 250-600-9-3200_3 4861250-600-12_3200_372562 250-420-22-3200_452560 45 7627216ﻬ【JYWQ系列自动搅匀潜水排污泵】性能参数:序号型号排出口径额定流量额定扬程搅拌直径转速效率自动耦合器(mm)(m3/h)(mm)(mm)(r/min)(%)1JYWQ50-12-15-1200-1.550128CAK-502JYWQ50-20-7-1200-1.90062CAK-50 3JYWQ50-10-10-1200-1.290056CAK-504JYWQ50-15-15-1200-2.25051CAK-505JYWQ50-25-10-1200-2.250065CAK-50 6JYWQ50-15-20-1200-2.25056CAK-507JYWQ50-20-15-1200-2.25026CAK-508JYWQ50-42-9-200290056CAK-50 9JYWQ50-17-25-1200290056CAK-5010JYWQ50-25-22-1200290062CAK-50 11JYWQ50-40-15-1400-45040CAK-5012JYWQ50-25-32-1600-5.550052CAK-5013JYWQ50-40-30-1600-7.550068CAK-5014JYWQ65-25-15-CAK-6515JYWQ65-37-13-1400-365372CAK-6516JYWQ65-25-28-1400290060CAK-6517JYWQ80-40-7-1600-2.28054CAK-8018JYWQ80-29-8-1600-2.28054CAK-80 19JYWQ80-43-13-1600-480433CAK-8020JYWQ80-50-10-1600145076CAK-80 21JYWQ80-40-15-1600-48040CAK-80 22JYWQ80-60-13-1600-48060CAK-8023JYWQ80-35-25-1600-5.580064CAK-80 24JYWQ80-50-25-1600-7.580070CAK-8025JYWQ80-50-30-1600-7.580070CAK-8026JYWQ100-80-9-2000145062CAK-10027JYWQ100-110-10-2000-5.51145071CAK-10028JYWQ100-70-15-2000-5.510071CAK-10029JYWQ100-100-15-2000-7.5100103CAK-10030JYWQ100-80-20-2000-7.5190071CAK-10031JYWQ100-50-35-68CAK-10032JYWQ100-70-22-2000-7.5190070CAK-10033JYWQ100-100-22-61CAK-100 34JYWQ100-80-30-67CAK-10035JYWQ150-150-10-2000-7.50145075CAK-15036JYWQ150-210-7-2500-7.5145078CAK-15037JYWQ150-250-6-2500-7.5145079CAK-15038JYWQ150-150-15-9CAK-150 39JYWQ150-200-10-73CAK-15040JYWQ150-65-40-3200-18.50145058CAK-15041JYWQ150-180-22-2600-18.50145075CAK-15042JYWQ150-150-26-2600-18.50145072CAK-15043JYWQ150-110-30-2600-18.50145072CAK-15044JYWQ150-300-15-76CAK-150 45JYWQ150-130-30-70CAK-150 46JYWQ150-100-40-4CAK-150 47JYWQ200-300-7-5CAK-20048JYWQ200-250-11-72CAK-20049JYWQ200-300-10-75CAK-20050JYWQ200-250-15-3000-18.5200252CAK-20051JYWQ200-400-10-75CAK-200 52JYWQ200-200-20-73CAK-20053JYWQ200-250-22-73CAK-200 54JYWQ250-600-7-8CAK-250 55JYWQ250-600-9-8CAK-250JYWQ、JPWQ自动搅匀系列排污泵价格编号型号规格排出口径(mm)流量(m³/h)扬程(m)搅匀直径(mm)转速(r/min)功率(KW)效率(%) JYWQ\JPWQ1 40-12-15-1200-1.5 40 12 .5 48 11822 50-20-7-1200-0.755 0 0.75 62 9043 50-10-10-1200-1.2900 1.1 54973450-15-15-1200-2.2 5 0 2.2 51 13215 50-15-10-1200-1.55 0 1.5 65 11826 50-15-20-1200-2.25 0 2.2 51 13217 50-20-15-1200-2.2 50 2 .2 5713218 50-40-7-1200-2.250 2.2 7313219 50-40-9- 4 381050-25-15- 173811 50-25-22- 128512 50-40-15-08513 50-25-32-1600-5.5500 5.5 49 2780 14 65-25-15- 173815 65-37-13-173816 65-25-28- 14 2417 80-40-7-1200-2.280 2.2 50166818 80-30-8-1200-2.2 8 0 2.2 51 1668 19 80-43-13-1600_4 80 43 65 2085 20 80-50-10_1600_3 8 00 3 721807 2180-40-15_1600_480 4 62 2224 22 80-60-13-1600_4 80 6 70 2224 23 80-35-25-1600_5.5 800 5.558285024 80-50-25_1600_7.5800 7.556 291925 100-80-9- 6 0226 100-110-10-2000-5.512900 5.567 312827 100-70-15-2000-55 100 7 .5 59 312828100-100-15-.5 703336编号型号规格排出口径(mm)流量(m³/h)扬程(m)搅匀直径(mm)转速(r/min)功率(KW)效率(%)JYWQ\JPWQ29 100-80-20-202000 1450 7.5 71 333630 100-80-22- 22 200 031 100-80-25- 25 200 032 100-100-22-2000-00 533100-80-30-2000- 0 534 150-150-10-2000-7.510 07.5 70361435 150-200-7-2500-7.51 450 7.580 347536150-250-6-2500-7.51450 7.5 82347537 150-100-15-2600-11838 150-145-15-2600-11839 150-200-10-2600- 60 2 40 150-65-40-3200-18.5 1450 18.5 70 711741 150-180-22-2600-18.50 1450 18.5 75 711742 150-150-26-2600-18.50 1450 18.5 72 711743150-110-30-2600-18.50 1450 18.5 72711744 150-300-15-2600-22 145 150-130-30-2600-22146150-200-30-2600-37 0247150-150-35-3200-37 0248150-140-40-3200-370249 200-300-7-75 749250 200-250-11-3000- 00 751 200-300-10-3000- 00 752 200-250-15-3000-18.5200258.5 72902153200-400-10- 0 10300 054 200-310-13- 2 71 9480 55200-400-13-0 761116256 200-280-22_3000_3 0 6257 200-350-25_3200_37 2 0编号型号规格排出口径(mm)流量(m³/h)扬程(m)搅匀直径(mm)转速(r/min)功率(KW)效率(%) JYWQ\JPWQ58200-250-35-3200_452 059 200-400-30_3200_552160 250-600-9-3200_3 4861 250-600-12_3200_372562 250-420-22-3200_45256045 76 27216【WQK/QG系列切割式潜水排污泵】型号意义:WQK高效无堵塞带切割装置型及带刀型污水污物潜水泵价格编号型号规格流量(m³/h) 扬程(m) 出水配管口径(mm)功率(KW) 转速(r/min) 普通型带刀装置1 WQK8-12812 32 0.75 2900102915292 WQK25-6 256800.7514501043 15573 WQK20-7 207 50 1 1450 1029 15434 WQK10-12 101240 15435 WQK10-12 10 1240 1.11450 1126 16266 WQK8-22 82225 1.1 1450 1140 16547 WQK20-1520 15 50 151450 1237 17388 WQK15-30 1530 4 2.2 1450 1321 18359 WQK20-20 20 20 50 22 1450 1334 1849 10WQK25-450 1348 1863 11WQK40-7 40 7 80 2.21450 1738 2252 12 WQK30-3 0 1793 2294 13WQK30_00 1793 229414 WQK25-3025 30 6542900 1890 239115 WQK40-1540 1580 4 1450 2113 2627 16 WQK85-1 50 2127 2641 17 WQK65-25 6525 80 7.5 2900 2780 343318 WQK20-60 20 6080 7.5 2900 3419 392019 WQK80-20 80 20 80 7.5 14502877 346120WQK100-15 10015100 7.5 14502947 353121 WQK130-10 13010 150 75 14503628 421222 WQK 9 5199 23 WQK 4 5977 24WQK180-15 180 5352 608825 WQK100_40 1005518 6241【WQK/QG系列切割式潜水排污泵】性能参数:型号流量ﻫm3/h扬程(m)出水配管口径ﻫmm功率kw转速ﻫ(r/min)WQK8-12QG812320.752900 WQK20-7QG207500.751450 WQK10-12QG101240 1.11450 WQK8-22QG822251.11450 WQK20-15QG201550 1.51450WQK15-30QG153040 2.21450 WQK20-20QG202050 2.21450WQK25-15QG2515652.21450 WQK40-7QG407802.21450 WQK30-15QG30158032900 WQK25-30QG25306542900 WQK40-15QG40158041450 WQK85-10QG821010041450 WQK65-25QG6525807.52900WQK80-20QG8020807.51450WQK100-15QG100151007.51450 WQK100-25QG150WQK115-15QG150WQK180-15QG450WQK高效无堵塞带切割装置型及带刀型污水污物潜水泵价格编号型号规格流量(m³/h)扬程(m) 出水配管口径(mm)功率(KW)转速(r/min)普通型带刀装置1 WQK8-12 8 12 32 0.752900 1029 15292 WQK25-625 680 0.75 1450 104315573 WQK20-7 20 7 50 1 1450 1029 15434 WQK10-1210 12 4015435 WQK10-1210 12 40 1.1 14501126 16266 WQK8-22 8 22 25 1.1 1450114016547 WQK20-1520 15 50 15 1450 1237 17388WQK15-30 15 30 4 2.21450 13211835 9WQK20-2020 20 50 22 1450 1334184910 WQK25- 450 1348 186311 WQK40-7 40 7 80 2.2145017382252 12WQK30-30 1793229413 WQK30_ 00 1793229414WQK25-30 253065 4 2900 1890 2391 15WQK40-15 40 15 80 4 145021132627 16 WQK85-1 502127 264117 WQK65-2565 25 807.5 29002780 343318 WQK20-6020 60 80 7.52900 3419 392019 WQK80-208020 80 7.5 1450 2877 346120 WQK100-1510015 100 7.5 1450 2947 353121 WQK130-10 130 10 15075 1450 3628 421222 WQK 9 5199 23 WQK 4 597724 WQK180-15 180 5352 608825 WQK100_40 10 0 55186241【QW(WQ)系列无堵塞潜水排污泵】型号意义:WQ、QW系列潜水式排污泵价格编号型号规格流量(m³/h)扬程(m)转速(r/min)WQ(铸铁)WQP(普通不锈钢)WQP(304不锈钢)WQP(316不锈钢)自动耦合装置铸铁叶轮不锈钢叶轮带循环水装置1 25-8-22-1. 2224 2711 4309 /64240 / 232-12-15-1.1 12 15 2800 9042224 2711 4309/ 64 240/3 40-15-15- 043 2919 3475 5560 / 80 256 /4 40-15-30-2.2 12919 3614 5769 / 80256 /5 50-20-7-0.75207 2900 765 208526414240/ 96 288 /6 50--10-10-0.75 10 10 2900765 2085 2641 4240 / 96 288/7 50-20-15-1.5 2 2919 34755560/ 96 480 / 850-15-25-2.2 4 3058 3614 5769834 96 480 /9 50-18-30--39 3475 4170667283496 480 /10 50-25-32-5.5 25 322900 2294 45875560 8896 834 112 640/ 1150-20-40-7.5 2 4726 5699 9105 834160 768 /12 65-25-15-22 25 15 2900 1321 3336 40316464 834 96480 /13 65-37-13-3 99361443096881 834 112512 /14 65-25-30-4. 38 4170 4587 7367 834128 528/15 65-30-40-75 3 5560 667210703 973 240 768 / 16 65-35-50-1 62 931311120 17792 973 256 960 /17 65-35-60- 365 9730 11676 18626 973256 960 /18 80-40-7-2.2 40 7 1450 1390 3614 4309 6881973 128 768/19 80-43-13-3. 99 4031 4865 7784 973128768 / 2080-40-15-4 384309 51436950973 144 800 /21 80-65-25-7.5 65 25 2900 2641 5560 6672 107031112 208880 / 22100-80-10-4 85352 6394 10217 1390 160 880 / 23100-110-10-5.5 11 65337784 12441 139 240 960 /24 100-100-15-7.5 10 6672 7923126491390 240960 /25 100-80-20-7.5 8 6672 7923 12649 1390 240960/26 100-100-25-11 1 2973011676 18626 1390 272 1040 / 27100-100-30- 4490 102861223219460 1390 320 1120 / 28 100-100-35-18.5 1 2 111201334421267 1390 320 1120 /编号型号规格流量(m³/h)扬程(m)转速(r/min)WQ(铸铁)WQP(普通不锈钢)WQP(304不锈钢)WQP(316不锈钢)自动耦合装置铸铁叶轮不锈钢叶轮带循环水装置29 125-130-15-1101 11259 139022240 2224 320 1120/30 125-130-20- 4684 11398 14317 229352224 320 1120/31 150-145-9-7.5 7 8479 9730/2224320 800/32 150-180-15- 482311537 13205 / 2224 320 960 /33 150-180-20-18.5 38 1334415290 / 2224320 960 97334 150-180-25-22 3314873 15985 / 2224 352 1120 984135 150-130-30-22 33 14873 15985/2224352 1120 986936150-180-30-3 6217931/ / 2224 40012801181537 150-200-30-37 2 6727522/ / 22244001280 13205 38 200-300-7-1 0 15290 / /3058 320 1120 8062 39 200-250-11- 838 15568 / / 3058 320 1120903540 200-250-15-18.5 2517653 / / 3058 400 1280 834041 200-400-10-224 6 18348 // 3058 400 1280 903542 200-400-13-340 / / /3058 400 1280 903543 200-300-15-22 36/ / / 3058 400 1280 903544 200-250-22-3 0008 / // 3058 400 12801112045 200-350-25-3735 5 / / /3058 480 1440 13205 46200-400-30-45 472 // /3058 480 1440 22240 47250-600-9-3 90 / // 3892880 2400 20850 48 250-600-12-37 6 75/ / / 3892 880 24002432549 250-600-15-4560 / / / 3892 880 2400 2919050250-600-20-55625/ / / 3892 880 24003475051 250-600-25-75 690 / // 3892 960 27203892052 300-800-12-45 8 30 // / 5421 960 2720 3475053 300-500-15-45 50 / / / 5421 960 2880 34750 54 300-800-15-55 8 5/ / / 5421 9602880 37530 55 300-600-20-55 6 0 / //5421 1920 400037530 56 300-800-20-758 0 / / / 5421 24004800 4378557 300-950-20-9 700 / / / 54212400 480053515 编号型号规格流量(m³扬程转速(rWQ(铸铁) WQP(普WQP(304WQP(3自动耦合铸铁叶轮不锈钢叶带循环水/h)(m) /min)通不锈钢) 不锈钢) 16不锈钢)装置轮装置58300-1000-25-11 3090// / 542124004800 66720 59 300-1100-10-55 11 5 / / /5421 240048003753060 350-1500-15-9 650 / //6255 2560 /7089061 350-1200-18-90735 / / / 6255 2560 / 7089062 350-1100-28- 0 62550 // / 6255 2560 / 8062063 350-1000-36-16 0890 / / /6255 2560 /8618064 400-1760-7.5-55176 / / /7645 3200 / 5699065 400-1500-10-75735 / / /76453200 / 4865066 400-2000-15- 065052 // / 7645 3200 /8757067 400-1700-22-165755 // / 7645 3200 /8618068 400-1500-26-16755 / / / 7645 3200 / 8618069 400-1700-30-2 85485 / / / 7645 3200 / 9452070 400-1800-32-25 655 / / /76453200 / 9730071 500-2500-10-110350// / 13900 4000/ /72 500-2600-15-16 8690 ///13900 4000 / /73 500-2400-22-22 08420/ / / 13900 4000 / / 74 500-2600-24-25 15370 / / /13900 4000 //ﻬ【QW(WQ)系列无堵塞潜水排污泵】性能参数:型号口径流量扬程转速功率效率ABCDH自动耦合器mm(m3/h)(M)(r/min)(kw)(%)25-7-8-0.55257829000.5545124025-8-22-1.1258222900 1.521054032-8-12-0.753281229000.7548124032-12-15-1. 1.145124040-15-15-1.540151529001.548124040-15-30-2.240153029002.254124050-20-7-0.755020729000.75515520GAK-5050-10-10-0.7550101029000.75521220GAK-50 50-20-15-1.55020152900 1.5531264GAK-5050-15-25-2.25015252900 2.2545550GAK-5050-18-30-350660GAK-50 50-40-15-450730GAK-50 50-25-32-5.550253229005.555165480285310770GAK-50 50-20-40-7.550502029007.558175480285310770GAK-50 65-25-15-2.265251529002.255570GAK-6565-37-13-365375475305260652GAK-6565-25-30-4652535GAK-6565-30-40-7.565304029007.556GAK-6565-35-50-116535520GAK-65 65-35-60-00350920GAK-65 80-60-13-5.58060132900 5.567165565330325775GAK-80 80-40-7-2.2804071450 2.259165510330260640GAK-80 80-43-13-3825652GAK-8080-40-15-485775GAK-80 80-65-25-7.580652529007.5635775GAK-80100-80-10-41420800GAK-100型号口径流量扬程转速功率效率ABC D H自动耦合器mm(m3/h)(M)(r/min)(kw)(%)100-100-15-7.517.568225690420420825GAK-100 100-80-20-7.51.565225690420420825GAK-100 100-100-25-11150520940GAK-100 100-100-30-4501565GAK-100 100-100-35-18.5118.568225680410420970GAK-100 125-130-15-1112572GAK-125125-130-20-4501575GAK-125 150-145-9-7.57.5762258GAK-150150-180-15-45105201060GAK-150150-180-20-18.5018.57225060GAK-150150-180-25-225855201060GAK-150150-130-30-225855201060GAK-150150-180-30-303078GAK-150150-200-30-3756505201320GAK-150 200-300-7-1126629150GAK-200200-250-11-45005201120GAK-200200-250-15-18.5218.573290130GAK-200200-400-10-222105201130GAK-200 200-400-13-3GAK-200200-300-15-222105201130GAK-200 200-250-22-32GAK-200 200-350-25-3726805201370GAK-200200-400-30-452805201370GAK-200型号口径流量扬程转速功率效率ABCDH自动耦合器mm(m3/h)(M)(r/min)(kw)(%)250-600-9-33005201660GAK-250 250-600-12-3725005201660GAK-250250-600-15-452505201660GAK-250250-600-20-552505201700GAK-250250-600-25-7525005201750GAK-250300-800-12-45357447845GAK-300 300-480-15-45300487845GAK-300 300-800-15-55300807060GAK-300 300-600-20-553006002060GAK-300300-800-20-753008002120GAK-300300-950-20-9GAK-300 300-1000-25-1120GAK-300 300-1100-10-55305573GAK-300 350-1500-15-9GAK-350 350-1200-18-95007502190GAK-350 350-1100-28-8986GAK-350 350-1000-36-1686614137002590GAK-350400-1760-7.5-5540017607.59805583GAK-400400-1500-10-754086600165GAK-400400-2000-13-115GAK-400 400-2000-15-598013283GAK-400400-1700-22-1687GAK-400400-1500-26-167GAK-400型号口径流量扬程转速功率效率A B C D H自动耦合器mm(m3/h)(M)(r/min)(kw)(%)400-1800-32-2530GAK-400 500-2500-10-11418GAK-500 500-2600-15-166816259002450GAK-500 500-2400-22-22418GAK-500500-2650-24-25419823959003000GAK-500WQ、QW系列潜水式排污泵价格编号型号规格流量(m³/h)扬程(m)转速(r/min)WQ(铸铁)WQP(普通不锈钢)WQP(304不锈钢)WQP(316不锈钢)自动耦合装置铸铁叶轮不锈钢叶轮带循环水装置125-8-22-1. 2224 2711 4309 /64 240 /232-12-15-1.1 1215 2800904 2224 27114309 /64 240 / 3 40-15-15- 0432919 3475 5560 / 80 256 / 440-15-30-2.212919 36145769 / 80 256 /5 50-20-7-0.75 207 2900 765208526414240 / 96288/6 50--10-10-0.7510 10 2900 765 20852641 4240/96 288 /7 50-20-15-1.5 2 29193475 5560 / 96 480/8 50-15-25-2.243058 3614 5769 834 96480 / 950-18-30--3 9 3475 4170 6672 83496 480 /10 50-25-32-5.5 25 32 2900 2294 4587 5560 8896 834112640 / 11 50-20-40-7.5 2 4726 5699 9105 834 160768 / 12 65-25-15-22 2515 2900 1321 3336 4031 6464 83496 480 / 13 65-37-13-399 3614 43096881 834112 512 / 1465-25-30-4.38 4170 4587 7367834 128528 /15 65-30-40-75 3 5560 6672 10703 973 240 768 /1665-35-50-1 629313 1112017792 973 256 960 /17 65-35-60-365 973011676 18626 973256 960 /18 80-40-7-2.2 40 7 14501390 3614 4309 6881 973128 768/1980-43-13-3. 99 40314865 7784 973 128 768/20 80-40-15-438 43095143 6950973 144 800 /21 80-65-25-7.565 25 2900 2641 5560 6672107031112 208 880 /22100-80-10-4 8 5352 6394 102171390160 880/ 23 100-110-10-5.5 11 65337784 12441139 240960 /24 100-100-15-7.51 0 6672 792312649 1390 240 960 /25100-80-20-7.58 6672 7923 126491390 240 960 /26 100-100-25-11 1 2 9730 11676 18626 1390 272 1040 /27 100-100-30- 449010286 12232 19460 1390 320 1120 /28100-100-35-18.51 211120 13344 212671390320 1120 /编号型号规格流量(m³/h)扬程(m)转速(r/min)WQ(铸铁)WQP(普通不锈钢)WQP(304不锈钢)WQP(316不锈钢)自动耦合装置铸铁叶轮不锈钢叶轮带循环水装置29 125-130-15-11 01 11259 1390 22240 2224 3201120 / 30 125-130-20- 4684 11398 14317 22935 2224 3201120 /31150-145-9-7.5 7 8479 9730 / 2224 320800 /32 150-180-15-4823 1153713205/2224 320 960 /33150-180-20-18.538 13344 15290 /2224 320 96097334 150-180-25-22 33 14873 15985 /2224 352 1120 984135 150-130-30-22 33 1487315985 /2224 352 11209869 36 150-180-30-36217931 / /2224 400 1280 1181537150-200-30-37 2 6727522 / / 2224400 1280 1320538 200-300-7-1 0 15290/ / 3058 320 1120 806239 200-250-11-838 15568 / / 3058320 1120 903540200-250-15-18.525 17653/ / 3058400 1280 834041 200-400-10-224 6 18348/ / 3058 400 1280 903542 200-400-13-30 40 / / / 3058 4001280 903543200-300-15-22 3 6 / / / 30584001280 903544 200-250-22-3 0008 // / 3058400 1280 1112045 200-350-25-37 35 5 / // 3058 480 1440 13205 46 200-400-30-45 472 / / / 3058 480 1440 2224047 250-600-9-390 / //3892880 2400 2085048 250-600-12-37 6 75 / / / 3892880 2400 24325 49 250-600-15-45 60 / //3892 880 2400 29190 50 250-600-20-55 6 25/ // 3892 880 2400 3475051 250-600-25-75 6 90 // / 3892960 2720 3892052 300-800-12-458 30 / // 5421 960 2720 3475053300-500-15-4550 / / / 5421960 2880 3475054 300-800-15-55 8 5 // / 5421 9602880 3753055 300-600-20-55 60/ / /5421 1920 4000 37530 56300-800-20-75 80 /// 5421 2400 4800 43785 57300-950-20-9 700 / / / 5421 2400 4800 53515编号型号规格流量(m³/h)扬程(m)转速(r/min)WQ(铸铁)WQP(普通不锈钢)WQP(304不锈钢)WQP(316不锈钢)自动耦合装置铸铁叶轮不锈钢叶轮带循环水装置58 300-1000-25-113090 / // 54212400 4800 6672059 300-1100-10-5511 5 / / / 5421 2400 4800 3753060 350-1500-15-9 650 / //6255 2560 / 70890 61350-1200-18-9 0735 / / / 6255 2560 / 7089062 350-1100-28-0 62550 / / / 6255 2560 / 8062063350-1000-36-16 0890 / / /6255 2560 / 8618064 400-1760-7.5-55176 /// 7645 3200 / 5699065400-1500-10-75 735 / // 76453200 / 4865066 400-2000-15-0 65052/ // 7645 3200/ 8757067 400-1700-22-16 5755 / / / 7645 3200 / 86180 68 400-1500-26-16 755 / // 7645 3200 /8618069 400-1700-30-2 85485/ / / 7645 3200 / 94520 70 400-1800-32-25 655/ / / 7645 3200 / 9730071500-2500-10-110350 // / 13900 4000 / /72500-2600-15-16 8690 / / / 139004000 // 73500-2400-22-22 08420 / / /139004000 / / 74 500-2600-24-25 15370 / / / 13900 4000/ /。
一、概述我公司生产的FSB型和FSB-L型氟塑料合金泵。
适用于-20℃~+120℃温度条件下输送物理性类似于水的介质:酸、氧化剂及腐蚀性介质(禁止输送快速硬质结晶体介质),过流部分全部采用塑料合金(聚四氟乙烯和聚全氟乙丙烯等多种材料)经过合理配方、模压、加工而成,它集多种塑料之优点,具有特强的腐蚀性,并具有机械强度高,不老化、无毒素分解等优点。
是输送各种强、弱酸的理想设备。
二、用途适用于在-85℃~+200℃的条件下长期输送任意浓度的任意介质:酸、氧化剂及腐蚀性介质(禁输快速硬质结晶体介质)。
广泛适用于化工、石油、制药、农药、染料、油漆、冶炼、造纸、等行业。
三、型号意义例如: 65 FSB—32L65:吸入口直径FS:过介部分为氟塑料合金B:离心泵 32:扬程 L:轴连式(带底板)100FSB-32L 100 32 100 80 18.5 2900 5.5 70 100FSB-40L 100 40 100 80 22 2900 5.5 70 100FSB-50L 100 50 100 65 30 2900 5.5 62 125FSB-32L 200 32 125 80 30 2900 5.5 72 125FSB-50L 200 50 125 100 45 2900 5.5 64 150FSB-32L 200 32 150 100 30 1450 6 77 150FSB-50L 200 50 150 100 55 1450 5 75 200FSB-32L 400 32 200 150 55 1450 3 81 200FSB-50L 400 50 200 150 75 1450 3 79产品概述:水泵磁力驱动泵(简称磁力泵),通常由电动机,磁力偶合器和耐腐蚀离心泵组成。
其主要特点是利用磁力偶合器传递动力,完全无泄漏,当电动机带动磁力偶合器的外磁钢旋转时,磁力线穿过间隙和隔离套,作用于内磁钢上,使泵转子与电动机同步旋转,无机械接触地传递扭矩。
潜水泵型号及参数说明潜水泵是一种将电机和泵体结合在一起的设备,能够将液体从一处抽送到另一处。
潜水泵常用于家庭排水、市政污水处理、农田灌溉、工业排水等领域。
下面将介绍几种常见的潜水泵型号及其参数说明。
1.QDX系列潜水泵QDX系列潜水泵是一种小型潜水泵,适用于家庭排水、农田灌溉等场合。
其参数包括:-流量:最大流量为5立方米/小时;-扬程:最大扬程为40米;-功率:功率范围从0.25千瓦到1.1千瓦;-电压:220V。
2.QJR系列不锈钢潜水泵QJR系列不锈钢潜水泵适用于清洁水或极少含有颗粒的液体。
其参数包括:-流量:最大流量为25立方米/小时;-扬程:最大扬程为120米;-温度范围:介质温度范围从-15摄氏度到+120摄氏度;-功率:功率范围从0.4千瓦到7.5千瓦;-电压:380V。
3.QY系列潜水泵QY系列潜水泵适用于农田排灌、市政污水处理等领域。
其参数包括:-流量:最大流量为50立方米/小时;-扬程:最大扬程为220米;-温度范围:介质温度范围从0摄氏度到40摄氏度;-功率:功率范围从0.75千瓦到11千瓦;-电压:380V。
4.QS系列潜水泵QS系列潜水泵适用于大型工业排污、市政工程等场合。
其参数包括:-流量:最大流量为980立方米/小时;-扬程:最大扬程为380米;-温度范围:介质温度范围从0摄氏度到40摄氏度;-功率:功率范围从2.2千瓦到45千瓦;-电压:380V。
总结:以上介绍了几种常见的潜水泵型号及其参数。
根据不同的应用场合和要求,选择适合的潜水泵可以提高工作效率和效果。
在购买潜水泵时,除了关注型号和参数外,还需考虑品牌信誉、售后服务等因素,以确保选择到适合自己需求的产品。
QW潜水泵型号、产品介绍、特点及型号意义一、QW系列无堵塞移动式潜水排污泵产品介绍:QW(WQ)型无堵塞潜水排污泵是在引进国外先进技术的基础上,结合国内水泵的使用特点而研制成功的新一代泵类产品,具有节能效果显著、防缠绕、无堵塞、自动安装和自动制等特点,在排送固体颗粒和长纤维垃圾方面,具有独特效果。
该系列排污泵采用独特叶轮结构和新型机械密封,能有效地输送含有固体物和长纤维。
叶轮与传统叶轮相比,该泵叶轮采用单流道或双流道形式,它类似于一截面大小相同的弯管,具有非常好的过流性,配以合理的蜗室,使得该泵具有效率高、叶轮经动静平衡试验,使泵在运行中无振动。
二、QW系列无堵塞移动式潜水排污泵产品特点:1.采用独特的单片或双叶片叶轮结构,大大提高了污物通过能力,能有效的通过泵口径的5倍纤维物质与直径为泵口径约50%的固体颗粒。
2.机械密封采用新型硬质耐腐的钛化钨材料,可使泵安全连续运行8000小时以上。
3.整体结构紧凑、体积小、噪声小、节能效果显著,检修方便,无需建泵房,潜入水中即可工作,大大减少工程造价。
4.该泵密封油室内设置有高精度抗干扰漏水检测传感器,定子绕组内预埋了热敏元件,对水泵电机自动保护。
5.可根据用户需要配备全自动控制柜,对泵的漏水、漏电过载及超温等进行自动保护,提高了产品的安全性与可靠性6.浮球开关可以根据所需液位变化,自动控制泵的起动与停止,不需专人看管,使用极为方便。
7.QW(WQ)系列可根据用户需要配备双导轨自动耦合安装系统,它给安装、维修带来更大方便,人可不必为此而进入污水坑。
8.能够在全扬程内使用,而保证电机不会过载。
9.有两种不同的安装方式,固定式自动耦合安装系统、移动式自由安装系统。
三、QW系列无堵塞移动式潜水排污泵型号意义:。
潜水排污泵型号及性能说明
一、潜水排污泵产品介绍:
潜水排污泵是在引进国外先进技术的基础上,结合国内水泵的使用特点而研制成功的新一代泵类产品,具有节能效果显著、防缠绕、无堵塞、自动安装和自动控制等特点。
在排送固体颗粒和长纤维垃圾方面,具有独特效果。
该系列排污泵采用独特叶轮结构和新型机械密封,能有效地输送含有固体物和长纤维。
叶轮与传统叶轮相比,该泵叶轮采用单流道或双流道形式,它类似于一截面大小相同的弯管,具有非常好的过流性,配以合理的蜗室,使得该泵具有效率高、叶轮经动静平衡试验,使泵在运行中无振动。
二、潜水排污泵适用范围:
无堵塞潜水排污泵适用用于工厂商业严重污染废水的排放、主宅区的污水排污站、城市污水处理厂派水系统、人防系统排水站、自来水厂的给水设备、医院、宾馆的污水排放、市政工程建筑工地、矿山配套附机、农村沼气池、农田灌溉等行业,输送带颗粒的污水,污物,也可用于清水及带弱腐蚀性介质。
三、潜水排污泵使用条件:
1、排污泵系列产品在额定电压为380V,电源频率为50Hz时适用
2、介质温度不超过40摄氏度,介质密度≤1150kg/m3,PH值在5-9范围之间;
3、海拔高度不超过1000米;
4、输送介质年粘度不超1000CP;
5、产品工作运行时必须完全潜入水中,但潜水深度不得超过10m;
6、产品材质主要为铸铁,不能用于强腐蚀性或含有强腐蚀性的介质中;
四、潜水排污泵产品特点:
1.采用独特的单片或双叶片叶轮结构,大大提高了污物通过能力,能有效的通过泵口径的5倍纤维物质与直径为泵口径约50%的固体颗粒。
2.机械密封采用新型硬质耐腐的钛化钨材料,可使泵安全连续运行8000小时以上。
3.整体结构紧凑、体积小、噪声小、节能效果显著,检修方便,无需建泵房,潜入水中即可工作,大大减少工程造价。
4.该泵密封油室内设置有高精度抗干扰漏水检测传感器,定子绕组内预埋了热敏元件,对水泵电机自动保护。
5.可根据用户需要配备全自动控制柜,对泵的漏水、漏电过载及超温等进行自动保护,提高了产品的安全性与可靠性
6.浮球开关可以根据所需液位变化,自动控制泵的起动与停止,不需专人看管,使用极为方便。
可根据用户需要配备双导轨自动耦合安装系统,它给安装、维修带来更大方便,人可不必为此而进入污水坑。
7.能够在全扬程内使用,而保证电机不会过载。
8.有两种不同的安装方式,固定式自动耦合安装系统、移动式自由安装系统。
五、潜水排污泵产品结构图:
六、潜水排污泵型号定义:。