(完整版)标准作业流程(SOP)
- 格式:doc
- 大小:15.01 KB
- 文档页数:1
SOP(Standard Operating Procedure)标准作业流程模板1. 引言标准作业流程(SOP)是指组织或企业内部为规范工作流程而制定的一系列具体步骤和操作规范。
SOP 的制定和执行可以提高工作效率、减少错误风险、保证产品/服务质量的稳定性,并有助于组织内部的知识沉淀和共享。
本模板旨在帮助组织或企业制定和实施 SOP。
2. SOP 标准作业流程模板2.1. SOP 标题在这里填写 SOP 的标题。
2.2. SOP 编号在这里填写 SOP 的编号。
2.3. 生效日期在这里填写 SOP 的生效日期。
2.4. 修订日期在这里填写 SOP 的最近一次修订日期。
2.5. 修订历史记录在这里列出 SOP 的所有修订历史记录,包括修订日期、修订内容等。
2.6. 适用范围在这里说明适用本 SOP 的范围,包括人员、部门、流程和操作对象等。
2.7. 定义与缩写在这里列出本 SOP 中使用的术语、定义和常用缩写,以便读者理解和使用。
2.8. 目的在这里说明本 SOP 的目的和意义,指导读者在工作中遵循 SOP 的步骤和操作规范。
2.9. 参考文档在这里列出本 SOP 制定过程中参考的相关文档和资料。
3. SOP 流程步骤在这里按照顺序描述 SOP 的具体流程步骤,每个步骤应包括以下内容:3.1. 步骤标题在这里填写步骤的标题。
3.2. 步骤编号在这里填写步骤的编号。
3.3. 步骤描述在这里详细描述该步骤需要执行的操作和注意事项。
3.4. 输入在这里说明该步骤执行所需的输入数据、文件或信息。
3.5. 输出在这里说明该步骤执行完成后的输出数据、文件或信息。
3.6. 责任人在这里说明该步骤的责任人和所属部门。
3.7. 时间要求在这里说明该步骤执行的时间要求或时限。
3.8. 完成标志在这里说明该步骤执行完成后的标志,如签名、日期、文件名称等。
3.9. 附加说明在这里额外添加与该步骤相关的任何附加说明。
4. SOP 术语和缩写在这里列出本 SOP 中使用的其他术语和常用缩写。
会议sop标准作业流程模板一、概述会议SOP标准作业流程模板是为了规范会议的组织和实施,提高会议效率和质量而设计的。
通过标准化作业流程,可以确保会议的顺利进行,并提高会议的参与度和效果。
二、流程内容1.会议筹备(1)确定会议主题、目的和议程;(2)确定参会人员,并提前发送邀请函;(3)确定会议时间和地点,并做好场地布置;(4)准备会议所需资料和设备。
2.会议签到(1)设置签到台,摆放签到表和身份证明;(2)安排专人负责签到,确保参会人员身份无误。
3.主持人开场(1)主持人介绍自己和会议主办方;(2)宣布会议开始,介绍议程安排。
4.议程执行(1)按照议程顺序,依次开展各项议程;(2)确保参会人员有足够的时间和机会参与讨论;(3)主持人根据现场情况,灵活调整议程顺序。
5.会议记录与资料整理(1)安排专人负责会议记录,确保记录的准确性和完整性;(2)会议结束后,及时整理会议纪要和决议事项;(3)将会议纪要和决议事项发给相关人员,并跟进落实情况。
6.结束语与会后跟进(1)主持人总结会议内容,强调重点和决议事项;(2)感谢参会人员,并邀请他们跟进落实决议事项;(3)收集参会人员的意见和建议,不断完善会议流程。
三、模板应用为了更好地应用会议SOP标准作业流程模板,可以按照以下步骤进行:1.确定模板适用范围:根据不同的会议类型和规模,选择合适的模板;2.修改模板内容:根据实际情况,对模板中的内容进行修改和完善;3.培训与实施:对相关人员进行培训,确保他们了解并能够熟练运用模板;在会议中实施模板,及时反馈问题和改进建议;4.不断完善:根据反馈和实际情况,不断完善模板,提高其适用性和效果。
四、总结通过制定并实施会议SOP标准作业流程模板,可以规范会议的组织和实施,提高会议效率和质量。
同时,不断优化和完善模板,可以进一步提高会议管理的水平。
标准作业流程(SOP)的全面版本标准作业流程(SOP)的全面版本介绍标准作业流程(SOP)是一种用于优化和规范组织内部流程的方法。
本文档旨在提供一份全面的SOP版本,以确保组织中的工作过程高效、协调和一致。
通过明确的步骤和规定,SOP可以提高工作质量,减少错误和风险,并提供一致的结果。
SOP编写指南以下是编写SOP的指南,以确保文档的清晰、易读和易于理解:1. 简洁明了:使用明确、简洁的语言,避免使用复杂的术语和长句子。
简洁明了:使用明确、简洁的语言,避免使用复杂的术语和长句子。
2. 顺序清晰:按照工作流程的顺序编写步骤,确保每个环节都覆盖到。
顺序清晰:按照工作流程的顺序编写步骤,确保每个环节都覆盖到。
3. 详细说明:对于每个步骤,提供详细的说明和操作指导,确保读者可以按照文档进行操作。
详细说明:对于每个步骤,提供详细的说明和操作指导,确保读者可以按照文档进行操作。
4. 流程示意图:可以使用流程示意图来可视化工作流程,帮助读者更好地理解和跟踪每个步骤。
流程示意图:可以使用流程示意图来可视化工作流程,帮助读者更好地理解和跟踪每个步骤。
5. 反馈和修订:在编写完成后,邀请相关人员参与审阅和反馈,以确保SOP的准确性并及时进行修订。
反馈和修订:在编写完成后,邀请相关人员参与审阅和反馈,以确保SOP的准确性并及时进行修订。
SOP示例以下是一个SOP的示例:1. 操作步骤为了实现操作目标,执行以下步骤:1. 步骤1:具体操作说明。
2. 步骤2:具体操作说明。
3. 步骤3:具体操作说明。
2. 质量控制为确保操作的质量,应遵循以下控制措施:- 控制措施1:质量控制细节。
- 控制措施2:质量控制细节。
- 控制措施3:质量控制细节。
3. 问题处理如果在操作过程中遇到问题,请采取以下措施进行处理:1. 措施1:解决方案描述。
2. 措施2:解决方案描述。
3. 措施3:解决方案描述。
结论SOP是组织中工作流程优化的重要工具。
完整版标准作业程序(SOP)完整版标准作业程序(SOP)1. 概述标准作业程序(Standard Operating Procedure,SOP)是组织中用于确保工作按照一定规范和标准进行的文件。
本文档旨在提供完整版的SOP,以确保工作流程的标准化和规范化。
2. 目的SOP的主要目的是:- 提高工作效率和质量- 减少错误和风险- 保证工作的一致性和可复制性- 定义责任和义务3. 内容本SOP文档包含以下内容:3.1. 标题和版本控制每个SOP都应有一个清晰的标题和版本控制信息,以便追踪和管理SOP的不同版本。
版本更新后应立即更新标题和版本号。
3.2. 目的和背景这一部分应详细说明此SOP的目的和相关背景信息,以便用户了解背后的原因和目标。
3.3. 适用范围指示SOP适用的团队、部门或业务流程,并指出不适用的范围。
3.4. 定义和缩写SOP中使用的专业术语和缩写应在此部分中定义和解释。
3.5. 责任与义务详细描述SOP涉及的各方的责任和义务,包括执行者、审核者和管理者。
3.6. 步骤和流程此部分详细描述执行SOP所需的步骤和流程。
每个步骤应清晰明确,并包含所需的输入、输出和预期结果。
3.7. 监控和评估描述对SOP执行过程进行监控和评估的方法和指标。
包括如何收集反馈、定期检查和改进SOP的机制。
3.8. 异常情况处理说明在执行SOP过程中可能出现的异常情况,以及应该如何处理这些异常情况。
3.9. 附录在这个部分提供相关的参考资料、模版、实例或相关文件,以帮助用户更好地理解和执行SOP。
4. 更新和发布SOP应定期进行评审和更新。
每次版本更新后,必须及时通知相关人员,并存档旧版本以备参考。
5. 复审和授权每个SOP必须经过负责审核的人员进行复审,并由相关管理者进行最终授权。
6. 维护和存档所有SOP都应妥善维护和存档,以确保可追溯和可检索。
7. 参考文献列出用于编写本SOP的参考文献和来源。
以上是完整版标准作业程序(SOP)的详细内容,旨在确保工作流程按照一定的规范和标准进行。
标准作业流程
标准作业流程(Standard Operating Procedure,简称SOP)是指为了规范工作流程和提高工作效率而制定的一套标准化的操作流程和规范。
以下是一般的标准作业流程的步骤:
1.明确目标和要求:确定工作的目标和标准,清楚工作的要求和预期结果。
2.工作任务分解:将工作任务分解为具体的步骤和活动,明确每个步骤的责任人和时间节点。
3.指定责任人:确定各个步骤和活动的责任人,并明确其职责和权限。
4.编写操作指南:为每个步骤和活动编写详细的操作指南,包括所需的资源、方法和工具等。
5.培训和沟通:对相关人员进行培训,确保他们理解并能正确执行操作指南。
同时,定期进行沟通和反馈,解决问题和改进流程。
6.执行工作:按照操作指南进行工作,并记录相关数据和信息。
7.监控和评估:监控工作的进展和质量,及时发现和解决问题。
定期评估工作流程的效果和可行性,提出改进意见和建议。
8.持续改进:根据评估结果和反馈意见,优化和改进工作流程,提高工作效率和质量。
以上是一般的标准作业流程的步骤,具体的流程会因不同的工作类型和组织而有所差异。
SOP(Standard Operation Procedure)前段时期,为了强化公司中高层经理人员的“职业经理人”意识和提升大家的“职业经理人”能力,公司组织了中高层经理人员进行学习余世维先生“职业经理人”讲座的演讲交流活动,并组织相关经理人员参加了余世维先生在南京丁山香格里拉举行的“经理人常犯的11种错误”的专题演讲。
在余世维先生的这些演讲时,都特别提到“未能设定标准"是经理人常犯的错误之一.方总也在不同的场合多次提到我们日常工作之所以效率不高或经常出现一些失误,也是由于我们工作没有标准和规范,要求各职能部门建立相应的事件库,规范每一件事情的操作程序.从8月份开始,公司已经把建立SOP作为当月的一项重点工作,以月度任务下达相关部门,并倡导用2到3年的时间建立国瑞公司的整体SOP体系。
从8月份此项工作的整体推进效果来看,不是很理想,大家对SOP不是真正了解和把握是主要的原因之一.有基于此,我就 SOP工作的一些理解和大家做一些交流,共同来推进SOP的整体工作,希望得到大家的指正。
1.什么是SOP所谓SOP,是 Standard Operation Procedure三个单词中首字母的大写,即标准作业程序,就是将某一事件的标准操作步骤和要求以统一的格式描述出来,用来指导和规范日常的工作。
SOP的精髓,就是将细节进行量化,用更通俗的话来说,SOP就是对某一程序中的关键控制点进行细化和量化。
从对SOP的上述基本界定来看,SOP具有以下一些内在的特征:1)SOP是一种程序。
SOP是对一个过程的描述,不是一个结果的描述.同时,SOP 又不是制度,也不是表单,是流程下面某个程序中关控制点如何来规范的程序。
2)SOP是一种作业程序。
SOP首是一种操作层面的程序,是实实在在的,具体可操作的,不是理念层次上的东西。
如果结合ISO9000体系的标准,SOP是属于三阶文件,即作业性文件.3)SOP是一种标准的作业程序。
sop标准作业流程模板标准作业流程(SOP)模板。
一、引言。
标准作业流程(SOP)是指规范化的操作程序,是组织内部进行工作的一种标准化方法。
SOP的制定和执行可以有效提高工作效率,降低错误率,保证产品质量,提高组织的整体运营水平。
本文将介绍SOP的基本结构和内容,以及制定SOP的步骤和注意事项。
二、SOP的基本结构和内容。
1. 标题,SOP的标题应简明扼要,能够准确反映该操作程序的内容。
2. 目的,明确SOP的目的和适用范围,让执行者清楚地知道为什么要执行这个操作程序,以及在什么情况下需要执行。
3. 作业流程,详细描述操作的步骤,包括所需的材料、设备、操作方法等,确保操作人员能够按照SOP完成工作。
4. 质量控制,说明在执行操作过程中需要注意的质量控制点,以及如何进行质量检查。
5. 安全注意事项,列出执行操作时需要注意的安全事项,包括个人防护、操作环境、紧急处理等。
6. 相关记录,说明在执行操作过程中需要进行的记录和报告,以及如何进行记录和报告。
7. 修订记录,记录SOP的修订历史,包括修订日期、修订内容、修订人等信息。
三、制定SOP的步骤和注意事项。
1. 确定需制定SOP的工作内容和范围,明确SOP的目的和适用范围。
2. 参考相关法律法规、标准规范、行业经验等,收集相关资料,分析并总结操作规程。
3. 制定初稿,并邀请相关人员进行审阅和修改,确保SOP的准确性和可操作性。
4. 经过内部测试和验证,不断修订和完善SOP,直至达到规范化、标准化的要求。
5. 培训相关人员,让他们熟悉并掌握SOP的内容和要求。
6. 定期检查和修订SOP,确保其与实际操作的一致性和有效性。
四、结语。
SOP的制定和执行对于组织的运营管理至关重要,它可以帮助组织规范工作流程,提高工作效率,降低风险,保证产品质量。
因此,我们应该重视SOP的制定和执行工作,不断完善和优化SOP,以适应组织发展和变化的需要。
希望本文介绍的SOP模板和制定步骤能够对您有所帮助,谢谢阅读!五、参考资料。
标准作业程序周期训练时间: 部门经理:人资主管: 训练员: 总经理:周期训练时间: 部门经理:人资主管: 训练员: 总经理:周期训练时间: 部门经理:人资主管: 训练员: 总经理:标准作业程序周期训练时间: 部门经理:人资主管: 训练员: 总经理:标准作业程序周期训练时间: 部门经理:标准作业程序周期训练时间: 部门经理:人资主管:标准作业程序周期训练时间: 部门经理:人资主管:周期训练时间: 部门经理:人资主管:周期训练时间: 部门经理:人资主管:周期训练时间: 部门经理:人资主管:周期训练时间: 部门经理:人资主管:周期训练时间: 部门经理:人资主管:周期训练时间: 部门经理:人资主管:周期训练时间: 部门经理:人资主管:周期训练时间: 部门经理:人资主管:周期训练时间: 部门经理:人资主管:周期训练时间: 部门经理:人资主管:周期训练时间: 部门经理:人资主管:周期训练时间: 部门经理:人资主管:周期训练时间: 部门经理:人资主管:周期训练时间: 部门经理:人资主管:周期训练时间: 部门经理:人资主管:周期训练时间: 部门经理:人资主管:周期训练时间: 部门经理:人资主管:周期训练时间: 部门经理:人资主管:周期训练时间: 部门经理:人资主管:周期训练时间: 部门经理:人资主管:周期训练时间: 部门经理:人资主管:周期训练时间: 部门经理:人资主管:周期训练时间: 部门经理:人资主管:周期训练时间: 部门经理:人资主管: 训练员: 总经理:周期训练时间: 部门经理:人资主管: 训练员: 总经理:。
标准作业流程(SOP)的详尽版本1. 引言标准作业流程(SOP)是为了确保工作流程的标准化和效率化而制定的一系列规范和步骤。
本文档旨在详尽地介绍SOP的各个方面,包括其定义、目的、应用范围以及操作步骤等。
2. 定义标准作业流程(SOP)是一套旨在确保工作过程标准化、可追溯和持续改进的具体步骤和规范。
SOP不仅仅是一份文件或指南,更是组织内部各个功能部门的工作规范,涵盖了从操作流程到质量控制的方方面面。
3. 目的SOP的目的是确保组织内部各项工作能够按照标准化的方式进行,从而提高工作效率、降低错误率,并确保产品或服务的一致性和质量。
通过制定SOP,组织可以确保在任何时候、任何情况下都能够按照相同的标准对工作流程进行操作。
4. 应用范围SOP适用于组织内部的各个部门和工作流程。
无论是生产制造过程、行政管理流程还是销售和客户服务,均可以通过制定相应的SOP来规范操作步骤和质量标准。
SOP应该与组织的目标和价值观保持一致,并根据实际情况进行定制。
5. 操作步骤制定SOP的操作步骤包括以下几个方面:5.1. 收集信息首先,需要收集相关的资料和信息,包括组织内部的工作流程、操作规范和质量标准等。
可以通过与工作人员交流、观察工作过程、审查文件等方式来获取信息。
5.2. 分析和整理在收集到足够的信息后,需要对其进行分析和整理。
可以借助工作流程图、表格、思维导图等工具,对工作流程中的各个环节进行详细的分析和整理,确保每个步骤都被纳入SOP中。
5.3. 制定SOP文件根据分析和整理的结果,制定SOP文件。
SOP文件应包括工作流程的详细描述、操作步骤的具体指导、质量标准的要求以及相应的流程控制和记录要求等内容。
SOP文件应该清晰、简明,并便于理解和执行。
5.4. 审批和发布制定完成的SOP需要经过审批程序。
相关部门和人员应对SOP进行评审和审批,确保其合理性和可行性。
一经批准,SOP应当在组织内部进行广泛的宣传和发布,以便员工了解并遵守。
医院sop标准作业流程范本下载温馨提示:该文档是我店铺精心编制而成,希望大家下载以后,能够帮助大家解决实际的问题。
文档下载后可定制随意修改,请根据实际需要进行相应的调整和使用,谢谢!并且,本店铺为大家提供各种各样类型的实用资料,如教育随笔、日记赏析、句子摘抄、古诗大全、经典美文、话题作文、工作总结、词语解析、文案摘录、其他资料等等,如想了解不同资料格式和写法,敬请关注!Download tips: This document is carefully compiled by theeditor. I hope that after you download them,they can help yousolve practical problems. The document can be customized andmodified after downloading,please adjust and use it according toactual needs, thank you!In addition, our shop provides you with various types ofpractical materials,such as educational essays, diaryappreciation,sentence excerpts,ancient poems,classic articles,topic composition,work summary,word parsing,copy excerpts,other materials and so on,want to know different data formats andwriting methods,please pay attention!一、门诊挂号流程1. 患者到达医院后,前往挂号处。
2. 患者向挂号处工作人员提供个人信息,包括姓名、身份证号码、联系方式等。
sop标准作业流程模板标准作业流程(SOP)模板。
一、概述。
标准作业流程(SOP)是指在特定的工作环境下,为了达到特定的工作目标,所制定的一套标准的操作程序。
SOP的编写可以帮助组织和企业规范和标准化工作流程,提高工作效率,降低错误率,保证产品和服务的质量。
本文档旨在为各类企业和组织提供一个SOP的标准模板,以便于各单位根据自身实际情况进行修改和使用。
二、编写目的。
SOP的编写目的在于规范工作流程,确保工作的标准化和可控性。
它可以帮助员工在工作中明确职责和操作步骤,减少错误和失误,提高工作效率和质量。
同时,SOP也可以作为培训和考核的依据,帮助新员工尽快熟悉工作流程,提高工作效率。
三、适用范围。
本SOP模板适用于各类企业和组织,包括但不限于生产制造企业、服务行业、科研机构等。
在具体使用时,需要根据实际情况进行修改和调整,以符合各单位的实际需求。
四、SOP模板。
1. 目的,明确本SOP的编写目的和适用范围。
2. 术语和定义,列出本SOP中涉及的专业术语和定义,以便于员工理解和遵守。
3. 责任部门,明确执行本SOP的责任部门和相关人员,包括主管、操作人员等。
4. 操作流程,具体描述工作的操作流程和步骤,包括但不限于准备工作、操作方法、注意事项等。
5. 质量控制,说明工作中需要进行的质量控制措施和标准,以确保产品或服务的质量。
6. 安全注意,列出工作中需要特别注意的安全事项和操作规范,以确保员工的人身安全。
7. 培训要求,说明新员工需要接受的培训内容和要求,以确保其能够熟练掌握工作流程。
8. 相关文件,列出与本SOP相关的其他文件和资料,以便员工查阅和参考。
五、总结。
SOP的编写对于组织和企业来说具有重要的意义,它可以帮助规范工作流程,提高工作效率和质量,降低错误率。
本SOP模板可以作为各单位编写SOP的参考,但在使用时需要根据实际情况进行修改和调整,以确保其适用性和有效性。
希望各单位能够重视SOP的编写和执行,从而提升整体工作水平和竞争力。
标准作业流程sop标准作业流程SOP。
一、概述。
标准作业流程(SOP)是一种详细描述组织内部运作流程的文档,旨在确保工作的标准化和规范化。
SOP不仅仅是一份文件,更是组织内部运作的指导手册,对于提高工作效率、降低错误率、保证质量具有重要意义。
本文将详细介绍SOP的编写流程和注意事项。
二、编写SOP的流程。
1.明确编写目的。
在编写SOP之前,首先需要明确编写的目的和范围。
确定SOP的具体内容和适用范围,明确SOP的受众群体和使用场景。
2.调研和收集资料。
在编写SOP之前,需要进行充分的调研和资料收集。
可以参考行业标准、相关法规、专家意见等,确保SOP的准确性和权威性。
3.制定编写计划。
制定SOP的编写计划,包括时间安排、人员分工、审核流程等。
确保SOP的编写进度和质量。
4.编写SOP内容。
根据调研和收集的资料,开始编写SOP的内容。
内容应该清晰、简洁、易于理解,避免使用模糊、歧义的词语。
5.审核和修订。
编写完成后,进行内部审核和修订。
确保SOP的准确性和实用性,排除可能存在的错误和不足。
6.发布和培训。
经过审核和修订后,发布SOP并进行相关培训。
确保所有相关人员都能够理解和遵守SOP的内容和要求。
三、注意事项。
1.准确性。
SOP的内容应该准确无误,避免模糊、含糊不清的表述,确保读者能够准确理解和执行SOP的要求。
2.清晰性。
SOP的内容应该清晰明了,避免使用过于复杂的语言和术语,确保读者能够轻松理解和遵守SOP的要求。
3.实用性。
SOP的内容应该具有实际指导意义,避免空泛、理论化的描述,确保SOP能够真正指导和规范组织内部的工作流程。
4.更新维护。
SOP的内容应该定期进行更新和维护,确保SOP与组织内部的实际运作流程保持一致。
四、结语。
通过以上的介绍,相信大家对于SOP的编写流程和注意事项有了更清晰的认识。
在实际工作中,我们应该严格按照SOP的要求进行操作,确保工作的规范化和标准化。
同时,不断完善和更新SOP,以适应组织内部运作的需要。
sop标准作业流程模板标准作业流程(SOP)模板。
一、概述。
标准作业流程(SOP)是一种详细描述组织内部运作流程的文件,它旨在确保组织内部的操作一致性和高效性。
SOP可以帮助组织提高工作效率、降低错误率,确保质量和安全。
二、目的。
SOP的目的是确保所有员工都能按照相同的标准进行工作,从而提高工作效率和质量。
它还可以帮助新员工快速融入工作环境,减少培训时间。
三、适用范围。
SOP适用于所有部门和岗位,包括但不限于生产、质量控制、采购、人力资源等。
四、编制流程。
1.明确编制责任人,确定编制SOP的责任人,通常由相关部门的主管或专业人员负责。
2.收集资料,收集相关部门的工作流程、标准和规范,进行整理和分析。
3.制定草案,根据收集到的资料,编制SOP的初稿,并征求相关部门的意见和建议。
4.修改完善,根据意见和建议进行修改和完善,确保SOP的准确性和完整性。
5.审批发布,经相关部门负责人审批后正式发布,并通知相关人员。
五、SOP内容。
1.标题,SOP的标题应简明扼要,能够准确反映该流程的内容和范围。
2.引言,介绍SOP的目的、适用范围和编制依据。
3.流程描述,详细描述工作流程的每一个步骤,包括所需的材料、设备、操作方法等。
4.注意事项,列出工作中需要特别注意的事项,如安全注意事项、质量控制要点等。
5.相关记录,列出与该流程相关的记录表格或文件编号,方便员工查阅和填写。
六、SOP更新。
SOP应定期进行评审和更新,以确保其与实际工作流程保持一致。
更新的频率应根据工作流程的变化情况而定,一般不超过一年进行一次全面的更新。
七、附录。
SOP的附录中可以包括相关的标准、规范、流程图、记录表格等,以便员工查阅和使用。
八、总结。
SOP是组织内部管理的重要工具,它可以帮助组织提高工作效率、降低成本、确保质量和安全。
因此,每个部门都应重视SOP的编制和执行,确保其能够真正发挥作用。
以上就是SOP标准作业流程模板的详细内容,希望能够对您有所帮助。
sop作业流程模板一、概述本文将介绍SOP(Standard Operating Procedure,标准操作规程)的作业流程模板。
SOP作业流程模板是一种操作指南,旨在规范和标准化组织内部各项工作流程,提高工作效率和质量。
本文将提供一个通用的SOP作业流程模板示例,并说明其各个模块的作用和内容。
二、SOP作业流程模板示例【公司/组织名称】SOP作业流程模板版本号:【版本号】生效日期:【生效日期】1. 引言本SOP作业流程模板旨在为公司/组织成员提供标准化的工作流程指南,确保工作的顺利进行和高效完成。
2. 范围本作业流程模板适用于公司/组织内的各个部门和岗位,涵盖以下工作流程:2.1 【工作流程一】2.1.1 【子流程一】- 【子流程一步骤一】- 【子流程一步骤三】 2.1.2 【子流程二】- 【子流程二步骤一】 - 【子流程二步骤二】 2.1.3 【子流程三】- 【子流程三步骤一】 - 【子流程三步骤二】2.2 【工作流程二】2.2.1 【子流程一】- 【子流程一步骤一】 - 【子流程一步骤二】 - 【子流程一步骤三】 2.2.2 【子流程二】- 【子流程二步骤一】 - 【子流程二步骤二】 2.2.3 【子流程三】- 【子流程三步骤二】3. 目标本作业流程模板的目标是:- 提供明确的工作流程指南- 保证工作的高效进行- 统一标准和规范- 提升工作质量和效率4. SOP作业流程模板的使用- 所有员工应熟悉并按照SOP作业流程模板执行工作- 如有变更,相关人员应及时更新并重新审阅5. 流程执行- 各部门和岗位负责人在SOP作业流程模板中找到对应的工作流程- 依次按照流程指南进行工作,确保每个步骤的准确性和顺序性- 如有问题或异常情况,应及时沟通并汇报给上级领导或相关人员6. 流程检查和改进- 定期进行SOP作业流程模板的检查和评估,发现问题及时修正- 根据实际工作情况和需求,不断改进和完善7. 附件- 相关附件可以根据实际工作需要进行附加三、结论SOP作业流程模板是一种重要的管理工具,能够帮助组织规范和标准化工作流程,提高工作效率和质量。
sop标准作业流程模板标准作业流程(SOP)是一种描述工作步骤和流程的文件,旨在确保工作的一致性和高质量。
以下是一个700字的SOP标准作业流程模板:标题:标准作业流程模板(SOP)目的:该标准作业流程模板旨在指导工作人员进行标准操作,确保任务的高质量和一致性。
适用范围:适用于所有部门和岗位。
定义和缩写:1. SOP:标准作业流程2. KPI:关键绩效指标3. SLA:服务水平协议4. QA:质量保证5. PM:项目经理流程:1. 确定目标:a. 定义工作任务的目标,包括关键绩效指标(KPI)和服务水平协议(SLA)的要求。
b. 与相关方沟通并达成共识。
2. 制定计划:a. 根据目标,制定详细的工作计划,包括任务分配、时间表和资源需求。
b. 确保计划符合项目管理(PM)标准,以实现高效的项目执行。
3. 准备工作:a. 收集所需的资源,包括人员、设备、软件等。
b. 检查所需的文件和资料是否齐全。
4. 执行任务:a. 按照工作计划执行任务,确保操作符合SOP的要求。
b. 遵守相关的安全规定和流程。
5. 监控和控制:a. 监控任务的进展和质量,及时发现并纠正偏差。
b. 与相关方进行沟通,确保任务按时交付并符合要求。
6. 质量保证:a. 建立质量保证(QA)机制,确保工作的一致性和质量。
b. 定期进行质量审查和改进。
7. 问题解决:a. 及时发现并解决任务执行中的问题和障碍。
b. 记录问题和解决方案,供以后参考。
8. 完成任务:a. 按照SLA的要求,及时完成任务并向相关方报告。
b. 将工作记录归档,以备后续参考。
批准:日期:。
sop标准作业流程标准作业流程(SOP)是指企业为了达到一致的质量标准和效率而制定的一套操作规程。
它是企业管理的重要工具,能够帮助企业规范操作流程,提高工作效率,降低错误率,确保产品质量,提升客户满意度。
下面将详细介绍SOP的制定和实施流程。
1. 确定流程范围。
首先,需要明确SOP所涵盖的流程范围。
这包括确定SOP所涉及的具体工作流程和相关人员。
在确定范围时,需要充分考虑到流程的重要性和复杂性,以及相关人员的实际操作情况。
2. 收集流程资料。
收集相关的流程资料是制定SOP的重要步骤。
这包括收集相关的技术标准、操作规程、流程图等资料,对流程的各个环节进行全面了解和梳理。
3. 制定SOP草案。
在收集了足够的流程资料之后,需要制定SOP的草案。
草案需要包括流程的具体步骤、操作规范、质量标准、责任人等内容。
在制定草案时,需要充分考虑到实际操作情况,尽量简洁明了,便于操作人员理解和执行。
4. 内部审核。
制定好SOP草案之后,需要进行内部审核。
内部审核主要是由相关部门的负责人和操作人员进行审核,确保SOP的实用性和可操作性。
在审核过程中,需要充分听取各方意见,对SOP草案进行修改和完善。
5. 审批发布。
经过内部审核并修改完善后,SOP草案需要提交给企业管理层进行审批。
管理层需要对SOP的合规性和实施效果进行评估,最终决定是否正式发布。
一旦获得管理层的批准,SOP将正式发布并通知相关人员。
6. 培训和执行。
SOP发布后,需要对相关操作人员进行培训,确保他们能够全面理解和正确执行SOP。
培训内容包括SOP的具体内容、操作流程、注意事项等。
培训完成后,相关人员需要严格按照SOP的要求进行操作,确保流程的规范和质量的稳定。
7. 监督和改进。
SOP的执行需要进行持续的监督和改进。
企业需要建立相关的监督机制,对SOP的执行情况进行定期检查和评估。
同时,还需要根据实际情况对SOP进行及时的修订和改进,确保其与企业实际情况相适应。
XXXXXXXXXXX有限公司BY-ZY-GNQ-151101
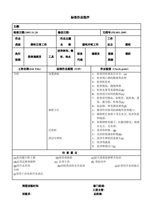
标准作业程序(SOP)
一、目的:
将所做事件的标准操作步骤和要求以统一的格式以文字、图片、流程图的方式图文并茂的将操作步骤描述出来,用来指导和规范日常工作,做到标准化作业。
实现生产管理规范化、生产流程条理化、标准化、简单化。
二、生产前准备:
1、生产班组长需提前检查生产时所需要的作业指导书并核对版本、检查操作人员是否准备就绪,检查工作台面以及工作环境5S状况。
2、班组长检查生产设备、工装治具的完好程度,不影响正常使用,并核对SOP中工具参数设定。
3、操作人员依据SOP核对物料及辅料之料号、名称、规格、批次号、数量、质量等。
三、生产中过程品质控制:
1、操作人员严格按照SOP作业程序进行操作,不随便更改工艺,如遇问题立即报告班组长并停止生产,班组长与品管技术人员会商解决,等待问题解决后再进行生产。
2、品管人员不但做好来料进货检验,还要做好生产在线检验,秉持不制造不良品,不放过不良品。
3、班组长将当天生产的半成品或成品送品管FQA人员检验合格方可入库出货。
四、生产后清场工作:
当谋一订单生产完成后或换成生产其它产品时,班组长统一安排清场工作,首先将成品和剩余的原材料及辅料办理入库手续入库,将SOP作业指导书及工艺规程等文件收集保管、再将生产现场及设备、工装治具做好5S工作,为下一个订单生产做好准备工作。