高中化学实验氯气的制备和性质实验实验报告练习新人教必修
- 格式:doc
- 大小:629.00 KB
- 文档页数:3
重难点4 氯气的实验室制法1.反应原理MnO 2+4HCl △ MnCl 2+2H 2O+Cl 2↑2.实验装置(1)发生装置(Ⅰ)①特点:固体+液体→光 ——→点燃 ———→点燃 ————→浓硫酸Δ ————→Δ ——→H + ——→Cu Δ ————→170℃浓硫酸————→O 2 ————→h υ ————→催化剂 气体 ②仪器:铁架台、酒精灯、石棉网、圆底烧瓶、分液漏斗等。
③试剂:A 中盛放浓盐酸,B 中盛放二氧化锰。
(2)净化装置(Ⅱ) 组成盛放试剂 试剂的作用 C饱和氯化钠溶液 除去氯气中的氯化氢 D 浓硫酸 干燥氯气(3)收集装置(Ⅲ)①收集方法:向上排空气法(装置E ,Cl 2的密度大于空气的密度)。
也可用排饱和食盐水法(Cl 2在饱和NaCl 溶液中的溶解度很小,且用此法可除去实验过程中挥发产生的HCl 气体)。
②验满方法:用湿润的蓝色石蕊试纸检验。
将湿润的蓝色石蕊试纸放在集气瓶口,若试纸变红,则证明Cl 2已收集满。
(4)尾气处理装置(Ⅳ)①导气管要伸入液面以下。
②F 中盛放试剂:氢氧化钠溶液,作用:吸收过量的氯气,防止污染环境【特别提醒】 (1)实验室制备Cl 2注意事项①必须用浓盐酸,MnO 2与稀盐酸不反应。
②为了减少制得的Cl 2中HCl 的含量,所以加热温度不宜过高,减少HCl 的挥发。
③实验结束后,先使反应停止并排出装置中残留的Cl2,再拆卸装置,避免污染空气。
④尾气吸收时,不能用澄清石灰水吸收Cl2,因为溶液中Ca(OH)2浓度小,吸收不完全。
(2)气体净化装置的选择气体净化装置的设计必须同时考虑主要成分和杂质成分的性质,以便选择适当的装置除去杂质。
用浓盐酸和二氧化锰制取氯气时,氯气中混有HCl和水蒸气等杂质,除去氯气中的HCl可以用饱和食盐水(如下图中Ⅰ所示);除去氯气中的水蒸气可用浓硫酸(如下图中Ⅱ所示)或干燥的CaCl2(如下图中Ⅲ所示)。
(3)MnO2与浓HCl反应特点①浓盐酸中,部分Cl-的化合价升高,4 mol HCl参加反应,被氧化的Cl-为2 mol。
目标与素养:1.了解实验室制取Cl2的原理和实验装置。
(科学探究与创新意识)2.掌握Cl—的检验方法。
(宏观辨识与微观探析)一、氯气的实验室制法1.反应原理:实验室用MnO2和浓盐酸加热反应制取Cl2,反应的化学方程式为MnO2+4HCl (浓)错误!MnCl2+Cl2↑+2H2O,离子方程式为MnO2+4H++2Cl—错误!Mn2++Cl2↑+2H2O。
2.实验装置(1)装置A中饱和食盐水的作用是除去Cl2中的HCl气体。
(2)装置B中浓硫酸的作用是干燥Cl2。
(3)烧杯中NaOH溶液的作用是吸收多余的Cl2、以防污染环境。
(1)含有4mol HCl的浓盐酸与足量的MnO2反应,能生成1mol Cl2吗?[提示] 不能,因为随着反应的进行,盐酸的浓度变小,MnO2与稀盐酸不反应,故生成的Cl2小于1mol。
(2)如何检验氯气已经收集满?[提示] 将湿润的淀粉KI试纸放到瓶口,若淀粉KI试纸变蓝,则已收集满。
二、Cl—的检验1.实验探究实验现象离子方程式加入AgNO3溶液加入稀硝酸稀盐酸产生白色沉淀沉淀不溶解Ag++Cl—===AgCl↓NaCl溶液产生白色沉淀沉淀不溶解Ag++Cl—===AgCl↓Na2CO3溶液产生白色沉淀沉淀溶解,放出无色气体2Ag++CO错误!===Ag2CO3↓Ag2CO3+2H+===2Ag++CO2↑+H2O(1)操作方法:向未知溶液中先加AgNO3溶液,再加稀硝酸。
(2)现象:产生白色沉淀,加稀硝酸时,沉淀不溶解。
(3)原理:Ag++Cl—===AgCl↓。
(4)加入稀硝酸的目的:排除CO错误!等离子的干扰。
1.判断正误(正确的打“√”,错误的打“×”)(1)实验室制取干燥、纯净的氯气,可依次通过浓硫酸、饱和食盐水()(2)检验Cl—时,要加稀硝酸排除其他离子的干扰()(3)溶液中加入AgNO3溶液有沉淀,说明溶液中一定含Cl—()(4)NaClO中含有氯元素,故向NaClO溶液中加入用硝酸酸化的AgNO3溶液,可产生白色沉淀()[答案] (1)×(2)√(3)×(4)×2.在实验室利用浓盐酸和二氧化锰制氯气,制备装置中应使用分液漏斗而不能使用长颈漏斗,下列有关理由叙述错误的是()A.防止氯气扩散到空气中造成污染B.便于控制加入盐酸的量C.长颈漏斗便于添加液体D.尽量避免氯化氢挥发到空气中C [用分液漏斗既可防止氯化氢气体和氯气挥发污染环境,同时又可控制滴加盐酸的量和快慢,从而控制反应速率,提高盐酸的利用率。
氯气的性质[基础达标]1.下列说法正确的是()A.Cl-和Cl2的性质相同B.Cl2有毒,Cl-也有毒C.Cl原子比Cl-离子活泼D.Cl2和Cl原子都呈黄绿色C[A.Cl-和Cl2是两种不同的微粒,结构上不同,性质也不同,A错误;B.氯气有毒,但Cl-无毒,B错误;C.Cl原子最外层有7个电子,易得到一个电子,化学性质活泼,Cl-最外层有8个电子,结构稳定,性质比Cl原子稳定,C正确;D.Cl2为黄绿色,Cl原子不会表现颜色,D错误。
]2.烟是由固体小颗粒分散到空气中形成的分散系。
下列反应中,能产生白烟的是() A.铜在氯气中燃烧B.钠在氯气中燃烧C.氢气在氯气中燃烧D.氢气在氧气中燃烧B[化学反应中能产生白烟的现象说明有白色固体生成,A项虽有固体产生但不是白色;C项无固体生成,生成的氯化氢在瓶口有白雾现象。
]3.下列物质中,同时含有氯气分子和氯离子的是()A.氯水B.液态氯化氢C.液氯D.氯酸钾溶液A[氯气能与水反应生成盐酸和次氯酸,氯水中含有氯气分子、次氯酸分子、氢离子、氯离子、次氯酸根离子等微粒;液态氯化氢由氯化氢分子构成,不含氯气分子、氯离子;液氯是液态氯气分子,不含氯离子;氯酸钾能电离出钾离子和氯酸根离子(ClO-3),不存在氯气分子、氯离子。
]4.(2021·山东德州高一检测)将适量物质分别加到干燥的红色布条上,不能使其褪色的是()A.新制的氯水B.84消毒液C.液氯D.次氯酸溶液C[液氯为液态Cl2,不能使干燥的红色布条褪色;新制的氯水、84消毒液、次氯酸溶液中都含具有强氧化性的HClO,可使干燥的红色布条褪色。
]5.(2021·南昌高一检测)经氯气消毒的自来水,若用于配制以下溶液:①KOH②AgNO 3 ③NaHCO 3 ④FeCl 2 ⑤Na 2CO 3,会使配制的溶液变质的是( )A .全部B .②④⑤C .②⑤D .④A [经氯气消毒的自来水相当于较稀的氯水,含有H +,可与KOH 、NaHCO 3、Na 2CO 3发生反应;含有Cl -,可与AgNO 3反应生成AgCl ;含有Cl 2、HClO 等氧化性物质,可将FeCl 2氧化成FeCl 3,故可使上述溶液变质。
人教版高中化学必修一氯及其化合物练习(word版可编辑修改)编辑整理:尊敬的读者朋友们:这里是精品文档编辑中心,本文档内容是由我和我的同事精心编辑整理后发布的,发布之前我们对文中内容进行仔细校对,但是难免会有疏漏的地方,但是任然希望(人教版高中化学必修一氯及其化合物练习(word版可编辑修改))的内容能够给您的工作和学习带来便利。
同时也真诚的希望收到您的建议和反馈,这将是我们进步的源泉,前进的动力。
本文可编辑可修改,如果觉得对您有帮助请收藏以便随时查阅,最后祝您生活愉快业绩进步,以下为人教版高中化学必修一氯及其化合物练习(word版可编辑修改)的全部内容。
氯及其化合物练习1.在氯水中存在多种分子和离子,它们在不同的反应中表现出各自的性质.下列实验现象和结论一定正确的是()A.溶液呈黄绿色,且有刺激性气味,说明有Cl2分子存在B.加入有色布条,一会儿有色布条褪色,说明溶液中有Cl2分子存在C.加入盐酸酸化,再加入硝酸银溶液,产生白色沉淀,说明氯水中有Cl-存在D.加入NaOH溶液,氯水黄绿色消失,说明有HClO分子存在解析:选A。
氯气是黄绿色、有刺激性气味的气体,溶液呈黄绿色,且有刺激性气味,说明有Cl2分子存在,A正确;HClO有漂白性,能使有色布条褪色,B错误;检验Cl-时不能用盐酸酸化,C错误;加入NaOH溶液与盐酸和次氯酸反应,使氯气与水反应的平衡右移,则氯水的黄绿色消失,D错误。
2.某同学用下列装置制备并检验Cl2的性质。
下列说法正确的是( )A.Ⅰ图中:如果MnO2过量,浓盐酸就可全部消耗完B.Ⅲ图中:生成蓝色的烟 C.Ⅱ图中:量筒中发生了加成反应D.Ⅳ图中:湿润的有色布条能褪色,将浓硫酸滴入烧杯中至溶液显酸性,结果有Cl2生成解析:选D。
二氧化锰和浓盐酸在加热条件下发生氧化还原反应生成氯气,但稀盐酸与二氧化锰不反应,则盐酸不能完全消耗,A错误;氯气与铜反应产生棕黄色的烟,加水后溶液呈蓝色,B 错误;氯气和甲烷在光照下发生取代反应,C错误;氯气与水反应生成具有漂白性的HClO,能使湿润的有色布条褪色,Cl2与NaOH反应生成NaCl和NaClO,二者在酸性条件下反应生成氯气,D正确.3.下列离子方程式正确的是()①氯气与水反应:Cl2+H2O===2H++Cl-+ClO-②氯气与氢氧化钠溶液反应:Cl2+2OH-===Cl-+ClO-+H2O△③浓盐酸与二氧化锰共热:MnO2+4HCl(浓) ===Mn2++2Cl-+Cl2↑+2H2O④漂白粉溶液中通入少量的二氧化碳气体:Ca2++2ClO-+H2O+CO2===CaCO3↓+2HClOA.①③B.②④ C.②③ D.①④解析:选B。
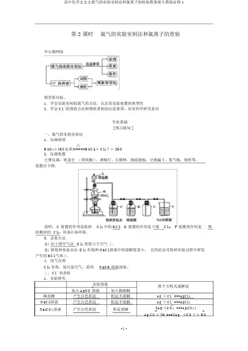
第 2 课时氯气的实验室制法和氯离子的查验中心微网络修养新目标 ,1.学会实验室制取氯气的方法,认识其实验装置的典型性2.学会 Cl -的查验方法和物质查验的注意事项,培育科学研究意识学业基础[ 预习新知 ]一、氯气的实验室制法1.反响原理△MnO2+4HCl( 浓)=====MnCl2+ Cl 2↑+ 2HO2.仪器装置主要仪器:铁架台( 带铁圈 ) 、酒精灯、石棉网、圆底烧瓶、分液漏斗、集气瓶、烧杯等。
装置以下图。
说明: C 装置的作用是除掉Cl 2中的 HCl; D 装置的作用是干燥Cl 2; F 装置的作用是吸收剩余的Cl 2,防备污染环境。
3.采集方法(1)向上排空气法 (Cl 2密度大于空气 ) 。
(2)排饱和食盐水法 (Cl 2在饱和 NaCl 溶液中的溶解度很小,且用此法可除掉实验过程中挥发产生的 HCl 气体 ) 。
4.尾气办理Cl 2有毒,易污染空气,需用NaOH溶液汲取。
二、 Cl -的查验1.实验研究实验现象离子方程式或解说3加入稀硝酸加入 AgNO溶液稀盐酸产生白色积淀积淀不溶解Ag++ Cl - ===AgCl↓NaCl 溶液产生白色积淀积淀不溶解Ag++ Cl - ===AgCl↓+2-===Ag2CO3↓Na2CO3溶液产生白色积淀积淀溶解2Ag+CO323++22Ag CO+ 2H ===2Ag+CO↑+ HO- 1 -2. 氯离子的查验方法(1) 操作方法:向未知溶液中先加AgNO 3溶液,再加稀 HNO 3。
(2) 现象:产生白色积淀,加稀硝酸时,积淀不溶解。
(3) 原理: Ag + +Cl -===AgCl ↓。
(4) 加入稀硝酸的目的:清除 2-等离子的扰乱。
CO 3[ 即学即练 ]1.判断正误,正确的打“√”,错误的打“×” (1) 实验室制取氯气,可用稀盐酸取代浓盐酸。
( ) (2) 实验室制备的氯气常含有氯化氢和水蒸气。
( ) (3) 氯气有毒,故应排到实验室外。
氯气实验报告一、实验名称:氯气二、实验目的:三、实验准备:四、实验步骤:五、实验现象:【反思交流】2021届新高考化学模拟试卷一、单选题(本题包括15个小题,每小题4分,共60分.每小题只有一个选项符合题意)1.短周期主族元素X、Y、Z、W的原子序数依次增大,其中Y、W处于同一主族Y、Z的原子最外层电子数之和等于8,X的简单氢化物与W的简单氢化物反应有大量白烟生成。
下列说法正确的是A.简单离子半径:Y<Z<WB.Z与W形成化合物的水溶液呈碱性C.W的某种氧化物可用于杀菌消毒D.Y分别与X、Z形成的化合物,所含化学键的类型相同2.X、Y、Z、W为原子序数依次增大的短周期元素,其中W原子的质子数是其M层电子数的三倍,Z与W、X与Y相邻,X与W同主族。
下列说法不正确的是()A.原子半径:W>Z>Y>XB.最高价氧化物对应水化物的酸性:X>W>ZC.最简单气态氢化物的热稳定性:Y>X>W>ZD.元素X、Z、W的最高化合价分别与其主族序数相等3.设N A为阿伏加德罗常数的值。
由一种阳离子与两种酸根阴离子组成的盐称为混盐。
向混盐CaOCl2中加入足量浓硫酸,发生反应:CaOCl2+H2SO4(浓)=CaSO4+Cl2↑+ H2O。
下列说法正确的是A.明矾、小苏打都可称为混盐B.在上述反应中,浓硫酸体现氧化剂和酸性C.每产生1molCl2,转移电子数为N AD.1molCaOCl2中共含离子数为4N A4.根据能量示意图,下列判断正确的是( )A.化学反应中断键要放出能量,形成化学键要吸收能量B.该反应的反应物总能量小于生成物总能量C.2A2(g)+B2(g)= 2C(g)ΔH=-(b+c-a)kJ·mol-1D .由图可知,生成1 mol C(l),放出12(b+c-a)kJ 热量 5.某稀硫酸和稀硝酸混合溶液100 mL ,逐渐加入铁粉,产生气体的量随铁粉加入量的变化如图所示。
下列说法错误的是( )A .H 2SO 4浓度为4 mol/LB .溶液中最终溶质为FeSO 4C .原混合酸中NO 3-浓度为0.2 mol/LD .AB 段反应为:Fe +2Fe 3+=3Fe 2+6.在给定条件下,下列选项所示的物质间转化均能实现的是( )A .Al 2O 3(熔融)电解冰晶石−−−→Al(s)2Cl (g)Δ−−−→AlCl 3(s) B .FeS 2(s) 2O (g)高温−−−→SO 2(g) 2H O(l)−−−→H 2SO 4(aq) C .NH 3(g) 2O (g)催化剂,Δ−−−−→NO(g) NaOH(aq)−−−−→NaNO 3(aq) D .SiO 2(s) 2H O(l)−−−→H 4SiO 4(s) NaOH(aq)−−−−→Na 2SiO 3(aq) 7.由下列实验和现象得出的结论正确的是A .AB .BC .CD .D8.2015年12月31日,日本获得第113号元素的正式命名权.这种原子(记作278113Ja ),是由30号元素Zn ,连续轰击83号元素Bi 获得的.下列说法,不正确的是 A .获得新核素278113Ja 的过程,是一个化学变化B .题中涉及的三种元素,都属于金属元素C .这种超重核素278113Ja 的中子数与质子数只差为52 D .这种新核素,是同主族元素中原子半径最大的9.含氯苯的废水可通过加入适量乙酸钠,设计成微生物电池将氯苯转化为苯而除去,其原理如图所示。
高中化学人教版(2019)必修第一册第二章第二节氯及其化合物一、单选题1.自来水可用氯气进行消毒,如在实验室用自来水配制下列物质的溶液,不会产生明显的药品变质问题的是()A. AgNO3B. NaOHC. Na2CO3D. FeCl32.下列关于氯水的叙述中正确的是()A. 新制氯水中只含有Cl2和H2O两种分子B. 新制氯水可以使蓝色石蕊试纸先变红后褪色C. 氯气、液氯和氯水是同一种物质D. 氯水放置数天后pH变大3.氯气是一种很活泼的非金属单质,它具有较强的氧化性,下列叙述中不正确的是( )A. 红热的铜丝在氯气里剧烈燃烧,生成棕黄色的烟B. 氯气能与水反应生成HClO和HCl,久置氯水最终变为稀盐酸C. 纯净的H2在Cl2中安静地燃烧,发出苍白色火焰,集气瓶口呈现雾状;光照H2和Cl2的混合气体时,因迅速化合而爆炸D. 通常状况下,干燥的氯气能和Fe反应4.实验室用下图所示装置制备干燥纯净的氯气,并进行氯气的性质实验。
下列说法中错误的是()A. 装置C的作用是除去氯气中的杂质HClB. 装置F中的现象为有白色沉淀产生C. 实验结束时,应先熄灭酒精灯,再将导管移出装有液体的集气瓶或烧杯D. 该实验中体现了浓盐酸的还原性和酸性5.用漂白粉溶液浸泡过的有色布条,如果晾置在空气中,过了一段时间,其漂白效果会更好的原因可能是()A. 漂白粉与氧气反应了B. 有色布条与氧气反应了C. 漂白粉跟空气中的CO2反应生成了较多量的HClOD. 漂白粉溶液蒸发掉部分水,其浓度增大6.下列说法错误的是()①钠、氢气都能在氯气中燃烧生成白色烟雾②铜丝在氯气中燃烧,生成蓝绿色的氯化铜③液氯就是氯气的水溶液,它能使干燥的有色布条褪色④久置的氯水,因氯气几乎完全挥发掉,剩下的就是水A. ①B. ①和②C. ①和④D. ①②③④7.如图所示:若关闭Ⅰ阀,打开Ⅱ阀,让潮湿的氯气经过甲瓶后,通入乙瓶,布条不褪色;若关闭Ⅱ阀打开Ⅰ阀,再通入这种气体,布条褪色。
氯及其化合物氯气的性质课后篇素养形成合格考达标练1.(2020河南洛阳期末)下列有关氯气及其化合物的说法错误的是()A.氯气能与大多数金属化合,其一般将变价金属氧化至最高价B.干燥的氯气和氯水均能使鲜花褪色C.因为氯气有毒,所以可用于杀菌、消毒、漂白D.除去氯气中少量氯化氢可使气体通过饱和食盐水,而与氯气有毒无关,C项错误。
2.下列关于Cl2的描述中正确的是()A.Cl2以液态形式存在时可称作氯水或液氯B.红热的铜丝在Cl2中燃烧,生成蓝色固体CuCl2C.有Cl2参加的化学反应必须在溶液中进行D.钠在Cl2中燃烧生成白色固体3.(2021山东德州高一检测)将适量物质分别滴加到干燥的红色布条上,不能使其褪色的是()A.新制的氯水B.“84”消毒液C.液氯D.次氯酸溶液Cl2,不能使干燥的红色布条褪色;新制的氯水、“84”消毒液、次氯酸溶液中都含有具有强氧化性的HClO,可使干燥的红色布条褪色。
4.(2020山东济宁期末)下列有关反应的离子方程式不正确的是()A.氯气与冷的石灰乳:Cl2+Ca(OH)2Ca2++ H2O+ Cl-+ ClO-B.FeCl3溶液中加入Cu片:2Fe3++Cu2Fe2++Cu2+C.氯气溶于水:Cl2+H2O H++HClO+Cl-D.过氧化钠投入水中:2Na2O2+2H2O O2↑+2Na++2OH-解析氯气与冷的石灰乳反应生成次氯酸钙、氯化钙、水,其离子方程式为Cl2+Ca(OH)2Ca2++H2O+Cl-+ClO-,A项正确;FeCl3溶液与Cu反应生成氯化亚铁和氯化铜,其离子方程式为2Fe3++Cu2Fe2++Cu2+,B项正确;氯气与水反应生成氯化氢、次氯酸,其离子方程式为Cl2+H2OH++HClO+Cl-,C项正确;过氧化钠与水反应生成氢氧化钠、氧气,其离子方程式为2Na2O2+2H2OO2↑+4Na++4OH-,D项错误。
5.检验氯化氢气体中是否混有Cl2,可采用的方法是()A.用干燥的蓝色石蕊试纸B.用干燥有色布条C.将气体通入AgNO3溶液D.用湿润的淀粉碘化钾试纸,且干燥的HCl气体也不能电离出氢离子,无论HCl气体中是否含有氯气,都不会使干燥的蓝色石蕊试纸发生颜色变化,故A错误;干燥的氯气不具有漂白性,无论是否含有氯气都不能使干燥的有色布条发生颜色变化,故B错误;无论是否含有氯气,气体通入硝酸银溶液中均会产生沉淀,故C错误;HCl气体不能使湿润的淀粉碘化钾试纸变色,当混有氯气时,氯气具有强氧化性,可以将碘离子氧化成碘单质,从而使试纸变蓝,故D正确。
第2课时氯气的实验室制法及氯离子的检验基础过关练题组一氯气的实验室制法1.(江苏如皋中学高一期末)下列氯气的制取、净化、收集并验证其某些性质的装置和原理能达到实验目的的是( )2.(辽宁辽南协作体高一上期中)某化学兴趣小组欲在实验室探究氯气的氧化性并模拟工业制取漂白粉,设计如图装置进行实验:(1)圆底烧瓶中发生反应的离子方程式为。
(2)装置的连接顺序为(填接口字母)。
(3)饱和NaCl溶液的作用是,淀粉KI溶液中的现象为。
(4)与石灰乳反应制取漂白粉的化学方程式为,该反应是放热反应,反应温度较高时有副反应发生,改进该实验装置以减少副反应发生的方法是。
3.(2019湖南衡阳八中高一上期末)纯净干燥的氯气与熔融金属锡反应可制备SnCl4,某化学小组的同学设计了如下实验装置进行制备。
已知:①金属锡熔点为231 ℃,化学性质活泼,在加热条件下可与氧气反应;②SnCl4的沸点为114 ℃;③SnCl4易与水反应。
请根据上图装置回答下列问题:(1)装置Ⅳ中发生反应的化学方程式为。
(2)装置Ⅱ中的试剂是,装置Ⅴ的作用是。
(3)装置Ⅵ最好选用下列装置中的(填标号)。
(4)实验结束后,欲回收利用装置Ⅰ中未反应完的MnO2,需要的分离方法是。
(5)为了顺利完成实验,点燃酒精灯的正确操作是(填字母)。
A.先点燃Ⅰ处酒精灯,后点燃Ⅳ处酒精灯B.先点燃Ⅳ处酒精灯,后点燃Ⅰ处酒精灯C.同时点燃Ⅰ、Ⅳ两处酒精灯题组二氯离子的检验4.检验某未知溶液中是否含有氯离子(Cl-),正确的操作是( )A.向未知溶液中加入AgNO3溶液,有白色沉淀产生B.向未知溶液中加入AgNO3溶液,有白色沉淀产生,加入盐酸,沉淀不消失C.向未知溶液中加入稀硝酸酸化后,再加入AgNO3溶液,有白色沉淀产生D.向未知溶液中加入稀盐酸酸化后,再加入AgNO3溶液,有白色沉淀产生5.自来水常用Cl2杀菌消毒,不法商贩用自来水冒充蒸馏水出售,为辨真伪,可用下列哪一种试剂鉴别( )A.酚酞溶液B.FeCl3溶液C.AgNO3溶液D.NaOH溶液6.有一包白色固体,它的成分可能是KCl、K2CO3、KNO3中的一种或几种,进行下列实验:①溶于水,得到无色溶液;②在所得溶液中滴入AgNO3溶液,生成白色沉淀;③再滴加稀硝酸,沉淀量减少但不完全消失,同时有气泡生成。
氯气的制取1.下列叙述正确的是( )A.氯气的性质很活泼,它与氢气混合后立即发生爆炸B.可以用氢氧化钙溶液吸收实验室制取氯气时多余的氯气C.检验Cl2中是否混有HCl方法是将气体通入硝酸银溶液D.除去Cl2中的HCl气体,可将气体通入饱和食盐水【答案】D【解析】氯气与氢气混合只有点燃或强光照射才会发生反应甚至爆炸,A项错误;由于氢氧化钙的溶解度比较小,所以实验室制取氯气时,多余的氯气不用氢氧化钙溶液吸收,而是用氢氧化钠溶液吸收,B项错误;Cl2溶于水也会产生Cl-,所以C项错误;HCl气体易溶于水,也易溶于饱和食盐水,而Cl2在饱和食盐水中的溶解度极小,D项正确。
2.下列离子方程式错误的是( )A.实验室制Cl2:MnO2+4H++2Cl-Mn2++Cl2↑+2H2OB.在NaCl溶液中滴入AgNO3试液:Ag++Cl-===AgCl↓C.Cl2溶于水:Cl2+H2O===2H++Cl-+ClO-D.用NaOH溶液吸收Cl2∶Cl2+2OH-===Cl-+ClO-+H2O【答案】C【解析】本题中HClO是弱电解质应写成分子形式,C项错误。
3.检验某未知溶液中是否含有氯离子(Cl-),正确的操作是( )A.向未知溶液中加入AgNO3溶液,有白色沉淀产生B.向未知溶液中加入AgNO3溶液,有白色沉淀产生,加入盐酸,沉淀不消失C.向未知溶液中加入稀硝酸酸化后,再加入AgNO3溶液,有白色沉淀产生D.向未知溶液中加入稀盐酸酸化后,再加入AgNO3溶液,有白色沉淀产生【答案】C【解析】A操作不正确,它不能排除CO2-3的干扰;B操作不正确,因为Ag2CO3跟HCl反应时,生成的AgCl仍是白色沉淀;C操作正确;D操作用盐酸酸化,加入了Cl-,无法确定原溶液中是否有Cl-。
4.某同学用下列装置制备并进行有关Cl2的实验。
下列说法中正确的是( )A.Ⅰ图中:如果MnO2过量,浓盐酸就可全部消耗B.Ⅱ图中:闻Cl2的气味C.Ⅲ图中:生成蓝色的烟D.Ⅳ图中:若气球干瘪,证明Cl2可与NaOH反应【答案】B【解析】MnO2与浓盐酸反应时,会出现酸变稀而导致反应中止的情况,因此A中浓盐酸不可能全部消耗;Cl2有毒,闻其气味时应用手轻轻在瓶口扇动,仅使极少量气体飘入鼻中;Cu丝在Cl2中燃烧生成棕黄色烟;若Cl2能与NaOH溶液反应,瓶内压强减小,气球就会鼓起。
氯气的实验室制法氯离子的检验课后篇素养形成合格考达标练1.欲除去Cl2中的少量HCl气体,可选用()A.NaOH溶液B.饱和食盐水C.浓硫酸D.石灰水HCl极易溶于水而Cl2在饱和食盐水中溶解度很小的原理。
2.(2021山东聊城高一检测)某化学兴趣小组利用MnO2和浓盐酸及如图装置制备Cl2。
下列分析中不正确的是()A.①中可用分液漏斗代替长颈漏斗B.①中缺少加热装置C.②中盛放的NaOH溶液可以净化氯气D.④中盛放的NaOH溶液可以吸收尾气中可用分液漏斗代替长颈漏斗,避免盐酸挥发,气体逸出,同时便于控制反应速率,A正确;二氧化锰和浓盐酸需要加热才能反应生成氯气,需要添加加热装置,B正确;NaOH溶液吸收氯气,不能净化氯气,可以用饱和食盐水净化氯气,C错误;氢氧化钠溶液与氯气反应,可以吸收氯气,防止污染空气,D 正确。
3.(2021辽宁阜新高一检测)下列装置应用于实验室制取氯气并回收氯化锰溶液,不能达到实验目的的是()A.用装置甲制取氯气B.用装置乙除去氯气中的少量氯化氢C.用装置丙收集氯气并防止污染空气D.用装置丁分离二氧化锰和氯化锰溶液MnO2、浓盐酸共热制取Cl2,A能达到实验目的;实验室除去氯气中的氯化氢是通过饱和氯化钠溶液,B不能达到实验目的;氯气的密度大于空气的密度,收集时用向上排空气法收集,且氯气有毒,需对尾气进行处理,一般用碱液吸收,C能达到实验目的;二氧化锰不溶于水,氯化锰溶于水,采用过滤法分离,D能达到实验目的。
4.实验室用下列两种方法制氯气:①用含HCl 146 g的浓盐酸与足量的MnO2反应;②用87 g MnO2与足量浓盐酸反应。
所得的氯气()A.①比②多B.②比①多C.一样多D.无法比较解析由化学方程式MnO2+4HCl(浓)MnCl2+Cl2↑+2H2O知,参加反应的MnO2与HCl的质量比为87∶146,但是由于稀盐酸与MnO2不反应,所以含有146 g HCl的浓盐酸不能与MnO2完全反应,但87 g MnO2可与足量的浓盐酸完全反应,所以方法②产生的氯气多。
氯气的实验室制法氯离子的检验[基础达标]1.自来水是用Cl2杀菌消毒的,不法商贩用自来水冒充纯净水出售,为辨真伪,可用下列哪一种试剂鉴别()A.酚酞溶液B.FeCl3溶液C.AgNO3溶液D.NaOH溶液C[自来水用Cl2杀菌消毒后会含有Cl-,加入AgNO3溶液后会产生白色沉淀而变浑浊。
]2.(2021·山东利津统考)下列常用的干燥剂不能用来干燥氯气的是()A.浓硫酸B.碱石灰C.无水氯化钙D.五氧化二磷B[碱石灰与氯气反应。
]3.(2021·山东济阳段考)实验室制取氯气时,下列实验能达到相应目的的是()A.图甲生成Cl2B.图乙净化Cl2C.图丙收集Cl2D.图丁吸收Cl2尾气D[A.实验室用浓盐酸和二氧化锰制取氯气时需要在加热条件下进行,图中缺少加热装置,故A错误;B.碱石灰能吸收氯气,不能用碱石灰净化氯气,故B错误;C.氯气的密度比空气大,应用向上排空气法收集,导管应长进短出,故C错误;D.氯气能与碱反应,可用浓碱溶液吸收多余的氯气,故D正确。
]4.某化学小组用图示装置制取氯气,下列说法不正确的是()A.该装置图中至少存在两处明显错误B.为了防止氯气污染空气,必须进行尾气处理C.在集气瓶的导管口处放一片湿润的淀粉碘化钾试纸,可以证明是否有氯气逸出D.该实验中收集氯气的方法不正确D[MnO2与浓盐酸在加热的条件下反应,图中缺少加热装置,实验时一般不用长颈漏斗,氯气有毒,气体不能直接排放到空气中,应有尾气吸收装置,A、B正确;氯气具有强氧化性,可与碘化钾反应生成单质碘,淀粉遇碘变蓝色,C正确;氯气的密度比空气大,可以用向上排空气法收集,装置中的收集方法正确,D错误。
]5.(1)如图所示,将氯气依次通过盛有干燥有色布条的广口瓶和盛有湿润有色布条的广口瓶,可观察到的现象是__________________________________________________。
(2)为防止氯气尾气污染空气,实验室通常用_______溶液吸收多余的氯气,原理是(用化学方程式表示) _________________________________________________________。