暨南大学贵重仪器设备校外收费标准一览表【模板】
- 格式:docx
- 大小:25.01 KB
- 文档页数:5
XXXX大学大型精密贵重仪器设备开放共享服务收费管理细则第一条为进一步规范大型精密贵重仪器设备开放共享服务收费(以下简称“服务费”)的管理,建立积极有效的激励机制,根据教育部办公厅《关于加强高等学校科研基础设施和科研仪器开放共享的指导意见》(教技厅〔20XX〕4号)《XXXX大学有偿服务收支管理办法》(校财务发〔20XX〕5号)《XXXX大学大型精密贵重仪器设备开放使用管理办法》(校实验发〔20XX〕5号)相关规定,特制订本管理细则。
第二条大型精密贵重仪器设备开放共享服务,是指各大型精密贵重仪器设备的直接管理单位(以下简称“管理单位”),在满足本单位教学、科研工作需要的前提下,利用所管理的大型精密贵重仪器设备(以下简称“设备”),主动向校内其他单位或校外单位用户提供的技术服务、设备使用等服务。
第三条管理单位利用学校设备向全校和社会提供的服务,均应按本办法实施管理。
各管理单位利用学校实验室其它资产提供的服务,也参照本办法执行。
第四条服务费收取标准的制订(一)服务费收取标准由各管理单位制定和修订,经单位内部相关专家和党政联席会审议后,报财务处、实验室建设与管理处审批。
服务费收取标准确定后任何个人不得私自修改。
(二)服务费收取标准有政府主管部门有统一定价的,按照政府规定执行。
没有统一定价的,参照同类设备市场服务价格,核算成本,自行制定服务费收取标准。
(三)使用设备对校内学生开展的教学实验、校内人员培训、仪器调试、功能开发等活动,原则上不收取费用。
第五条服务费的收取(一)校内人员1. 在编、非事业编、科研助理以及服务保障用工等校内人员使用校内设备,经设备管理人员审核后,即可使用服务。
实验过程中产生的材料费据实收取,其余服务费按收费标准的30%计算。
服务费经用户确认后,由设备管理人员记账。
出具的缴费证明及发票到各管理单位冲抵记账记录。
服务费可从该校内人员出具的缴费证明及发票到各管理单位冲抵记账记录。
服务费可从该校内人员的科研费、用户所属学院相关经费中划转,也可以现金方式结算。
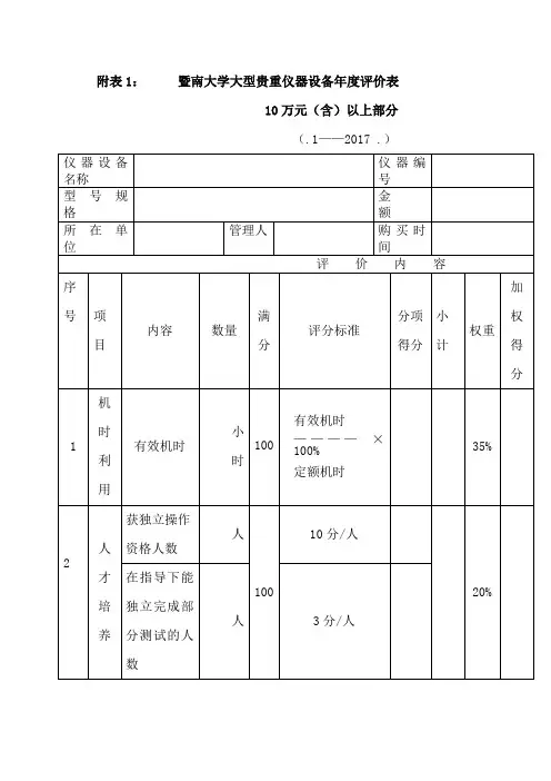
附表1:暨南大学大型贵重仪器设备年度评价表
10万元(含)以上部分
(.1——2017 .)
填表说明:1、有效机时(专用仪器年定额800机时,通用仪器年定额1400机时)开机前处理时间(预热、抽真空等)+
测试时间+后处理时间(冷却等)。
2、分项得分如≤100按实际得分计,如>100,则按100分计。
3、项目加权得分=项目总分×权重。
4、科研成果:各类奖中包括同级别的奖项、发明及已授予的专利。
5、服务收入:指对校内、校外服务收取的测试费,不包括本机组的科研费收入。
6、加权得分由我处统计
评价得分说明:优秀:总分≥90分;良好:75分≤总分<90分
合格: 60分≤总分<75分不合格:总分<60分。
附件一仪器分析实验室贵重仪器测试收费标准
* 考虑到GC-MS分析的特殊性(更换色谱柱及实验条件优化),使用仪器的第一天收取100元,从第二日起按表中标准收费。
说明:
1、学生测试样品需导师同意并签字。
若有发现做非院内课题的,将按违规处理并按校外标准收费。
2、本实验室将设置专用网页,各种仪器性能指标、测试内容、以及测试预约等将放在学院中心实验室网页上。
3、仪器操作培训合格者,在管理人员指导下可以独立操作仪器。
有独立操作仪器资格者,应严格按仪器操作规程操作。
若因违规操作而损坏仪器,将严肃处理、通报全院并取消独立操作仪器资格。
4、原子吸收分光光度计、电感耦合等离子体发射光谱仪测试的样品数量超过20个或以上,超出数量按70%收费。
5、校内外收费不包含样品处理费。
原子吸收分光光度计、电感耦合等离子体发射光谱仪样品处理费50元/样,气相色谱-质谱联用仪样品处理费50-100元/样。
6、电感耦合等离子体发射光谱仪的价格是5个元素内的价格,超过5个元素每个元素加2元/个(校内)和10元/个(校外)。
附件二:各仪器每年的基本消耗费用。