技能抽查题库(测量模块)
- 格式:docx
- 大小:83.81 KB
- 文档页数:28
技能认证工程测量考试(习题卷23)说明:答案和解析在试卷最后第1部分:单项选择题,共57题,每题只有一个正确答案,多选或少选均不得分。
1.[单选题]钢尺量距注意事项中,下列说法正确的是( )。
A)量完一段前进时,钢尺应沿地面拉动前进,以防钢尺断裂B)丈量时应用力均匀拉紧,尺零点应对准尺段终点位置C)测量整尺段数应记清,并与后测手收回的测钎数应符合D)量距时如果人手不够,可以一个人慢慢操作2.[单选题]野外数字测图作业通常分为野外数据采集和( )两大部分,其中野外数据采集极其重要,它直接决定成图质量与效率。
A)图形绘制B)内业数据处理编辑C)等高线绘制D)地物绘制3.[单选题]一钢尺名义长度为30米,与标准长度比较得实际长度为30、015米,则用其量得两点间的距离为64、780米,该距离的实际长度是( )。
A)64、748mB)64、812mC)64、821mD)64、784m4.[单选题]质量方针是一个组织总的质量宗旨和方向,应由组织的()批准发布。
A)上级机关B)最高管理者C)质量管理办公室主任D)总工程师5.[单选题]形状公差带三要素包括形位公差带的()。
A)大小、形状、方位B)大小、方向、位置C)形状、大小、位置D)形状、大小、高低6.[单选题]一点到两目标的方向线垂直投影到水平面上的夹角称为( )A)竖直角B)水平角C)方位角D)象限角A)越大越好B)越小越好C)任意确定D)遵守国标规定8.[单选题]闭合导线测量,内业计算发现角度闭合差较小,但计算得到的导线全长相对闭合差较大,最可能的原因是()A)角度观测误差较大B)距离观测误差较大C)计算错误D)起算数据误差较大9.[单选题]线路中线缓和曲线角指()的夹角。
A)第一直线与HY点切线B)第二直线与HY点切线C)第一直线与ZH点切线D)第二直线与ZH点切线10.[单选题]测量工作中,内业计算中所采用的基准面是( )A)水平面B)水准面C)旋转椭球面D)竖直面11.[单选题]自动安平水准仪,( )。
测量员技能竞赛题库1.1.1名词解释题(1)水准面(2)大地水准面 (3)参考椭球面 (4)绝对高程(5)相对高程2.1.1名词解释题(1)直线定线(2)距离较差的相对误差(3)定角测距(4)定基线测距3.1.1名词解释题(1)方位角(2)象限角(3)真子午线 (4)磁子午线 (5)直线定向4.1.1名词解释题(1)视准轴(2)水准管轴(3)圆水准器轴 (4)水准管分划值 (5)水准仪的仪器高程5.1.1名词解释题(1)水平角 (2)竖直角 (3)经纬仪竖轴 (4)经纬仪横轴 (5)正镜(6)倒镜 (7)横轴误差 (8)视准轴误差(9)竖盘指标差6.1.1 名词解释题(1)真误差 (2)中误差 (3)相对误差 (4)容许误差 (5)偶然误差(6)系统误差7.1.1名词解释题(1)三角测量 (2)图根点 (3)图根控制测量 (4)大地点(5)导线(6)导线测量(7)坐标增量闭合差(8)三角高程测量 (9)高程闭合差(10)两差改正8.1.1名词解释题(1)碎部测量(2)等高线 (3)首曲线(4)等高距(5)等高线平距(6)地物 (7)地貌(8)地性线(9)地物特征点(10)地貌特征点9.1.1名词解释题(1)施工量(2)零工作线10.1.1名词解释题(1)圆曲线主点 (2)回头曲线 (3)复曲线 (4)反向曲线11.1.1名词解释题(1)建筑方格网 (2)轴线控制桩 (3)±0标高线 (4)龙门桩与龙门板(5)建筑基线1.1.2填空题(1)地形图测绘工作程序,首先应作___________________________,然后才做_________________________,这样做的好处是____________________________________________________和_________________________。
(2)确定地面点的空间位置必须有三个参量:(a)____________,(b)____________(c)_______________。
测量技师考试题和答案一、单项选择题(每题1分,共20分)1. 测量工作中,常用的基准面是()。
A. 水平面B. 垂直面C. 基准面D. 基准线答案:A2. 测量中,角度的测量单位是()。
A. 米B. 弧度C. 度D. 秒答案:C3. 在测量中,测量误差的来源不包括()。
A. 仪器误差B. 人为误差C. 环境误差D. 理论误差答案:D4. 测量中,绝对误差是指()。
A. 测量值与真实值之间的差值B. 测量值与平均值之间的差值C. 测量值与理论值之间的差值D. 测量值与标准值之间的差值答案:A5. 测量中,相对误差是指()。
A. 绝对误差与真实值之比B. 绝对误差与测量值之比C. 绝对误差与平均值之比D. 绝对误差与理论值之比答案:B6. 测量中,系统误差的特点是()。
A. 随机出现B. 可以消除C. 随机分布D. 不能消除答案:B7. 测量中,随机误差的特点是()。
A. 随机出现B. 可以消除C. 随机分布D. 不能消除答案:C8. 测量中,为了减小误差,可以采用的方法是()。
A. 增加测量次数B. 减少测量次数C. 改变测量方法D. 改变测量人员答案:A9. 测量中,为了提高测量精度,可以采用的方法是()。
A. 增加测量次数B. 减少测量次数C. 改变测量方法D. 改变测量人员答案:C10. 测量中,为了消除系统误差,可以采用的方法是()。
A. 增加测量次数B. 减少测量次数C. 改变测量方法D. 改变测量人员答案:D11. 测量中,测量数据的记录应该()。
A. 随意记录B. 按照规定格式记录C. 只记录测量值D. 只记录误差答案:B12. 测量中,测量数据的处理应该()。
A. 随意处理B. 按照规定格式处理C. 只处理测量值D. 只处理误差答案:B13. 测量中,测量结果的表示应该()。
A. 随意表示B. 按照规定格式表示C. 只表示测量值D. 只表示误差答案:B14. 测量中,测量结果的评估应该()。
学生专业技能抽查题库一、水利工程测量模块1.试题编号:1-1闭合水准路线测量(1)任务描述2)完成该段水准路线的记录和计算校核并求出高差闭合差;(2)实施条件(3)考核时量30分钟(4)操作人数1人(另加辅助人员2人)(5)评价标准表1 职业素养与操作规范评分表任务完成后,整齐摆放资料、工具书、仪器、工具、凳子,整理工作台面等20律,造成恶劣影响的本大项记0分。
总 分表2 作品评分表序号考核内容评分标准标准分 100 得分备注1 测量方案制定 制定测量方案合理,符合工程测量规范要求 5 没有完成 总工作量 的60%以 上,本大 项记0分。
2 仪器操作 正确的架设仪器,整平,照准目标,读数记录 303 记录计算 记录整齐、整洁,各项计算正确、齐全 104 测量限差 各项限差符合要求40 5 安全文明施工不遵守安全操作规程、工完场不清或有事故本项无份。
施工前准备、施工中正确使用仪器、完工后正确放置和维护仪器。
5 6工效按规定时间每超过1分钟扣1分10总 分题目1如下图,已知水准点 BM 的高程为 HBM = 50.000m ,试用普通水准测量的方法,测出点 1 、 2 、 3 的高程。
(注:f 允 ≤±12√n mm ,高差闭合差不必进行分配,若高差闭合差超限必须返工。
)普通水准测量记录表单位 : __________学号 :___________ 姓名 :__________时间: __________得分 :__________ 扣分 : __________评分 :__________2.试题编号:1-2四等水准测量(1)任务描述(2)实施条件(3)考核时量45分钟(4)操作人数1人(另加辅助人员2人)(5)评价标准表1 职业素养与操作规范评分表表2 作品评分表题目21) 测量AB两点间的路线长约 150m ,中间设 1 个转点共设站 2 次。
3.试题编号:1-3(1)任务描述(2)实施条件(3)考核时量45分钟(4)操作人数1人(另加辅助人员1人)(5)评价标准表1 职业素养与操作规范评分表表2 作品评分表题目3现场任意标定三点为 M 、 N 、 P ,在 M 点设站后视 N 点,测出 P 点的三维坐标。
测量技能鉴定试题及答案一、单项选择题(每题2分,共20分)1. 测量学中,用于确定地面点位置的三个基本要素是:A. 经度、纬度、高程B. 长度、宽度、高度C. 速度、时间、距离D. 角度、方向、距离答案:A2. 在测量工作中,水准仪的主要作用是:A. 测量角度B. 测量距离C. 测量高差D. 测量面积答案:C3. 测量中,全站仪的主要用途是:A. 测量水平距离B. 测量垂直距离C. 测量角度和距离D. 测量面积答案:C4. 测量误差按其性质可分为:A. 绝对误差和相对误差B. 系统误差和偶然误差C. 绝对误差和系统误差D. 偶然误差和绝对误差答案:B5. 测量中,用于控制测量误差的方法是:A. 增加测量次数B. 采用高精度仪器C. 采用合适的测量方法D. 以上都是答案:D6. 测量学中,三角测量法的基本原理是:A. 三角形的稳定性B. 三角形的相似性C. 三角形的不等式D. 三角形的全等性答案:B7. 测量中,用于确定两点间水平距离的方法是:A. 水准测量B. 角度测量C. 距离测量D. 高程测量答案:C8. 测量误差的来源包括:A. 仪器误差B. 观测误差C. 环境误差D. 以上都是答案:D9. 测量中,用于确定两点间高差的方法是:A. 水准测量B. 角度测量C. 距离测量D. 高程测量答案:A10. 测量学中,用于确定两点间水平角的方法是:A. 水准测量B. 角度测量C. 距离测量D. 高程测量答案:B二、多项选择题(每题3分,共15分)1. 测量中,下列哪些因素会影响测量结果的准确性?A. 仪器的精度B. 观测者的经验C. 测量环境D. 测量方法答案:ABCD2. 测量误差的分类包括:A. 系统误差B. 偶然误差C. 绝对误差D. 相对误差答案:AB3. 测量学中,下列哪些仪器用于角度测量?A. 水准仪B. 全站仪C. 经纬仪D. 测距仪答案:BC4. 测量中,下列哪些因素可以减少测量误差?A. 增加测量次数B. 使用高精度仪器C. 采用合适的测量方法D. 环境因素的控制答案:ABCD5. 测量学中,下列哪些方法用于确定地面点的位置?A. 三角测量法B. 交会测量法C. 导线测量法D. 水准测量法答案:ABC三、判断题(每题1分,共10分)1. 测量学是一门研究地球表面点位置的科学。
湖南省高等职业院校水利水电建筑工程专业学生专业技能抽查题库一、水利工程测量模块1.试题编号:1-1闭合水准路线测量(1)任务描述2)完成该段水准路线的记录和计算校核并求出高差闭合差;(2)实施条件(3)考核时量30分钟(4)操作人数1人(另加辅助人员2人)(5)评价标准表1 职业素养与操作规范评分表表2 作品评分表2.试题编号:1-2 四等水准测量(1)任务描述(2)实施条件(3)考核时量45分钟(4)操作人数1人(另加辅助人员2人)(5)评价标准表1 职业素养与操作规范评分表表2 作品评分表题目21) 测量AB两点间的路线长约 150m ,中间设 1 个转点共设站 2 次。
3.试题编号:1-3(1)任务描述(2)实施条件(3)考核时量45分钟(4)操作人数1人(另加辅助人员1人)(5)评价标准表1 职业素养与操作规范评分表表2 作品评分表题目3现场任意标定三点为 M 、 N 、 P ,在 M 点设站后视 N 点,测出P 点的三维坐标。
已知 M ( 123.456,789.012,34.56 ), N ( 300.123,800.456 ),测量时要输入以上已知量及仪器高和棱镜高。
4.试题编号:1-4 全站仪放样三维坐标点(1)任务描述(2)实施条件(3)考核时量 45分钟 (4)操作人数1人(另加辅助人员1人)(5)评价标准表1 职业素养与操作规范评分表表2 作品评分表题目4现场任意标定两点为 O 、 B ,在 O 点设站后视 B 点,放样出 P 点平面位置及填挖高度。
已知点 O ( 123.456,789.012,34.56 ), B ( 300.123,800.456 ),点 P ( 159.500,212.356 ,32.87),放样时要输入以上已知量及仪器高和棱镜高。
5.试题编号:1-5全站仪闭合导线测量(1)任务描述使用全站仪通过测距、测角方法施测闭合导线,并采用近似平差方法计算各待定点坐标。
机械测量技能考试试题题库机械测量技能考试是一项专业技能测试,旨在评估考生对机械测量工具的使用能力以及对机械零件尺寸和形状的测量技能。
以下是一套机械测量技能考试试题题库,供考生复习和练习。
一、选择题1. 测量外径时,应使用以下哪种测量工具?A. 游标卡尺B. 千分尺C. 深度尺D. 螺旋测微器2. 以下哪个单位不是长度单位?A. 米B. 毫米C. 秒D. 微米3. 测量内径时,应使用哪种类型的卡尺?A. 外径卡尺B. 内径卡尺C. 深度卡尺D. 螺旋测微器4. 测量螺纹的外径,应使用哪种测量工具?A. 螺纹规B. 游标卡尺C. 千分尺D. 螺旋测微器5. 测量平面度时,常用的测量工具是?A. 水平尺B. 直角尺C. 百分表D. 平板二、判断题1. 游标卡尺可以测量物体的内外径、深度和台阶尺寸。
(对/错)2. 测量时,应确保测量工具的测量面与被测物体的表面平行。
(对/错)3. 千分尺的精度比游标卡尺高。
(对/错)4. 测量时,应避免用力过猛,以免损坏测量工具或影响测量结果。
(对/错)5. 测量螺纹的内径,应使用内径卡尺。
(对/错)三、简答题1. 简述游标卡尺的工作原理。
2. 描述千分尺的使用方法。
3. 解释如何使用百分表测量零件的平面度。
4. 说明测量螺纹外径时应注意的事项。
5. 描述如何校准测量工具以确保测量结果的准确性。
四、计算题1. 假设使用游标卡尺测量一个直径为50mm的圆盘,游标卡尺的示数为48.5mm,求圆盘的实际直径。
2. 如果使用千分尺测量一个长度为100mm的物体,千分尺的示数为99.98mm,求物体的实际长度。
五、实操题1. 描述如何使用游标卡尺测量一个圆柱体的外径。
2. 说明如何使用千分尺测量一个孔的内径。
3. 描述如何使用深度尺测量一个深孔的深度。
4. 说明如何使用螺旋测微器测量一个非常小的物体的直径。
5. 描述如何使用百分表测量一个平面的平面度。
考生在准备考试时,应熟悉各种测量工具的使用方法和测量原理,同时通过实际操作来加深理解和熟练度。
测量技能大赛试题一、测量工具与测量原理部分1. 填空题a) 长度的基本单位是______。
b) 用来测量角度的仪器是______。
c) 刻度尺的最小测量单位是______。
d) 放大倍数与视野的关系是______。
e) 定义为力在垂直方向上的分量的称为______。
2. 选择题请从以下选项中选择正确答案:a) 下列哪种测量工具适用于测量圆柱体的直径?1) 游标卡尺 2) 外卡尺 3) 钢卷尺 4) 微动螺旋仪b) 测量工具的精度表示的是1) 仪器制造工艺的好坏 2) 测量结果中的误差 3) 仪器的适用范围4) 测量的速度与准确度之间的关系c) 下列哪项是测量力的单位?1) 牛顿 2) 千克 3) 米 4) 焦耳d) 测量工具的漂移是指1) 测量精度发生变化 2) 读数的误差累积 3) 测量结果的精度相对稳定 4) 测量工具本身的长度发生变化e) 以下哪项是测量微小角度的仪器?1) 卡尺 2) 望远镜 3) 数显仪表 4) 电子天平二、测量实践部分1. 读数题a) 利用游标卡尺测量一块螺母的外径,测量结果为13.42 mm,可靠数字为0.01 mm,写出结果并标注单位。
b) 使用经纬仪测量一根铁锤的长度,测量结果为24.75 cm,可靠数字为0.1 cm,写出结果并标注单位。
c) 使用量具测量一块木板的厚度,测量结果为8.6 mm,可靠数字为0.05 mm,写出结果并标注单位。
2. 示例题请根据以下信息回答问题:某次测量实验中,使用数字万用表测量一个电阻器的阻值时,测量结果为325 Ω,可靠数字为1 Ω。
若标准值为320 Ω,请回答以下问题:a) 那个电阻器的相对误差是多少?b) 若置信限为95%,可靠数字应调整为多少?c) 在误差范围内,该电阻器是否达到要求?d) 若标准值修正为322 Ω,回答问题c)是否还成立?三、解答题1. 对以下问题给出详细解答:a) 请解释什么是杠杆原理,并举出一个实际应用杠杆原理的例子。
黄河水里职业技术学院测量技能大赛理论试题考核练习册理论试题考核练习册黄河水里职业技术学院测量技能大赛目录第一篇选择题................................................................................... - 2 -第一分篇.......................................................................................... - 2 -第二分篇.. (7)第三分篇 (11)第二篇判断题........................................................................................15第一分篇 (15)第二分篇 (18)第三分篇 (20)第三篇主观题........................................................................................22参考答案...................................................................................................24理论试题考核练习册黄河水里职业技术学院测量技能大赛第一篇选择题第一分篇1.地面点到大地水准面的垂直距离称为该点的( )。
A.高差B.距离C.相对高程D.绝对高程2.绝对高程的起算面是( )。
A.大地水准面B.大地水平面C.假定水准面D.水平面3.测量学按其研究的范围和对象的不同,一般可分为:普通测量学、大地测量学、()、摄影测量学、制图学。
A.一般测量学B.坐标测量学C.工程测量学D.高程测量学4.测量上所选用的平面直角坐标系,规定x轴正向指向( )。
技能认证工程测量考试(习题卷2)第1部分:单项选择题,共146题,每题只有一个正确答案,多选或少选均不得分。
1.[单选题]方格点高程三权取决于它在计算中涉及的( )。
A)方格的土为量B)方格的数目C)方格的高差答案:B解析:2.[单选题]闭合导线坐标增量调整后,坐标增量之和应等于( )。
A)坐标增量闭合差B)坐标增量闭合差的相反数C)导线全长闭合差答案:A解析:3.[单选题]精密测量设备运动导轨的日常清洁可采用()擦拭。
A)水B)清洁剂C)无水乙醇D)防锈油答案:C解析:4.[单选题]全站仪的对中误差属于( )。
A)系统误差B)偶然误差C)中误差D)限差答案:B解析:5.[单选题]精密量距时,进行桩顶间高差测量是为( )而进行的测量工作。
A)尺长改正B)温度改正C)倾斜改正D)垂直改正答案:C解析:6.[单选题]水准管轴是水准管零点圆弧的A)法线B)水平线C)垂线解析:7.[单选题]测量过程的四要素:测量对象、( )、测量方法、测量精度A)测量单位B)测量要素C)测量内容D)测量工具答案:A解析:8.[单选题]线路中线圆缓点里程加缓和曲线长为( )里程。
A)圆缓点B)直缓点C)交点D)缓直点答案:D解析:9.[单选题]水准测量采用后-前-前-后的观测顺序,其目的是消除( )。
A)水准尺零点误差B)水准尺倾斜误差C)仪器下沉误差D)水准尺分划估读误差答案:C解析:10.[单选题]闭合导线没有( )检核条件。
A)角度B)纵坐标C)横坐标D)导线结点坐标中误差答案:D解析:11.[单选题]光滑极限量规应做成()。
A)片形长规B)圆柱形长规C)可调长规D)球形规答案:A解析:12.[单选题]在三基面体系中,对于板类零件()应该选择零件上面积大,定位稳的表面。
A)辅助基准B)第二基准C)第一基准D)第三基准答案:C解析:A)±0.000水准点B)建筑方格网点C)四等水准点D)建筑物高程点答案:A解析:14.[单选题]工件验收时的安全原则()。
技能认证工程测量考试(习题卷29)第1部分:单项选择题,共57题,每题只有一个正确答案,多选或少选均不得分。
1.[单选题]测量误差分为系统误差与随机误差,系统误差是需(),要消除此类误差。
A)修正B)测量C)补偿D)剔除答案:A解析:2.[单选题]坐标方位角的角值范围为( )。
A)0°~270°B)-90°~90°C)0°~360°D)-180°~180°答案:C解析:3.[单选题]国标规定的工件验收原则是()。
A)可以误收B)不准误废C)允许误废不准误收D)随便验收答案:C解析:4.[单选题]直角坐标法测设设计平面点位,是根据已知点与设计点间的( )进行测设。
A)水平距离B)水平角度C)坐标增量D)直线方向答案:C解析:5.[单选题]GPS卫星定位系统属于( )。
A)中国B)俄罗斯C)欧盟D)美国答案:D解析:6.[单选题]在等精度观测中,计算观测值中误差的公式为 INCLUDEPICTURE "../" \* MERGEFORMAT,式中的[△△]表示( )。
A)最或是误差平方和B)真误差平方和C)真误差之和D)似真误差之和答案:B解析:7.[单选题]已知某地形图上AB线段长度为2.5厘米,其实地水平距离为125米,则该图的比例尺为( )。
A)1∶500B)1∶5000C)1∶200D)1∶2000答案:B解析:8.[单选题]使用函数型计算器进行坐标正算与反算时,当角度采用度分秒制,则角度表示模式应选择( )。
A)DEGB)RADC)GRADD)任意模式都可以答案:A解析:9.[单选题]在纵断面图中,为了明显地表示地面起伏变化情况,高程比例尺往往比平距比例尺大( )倍。
A)5~10B)10~20C)20~30D)30~40答案:B解析:10.[单选题]测量平面直角坐标系的X轴指向( )方向。
A)正南B)正北C)正东D)正西答案:B解析:11.[单选题]在测量学科中,水平角的角值范围是()。
测量专业实操考试题及答案一、单项选择题(每题2分,共10题,共20分)1. 测量学中,角度测量的基本单位是()。
A. 度(°)B. 弧度(rad)C. 秒(″)D. 分(′)答案:A2. 测量中,水准仪的主要作用是()。
A. 测量水平距离B. 测量垂直距离C. 测量角度D. 测量高差答案:D3. 测量时,若要提高测量精度,应采取的措施是()。
A. 增加测量次数B. 减少测量次数C. 增加测量人员D. 减少测量人员答案:A4. 在测量中,测量误差与测量精度的关系是()。
A. 误差越大,精度越高B. 误差越小,精度越高C. 误差越大,精度越低D. 误差越小,精度越低答案:B5. 测量中,三角测量法主要用于()。
A. 水平距离测量B. 高程测量C. 角度测量D. 面积测量答案:C二、多项选择题(每题3分,共5题,共15分)1. 测量中常用的测量仪器包括()。
A. 水准仪B. 经纬仪C. 测距仪D. 全站仪答案:ABCD2. 测量误差的来源可能包括()。
A. 仪器误差B. 人为误差C. 环境误差D. 计算误差答案:ABCD3. 在进行地形测量时,需要考虑的因素包括()。
A. 地形的起伏B. 植被的覆盖C. 气候条件D. 测量人员的技能答案:ABCD4. 测量中,为了减少误差,可以采取的措施包括()。
A. 使用高精度仪器B. 多次测量求平均值C. 选择合适的测量时间D. 进行误差分析答案:ABCD5. 测量中,常用的数据处理方法包括()。
A. 平均值法B. 加权平均法C. 最小二乘法D. 误差传播法答案:ABCD三、填空题(每题2分,共5题,共10分)1. 测量中,水准仪用于测量______。
答案:高差2. 测量误差可以分为系统误差和______误差。
答案:随机3. 在测量中,为了提高测量的准确性,通常采用______的方法。
答案:多次测量求平均值4. 测量中,角度的测量单位是度,其中1度等于______分。
技能操作试题一、直线连接单股导线(AAA)(一)测量模块1.考试要求(1)按照规定剖削导线绝缘层、连接导线、恢复绝缘层。
(2)必须穿戴劳动保护用品。
(3)必备的工具、用具应准备齐全。
(4)按照工艺规程连接导线。
(5)正确使用工具、用具。
(6)符合安全文明生产。
2.考试时限(1)准备时间:3min。
(2)操作时间:20min。
(3)从正式操作开始计时。
(4)考试时,提前完成操作不加分,超过规定操作时间按规定标准评分。
续表考评员签字:年 月 日(二)考试试题1.AAA001 直线连接单股导线 1)准备要求2)操作考试的规定说明(1)如操作违章,将停止考试。
(2)考试采用100分制,然后按鉴定比重折算。
(3)具体考试要求同鉴定点。
3)考试时限 同测量模块。
4)配分与评分标准 同测量模块。
二、T 形连接单股导线(AAB) (一)测量模块 1.考试要求(1)按照规定剖削导线绝缘层、连接导线、恢复绝缘层。
(2)必须穿戴劳动保护用品。
(3)必备的工具、用具应准备齐全。
(4)按照工艺规程连接导线。
(5)正确使用工具、用具。
(6)符合安全文明生产。
2.考试时限(1)准备时间:3min。
(2)操作时间:20min。
(3)从正式操作开始计时。
(4)考试时,提前完成操作不加分,超过规定操作时间按规定标准评分。
考评员签字:年月日(二)考试试题1.AAB001 T形连接单股导线1)准备要求(2)材料准备2)操作考试的规定说明(1)如操作违章,将停止考试。
(2)考试采用100分制,然后按鉴定比重折算。
(3)具体考试要求同鉴定点。
3)考试时限同测量模块。
4)配分与评分标准同测量模块。
三、直线连接多股导线(AAC)(一)测量模块1.考试要求(1)按照规定剖削导线绝缘层、连接导线、恢复绝缘层。
(2)必须穿戴劳动保护用品。
(3)必备的工具、用具应准备齐全。
(4)按照工艺规程连接导线。
(5)正确使用工具、用具。
(6)符合安全文明生产。
湖南省机电一体化技术专业《CAD机械制图》课程技能抽查机械零件测绘项目题库2.2.1 试题 1:主轴的测绘(1)工作任务根据提供的实物,手工测绘机械零件-主轴。
主轴照片见图 2.45。
图 2.45 主轴(2)考核内容与要求1)选用常用机械测绘工具正确测量主轴尺寸;2)徒手目测快速画出主轴零件三视图草图;3)对主轴零件在长期使用后造成的磨损和损坏部分给予尺寸、形状的修正;并在草图中进行尺寸标注;4)确定表面粗糙度、尺寸公差、几何公差要求等,标注在草图上;图6“6S”规零件图。
整理、整顿、清扫、安全、②未填写标题栏,扣 5 分。
①乱摆放工具,乱丢杂物,扣 2 分。
5范清洁、素养。
②完成任务后不清理工位扣 3 分。
①图形与实物不一致,酌情扣 10-35 分。
2.2.2 试题 2:透盖的测绘(1)工作任务根据提供的实物,手工测绘机械零件-透盖。
透盖照片见图 2.46。
图 2.46 透盖(2)考核内容与要求1)选用常用机械测绘工具正确测量透盖尺寸;2)徒手目测快速画出透盖零件三视图草图;3)对透盖零件在长期使用后造成的磨损和损坏部分给予尺寸、形状的修正;并在草图中进行尺寸标注;4)确定表面粗糙度、尺寸公差、几何公差要求等,标注在草图上;5)根据草图,对尺寸、表面粗糙度、尺寸公差、几何公差等进行查对,或重新计算;6)运用常用绘图工具手工绘制透盖零件的零件图。
(3)评分表评分表见表2.25。
2.2.3 试题 3:齿轮轴的测绘(1)工作任务根据提供的实物,手工测绘机械零件-齿轮轴。
齿轮轴照片见图 2.47。
图 2.47 齿轮轴(2)考核内容与要求1)选用常用机械测绘工具正确测量齿轮轴尺寸;2)徒手目测快速画出齿轮轴零件三视图草图;3)对齿轮轴零件在长期使用后造成的磨损和损坏部分给予尺寸、形状的修正;并在草图中进行尺寸标注;4)确定表面粗糙度、尺寸公差、几何公差要求等,标注在草图上;5)根据草图,对尺寸、表面粗糙度、尺寸公差、几何公差等进行查对,或重新计算;6)运用常用绘图工具手工绘制齿轮轴零件的零件图。
湖南省高等职业院校水利水电建筑工程专业
学生专业技能抽查题库
一、水利工程测量模块
1.试题编号:1-1
闭合水准路线测量
(1)任务描述
2)完成该段水准路线的记录和计算校核并求出高差闭合差;
(2)实施条件
(3)考核时量
30分钟
(4)操作人数
1人(另加辅助人员2人)
(5)评价标准
评分总表
2.试题编号:1-2 四等水准测量
(1)任务描述
(2)实施条件
(3)考核时量
45分钟
(4)操作人数
1人(另加辅助人员2人)
(5)评价标准
评分总表
1) 测量AB两点间的路线长约150m ,中间设1 个转点共设站2 次。
3.试题编号:1-3
(1)任务描述
(2)实施条件
(3)考核时量
45分钟
(4)操作人数
1人(另加辅助人员1人)
(5)评价标准
评分总表
现场任意标定三点为M 、N 、P ,在M 点设站后视N 点,测出P 点的三维坐标。
已知M (,, ),N (, ),测量时要输入以上已知量及仪器高和棱镜高。
4.试题编号:1-4
全站仪放样三维坐标点
(1)任务描述
(2)实施条件
(3)考核时量
45分钟
(4)操作人数
1人(另加辅助人员1人)
(5)评价标准
评分总表
现场任意标定两点为O 、 B ,在O 点设站后视 B 点,放样出P 点平面位置及填挖高度。
已知点O (,, ), B ( , ),点P (,,),放样时要输入以上已知量及仪器高和棱镜高。
5.试题编号:1-5
全站仪闭合导线测量
(1)任务描述
使用全站仪通过测距、测角方法施测闭合导线,并采用近似平差方法计算各待定点坐标。
(2)实施条件
(3)考核时量
4小时
(4)操作人数
3人
(5)评价标准
评分总表
如图1所示,B 点坐标以及AB 边的方位角已知,由现场确定, P 1、P 2、P 3、P 4为待定点。
B- P 1-P 2-P 3-P 4- B 组成一条闭合导线。
要求使用全站仪通过测距、测角方法施测该导线,并采用近似平差方法计算各待定点坐标。
水平角观测采用方向法,观测数据记于表1中。
水平距离观测数据记于表2中。
坐标计算在表3中进行。
B 点的坐标:X B =____________m
Y B =____________m
AB 边的方位角:αAB =____________
要求:1、观测要求:①水平角观测一测回;②距离测量往测一测回(4次读数),测站读记温度、气压并输入全站仪,直接读记平距; ③不允许用三联角法观测。
2、取位规定:①温度计读数至0.2°C ,气压计读数取至1hPb 或1mmHg ;②角度取至“秒”;③距离取至mm ;④坐标取至mm 。
3、限差规定:①对中误差≤3mm ,水准管气泡偏差﹤1格;②水平角观测:半测回角值之差≤36″;③距离测量:一测回读数差≤5mm 。
4、精度要求:①导线内角和闭合差≤±40″n ;②导线全长闭合差≤1/3000。
水平角观测记录表 表1
距离(平距)测量记录表表2
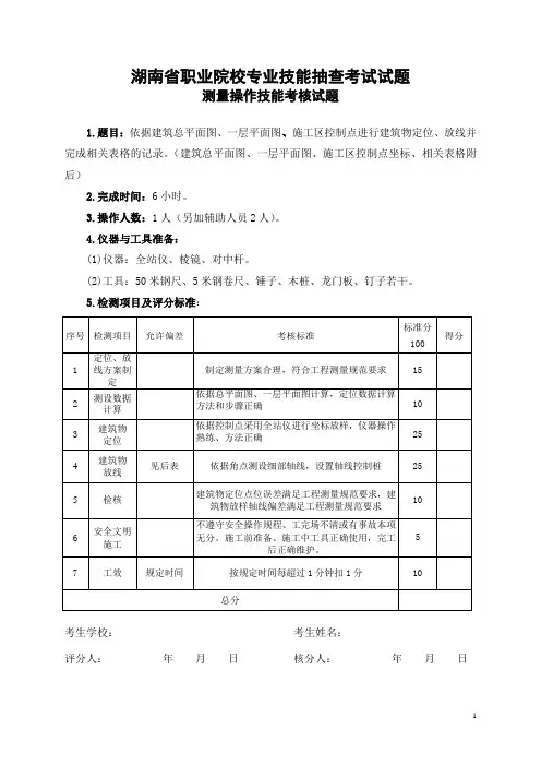
6.试题编号:1-6
全站仪建筑物轴线交点放样
(1)任务描述
已知控制点的坐标和方位角,根据图纸计算出建筑物轴线点的坐标,放样建筑物的轴线点,并检核放样精度。
(2)实施条件
(3)考核时量
3小时
(4)操作人数
3人
(5)评价标准
评分总表
控制点A 和建筑物轴线点1、2的坐标以及AB 边的方位角已知。
如图2所示,要求:
1、根据图纸,计算出3、4点坐标;
2、A 点设站、B 点定向,用全站仪精测法测设出1、2、
3、4各点; 3、用钢尺检核12、23、3
4、41边以及对角线13和24的水平距离。
图2 全站仪建筑物轴线交点放样示意图(图中单位:米)
已知数据:
A 点的坐标:X A =____________m ,Y A =____________m A
B 边的方位角:αAB =____________
1点的坐标:X 1 =____________m ,Y 1 =____________m
2点的坐标:X 2 =____________m,
Y 2 =____________m
要求:1、观测要求:①正确安置仪器,放样前读记温度、气压并输入仪器进行距离改正。
②盘左一个盘位放样点位。
2、取位规定:①温度计读数0.2°C ,气压计读数取至1hPb 或1mmHg ;②角度取至“秒”;③距离取至mm ;④坐标取至mm 。
坐标计算表 表4
水平距离检核表 表5
7.试题编号:1-7
全站仪数字测图
(1)任务描述
标准篮球场,全站仪,三脚架,棱镜,对中杆,计算机,测图软件CASS,白纸,绘图板
(3)考核时量
4小时
(4)操作人数
3人
(5)评价标准
评分总表
控制点数据现场提供:
测站点的坐标:X A =____________m
Y A =____________m
H A =____________m
后视点的坐标:X B =____________m
要求:
1、工作内容:①仪器安置;②创建文件;③建站;④测量碎部点坐标;⑤下传碎部点坐标;⑥格式转换;⑦展绘碎部点
2、观测要求:正确安置仪器,测量前读记温度、气压并输入仪器进行距离改正,并输入正确的仪器高和棱镜高。
3、限差要求:对中误差≤3mm,水准管气泡偏差﹤1格;
4、正确、规范地使用仪器;
5、记录及草图绘制应清晰;
6、考生应3人组成测量小组完成。
8.试题编号:1-8
断面图绘制
(1)任务描述
根据实测地形图绘制断面图。
(2)实施条件
(3)考核时量
1小时
(4)操作人数
1人
(5)评价标准
评分总表
如图所示地形,试沿MN 方向绘制断面图(以高程为纵轴,距离为横轴)。
9.试题编号:1-9
渠道纵断面测量数据计算和断面图绘制
(1) 任务描述
根据渠道测量中平数据计算各桩号的高程并绘制渠道纵断面图。
(2)实施条件
(3)考核时量 小时
(4)操作人数
1人
(5)评价标准
水平距离
10 75 80 50 20
60
90
130 140 155 160
高程
评分总表
题目9
某段渠道0+000桩的设计高程为,渠坡降为1‰请根据中平测量记录的数据,计算视线高及测点高程。
外业测量结果进行记录并检核(△h允=±10n);然后求出各待测点高程,绘制断面图。
断面图的绘制:
里程桩号
地面高程
设计坡度(‰)
渠底设计高程
填方高度
挖方深度
10.试题编号:1-10
渠道测量
(1)任务描述
根据渠道设计计算出放样数据,并在实地测设中桩。
(2)实施条件
测量实训场、全站仪、三脚架、棱镜、对中杆、计算器、钢卷尺、木桩若干、钉子若干、油漆笔
(3)考核时量
3小时
(4)操作人数
3人
(5)评价标准
评分总表
11.试题编号:1-11 GPS-RTK测图
(1)任务描述
(3)考核时量
3小时
(4)操作人数
2人
(5)评价标准
评分总表
控制点数据现场提供:
测站点的坐标:X A =____________m
Y A =____________m
H A =____________m
X B =____________m
Y B =____________m
H B =____________m
要求:
1、工作内容:①GPS仪器设置;②测量碎部点坐标;③下传碎部点坐标;
④格式转换;⑤展绘碎部点
2、正确、规范地使用GPS仪器;
3、记录及草图绘制应清晰;
4、考生应3人组成测量小组完成。
12.试题编号:1-12
GPS-RTK放样点
(1)任务描述
根据控制点A、B,采用GPS仪器放样水工建筑物轴线点。
(3)考核时量
1小时
(4)操作人数
2人
(5)评价标准
评分总表
题目12
根据控制点A、B,采用GPS仪器实地放样水工建筑物轴线点1、2、3、4点。
控制点的坐标:X A =____________m
Y A =____________m
X B =____________m
Y B =____________m
放样点的坐标:1(X、Y),2(X、Y),3(X、Y),4(X、Y),5(X、Y)
要求:
1、工作内容:①GPS仪器设置;②测量碎部点放样
2、正确、规范地使用GPS仪器;。