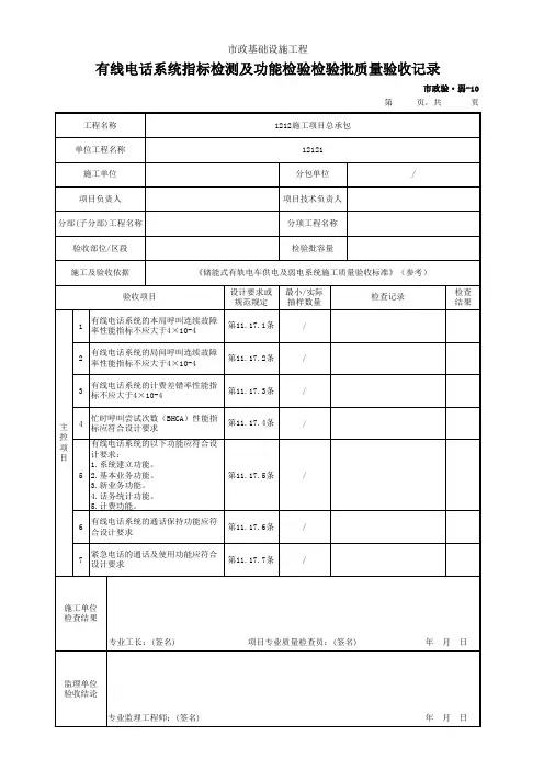
有线电话系统指标检测及功能检验检验批质量验收记录
- 格式:xls
- 大小:25.00 KB
- 文档页数:1
用户电话交换系统设备安装检验批质量验收记录2、验收依据说明【规范名称及编号】《智能建筑工程施工规范》GB50606-2010【条文摘录】摘录一:3.5.1 材料、器具、设备进场质量检测应符合下列规定:1 需要进行质量检查的产品应包括智能建筑工程各子系统中使用的材料、硬件设备、软件产品和工程中应用的各种系统接口;列入中华人民共和国实施强制性产品认证的产品目录或实施生产许可证和上网许可证管理的产品应进行产品质量检查,未列入的产品也应按规定程序通过产品质量检测后方可使用;2 材料及主要设备的检测应符合下列规定:1)按照合同文件和工程设计文件进行的进场验收,应有书面记录和参加人签字,并应经监理工程师或建设单位验收人员确认;2)应对材料、设备的外观、规格、型号、数量及产地等进行检查复核;3)主要设备、材料应有生产厂家的质量合格证明文件及性能的检测报告。
3 设备及材料的质量检查应包括安全性、可靠性及电磁兼容性等项目,并应由生产厂家出具相应检测报告。
摘录二:10.2.1 电话交换系统和通信接入系统设备安装应符合下列规定:1 电话交换设备安装前,应对机房的环境条件进行检查,机房的环境条件应满足行业标准《固定电话交换设备安装工程设计规范》YD/ T 5076-2005中第14章中的相关规定;2 应按工程设计平面图安装交换机机柜,上下两端垂直偏差不应大于3 mm;3交换机机柜内部接插件与机架应连接牢固;4 机柜应排列成直线,每5m误差不应大于5 mm;5 机柜安装应位置正确、柜列安装整齐、相邻机柜紧密靠拢,柜面衔接处无明显高低不平;6 总配线架安装位置应符合设计要求;7 各种配线架各直列上下两端垂直偏差不应大于3 mm,底座水平误差每米不大于2 mm;8 各种文字和符号标志应正确、清晰、齐全;9 终端设备应配备完整、安装就位、标志齐全、正确;10 机架、配线架应按施工图的抗震要求进行加固;11 直流电源线连同所接的列内电源线,应测试正负线间和负线对地间的绝缘电阻,绝缘电阻均不得小于1MΩ;12 交换系统使用的交流电源线芯线间和芯线对地的绝缘电阻均不得小于1 MΩ;13 交换系统用的交流电源线应有保护接地线;14 交换机设备通电前,应对下列内容进行检查:1) 各种电路板数量、规格、接线及机架的安装位置应与施工图设计文件相符且标识齐全正确;2) 各机架所有的熔断器规格应符合要求,检查各功能单元电源开关应处于关闭状态;3) 设备的各种选择开关应置于初始位置;4) 设备的供电电源线,接地线规格应符合设计要求,并端接应正确、牢固。
消防专用电话系统调试、检测、验收记录XXX Debugging。
Testing。
and Acceptance RecordProject Number:n Unit Project Manager:Debugging Unit:n Project Name:n Unit:Debugging □ Testing □ AcceptanceSupervising XXX and Number:XXX Fire Alarm System" GB ."XXX" GB ."n XXX for Building Electrical Engineering" GB ."Firefighting Linkage Control System" GBN1N2NumberNumber of TestsNumber of TestsXXXNumber of AcceptancesNumber of Acceptancesn UnitDebugging RecordN2XXX with the ns of Table 5.0.2 of GB -2019 n UnitXXXTesting and Acceptancen and Model of the Structural XXX Number of XXXNumber of Telephone Jack n Parts AddressCodeTotal Number of Parts N1Total Number of Parts N2Sub-item (Debugging。
Testing。
Acceptance Content)Project ClauseDebugging。
Testing。
XXXⅠ XXX Debugging。
Testing。
and AcceptanceComponent Type: XXXXXX Debugging。