最新土地整理项目过程全套表格
- 格式:doc
- 大小:433.00 KB
- 文档页数:37
土地整治项目施工过程检查记录表重庆市农村土地整治中心二〇一三年九月施工单位施工资料目录一、前期资料1、招标文件2、投标文件3、中标通知书4、施工合同5、施工单位资质(营业执照、安全生产许可证、税务登记证、组织机构代码、建筑企业资质证书等)6、项目部组建资料(1)项目部组成人员任命文件(需与投标书一致)(2)项目部组成人员执业资格证、身份证复印件(3)项目部岗位职责(4)施工项目部公章启用函7、开工报审资料(1)开工报告(2)工程开/复工报审表及附件(3)施工组织设计(方案)报审表(专项施工方案报审表)及附件(4)施工进度计划报审表及附件(5)工程定位放线测量报审表及附件(6)材料/构配件/设备进场报验表及附件8、项目开工令二、施工过程资料(一)土地平整工程1、单位工程、分部工程质量评定表2、土方开挖(1)工程质量报验表(2)基础坑(槽)验收记录(3)工程检验批质量验收记录(4)土方开挖工程质量评定表(5)土方回填工程质量评定表3、砌体工程(条石坎、块石坎)(1)工程质量报验表(2)基础坑(槽)验收记录(3)工程隐藏检查记录(4)工程检验批质量验收记录(5)砌体工程质量评定表(包括每一工序的工程质量评定)4、砼压顶(1)工程质量报验表(2)工程检验批质量验收记录(包括:模板安装工程检验批质量验收记录、混凝土浇灌许可证、砼搅拌浇灌记录、模板拆除工程检验批质量验收记录表、混凝土原材料及配合比设计检验批质量验收记录表(Ⅰ)、混凝土施工检验批质量验收记录表(Ⅱ)、混凝土外观质量检验批质量验收记录表(Ⅰ)、混凝土外观质量检验批质量验收记录表(Ⅱ)等)(3)砼压顶工程质量评定表5、坡改梯土方(土坎)(1)工程质量报验表(2)工程隐藏检查记录(3)工程检验批质量验收记录(4)坡改梯土方工程质量评定表(包括每一工序的工程质量评定)6、坡改梯土地翻耕(1)工程质量报验表(2)工程检验批质量验收记录(3)工程质量评定表7、新修条田田埂(1)工程质量报验表(包括:新修条田田埂工程、新修条田田埂基槽开挖工程、人工筑埂工程、M7.5浆砌条石工程、M7.5砂浆勾缝、土方回填工程、C20砼压顶工程等)(2)新修条田田埂工程计量报验单(3)工程检验批质量验收记录A、汇总工程量质量验收记录B、各工序质量验收记录(包括:石砌体工程检验批质量验收记录表(一)、石砌体工程检验批质量验收记录表(二)、土方回填工程检验批质量验收记录表、模板安装工程检验批质量验收记录、混凝土浇灌许可证、砼搅拌浇灌记录、模板拆除工程检验批质量验收记录表、混凝土原材料及配合比设计检验批质量验收记录表(Ⅰ)、混凝土施工检验批质量验收记录表(Ⅱ)、混凝土外观质量检验批质量验收记录表(Ⅰ)、混凝土外观质量检验批质量验收记录表(Ⅱ)等)(4)工程隐藏检查记录(5)工程质量评定表(包括每一工序的工程质量评定)(二)农田水利工程1、单位工程、分部工程质量评定表2、新修蓄水池工程(材质为:条石、块石、砖、砼)(1)新修蓄水池工程质量报验表(包括:新建蓄水池工程、新建蓄水池基础的人工挖基坑及基坑土石方工程、新建蓄水池基础的池底土方夯实工程、新建蓄水池池底的砼底板工程、新建蓄水池的M7.5砂浆砌砖池壁及1:2.5砂浆抹面工程、新建蓄水池梯步基础的C20砼浇筑工程、新建蓄水池的M7.5水泥砂浆砌砖梯步及1:2.5砂浆抹面工程、新建蓄水池的M7.5水泥砂浆砌砖护栏工程、新建蓄水池的人工回填土方工程、新建蓄水池压顶路面的砼底板工程等)(2)新修蓄水池工程计量报验单(3)施工测量报验表(4)新修蓄水池工程质量验收记录A、汇总工程量质量验收记录B、各工序质量验收记录(包括:砌体工程检验批质量验收记录表、土方回填工程检验批质量验收记录表、模板安装工程检验批质量验收记录、混凝土浇灌许可证、砼搅拌浇灌记录、模板拆除工程检验批质量验收记录表、混凝土原材料及配合比设计检验批质量验收记录表(Ⅰ)、混凝土施工检验批质量验收记录表(Ⅱ)、混凝土外观质量检验批质量验收记录表(Ⅰ)、混凝土外观质量检验批质量验收记录表(Ⅱ)、一般抹灰工程检验批质量验收记录表等)(5)基础坑(槽)验收记录(6)工程隐藏检查记录(7)蓄水池试水记录(8)工程质量评定表(包括每一工序的工程质量评定)3、整治山坪塘(包括溢洪道)工程(材质为:条石、块石、砖、砼)(1)整治山坪塘工程质量报验表(包括:整治山坪塘工程、整治山坪塘塘底部位的土方开挖工程、整治山坪塘部位的塘底清淤工程、整治山坪塘坝体部位的表土剥离工程、整治山坪塘塘底砌体M7.5浆砌条石工程、整治山坪塘塘底部位的砼基础梁浇注工程、整治山坪塘部位的砼顶梁浇注工程、整治山坪塘部位的坝体砼路面工程、整治山坪塘塘壁砌体M7.5浆砌条石工程、整治山坪塘塘面压顶砌体M7.5浆砌条石工程、整治山坪塘部位的土方回填夯实工程等)(2)整治山坪塘工程计量报验单(3)施工测量报验表(4)整治山坪塘工程质量验收记录A、汇总工程量质量验收记录B、各工序质量验收记录(包括:砌体工程检验批质量验收记录表、土方回填工程检验批质量验收记录表、模板安装工程检验批质量验收记录、混凝土浇灌许可证、砼搅拌浇灌记录、模板拆除工程检验批质量验收记录表、混凝土原材料及配合比设计检验批质量验收记录表(Ⅰ)、混凝土施工检验批质量验收记录表(Ⅱ)、混凝土外观质量检验批质量验收记录表(Ⅰ)、混凝土外观质量检验批质量验收记录表(Ⅱ)、一般抹灰工程检验批质量验收记录表等)(5)基础坑(槽)验收记录(6)工程隐藏检查记录(7)工程质量评定表(包括每一工序的工程质量评定)4、新建排水沟(包括斗沟、灌溉渠等)工程(材质为:条石、块石、砖、砼)(1)新建排水沟工程质量报验表(包括:新建排水沟工程、新建排水沟沟槽的基础石方开挖工程、新建排水沟沟槽的基础土方开挖工程、新建排水沟沟底垫层的人工清淤工程、新建排水沟沟底的素土回填夯实工程、新建排水沟砌体的×××工程、新建排水沟沟底基础的×底板工程、新建排水沟的土方回填夯实工程等)(2)新建排水沟工程计量报验单(3)施工测量报验表(4)新建排水沟工程质量验收记录A、汇总工程量质量验收记录B、各工序质量验收记录(包括:砌体工程检验批质量验收记录表、土方回填工程检验批质量验收记录表、模板安装工程检验批质量验收记录、混凝土浇灌许可证、砼搅拌浇灌记录、模板拆除工程检验批质量验收记录表、混凝土原材料及配合比设计检验批质量验收记录表(Ⅰ)、混凝土施工检验批质量验收记录表(Ⅱ)、混凝土外观质量检验批质量验收记录表(Ⅰ)、混凝土外观质量检验批质量验收记录表(Ⅱ)、一般抹灰工程检验批质量验收记录表等)(5)基础坑(槽)验收记录(6)工程隐藏检查记录(7)工程质量评定表(包括每一工序的工程质量评定)5、新修沉沙池工程(材质为:条石、块石、砖、砼)(1)新修沉沙池工程质量报验表(包括:新建沉沙池工程、沉沙池基槽部位的土方开挖工程、沉沙池基槽部位的石方开挖工程、沉沙池池底部位的砼底板工程、沉沙池砌体部位的M7.5浆砌砖及M10砂浆抹面工程、沉沙池砌体部位的砼工程、沉沙池部位的土方回填工程等)(2)新修沉沙池工程计量报验单(3)施工测量报验表(4)新修沉沙池工程质量验收记录A、汇总工程量质量验收记录B、各工序质量验收记录(包括:砌体工程检验批质量验收记录表、土方回填工程检验批质量验收记录表、模板安装工程检验批质量验收记录、混凝土浇灌许可证、砼搅拌浇灌记录、模板拆除工程检验批质量验收记录表、混凝土原材料及配合比设计检验批质量验收记录表(Ⅰ)、混凝土施工检验批质量验收记录表(Ⅱ)、混凝土外观质量检验批质量验收记录表(Ⅰ)、混凝土外观质量检验批质量验收记录表(Ⅱ)、一般抹灰工程检验批质量验收记录表等)(5)基础坑(槽)验收记录(6)工程隐藏检查记录(7)工程质量评定表(包括每一工序的工程质量评定)6、新修涵洞工程(材质为:条石、块石、砖、砼)(1)新修涵洞工程质量报验表(包括:新建涵洞工程、新建涵洞基槽部位的土方开挖工程、沉沙池池底部位的砼底板工程、新建涵洞基础部位的砼工程、新建涵洞部位的土方回填工程等)(2)新修涵洞工程计量报验单(3)施工测量报验表(4)新修涵洞工程质量验收记录A、汇总工程量质量验收记录B、各工序质量验收记录(包括:土方回填工程检验批质量验收记录表、混凝土浇灌许可证、砼搅拌浇灌记录、混凝土原材料及配合比设计检验批质量验收记录表(Ⅰ)、混凝土施工检验批质量验收记录表(Ⅱ)、混凝土外观质量检验批质量验收记录表(Ⅰ)、混凝土外观质量检验批质量验收记录表(Ⅱ)等)(5)基础坑(槽)验收记录(6)工程隐藏检查记录(7)工程质量评定表(包括每一工序的工程质量评定)7、新修囤水田工程(材质为:条石、块石、砖、砼)(1)新修囤水田工程质量报验表(包括:新修囤水田工程、新修囤水田部位的基础土方开挖工程、新修囤水田部位的人工筑埂工程、新修囤水田基础部位的砼浇筑工程、新修囤水田砌体部位的M7.5浆砌砖(条石、块石)及1:2.5水泥砂浆抹面工程、新修囤水田砌体部位的砼工程、新修囤水田部位的田埂C20砼路面工程、新修囤水田部位的土方回填夯筑工程等)(2)新修囤水田工程计量报验单(3)施工测量报验表(4)新修囤水田工程质量验收记录A、汇总工程量质量验收记录B、各工序质量验收记录(包括:砌体工程检验批质量验收记录表、土方回填工程检验批质量验收记录表、模板安装工程检验批质量验收记录、混凝土浇灌许可证、砼搅拌浇灌记录、模板拆除工程检验批质量验收记录表、混凝土原材料及配合比设计检验批质量验收记录表(Ⅰ)、混凝土施工检验批质量验收记录表Ⅱ)、混凝土外观质量检验批质量验收记录表(Ⅰ)、混凝土外观质量检验批质量验收记录表(Ⅱ)、一般抹灰工程检验批质量验收记录表等)(5)基础坑(槽)验收记录(6)工程隐藏检查记录(7)工程质量评定表(包括每一工序的工程质量评定)8、分水池工程:工程资料与新修沉沙池工程基本一致。
第一章工程资料的分类A类表(监理规范上要求的施工单位用表)1、工程开工/复工报审表2、施工组织设计(方案)报审表3、分包单位报审表4、施工测量报审表5、施工进度计划报审表6、材料/构配件/设备进场报审表7、工程质量报验表8、工程计量报验单9、计日工工程量签证单10、用工、料、机动态表11、工程款支付申请表12、工程延期报审表13、监理通知回复单14、竣工移交证书C类表(各方通用表)1、工作联系单2、工程变更单E类表(竣工验收类汇总表)1、单位(标段)工程质量竣工验收记录2、单位(标段)工程质量保证资料核查记录3、土地开发整理工程观感质量检查记录4、分项工程质量验收记录5、分部工程验收记录F类表(记录类表)1、图纸会审记录2、设计交底记录3、设计变更、洽商记录G类表(施工记录类表)1、施工测量放线记录表2、技术交底记录3、地基验槽记录4、地基处理记录5、隐蔽工程检查表6、砼施工记录7、砼强度验收记录8、施工实验记录(通用)9、管道通水实验记录10、防水工程试水检查记录H类表(施工单位质量验收检验评定记录表)1、土地开发整理工程土地平整单元工程质量评定表(表Ⅰ)2、土地开发整理工程土地平整单元工程质量评定表(表Ⅱ)3、土地开发整理工程土方开挖单元工程质量评定表4、土地开发整理工程土方回填单元工程质量评定表5、土地开发整理工程浆砌石、挡土墙单元工程质量评定表6、土地开发整理工程原土开挖沟渠单元工程质量评定表7、土地开发整理工程砖砌体(渠)单元工程质量评定表8、土地开发整理工程农田水利砼模板单元工程质量评定表9、土地开发整理工程砼钢筋单元工程质量评定表10、土地开发整理工程砼浇筑单元工程质量评定表11、土地开发整理工程预制U型槽安装单元工程质量评定表12土地开发整理工程砼预制板(构件)制作单元工程质量评定表13、土地开发整理工程砼预制面板铺设单元工程质量评定表14、土地开发整理工程管涵安装单元工程质量评定表15、土地开发整理工程砼伸缩缝及止水单元工程质量评定表16、土地开发整理工程扩堰增容单元工程质量评定表17、土地开发整理工程倒虹吸进、出口段单元工程质量评定表18、土地开发整理工程管道段施工单元工程质量评定表19、土地开发整理工程田间道路路面铺设单元工程质量评定表20、土地开发整理工程生态防护、水土保持单元工程质量评定表21、土地开发整理工程生态板、生态孔单元工程质量评定表22、土地开发整理工程(建筑物)石砌体单元工程质量评定表23、土地开发整理工程(建筑物)砖砌体单元工程质量评定表24、土地开发整理工程建筑物模板安装单元工程质量评定表25、土地开发整理工程建筑物模板拆除单元工程质量评定表26、土地开发整理工程建筑物钢筋加工单元工程质量评定表27、土地开发整理工程建筑物钢筋安装单元工程质量评定表28、土地开发整理工程建筑物砼施工单元工程质量评定表29土地开发整理工程基土垫层单元工程质量评定表30、土地开发整理工程砂垫层和砂石垫层单元工程质量评定表31、土地开发整理工程砼垫层单元工程质量评定表32、土地开发整理工程砼面层单元工程质量评定表33、土地开发整理工程一般抹灰单元工程质量评定表34、土地开发整理工程装饰抹灰单元工程质量评定表35、土地开发整理工程金属门窗(钢门窗)单元工程质量评定表36、土地开发整理工程金属门窗(铝合金门窗)单元工程质量评定表37、土地开发整理工程屋面找平层单元工程质量评定表38、土地开发整理工程卷材防水层单元工程质量评定表39、土地开发整理工程泵房模板工程单元工程质量评定表40、土地开发整理工程泵房钢筋工程单元工程质量评定表41、土地开发整理工程泵房砼浇筑工程单元工程质量评定表42、土地开发整理工程移动式泵房单元工程质量评定表43、土地开发整理工程泵房砼输水管单元工程质量评定表(表Ⅰ)44、土地开发整理工程泵房金属输水管单元工程质量评定表(表Ⅰ)45、土地开发整理工程进、出水池单元工程质量评定表46、土地开发整理工程架空线路及杆上电气设备安装单元工程质量评定表47、土地开发整理工程变压器、箱式变电所安装单元工程质量评定表48、土地开发整理工程成套配电箱、控制柜和动力、照明配电箱(盘)安装单元工程质量评定表49、土地开发整理工程低压电动机及电动执行机构检查接线单元工程质量评定表50、土地开发整理工程低压电气动力设备实验和试运行单元工程质量评定表第二章土地开发整理工程统一用表A类表(承包单位用表)A1 工程开工/复工报审表A2 施工组织设计(方案)报审表A3 分包单位报审表A4 施工测量报验表A5 施工进度计划报审表A6 材料/构配件/设备进场报验表A7 工程质量报验表A8 工程计量报验单A9计日工工程量签证单A10 月工、料、机动态表A11 工程款支付申请表A12 工程延期报审表A13 监理通知回复单A14 竣工移交证书A1工程开工/复工报审表单位各存一份A2单位各存一份A3单位各存一份A4单位各存一份A5承包单位各存一份2、总进度计划必须由总监签字。
A类表(承包单位用表)A1 工程开工/复工报审表A2 施工组织设计(方案)报审表A3 分包单位报审表A4 施工测量报验表A5 施工进度计划报审表A6 材料/构配件/设备进场报验表A7 工程质量报验表A8 工程计量报验单A9计日工工程量签证单A10 月工、料、机动态表A11 工程款支付申请表A12 工程延期报审表A13 监理通知回复单A14 竣工移交证书施工测量报验表编号:存一份A5工程材料/构配件/设备报审表A14竣工移交证书现场组织机构及主要人员报审表E类表(竣工验收类汇总表)1、单位(标段)工程质量竣工验收记录2、单位(标段)工程质量保证资料核查记录3、土地开发整理项目观感质量检查记录4、分项工程质量验收记录5、分部工程验收记录E1单位(标段)工程质量竣工验收记录单位(标段)工程质量保证资料核查记录E4分项工程质量验收记录编号:E5分部工程验收记录编号:F类表(记录类表)1、图纸会审记录2、设计交底记录3、设计变更、洽商记录F1图纸会审记录F2土地开发整理项目设计交底记录F3G类表(施工记录类表)1、施工测量放线记录表2、技术交底记录3、地基验槽记录4、地基处理记录5、隐蔽工程检查表6、砼施工记录7、砼强度验收记录8、施工试验记录(通用)9、管道通水试验记录10、防水工程试水检查记录11、防水工程试水检查记录G5隐蔽工程检查记录表编号:本表由施工单位墙报,城建档案馆、建设单位、施工单位各保存一份.G7H类表(施工单位质量验收检验评定记录表)1、土地开发整理项目土地平整单元工程质量评定表(表Ⅰ)2、土地开发整理项目土地平整单元工程质量评定表(表Ⅱ)3、土地开发整理项目土方开挖单元工程质量评定表4、土地开发整理项目土方回填单元工程质量评定表5、土地开发整理项目浆砌石、挡土墙单元工程质量评定表6、土地开发整理项目原土开挖沟渠单元工程质量评定表7、土地开发整理项目砖砌体(渠)单元工程质量评定表8、土地开发整理项目农田水利砼模板单元工程质量评定表9、土地开发整理项目砼钢筋单元工程质量评定表10、土地开发整理项目砼浇筑单元工程质量评定表11、土地开发整理项目预制U型槽安装单元工程质量评定表12、土地开发整理项目砼预制板(构件)制作单元工程质量评定表13、土地开发整理项目砼预制面板铺设单元工程质量评定表14、土地开发整理项目管涵安装单元工程质量评定表15、土地开发整理项目砼伸缩缝及止水单元工程质量评定表16、土地开发整理项目扩堰增容单元工程质量评定表17、土地开发整理项目倒虹吸进、出口段单元工程质量评定表18、土地开发整理项目管道段施工单元工程质量评定表19、土地开发整理项目田间道路路面铺设单元工程质量评定表20、土地开发整理项目生态防护、水土保持单元工程质量评定表21、土地开发整理项目生态板、生态孔单元工程质量评定表22、土地开发整理项目(建筑物)石砌体单元工程质量评定表23、土地开发整理项目(建筑物)砖砌体单元工程质量评定表24、土地开发整理项目建筑物模板安装单元工程质量评定表25、土地开发整理项目建筑物模板拆除单元工程质量评定表26、土地开发整理项目建筑物钢筋加工单元工程质量评定表27、土地开发整理项目建筑物钢筋安装单元工程质量评定表28、土地开发整理项目建筑物砼施工单元工程质量评定表29土地开发整理项目基土垫层单元工程质量评定表30、土地开发整理项目砂垫层和砂石垫层单元工程质量评定表31、土地开发整理项目砼垫层单元工程质量评定表32、土地开发整理项目砼面层单元工程质量评定表33、土地开发整理项目一般抹灰单元工程质量评定表34、土地开发整理项目装饰抹灰单元工程质量评定表35、土地开发整理项目金属门窗(钢门窗)单元工程质量评定表36、土地开发整理项目金属门窗(铝合金门窗)单元工程质量评定表37、土地开发整理项目屋面找平层单元工程质量评定表38、土地开发整理项目卷材防水层单元工程质量评定表39、土地开发整理项目泵房模板工程单元工程质量评定表40、土地开发整理项目泵房钢筋工程单元工程质量评定表41、土地开发整理项目泵房砼浇筑工程单元工程质量评定表42、土地开发整理项目移动式泵房单元工程质量评定表43、土地开发整理项目泵房砼输水管单元工程质量评定表(表Ⅰ)44、土地开发整理项目泵房金属输水管单元工程质量评定表(表Ⅱ)45、土地开发整理项目进、出水池单元工程质量评定表46、土地开发整理项目架空线路及杆上电气设备安装单元工程质量评定表47、土地开发整理项目变压器、箱式变电所安装单元工程质量评定表48、土地开发整理项目成套配电箱、控制柜和动力、照明配电箱(盘)安装单元工程质量评定表49、土地开发整理项目低压电动机及电动执行机构检查接线单元工程质量评定表土地开发整理项目土地平整单元工程质量检验评定表项目名称: 工程位置:施工单位:土地开发整理项目土地平整单元工程填表说明(表Ⅱ)1、田块熟化土层保持厚度是经过一场透墒雨后,实地用钢尺量测,100m2~500m2测3至5个点.2、田块平整度,经过一场透墒雨后,用水准仪量测,每块田地抽验5至10个点.3、格田划分形状,按照设计要求划分.4、对直线的田埂坎,可以拉线用钢尺量测,20m~50m测量不少于一次.5、密实度,田埂坎的密实度,可采用5千克的灌入仪,在晴朗天气5日以上,10日以下量测,累计灌入10次,灌入深度20㎝为合格,30m以内量测不少于一次.6、复犁幅度现场观察或用钢尺量测.7、复犁深度的量测方法同第1条的规定.土地开发整理项目土方开挖单元工程质量验收记录表土地开发整理项目土方开挖单元工程填表说明土方开挖是一个综合性项目,使用那一项时,在那一项打“√”.或在表名土方开挖前加上×××土方开挖更清楚.主控项目:1、标高.是指挖后的基底标高,用水准仪测量,.检查测量记录.2、长度、宽度.是指基底的宽度、长度.用经纬仪、拉线尺量检查等,检查测量记录.3、边坡.符合设计要求.拉6.2.3条观察检查或用坡度尺检查.只能坡不能徒.一般项目:1、面平整度.主要是指基底,用2米靠尺和楔开塞尺检查.2、基底土性.符合设计要求.观察检查或土样分析,通常请勘察、设计单位来验槽,形成验槽记录.土方开挖前检查定位放线、排水和降低地下水位系统,合理安排土方运输车的行走路线及弃土场. 施工过程中检查平面位置、水平标高、边坡坡度、压实度、排水、降低地下水位系统,并随时观察周围的环境变化.施工完成后,进行验槽.形成施工记录及检验报告,检查施工记录及验槽报告.土地开发整理项目土方回填单元工程质量验收记录表土地开发整理项目土方回填单元工程填表说明土方回填是一个综合性项目,使用那一项时,在那一项打“√”注明.或在表名土方回填前加上×××土方回填,更清楚.主控项目:1、标高.是指回填后的表面标高,用水准仪测量.检查测量记录.2、分层压实系数.符合设计要求.按规定方法取样,试验测量,不满足要求时随时进行返工处理,直到达到要求.检查测试记录.一般项目:1、回填土料.符合设计要求.取样检查或直观鉴别.做出记录,检查试验报告.2、分层厚度及含水量.符合设计要求.用水准仪检查分层厚度.取样检测含水量.检查施工记录和试验报告.3、表面平整度.用水准仪或靠尺检查.控制在允许偏差范围内.土方回填前清除基底的垃圾、树根等杂物,去除积水、淤泥,验收基底标高.如在松土上填方,在基底压实后再进行.填方土料按设计要求验收.填方施工中检查排水措施,每层填筑厚度、含水量控制、压实程度.填筑厚度及压实遍数应根据土质,压实系数及所用机具确定.土地开发整理项目浆砌石、挡土墙单元工程质量检验报告单1、砂浆的强度在施工时严格按配合比配制砂浆,并在监理或建设单位监督下,见证抽取砂浆试块,在试块未出来之前,先将试块编号填写,出来后核对.2、砌筑应分层砌筑,二相邻工作段的砌筑差不宜超过1.2m.3、顶面高程,指砌筑完毕后,实测的高程,用水准仪量测.4、断面尺寸,用钢尺量测.5、底面高程,用水准仪量测.6、表面平整度,用2m靠尺配合塞尺量测.7、墙面直顺度或坡度拉线用钢尺量测.8、纵坡度用水准仪量测.土地开发整理项目原土开挖沟、渠单元工程质量检验评定记录表土地开发整理项目原土沟渠开挖单元工程填表说明1、水渠的开口宽度从渠道中心线向二边用钢尺量测.2、水渠的底部宽度从渠道中心线向二边用钢尺量测.3、水渠的深度用钢尺、水准仪量测.4、水渠的底部及边坡应夯实,密实度不小于设计的规定,也可采用5千克灌入仪量测.5、水渠的排水坡度用水准仪量测.6、水渠的边坡度用钢尺、经纬仪量测.土地开发整理项目砖砌体(渠)单元工程质量检验评定记录表土地开发整理项目砖砌体(渠)单元工程填表说明1、砖及砂浆强度等级,按设计要求检查和验收;砖应有进场验收报告,批量及强度满足设计要求为合格.砂浆有配合比报告,计量配制,按规定留试块,在试块强度未出来之前,先将试块编号填写,出来后核对,并在分项工程中,按进行批强度评定,符合要求为合格.2、水平灰缝砂浆饱满度不小于80%.用百格网检查每检验批不少于5处,每处3块砖,砖底面砂浆痕迹的面积,取平均值.不小于80%为合格.3、组砌方法,上下错缝,不得通缝.注:上下二皮砖搭接长度小于25mm的为通缝.4、水平灰缝厚度10mm,量10皮砖砌体高度拆算,按皮数杆10皮砖的调试计算.10皮砖在-8,12范围内为合格.5、沟渠的底宽从中心线向二边用钢尺量测.6、沟渠开口宽度从中心线向二边用钢尺量测.7、沟渠深度用钢尺或水准仪量测.8、排水坡度用水准仪量测.土地开发整理项目农田水利混凝土模板单元工程质量评定表编号:土地开发整理项目农田水利砼模板单元工程填表说明1、模板应具有足够的强度、刚度和稳定性能,在浇筑砼前,应对模板进行验收.2、模板表面应光洁,若需二次粉刷的按要求处理,模板表面应提前刷隔离剂,模板内无污物,接缝应严密,不得漏浆.3、模板的实测实量项目可用钢尺、直尺、2m靠尺、塞尺拉线量测.土地开发整理项目农田水利混凝土钢筋单元工程质量评定表编号:土地开发整理项目农田水利砼钢筋单元工程填表说明1、实际查看钢筋的数量、规格是否和设计图纸相符合,安装的位置是否正确,钢材使用前应进行复测并应出具出厂合格证.2、焊缝的表面和焊缝中不得有夹渣、裂缝等现象,钢材焊接前焊工应有上岗证,并对钢材进行试焊,试焊的结果,应在监理或建设单位的监督下抽取试样,经有资质的检测单位检测合格后,方允许对钢材进行焊接.3、对新焊接的钢筋进行全数或抽样检查,应无脱焊点和漏焊点.4、对钢材实测实量的项目,应用钢尺、拉线等方法实际量测.土地开发整理项目农田水利混凝土浇筑单元工程质量评定表编号:土地开发整理项目农田水利砼浇筑单元工程填表说明1、浇筑砼时,对新旧砼间(施工缝)应进行处理,首先应凿掉松动的石子,用清水冲净原现浇砼面,刷素水泥浆一道,浇筑一层水泥砂浆.2、入仓砼料应按配合比要求配置,坍落度应符合设计要求,砼运输时不分层离析.3、砼平仓分层,分层厚度不大于50cm,铺设均匀,无骨料集中现象.4、砼振捣,垂直插入下层5cm,无漏振现象.5、砼的铺料间歇时间,二次间歇时间,上一次浇筑的砼尚未初凝,下一次浇筑砼即己开始,当底层砼初凝后浇筑上一层砼时,应按施工技术方案或第1条的规定对施工缝要求进行处理.观察及检查施工记录.6、浇筑砼时,无外部水流入,泌水排除及时.7、浇筑砼时,对插筋、管道应保护好,预埋位置符合设计要求.8、砼养护应在砼浇筑完毕后12小时内加以覆盖并保湿养护.砼养护的时间对硅酸盐水泥、普通硅酸盐水泥、矿渣水泥不得少于7天,对掺用缓凝型外加剂或有抗渗要求的砼,不得少于14天,日平均气温低于5℃,不得浇水,厚大体积砼,应有控温措施.砼养护浇水次数应保持砼处于湿润状态,砼养护用水和拌制用水相同.9、砼的外观应观察检查,据实填写.土地开发整理项目预制U型槽安装单元工程质量检验评定表编号:土地开发整理项目预制U型槽安装单元工程填表说明1、预制U型槽应有出厂合格证明及有资质的检测部门出具的砼强度检测报告,无上述证明材料的严禁使用.2、对U型槽外观质量要求,应观察和抽验并用钢尺量测.3、安装U型槽前,基槽必须经验收合格,检查施工记录.4、垫层的厚度和密实度应观察和以钢尺实际量测相结合.5、嵌缝的砼强度应按实验室配合比配制砼,并应在建设单位或监理单位见证下取样制作试块并检测,在试块强度未出来前,先填写试块编号,出来后核对.6、U型槽安装完毕,槽内应干净、整洁、嵌缝一致,厚度均匀,压肩上部无积土,两边1m内超过20cm的杂土应清运干净.土地开发整理项目砼预制板(构件) 制做单元工程质量检验记录表:1、浇筑砼预制构件的原材料必须符合设计及规范的要求.2、砼的抗压、抗渗标号应有检测报告并和设计规定的标号相符.3、坍落度应实测并和砼的配合比相一致.4、混凝土试块的留设,每100m3同配合比或同一台班的应至少留设一组试块.5、砼的振捣应均匀、密实,以砼表面振出浮浆无气泡为止.6、砼预制构件外形用钢尺量测应符合设计要求.7、砼的养护同农田水利中砼单元工程填表说明.土地开发整理项目砼预制面板铺设单元工程质量检查评定记录表土地开发整理项目预制板铺设单元工程填表说明1、安装预制板时,砂浆按设计要求有配比通知单,按照配比通知计量配制,砂浆的强度应制作试块,经检测后补填.2、铺浆放板,填浆勾缝,砂浆拌合后根据实际情况,如实填写.3、砂浆的沉入度根据施工条件结合工程设计调整.4、板的组砌、勾缝应按质量要求如实填写.5、养护时间一般不少于7天.土地开发整理项目管涵安装单元工程质量检验记录表编号:土地开发整理项目管涵安装单元工程填表说明1、管涵的强度应由厂家或供货单位、使用单位提供质量证明文件.2、安装管涵前,应查验垫层及基层的施工记录.3、管轴线偏位应拉线尺量.4、管底高程应由水准仪量测.5、管涵铺设长度应用钢尺量测.6、管涵的接口按设计要求处理.。
工程施工质量评定表表1.2工程法人(建立)法定代表(签名并盖章)注:①应附有表1.2~1工程施工质量检测资料核查表。
②在序栏中带有Δ符者为主要分部工程工程平面位置、高程测量总体质量检验评定表表1.2-2分部工程施工质量评定表表1.3续表1.3施工自评:质检科长:工程经理:年月日〔签名并盖公章〕建立、监理复评:质量监理工程师:总监理工程师:年月日〔签名并盖公章〕质监机构核定:工程质监负责人:年月日〔签名并盖公章〕注:①建筑物、桥梁主体工程的分部工程质量由质监工程站核定质量等级。
②对各混凝土的分部工程应附有表混凝土细骨料〔砂料〕质量检验评定表表混土粗骨料〔石子〕质量检验评定表。
表石料质量检验评定表表分部工程砼拌和物质量评定表以及有关钢筋、水泥、外加剂、水、砂、石等原材料和混凝土试件强度等的试验资料。
③对金属构造的分部工程应附金属构造防腐蚀的质量检验资料。
④闸门启闭机分部工程应附试运行检验资料。
⑤泵站机电设备安装分部工程应附泵站试运行检验资料。
水工建筑物外观质量评定表表〔2〕评定等级:测点中符合质量的点数占总测点数的百分率为100时为一级。
合格率为99~99.9时为二级。
合格率为70~.9时为三级。
合格率<70时为四级。
其下方的百分数为相应于所得分的百分数。
每项评定得分按下式计算:各项评定得分=该项分×该项得分百分率〔3〕表中第⑥项混凝土外表缺陷指混凝土外表的蜂窝、麻面、挂帘、裙边、部分凹凸及外表浅层裂缝等。
如无上述缺陷该项得分率为100缺陷面积超过总面积5者该项得分为0。
堤防工程外观质量评定表表相应项的外部观感质量进展打分〔表〕后的算术平均值。
②堤防工程外观评定时仅对实际存在的工程进展评分其分累计为应得分评定打分合计为实得分得分率为实得分占应得分百分率。
表挖泥船开挖河道土方单元工程质量评定表粘性土料碾压式填筑堤防堤基清理单元工程质量评定表基坑土方开挖工序质量评定表土地平整单元工程质量评定表注:带△符为主要工程。
第一章工程资料的分类A类表(监理规范上要求的施工单位用表)1、工程开工/复工报审表2、施工组织设计(方案)报审表3、分包单位报审表4、施工测量报审表5、施工进度计划报审表6、材料/构配件/设备进场报审表%7、工程质量报验表8、工程计量报验单9、计日工工程量签证单10、用工、料、机动态表11、工程款支付申请表12、工程延期报审表13、监理通知回复单·14、竣工移交证书C类表(各方通用表)1、工作联系单2、工程变更单E类表(竣工验收类汇总表)1、单位(标段)工程质量竣工验收记录2、单位(标段)工程质量保证资料核查记录…3、土地开发整理工程观感质量检查记录4、分项工程质量验收记录5、分部工程验收记录F类表(记录类表)1、图纸会审记录2、设计交底记录3、设计变更、洽商记录…G类表(施工记录类表)1、施工测量放线记录表2、技术交底记录3、地基验槽记录4、地基处理记录5、隐蔽工程检查表6、砼施工记录)7、砼强度验收记录8、施工实验记录(通用)9、管道通水实验记录10、防水工程试水检查记录H类表(施工单位质量验收检验评定记录表)1、土地开发整理工程土地平整单元工程质量评定表(表Ⅰ)2、土地开发整理工程土地平整单元工程质量评定表(表Ⅱ)&3、土地开发整理工程土方开挖单元工程质量评定表4、土地开发整理工程土方回填单元工程质量评定表5、土地开发整理工程浆砌石、挡土墙单元工程质量评定表6、土地开发整理工程原土开挖沟渠单元工程质量评定表7、土地开发整理工程砖砌体(渠)单元工程质量评定表8、土地开发整理工程农田水利砼模板单元工程质量评定表9、土地开发整理工程砼钢筋单元工程质量评定表^10、土地开发整理工程砼浇筑单元工程质量评定表11、土地开发整理工程预制U型槽安装单元工程质量评定表12土地开发整理工程砼预制板(构件)制作单元工程质量评定表13、土地开发整理工程砼预制面板铺设单元工程质量评定表14、土地开发整理工程管涵安装单元工程质量评定表15、土地开发整理工程砼伸缩缝及止水单元工程质量评定表16、土地开发整理工程扩堰增容单元工程质量评定表>17、土地开发整理工程倒虹吸进、出口段单元工程质量评定表18、土地开发整理工程管道段施工单元工程质量评定表19、土地开发整理工程田间道路路面铺设单元工程质量评定表20、土地开发整理工程生态防护、水土保持单元工程质量评定表21、土地开发整理工程生态板、生态孔单元工程质量评定表22、土地开发整理工程(建筑物)石砌体单元工程质量评定表23、土地开发整理工程(建筑物)砖砌体单元工程质量评定表>24、土地开发整理工程建筑物模板安装单元工程质量评定表25、土地开发整理工程建筑物模板拆除单元工程质量评定表26、土地开发整理工程建筑物钢筋加工单元工程质量评定表27、土地开发整理工程建筑物钢筋安装单元工程质量评定表28、土地开发整理工程建筑物砼施工单元工程质量评定表29土地开发整理工程基土垫层单元工程质量评定表30、土地开发整理工程砂垫层和砂石垫层单元工程质量评定表31、土地开发整理工程砼垫层单元工程质量评定表"32、土地开发整理工程砼面层单元工程质量评定表33、土地开发整理工程一般抹灰单元工程质量评定表34、土地开发整理工程装饰抹灰单元工程质量评定表35、土地开发整理工程金属门窗(钢门窗)单元工程质量评定表36、土地开发整理工程金属门窗(铝合金门窗)单元工程质量评定表37、土地开发整理工程屋面找平层单元工程质量评定表38、土地开发整理工程卷材防水层单元工程质量评定表》39、土地开发整理工程泵房模板工程单元工程质量评定表40、土地开发整理工程泵房钢筋工程单元工程质量评定表41、土地开发整理工程泵房砼浇筑工程单元工程质量评定表42、土地开发整理工程移动式泵房单元工程质量评定表43、土地开发整理工程泵房砼输水管单元工程质量评定表(表Ⅰ)44、土地开发整理工程泵房金属输水管单元工程质量评定表(表Ⅱ)45、土地开发整理工程进、出水池单元工程质量评定表…46、土地开发整理工程架空线路及杆上电气设备安装单元工程质量评定表47、土地开发整理工程变压器、箱式变电所安装单元工程质量评定表48、土地开发整理工程成套配电箱、控制柜和动力、照明配电箱(盘)安装单元工程质量评定表49、土地开发整理工程低压电动机及电动执行机构检查接线单元工程质量评定表50、土地开发整理工程低压电气动力设备实验和试运行单元工程质量评定表第二章土地开发整理工程统一用表A类表(承包单位用表)|A1 工程开工/复工报审表A2 施工组织设计(方案)报审表A3 分包单位报审表A4 施工测量报验表A5 施工进度计划报审表A6 材料/构配件/设备进场报验表A7 工程质量报验表^A8 工程计量报验单A9计日工工程量签证单A10 月工、料、机动态表A11 工程款支付申请表A12 工程延期报审表A13 监理通知回复单A14 竣工移交证书!A1工程开工/复工报审表单位各存一份:A2施工组织设计(方案)报审表编号:单位各存一份~A3编号单位各存一份A4单位各存一份A5施工进度计划报审表编号:承包单位各存一份:2、总进度计划必须由总监签字。
施工测量清单附表11:土地开发整理工程_______ 月份工程进度月报表施工单位:填报日期:编号:序号工程项目单位单价合同工程量上期审定累计量施工方申报本月完成量监理审核意见业主审定意见形象进度数量合价(元)数量合价(元)数量合价(元)数量合价(元)数量合价(元)注:本表参照工程中标的工程量清单制表。
单位工程名称单元工程量亩分部工程名称检验日期年月日单元工程名称部位评定日期年月日项次项目名称质量标准检验结果评定检查项目1 耕作层土质土地符合设计及规范要求2 基底处理基底上的坑、塘洞穴已按要求处理,填方压实3 田埂培土尺寸符合设计要求,远观顺直检测项目1 基层平整度允许偏差±3()检测点偏差合格点数合格率1 2 3 4 5 6 7 8 9 102 耕作层厚度大于203长度、宽度(田块)允许偏差土50()施工单位自评意见质量等级建设单位、监理单位复核意见核定质量等级单位名称核定人施工单位监理单位建设单位附表13-1 : 土地平整单元工程质量评定表编号:附表13-2 : 农沟、渠工程质量检查评定表编号:单位工程名称单元工程量亩分部工程名称检验日期年月日单元工程名称部位评定日期年月日项次项目名称质量标准检验结果评定检查1 材料质量符合设计及施工规范要求检测项目1 轴线位移10()检测点偏差合格点数合格率1 2 3 4 5 6 7 8 9 102 项目高程±15()3 表面平整度8()施工单位自评意见质量等级建设单位、监理单位复核意见核疋质量等级单位名称核定人施工单位监理单位建设单位附表13-3 : 干砌石单位工程质量评定表编号:单位工程名称单元工程量分部工程名称检验日期年月日单元工程名称部位评定日期年月日项次项目名称质量标准检验结果评定检查项目1 石料质地坚实,无风化剥落和裂纹,单块重量应大于252 砌石形式无架空、无浮塞、无通缝、无叠砌、错缝搭砌、砌缝小于 3检测项目1 平整度允许偏差±3()检测点偏差合格点数合格率1 2 3 4 5 6 7 8 9 102 标高±1.5 ()3 轴线位移 1.5()4 砌体厚度2()施工单位自评意见质量等级建设单位、监理单位复核意见核疋质量等级-——单位名称核定人施工单位监理单位建设单位附表13-4 : 浆砌石单位工程质量评定表编号: 单位工程名称单元工程量分部工程名称检验日期年月日单元工程名称部位评定日期年月日项次项目名称质量标准检验结果评定检查项目1 石料、水泥、砂符合规范要求2 浆砌石空隙灌浆后用小石填塞,座浆饱满,无空隙3 砂浆配合比符合设计要求4 勾缝无裂缝、脱皮现象检测项目1 平整度允许偏差±3()检测点偏差合格点数合格率1 2 3 4 5 6 7 8 9 102 墙体厚度2()施工单位自评意见质量等级建设单位、监理单位复核意见核定质量等级—单位名称核定人施工单位监理单位建设单位附表13-5 : 混凝土预制U型槽单元工程质量评定表编号: 单位工程名称单元工程量分部工程名称检验日期年月日单元工程名称部位评定日期年月日项次项目名称质量标准检验结果评定检查项目1 预制U型槽尺寸准确、规格统一、表面洁净;铺设平稳、稳定符合缝线规则检测项目1 平整度允许偏差±3()检测点偏差合格点数合格率1 2 3 4 5 6 7 8 9 10施工单位自评意见质量等级建设单位、监理单位复核意见核定质量等级单位名称核定人施工单位监理单位建设单位附表13-6 : 田间路、生产路交通土基工程质量检查评定表编号: 单位工程名称单元工程量亩分部工程名称检验日期年月日单元工程名称部位评定日期年月日项次项目名称质量标准检验结果评定检查项目1 路面杂物清除清除路面杂草、垃圾、建筑物2 回填土质量回填土质量应符合施工要求3 碾压作业程序碾压晒迹及搭接符合要求检测项目1 路面咼程±30 ()检测点偏差合格点数合格率1 2 3 4 5 6 7 8 9 102 边线±10- 30 ()3 压实% ±90%施工单位自评意见质量等级建设单位、监理单位复核意见核定质量等级单位名称核定人施工单位监理单位建设单位附表13-7 : 田间路、支道垫层工程质量检查评定表编号: 单位工程名称单元工程量亩分部工程名称检验日期年月日单元工程名称部位评定日期年月日项次项目名称质量标准检验结果评定检查项目1 砂石料质量无不合格砂石料2 碾压碾压碾迹及搭接符合要求检测项目1 铺料厚度-25()检测点偏差合格点数合格率1 2 3 4 5 6 7 8 9 102 宽度-20()3 平整度15()4 横坡度% ±0.5%施工单位自评意见质量等级建设单位、监理单位复核意见核定质量等级-----------—单位名称核定人施工单位监理单位建设单位附表13-8 : 泥结碎石路面单元工程质量评定表编号单位工程名称单元工程量亩分部工程名称检验日期年月日单元工程名称部位评定日期年月日项次项目名称质量标准检验结果评定检查项目1 砂石料质量①石料。
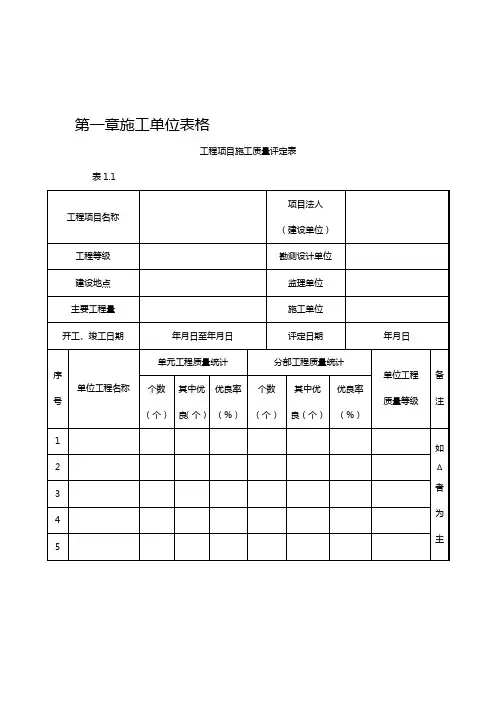
第一章施工单位表格工程项目施工质量评定表表1.1单位工程施工质量评定表项目法人(建设单位)意见法定代表(签名且盖章)②于序号栏中带有Δ符号者为主要分部工程工程平面位置、高程测量总体质量检验评定表表1.2-2分部工程施工质量评定表表1.3续表1.3施工单位自评意见:质检科长:项目经理:年月日(签名且盖公章)建设、监理单位复评意见:质量监理工程师:总监理工程师:年月日(签名且盖公章)质监机构核定意见:项目质监负责人:年月日(签名且盖公章)②对各混凝土的分部工程应附有表5.5.2混凝土细骨料(砂料)质量检验评定表,表5.5.3混土粗骨料(石子)质量检验评定表。
表5.5.4石料质量检验评定表,表5.5.5分部工程砼拌和物质量评定表,以及有关钢筋、水泥、外加剂、水、砂、石等原材料和混凝土试件强度等的试验资料。
③对金属结构的分部工程应附金属结构防腐蚀的质量检验资料。
④闸门启闭机分部工程应附试运行检验资料。
⑤泵站机电设备安装分部工程应附泵站试运行检验资料。
水工建筑物外观质量评定表表2.1.1续表2.1.1(2)评定等级标准:测点中符合质量标准的点数占总测点数的百分率为100%时,为一级。
合格率为99~99.9%时,为二级。
合格率为70~89.9%时,为三级。
合格率<70%时,为四级。
其下方的百分数为相应于所得标准分的百分数。
每项评定得分按下式计算:各项评定得分=该项标准分×该项得分百分率(3)表中第⑥项混凝土表面缺陷指混凝土表面的蜂窝、麻面、挂帘、裙边、局部凹凸及表面浅层裂缝等。
如无上述缺陷,该项得分率为100%,缺陷面积超过总面积5%者,该项得分为0。
堤防工程外观质量评定表表2.2.1说明:①表中第1项按表2.2.3评定结果进行评分,其他各项得分为各评定成员于检查工程现场后对相应项的外部观感质量进行打分(表2.2.2)后的算术平均值。
②堤防单位工程外观评定时,仅对实际存于的项目进行评分,其标准分累计为应得分,评定打分合计为实得分,得分率为实得分占应得分百分率。
⼟地整理⼯程资料全套表格(最新版)附录⼀施⼯监理⽤表A类表⽬录A001⼯程开⼯报审表A002施⼯组织设计(⽅案)报审表A003施⼯进度计划(调整计划)报审表A004施⼯测量放线报审表A005建筑材料报审表A006主要⼯程设备选型报审表A007⼯程构配件报审表A008复⼯申请表A009⼯程变更费⽤申请表A010费⽤索赔申请表A011延长⼯期申请表A012监理通知回复单A013⼯程竣⼯报验单A014⼯程质量问题(事故)报告单A015⼯程质量问题(事故)处理⽅案报审表A016()⽉付款报审表A017⼯程变更单A018分部⼯程开⼯申请单A019隐蔽⼯程检验记录SG-A001⼯程开⼯报审表⼯程名称:编号:致:蒲江县长秋乡⾼韩村、古佛村⼟地整理项⽬⼆标段项⽬监理部我⽅承担的蒲江县长秋乡⾼韩村、古佛村⼟地整理项⽬⼆标段⼯程,已完成了以下各项⼯作。
⼀、施⼯组织设计(⽅案)已审批□⼆、劳动⼒按计划已就绪□三、机械设备已就绪□四、管理⼈员全部到位□五、开⼯前各种⼿续办妥(见附件)□六、质量管理,技术管理制度已制定□特此申报开⼯,请批准。
承包单位(章):项⽬经理:⽇期:年⽉⽇总监理⼯程师审查意见:项⽬监理机构(公章):总监理⼯程师(签字):⽇期:年⽉⽇本表由施⼯企业填写⼀式三份,建设、监理、施⼯企业各留⼀份。
SG-A002施⼯组织设计(⽅案)报审表⼯程名称:编号:致:蒲江县长秋乡⾼韩村、古佛村⼟地整理项⽬⼆标段项⽬监理部现报上蒲江县长秋乡⾼韩村、古佛村⼟地整理项⽬⼆标段施⼯组织设计(⽅案)(全套、部分),已经我单位上级技术负责⼈批准,请予审查和批准。
附:施⼯组织设计(⽅案)承包单位项⽬部(公章):项⽬经理(签字):项⽬技术负责⼈(签字):⽇期:年⽉⽇专业监理⼯程师审查意见:1、同意2、不同意3、按以下主要内容修改补充专业监理⼯程师(签字):⽇期:年⽉⽇总监理⼯程师审查意见:1、同意2、不同意3、按以下主要内容修改补充后并于⽉⽇前报来。
第六章预算表格及格式一、预算书主件(目录、预算编制说明略)1.封面——首页××××项目预算书(一号黑体字)项目承担单位:(三号宋体字)预算编制单位:(三号宋体字)编制日期:年月日(三号宋体字)2.封面——扉页(签署页)××××项目预算书(二号黑体字)项目承担单位(公章)预算编制单位(公章)负责人:(三号宋体字)(签字)复核人:(三号宋体字)(签字)编制人:(三号宋体字)(签字)编制日期:年月日(三号宋体字)3.预算表格表1土地开发整理项目总预算及分年度预算表编制单位:金额单位:元填表说明:项目类型分为土地开发、土地整理和土地复垦三种。
表2预算总表项目名称:项目规模(公顷):金额单位:元表3工程施工费预算表项目名称:金额单位:元填表说明:1、直接工程费(2)、措施费(3)、间接费(4)具体见表3-1-1、表3-1、表3-2。
2、表中(5)=[(2)+(3)+(4)] ×费率。
3、表中(6)=[(2)+(3)+(4)+(5)] ×费率。
4、表中(7)=(2)+(3)+(4)+(5)+(6)。
表3-1直接费预算表项目名称:金额单位:元填表说明:1、本表是按单项工程的工程类别(土方工程、石方工程、砌体工程、混凝土工程、安装工程等)计算;具体人工费、材料费和施工机械使用费见表3—1-1。
2、(5)=(2)+(3)+(4),(7)=(5)或(2)×(6),(8)=(5)+(7)。
表3-1-1直接工程费预算表项目名称:金额单位:元填表说明:1、本表是对各项工程直接工程费的合计。
2、表中“工程名称”栏须按顺序填写单项工程、分部工程、分项工程名称。
表中所列工程为农田水利工程中支渠工程部分项目名称(举例)。
3、(8)=(4)×(5),(9)=(4)×(6),(10)=(4)×(7),(11)=(8)+(9)+(10)。
第一章工程资料的分类A类表(监理规范上要求的施工单位用表)1、工程开工/复工报审表2、施工组织设计(方案)报审表3、分包单位报审表4、施工测量报审表5、施工进度计划报审表6、材料/构配件/设备进场报审表7、工程质量报验表8、工程计量报验单9、计日工工程量签证单10、用工、料、机动态表11、工程款支付申请表12、工程延期报审表13、监理通知回复单14、竣工移交证书C类表(各方通用表)1、工作联系单2、工程变更单E类表(竣工验收类汇总表)1、单位(标段)工程质量竣工验收记录2、单位(标段)工程质量保证资料核查记录3、土地开发整理工程观感质量检查记录4、分项工程质量验收记录5、分部工程验收记录F类表(记录类表)1、图纸会审记录2、设计交底记录3、设计变更、洽商记录G类表(施工记录类表)1、施工测量放线记录表2、技术交底记录3、地基验槽记录4、地基处理记录5、隐蔽工程检查表6、砼施工记录7、砼强度验收记录8、施工实验记录(通用)9、管道通水实验记录10、防水工程试水检查记录H类表(施工单位质量验收检验评定记录表)1、土地开发整理工程土地平整单元工程质量评定表(表Ⅰ)2、土地开发整理工程土地平整单元工程质量评定表(表Ⅱ)3、土地开发整理工程土方开挖单元工程质量评定表4、土地开发整理工程土方回填单元工程质量评定表5、土地开发整理工程浆砌石、挡土墙单元工程质量评定表6、土地开发整理工程原土开挖沟渠单元工程质量评定表7、土地开发整理工程砖砌体(渠)单元工程质量评定表8、土地开发整理工程农田水利砼模板单元工程质量评定表9、土地开发整理工程砼钢筋单元工程质量评定表10、土地开发整理工程砼浇筑单元工程质量评定表11、土地开发整理工程预制U型槽安装单元工程质量评定表12土地开发整理工程砼预制板(构件)制作单元工程质量评定表13、土地开发整理工程砼预制面板铺设单元工程质量评定表14、土地开发整理工程管涵安装单元工程质量评定表15、土地开发整理工程砼伸缩缝及止水单元工程质量评定表16、土地开发整理工程扩堰增容单元工程质量评定表17、土地开发整理工程倒虹吸进、出口段单元工程质量评定表18、土地开发整理工程管道段施工单元工程质量评定表19、土地开发整理工程田间道路路面铺设单元工程质量评定表20、土地开发整理工程生态防护、水土保持单元工程质量评定表21、土地开发整理工程生态板、生态孔单元工程质量评定表22、土地开发整理工程(建筑物)石砌体单元工程质量评定表23、土地开发整理工程(建筑物)砖砌体单元工程质量评定表24、土地开发整理工程建筑物模板安装单元工程质量评定表25、土地开发整理工程建筑物模板拆除单元工程质量评定表26、土地开发整理工程建筑物钢筋加工单元工程质量评定表27、土地开发整理工程建筑物钢筋安装单元工程质量评定表28、土地开发整理工程建筑物砼施工单元工程质量评定表29土地开发整理工程基土垫层单元工程质量评定表30、土地开发整理工程砂垫层和砂石垫层单元工程质量评定表31、土地开发整理工程砼垫层单元工程质量评定表32、土地开发整理工程砼面层单元工程质量评定表33、土地开发整理工程一般抹灰单元工程质量评定表34、土地开发整理工程装饰抹灰单元工程质量评定表35、土地开发整理工程金属门窗(钢门窗)单元工程质量评定表36、土地开发整理工程金属门窗(铝合金门窗)单元工程质量评定表37、土地开发整理工程屋面找平层单元工程质量评定表38、土地开发整理工程卷材防水层单元工程质量评定表39、土地开发整理工程泵房模板工程单元工程质量评定表40、土地开发整理工程泵房钢筋工程单元工程质量评定表41、土地开发整理工程泵房砼浇筑工程单元工程质量评定表42、土地开发整理工程移动式泵房单元工程质量评定表43、土地开发整理工程泵房砼输水管单元工程质量评定表(表Ⅰ)44、土地开发整理工程泵房金属输水管单元工程质量评定表(表Ⅰ)45、土地开发整理工程进、出水池单元工程质量评定表46、土地开发整理工程架空线路及杆上电气设备安装单元工程质量评定表47、土地开发整理工程变压器、箱式变电所安装单元工程质量评定表48、土地开发整理工程成套配电箱、控制柜和动力、照明配电箱(盘)安装单元工程质量评定表49、土地开发整理工程低压电动机及电动执行机构检查接线单元工程质量评定表50、土地开发整理工程低压电气动力设备实验和试运行单元工程质量评定表第二章土地开发整理工程统一用表A类表(承包单位用表)A1 工程开工/复工报审表A2 施工组织设计(方案)报审表A3 分包单位报审表A4 施工测量报验表A5 施工进度计划报审表A6 材料/构配件/设备进场报验表A7 工程质量报验表A8 工程计量报验单A9计日工工程量签证单A10 月工、料、机动态表A11 工程款支付申请表A12 工程延期报审表A13 监理通知回复单A14 竣工移交证书A1工程开工/复工报审表单位各存一份A2单位各存一份A3单位各存一份A4单位各存一份A5承包单位各存一份2、总进度计划必须由总监签字。
第一章施工单位表格工程项目施工质量评定表表1.1单位工程施工质量评定表表1.2项目法人(建设单位)意见法定代表(签名并盖章)注:①应附有表1.2~1单位工程施工质量检测资料核查表。
②在序号栏中带有Δ符号者为主要分部工程工程平面位置、高程测量总体质量检验评定表表1.2-2分部工程施工质量评定表表1.3施工单位自评意见:质检科长:项目经理:年月日(签名并盖公章)建设、监理单位复评意见:质量监理工程师:总监理工程师:年月日(签名并盖公章)质监机构核定意见:项目质监负责人:年月日(签名并盖公章)注:①建筑物、桥梁主体工程的分部工程质量由质监项目站核定质量等级。
②对各混凝土的分部工程应附有表5.5.2混凝土细骨料(砂料)质量检验评定表,表5.5.3混土粗骨料(石子)质量检验评定表。
表5.5.4石料质量检验评定表,表5.5.5分部工程砼拌和物质量评定表,以及有关钢筋、水泥、外加剂、水、砂、石等原材料和混凝土试件强度等的试验资料。
③对金属结构的分部工程应附金属结构防腐蚀的质量检验资料。
④闸门启闭机分部工程应附试运行检验资料。
⑤泵站机电设备安装分部工程应附泵站试运行检验资料。
水工建筑物外观质量评定表表2.1.1(2)评定等级标准:测点中符合质量标准的点数占总测点数的百分率为100%时,为一级。
合格率为99~99.9%时,为二级。
合格率为70~89.9%时,为三级。
合格率<70%时,为四级。
其下方的百分数为相应于所得标准分的百分数。
每项评定得分按下式计算:各项评定得分=该项标准分×该项得分百分率(3)表中第⑥项混凝土表面缺陷指混凝土表面的蜂窝、麻面、挂帘、裙边、局部凹凸及表面浅层裂缝等。
如无上述缺陷,该项得分率为100%,缺陷面积超过总面积5%者,该项得分为0。
堤防工程外观质量评定表表2.2.1场后对相应项的外部观感质量进行打分(表2.2.2)后的算术平均值。
②堤防单位工程外观评定时,仅对实际存在的项目进行评分,其标准分累计为应得分,评定打分合计为实得分,得分率为实得分占应得分百分率。
土地整理施工及监理全套表格A-施工监理用表(A)施工单位用表工程开工/复工报审表编号:施工组织设计(方案)报审表分包单位资格报审表工程名称:编号:施工测量报验单工程名称:编号:施工进度计划报审表工程名称:编号:材料(构配件)、设备进场使用报验单工程名称:编号:2、大型设备开箱检查设计单位代表应参加。
工程质量报验单(分项、分部或单位工程)工程项目: 编号: 001工程计量报验单致:(项目监理机构)我方按施工合同约定,完成了工程的施工,其工程质量已经检验合格,并对工程量进行了计量测量。
现提交测量结果,请贵方核准。
计日工工程量签证单工程款支付申请表工程名称:编号:(监理机构)了工作,按施工设单位应在年月日前支付该项工程款共),现报上工程付款申请表,请予以款支付证书。
清单法项目经理:年月日目工作量有差异,应以核定工作量为准。
本月度认定工程进度款为:施工单位申报数( )+监理单位核定差别数( )=本月工程进总监理工程师:年月日本表由施工单位填报,经项目监理机构审查签认后,建设单位、监理单位、施工单位各存一份。
工程临时延期审批表工程名称:编号:监理工程师通知回复单工程名称:编号:A51)、质量控制类(A52)、造价控制类(A53)、安全文明类(A54)、工程变更类(A55)。
工程竣工移交证书工程名称:编号:本表由监理机构填写,建设单位、监理单位、施工单位各存一份。
(B)监理单位用表旁站监理记录表工程暂停令工程名称:编号:工程款支付证书工程名称:编号:( C )各方通用表工作联系单工程名称:编号:工程变更单工程名称:编号:B-计量表工程计量报验单第期起始日期年月日截止日期年月日建设单位:正安县城乡建设投资有限责任公司监理单位:贵州化兴建设监理有限公司施工单位:遵义南方广达建设工程有限责任公司呈报单位:年月日工程款支付申请表工程名称:编号:工程款支付证书工程名称:编号:( )月完成工程量汇总表(承包[]量总月号)月完成价款报审表工程名称:编号:中间计量表。
第一章工程资料的分类A类表(监理规范上要求的施工单位用表)1、工程开工 / 复工报审表2、施工组织设计(方案)报审表3、分包单位报审表4、施工测量报审表5、施工进度计划报审表6、材料 / 构配件 / 设备进场报审表7、工程质量报验表8、工程计量报验单9、计日工工程量签证单10、用工、料、机动态表11、工程款支付申请表12、工程延期报审表13、监理通知回复单14、竣工移交证书C类表(各方通用表)1、工作联系单2、工程变更单E类表(竣工验收类汇总表)1、单位(标段)工程质量竣工验收记录2、单位(标段)工程质量保证资料核查记录3、土地开发整理工程观感质量检查记录4、分项工程质量验收记录5、分部工程验收记录F类表(记录类表)1、图纸会审记录2、设计交底记录3、设计变更、洽商记录G类表(施工记录类表)1、施工测量放线记录表2、技术交底记录3、地基验槽记录4、地基处理记录5、隐蔽工程检查表6、砼施工记录7、砼强度验收记录8、施工实验记录(通用)9、管道通水实验记录10、防水工程试水检查记录H类表(施工单位质量验收检验评定记录表)1、土地开发整理工程土地平整单元工程质量评定表(表Ⅰ)2、土地开发整理工程土地平整单元工程质量评定表(表Ⅱ)3、土地开发整理工程土方开挖单元工程质量评定表4、土地开发整理工程土方回填单元工程质量评定表5、土地开发整理工程浆砌石、挡土墙单元工程质量评定表6、土地开发整理工程原土开挖沟渠单元工程质量评定表7、土地开发整理工程砖砌体(渠)单元工程质量评定表8、土地开发整理工程农田水利砼模板单元工程质量评定表9、土地开发整理工程砼钢筋单元工程质量评定表10、土地开发整理工程砼浇筑单元工程质量评定表11、土地开发整理工程预制U 型槽安装单元工程质量评定表12土地开发整理工程砼预制板(构件)制作单元工程质量评定表13、土地开发整理工程砼预制面板铺设单元工程质量评定表14、土地开发整理工程管涵安装单元工程质量评定表15、土地开发整理工程砼伸缩缝及止水单元工程质量评定表16、土地开发整理工程扩堰增容单元工程质量评定表17、土地开发整理工程倒虹吸进、出口段单元工程质量评定表18、土地开发整理工程管道段施工单元工程质量评定表19、土地开发整理工程田间道路路面铺设单元工程质量评定表20、土地开发整理工程生态防护、水土保持单元工程质量评定表21、土地开发整理工程生态板、生态孔单元工程质量评定表22、土地开发整理工程(建筑物)石砌体单元工程质量评定表23、土地开发整理工程(建筑物)砖砌体单元工程质量评定表24、土地开发整理工程建筑物模板安装单元工程质量评定表25、土地开发整理工程建筑物模板拆除单元工程质量评定表26、土地开发整理工程建筑物钢筋加工单元工程质量评定表27、土地开发整理工程建筑物钢筋安装单元工程质量评定表28、土地开发整理工程建筑物砼施工单元工程质量评定表29土地开发整理工程基土垫层单元工程质量评定表30、土地开发整理工程砂垫层和砂石垫层单元工程质量评定表31、土地开发整理工程砼垫层单元工程质量评定表32、土地开发整理工程砼面层单元工程质量评定表33、土地开发整理工程一般抹灰单元工程质量评定表34、土地开发整理工程装饰抹灰单元工程质量评定表35、土地开发整理工程金属门窗(钢门窗)单元工程质量评定表36、土地开发整理工程金属门窗(铝合金门窗)单元工程质量评定表37、土地开发整理工程屋面找平层单元工程质量评定表38、土地开发整理工程卷材防水层单元工程质量评定表39、土地开发整理工程泵房模板工程单元工程质量评定表40、土地开发整理工程泵房钢筋工程单元工程质量评定表41、土地开发整理工程泵房砼浇筑工程单元工程质量评定表42、土地开发整理工程移动式泵房单元工程质量评定表43、土地开发整理工程泵房砼输水管单元工程质量评定表(表Ⅰ)44、土地开发整理工程泵房金属输水管单元工程质量评定表(表Ⅱ)45、土地开发整理工程进、出水池单元工程质量评定表46、土地开发整理工程架空线路及杆上电气设备安装单元工程质量评定表47、土地开发整理工程变压器、箱式变电所安装单元工程质量评定表48、土地开发整理工程成套配电箱、控制柜和动力、照明配电箱(盘)安装单元工程质量评定表49、土地开发整理工程低压电动机及电动执行机构检查接线单元工程质量评定表50、土地开发整理工程低压电气动力设备实验和试运行单元工程质量评定表第二章土地开发整理工程统一用表A类表(承包单位用表)A1 工程开工 / 复工报审表A2 施工组织设计(方案)报审表A3 分包单位报审表A4 施工测量报验表A5 施工进度计划报审表A6 材料 / 构配件 / 设备进场报验表A7 工程质量报验表A8 工程计量报验单A9 计日工工程量签证单A10 月工、料、机动态表A11 工程款支付申请表A12 工程延期报审表A13 监理通知回复单A14 竣工移交证书A1工程开工/复工报审表编号:工程名称日期致 ___________________________监(理单位 ) :我方承担的工程,已完成了以下各项工作,具备了开工/ 复工条件,计划于 _____年 ____月 ___日开工,请审批。
土地整理项目过程管理全套表格
附表1:
施工组织设计(方案)报审表
项目名称:编号:
附表:2
工程开工/复工报审表
项目名称:编号:
附表:3
施工进度计划报审表
项目名称:编号:
附表:4
成品、半成品构(配)件、供应单位资质报审表
项目名称:编号:
本表由施工承包单位填报,一式二份,监理单位、施工承包单位各一份。
附表:5
工程材料报验表
项目名称:编号:
本表由施工承包单位填报,一式二份,监理单位、施工承包单位各一份。
附表:6
主要施工设备/工程设备进场报验表
编号:
本表由施工承包单位填报,一式二份,监理单位、施工承包单位各一份。
附表:7
监理工程师通知单
项目名称:编号:
附表8:
监理工程师通知回复单
项目名称:编号:
附表:9
施工测量放线报验单
项目名称:编号:
附表:10
合同内项目工程月付款申报表
项目名称:编号:
本表由施工承包单位填报,一式三份,审批后监理单位、施工承包单位、建设单位各一份。
附表11:
土地开发整理工程月份工程进度月报表施工单位:填报日期:
编号:
序号工程项目
单
位
单价
合同工程量
上期审定累计
量
施工方申报
本月完成量
监理审核意见业主审定意见
形象进度
数
量
合价
(元)
数量
合价
(元)
数量
合价
(元)
数量
合价
(元)
数量
合价
(元)
仅供学习与交流,如有侵权请联系网站删除谢谢9
注:本表参照工程中标的工程量清单制表。
仅供学习与交流,如有侵权请联系网站删除谢谢9
附表12:
隐蔽工程验收签证单
附表13-1:土地平整单元工程质量评定表编号:
仅供学习与交流,如有侵权请联系网站删除谢谢9
附表13-2:农沟、渠工程质量检查评定表编号:
仅供学习与交流,如有侵权请联系网站删除谢谢9
附表13-3:干砌石单位工程质量评定表编号:
仅供学习与交流,如有侵权请联系网站删除谢谢
附表13-4:浆砌石单位工程质量评定表编号:
仅供学习与交流,如有侵权请联系网站删除谢谢9
附表13-5:混凝土预制U型槽单元工程质量评定表编号:
仅供学习与交流,如有侵权请联系网站删除谢谢9
附表13-6:田间路、生产路交通土基工程质量检查评定表编号:
9
附表13-7:田间路、支道垫层工程质量检查评定表编号:
附表13-8:泥结碎石路面单元工程质量评定表编号:
9
附表13-9:模板单位工程质量评定表编号:
附表13-10:钢筋单位工程质量评定表编号:
施工单位
监理单位
建设单位
单位工程名称单元工程量亩
分部工程名称检验日期年月日单元工程名称部位评定日期年月日
项次项目名称质量标准检验标准评定
检查项目1 入仓混凝土料无不合格料入仓
2
蜂窝孔洞、麻
面、露筋
无
3 混凝土振捣有秩序、无漏振
4 混凝土强度
试块制作、数量、强度
符合要求
5 混凝土养护混凝土表面保持湿润
6 表面裂缝
受压、拉区分别允许少
量小于0.3mm和0.2mm
发状裂隙
项次项目
名称
质量标准
(mm)
检测点偏差(mm)合
格
率
评
定
1 2 3 4 5 6 7 8 9 10
检测项目
1
平整度允
许偏差
2M靠尺:
8 mm
2 外形尺寸±20 mm
3 平仓分层
铺料均
匀、无骨
料集中、
分层均
匀、厚度
小于50cm
施工单位自评意见
质量
等级
建设单位(监理单位)复评意见核定质量等级
单位名称核定人
附表13-12:防护林工程质量检查评定表编号:
9
附表14:
工程质量报验单(分项、分部或单位工程)
项目名称:编号:
致:
(分项、分部或单位)工程,按照施工合同和进度计划要求,已完成施工任务,并按有关标准、规范要求自检评定为(合格或优良),现报请查验。
附:自检资料(隐蔽工程、预检工程记录、分项、分部工程质量评定及质量保证资料)。
承包单位(章) 日期
项目负责人日期____________ 监理单位审查意见:
经查验:
确认为(合格或优良,如不合格时另发不合格通知书)。
监理工程师日期
本表由施工承包单位填报,一式三份,监理单位、业主、施工承包单位各一份。
竣工报验时也可用此表。
附表15:
工程停工指令
项目名称:编号:
本表由监理单位填报,一式三份(或)四份,主送施工承包单位,抄送业主或分包。
附表:16
会议记录
编号:
本表一式多份,表后附会议内容,参加会议单位各一份。
附表17-1:
编号:
监理月报
工程名称
施工合同编号
第期
年月日~年月日
现场监理
总监理工程师
监理单位(章)
报告日期年月日
附表17-2:编号:
监理月报
附表17-3:编号:
监理月报
附表18-1:
编号:
监理日记
工程名称
施工合同编号
第本
年月日~年月日
现场监理
总监理工程师
监理单位:
附表18-2:
监理日记
年月日,星期气侯:白天:气温:最高℃
由驻地监理人员负责每天填写,并由总监理工程师签阅,内容必须真实,力求详细,主要应包括当天施工内容、部位、数量和进度、劳力、机械和只要使用情况,质量问题和处理结果,会议及上级领导检查及其它。
附表19:
小范围工程设计变更申请表
项目名称:编号:
本表由施工承包单位填报,一式三份,监理单位、业主、施工承包单位各一份。