框架结构中学教学楼毕业设计计算书
- 格式:docx
- 大小:23.34 KB
- 文档页数:25
毕业设计计算书目录摘要 (8)Abstract (9)第1章工程概况 (10)1.1工程简介 (10)1.2地质、水文及气象资料 (10)第2章结构布置及梁柱截面尺寸确定 (11)2.1 结构布置及计算简图 (11)2.2 梁柱截面尺寸初定 (12)2.2.1 主梁尺寸 (12)2.2.2 次梁尺寸 (13)2.2.3 框架柱截面尺寸 (13)2.2.4楼板尺寸设计 (16)第3章荷载计算 (17)3.1 屋面及楼面荷载 (17) (17)3.1.2 楼面荷载 (18)3.2 框架节点集中荷载代表值计算 (18)3.2.1 屋面框架节点集中荷载标准值 (18)3.2.2 楼面框架节点集中荷载标准值 (20)3.3 风荷载标准值计算 (21)3.4 地震作用计算 (22)3.4.1建筑物总重力荷载代表值G i的计算 . 223.4.2地震作用计算 (24)第4章框架内力计算 (30)4.1恒载作用下框架内力计算 (31)4.1.1 分配系数计算 (31)4.1.2 杆件固端弯矩计算 (33)4.1.3 内力计算 (36)4.2活载作用下框架内力计算 (41)4.2.1 杆件固端弯矩计算 (42)I I4.2.2 内力计算 (44)4.3风荷载作用下框架内力计算 (49)4.4(雪或活)荷载作用下框架内力计算 (58)4.4.1 横梁线荷载计算 (58)4.4.2 纵梁引起柱端附加弯矩 (59)4.5 地震作用下框架内力计算 (67)第5章框架内力组合 (73)5.1 内力换算 (73)5.1.1将活荷载乘以1.1的增大系数 (73)5.1.2控制截面换算 (74)5.2 内力组合 (79)第6章框架梁、柱截面设计 (81)6.1 框架内力调整 (81)6.1.1 梁“强剪弱弯”的内力调整 (81)6.1.2 “强柱弱梁”及柱的“强剪弱弯”内力调整 (84)I II6.1.3 底层柱下端弯矩调整 (87)6.1.4 角柱内力调整 (87)6.1.5 “强节点弱构件”的内力验算 (88)6.2 框架梁截面设计 (90)6.2.1梁的正截面受弯承载力计算 (90)6.2.2 梁斜截面受剪承载力计算 (90)6.3 框架柱截面设计 (91)6.3.1柱正截面承载力计算 (91)第7章楼梯设计 (95)7.1 踏步板设计(取一个踏步) (95)7.1.1 荷载计算 (95)7.1.2内力计算 (96)7.1.3 受弯承载力计算 (96)7.2 楼梯斜梁设计 (97)7.2.1 荷载计算 (97)I V7.2.2内力计算 (97)7.2.3 承载力计算 (98)7.3 平台梁设计 (98)7.3.1 荷载计算 (98)7.3.2 内力计算 (99)7.3.3 正截面受弯承载力计算 (99)7.3.4 斜截面受剪承载力验算 (100)7.3.5 吊筋计算 (100)7.4 平台板设计 (100)7.4.1 荷载计算 (100)7.4.2 内力计算 (101)7.4.3 配筋计算 (101)第8章现浇楼面板设计 (102)8.1 设计资料 (102)8.1.1 截面尺寸 (102)V8.1.2 荷载计算 (102)8.2 楼板内力计算 (103)8.3 屋面板内力计算 (105)第9章次梁设计 (107)9.1 荷载计算 (107)9.1.1 荷载计算 (107)9.1.2 内力计算 (108)9.2 截面设计 (108)9.2.1 正截面受弯承载力计算 (108)9.2.2 斜截面受剪承载力计算 (109)第10章基础设计 (111)10.1 设计资料 (111)10.2 独立基础设计 (111)10.2.1 基础埋深和基础计算荷载的确定 (112)10.2.2 基础底面尺寸的确定及地基承载力验算 (113)V I10.3 抗震验算 (116)10.4 地基变形验算 (116)10.5 基础结构设计 (116)10.5.1 荷载设计值 (116)10.5.2 A柱基础配筋计算 (116)10.5.3(B—C)柱基础配筋计算 (119)参考文献 (122)致谢 (124)附录 (126)附录1 外文原文 (126)附录2 外文翻译 (137)附录3 任务书 (144)附录4 开题报告 (151)V II摘要本工程为沈阳市某中学教学楼工程,根据设计任务书以及有关资料,结构形式为现浇钢筋混凝土框架结构,主体结构为4层,总建筑面积约4600m2。
某中学教学楼设计1、毕业设计的内容1.1 概述某地区某中学拟建一幢教学楼,总建筑面积约3000-5000平方米,用地可自选地段,五层钢筋混凝土框架结构。
该教学楼为校区二期工程,主要为全校师生员工的教学服务,要求处理好校园环境与建筑的关系,体现学校建筑的特点,设计要求满足功能、安全、经济美观。
立面不求标新立异,但求简洁、明快、大方。
考虑防火、疏散、采光、通风、朝向、抗震等要求,合理组织室内外空间,交通流线通畅,满足使用人的行为要求,技术上切实可行。
1.2 建筑设计内容1.2.1熟悉设计任务书和目的要求,收集有关参考资料与参考方案。
1.2.2带着问题学习相关设计基础知识和参考资料,参观已建成的同类建筑,扩大眼界,广开思路。
在学习参观的基础上,对设计要求、具体条件及环境进行功能分析,从功能角度找出各部分、各房间的相互关系及位置。
进行建筑设计构思。
1.2.3结合《房屋建筑学》中所学知识,进行草图设计,即将各类房间所占面积粗略地估计平面和尺寸,绘出初步方案。
在进行组合时,要多思考,多动手(即多画),多修改。
从平面入手,先考虑总体,后考虑细部,抓住主要矛盾。
建筑体型及立面造型应有秩序感和统一感,注意比例尺度、节奏和韵律,建筑形象和结构形式辩证统一。
在此基础上,重点处理入口及檐口等细节部分,做到严谨活泼,体现建筑美学。
1.2.4在草图设计基础上,划分房间,进一步调整各类房间和细部之间的关系,调整、修改、逐步完善建筑方案。
房间开间、进深需符合建筑模数,楼梯间数量及布置形式应满足《建筑设计防火规范》的要求。
1.2.5综合运用所学知识,遵循国家现行的建筑设计规范和规则,满足适用、安全、经济、美观的要求。
核算各项建筑面积(单项建筑面积,以轴线计算,允许有±10%的增减幅度),深入发展成为定稿的建筑平、立、剖面图。
建筑方案设计完成后,应进行构造方案设计,合理确定屋面、楼地面、墙面、门窗等部位的构造方案。
正确进行楼梯设计及踏步、扶手构造选型,对特殊部位的构造处理(檐口、雨篷、隔断等)应有清晰概念。
某中学教学楼结构设计计算书Ⅰ、构件截面尺寸选择和荷载计算(1)设计基本资料按设计任务规定地组别,选择开间尺寸为7200mmx9000mm,纵向有12跨,每跨4500mm,横向有3跨,边跨尺寸7200mm,中间跨尺寸3000mm.按此参数和建筑设计中已经进行平面布置.b5E2R。
(2)主要设计参数根据设计任务书地要求及有关规定,确定如下主要地设计参数:①抗震设防烈度:8度;抗震设计分组:第一组;房屋高度低于30m,可知框架地抗震等级为二级.②基本风压:,C类粗糙度③雪荷载标准值:④设计使用年限:50年;本建筑为一般民用建筑,安全等级二级;在抗震设计时是丙类建筑⑤基础顶面设计标高地确定:建筑标高±0.000,建筑绝对标高57.50m,室外地坪标高-0.450m.根据地质勘察报告,基础持力层可以设计在粉质粘土上,选择独立基础时,基础顶面标高可设在-1.0m—-1.6m之间p1Ean。
⑥活荷载标准值及相应系数:按房屋地使用要求,可查得教学楼露面活荷载标准值,组合值系数,准永久值系数(2)材料地选择①混凝土除基础垫层混凝土选择C15外,基础及以上各层混凝土强度均选C25.②钢筋框架梁、柱等主要构件纵向受力筋选择HRB335级钢筋,构造钢筋、板筋及箍筋选择HPB级钢筋.(3)结构构件截面尺寸地选择①结构平面布置方案主体结构为5层,底层高度4.2m,其余各层3.9m.外墙240mm,内墙120mm,隔墙100mm,门窗布置见门窗洞口总表.②构件截面尺寸地选择a.根据平面布置,双向板短向跨度,取板厚h=150mm,,满足要求.b.框架梁边横梁,7200mm,跨中横梁,纵梁,次梁,c.柱截面尺寸当选择基础标高为-1.200m时,则一层柱地高度为4.2m+1.2m=5.4m,按,又框架主梁b=300mm,则初选柱截面宽度,故中柱截面初选尺寸简单验算:假定楼层各层荷载设计值为16,则底层中柱地轴力近似为边柱承受轴力较小,但承受弯矩相对较大,按轴心受压验算,取1.5N,有故中柱取边柱取Ⅱ、竖向荷载地计算(1)屋面恒荷载标准值30厚细石砼保护层三毡四油防水层 0.420厚水泥砂浆找平层100厚水泥蛭石保温层150厚钢筋砼板15厚板底抹灰合计 5.965活荷载标准值不上人屋面应考虑雪荷载 0.5(2)屋面荷载瓷砖地面 0.55150厚钢筋砼板合计 4.525活荷载标准值按“教学楼”一栏,取2.0(3)梁、柱重力荷载梁、柱重力荷载标准值构件b(m) h(m)边横梁0.3 0.7 25 1.05 5.51 中横梁0.25 0.5 25 1.05 3.28 纵梁0.25 0.5 25 1.05 3.12 次梁0.25 0.6 25 1.05 3.00 底层柱0.5 0.5 25 1.10 6.875 标准层柱0.5 0.5 25 1.10 6.875 注:1)表中为考虑梁、柱地粉刷层重力荷载而对其重力荷载地增大系数;g表示单位长度构件地重力荷载.2)梁长取净长;柱长度取层高(4)墙体荷载墙体重力荷载标准值使用楼层墙体层高荷载标准值(kN/m)门窗洞口形式底层1 外纵墙 4.2(8x0.24+0.6+0.4)x(4.2-0.5-0.42)+(16x0.25+0.6+0.4)x0.42=11.68 0.7 8.17 2 外横墙 4.2(8x0.24+0.6+0.4)x(4.2-0.7-0.42)+(16x0.25+0.6+0.4)x0.42=11.09 1.0 11.09 3 内纵墙 4.2(8x0.24+0.6+0.4)x(4.2-0.5-0.42)+(16x0.12+0.6+0.4)x0.42=6.92 0.7 4.84 4 内横墙 4.2(8x0.24+0.6+0.4)x(4.2-0.5-0.42)+(16x0.12+0.6+0.4)x0.42=6.56 1.0 6.56 5 内隔墙 4.2(8x0.24+0.6+0.4)x(4.2-0.5-0.42)+(16x0.1+0.6+0.4)x0.42=6.10 1.0 6.10标准层1 外纵墙 3.9(8x0.24+0.6+0.4)x(3.9-0.5-0.42)+(16x0.24+0.6+0.4)x0.42=10.73 0.7 7.51 2 外横墙 3.9(8x0.24+0.6+0.4)x(3.9-0.7-0.42)+(16x0.24+0.6+0.4)x0.42=10.15 1.0 10.15 3 内纵墙 3.9(8x0.24+0.6+0.4)x(3.9-0.5-0.42)+(16x0.12+0.6+0.4)x0.42=6.39 0.7 4.484 内横墙 3.9 (8x0.24+0.6+0.4)x(3.9-0.7-0.42)+(16x0.12+0.6+0.4)x0.42=6.04 1.0 6.045 内隔墙 3.9 (8x0.24+0.6+0.4)x(3.9-0.6-0.42)+(16x0.1+0.6+0.4)x0.42=5.62 1.0 5.62屋顶 1 女儿墙0.5 (8x0.12+0.6+0.4)x0.5= 1.08 1.0 1.08Ⅲ、水平风荷载地计算①风荷载标准值计算每榀框架各层所受风荷载标准值②、内力计算a.梁、柱线刚度计算横梁线刚度计算表类别边横梁中横梁柱线刚度计算表楼层1 54002—5 3900b.梁、柱相对相对线刚度(取中框架)假设边横梁地相对线刚度为1,则中横梁地相对线刚度为0.73,,2—5层柱地相对线刚度为1.12,底层相对线刚度为0.81DXDiT。
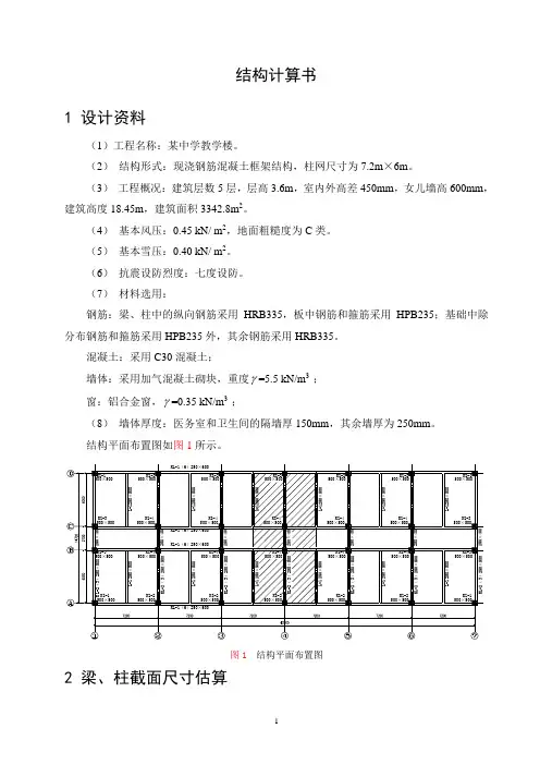
结构计算书1 设计资料(1)工程名称:某中学教学楼。
(2)结构形式:现浇钢筋混凝土框架结构,柱网尺寸为7.2m×6m。
(3)工程概况:建筑层数5层,层高3.6m,室内外高差450mm,女儿墙高600mm,建筑高度18.45m,建筑面积3342.8m2。
(4)基本风压:0.45 kN/ m2,地面粗糙度为C类。
(5)基本雪压:0.40 kN/ m2。
(6)抗震设防烈度:七度设防。
(7)材料选用:钢筋:梁、柱中的纵向钢筋采用HRB335,板中钢筋和箍筋采用HPB235;基础中除分布钢筋和箍筋采用HPB235外,其余钢筋采用HRB335。
混凝土:采用C30混凝土;墙体:采用加气混凝土砌块,重度γ=5.5 kN/m3 ;窗:铝合金窗,γ=0.35 kN/m3 ;(8)墙体厚度:医务室和卫生间的隔墙厚150mm,其余墙厚为250mm。
结构平面布置图如图1所示。
图1 结构平面布置图2 梁、柱截面尺寸估算2.1 梁截面尺寸估算框架梁截面高度11(~)1612h l =,截面宽度11(~)32b h =,本结构中取:纵向框架梁: b=250mm h=600mm 横向AB 、CD 跨框架梁: b=250mm h=500mm 横向BC 跨框架梁: b=250mm h=400mm 次梁: b=250mm h=500mm2.2 柱截面尺寸估算框架柱的截面尺寸11~1218c i b H ⎛⎫= ⎪⎝⎭,()12c c h b = ,i H 为第i 层层高。
本结构中层高为3.6m ,故c b =(200~300)mm 。
框架柱截面尺寸还应根据公式[]c cNA f μ≥N 估算。
式中:()1.1 1.2v N N = ,v N =负荷面积×(12~14) kN/ m 2×层数,[]μN 为轴压比,可根据规范查出。
仅估算底层柱。
本结构中,边柱和中柱负荷面积分别为(7.2⨯3)m 2 ,(7.2⨯4.35)m 2,层数为5层;该框架结构抗震设防烈度为七度,建筑高度18.45m<30m ,因此为三级抗震,其轴压比限值[]μN =0.9。
摘要本工程是费县晨光高中教学楼,为多层钢筋混凝土框架结构,共五层,层高为3.6米,建筑物总高度为19.100米。
在遵循“适用、安全、经济、美观”的设计原则和国家有关现行建筑结构设计规范与标准的基础上,进行了教学楼的建筑与结构初步设计,获得了该建筑物初步设计阶段的建筑CAD设计图纸与技术指标,确定了结构布置方案与结构计算模型。
先进行了层间荷载代表值的计算,然后按底部剪力法计算水平地震荷载作用下大小,进而求出在水平荷载作用下的结构内力(弯矩、剪力、轴力)。
接着计算竖向荷载(恒载、活荷载以及雪荷载)作用下的结构内力,找出最不利的一组或几组内力组合。
选取最安全的结果计算配筋并绘图。
此外还进行了结构方案中的室内楼梯的设计(完成了平台板,梯段板,平台梁等构件的内力和配筋计算)、楼盖的设计(完成了板的配筋和梁的配筋)、基础的设计(完成了基础的配筋)关键词:钢筋混凝土,框架,结构设计AbstractThisis a teaching building of a Chenguang chool inFeixian.It is amulti-layer reinforcedconcrete frame. It has five stories, the height of the storey is 3.6 meters.Theheight of thewhole building is 18.75 meters.Inaccordance with thedesign principle of “applicability、safety、economy、aesthetic”and the prese ntcodes and standards of the architectural andstructuraldesign, the primary architectural andstructuraldesignof buildingiscarried out.After gettingthe architectural drawing fromCADdesign,the anthor decidesthe structuralschem eandthe structural calculation modelWhenthe directionsoftheframesis determined,firstlytheweight of each floor is calculated . Then making theamount of the horizontal seismic force can begotby way ofthebottom-shear force method. The seismic force can be assignedaccordingtothe shearing stiffnessofthe frames of the different axis.Then theinternalforce(bending moment,shearing force,axialforce &snow force)in the structure under thehorizontalloads can beeasily calcul ated. After the determination ofthe internal force under th edeadandlive loads, the combination ofinternalforce can be made by using theExcel software, whose purpose isto find one or several setsof the most adverse internal force of the wall limbsand thecoterminous girders, which will be the basis of protractingthe reinforcing drawingsof the components. The design of the stairs is alsobe approached bycalculating theinte rnal force and reinforcing such components as landing slab, step board.The design of floorslab is also becompleted in the end.Keywords:ﻩreinforced concrete;frame;the design of the structure前言毕业设计作为大学本科教育培养目标,是土木工程专业人才培养过程中的一个重要阶段,是对整个大学四年学习的检验和考核,是深化、拓宽教学成果的重要过程。
(完整版)框架结构毕业设计计算书钢筋混凝⼟现浇框架设计系别:专业年级:姓名:学号:指导教师:⼀、设计任务某五层教学楼,钢筋混凝⼟现浇框架结构。
建筑平⾯为⼀字形,如图1所⽰。
底层层⾼ 4.2m,其它层⾼ 3.6m,室内外⾼差0.3m。
(结构布置如下图1)图11设计内容(1)结构布置确定柱⽹尺⼨,构件截⾯尺⼨,绘制框架结构平⾯布置图。
(2)框架内⼒计算竖向荷载作⽤下可按分层法计算内⼒,⽔平荷载作⽤下按D值法计算框架内⼒。
(3)内⼒组合(4)框架梁和柱承载⼒计算①框架梁承载⼒计算包括正截⾯和斜截⾯承载⼒计算,计算梁的纵向钢筋和箍筋,并配置钢筋。
②框架柱承载⼒计算包括正截⾯和斜截⾯承载⼒计算,计算柱的纵向钢筋和箍筋,并配置钢筋。
(5)框架侧移验算验算顶点侧移和层间侧移,使之符合规范要求。
(6)绘制框架配筋施⼯图。
2设计条件(1)⽓象条件基本风压0.5+6×0.01=0.56kNm2,地⾯粗糙度为B类。
注:以现场按编号布置的为准,本⼈编号6号(2)⼯程地质条件地表下0-10m深度⼟层均可做天然地基,地基承载⼒为180kPa。
(3)屋⾯及楼⾯做法: p]]—6tg①屋⾯做法:现浇楼板上铺膨胀珍珠岩保温层(檐⼝处厚100mm,2%⾃两侧檐⼝向中间找坡);1:2⽔泥砂浆找平层厚20mm;现浇混凝⼟楼板100mm;15mm厚纸筋⾯⽯灰抹。
②楼⾯做法:顶层为20mm厚⽔泥砂浆找平;5mm厚1:2⽔泥砂浆加“107”胶⽔着⾊粉⾯层;现浇混凝⼟楼板;底层为15mm厚纸筋⾯⽯灰抹底。
(4)楼⾯屋⾯活荷载为:1.5+28×0.01=1.78 kNm2(注:楼⾯、屋⾯活荷载以现场按学号布置的为准,本⼈学号28)⼆.框架结构计算过程1.平⾯布置(1)结构平⾯布置(见图2)图 2 结构平⾯布置(2)构件尺⼨确定边跨(AB、CD)梁:取中跨(BC)梁:取框架柱⾃重0.3×0.45×3.6×25=12.15 kN(柱⼦粉刷算在墙体之中)连系梁传来的楼⾯⾃重0.5×4.5×0.5×4.5×3.24=16.4 kN中间层边节点集中荷载 118.5 Kn中柱连系梁⾃重11.25 kN中柱粉刷0.92 kN内纵墙⾃重4.5×(3.6-0.4)×0.24×19=65.66 kN内纵墙粉刷4.5×(3.6-0.4)×2×0.02×17=9.79 kN框架柱⾃重12.15 kN(柱⼦粉刷算在墙体之中)连系梁传来的楼⾯荷载0.5×(4.5+4.5-3)×1.5×3.24=14.58 kN0.5×4.5×2.25×3.24=16.4kN中间层终结点集中荷载 130.75 Kn e)恒荷载作⽤下的结构简图如图5图5 恒荷载作⽤下结构计算简图(2)活荷载计算屋⾯活荷载1.78KNm2,楼⾯活荷载1.78KNm2,⾛廊楼⾯活荷载1.78KNm2。
一、工程概况1.工程概况1.1建设项目名称:中学教学楼本工程建筑功能为公共建筑,使用年限为50年;建筑平面的横轴轴距为6.0m ,纵轴轴距为5.4m 和4.5m ;内、外墙体材料为陶粒混凝土空心砌块,外墙装修使用乳白色涂料仿石材外墙涂料,内墙装修喷涂乳胶漆,教室内地面房间采用水磨石地面,教室房间墙面主要采用石棉吸音板,门窗采用塑钢窗和装饰木门。
全楼设楼梯两部。
1.2建筑地点:重庆沙坪坝 1.3设计资料:1.3.1.地质水文资料:根据工程地质勘测报告,拟建场地地势平坦,表面为平均厚度0.3m 左右的杂填土,以下为1.2~1.5m 左右的淤泥质粘土,承载力的特征值为70kN/m 2,再下面为较厚的垂直及水平分布比较均匀的粉质粘土层,其承载力的特征值为180kN/m 2,可作为天然地基持力层。
1.3.2抗震设防要求:六度四级设防1.3.3.底层室内主要地坪标高为±0.000,相当于黄海高程220.5m 。
1.3.4.地下潜水位达黄海高程213.5m, 对本工程无影响。
1.4主要构件材料及尺寸估算 1.4.1主要构件材料框架梁、板、柱采用现浇钢筋混凝土构件, 墙体采用混凝土空心砌块,混凝土强度:梁、板、柱均采用C30混凝土,钢筋使用HPB235,HPB335,HRB 400三种钢筋。
1.4.2.主要构件的截面尺寸、 按高跨比条件,当mm l h 55401=≥时,满足刚度要求,可不验算挠度。
对于工业建筑的楼盖板,要求mm h 80≥,取板厚mm h 100=3、次梁的截面高度应满足 121(=h ~475()181=L ~mm )316,取mm h 400= 则21(=b ~133()31=h ~mm )200,取mm b 200=。
4、主梁的截面高度应该满足81(=h ~440()141=L ~mm )660,mm h 400=,则21(=h ~200()31=h ~mm )300,取mm b 250=。
毕业设计结构计算书指导老师:刘文华1、结构选型与布置(1)结构选型本建筑只有4层,且为教学楼,为便于办公及其他要求,采用大开间。
为使结构的整体刚度较好,楼面、屋面、楼梯等主要受力构件均采用现浇框架结构。
基础为柱下独立基础。
(2)结构布置框架结构应设计成双向梁柱抗侧力体系,框架梁、柱中心线宜重合。
根据建筑设计,本结构平面图布置如图所示。
图1-1 结构平面布置图本建筑柱距为4.1米,根据结构布置,本建筑板均为双向板,板厚120mm。
l h )81181(-=mm mm mm 60120240⨯⨯2/18m kN =γ本建筑的材料选用如下:混凝土:C30 钢筋:纵向受力钢筋采用热轧钢筋HRB400,其余采用热轧钢筋HPB235墙体:外纵墙、分户墙采用灰砂砖,其尺寸为 ,重度门窗 :钢塑2、框架计算简图和梁柱线刚度计算图1-1所示的框架结构体系纵向和横向均为框架结构,是一个空间结构体系,理应按空间结构进行计算。
但是,采用手算和借助简单的计算工具计算空间框架太过复杂,《高层建筑混凝土结构技术规定》(JGJ3-2002)允许在纵、横两个方向将其按平面框架计算。
夲计算书只做横向平面框架计算,纵向平面框架的计算方法与横向相同,从略。
本计算中,横向柱距4.1米,荷载基本相同,可选用一品框架进行计算与配筋,其余框架可参照次榀框架进行配筋。
现以4号轴线的KL-4为计算单元。
(1)梁、柱截面尺寸估算1)框架横梁截面尺寸框架横梁截面高度 ,截面宽度 。
本结构中,取, mm b 240=,mm h 400=2)框架柱截面尺寸 底层柱轴力估算:假定结构每平方米总荷载设计值12kN ,则底层中柱的轴力设计值约为: KN N 32.121061.41.412=⨯⨯⨯=。
采用C30混凝土浇捣,查的 。
假定2/35.0m kN =γh b )2131(-=Mpa f c 3.14=28.06006003.141458000=⨯⨯==c fbh N u柱子截面尺寸 ,则柱的轴压比为:故符合要求。
毕业设计(论文)计算书(结构部分设计)题目:南昌市第六中学教学楼专业:班级:学号:姓名:指导教师:一、工程概况:1、工程名称:南昌市第六中学教学楼2、建筑地点:南昌市建设路绿茵街地段3、建筑规模:1) 建筑总面积: 3965m22) 建筑层数: 整体三层。
(上人屋面)3) 结构类型: 钢筋混凝土框架结构4) 层高: 3.9m4、建筑功能:①普通教室18间70m2/间②语音教室2间140 m2/间(含辅助用房)③微机教室2间140 m2/间(含辅助用房)④阅览室1间140m2/间⑤活动室1间140m2/间⑥大会议室1间140m2/间⑦办公室12间行政办公室6间30m2/间教师办公室6间45m2/间⑧走廊走廊为2.4m宽⑨楼梯共三个楼梯⑩厕所每层设男女厕所各两个其他: 收发,贮藏室5、建筑技术条件(一)气象条件:1) 常年主导风向: 西北风2) 夏季主导风向: 西南风3) 平均风速: 夏季3.1m/s,冬季4m/s4) 基本风压: Wo=0.40KN/m25) 基本雪压: So=0.35KN/m2最大积雪深度:11cm6) 最高气温: 40.6℃最低气温: --9.3℃7) 最冷月平均温度: 4.5℃(1—2月)8) 最热月平均温度: 29.7℃(7—9月)9) 最大降雨量: 50.4mm/h月最大降雨量:184.3mm(4—6月)(二)工程地质条件1) 天然地面以下1m厚为填土,地基标准承载力为120KN/m2.填土以下的2m厚为粘土,地基承载力为250KN/m2.粘土以下为中密粗砂层, 地基承载力为300KN/m2。
2) 地下水位:天然地面以下4m处3) 地震设防烈度: 6度(三)施工条件1)施工单位:南昌市第二建筑公司2)施工人员:各工种工人数均不受限制,但要求不分工种劳动力不均衡系数K<1.63)材料供应:各种材料均可保证供应4)预制构件和模板、钢筋骨架、门窗等半成品:可由公司构件厂供应(运距10公里)5)机械设备:除大吊装机械外,施工单位均能解决。
南京工业大学成人教育学院毕业设计题目:南京市某高中教学楼姓名:学号:专业:指导教师:校外站点:2007年11月目录摘要 (1)一建筑设计 (3)1.1 基本设资料 (3)1.2 建筑设计说明 (3)1.3 建筑构造与做法 (4)二结构设计说明 (5)2.1 结构造型确定 (5)2.2 结构设计原则 (9)2.3 结构布置 (10)三框架设计 (12)3.1工程概况 (12)3.2设计资料 (12)3.3设计内容 (13)3.4荷载计算 (14)3.5水平地震力作用下框架侧移计算 (17)3.6竖向荷载作用下横向框架的内力分析 (23)3.7内力组合 (35)3.8截面设计 (39)3.9节点设计 (52)四板的计算 (54)4.1单向板的配筋计算 (54)4.2双向板的配筋计算 (56)五楼梯设计 (58)5.1荷载和受力计算 (58)5.2配筋面积计算 (60)5.3、配筋结果 (61)六基础设计 (53)6.1设计资料 (61)6.2地下水情况 (63)6.3场地抗震评价 (63)6.4 承载力计算 (63)致谢 (65)参考文献 (66)摘要本次毕业设计的题目是南京市某高中教学楼。
综合考虑建筑地理位置、建筑使用功能和建筑结构安全性能,教学楼采用钢筋混凝土框架结构。
南京地区抗震设防为七度,进行结构方案选择时要考虑抗震要求。
从结构的安全方面考虑,最好采用规则结构;同时要考虑建筑使用功能要求,并且在建筑立面效果要符合教学楼的特点。
综合考虑,选取了本次设计的建筑方案与结构方案。
本设计包括建筑设计和结构设计两大部分。
建筑设计主要是确定建筑方案,包括平面、立面和剖面的设计;结构设计主要分为结构方案布置、荷载计算、内力计算、内力组合、截面设计、板设计、楼梯设计和基础设计。
设计过程采用手算完成,最后上机进行校核。
由于缺乏实际工程经验,设计过程中,对于平、立、剖建筑设计还存在一些问题;结构计算综合运用能力欠缺,设计时间紧张,设计中错误难免,敬请各位老师批评指正,谢谢!关键词:建筑设计、结构设计、钢筋混凝土框架结构AbstractThe topic of my graduation design is Some high school classroom building of Nanjing. Having considered building geographical position, building function and safe performances synthetically of the structure, the building adopt reinforced concrete frame structure. The area of Nanjing sets up defences for antidetonation of seven degrees, the require of antidetonation have to be considered on the scheme choice of the structure. Meanwhile , regular structure is always been choosed account of the structure safety. At the same time, the function of the use of the building and the elevation equipment should also reinforced concrete frame structure considered to make the structure scheme more reasonable. The architectural and structural scheme have been choosed account of the factors referred above.This design includes two parts: architecture design and structure design. The main task in architecture design is to decide the architecture scheme, such as plane design, facade design and section design; and in structure design is the structure layout, load calculation, internal force calculation and combination, section design, slab design, stairs design and foundation design. All the results in the design are calculated by manual labor,and at the end of the design the results are checked by the computerAlthough I go all out into the graduation design, I am still insufficient in plane design, facade design and section design, and am also inadequate in structural calculation ability because of lacking of practical engineering experience. The design process is intense, thus the design is less than satisfactory. All critical opinions and proposals arequite welcomed. Thank you very much dear sirs!key words: architectural design、structural design 、reinforced concrete frame structure.一建筑设计1.1 基本设计资料工程名称:南京市某高中教学楼设计建筑物所在地:江苏省南京市某区工程概况:本项目为南京市某高中教学楼,拟建于南京某区内,建筑的主要功能用做教学。
3 结构设计说明3.1 工程概况某中学教学楼,设计要求建筑面积约2000--4000m2,3-4层。
经多方论证,初步确定设为四层,结构为钢筋混凝土框架结构。
3.2 设计主要依据和资料3.2.1 设计依据a) 国家及江苏省现行的有关结构设计规范、规程及规定。
b) 本工程各项批文及甲方单位要求。
c) 本工程的活载取值严格按《建筑结构荷载规范》(GB50009-2001)执行。
3.2.2 设计资料1 房屋建筑学武汉工业大学出版社2 混凝土结构(上、下)武汉理工大学出版社3 基础工程同济大学出版社4 建筑结构设计东南大学出版社5 结构力学人民教育出版社6 地基与基础武汉工业大学出版社7 工程结构抗震中国建筑工业出版社8 简明建筑结构设计手册中国建筑工业出版社9 土木工程专业毕业设计指导科学出版社10 实用钢筋混凝土构造手册中国建筑工业出版社11 房屋建筑制图统一标准(BG50001-2001)中国建筑工业出版社12 建筑结构制图标准(BG50105-2001)中国建筑工业出版社13 建筑设计防火规范(GBJ16—87)中国建筑工业出版社14 民用建筑设计规范(GBJI0I8-7)中国建筑工业出版社15 综合医院建筑设计规范(JGJ49-88)中国建筑工业出版社16 建筑楼梯模数协调标准(GBJI0I-87)中国建筑工业出版社17 建筑结构荷载规范(GB5009-2001)中国建筑工业出版社18 建筑结构可靠度设计统一标准(GB50068-2001)中国建筑工业出版社19 混凝土结构设计规范(GB50010—2002)中国建筑工业出版社20 地基与基础设计规范(GB5007-2002)中国建筑工业出版社21 建筑抗震设计规范(GB50011—2001)中国建筑工业出版社22 砌体结构中国建筑工业出版社23 简明砌体结构设计施工资料集成中国电力出版社24 土木工程专业毕业设计指南中国水利水电出版社25 土建工程图与AutoCAD 科学出版社26 简明砌体结构设计手册机械工业出版社27 砌体结构设计手册中国建筑工业出版社28 砌体结构设计规范(GB50010—2002)中国建筑工业出版社本工程采用框架结构体系,抗震等级为四级。
框架结构中学教学楼毕业设计计算书篇一:土木工程毕业设计五层教学楼框架结构计算书安徽建筑大学摘要本工程是费县晨光高中教学楼,为多层钢筋混凝土框架结构,共五层,层高为3.6米,建筑物总高度为19.100米。
在遵循“适用、安全、经济、美观”的设计原则和国家有关现行建筑结构设计规范与标准的基础上,进行了教学楼的建筑与结构初步设计,获得了该建筑物初步设计阶段的建筑CAD设计图纸与技术指标,确定了结构布置方案与结构计算模型。
先进行了层间荷载代表值的计算,然后按底部剪力法计算水平地震荷载作用下大小,进而求出在水平荷载作用下的结构内力(弯矩、剪力、轴力)。
接着计算竖向荷载(恒载、活荷载以及雪荷载)作用下的结构内力,找出最不利的一组或几组内力组合。
选取最安全的结果计算配筋并绘图。
此外还进行了结构方案中的室内楼梯的设计(完成了平台板,梯段板,平台梁等构件的内力和配筋计算)、楼盖的设计(完成了板的配筋和梁的配筋)、基础的设计(完成了基础的配筋)关键词:钢筋混凝土,框架,结构设计安徽建筑大学AbstractThis is a teaching building of a Chenguang chool in Feixian. It is a multi-layer reinforced concrete frame. It has five stories, the height of the storey is 3.6 meters.The height of the whole building is 18.75 meters. In accordance with the design principle of “applicability、safety、economy、aesthetic”and the present codes and standards of the architectural and structural design, the primary architectural and structural design of building is carried out. After getting the architectural drawing from CAD design, the anthor decides the structural scheme and the structural calculation model of the bottom-shear force method. The seismic force can be assigned according to the shearing stiffness of the frames of the different axis. Then the internal force (bending moment, shearing force,axial force &snow force) in the structure under the horizontal loads can be easily calculated. After the determination of the internal force under the dead and live loads, the combination of internal force can be made by using the Excel software, whose purpose is to find one or several sets of the most adverse internalforce of the wall limbs and the coterminous girders, which will be the basis of protracting the reinforcing drawings of the components. The design of the stairs is also be approached by calculating the internal force and reinforcing such components as landing slab, step board.The design of floorslab is also be completed in the end.Keywords: reinforced concrete;frame; the design of the structure安徽建筑大学前言毕业设计作为大学本科教育培养目标,是土木工程专业人才培养过程中的一个重要阶段,是对整个大学四年学习的检验和考核,是深化、拓宽教学成果的重要过程。
通过设计理论联系实际,使我能更加的深入的了解我们的这个专业,也能为以后的学习与工作打下坚实的基础。
同时也培养了我们独立解决问题的能力、自学的能力和集体合作的工作作风。
本毕业设计的题目为安徽省江淮地区某中学教学楼,设计的重点在方案设计(建筑部分),概念设计(结构部分),着重理解在结构设计中的结构方案选择、荷载整理、荷载组合、抗震设计要求、内力组合、框架节点构造、基础设计要点、施工技术措施、施工进度安排等。
建筑设计主要解决以下问题:环境、场地、体形;与人的活动有关的空间组织;建筑技术问题;建筑艺术问题。
在建筑设计过程中,了解建筑工程的要求和法规,根据各种结构形式的适用范围和特点来确定结构应该使用的最佳结构形式。
结构设计主要解决以下问题:结构形式;结构材料;结构的安全性、适用性、耐久性;结构的连接构造和施工方法。
本结构采用一榀框架为计算单元,根据结构的受荷情况分析受力,采用不同的方式分别计算出各种荷载作用下的弯矩、剪力、轴力,然后进行内力组合,选择最不利的内力组合进行截面设计,以保证结构有足够的强度和稳定性。
本毕业设计是在老师指导与自己合理的安排设计进度下完成的。
由于自己水平有限,难免有不妥和疏忽之处,敬请各位老师批评指正。
安徽建筑大学目录摘要 ........................................ 错误!未定义书签。
Abstract.........................................错误!未定义书签。
前言 ........................................ 错误!未定义书签。
第 1 章建筑设计说明 ............................ 错误!未定义书签。
1.1 工程概况 ................................ 错误!未定义书签。
1.2 立面布置 (2)1.3 荷载 ................................................ . (2)1.4 研究思路 (3)1.5 平面设计 (4)1.6 剖面设计 (6)1.6.1 房间各部分高度 (6)1.6.2 剖面图表达和尺寸标注 .............. 错误!未定义书签。
1.7 立面设计 (7)1.7.1 立面设计步骤和方法 (7)1.7.2 立面的表达及尺寸标注 (8)1.8 建筑构造设计 ............................ 错误!未定义书签。
第2章结构设计 .................................................102.1结构体系的选择和确定 (10)2.1.1 结构布置 (10)2.1.2 基础方案 (11)2.1.3楼梯方案 .......................... 错误!未定义书签。
2.1.4建筑材料的选取 .................... 错误!未定义书签。
2.2构件尺寸初选 ............................ 错误!未定义书签。
2.2.1主梁 .............................. 错误!未定义书签。
1安徽建筑大学2.2.2框架柱 ............................ 错误!未定义书签。
2.2.3楼板 .............................. 错误!未定义书签。
第3章结构设计计算 ............................ 错误!未定义书签。
3.1设计柱、基础、主梁时采用的楼面均布活荷载标准值:错误!未定义书签。
3.2重力荷载计算 ............................ 错误!未定义书签。
3.2.1屋面及楼面永久荷载标准值计算 ...... 错误!未定义书签。
3.2.2梁、柱、墙、门窗重力荷载计算 ...... 错误!未定义书签。
3.3重力荷载代表值 .......................... 错误!未定义书签。
3.4框架梁线刚度计算 ........................ 错误!未定义书签。
3.4.1框架梁线刚度计算 .................. 错误!未定义书签。
3.4.2框架柱线刚度计算 .................. 错误!未定义书签。
3.4.3柱抗侧移刚度计算 .................. 错误!未定义书签。
3.5横向水平荷载作用下框架结构的内力和侧移计算错误!未定义书签。
3.5.1横向水平地震作用下框架结构的内力和侧移计算错误!未定义书签。
3.5.2 横向风荷载作用下框架结构的内力和侧移计算 (30)3.6 竖向荷载作用下的结构内力计算 .......... 错误!未定义书签。
3.6.1 计算单元的选取 ................... 错误!未定义书签。
3.6.2 竖向荷载载计算 .................. 错误!未定义书签。
3.7 内力组合...............................................463.7.1 内力调整 (46)3.7.2 框架梁、柱内力组合 (48)3.8 截面设计 (55)3.8.1 承载能力极限状态验算 (55)3.8.2 一层框架梁截面设计 (55)3.8.3 框架梁AB跨的裂缝与挠度验算 (62)安徽省江淮地区某中学教学楼2 魏红霞篇二:框架教学楼毕业设计计算书第一章建筑设计说明书1. 1设计原始资料 1.1.1概况华东某市一中学拟在校园内新建一教学楼,建筑基地如图所示,场地面积为65m×20m,建筑物主要部分南北朝向。