日常安全生产检查记录表格
- 格式:docx
- 大小:55.52 KB
- 文档页数:4
施工现场实体安全隐患每日检查表填表说明一、施工现场实体安全隐患日检记录由项目专职安全管理员填写。
具体填写要求如下:1、“有无隐患”一项中,如检查中未发现安全隐患,在“无”一栏划√;如发现存在安全隐患,在“有”一栏划√,并在“隐患情况”一栏中写明具体情况;2、对检查中发现并已消除的安全隐患,在“整改结果”中的“已排除”一栏划√;3、对检查中发现但未消除的安全隐患,在“整改结果”中的“未排除”一栏划√,并在“备注”栏写明实际处置情况;4、凡是未能及时整改的安全隐患,应及时上报项目部,按照“五定”原则落实整改到位,并记入重大安全隐患整治档案,督办并确保销号。
二、每次安全检查所填写的记录必须真实准确,签字完善,不得随意涂改。
三、所填写的每日安全隐患检查表格,将作为直接责任人履行安全职责的原始凭据,应保存完整,随时备查。
施工现场实体安全隐患日检记录附件:2施工现场每周(月)检查表项目名称:金港·尚城天下一期B栋及一、二区商业门面工程建设单位:重庆金港房地产开发有限公司监理单位:重庆建新建设工程监理咨询有限公司施工单位:重庆宏宇建设工程(集团)有限公司填表说明一、每周安全检查记录应由施工单位项目负责人组织填写,具体填写要求如下:1、在“检查结果”一栏中填写检查情况,如有隐患直接填写具体问题;如无隐患,注明无,且无须填写后面两项。
2、对检查中发现存在问题的,应在“整改意见”一栏写明整改要求。
3、“整改结果”一栏应填写实际整改情况,已消除的直接写明;未消除的,应按照“五定”原则落实整改到位,并记入重大安全隐患整治档案,督办并确保销号。
二、每月安全检查记录由监理单位和施工单位企业负责人组织填写,具体填写要求同第二项。
三、每次安全检查所填写的记录必须真实准确,签字完善,不得随意涂改。
四、所填写的检查表格,将作为企业落实安全生产主体责任的原始凭据,应保存完整,随时备查。
施工现场每周(月)安全检查记录项目名称:金港·尚城天下一期B栋及一、二区商业门面工程员应对照表格所列内容对施工现场进行逐一检查,并将检查和整改情况如实填写在相应表格处。
安全生产检查记录表(综合部分)
检查人员签字:被检查部门(单位)负责人签字:
安全生产检查记录表(收费站和绿通检测站部分)
被检查部门(单位)负责人签字:检查人员签字:
安全生产检查记录表(路政部分)
被检查部门(单位)负责人签字:检查人员签字:
安全生产检查记录表(养护部分)
被检查部门(单位)负责人签字:检查人员签字:
安全生产检查记录表(运维部分)
被检查部门(单位)负责人签字:检查人员签字:
安全生产检查记录表(服务区部分)
检查人员签字:被检查部门(单位)负责人签字:
[此文档可自行编辑修改,如有侵权请告知删除,感谢您的支持,我们会努力把内容做得更好]。
日常安全生产检查记录表
日常安全生产检查记录表
日期:_________ 检查单位:__________
检查人员:_________ 序号:__________
被检单位:_________ 部门:__________
检查项目检查情况处理措施落实情况
备注
1.安全生产责任制√ 未√ 已处理未处理备注:
2.安全生产教育培训√ 未√ 已处理未处理备注:
3.安全生产管理制度√ 未√ 已处理未处理备注:
4.消防设施和器材√ 未√ 已处理未处理备注:
5.危险源管理√ 未√ 已处理未处理备注:
6.作业场所安全√ 未√ 已处理未处理备注:
7.设备设施维护√ 未√ 已处理未处理备注:
8.应急救援措施√ 未√ 已处理未处理备注:
9.事故隐患排查√ 未√ 已处理未处理备注:
10.员工安全防护√ 未√ 已处理未处理备注:
11.其他安全管理事项√ 未√ 已处理未处理备注:检查结论:
根据对以上项目的检查,所列项目中合格的项目次数为______次,不合格的项目次数为______次,合格率为______%。
同时,根据不合格项目列出的处理措施,已处理的项目次数为______次,未处理的项目次数为______次,处理率为______%。
建
议整改的项目为:______。
检查人员签名:_________ 被检单位负责人签名:_________
相关人员签名:_________
备注:。
序号
检查项目检查内容检查情况情况说明及整改措施整改落实情况1
作业区域物品是否摆放整齐,标示标牌清晰2
地面有无油污、积水、积土、烟头等杂物3
排水设施是否畅通4
灭火器是否失效损坏5
消火栓箱内配置是否损坏6
消防管道消防水带有无破裂漏水情况7
设备运行有无异常8
设备设施安全装置是否完好 9
电气设备、线路管道绝缘情况是否良好10
码头库区管道阀门法兰是否正常有无泄漏11
储罐及其附属设施是否完好12
劳动保护劳动防护用具是否按规定佩戴13
人员有无违章作业行为14
人员有无擅自离岗行为15
特种作业人员是否有不持证上岗行为16其他
检查人:日期:2015年 月 日日常巡查为每天一次,时间巡查人员自定。
检查符合记为√,不符合记为×岗位操作纪律安全生产日常巡查记录表
文明生产环境安全装置 消防设施设备运行情况。
安全生产日常检查及隐患排查记录
安全生产日常检查及隐患排查记录
伊宁县顺达出租客运有限责任公司修理厂安全生产隐患整改记录本
伊宁县顺达出租客运有限责任公司修理厂安全生产隐患整改记录情况表
隐患排查和治理情况统分析记录
伊宁县顺达出租客运有限责任公司修理厂
隐患排查和治理情况统分析表
填报单位(盖章):统计季度:年第季度
单位主要负责人(签字)填表人:填表日期:年月日
维修企业安全隐患排查登记表
备注:1、每月至少组织一次安全隐患排查;
2、对无法立即整改到位的安全隐患要限期整改完成,并做好复查记录。
维修企业安全隐患排查记录本
伊宁县顺达出租客运有限责任公司修理厂。
安全生产日常检查记录表安全生产日常检查记录表日期:___________________检查人:___________________序号检查内容存在的问题整改措施验收情况1 场所环境1.地面有积水2.设备杂乱放置3.卫生不整洁2 电气设备1.电线老化2.插头松动3.插座堆积过多3 消防设施1.灭火器过期2.消防通道被堵塞3.消防水龙头损坏4 安全教育1.员工缺乏安全意识2.新员工培训不到位3.应急逃生知识了解不清5 作业操作1.操作工具不符合要求2.操作步骤不规范3.人员缺乏安全防护用品6 物料存放1.危险化学品存放混乱2.重物高处存放3.易燃物品未分类存放7 设备维修1.设备保养不及时2.设备存在安全隐患3.设备配件缺失8 安全记录1.安全事故记录不完整2.隐患整改记录缺失3.安全巡检记录不规范检查结果:经检查,发现存在以上问题,共计有________个问题待整改。
整改情况:对于存在的问题,制定了整改措施如下:1.对于地面有积水的场所环境问题,需要加强排水处理,确保场地干燥。
2.对于设备杂乱放置的问题,需要整理和分类存放,确保设备有序摆放。
3.对于卫生不整洁的问题,需要加强清洁工作,定期进行卫生保洁。
验收情况:对于上述问题的整改工作,已经完成________个问题的整改,验收合格。
下一步计划:1.加强员工安全培训,提高员工的安全意识,确保安全行为规范。
2.加强设备维护和保养工作,定期检查设备安全状况,及时修复和更换。
3.加强安全纪录的管理,完善安全事故记录和隐患整改记录,确保安全问题的追踪和整改。
检查人签名:___________________整改人签名:___________________验收人签名:___________________。
安全生产检查表格(样表)目录一、日常安全巡视检查记录二、危险作业日常安全检查表、危险作业日常安全检查表—高处作业、危险作业日常安全检查表—爆破作业、危险作业日常安全检查表起重吊装、危险作业日常安全检查表气焊作业、危险作业日常安全检查表人工挖桩、危险作业日常安全检查表大模板安装拆除、危险作业日常安全检查表水上作业、危险作业日常安全检查表易燃易爆场所动火作业三、专项安全检查表、专项安全检查表现场布置、专项安全管理检查表—施工道路、专项安全检查表—模板工程、专项安全检查表脚手架、专项安全检查表基坑支护、专项安全检查表高边坡施工、专项安全检查表—隧洞施工、专项安全检查表—竖井、斜井施工、专项安全检查表—公路桥梁施工、专项安全检查表—安全通道、专项安全检查表预应力锚固工程、专项安全检查表化学灌浆四、专业安全检查表、专业安全检查表—车辆交通、专业安全检查表消防安全、专业安全检查表油库油罐、专业安全检查表施工现场用电、专业安全检查表施工机械、专业安全管理检查表起重机械、专业安全检查表缆机、专业安全检查表吊索吊具、专业安全检查表冰楼制冷、专业安全检查表卷扬机、专业安全检查表大型空气压缩机、专业安全检查表压力钢管安装五、季节性安全检查表、季节性安全检查表冬季施工、季节性安全检查表夏季施工、季节性安全检查表雨季施工、季节性安全检查表风季施工、季节性安全检查表节假日施工、季节性安全检查表防汛六、安全生产检查报告附表日常安全巡视检查记录记录编号:安全巡视检查人员:现场值班领导:日期:表危险作业日常安全检查表—高处作业记录号:工程项目(单位):使用编号:表危险作业日常安全检查表—爆破作业记录号:检查人:负责人:年月日表危险作业日常安全检查表起重吊装记录号:检查人:负责人:年月日表危险作业日常安全检查表气焊作业记录号:检查人:负责人:年月日表危险作业日常安全检查表人工挖桩记录号:检查人:负责人:年月日表危险作业日常安全检查表大模板安装拆除记录号:工程项目(单位)使用编号:表危险作业日常安全检查表水上作业记录号:表危险作业日常安全检查表易燃易爆场所动火记录号:检查人:负责人:年月日。
安全生产检查表格(样表)目录一、日常安全巡视检查记录二、危险作业日常安全检查表1、危险作业日常安全检查表—高处作业2、危险作业日常安全检查表—爆破作业3、危险作业日常安全检查表-起重吊装4、危险作业日常安全检查表-气焊作业5、危险作业日常安全检查表-人工挖桩6、危险作业日常安全检查表-大模板安装拆除7、危险作业日常安全检查表-水上作业8、危险作业日常安全检查表-易燃易爆场所动火作业三、专项安全检查表1、专项安全检查表--现场布置2、专项安全管理检查表—施工道路3、专项安全检查表—模板工程4、专项安全检查表-脚手架5、专项安全检查表-基坑支护6、专项安全检查表-高边坡施工7、专项安全检查表—隧洞施工8、专项安全检查表—竖井、斜井施工9、专项安全检查表—公路桥梁施工10、专项安全检查表—安全通道11、专项安全检查表-预应力锚固工程12、专项安全检查表-化学灌浆四、专业安全检查表1、专业安全检查表—车辆交通2、专业安全检查表-消防安全3、专业安全检查表-油库油罐4、专业安全检查表-施工现场用电5、专业安全检查表-施工机械6、专业安全管理检查表-起重机械7、专业安全检查表-缆机8、专业安全检查表-吊索吊具9、专业安全检查表-冰楼制冷10、专业安全检查表-卷扬机11、专业安全检查表-大型空气压缩机12、专业安全检查表-压力钢管安装五、季节性安全检查表1、季节性安全检查表-冬季施工2、季节性安全检查表-夏季施工3、季节性安全检查表-雨季施工4、季节性安全检查表-风季施工5、季节性安全检查表-节假日施工6、季节性安全检查表-防汛六、安全生产检查报告附表1 日常安全巡视检查记录记录编号:安全巡视检查人员:现场值班领导:日期:表2-1 危险作业日常安全检查表—高处作业记录号:工程项目(单位):使用编号:表2-2 危险作业日常安全检查表—爆破作业记录号:检查人:负责人:年月日表2-3 危险作业日常安全检查表-起重吊装记录号:检查人:负责人:年月日表2-4 危险作业日常安全检查表-气焊作业记录号:检查人:负责人:年月日表2-5 危险作业日常安全检查表-人工挖桩记录号:检查人:负责人:年月日表2-6 危险作业日常安全检查表-大模板安装拆除记录号:工程项目(单位)使用编号:表2-7 危险作业日常安全检查表-水上作业记录号:表2-8 危险作业日常安全检查表-易燃易爆场所动火记录号:检查人:负责人:年月日表3-1 专项安全检查表--现场布置记录编号:检查人:负责人:年月日表3-2 专项安全管理检查表—施工道路记录号:检查人:负责人:年月日表3-3 专项安全检查表—模板工程记录号:表3-4 专项安全检查表-脚手架记录号:检查人:负责人:年月日表3-5 专项安全检查表-基坑开挖支护记录号:检查人:负责人:年月日记录号:记录号:表3-8 专项安全检查表—竖井、斜井施工记录号:表3-9 专项安全检查表—公路桥梁施工记录号:表3-10 专项安全检查表—安全通道记录号:检查人:负责人:年月日表3-11 专项安全检查表-预应力锚固工程记录号:检查人:负责人:年月日表3-12 专项安全检查表-化学灌浆记录号:检查人:负责人:年月日表4-1 专业安全检查表—车辆交通记录号:检查人:负责人:年月日表4-2 专业安全检查表-消防安全记录号:检查人:负责人:年月日表4-3 专业安全检查表-油库油罐记录号:检查人:负责人:年月日表4-4 专业安全检查表-施工现场用电记录号:表4-5 专业安全检查表-施工机械记录号:工程项目(单位)使用编号:检查人:负责人:年月日表4-6 专业安全管理检查表-起重机械记录号:检查人:负责人:年月日表4-7 专业安全检查表-缆机记录号:检查人:负责人:年月日表4-8 专业安全检查表-吊索吊具记录号:检查人:负责人:年月日表4-9 专业安全检查表-冰楼制冷记录号:工程项目(单位)使用编号:表4-10 专业安全检查表-卷扬机记录号:工程项目(单位)使用编号:表4-11 专业安全检查表-大型空气压缩机记录号:检查人:负责人:年月日表4-12 专业安全检查表-压力钢管安装记录号:检查人:负责人:年月日记录号:检查人:负责人:年月日记录号:检查人:负责人:年月日记录号:检查人:负责人:年月日记录号:检查人:负责人:年月日表5-5 季节性安全检查表-节假日施工记录号:表5-6 季节性安全检查表-防汛记录号:检查人:负责人:年月日安全生产检查报告检查负责人:受检单位负责人:参加检查人员:。
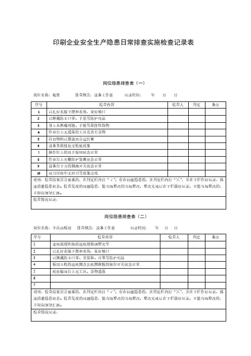
印刷企业安全生产隐患日常排查实施检查记录表
岗位隐患排查表(一)
岗位名称:裁剪排查频次:设备工作前记录时间:年月日
岗位隐患排查表(二)
岗位名称:全自动模切排查频次:设备工作前记录时间:年月日
岗位隐患排查表(三)
岗位名称:半自动模切排查频次:设备启动前记录时间:年月日
岗位隐患排查表(四)
岗位名称:烫金排查频次:设备启动前记录时间:年月日
岗位隐患排查表(五)
岗位名称:胶印排查频次:设备工作前记录时间:年月日
岗位隐患排查表(六)
岗位名称:全自动糊盒排查频次:设备工作前记录时间:年月日
岗位隐患排查表(七)
岗位名称:仓储排查频次:每天下班前记录时间:年月日
岗位隐患排查表(八)
岗位名称:叉车司机记录时间:年月日。
安全生产日常检查表(周检)
一、场所及设备安全检查
1. 检查场所是否清洁整齐、无杂物堆放;设备是否使用正常、无损坏。
2. 检查紧急出口和安全通道是否畅通无阻,安全标志是否清晰明确。
3. 检查电源和电线是否正常使用,是否有漏电、短路等安全隐患。
4. 检查消防设施是否完好有效,灭火器是否处于有效状态。
二、作业过程安全检查
1. 检查作业区域是否设置警示标志,是否存在作业障碍物。
2. 检查工作人员是否佩戴必要的个人防护用具,是否正确使用安全设备。
3. 检查作业操作是否符合安全规范,是否存在违章操作情况。
4. 检查危险品存放、使用是否符合相关规定,是否存在泄漏、违规使用等情况。
三、员工安全培训及管理
1. 检查员工是否按照规定参加必要的安全培训,并记录培训情况。
2. 检查员工是否佩戴工作证、安全帽等身份识别和防护用具。
3. 检查岗位职责是否明确,员工是否了解相关安全操作规程。
四、其他安全问题
1. 检查员工反映的安全问题,及时记录并进行整改。
2. 检查工作区域、设备周边环境的安全隐患,采取相应措施消
除隐患。
五、检查结果记录及整改情况
1. 详细记录检查结果,包括存在的安全隐患和整改建议。
2. 制定整改计划,明确整改的时间节点和责任人。
3. 监督整改进展情况,确保安全隐患得到及时有效解决。
以上为安全生产日常检查表(周检),请根据实际情况进行检查,并做好记录和整改工作。
安全生产是我们的首要任务,希望大家共
同努力,确保工作场所的安全和员工的健康!。
安全生产巡查记录表格模板安全生产巡查记录表格模板日期:________________地点:________________巡查人员:________________序号 | 巡查内容 | 巡查结果 | 处理措施 | 备注-----|------------------------------------|----------|------------------|--------1 | 建筑物外观 | | |2 | 建筑物安全出口标识 | | |3 | 灭火设备完好并易于使用 | | |4 | 电气设备线路安全 | | |5 | 仓库堆放物品合理有序 | | |6 | 生产机器设备运行正常 | | |7 | 防护设施使用情况 | | |8 | 作业人员佩戴个人防护装备 | | |9 | 废弃物处理合规 | | |10 | 应急设施是否到位 | | |备注:______________________________________________________ _______以上为安全生产巡查记录表格模板,用于记录安全生产巡查的内容、结果和处理措施。
根据实际情况,在表格中填写具体的内容。
下面将对每个巡查内容进行详细说明。
1. 建筑物外观:检查建筑物外观是否存在安全隐患,如墙体开裂、玻璃破损等。
2. 建筑物安全出口标识:检查建筑物内部是否设置了安全出口标识,并确认标识是否清晰可见。
3. 灭火设备完好并易于使用:检查灭火设备(如灭火器、灭火栓等)是否处于正常工作状态,并且易于使用。
4. 电气设备线路安全:检查电气设备的线路是否存在短路、漏电等安全隐患,并确认线路是否整齐、清晰可见。
5. 仓库堆放物品合理有序:检查仓库内的物品是否堆放整齐、合理,避免物品倾倒、堆垛不稳等安全问题。
6. 生产机器设备运行正常:检查生产机器设备是否正常工作,包括运行平稳、声音正常等。
7. 防护设施使用情况:检查是否有必要的防护设施(如安全网、护栏等)并确认其使用情况。
安全生产日常检查记录
安全生产日常检查记录
日期:xxxx年xx月xx日
地点:xxxx生产车间
检查人:张三
检查项目:
1. 用电安全;
2. 用火安全;
3. 机械设备安全;
4. 作业人员安全防护;
5. 生产环境安全。
检查内容及结果:
1. 用电安全:
检查了车间的电线、插座、电器设备等,没有发现漏电、短路、线路老化等问题,各电器设备运行正常,员工用电安全意识较高。
2. 用火安全:
检查火源放置、燃气设备、明火作业等情况,发现所有火源放置得当,燃气设备完好,明火作业场所有专用防护措施,员工遵守禁烟、禁火规定。
3. 机械设备安全:
检查了车间内所有的机械设备,发现设备运行平稳,无明显异响或震动,各个保护设备齐全有效,没有发现未及时进行维修、保养的设备。
4. 作业人员安全防护:
检查了作业人员个人防护用品佩戴情况,发现所有人员均佩戴安全帽、防护眼镜、防护手套等个人防护用品,并按规定使用。
教育了部分人员对个人防护用品的重要性,提醒他们始终保持防护用具的完好。
5. 生产环境安全:
检查了车间的排水系统、消防设备、通风系统、紧急疏散通道等,发现排水系统畅通无堵塞,消防设备齐全且处于可使用状态,通风系统正常运行,紧急疏散通道无堆积物。
综上所述,本次安全生产日常检查结果较好,没有发现较大安全隐患,但仍有部分员工对个人防护用品的重要性不够重视,故需继续加大培训宣传力度。
另外,车间仍需定期清理维护,确保设备和环境安全。
检查人:(签名)。
安全生产日常检查及隐患排查记录日期:年月日检查人:检查内容:隐患排查情况:本次安全生产日常检查着重对工作场所的安全设施、用电设备、生产工艺流程、职工的安全意识等方面进行了全面检查,并进行了隐患排查。
以下是检查及隐患排查的具体记录:1.工作场所安全设施检查:a)灭火器、灭火器箱是否正常,有效期是否过期。
b)疏散指示标志是否完好,是否容易辨识。
c)通道是否畅通,是否有阻塞物。
d)地面是否平整,是否有滑倒、绊倒的隐患。
e)应急照明是否正常,蓄电池是否正常充电。
检查结果:灭火器及其箱体正常,有效期未过期。
疏散指示标志完好且易辨识。
通道畅通无障碍物。
地面平整无滑倒、绊倒隐患。
应急照明正常,蓄电池正常充电。
2.用电设备安全检查:a)电气设备的接地是否良好。
b)用电设备是否存在漏电现象。
c)电线电缆是否损坏。
d)电气箱内是否有积尘,是否存在火源隐患。
检查结果:电气设备接地良好。
用电设备未发现漏电现象。
电线电缆未发现损坏。
电气箱内无积尘,不存在火源隐患。
3.生产工艺流程检查:a)生产工艺是否规范,是否存在违法操作。
b)危险品的储存是否符合相关规定。
c)生产过程中是否存在高温、高压、易燃易爆等危险环境。
d)生产过程中是否存在工人操作不当造成的潜在危险。
检查结果:生产工艺规范,无违法操作。
危险品储存符合相关规定。
生产过程中不存在高温、高压、易燃易爆等危险环境。
生产过程中未发现工人操作不当造成的潜在危险。
4.职工安全意识检查:a)职工是否穿戴个人防护用品。
b)职工是否按规定操作设备。
c)职工是否参加过相关安全培训。
检查结果:职工部分有穿戴个人防护用品,部分没有。
职工大部分按规定操作设备,部分存在操作不规范情况。
职工参加过相关安全培训。
根据以上检查结果,我们已经采取了以下措施来排除隐患并进一步加强安全生产工作:1.对灭火器和灭火器箱进行了检修和维护,并更新了过期的灭火器。
2.对疏散指示标志进行了更换和补充,并增加了明显的标识。
公司企业日常安全生产检查记录表一、引言在当今的快速发展社会中,安全生产的观念已经深入人心。
对于公司企业而言,保障员工的人身安全和财产安全是维持正常运营的基本前提。
因此,实施定期的安全生产检查并做好相应的记录,不仅是对可能存在的安全隐患进行排查,也是对员工生命安全和公司资产的一种保障。
二、安全生产检查的内容1、设备安全:检查各种机械设备、电气设备、生产线等是否符合安全规范,是否存在可能导致事故的隐患。
2、操作规程:检查员工是否遵守安全操作规程,是否存在违规操作的行为。
3、安全防护设施:检查工作场所是否配备足够的安全防护设施,如防护栏、安全网、警示标识等。
4、个人防护装备:检查员工是否佩戴合适的个人防护装备,如安全帽、防护眼镜、防护手套等。
5、环境安全:检查工作环境是否符合安全要求,是否存在如滑倒、触电等潜在危险。
三、安全生产检查的执行1、制定检查计划:公司应制定详细的安全生产检查计划,包括检查的时间、内容、人员等。
2、实施检查:按照计划进行定期或不定期的安全生产检查,确保各项安全措施的落实。
3、记录与反馈:每次检查后应将检查结果进行详细记录,对发现的问题及时进行反馈并责令整改。
四、安全生产检查的后续工作1、整改措施:对检查出的问题应制定相应的整改措施,明确责任人和完成时间。
2、复查与验证:在整改完成后,应对问题进行复查和验证,确保问题得到有效解决。
3、持续改进:根据检查结果和整改经验,对公司的安全生产管理体系进行持续改进,提高安全管理水平。
五、结语安全生产是公司企业的头等大事,必须时刻放在心头。
通过实施日常安全生产检查并做好记录,可以及时发现和解决存在的安全隐患,有效预防事故的发生。
这也是公司企业对员工生命安全和公司资产负责任的表现。
因此,每个公司企业都应重视安全生产检查,将安全生产理念贯穿于日常工作中,共同构建一个安全、和谐的工作环境。
日常消防检查记录表在维护公共安全和确保日常运行中,消防检查扮演着举足轻重的角色。
日常安全生产检查记录表格日常安全生产检查及整改记录表检查时间:检查人员:项目检查内容:消防安全:检查消防通道是否堵塞或过窄,是否按规定配置应急逃生设施,消防器材配备是否充足,应急灯和疏散指示标志配置是否充足,是否按规定设置消防设施(室内外消火栓、报警、喷水),是否按规定设置应急照明、疏散指示,禁烟火区域有无违章动火、吸烟、明火煮食或燃烧香烛,是否按规定设置安全疏散出口,生产(经营)储存与居住场所是否设置在同一建筑物内。
设备安全:检查裸露旋转运动部位是否安装防护罩(网),冲压剪设备有无保险装置或装置是否能正常使用,仪表是否损坏或定期保养、检测,特种设备是否按规定定期检测,高热部位是否安装防护措施,是否有设备设施安全操作规程,危险设备工段有无安全警示用电安全,电气装置带电部分是否裸露,电气线路是否乱拉乱接或老化,电气线路绝缘保护层是否破损,临时用电操作是否规范,设备有无漏电保护装置或不能使用,配电箱有无防护罩,有无安全用电警示标志,电气装置附近是否堆放易燃、可燃物,移动用电设备使用是否规范,是否配备个人防护用品,个人劳动防护用品使用是否正确,有劳保设施。
健康监护:检查无通风除尘措施,毒、尘源设置是否合理,是否对作业人员进行健康监护,是否设置临时救护设施,危险作业有无监护,沟、坑、井有无盖或护栏,高处作业平台有无护栏,作业空间是否符合规范要求,空间照明是否充足。
仓储、作业碍物:检查地面有无防滑措施、有无不平或有无障碍物,通道是否通畅,作业人员有无违章操作行为,货物堆放是否接近电源电器、机器设备,仓储、生产物料是否堆放过高,特种作业人员(电工、锅炉工)是否经特种作业过专业培训,持证上岗。
以上是日常安全生产检查及整改记录表的内容。
在检查时,应按照表格中的项目逐一检查,发现问题及时整改,确保安全生产。