化学实验室设计图
- 格式:xls
- 大小:200.50 KB
- 文档页数:2
目录1. 分析项目1.1 品质项目1.2 卫生项目2. 仪器设备2.1 气相色谱仪2.2 液质联用仪2.3 原子吸收光谱仪2.4 分析天平2.5 紫外光可见光分光光度计2.6 荧光分光光度计2.7 近红外分光光度计2.8 原子荧光光度计2.9 自动滴定仪2.10 在线真空脱气机2.11 微生物培养箱2.12 高压灭菌锅2.13 高速冷冻离心机2.14 在线pH计2.15 小型粉碎机2.16 搅拌器2.17 实验电阻炉2.18 设备清单2.19 实验室总体设计图1 分析项目1.1 品质项目水分、含盐量、含糖量、蛋白含量、脂肪含量、纤维含量、维生素含量、酸度等。
分析方法:采用化学法分析,只需配置最简单的烘箱、水浴、电炉、搅拌器、粉碎机、pH计等设备即可。
采用通用的仪器分析,选购,如:紫外/可见分光光度计、近红外分析仪、自动滴定仪等。
检测维生素A、E等有时还需配置荧光光度计。
检测营养元素,如钙、锌、铁等,可购置原子吸收仪-火焰检测器。
1.2 食品卫生检测项目卫生项目包括:微生物(包括:细菌总数、大肠菌群数、沙门菌、病原性大肠艾希菌、副溶性弧菌、葡萄球菌等)添加剂(包括:亚硝酸盐与硝酸盐、亚硫酸盐、糖精、山梨酸、苯甲酸、禁用防腐剂、食用人工合成色素等)有害元素(汞、砷、铅、镉、锡.氟等)农药残留(包括有机磷农药残留量、六六六、滴滴涕等)a)微生物建微生物实验室要按照生物实验室规范标准要求进行布局。
必要的设备有洁净台、培养箱、高压灭菌锅、电炉等,其它设备则根据具体检测项目配置。
b)添加剂和有害元素要想满足现在国标的食品卫生要求,应该购置气相色谱-氢火焰检测器、液相色谱-质谱联用,这样一般的防腐剂(苯甲酸、山梨酸等)、甜味剂(甜蜜素、糖精钠等)、色素(柠檬黄、胭脂红等)都可以检测了。
购置原子吸收仪-石墨炉检测器,可以分别检测铅、铬、镉、铜、镍等有害元素,还需要一台原子荧光仪,用来检测砷和汞等。
c)残留农药检测残留农药气相色谱是不能少的。
筑龙网:bjliangzi 888888二级生物安全实验室配电,照明及弱电。
设计内容:1.供电有:UPS电源专用供电,普通电源供电。
2.专用照明分为:洁净灯照明,应急照明,紫外线杀菌灯。
3.洁净区有紫外灯杀菌。
4.单独门禁系统。
5.空调通风系统自动控制。
6.通讯网络布置。
7.更衣室门电子连锁控制。
实验室水电设计示意图第××层实验室水电位布置示意图注:未标注的插座按原设计保留。
电源距离地面约300mm。
(特殊标注的除外:北面房间380V电源从配电箱经天花引线、标注需要引至地面离墙550mm的地插、试剂药品室三个2300mm高的220V/10A的二三插)所有进出水管约预留约150mm长,进出水管水平间距约为150mm,水管中心距墙不能超过1 00mm,进水管外径为18mm,出水管直径为50mm 。
此图为水电整体示意图。
后面回贴中右各个房间的详细分解示意图。
此图为平面橱柜整体图。
此图为通风系统整体图。
ps:图纸有改动。
南面,中间偏右的无机前处理室靠东面的通风厨的管道改走右面的风井。
以下为各个房间分解图。
(从最左上角开始往右)图为液相色谱室。
东面是一个边台,西面是操作台。
本房间有两路气路,一路空气,一路氮气。
接口位置在西面操作台中间位置。
注:此房间380V电源直接从配电箱向上引线走天花,至离西面墙550mm,离北窗1500mm处,留1000mm的线头。
西面墙上两个220V插头向下引至离墙550mm地面处,留300mm线头。
此图为试剂药品室。
南面房间里放三个通风试剂柜。
注:如图位置,西面墙上离地2300mm高,留3组220V/10A的二三插。
隔断是这样的,大厅和各个房间之间有高的墙隔开,以上是钢化玻璃。
相邻的房间是用砖墙隔开的。
&topicid=37749&go=next分析实验室建设的总体规划与基本要求实验室建筑设计的准备工作(1)总体布局中的各栋建筑物的相互关系以及生活区采用什么方式解决;(2)各类实验楼的工艺布局及工艺流程;(3)平面组合的几种可能性,建设实验楼的层数;(4)选择合适的摸数(包括开间、进深、层高以及走道尺寸);(5)主要仪器设备的布置方式以及实验台、通风柜等的位置;(6)实验室与研究室之间的布局形式,辅助实验室与实验室之间的布局;(7)工程管网的布置原则(如明管或暗管,垂直管网或水平管网);(8)灵活性的要求;(9)环境保护,公害处理方面的详细技术措施。
化学实验室的安全设计 -> 通风、通风橱(一)通风实验室内应有良好的通风,必要时应设空调。
在要求空调恒温的实验室内,空气应保持正压。
为了排除室内余热并控制适当的正压值,可在实验室门下部设置可调活动孔板,适当地送出室内空气。
从事放射性物质、毒物、致癌物、传染性微少物、有腐蚀性的易挥发液体等工作的实验室,为了不使有害物质向外扩散,空内空气均应保持负压,并应利用适当的装置(例如通风柜、排风设备等)将有害空气排出室外。
在排出之前应使用过滤材料(或其它合适的设备)将空气中的有害物质除掉,以免造成环境污染。
走廊、会议室、办公室等不进行化学品操作的地方,应保持空气新鲜。
这些地方相对于化学或微生物学实验室应保持一定的正压。
实验室相对于走廊应保持适当的负压,要有足够的空气进入室内。
化学反应中所生成的烟雾,应用适当的方法进行吸收处理或在稀释后排向室外。
应避免污染空气从通风柜倒流入室内或引起交叉污染。
所有化学实验室均应安装通风柜,以排除在操作过程中所产生的有毒烟雾或易燃气体(或蒸汽),不使污染室内空气。
此外,通风柜也可提供进行安全操作的场所。
(二)通风柜1、种类(1)顶抽式,结构简单,易于制作,较为常见,在柜中靠顶部处没有挡板,适用于放热实验(如加热或产生大量热的实验操作)。
但应注意,对于非放热实验,由于操作口风速不匀,近台处易产生旋涡,所以不宜采用此种通风柜。
(2)狭缝式,在顶部和后侧中、下部(或仅下部)设有排风狭缝,可与柜同长。
上部缝宽约3、2厘米,下部缝宽约4、5厘米并高出台面17、5厘米。
此式通风柜操作口风速均匀,使用效果较好,(3)带旁通,在操作口上方前壁上设置进气缝,柜门升起时被盖住,柜门接近关闭时启开,经进气缝的空气量增大,可使操作口风速大致保持稳定,适于由通风柜排除室内空气的娶求。
(4)供气式,设辅助风机由室外将总排风量的60~70%空气直接送入柜内或操作口专供排气使用,其余再由室内供给,从而可减少室内空气的排出量,适于带空调的实验室,以求节省能量。
01实验室安全与规范Chapter实验室准入制度安全检查制度事故应急处理制度030201实验室安全制度化学品分类与标识化学品分类化学品标识MSDS/SDS实验废弃物处理废弃物处理废弃物分类根据废弃物的性质和类别,采取相应的处理方法,如回收、中和、焚烧等,确保废弃物不会对环境和人体造成危害。
废弃物记录个人防护措施实验服与护目镜穿戴合适的实验服和护目镜,避免化学品对皮肤和眼睛造成刺激或伤害。
防毒面具与手套在处理有毒、有害化学品时,应佩戴防毒面具和手套,确保个人安全。
安全鞋与洗眼器穿着安全鞋以防化学品溅落伤害脚部,同时实验室应配备洗眼器以应对化学品溅入眼睛的情况。
02常用仪器设备及操作Chapter玻璃器皿使用与保养玻璃器皿的种类和用途01玻璃器皿的清洗和干燥02玻璃器皿的保养和存放03分析天平使用注意事项分析天平的结构和原理分析天平的使用步骤分析天平的维护和保养pH计原理及操作指南pH计的工作原理简要介绍pH计的工作原理和电极结构。
pH计的操作步骤详细讲解pH计的使用流程,包括开机、校准、测量等步骤。
pH计的维护和保养提供pH计的维护和保养建议,如定期清洗电极、更换电解液等。
分光光度计应用举例分光光度计的基本原理分光光度计的操作步骤分光光度计的应用举例03基本实验操作技巧与方法Chapter蒸发过程阐述蒸发的原理、蒸发操作的方法(如常压蒸发、减压蒸发等)以及蒸发过程中的注意事项(如防止溶液飞溅、控制加热温度等)。
溶解过程介绍溶解的定义、影响溶解速率的因素(如温度、搅拌速度、溶质颗粒大小等)以及溶解过程中的热效应。
结晶过程解释结晶的定义、结晶的方法(如冷却结晶、蒸发结晶等)以及影响结晶的因素(如溶液浓度、温度、杂质等)。
溶解、蒸发和结晶过程解析1 2 3沉淀的生成沉淀的溶解沉淀的转化沉淀反应观察要点总结离子交换层析法简介离子交换层析法的原理01离子交换层析法的应用02离子交换层析法的优缺点03色谱法在化学分析中应用色谱法的基本原理色谱法的分类及应用色谱法在化学分析中的优缺点04无机化合物性质与鉴定方法Chapter酸碱指示剂变色原理探讨酸碱指示剂定义及分类变色原理影响变色范围的因素氧化还原反应基本概念介绍氧化还原反应的定义、氧化数、氧化剂和还原剂等基本概念。
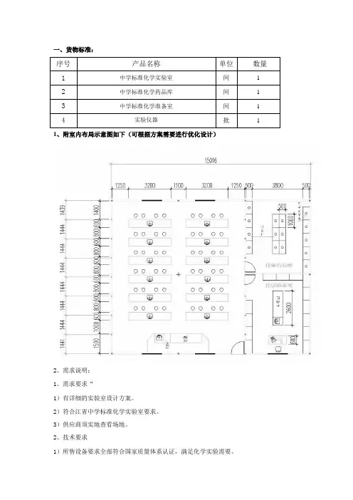
一、货物标准:1、附室内布局示意图如下(可根据方案需要进行优化设计)2、需求说明:1、需求要求“1)有详细的实验室设计方案。
2)符合江省中学标准化学实验室要求。
3)供应商须实地查看场地。
2、技术要求1)所售设备要求全部符合国家质量体系认证,满足化学实验需要。
2)实验室施工按学校要求施工。
3)化学实验室参数如下:(1)室内铺设静电地板,地板要求钢板0.8mm以上,壁厚1.0mm。
(2)四人共用一路水路,两人共用一路电路。
(3)实验室水路要有废液处理池,特别是毒液处理设施。
(4)提供教师移动式黑板一块,黑板大小长不小于2.8米,高不小于1.2米。
(5)电路铺设要方便教师集中管理。
(6)排风扇开关方便教师集中管理。
(7)布局美观。
二、技术参数要求:(一)、化学实验室参数要求如下:实验室水路有废液处理,特别是毒液处理设施。
(二)化学药品室参数要求如下:(三)化学准备室参数要求如下:(四)实验仪器数量及要求:三、生物实验室生物实验是学生进行科学探究的重要方式,实验室则是学生学习和进行实验的主要场所,是生物探究学习的主要资源。
因此,学校应高度重视生物实验室建设,配置必要的仪器和设备,确保每个学生都能进行实验探究活动;在保证实验安全、有序的前提下,条件较好的学校应向学生开放生物实验室,为学生自主地开展实验探究活动创造良好条件;要重视对生物教师和实验管理人员的培训,建立和健全科学、规范的生物实验室的管理体制;教学管理部门应定期对实验室建设进行检查和评估,以确保生物课程实施的顺利进行。
(一)生物实验室的装备要求为课程内容提供演示实验、学生实验、科学实践活动的场地,为开放式探究实验提供方便。
它包含生物实验室、生物探究实验室、仪器室、准备室(含实验员室)、生物标本室、培养室等配套设施。
1.环境要求①使用面积:90㎡/间。
②解剖室污水排入污水管道。
③符合“实验室建设环境要求”。
2.设计要求①实验室的窗宜为南向或东南布置。
实验室的建设,不论是新建、扩建或改建项目,它不单纯是选购合理的仪器设备,还要综合考虑实验室的总体规划,合理布局和平面设计,以及供电、供水、供气、通风、空气净化、安全措施、环境保护等基础设施和基本条件,因此实验室的建设是一次复杂的系统工程。
在现代化的实验室里,先进的科学仪器和优越完善的实验室是提升现代科技水平,促进科研成果增长的必备条件。
“以人为本”、“人与环境”已成为人们高度关注的课题。
安全、效率、舒适是理想实验环境的三大要素,也是实验室建设的宗旨。
1。
1实验室的建设规划和基本程序建设现代化的实验室,首先要制定和提出实验室的总体规划,确定实验室建设项目的性质、目的、任务、依据和规模,确定各类实验室功能和工艺条件以及规模大小;同时要做好建筑设计的某些准备工作,调查研究,吸纳国内外同种性质、同等规模实验室建设的经验,作为借鉴,根据实验室的工艺条件及相关资料,编制好计划任务书;然后在各方面工作准备就绪后,做好实验室建筑设计工作,综合建筑设计各专业的基本要求,结合实际,符合规划要求,绘制出富有时代感、先进的实验室建筑蓝图,为实验室施工建设提供可靠的依据。
1。
11实验室建设规划的主要内容如下.(1)建设单位:如某某研究所、某某学院或某某工厂。
(2)建设项目:如某某实验楼或某某研究楼。
(3)建设性质:新建、扩建或改建。
(4)建设地点及用地、工程项目的具体位置,(5)公害处理、对废气、废水、废物、噪声、辐射、振动等的技术处理措施。
1。
1.2实验室建筑设计的准备工作(1)总体布局中的各栋建筑物的相互关系以及生活区采用什么方式解决;(2)各类实验楼的工艺布局及工艺流程;(3)平面组合的几种可能性,建设实验楼的层数;(4)选择合适的摸数(包括开间、进深、层高以及走道尺寸);(5)主要仪器设备的布置方式以及实验台、通风柜等的位置;(6)实验室与研究室之间的布局形式,辅助实验室与实验室之间的布局;(7)工程管网的布置原则(如明管或暗管,垂直管网或水平管网);(8)灵活性的要求;(9)环境保护,公害处理方面的详细技术措施。
实验室的建设,无论是新建、扩建、或是改建项目,它不单纯是选购合理的仪器设备,还要综合考虑实验室的总体规划、合理布局和平面设计,以及供电、供水、供气、通风、空气净化、安全措施、环境保护等基础设施和基本条件。
因此实验室的建设是一项复杂的系统工程,在现代实验室里,先进的科学仪器和优越完善的实验室是提升现代化科技水平,促进科研成果增长的必备条件。
“以人为本,人与环境”己成为人们高度关注的课题。
本着“安全、环保、实用、耐久、美观、经济、卓越、领先",的规划设计理念。
规划设计主要分为六个方面:平面设计系统、单台结构功能设计系统、供排水设计系统、电控系统、特殊气体配送系统、有害气体输出系统等六个方面.下面就按上述六方面依次讲解。
一、平面设计系统平面设计我们主要考虑以下几个方面的因素:1、疏散、撤离、逃生、顺畅、无阻,安全通道;一般实验室门主要向里开,但如设置有爆炸危险的房间,房门应朝外开,房门材质最好选择压力玻璃.2、人体学(前后左右工作空间),完美的设备与科技工作者操作空间范围的协调搭配体现了科学化、人性化的规划设计.在做平面设计的时候,首先要考虑的因素是就是“安全",实验室是最易发生爆炸、火灾、毒气泄露等的场所。
我们在做平面设计的时候,应尽量地要保持实验室的通风流畅、逃生通道畅通。
根据国际人体工程学的标准。
我们做如下的划分以供参照:(祥见下图)实验台与实验台通道划分标准(通道间隔用L表示)L 〉500mm时,一边可站人操作;L 〉800mm时,一边可坐人操作;L >1200mm时,一边可坐人,一边可站人,中间不可过人;L 〉1500mm时,两边可坐人,中间可过人;L 〉1800mm时,两边可坐人,中间可过人可过仪器天平台、仪器台不宜离墙太近,离墙400mm为宜。
为了在工作发生危险时易于疏散,实验台间的过道应全部通向走廊。
另:实验室建筑层高宜为3。
7米—4.0米为宜,净高宜为2.7米—2.8米,有洁净度、压力梯度、恒温恒湿等特殊要求的实验室净高宜为2。
你所在的实验室是功能完善的实验室吗?不但要美观舒适,还要做到防火、防潮、防腐等性能,增加通风、净化、消毒、无菌功能,达到环保安全可靠经久耐用等要求,遵循安全、高效、舒适以及“以人为本”的原则,才能建成正规化、标准化的实验室以达到最佳的使用效率.设计实验室的三大要素在现代化的研究实验室里,先进的科学仪器和完善的实验设备是提升科学水平,促进科研成果的必备条件。
“以人为本"是最初实验室设计阶段就应该遵循的首要准则,所以,安全、高效、美观舒适应该是是我们规划、设计实验室的三大要素.安全:在进行实验作业时,必须确保安全性,尤其是在进行化学试验时,必须有效地排出有毒、有害、有味的废气,以保障实验人员的身心健康;高效:提高实验效率,才能加快实验进程,必须根据不同的实验课题,以及其工艺性配置合适的实验设备;舒适:明快、亲切的色彩;符合人体工程学的外形尺寸;方便、美观大方的样式,选用不同材质,可以为实验室工作人员提供安全、舒适的工作环境。
实验台的布置方式实验台主要由台面、台下的支架和器皿柜组成,为方便操作,台上可设药品架,台的两端可安装水槽.台面常用贴面理化板、实芯理化板、耐腐人造石或水磨石预制板等制成。
理想的台面应平整、不易碎裂、耐酸碱及溶剂腐蚀,耐热,不易碰碎玻璃器皿等。
实验台的长度分配:一般实验室1。
2 米/人;有机实验室1。
5 米/人;台面高度:中国:850mm;美国、德:900~920mm;日本:800mm;台面宽度:600mm,尽量不要超过750mm(板材最大利用率);试剂架:深度能并列放置两瓶中型试剂瓶(500ml)为合适。
通常为200~300mm,分上下两层;靠墙边台用试剂架取:200mm;中央台用试剂架取:300mm。
实验室温湿度控制范围环境条件温湿度的控制方面考虑的要素就是保证实验操作的环境温湿度是能够满足实验程序各个过程的需要。
主要从以下几个方面来制定实验室环境温湿度控制范围。
首先,识别各项工作对环境温湿度的要求.主要识别仪器的需要、试剂的需要、实验程序的需要,以及实验室员工的人性化考虑四个方面要素综合考虑,列出对温湿度控制范围要求的清单。
在随着科学技术的飞速发展,高校化学实验室作为科研与教学的重要场所,越来越受到重视。
一个高效、安全、环保的化学实验室不仅是培养高素质化学专业人才的关键,更是推动前沿科研项目的重要基础设施。
因此,科学合理地设计和建设高校化学实验室,既要满足教学和科研的需求,又要确保实验室的安全和环保,是每一所高校必须面对的重要课题。
一、高校化学实验室建设目标培养目标:高校化学实验室设计建设的首要目标是培养高素质的化学专业人才。
化学实验室是学生学习化学理论、掌握实验技能和科研方法的重要场所。
通过先进的实验设备和良好的实验环境,学生能够进行多种化学实验,提升他们的实践能力和创新能力,从而为未来的科研工作打下坚实基础。
功能目标:化学实验室应具备多功能性,以满足有机化学、无机化学、分析化学、物理化学和材料化学等不同领域的实验需求。
每个功能区都应配备相应的设备和仪器,使实验室能够支持各种类型的实验活动。
安全目标:安全性是高校化学实验室设计建设的重要目标。
实验室应符合国家和地方的安全标准,配备必要的防火、防爆、通风和废弃物处理设施。
所有实验操作都应在安全的环境中进行,确保师生的健康和安全。
环境目标:化学实验室的环境设计要符合环保要求,减少污染和浪费。
实验室应采用节能环保的设备和材料,合理处理废弃物,减少对环境的影响。
此外,实验室还应营造一个舒适、整洁的工作环境,提高师生的实验效率和工作满意度。
二、高校化学实验室的布局规划1.总体布局:高校化学实验室的总体布局应科学合理,分区明确。
根据功能需求,实验室可分为教学区、科研区、准备区、储存区和办公区。
教学区:用于本科生和研究生的教学实验,配备基本实验台和通风柜。
科研区:供教师和研究生进行科研项目实验,配备高端仪器设备和专用实验台。
准备区:存放实验用品和准备实验试剂,配备专门的试剂柜和器具。
储存区:用于化学试剂和实验设备的安全存放,配备防火、防爆设施。
办公区:供教师和研究人员使用的办公室,配备必要的办公设备和网络设施。
实验室功能分区与平面布局之实验室空间尺度复制推广说明:复制此链接将实验室社区推荐给你的朋友,将获取社区金币3枚,威望1分实验室功能分区与平面布局之实验室建筑平面设计原则实验室整体规划设计包括以下部分:1. 产品平面布局的规划设计:为使用部门提供专业的建议,设计符合实验室标准和使用要求的产品布局规划。
确定实验室内产品的类别规格数量,使之符合实验室使用要求和标准。
2.水电预留位置的设计:在确定了平面布局后,我公司会提供全面水电位置图,交客户交工程施工。
3.通排风系统的设计:在实验室新建或改造项目中,在规划时我们就参与其中,派专业的工程师到现场与相关的人员联系,根据实验室内通风载体的数量(如通风柜集气罩排气罩)设计出完整的通风方案,方案内容包括建筑内预留排风的管井的位置尺寸,管道的分布及规格。
确保通风的载体使用时的风速排风量噪声等指标符合国家标准,并与建筑内的空调消防照明等线路互不干绕。
4.环保的设计:随着经济的发展人们对环保的要求越来越严格。
我公司提供完善的废气净化处理解决方案,使实验中产生的废气得到有效的解决,合符环保的排放指标。
5.产品个性设计:根据实验过程及人员的特殊要求,调整产品结构和功能,设计出个性的产品以满足用户的要求。
6.安全设施的设计:按照国际标准,在实验室配置安全柜、毒品柜及紧急事故淋洗器,急救洗眼器等安全设计。
实验室建筑的主要特点是实验内容手段众多,工艺要求繁杂,工程管网较多,工程造价比一般建筑高达一倍或数倍。
根据这些特点,实验建筑平面设计除了遵循一般建筑物平面设计原则外,还需要遵循下列原则。
A.同类实验室组合在一起。
B.工程管网较多的实验室组合在一起。
C.有隔振要求的实验室组合在一起,一般宜设于底层。
D.有洁净要求的实验室组合在一起。
E.有防辐射要求的实验室组合在一起。
F.有毒性物质产生的实验室组合在一起。
遵循上述设计原则,有利于环境卫生,防止不同性质的实验室相互干扰,有利于不同的分析检测顺利进行,并节约投资。