电子式电流互感器的技术及研究
- 格式:pdf
- 大小:251.54 KB
- 文档页数:2
电子式电流互感器综述摘要:在数字化变电站中,为实现输出数字化、传输光纤化,出现了电子式电流互感器。
本文概述了电子式电流互感器的发展趋势,介绍了电子式电流互感器的原理和应用现状,分析了电子式电流互感器应用中面临的问题。
综合考虑后可知:电子式电流互感器必将得到广泛应用。
关键词:电子式电流互感器;发展趋势;原理;应用现状; 问题Abstract:In the digitized substation ,in order to realize the digital output,packtized transmission,the electronic current transformer is presented. This paper summarizes the development trend of electronic current transformer,introduces the principle and application situation of it,and analysis the problems in the application.After the comprehensive consideration,it’s concluded that electronic current transformer has a prosperous future of application.Key words: electronic current transformer; development trendency; principle; application;problems1.电子式电流互感器发展趋势现代电力系统正在走向数字化,作为数字电力系统的重要组成部分,数字变电站需要数字输出的互感器,需要光纤传输的互感器。
传感准确化、传输光纤化和输出数字化的互感器主流趋势必然导致了电子式互感器的诞生。
电子式电流互感器原理
电子式电流互感器利用负载中的电流通过主线圈产生磁场,再由副线圈感应到的原理来测量电流。
其工作原理如下:
1. 工作原理:
电子式电流互感器由主线圈、副线圈、铁芯以及信号处理电路等部分组成。
当负载中有电流通过时,主线圈中会建立一个磁场。
2. 磁场感应:
主线圈产生的磁场会传导到副线圈中,副线圈中感应到的磁场与主线圈中的磁场方向相反,通过副线圈的磁场感应电流。
3. 信号处理:
通过增益放大器等信号处理电路将感应到的电流进行放大和滤波处理,然后将结果输出给后续的电路或设备进行处理或显示。
4. 铁芯的作用:
铁芯的存在可以加强磁场的传导效果,从而提高互感器的灵敏度和准确性。
5. 特点:
电子式电流互感器具有体积小、重量轻、精度高、能耗低的特点,适用于各种工业自动化控制系统中的电流测量和保护。
需要注意的是,在文中不能使用与标题相同的文字,以避免重复。
以上是电子式电流互感器的工作原理和特点的简要描述。
10-35kV电子式互感器通用技术规范1本规范对应的专用技术规范目录2电子式互感器技术规范(范本)使用说明1. 本技术规范分为通用部分、专用部分。
2. 项目单位根据需求选择所需设备的技术规范,技术规范通用部分条款及专用部分固化的参数原则上不能更改。
3. 项目单位应按实际要求填写专用部分“2项目单位需求部分”。
如确实需要改动以下部分,项目单位应填写专用部分表8“项目单位技术参数差异表”并加盖该网、省公司物资部(招投标管理中心)公章,与辅助说明文件随招标计划一起提交至招标文件审查会:1)改动通用部分条款及专用部分固化的参数;2)项目单位要求值超出标准技术参数值;3)需要修正污秽、温度、海拔、覆冰厚度、耐地震能力等条件。
经标书审查会同意后,对专用部分的修改形成“项目单位技术参数差异表”,放入专用部分中,随招标文件同时发出并视为有效,否则将视为无差异。
4. 投标人需在技术规范专用部分附录提供电子式互感器安装示意图。
对新建工程,项目单位应遵循技术规范通用部分的一次、二次及土建的接口要求;对扩建工程,项目单位应在专用部分提出与原工程相适应的一次、二次及土建的接口要求。
电子式互感器同其他一次设备组合安装时,投标人需提供经过本项目一次厂家确认的安装示意图,卖方提供的安装方案需要有相关的运行业绩,并在技术规范专用部分表11“电子式电流/电压/组合互感器销售运行业绩表”中备注说明。
5. 技术规范的页面、标题、标准参数值等均为统一格式,不得随意更改。
6. 投标人逐项响应技术规范专用部分中“1标准技术参数表”、“2项目单位需求部分”和“3投标人响应部分”三部分相应内容。
填写投标人响应部分,应严格按招标文件技术规范专用部分的“招标人要求值”一栏填写相应的招标文件投标人响应部分的表格。
投标人填写技术参数和性能要求响应表时,如有偏差除填写表10“投标人技术参数偏差表”外,必要时应提供相应试验报告。
3目次35-10kV电子式互感器技术规范(范本)使用说明 (71)1总则 (73)1.1一般规定 (73)1.2投标人应提供的资质文件 (73)1.3工作范围和进度要求 (73)1.4对设计图纸、说明书和试验报告的要求 (73)1.5标准和规范 (75)1.6投标时必须提供的技术数据和信息 (77)1.7备品备件 (77)1.8专用工具和仪器仪表 (77)1.9安装、调试、试运行和验收 (77)2性能要求 (77)2.1外观工艺要求 (77)2.2结构要求 (78)2.3安装要求 (78)2.4铭牌要求 (78)2.5设备防腐 (78)2.6二次转换器技术要求 (78)2.7额定延迟时间要求 (78)2.8电子元器件技术要求 (78)2.9合并单元(MU)技术要求 (79)2.10合并单元结构、外观及其他 (80)2.11合并单元柜结构的技术要求 (80)2.12附件 (80)2.13其他 (80)3试验 (80)3.1型式试验 (80)3.2例行试验 (82)3.3特殊试验 (83)3.4现场试验 (83)4设计联络、监造和检验、技术服务 (84)4.1设计联络会 (84)4.2监造和检验 (84)4.3技术服务 (85)5一次、二次及土建接口要求 (86)5.1电气一次接口 (86)5.2电气二次接口 (87)5.3土建接口 (87)41总则1.1一般规定1.1.1投标人应具备招标公告所要求的资质,具体资质要求详见招标文件的商务部分。
4作者简介:柴红伟(1986- ),男,助理工程师,本科,从事继电保护装置和电子式互感器测试工作; 范冬冬(1987- ),男,工程师,硕士,从事继电保护装置和电子式互感器测试工作; 李保明(1987- ),男,助理工程师,硕士,从事继电保护装置和电子式互感器测试工作; 王晓丽(1985- ),女,助理工程师,本科,从事继电保护装置和电子式互感器测试工作。
罗氏线圈电子式电流互感器谐波测试方法研究柴红伟,范冬冬,李保明,王晓丽,张改杰,邓明秀(许继电气股份有限公司,河南 许昌 461000)摘 要:介绍了国家标准对互感器谐波要求和罗氏线圈电子式电流互感器原理,总结了罗氏线圈电子式电流互感器谐波测量的简单实用方法,通过高精度谐波源配合标准电流互感器和互感器校验仪对电子式电流互感器进行了谐波测试。
结果表明:该方法适用性强,操作简单,极大地丰富了谐波的测试方法。
关键词:谐波测试;电子式电流互感器;高精度谐波源;互感器校验仪中图分类号:TM452 文献标识码:A 文章编号:1007-3175(2016)11-0047-04Abstract: Introduction was made to the harmonic requirements of transformer from the national standard and the Rogowski coil electronic current transformer principle. This paper summarized the simple and useful method of harmonic measurement of Rogowski coil electronic cur -rent transformer. Harmonic testing of electronic current transformer could be carried out with the high precision harmonic sources and standard current transformer and transformer calibrator. The results show that this method has strong applicability and simple operation, which greatly enriches the testing method of harmonics.Key words: harmonic test; electronic current transformer; high precision harmonic source; transformer calibratorCHAI Hong-wei, FAN Dong-dong, LI Bao-ming, WANG Xiao-li, ZHANG Gai-jie, DENG Ming-xiu(XJ Electric Co., Ltd, Xuchang 46 000, China )Research on Harmonic Measurement Method of RogowskiCoil Electronic Current Transformer近年来,由于非线性负载(如整流器、变频器等)被大量使用,用户侧的电能质量问题日益严重,其中以谐波污染为主[1-2]。
电子式电流互感器合成方式生成零序信号的原理及试验方法电子式电流互感器是一种通过电子元器件进行信号处理和合成的设备,用于测量、监测和控制电力系统中的电流信号。
在电力系统中,有时需要对电流信号进行零序分量的测量和分析,以提高系统的安全性和稳定性。
电子式电流互感器的合成方式可以通过信号处理,生成零序信号。
1.原始信号获取:电子式电流互感器首先通过感应线圈获取输入电流信号。
感应线圈将电流信号转换为电压信号,供后续的信号处理模块使用。
2.信号处理:原始信号经过信号处理模块进行滤波、放大和数值化处理。
滤波模块用于去除原始信号中的高频噪声和干扰,以保证后续处理的准确性。
放大模块将信号增益放大,以满足信号处理模块的输入要求。
数值化模块将模拟信号转换为数字信号,以便进行后续的计算和分析。
3.零序合成算法:零序合成算法是电子式电流互感器实现零序信号合成的关键部分。
这个算法基于对三相电流信号实时采样和分析,根据电流的相量特性合成零序信号。
合成的零序信号经过数字信号处理模块进行解算,得到最终的零序信号值。
试验方法如下:1.准备测试装置:首先需要准备测试装置,包括电子式电流互感器、电流源、数字电流表、示波器等。
保证测试装置的可靠性和准确性,以确保测试结果的准确性。
2.连接电路:将电子式电流互感器连接到测试电路中,将测试电流输入电子式电流互感器的感应线圈,将输出接口连接到数字电流表和示波器上。
3.测试步骤:打开电子式电流互感器的电源,将电流源的输出电流设置为一个已知的大小和相位,开始测试。
记录数字电流表和示波器上的读数,并进行对比分析。
4.分析结果:根据测试结果,分析电子式电流互感器合成的零序信号的准确性和稳定性。
比较测试结果与理论值或其他参考值,评估测试装置的性能和准确性。
通过以上原理和试验方法,可以实现对电子式电流互感器合成零序信号的信号处理和测试。
电子式电流互感器合成零序信号的技术在电力系统中具有重要的应用价值,可以提高系统的安全性和稳定性,减少电力系统对对系统的影响。
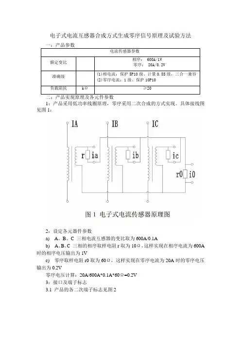
电子式电流互感器合成方式生成零序信号原理及试验方法一:产品参数电流传感器参数额定变比相序: 600A/1V 零序: 20A/0.2V准确级(1)相电流:保护5P10级、计量0.5S级,三合一兼容(2)零序电流:1级、保护10P10负载阻抗kΩ≥20二:产品实现原理及各元件参数1:产品采用低功率线圈原理,零序采用二次合成的方式实现。
具体接线图见图1:2:设定各元器件参数a) A、B、C 三相电流互感器的变比取为600A/0.1Ab) A、B、C 三相的相序取样电阻r取为10Ω,这样实现在相序电流为600A 时的相序电压输出为1Vc) 零序取样电阻r0取为60Ω,这样实现在零序电流为20A时的零序电压输出为0.2V零序电压计算:20A/600A*0.1A*60Ω=0.2V3:接口及端子标志3.1 产品的各二次端子标志见图23.2 接口1:最少引出线芯的接口方式用一根5芯的双屏蔽电缆引出:Ia+、Ib+、Ic+、I0+、I0-。
(Ia+、I0+)相当于(Ia+ 、Ia-);(Ib+、I0+)相当于(Ib+ 、Ib-);(Ic+、I0+)相当于(Ic+ 、Ic-)。
2:常规接口方式用四根2芯的双屏蔽电缆分别引出:(Ia+、Ia-)、(Ib+、Ib-)、(Ic+、Ic-)、(I0+、I0-);或用一根6芯的双屏蔽电缆分别引出:(Ia+、Ia-)、(Ib+、Ib-)、(Ic+、Ic-)和一根2芯的双屏蔽电缆引出(I0+、I0-)。
用此二种接口方式的时候,用户接线时二次只能是I0-接地。
其它应再无直接接地或虚拟接地点。
三:误差测试方法1:测试设备三台单相调压器、三台升流器、三台标准电流互感器和一台零序电流标准互感器、电子式互感器校验仪等。
2:测试原理接线如下将上图中被测的A、B、C及零序的输出电压信号与相应的标准器的输出信号通过采集器或直接将每对信号输入电子式互感器校验仪进行检测测试。
3:试验的复杂性按上图的试验接线应该能准备测量各相序和零序的误差。
电子知识随着光纤传感技术、光纤通信技术的飞速发展,光电技术在电力系统中的应用越来越广泛。
电子式互感器就是其中之一。
电子式互感器具有体积小、重量轻、频带响应宽、无饱和现象、抗电磁干扰性能佳、无油化结构、绝缘可靠、便于向数字化、微机化发展等诸多优点,将在数字化变电站中广泛应用。
电子式互感器的诞生是互感器传感准确化、传输光纤化和输出数字化发展趋势的必然结果。
电子式互感器是数字变电站的关键装备之一。
传感方法对电子式互感器的结构体系有很大影响。
光学原理的电子式互感器结构体系简单,是无源的电子式互感器。
电磁测量原理的电子式互感器是有源电子式互感器。
1电子互感器的优点1.1高低压完全隔离,安全性高,具有优良的绝缘性能,不含铁芯,消除了磁饱和及铁磁谐振等问题电磁式互感器的被测信号与二次线圈之间通过铁芯耦合,绝缘结构复杂,其造价随电压等级呈指数关系上升。
非常规互感器将高压侧信号通过绝缘性能很好的光纤传输到二次设备,这使得其绝缘结构大大简化,电压等级越高其性价比优势越明显。
非常规互感器利用光缆而不是电缆作为信号传输工具,实现了高低压的彻底隔离,不存在电压互感器二次回路短路或电流互感器二次回路开路给设备和人身造成的危害,安全性和可靠性大大提高。
电磁式互感器由于使用了铁芯,不可避免地存在磁饱和及铁磁谐振等问题。
非常规互感器在原理上与传统互感器有着本质的区别,一般不用铁芯做磁耦合,因此消除了磁饱和及铁磁谐振现象,从而使互感器运行暂态响应好、稳定性好,保证了系统运行的高可靠性。
1.2抗电磁干扰性能好,低压侧无开路高压危险电磁式电流互感器二次回路不能开路,低压侧存在开路危险。
非常规互感器的高压侧和低压侧之间只存在光纤联系,信号通过光纤传输,高压回路与二次回路在电气上完全隔离,互感器具有较好的抗电磁干扰能力,低压侧无开路引起的高电压危险。
1.3动态范围大,测量精度高,频率响应范围宽电网正常运行时电流互感器流过的电流不大,但短路电流一般很大,而且随着电网容量的增加,短路电流越来越大。
电子式电流互感器数据采集研究王康1江秦z(1.福建省机械工业材料测试中心站,福建福州350005;2.福州晋程电器有限公司,福建福州350005)喃要]数据采集系统是H O C T的基础,其性能的改善有助于互感器整体性能的提高。
文章设计的H O C T数据采集系统采用16住微功耗高速A/D芯片A D S8325作为A/D转换器;采用零功耗、低成本、高性能的M A X I I系列的EPM240Z芯片作采样控制器并实现C R C 枝验.[关键词】电子式电流互感器;数据采集;设计1电子式电流互感器的特点电流互感器是电力系统中供测量和保护用的重要设备,将高压中的电流或低压系统中的大电流,变成低压的标准小电流(5A或1A)。
用以给测量仪表和继电器供电,其构造与普通变压器相似,主要由铁心、一次绕组和二次绕组等组J戴、电子式互感器具有如下特点:1)优良的绝缘性能,造价低。
2】不含铁心,消除了磁饱和、铁磁谐振等问题。
3)抗电磁干扰性能好,低压边无开路高压的危险。
4)频率响应范围宽。
5)没有因充油而产生的易燃、易爆炸等危险。
国际电工委员会电子式互感器标准对电子式互感器定义了一个实现数宇输出的物理单元——合并单元,合并单元主要有两个方向的接口:与~D转换电路的接口和与保护、测量设备的接口。
它的主要功能是同步采集多路EC T和EV T(电子式电压互感器)出的数宇信号。
并按照标准规定的格式发送给保护和测量设备。
电子式互感器的数字接口实际上就是合并单元的数字接口。
2敛据采集单元的设计本文设计的数据采集系统采用16位微功耗高速A D S8325作为A/D转换器,采用零功耗、低成本、高性能的EPM240Z芯片作控制器件,设计了混合式光电电流互感器的数据采集系统。
H O C T数据采集系统的主要包括传感器,调理电路,数字变换单元(图1所示)等。
其中,数字变换单元是把由调理电路输出的符合卢,D采样电压范围的模拟信号按~D变换时序转换为数字信号并得到带有C RC校验位的数字输出。
电子式互感器可靠性检测关键技术及工程应用研究在我国社会经济高速发展的背景下,我国社会经济高速发展,对电力需求全面提高,对我国电力系统的要求也在不断提升,当前我国电子设备逐渐朝向小型化智能化发展,通过对互感器的性能进行全面检测。
要进一步提高电力系统运行故障的保障效率,要想对电力系统进行不断强化,就必须增强电子互感器的整体运行质量,确保电子互感器的性能得到有效升级。
针对电力系统中电子互感器的具体性能进行检测,必须要采取快速点检测手段,通过综合检测的方式,全面確保电力系统安全运行。
标签:电子式互感器;可靠性检测;关键技术;工程应用0 引言近年来电力系统管理已经逐渐成为社会关注的热点问题,通过电子互感器检测,可以确保电力系统运行的整体质量,为社会经济发展作出重要贡献。
必须要重点针对电子互感器的可靠性检测关键技术进行分析,保证电子互感器充分发挥应有的作用,维护电力系统的安全稳定。
1运行电子互感器性能检测的主要内容1.1检测的准确度为了提升电子互感器实际运行的整体效果,必须要对额定电流在10分钟之内的开合误差进行合理检测。
一般的额定电流会在5%~8%两个数值设置。
通过检测时将控制误差降至最低,最大值或最小值的一半能够增强电子负电流互感器的准确效果。
在磁场环境下,要想保证检测数值更加精确,就必须合理设置距离。
在检测时要进行特殊的结果判定,确保整个误差检测进行有效控制。
在电子式互感器测量时,如果额定电压设置为100%,则需要对互感器10分钟内的波动范围进行记录。
然后对电子互感器放置在高温或低温箱内部,记录数值的变化情况,帮助电子式互感器的振动和温度补偿性能进行合理控制。
1.2评估可靠性在电子互感器可靠性评估的过程中,需要对双路电源的具体功能进行分析,为了确保实现性能的无缝切换,需要在电流切换值的过程中采取往复波动的形式,保证采集器能够正常运行,而稳定检测必不可少,如果在频繁切换时互感器采集器仍然能够正常工作最为可靠。
电子式电流互感器工程应用研究摘要:电子式互感器已逐步在高压输变电工程中得到应用,本文通过对不同原理和结构类型的电子式互感器的优缺点进行了比较研究,并结合工程应用中出现的问题,从设备研制、工程建设和标准制定与完善方面提出了一些建议,以促进电子式互感器的工程应用和发展。
关键词:电流互感器光学电子式电流互感器工程应用Abstract:The electronic transformer has gradually applied in high-voltage transformation project,this article compares it advantages and disadvantages by different principle and structure types of electronic transformer,and puts forward some Suggestions from equipment development,engineering construction standards and perfect in order to promote the electronic instrument transformer engineering application and development based on the engineering application problems.Key words:current transformer;optical electronic current transformer;the engineering application近年来据国家有关部门公布的资料,我国电网和电源建设发展迅速,每年与之配套的电流互感器市场需求预计多达40亿元以上,总产量约数万台。
虽然目前采用电子式互感器的需求只有很小比例,但是近年来,随着智能化电网推进速度的加快,电子式互感器的应用将得到迅猛发展。
电子式互感器原理
电子式互感器是一种将电流和电压转换为电子信号的设备。
它基于互感器原理,通过将被测电流或电压与一个或多个磁性材料的磁场相互耦合,实现电能的测量、监测和控制。
电子式互感器的原理可以简单描述为以下几个步骤:
1. 电流测量:当被测电流通过主线圈时,主线圈中会产生一个磁场。
2. 磁场传输:主线圈中的磁场会通过铁芯传输到次级线圈上。
3. 次级线圈感应:次级线圈中的磁场变化会感应出一个电压信号。
4. 信号放大:感应出的电压信号会经过一个放大电路进行放大。
5. 数字化处理:放大后的信号经过模数转换器转换为数字信号。
6. 输出信号:数字信号可以通过接口输出给其他设备或系统进行进一步处理和分析。
电子式互感器相比传统的电力互感器具有许多优势。
首先,它们可以实现对电流和电压信号的高精度测量,减小了传统电力互感器由于线性误差和相位误差带来的测量偏差。
其次,电子式互感器具有较宽的测量范围和频率响应,可以适应不同场景的需求。
此外,由于采用数字化处理,电子式互感器的输出信号稳定可靠,并且具有较强的抗干扰能力。
综上所述,电子式互感器通过巧妙地利用磁场感应原理,将被测电流或电压转换为数字信号,实现了高精度、稳定可靠的电能测量和监测。
它在电力系统、工业自动化以及能源管理等领
域得到了广泛应用,并对提高电能测量的精度和可靠性发挥了重要作用。
电子式电流互感器的技术及研究
发表时间:2019-06-03T15:50:11.437Z 来源:《电力设备》2019年第3期作者:王迪
[导读] 摘要:随着我国经济的不断发展,促进我国电网的发展,同时电子式互感器有了显著的提高。
(国网吉林省电力有限公司长春供电公司吉林省长春市 130000)
摘要:随着我国经济的不断发展,促进我国电网的发展,同时电子式互感器有了显著的提高。
在电子式互感器具有超高压的系统,只有优良的结缘性能能够承受高水平的电磁环境。
与传统的互感器进行比较,技术性能和经济效益没有明显的提高。
结合实际情况进行分析,职能变电站中主要的设备就是电流互感器。
基于此,本文对电子式电流互感器的技术进行分析研究。
关键词:电子式电流互感器;核心技术;应用配置
传统的电磁式电流互感器对于当前电力系统传输容量不断加大,而且电压等级不断提升的情况其适用性越来越差,使电力系统的发展带来了一定的制约作用。
在这种情况下,开发电子式电流互感器则具有必然性,由于于其通过利用光通信及微电子技术,并采用新型的传感原理,有效的规避了传统电力互感器所存在的不足之处,利用数字信号进行输出,确保了电力系统安全、稳定的运行,不仅实现了成本的节约,而且也实现了对二次设备的优化。
目前数字化变电站的建设更是需要以电子式互感器和光纤通讯网作为其基础,所以电子式电流互感器在当前电力系统运行了具有极为重要的意义。
1电子式电流互感器类型及特点
目前在电子式电流互感器研究领域主要有三个研究方向:有源型;无源型;全光纤型。
其中,后两种都属于无源光学电流互感器。
1.1有源型
有源型又可以称为混合型,所谓有源光纤电流互感器乃是高压侧电流信号通过采样传感头将电信号传递给发光元件而变成光信号,再由光纤传递到低电压侧,进行光电转换变成电信号后输出。
有源型光纤电流互感器的方框图如图1所示:
有源型光纤电流互感器结构简单,长期工作稳定性好,容易实现高精度、性能稳定的实用化工业产品,是目前国内研究的主流。
但是高压侧电源的产生方法比较复杂或者成本比较高,还有待于进一步研究。
1.2无源型
所谓无源型光学电流互感器乃是传感头部分不需要供电电源。
传感头一般基于法拉第(Faraday)效应原理,即磁致光旋转效应。
当一束线偏振光通过放置在磁场中的法拉第旋光材料后,若磁场方向与光的传播方向平行,则出射线偏振光的偏振平面将产生旋转,即电流信号产生的磁场信号对偏振光波进行调制。
无源型结构是近年来比较盛行的,其优点是结构简单,且完全消除了传统的电磁感应元件,无磁饱和问题,充分发挥了光学互感器的特点,尤其是在高压侧不需要电源器件,使高压侧设计简单化,互感器运行寿命有保证。
其缺点是光学器件制造难度大,测量的高精度不容易达到。
尤其是此种电流互感器受费尔德(Verdet)常数和线性双折射影响严重。
而目前尚没有更好的方法能解决费尔德常数随温度变化而出现的非线性变化即系统的线性双折射问题,所以很难在工业中得到实际应用。
1.3全光纤型
全光纤型电流互感器实际上也是无源型的,只是传感头即是光纤本身(而无源型光纤电流互感器的传感头一般是磁光晶体,不同于全光纤型的传感头是特殊绕制的光纤传感头),其余与无源型完全一样。
2电子式互感器的核心技术
2.1传感技术
对于传感技术主要是由罗氏线圈的电流传感器,但是对于罗氏线圈电流传感器具有一定的无磁性和磁饱等很多优点,适用的范围比较大,但是对于磁光玻璃传感器是一种合型电流互感器,主要是利用光纤进行传递能量,在磁光电流互感器的工作测量的过程中,只和磁光材料的维尔德常熟有一定的关系,这样能够准确的测量结果。
对于光纤式电流传感器主要运行的原理是法拉第旋光效应,因为光纤的本身具有传感元件,在原理上可以进一步的对光纤进行分类。
2.2高压侧电子电路供能技术
高压侧电子电路主要由三个技术构成,主要包括激光功能技术、蓄电池供能技术和自励电源技术。
伴随着我国技术的发展,逐渐提高激光供能技术的可靠性,对于自动化自用与自励电源进行交替工作,采用这样的方式对非电气链接的能量传递方式进行干扰,在于特高磁场测量中有很好的应用前景。
蓄电池功能技术,对于充电源主要是通过特殊的设计的线圈从高压母线感应出电流,整个过程中经过对电流的调整和稳压调节后,对蓄电池进行充电。
对于蓄电池的主要来源就是高压侧电子电路的工作电能供给,这种技术结构不仅简单,还能够提高工作效率,但是在实际工作中应该重视一个问题就是对蓄电池不能进行反复的充电,这样就减少电池的使用寿命,并且更换电池也是一件费事的事情。
自励电源技术,主要的核心技术就是独立式光隔离电流互感器,线圈由高压母线产生的规律变化的磁场激励得到的交流店,从而实现自供电。
这样技术应用可以促进互感器摆脱有源实现。
实现“无源化”,缺点是如果母线电流不稳定,影响供电稳定性。
3电子式电流互感器的应用配置
3.1电子式电流互感器的选型配置
根据电子式互感器研发现状,配电网IIOKV等级设备中光电、线圈电子式互感器均有挂网运行;35KV及以下配电网设备中,基本采用线圈电子式互感器为主。
以某地区某110KV数字化变电站为例,110KV主设备采用GIS组合电器,配置了光纤电子式电流互感器,每个间隔1组保护线圈、1组计量线圈:额定一次电流600A,测量额定二次输出为01CF,精度0.5级;保护额定二次输出为2D41,精度5P:10KV主设备采用CGIS组合电器,线路间隔均配置了模拟量输出的低功率电子式电流互感器,额定一次电流600A,测量额定二次输出电压为150mV,精度0.5级:保护额定二次输出电压为1V,精度5P。
3.2电子式电流互感器的安装
按照安装方式,电子式互感器可分为独立支撑型、GIS型、套管型及独立悬挂型。
目前,一些地区配电网一次设备主要采用集约型、小型化设备,比如GIS、CGIS、开关柜等。
电子式电流互感器由于绝缘结构简单,体积和重量都远小于传统的电流互感器,更适用于小型化的设备的安装。
低功率电子式电流互感器在开关柜内安装较传统电流互感器更为紧凑,节省空间。
GIS设备配置了光纤电子式电流互感器。
光纤电子式电流互感器敏感头可安装在GIS法兰内,电气单元可安装在GIS本体上,合并单元及光纤熔接盒可安装在汇控柜内。
由于GIS内互感器部分占用空间少了,完全可以考虑减小GIS的TA室。
3.3电子式电流互感器的接口配置
电子式电流互感器与二次保护装置等的数据连接主要依靠合并单元(MU)完成,合并单元可以对二次设备提供一组同步的电流样本。
现在国内已有厂家研制合并单元,适用于交流模拟量小信号输出或数字信号输出的电子式互感器与保护控制装置的连接。
还有一种混合过渡接口方式,是指常规模拟信号和模拟小信号同步接入合并单元,以供保护控制装置采用。
结束语:
随着信息化技术的快速发展,电子式电流互感器在我们的生活中得以广泛的应用,所以需要确保电子式电流互感器的质量和可靠性,确保其在应用过程中能够发挥更好的作用,同时我们也要加强对电子式电流互感器的研究力度,使其在应用过程中不断完善,推动电力行业的健康发展。
参考文献:
[1]电子式互感器在智能变电站中的应用研究[J].郑凤朝,胡小青,蒋小维.电子世界.2018(19)
[2]电子式互感器技术发展趋势[J].苏占江.中国科技信息.2015(16)
[3]电子式互感器原理及关键技术综述[J].胡伟曦,谭建成.电气开关.2018(03)
[4]电子式电流互感器的技术研究进展[J].王铁钢,辛守乔.电工电气,2017,(02)。