医疗企业十万级净化车间洁净度管理制度
- 格式:doc
- 大小:22.39 KB
- 文档页数:9
十万级净化车间洁净度管理制度5.2进出净化车间人员范围:521除本公司经培训的净化车间操作及管理人员和质管人员外, 其余人员未经许可,不得进入净化车间;5.2.2本公司维修、工程人员进入净化车间必须在净化车间管理人员批准后,遵 守本制度4.1条款方可进入。
5.2.3外来公司维修、工程人员、参观,审核等人员进入净化车间必须获得公司 生产负责人批准并在《净化车间出入登记表》上登记,在相关人员陪同下方可进 入,进入程序参照本制度5.1条款进行。
5.3进出净化车间人员要求:5.3.1所穿的工作服应有效遮盖日常服装,工作帽必须全部盖住头发,口罩有效 遮盖鼻、口。
净化车间专用工作服、工作帽及工作鞋不得穿离净化车间域外。
5.3.2净化车间的人员,必须保持个人清洁卫生,不留长指甲;应勤洗澡和衣服。
5.3.3净化车间的人员禁止涂搽化妆品(如口红、脂粉、指甲油、画眉毛等)禁止戴戒指、手镯、耳环、手表、项链等。
5.3.4与净化车间有关的工作人员,每年应进行 1次体检。
行政部负责对净化车间工作人员的健康档案进行登记造册。
有下列情况者不得进入净化车间: 1 )有传染性疾病:皮肤病、灰指甲、患狐臭等疾病的人员不准到净化车间进行工作;文件类型 质量管理体系程序文件文件标题十万级净化车间洁净度管理制度准 备 间一更室 脱一般生产 区工作服洗手室 洗手2)感冒、咳嗽、冻伤、湿疹等疾病患者;3 )没有按规定洗去化妆品、指甲油和未穿洁净工作服者;没有及时刮须、剪不得混用。
5.5.2净化车间内使用的清洁工具必须易于清洗,不掉纤维、不产生静电、易消毒:。
5.5.3所有洁具必须定点放置,净化车间的洁具必须放置在洁具间内,每次需要打扫的时候才可以从洁具间取出,用完之后统一归洁具室保存。
5.5.4所有清洁工具在使用完后,必须有专人对其进行清洗,清洗用水为纯化水清洗完后在架子上挂起来晾干。
5.5.5对于能采用烘干处理的抹布、拖把布料等物料,每次洗干净后必须将其烘干,烘干后每两天用2%浓度的新洁尔灭进行浸泡消毒。
文件类型质量管理体系程序文件文件标题十万级净化车间洁净度管理制度十万级净化车间洁净度管理制度1.目的建立净化车间管理制度,确保10万级净化车间能够维持10万级洁净度,1万级净化车间能够维持1万级洁净程度。
2.范围10万级净化车间3.组织及职责3.1生产部负责净化车间的日常管理。
3.2质管部负责净化车间的环境监测及监督。
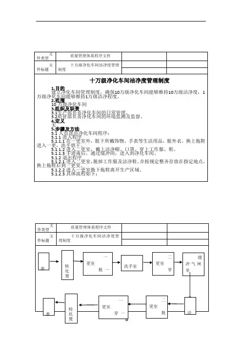
4.定义无5.步骤及方法5.1人员进出净化车间程序:5.1.1进入程序5.1.1.1在一更室外,脱下所戴饰物、手表等生活用品,脱外衣,换上拖鞋进入一更,洗手烘干。
5.1.1.2进入二更室,戴上洁净帽、口罩、穿上工作服、鞋。
5.1.1.3手消毒后,通过缓冲间,进入到净化车间。
5.1.2退出程序5.1.2.1进入二更室,脱掉工作服及洁净鞋,并按规定整齐存放在指定地点,换上拖鞋后到一更室。
5.1.2.2进入一更室换下拖鞋离开生产区域。
5.1.2.3具体流程如下:文件类型 质量管理体系程序文件文件标题 十万级净化车间洁净度管理制度5.2进出净化车间人员范围:5.2.1除本公司经培训的净化车间操作及管理人员和质管人员外,其余人员未经许可,不得进入净化车间;5.2.2本公司维修、工程人员进入净化车间必须在净化车间管理人员批准后,遵守本制度4.1条款方可进入。
5.2.3外来公司维修、工程人员、参观,审核等人员进入净化车间必须获得公司生产负责人批准并在《净化车间出入登记表》上登记,在相关人员陪同下方可进入,进入程序参照本制度5.1条款进行。
5.3进出净化车间人员要求:5.3.1所穿的工作服应有效遮盖日常服装,工作帽必须全部盖住头发,口罩有效遮盖鼻、口。
净化车间专用工作服、工作帽及工作鞋不得穿离净化车间域外。
5.3.2净化车间的人员,必须保持个人清洁卫生,不留长指甲;应勤洗澡和衣服。
5.3.3净化车间的人员禁止涂搽化妆品(如口红、脂粉、指甲油、画眉毛等)禁止戴戒指、手镯、耳环、手表、项链等。
5.3.4与净化车间有关的工作人员,每年应进行1次体检。
10万级洁净车间管理制度一、引言10万级洁净车间是一种高标准的生产环境,要求进行严格的管理和维护,以确保产品质量和生产效率。
本文旨在介绍10万级洁净车间的管理制度,包括环境控制、人员管理、设备维护等方面。
二、环境控制1. 温度控制(1) 10万级洁净车间的工作温度应在18-25摄氏度之间,确保操作人员的舒适性和设备的正常运行。
(2) 定期检查空调和通风系统,确保它们正常工作,提供充足的冷暖空气。
2. 湿度控制(1) 10万级洁净车间的相对湿度应控制在45-65%之间,过高或过低的湿度都会影响产品质量。
(2) 定期检查湿度传感器和加湿/除湿设备,确保湿度控制的准确性和稳定性。
3. 洁净度控制(1) 定期进行洁净度测试,确保车间内空气中的微尘、细菌等粒子污染物符合标准。
(2) 清洁车间地面、墙壁、天花板、设备等表面,保持洁净度。
三、人员管理1. 员工培训(1) 招聘具备相关经验和知识的员工,并进行专业培训,提高其洁净车间操作和管理能力。
(2) 培训员工遵守洁净车间管理制度,包括穿戴洁净服装、正确操作设备等。
2. 人员限制(1) 洁净车间应限制非必要人员进入,只允许经过培训和授权的员工进入。
(2) 禁止携带非洁净车间所需物品进入,如食品、饮料等。
四、设备维护1. 设备清洁(1) 定期对洁净车间内的设备进行清洁和消毒,以确保其正常运行和减少污染风险。
(2) 配备专门的清洁工具和清洁剂,避免使用可能产生二次污染的物品。
2. 设备检查与保养(1) 定期检查设备的运行状态和性能,如过滤器、风扇、传动系统等。
(2) 跟踪和记录设备维护情况,及时修理和更换故障设备。
五、安全管理1. 灭火系统(1) 安装和维护可靠的灭火系统,包括灭火器、报警器等,以应对紧急情况。
(2) 定期检测灭火系统的运行状况,确保其有效性和及时响应能力。
2. 废弃物处理(1) 配置专门的废弃物储存设施,并制定废弃物分类、标识和处理流程。
(2) 按照相关法律法规,将有害废物委托给合格的处理单位进行处理。
表中记录。
5.9.2消毒剂的使用5.9.2.1手部消毒时用0.1%的新洁尔灭溶液和75%的酒精交替使用。
5.9.2.2设备及室内消毒时用0.2%新洁尔灭和75%的酒精交替使用。
5.9.2.3消毒剂的有效期:消毒剂配制后使用时间不超过一周。
5.9.2.4本公司每月定期对使用中的消毒剂进行微生物学监测。
细菌菌落≤100cfu/ml,不得检出致病微生物;5.9.2.5生产部门应在日常工作中进行消毒剂使用知识的培训,提高员工素质。
5.9.2.6详细使用参照《消毒剂管理规定》。
5.10净化车间的环境监测标准:为保证洁净室的洁净度,必须定期对洁净室温湿度、空气压力、风速、尘埃粒子数、沉降菌定期进行监测,确保洁净室的净化环境和洁净度。
5.10.1我公司生产的一次性使用医疗器械产品生产环境应达到10万级洁净度,文件类型质管理体系程序文件文件标题十万级净化车间洁净度管理制度无菌检验室为万级洁净度。
5.10.2净化车间的温、湿度、菌落、风速、空气压力、尘埃粒子数的监测按《工作环境控制程序》要求检验和记录。
5.10.3净化车间内操作台面洁净度监测应满足GB14233.1中的要求的要求,由化验室负责监测。
5.10.4净化车间连续不使用超过30天的,需要做全面检测后方可继续使用。
5.11净化车间个人卫生的培训:5.11.1凡长期和短期进入净化车间工作的人员都要经过培训。
5.11.2培训工作由质量部负责。
5.11.3短期进入净化车间工作的人员包括维修人员等。
6.相关文件M-64-003洁净区个人卫生管理制度;M-64-004洁净车间工作服、鞋的管理规;M-64-005洁净工具的清洁及存放规定;M-64-006物料清洁规定;M-75-013消毒剂管理规定。
7.记录FH-RD-64-006净化车间出入登记表。
医疗企业十万级净化车间洁净度管理制度第一部分:引言本制度旨在规范医疗企业十万级净化车间的洁净度管理,确保产品和环境的卫生安全,促进医疗服务的质量提升。
其中,十万级净化车间为医疗器械生产过程中的关键环节,对洁净度要求较高,应有一套严格的管理制度。
第二部分:管理目标1.确保十万级净化车间的空气质量和洁净度符合相关标准。
2.遵守国家和行业的卫生安全规定,减少潜在的交叉感染风险。
3.提高员工的卫生意识和操作规范,培养良好的卫生习惯。
第三部分:制度内容1.十万级净化车间的设计要求a.符合国家和行业的卫生安全标准。
b.设计合理的通风系统,确保空气流通和过滤效果。
c.合理设置工作区域,避免交叉感染的可能性。
2.车间内空气质量的监测与管理a.定期对车间内空气质量进行监测,确保其符合相关标准。
b.配备相应的空气净化设备,确保车间内空气清新和洁净。
3.清洁卫生管理a.建立清洁巡检制度,定期对车间进行清洁和消毒。
b.使用符合标准的清洁剂和消毒剂,确保其效果和安全性。
c.定期对工作台、设备、工具等进行清洁和消毒。
4.人员管理要求a.车间内禁止吸烟、食品饮料,严禁乱扔垃圾。
b.员工应佩戴符合规定的工作服、手套、口罩等防护用品。
c.提供培训和教育,加强员工的卫生意识和操作规范。
5.设备维护与保养a.对车间内的设备进行定期维护和保养,确保其正常运行和使用效果。
b.严格按照操作规程使用设备,减少污染和交叉感染的风险。
c.设立设备维护记录,定期进行检查和维修。
6.废物和污染物处理a.确保废物和污染物的妥善处理,避免对环境和人员的伤害。
b.建立废物分类和回收制度,减少对环境的污染。
7.管理评估和改进a.定期进行洁净度管理评估,及时发现和解决问题。
b.借鉴其他行业的最佳实践,持续改进管理制度和操作方法。
第四部分:责任和监督1.制定明确的责任分工,明确各级管理人员和员工的职责。
2.设立监督机构,对洁净度管理制度的执行情况进行监督和检查。
文件种类文件标题质量管理系统程叙言件十万级净化车间干净度管理制度十万级净化车间干净度管理制度1. 目的成立净化车间管理制度,保证10 万级净化车间能够保持10 万级干净度, 1 万级净化车间能够保持1 万级干净程度。
2.范围10 万级净化车间3.组织及职责生产部负责净化车间的平时管理。
质管部负责净化车间的环境监测及监察。
4.定义无5.步骤及方法人员进出净化车间程序:进入程序在一更室外,脱下所戴饰物、腕表等生活用品,脱外套,换上拖鞋进入一更,洗手烘干。
进入二更室,戴上干净帽、口罩、穿上工作服、鞋。
手消毒后,经过缓冲间,进入到净化车间。
退出程序进入二更室,脱掉工作服及干净鞋,并按规定齐整寄存在指定地址,换上拖鞋后到一更室。
进入一更室换下拖鞋走开生产地区。
详细流程以下:文件种类文件标题质量管理系统程叙言件十万级净化车间干净度管理制度一更室 脱普通生产 区工作服洗手室洗手二更室 穿 洁 净 工作服缓 冲 气 闸室 手消毒一更室 穿普通生产区工作服二更室 脱干净 工作服进出净化车间人员范围:除本公司经培训的净化车间操作及管理人员和质管人员外,其余人员未经允许, 不得进入净化车间;本公司维修、工程人员进入净化车间一定在净化车间管理人员允许后, 恪守本制度 条款方可进入。
外来公司维修、 工程人员、观光,审查等人员进入净化车间一定获取公司生产负 责人允许并在《净化车间进出登记表》上登记,在有关人员陪伴下方可进入,进 入程序参照本制度条款进行。
进出净化车间人员要求:所穿的工作服应有效掩盖平时服饰, 工作帽一定所有遮住头发, 口罩有效掩盖鼻、 口。
净化车间专用工作服、工作帽及工作鞋不得穿离净化车间域外。
净化车间的人员,一定保持个人洁净卫生,不留长指甲;应勤沐浴和衣服。
净化车间的人员禁止涂搽化妆品(如口红、脂粉、指甲油、画眉毛等)禁止戴戒指、手镯、耳饰、腕表、项链等。
与净化车间有关的工作人员, 每年应进行 1 次体检。
10万级洁净车间管理制度洁净车间是指能够控制及减少空气中颗粒物、细菌和微生物等污染物的特殊环境空间,广泛应用于医药、电子、食品等行业。
为了确保洁净车间的正常运行,提高生产效率,保证产品质量,制定一套完善的洁净车间管理制度至关重要。
本文将从洁净车间的划分、人员管理、设备维护及清洁、进出车间控制等方面详细介绍10万级洁净车间的管理制度。
一、洁净车间的划分洁净车间根据不同的洁净等级可以划分为10万级、1万级和100级等级。
本文主要讨论10万级洁净车间的管理制度。
10万级洁净车间要求每立方米空气中的颗粒物浓度不超过100,000个,且要控制温度、湿度等环境参数。
为了做到这一点,需要合理划定洁净车间的范围和空间,并采取相应的管理措施。
二、人员管理1. 培训要求:所有进入洁净车间工作的人员必须接受岗前培训,了解洁净车间管理制度、安全操作规程和个人卫生要求。
同时,定期进行培训和考核,确保员工了解并遵守管理制度。
2. 工作服要求:进入洁净车间的工作人员必须配戴洁净工作服,并确保工作服干净整洁。
同时,要求员工更换工作服的频率,减少细菌和微生物的传播。
3. 个人卫生要求:要求员工保持良好的个人卫生习惯,在进入洁净车间之前,必须彻底洗手,戴上手套,并进行必要的体检。
三、设备维护及清洁1. 设备维护:定期对洁净车间的设备进行维护和检修,确保设备运行稳定并符合洁净要求。
设备维修记录要详细记录,以便下次维修参考。
2. 清洁管理:洁净车间的清洁要求非常严格,必须定期进行清洁,包括地面、墙面、天花板等。
清洁过程中要使用符合洁净要求的清洁用品,并制定清洁记录表,记录每次清洁的情况。
四、进出车间控制1. 人员通道控制:进入洁净车间必须通过特定通道,并进行人员身份确认和记录。
禁止未经授权人员进入洁净车间。
2. 物料通道控制:洁净车间应设立专门的物料通道,将进入车间的物料进行严格管理和清洁处理,杜绝外来污染源的引入。
3. 空气质量检测:定期对洁净车间的空气质量进行检测,确保空气中的颗粒物浓度符合洁净要求。
10万级洁净车间管理制度一、概述10万级洁净车间是一种高要求的生产环境,对于生产过程中的微尘、微生物等有着严格的控制要求。
为了保证生产质量和产品的安全性,需要建立一套科学有效的洁净车间管理制度。
本文将介绍10万级洁净车间的管理制度,包括人员管理、环境控制、设备维护、物料管理等方面的内容。
二、人员管理1. 培训要求:所有进入洁净车间的员工都需要经过相关的培训,包括洁净车间操作规程、洁净技术要求、卫生要求等方面的培训。
2. 人员限制:只有经过培训并获得授权的员工才能进入洁净车间。
任何非关键作业、外部人员必须获得特殊许可才能进入。
3. 人员着装:所有进入洁净车间的员工必须穿戴统一的洁净服装,包括洁净帽、洁净鞋等。
洁净服装必须定期更换和清洗。
三、环境控制1. 温湿度控制:洁净车间的温湿度需要根据生产工艺要求进行调整和控制,确保生产环境的稳定性。
2. 空气质量控制:采用高效空气过滤器和空气净化设备,保证洁净车间内的微尘和微生物浓度低于规定标准。
3. 通风系统:洁净车间应配备良好的通风系统,确保空气流通,并避免物质积聚。
四、设备维护1. 设备定期保养:洁净车间内的设备需要进行定期的保养和维护,确保设备的正常运行和高效性能。
2. 设备清洁:洁净车间内的设备需要经常清洁,避免油污、灰尘等对洁净环境的影响。
3. 异常设备处理:对于出现故障或异常的设备,需要立即进行处理和维修,以免对生产造成影响。
五、物料管理1. 合格供应商:洁净车间所使用的物料必须来自于经过认证的合格供应商,确保物料的质量和可靠性。
2. 物料存放:各类物料需要分门别类进行存放管理,避免交叉污染和混乱。
3. 废弃物处理:洁净车间内产生的废弃物需要按照规定的程序进行分类、收集和处理,确保环境的卫生和清洁。
六、检测与纠正措施1. 检测频率:洁净车间内的空气质量、微生物等需要进行定期检测,确保洁净环境的稳定性。
2. 异常纠正:一旦发现洁净车间内的空气质量或微生物等指标超过规定标准,需要立即采取纠正措施,并追踪原因,避免再次出现类似问题。