煤矿井下用带式输送机托辊
- 格式:doc
- 大小:38.85 KB
- 文档页数:8
皮带输送机托辊规格型号技术参数表托辊的作用是支撑输送带和物料重量。
托辊运转必须灵活可靠。
减少输送带同托辊的摩擦力,对占输送机总成本25%以上的输送带的寿命起着关键作用。
虽然托辊在带式输送机中是一个较小部件,结构并不复杂,但制造出高质量的托辊并非易事。
托辊是带式输送机的重要部件,种类多,数量大。
作用是支承皮带,减少皮带运行阻力,并使皮带的垂直度不超过一定限度以保证皮带平稳地运行。
托辊按其用途分类为调心托辊、缓冲托辊、槽形托辊、平行托辊。
调心托辊的作用是纠正带式输送机的跑偏,通常输送机的重载段上安装回转式槽形调心托辊,空载段上安装平行调心托辊。
缓冲托辊是根据实际情况应用于机尾架上的,受料时,可以降低物料对皮带的冲击,有利于沿长皮带的使用寿命。
槽形托辊一般由两个侧托辊和一个平托辊组成,槽角度一般为30度,对于可拆卸式的带式输送机,槽形托辊的三个托辊互相铰接在一起,故称铰接托辊。
平行托辊一般为一个长辊,它安装在承受压力的下端故称下托辊。
37700G4119.67 3.2 38750G41210.37 3.2 39800G41310.83 3.2 40950G41512.78 3.2 411150G41915.20 3.2 421400G42118.11 3.2 431600G42320.70 3.244133250G503 6.0646305/C4251881745315G5047.124 46380G5058.234 47465G5069.624 48530G50810.714 49600G50911.864 50670G51012.954 51700G51113.534 52750G51214.264 53800G51315.174 54900G51416.774 55950G51517.664 561000G51618.364 571100G51820.004 581150G51920.984 591250G52022.484 601400G52125.004 611600G52328.484 621800G52431.584 632000G52534.904 642200G52638.264 652500G52743.24466159315G60410.39 4.56306/C4302281767380G60511.87 4.5 68465G60613.80 4.5 69530G60815.27 4.5 70600G60916.86 4.5 71670G61018.35 4.5 72700G61119.13 4.5 73750G61220.16 4.5 74800G61321.40 4.5 75900G61423.58 4.5 76950G61524.70 4.5 771000G61625.86 4.5 781100G61828.06 4.5 791150G61929.34 4.5 801250G62031.51 4.5 811400G62135.02 4.5 821600G62339.56 4.5 831800G62444.00 4.5 842000G62548.53 4.5 852200G62653.00 4.5 862500G62759.91 4.5 872800G62866.65 4.588194600G70926.2056407/C43526102089670G71028.505 90750G71231.205 91800G71332.805 92900G71436.105 931000G71639.405 941100G71842.705 951250G72047.605 961400G72152.605 971800G72465.705 982000G72572.605 992200G72678.805 1002500G72788.705。
浅析煤矿带式输送机托辊布置形式与间距的合理确定[摘要]本文介绍带式输送机在煤矿的应用情况,重点从带式输送机托辊布置形式的选择,以及托辊间距的合理确定等几方面分析。
[关键词]托辊布置形式;间距;带式输送机;煤矿中图分类号:td822文献标识码:a文章编号:1009-914x(2013)21-0000-011 引言煤矿生产过程中,井下大量使用的就是带式输送机,它是矿井的主要运输设备,而其中的托辊,则是带式输送机的主要部件,使用量也比较大,且形式多样。
至于托辊的布置形式和使用数量,都对带式输送机的正常使用、平稳运行、维护费用、功率消耗等因素有重要影响。
因此来说,通过合理选择托辊布置形式和正确确定托辊的间距,能在保证带式输送机平稳运行的前提下,尽量减少托辊用量,从而实现降低皮带机运输投入及其相关的一些维护费用。
2 选择不同形式的托辊对于带式输送机托辊来说,主要是用于支承输送带及输送带上的煤炭,以保证输送带稳定运行。
如果选择的托辊形式、间距不合理,将会直接影响到整条带式输送机在运转过程中不正常,不能稳定保障运送煤炭。
1)平行托辊。
而平行托辊,一般为较长的托辊,主要作为下托辊,以支撑回空段的输送带。
一般下托辊轴头卡在机架的支座里,支座有三个槽vi用来调整托辊的位置,以纠正回空段输送带的跑偏问题。
2)槽形上托辊。
槽形上托辊一般由三个短托辊组合而成,其槽角为 3o°、35°和45°。
槽形上托辊的标准槽角为 35°,一般一台输送机中使用最多的就是35°槽形托辊和35°槽形前倾托辊。
它一般作为重载托辊,用于输送煤炭等。
3)过渡托辊。
在设计过程中,对于大运量、长距离、输送带张力大和重要的输送机,一般都应设置过渡段,也就是布置过渡托辊的地方。
其头部滚筒中心线至第一组正常槽形托辊中心线的最小过渡段长度,见如表1所列数据。
在条件允许的时候,也应相应地设置尾部过渡段。
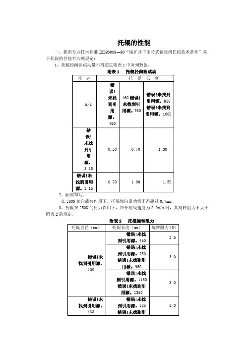
托辊的性能一、我国专业技术标准ZBD93009—90“煤矿井下用带式输送机托辊技术条件”关于托辊的性能有六项规定:1、托辊径向圆跳动量不得超过附表1中所列数值。
附表1 托辊径向圆跳动带速托辊长度m/s错误!未找到引用源。
460460错误!未找到引用源。
950错误!未找到引用源。
950错误!未找到引用源。
1000错误!未找到引用源。
3.150.50 0.70 1.30错误!未找到引用源。
3.150.70 1.00 1.502、轴向窜动。
在500N轴向载荷作用下,托辊轴向窜动值不得超过0.7mm。
3、托辊在250N的压力作用下,在外圆线速度为2.0m/s时,其旋转阻力不大于附表2的规定。
附表2 托棍旋转阻力托辊直径(mm)托辊长度(mm)旋转阻力(N)错误!未找到引用源。
108错误!未找到引用源。
4602.5错误!未找到引用源。
750错误!未找到引用源。
9503.0错误!未找到引用源。
错误!未找到引用源。
1150错误!未找到引用源。
错误!未找到引用源。
13503.0错误!未找到引用源。
133错误!未找到引用源。
错误!未找到引用源。
525错误!未找到引用源。
错误!未找到引用源。
6003.0错误!未找到引用源。
错误!未找到引用源。
790错误!未找到引用源。
错误!未找到引用源。
9003.5错误!未找到引用源。
错误!未找到引用源。
675错误!未找到引用源。
错误!未找到引用源。
7503.0错误!未找到引用源。
错误!未找到引用源。
1010错误!未找到引用源。
错误!未找到引用源。
1203.54、机械强度。
(1)、跌落试验。
跌落试验用两种方法进行,一种是将托辊水平放置在距水泥面1m的高度进行跌落试验;另一种是将托辊垂直放置,距水泥面的高度H进行跌落试验。
H由下式计算:H=错误!未找到引用源。
式中 P—托辊重力,N;H—托辊垂直跌落高度,cm;1800—经验值,N.cm。
跌落次数各为一次,然后检查下列内容:a、托辊零件、焊缝不得有损伤和开裂。
皮带输送机用托辊JIS标准皮带输送机用托辊JIS B 8803(译文)1990年7月1日改正日本工业标准调查会审议日本规格协会发行1日本工业规格皮带输送机用托辊1适用范围这种规格主要适用于运送矿石、土砂、煤炭、粮食、碎石等固定形状橡胶输送机两侧以及两侧使用的托辊。
关于托辊架的标准,在后面有附属书参考1 以下是这种规格的引用规格JIS B 0140 输送机用语JIS B 0141输送机用语JIS B 1001 螺丝孔径和通过孔径JIS B 1180 六方螺丝JIS B 1521 轴承JIS B 3101 一般构造用压延钢材JIS B 3444 一般构造用碳素纲钢管JIS B 3445 机械构造用碳素纲钢管JIS B 3452 配管用碳素纲钢管2 以下是对应的国际规格ISO 1537—19752 使用词语的定义词语的定义来源与JIS B 0140以及JIS B 0141。
3 种类和记号如表1表1 种类和记号种类记号承载托辊组 CR回程托辊组 RR4品质4(1 性能托辊能用一只手轻松拨动,回转灵活,托辊轴承部分在普通的状态下,必须使用使水、灰尘、难以进入的构造。
4(2 外观外部表面必须良好,没有使用上的有害缺点。
特别注意托辊表面光滑,不得有裂纹、断裂、凹陷以及其他的有害缺点。
5 尺寸托辊的尺寸看表2表2使用的记号是从图1得来2图1托辊的形状(例)D:托辊直径l: 托辊使用管子长度d: 托辊小轴直径承载侧的组合实例3根托辊的场合 1根托辊的场合 2根托辊的场合1根托辊的场合2根托辊的场合图1(继续)回程托辊两侧组合例3表2托辊的尺寸尺寸皮带宽度1根托辊的情况 2根托辊的情况 3根托辊的情况 B 4表2 (继续)皮带尺寸宽度1根托辊的情况 2根托辊的情况 3根托辊的情况 B备注: 英文字母后的数字表示的是1根 2 根 3根托辊使用的尺寸。
没有标注公差要求的尺寸表示的是基本尺寸。
56: 材料材料必须使用符合表3或和表3同等以上质量的材料。
带式输送机的安全保护装置20世纪80年代以来,随着我国高产高效矿井的建设与发展,运量大、效率高的带式机运输方式的得到了广泛应用,带式输送机已成为我国煤矿井下煤流运输的主要工具,带式输送机的安全监控技术与自动化技术也已成为煤矿生产安全与自动化技术的重要内容。
1. 带式输送机的有关安全规定采用滚筒驱动带式输送机运输时应遵守的规定(1) 必须使用阻燃输送带。
(2) 巷道内应有充足照明。
(3) 必须装设驱动滚筒防滑保护、堆煤保护和防跑偏装置。
(4) 应装设温度保护、烟雾保护和自动洒水装置。
(5) 在主要运输巷道内安设的带式输送机还必须装设:①输送带张紧力下降保护装置和防撕裂装置;②机头和机尾防止人员与驱动滚筒和导向滚筒相接触的防护栏。
(6) 倾斜井巷中使用的带式输送机,上运时,必须同时装设防逆转装置和制动装置;下运时,必须装设制动装置。
(7) 液力偶合器严禁使用可燃性传动介质(调速型液力偶合器不受此限)。
(8) 带式输送机巷道中行人跨越带式输送机处应设过桥。
(9 ) 应加设软启动装置,下运带式输送机应加设软制动装置。
2 对带式输送机安全防护装置的规定根据井下机电运输设备的结构特点,以及电气设备所处的不同位置,为保证人身和设备的安全必须设立良好的防护装置。
下面主要是针对电气设备的转动部分、裸露部分,及有人横越带式输送机的地点和机房硐室等作的规定。
(1) 在一切容易碰到的裸露电气设备和设备外露的转动部分,以及可能危及人身安全的部位或场所,都应设置防护栏。
(2) 经常有人横越带式输送机的地点,应设有过桥,过桥应有扶手、栏杆。
(3) 机房硐室应备有必要的消防器材。
硐室内必须配备不少于0.2 m3的砂箱及黄砂和2个以上合格的灭火器。
(4) 主要巷道内的带式输送机的机头前后两端各20 m范围内,都必须用不燃性材料支护。
(5)使用带式输送机液力偶合器的巷道应备有灭火器材,其数量、规格和存放地点,应在矿井灾害预防和处理计划中确定。
MT8211999煤矿井下用带式输送机托辊技术条件讲解
概述
MT8211999煤矿井下用带式输送机托辊是一种重要的输送机配件,用于输送煤炭等物料。
本文将对该托辊的技术条件进行讲解,以便了解该托辊的性能和使用条件。
技术条件
1. 托辊类型
MT8211999托辊为直接安装在输送带上的托辊。
其设计结构轻便合理,便于安装和更换。
2. 材料
托辊外壳采用优质钢板材料制造,具有优良的耐磨性、抗冲击性和耐腐蚀性。
托辊轴承采用高品质的滚动轴承,使用寿命长。
3. 规格
MT8211999托辊的规格如下:
•托辊直径:89毫米
•托辊长度:190毫米
•轴承型号:6204
•轴承数量:2个
•承载能力:550N
4. 运行环境
MT8211999托辊适用于以下环境:
•温度:-20℃~+40℃
•湿度:不超过95%(无凝结水)
•海拔高度:不超过1000米
•煤尘等环境:适度
5. 安装注意事项
•安装前应对托辊进行检测,确保托辊的轴承转动灵活、无卡滞或轴承磨损现象。
•托辊安装时,应保证托辊与输送带间距符合要求,不得过小或过大。
•安装前,应先清理输送带上的油污和杂质,确保输送带表面光洁。
•安装过程中,应按照托辊所在的位置和方向进行正确的安装。
MT8211999煤矿井下用带式输送机托辊是一种重要的输送机配件,其性能和使用条件能满足煤炭等物料的输送要求。
在使用前,需要按照本文中的技术条件和安装注意事项进行正确的安装和使用,以确保托辊的正常运行和使用寿命。
带式输送机通用型托辊更换专用工具制作及应用摘要:带式输送机是燃煤电厂将煤炭送入煤仓的主要设备,它对电厂的稳定运行起着至关重要的作用。
托辊的作用是支撑输送带和输送带上所承载的物料,是保证皮带输送机正常工作的重要零部件,因此当托辊失去原有的技术性能指标时,需要尽快更换。
由于皮带自身重量和张紧等因素,更换托辊是一项繁重的工作。
因此,有必要研究一种新型的能够适用于大部分型号托辊更换的通用型托辊更换专用工具。
关键词:带式输送机;托辊;通用;专用工具0 概述输煤系统在大型火力发电厂中的主要作用是燃煤的接卸、储存和供给锅炉所需燃煤。
输煤系统主要包括卸煤系统和上煤系统两部分。
运卸煤系统主要包括卸煤设备、输送设备和堆料设备;上煤系统主要包括取料设备、输送设备和加仓设备煤系统共有22条皮带机,其中卸煤系统13条(#1AB、#2AB、#3AB、#4AB、#5AB、#6ABC),皮带机B=1600mm,V=3.5m/s,Q=3000t/h,均为双路布置。
上煤系统共有9条(#7、#8AB、#9AB、#10AB、#11AB),皮带机B=1400mm,V=2.78m/s,Q=1600t/h,双路布置,正常情况下为一路运行一路备用,具备同时运行的条件。
皮带机总长约7300多米,输送胶带总长15626米。
1 输煤皮带托辊1.1托辊的种类托辊根据所处的位置和作用,可分为承载皮带和物料的普通上托辊,承载回空段的下托辊,缓和冲击作用的缓冲托辊,调整跑偏用的调偏托辊。
承载的槽形上托辊,槽角通常有20°、30°、35°。
增大槽角可以提高输送量,物料输送平稳,不易撒落,同时可以降低皮带宽度、节约费用。
输煤系统用的承载槽形上托辊,槽角为35°。
在工作段驱动滚筒处,有两组过渡托辊,槽角分别为20°和10°,它能使皮带受力更理想且防止撒料。
乐清电厂输煤皮带机常用的托辊有35°槽形托辊、过渡托辊、缓冲托辊、调偏托辊、V形调偏托辊、反V型托辊、下调偏托辊、平行托辊、螺旋托辊、防磁托辊、梳形托辊等。
带式输送机托辊故障检测方法武国平(国家能源集团准能集团有限责任公司,内蒙古 鄂尔多斯 017000)摘要:针对现有输煤传送机托辊故障检测方法存在识别精度较低、抗环境干扰能力较差、无法长期稳定运行等问题,提出了一种基于融合信号(TFM )及多输入一维卷积神经网络(MI−1DCNN )的输煤传送机托辊故障检测方法。
首先,通过拾音器采集输煤传送机沿线托辊运行的音频信号,采用dB4小波无偏风险估计阈值降噪法对信号进行预处理,消除背景噪声,提高信噪比。
然后,对降噪音频信号的时域、频域和梅尔频率倒谱系数(MFCC )及其一阶二阶差分系数进行归一化处理,并进行拼接,得到特征TFM 。
最后,将TFM 输入到多尺度卷积核的MI−1DCNN 模型,在网络通道末端进行特征融合,通过Softmax 函数完成对正常托辊和故障托辊的分类识别。
以某煤矿实际采集的输煤传送机托辊音频信号样本对TFM−MI−1DCNN 模型进行试验,结果表明:故障托辊平均识别准确率达98.65%,较改进小波阈值降噪−反向传播−径向基函数网络、MFCC−K 邻近方法−支持向量机的平均识别准确率分别提高了1.50%和1.03%。
现场应用结果表明:该方法下故障托辊平均识别准确率为98.4%,说明该方法适用于现场应用。
关键词:输煤传送机;智能巡检机器人;托辊;音频信号;小波阈值降噪;MFCC ;多输入一维卷积神经网络中图分类号:TD634 文献标志码:AFault detection method for belt conveyor idlerWU Guoping(CHN Energy Zhunneng Energy Group Co., Ltd., Ordos 017000, China)Abstract : The existing fault detection methods for belt conveyor idler have the problems of low recognition precision, poor anti-interference capability and inability to operate stably over a long period of time. In order to solve the above problems, a fault detection method for belt conveyor idler based on time-frequency-MFCC(TFM)and multi-input one-dimensional convolutional neural network (MI-1DCNN) is proposed. Firstly, the pickup collects the audio signal of the coal conveyor idler running along the line. The dB 4 wavelet unbiased risk estimation threshold noise reduction method is used to preprocess the signal to eliminate the background noise and improve the signal-to-noise ratio. Secondly, the time domain, frequency domain and Mel frequency cepstrum coefficient (MFCC), and the first and second order difference coefficient of the noise reduction audio signal are normalized respectively, and finally assembled to obtain the feature TFM. Finally, that TFM signals are input into a MI-1DCNN model with a multi-scale convolution kernel. The feature fusion is carried out at the end of a network channel. The classification and identification of the normal idler and the fault idler are completed through a Softmax function. The TFM-MI-1DCNN model is tested with the audio signal samples of coal conveyor idler collected in a coal mine. The results show that the average recognition accuracy of the fault idler is 98.65%. The average recognition accuracy is improved by 1.50% and 1.03% compared to the improved wavelet threshold收稿日期:2022-10-11;修回日期:2023-02-08;责任编辑:王晖,郑海霞。
煤矿带式输送机安全管理规定(试行)第一节总则第一条为完善公司下属各矿带式输送机安全保护、安全防护设施,规范带式输送机操作人员和维修人员行为,确保带式输送机运行安全,加强带式输送机的安全使用和管理,杜绝事故发生,特制定本规定。
第二条带式输送机及安全保护设施必须取得“MA”标志,使用单位投入运行的带式输送机必须健全安全管理制度、操作规程、维护检修规程、岗位责任制等相关管理制度。
第二节一般管理第三条带式输送机必须使用阻燃胶带;带式输送机托辊的非金属材料零部件和包胶滚筒的胶料,其阻燃性和抗静电性必须符合有关规定。
第四条井下带式输送机巷道内必须有充分照明;地面车间、选煤厂带式输送机走廊应采光充足、照明齐全。
第五条带式输送机必须装设驱动滚筒防滑保护、堆煤保护、温度保护、烟雾保护、防跑偏装置、超温自动洒水装置,主要运输巷道内安设的带式输送机必须装设胶带张紧力下降保护装置和防撕裂保护装置。
第六条带式输送机上运时,必须装设防逆转装置和制动装置。
第七条带式输送机防护网(罩)等辅助安全设施按机电设备保护装置管理,在运转期间严禁擅自拆除或违规使用。
第八条前后相互搭接带式输送机之间必须有开停联锁装置,其控制必须灵敏可靠。
第九条带式输送机停机前,除设备故障或紧急停机外,必须把胶带上的物料拉空,避免带载启动,严禁在短时间内频繁启动。
第十条带式输送机,机头机尾必须有可靠固定。
第十一条安装有带式输送机的巷道中,行人跨越带式输送机处必须装设安全可靠的行人过桥。
第十二条作业人员操作带式输送机必须严格按《带式输送机操作规程》要求执行。
第三节保护装置第十三条堆煤保护设置:必须装设在卸载点的正前方的适当位置,避免卸料时物料碰触产生误动作或堆煤埋死滚筒时拒动。
第十四条烟雾保护设置:烟雾保护传感器必须装设在带式输送机驱动部位进风流经过驱动滚筒后上方的适当位置,并与超温自动洒水装置配合,保证胶带打滑或其它原因产生烟雾时能够可靠动作。
第十五条温度保护设置:温度传感器必须采用远红外温度传感器,且装设在驱动滚筒适当位置处,利用温度传感器探测驱动滚筒表面温度,当温度升高异常时,传感器反馈信号并停机,同时自动洒水装置动作。
管理及其他M anagement and other 矿用带式运输机托辊结构优化研究刘鹏洋摘 要:带式输送机托辊具有密封结构复杂、滚动阻力大、运行过程中功耗大等缺陷,因此需要不断对其进行优化,以提高工作效率。
通过创新托辊的结构,将输送机托辊与外部环境进行分离,也在一定程度上将托辊内轴承的密封结构进行了简化,从而有效降低了托辊的运行阻力,为带式输送机关键技术的应用提供了参考。
本文首先分析了带式输送机托辊的种类和结构,阐述了托辊材质和类型,以及托辊的结构,特别是密封结构和轴承。
然后介绍了带式输送机托辊的影响因素和不足之处,最后总结了带式输送机托辊在应用中的优化措施。
关键词:带式输送机;托辊;优化带式输送机在矿山生产中的占有重要地位,对矿山生产的效率产生了直接的影响。
带式输送机通过在托辊上水平移动输送带,并通过托辊进行连续旋转来实现物料输送。
托辊可以将水平运动转化为旋转运动,而且还需要支撑施加在托辊上的物料的重量,因此托辊的间距需要注意。
如果间隙过大,滚筒之间的输送带会出现变形,从而增加了输送带的受力,随着传送带速度的增加,受力也会不断增加,严重影响传送带的使用寿命。
如果托辊间距过小,则会增加安装成本。
因此需要注意托辊间距,并进行合理设计。
研究优化托辊设计可以有效提高矿山生产设备的使用寿命,增加矿山生产的经济效益。
1 托辊的种类1.1 托辊的种类1.1.1 托辊的材料普通托辊的轴、轴承和滚筒通常由钢制成,但它们的耐腐蚀性和耐磨性等性能较差。
为了达到降低托辊质量、提高性能、延长使用寿命的目的,如陶瓷托辊、橡胶托辊、塑料托辊、聚合物基复合支撑托辊等非金属托辊被不断研发。
传统材料已不符合现阶段工业发展的需求,因此,当前的发展趋势是对聚合物基复合材料的研究,聚合物基复合滚轮已经有很多专利,但我国在该领域的技术还处于起步阶段。
因此,性能优良、价格合理、应用广泛的聚合物基复合材料是未来研究的目标。
1.1.2 滚筒的种类滚轮主要分为槽滚轮组、回程滚轮组、防偏滚轮组、缓冲滚轮组和特殊滚轮组。
一输送带的安全规范一、国家在GB4784—93带式输送机安全规范中,对输送带部件做了明文规定,有关输送带的安全规范摘编如下:1、输送机必须按物料特性与输送量要求选用,不得超载使用,必须防止堵塞和溢料,保持输送畅通。
2、输送带应有适合特定的载荷和输送物料特性的足够宽度。
3、输送带必须有足够的强度,严禁以低强度代替高强度输送带。
4、输送带芯体外露必须及时修补,如芯体锈蚀、断裂、断段、腐蚀,必须更换损坏区域。
5、宜设输送带初期损坏检测装置和防跑偏装置。
6、运行中输送带着火,应先停机再灭火。
7、安装输送带后,不允许用火、电焊机加工机架。
8、各种输送带的保用期不得少于附表1的规定(GB 523—74)。
附表1 各种输送带保用期的规定120用寿命不得低于10万转,胶粘接头寿命不得低于25万转。
二托辊的质量标准一、我国对TD—75型定有质量标准(GB 10595—89),现综述如下:1、托辊用锂硅润滑脂的性能如下表所示。
轴承的充油量应为轴承空隙的2/3,密封圈之间的空隙应充满。
附表2 托辊用锂硅润滑油脂的性能25265万次工作针入度)375,0.3522、托辊外圆径向跳动应符合附表3的规定。
附表3 非缓冲、核形外托辊外圆径向跳动量-1550 550950 9501600 160024003.13.13、托辊外圆跳动应符合附表4的规定。
附表4 施加轴向力标准20254、托辊装配后,在250N的径向压力下,以550r/min旋转,测其旋转阻力,其值不得大于下表的数值,停止旋转1h,其旋转阻力不得大于附表5的数值的1.5倍。
附表5 旋转阻力5、在1米高度,托辊平放,自由落下。
托辊立放,在高度为H=180/G(cm)时垂直自由落下(G为托辊质量,kg),要达到辊子零件和焊缝无损伤与裂纹,相配处不得松动,辊子的轴向位移量不大于1.5mm。
德国DIN221122的托辊质量标准如附表6所示。
附表6 德国托辊质量标准钢板厚度不小于2.9mm0.5mm0.5mm89mm的3N,63.5mm的4N 托辊使用寿命(二、ISO规定了托辊圆周和托辊横梁或任何其他结构顶部之间的空隙的最小值,如附表7所示。
带式输送机司机考试题一、单项选择题:(共100题)1、井下胶带输送机使用:()A、阻燃带B、三角带C、非阻燃带D、安全带2、输送机机头应有:()A、过桥B、防护栏C、张紧装置D、防倒装置3、胶带输送机行人跨越处设:()A、过桥B、张紧装置C、防倒装置D、清带器4、入煤仓输送机有防止人员坠入煤仓的:()A、捞车器B、急停开关C、逆止器D、挡煤板5、胶带输送机在正常情况下应()启动。
A、大负荷B、小负荷C、中负荷D、空载6、油葫芦的防爆塞内应上几个防爆片?()A、1B、2C、3D、47、胶带输送机是以什么作为牵引机构和承载机构的连续运输机械?()A、胶带B、电机C、滚筒D、减速器8、处理胶带输送机跑偏时,()用手脚及身体其它部位直接接触胶带。
A、可以B、必须C、严禁D、有时候9、胶带输送机一般向上运输不超过:()A、15ºB、18ºC、25ºD、35º10、胶带输送机一般向下运输不超过:()A、12ºB、15ºC、22ºD、32º11、胶带输送机的驱动有单滚筒驱动和( )滚筒驱动。
A单B两c三D多12、运行中的胶带输送机不准( )。
A停机B跨越c调偏D运矸13、井下胶带输送机( )使用阻燃输送带。
A可以B不得C必须D不必14、胶带输送机巷道内( )照明。
A可以没有B应有充分C不必有D只准机头有15、带式输送机最高点与顶板的距离应不低于( )米。
A 20B 0.1 C10 D 0.616、对于倾角小于( )的皮带机,一般可不设制动器。
A l°B 4°C 10°D 13°17、带式输送机检修处理故障应先停机后( )。
A停电、挂牌B清理现场c停电不挂牌D挂牌不用停电18、电缆伸人设备器壁的长度低于5毫米或超过15毫米是( )。
A失爆B完好c不完好D合格19、齿轮箱中的润滑油( )。
A越多越好B越少越好c按油标加注D可以用水代替20、我们常说的“20的螺丝”中的“20”是指( )。
煤矿井下用带式输送机托辊技术条件(执行标准:MT821-1999 )1主题内容与适用范围本标准规定了煤矿井下及露天煤矿、选煤等工作场所用带式输送机上槽形托辊和平形托辊的技术要求、实验方法、检验规则和标志、包装、运输、贮存。
本标准主要适用于煤矿井下用带式输送机及露天煤矿、选煤等工作场所用带式输送机上的槽形托辊和平形托辊(以下简称托辊)。
2引用标准MT820-99 煤矿井下用带式输送机技术条件MT 73-92 煤矿井下用带式输送机及露天托辊品种与基本尺寸MT/T655-97 煤矿用带式输送机托辊轴承技术条件GB 5675 灰铸铁分级GB 710 优质碳素钢结构钢薄钢板技术条件3技术要求3 . 1槽形托辊和平形托辊应符合MT 73和本标准的规定,并应按规定程序批准的图样和技术文件制造.3 .2使用条件3 . 2 . 1环境温度为—10C〜+ 40 C.3 .2 . 2井下空气的成分应符合《煤矿安全规程》第104条所规定的要求;3 .2 . 3工作环境允许存在淋水情况;3 . 2 . 4托辊应能适应在搬运过程中出现的摔、扔现象。
3 .3零件要求3 . 3 . 1管体可使用金属或非金属材料,材料的机械物理性能不得低于Q235钢号,其他各项质量性能指标必须保证成品符合本标准所规定的有关条款。
3 .3 . 2轴承座轴承座可采用铸铁件或冲压件。
铸铁件材料的机械物理性能不得低于HT150,冲压材料的机械物理性能不得低于0.8F 优质碳素结构钢,名义厚度不得小于3mm。
轴承座的轴承孔内公差为M7。
轴承应采用KA系列托辊专用轴承,其公称尺寸性能参数和技术要求(MT/T655-97)。
采用进口轴承时其游隙等级为C33 . 3 . 4托辊轴托辊轴材料的机械物性能不得低于Q235钢号。
托辊轴与轴承装配部分外径公差为js6。
3 . 3 . 5密圭寸装置密封装置必须具有良好的密封性能,能有效地防止煤粉和水进入轴承,并需符合本标准所规定的有关条款。
煤矿机电设备检修技术规范(带式输送机)一、滚筒驱动带式输送机1.1滚筒、托辊a.各滚筒表面无开焊、无裂纹、无明显凹陷。
滚筒端盖螺栓齐全,弹簧垫圈压平紧固,使用涨套紧固滚筒轴的螺栓,必须使用定力矩扳手,紧固力矩必须达到设计要求。
b.包胶滚筒的胶层应与滚筒表面紧密贴合,不得有脱层和裂口。
井下使用时,包胶滚筒胶料的阻燃性和抗静电性应符合MT914的规定。
c.驱动滚筒的直径应一致,其直径差不得大于1mm,滚筒胶层磨损不得露出滚筒钢面。
d.托辊齐全,运转灵活,无卡阻、无异响。
逆止托辊能可靠工作。
e.井下使用缓冲托辊时,缓冲托辊表面胶层应为阻燃、抗静电材料。
胶层磨损量不得超过原凸起高度的1/2。
使用缓冲床时,缓冲床的材料必须为阻燃、抗静电材料,缓冲床上的耐磨材料磨损剩余量不得低于原厚度的1/4。
1.2架体a.机头架、机尾架和拉紧装置架,不得有开焊现象。
如有变形,应调平、校直。
其安装轴承座的两个对应平面,应在同一平面内,其平面度、两边轴承座对应孔间距允差和对角线允差不得大于下表的规定。
b.转载机运行轨道应平直。
每节长度上的弯曲,不得超过全长的0.5%。
c.机尾架滑靴应平整,连接紧固可靠。
d.中间架应调平、校直,无开焊现象。
中间架连接梁的弯曲变形,不得超过全长的0.5%。
1.3输送带拉紧和伸缩装置a.张紧车架无损伤,无变形。
车轮在轨道上运行自如,无异响。
b.张紧车轨道无变形,连接可靠,行程符合规定。
c.牵引绞车减速机密封良好,传动平稳、无异响。
d.牵引绞车制动装置操作灵活、动作可靠,制动力矩符合要求。
钢丝绳无断股,无严重锈蚀。
在滚筒上排列整齐,绳头固定可靠。
e.储带仓和机尾的左右钢轨轨顶面应在同一水平面内,每段钢轨的轨顶面高低偏差不得超过2mm。
轨道应平直,且平行于输送机机架的中心线,其直线度公差值在1m内不大于2mm,在25m内不大于5mm,在全长内不大于15mm。
轨距偏差不得超过±2mm.轨缝不大于3mm。