单层铝合金百叶窗技术规范
- 格式:doc
- 大小:67.00 KB
- 文档页数:5
华能金陵电厂二期工程(2X 1030M)超超临界燃煤发电机组单层防雨铝合金百叶窗技术要求1 设备规范1.1单层防雨铝合金百叶窗的基本参数要求:1.1.1功能:单层防雨、防尘;1.1.2调节方式:无(固定防雨叶片)1.1.3百叶窗的有效面积系数:不小于 0.585 ;1.1.4干工况下阻力系数:〉3.05(进风风速为3m/s);1.1.5干工况下阻力(Pa) :〉18.0(进风风速为3m/s);1.1.6湿工况下阻力系数:〉3.22(进风风速为3m/s);1.1.7湿工况下阻力(Pa) :〉19.0(进风风速为3m/s);1.1.8 百叶窗过水量(g/kg) :〉1.06 (进风风速为3m/s)1.1.9承受最大风速(m/s):不小于30;1.1.10安装方式:法兰式或嵌入式,具体方式在后继的技术联络中明确。
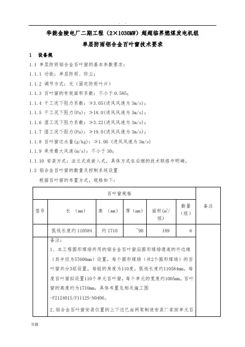
1.2铝合金百叶窗的数量及控制系统设置根据百叶窗的布置方式,规格如下:1.3有关技术参数的说明1.3.1上述百叶窗规格系指招标方的安装留孔尺寸。
1.3.3表中单元窗规格为建议规格,投标方可依据自己的企业标准进行调整,调整后的尺寸应征得设计同意。
1.3.4百叶窗的规格和数量在施工图进行过程中可能出现微调,投标方在安排生产前应取得设计院的确认意见。
2 技术要求2.1规程和标准单层防雨铝合金百叶窗及其附件的设计、制造、喷涂、检验、测试和包装应符合有关的标准及规范,用于它的制作材料由投标方推荐,除非招标方另有规定。
投标方所采用的包括但不限于下列标准及规范,并应在投标文件中列出所采用的全部标准及规范清单。
JB5171-85《小功率电动机通用技术条件》BS848《铝合金通风百叶窗》2.2设备性能要求2.2.1铝合金百叶窗的设计、制造、安装,应保证在设备允许使用条件下能安全、可靠运行。
2.2.2铝合金百叶窗本体要求牢固、可靠,能简便地安装,同时百叶窗应满足本工程抗震的有关规定。
2.2.3所有铝合金百叶窗均应由带集水沟的防雨叶片、带滴水框的侧框架等组成,设置防护网罩。
华能金陵电厂二期工程(2×1030MW)超超临界燃煤发电机组单层防雨铝合金百叶窗技术要求1 设备规1.1 单层防雨铝合金百叶窗的基本参数要求:1.1.1 功能:单层防雨、防尘;1.1.2 调节方式:无(固定防雨叶片)1.1.3 百叶窗的有效面积系数:不小于0.585;1.1.4 干工况下阻力系数:≯3.05(进风风速为3m/s);1.1.5 干工况下阻力(Pa):≯18.0(进风风速为3m/s);1.1.6 湿工况下阻力系数:≯3.22(进风风速为3m/s);1.1.7 湿工况下阻力(Pa):≯19.0(进风风速为3m/s);1.1.8 百叶窗过水量(g/kg):≯1.06 (进风风速为3m/s)1.1.9 承受最大风速(m/s):不小于30;1.1.10 安装方式:法兰式或嵌入式,具体方式在后继的技术联络中明确。
1.2 铝合金百叶窗的数量及控制系统设置根据百叶窗的布置方式,规格如下:1.3 有关技术参数的说明1.3.1 上述百叶窗规格系指招标方的安装留孔尺寸。
1.3.3 表中单元窗规格为建议规格,投标方可依据自己的企业标准进行调整,调整后的尺寸应征得设计同意。
1.3.4 百叶窗的规格和数量在施工图进行过程中可能出现微调,投标方在安排生产前应取得的确认意见。
2 技术要求2.1 规程和标准单层防雨铝合金百叶窗及其附件的设计、制造、喷涂、检验、测试和包装应符合有关的标准及规,用于它的制作材料由投标方推荐,除非招标方另有规定。
投标方所采用的包括但不限于下列标准及规,并应在投标文件中列出所采用的全部标准及规清单。
JB5171-85 《小功率电动机通用技术条件》BS848 《铝合金通风百叶窗》2.2 设备性能要求2.2.1铝合金百叶窗的设计、制造、安装,应保证在设备允许使用条件下能安全、可靠运行。
2.2.2铝合金百叶窗本体要求牢固、可靠,能简便地安装,同时百叶窗应满足本工程抗震的有关规定。
2.2.3所有铝合金百叶窗均应由带集水沟的防雨叶片、带滴水框的侧框架等组成,设置防护网罩。
单层铝合金百叶窗技术规范Company Document number:WTUT-WT88Y-W8BBGB-BWYTT-19998华能金陵电厂二期工程(2×1030MW)超超临界燃煤发电机组单层防雨铝合金百叶窗技术要求1 设备规范单层防雨铝合金百叶窗的基本参数要求:1.1.1 功能:单层防雨、防尘;1.1.2 调节方式:无(固定防雨叶片)1.1.3 百叶窗的有效面积系数:不小于;1.1.4 干工况下阻力系数:≯(进风风速为3m/s);1.1.5 干工况下阻力(Pa):≯(进风风速为3m/s);1.1.6 湿工况下阻力系数:≯(进风风速为3m/s);1.1.7 湿工况下阻力(Pa):≯(进风风速为3m/s);1.1.8 百叶窗过水量(g/kg):≯ (进风风速为3m/s)1.1.9 承受最大风速(m/s):不小于30;1.1.10 安装方式:法兰式或嵌入式,具体方式在后继的技术联络中明确。
铝合金百叶窗的数量及控制系统设置根据百叶窗的布置方式,规格如下:1.3.1 上述百叶窗规格系指招标方的安装留孔尺寸。
1.3.3 表中单元窗规格为建议规格,投标方可依据自己的企业标准进行调整,调整后的尺寸应征得设计同意。
1.3.4 百叶窗的规格和数量在施工图进行过程中可能出现微调,投标方在安排生产前应取得设计院的确认意见。
2 技术要求规程和标准单层防雨铝合金百叶窗及其附件的设计、制造、喷涂、检验、测试和包装应符合有关的标准及规范,用于它的制作材料由投标方推荐,除非招标方另有规定。
投标方所采用的包括但不限于下列标准及规范,并应在投标文件中列出所采用的全部标准及规范清单。
JB5171-85 《小功率电动机通用技术条件》BS848 《铝合金通风百叶窗》设备性能要求2.2.1铝合金百叶窗的设计、制造、安装,应保证在设备允许使用条件下能安全、可靠运行。
2.2.2铝合金百叶窗本体要求牢固、可靠,能简便地安装,同时百叶窗应满足本工程抗震的有关规定。
华能金陵电厂二期工程(2×1030MW)超超临界燃煤发电机组单层防雨铝合金百叶窗技术要求1 设备规范1.1 单层防雨铝合金百叶窗的基本参数要求:1.1.1 功能:单层防雨、防尘;1.1.2 调节方式:无(固定防雨叶片)1.1.3 百叶窗的有效面积系数:不小于0.585;1.1.4 干工况下阻力系数:≯3.05(进风风速为3m/s);1.1.5 干工况下阻力(Pa):≯18.0(进风风速为3m/s);1.1.6 湿工况下阻力系数:≯3.22(进风风速为3m/s);1.1.7 湿工况下阻力(Pa):≯19.0(进风风速为3m/s);1.1.8 百叶窗过水量(g/kg):≯1.06 (进风风速为3m/s)1.1.9 承受最大风速(m/s):不小于30;1.1.10 安装方式:法兰式或嵌入式,具体方式在后继的技术联络中明确。
1.2 铝合金百叶窗的数量及控制系统设置根据百叶窗的布置方式,规格如下:1.3 有关技术参数的说明1.3.1 上述百叶窗规格系指招标方的安装留孔尺寸。
1.3.3 表中单元窗规格为建议规格,投标方可依据自己的企业标准进行调整,调整后的尺寸应征得设计同意。
1.3.4 百叶窗的规格和数量在施工图进行过程中可能出现微调,投标方在安排生产前应取得设计院的确认意见。
2 技术要求2.1 规程和标准单层防雨铝合金百叶窗及其附件的设计、制造、喷涂、检验、测试和包装应符合有关的标准及规范,用于它的制作材料由投标方推荐,除非招标方另有规定。
投标方所采用的包括但不限于下列标准及规范,并应在投标文件中列出所采用的全部标准及规范清单。
JB5171-85 《小功率电动机通用技术条件》BS848《铝合金通风百叶窗》2.2 设备性能要求2.2.1铝合金百叶窗的设计、制造、安装,应保证在设备允许使用条件下能安全、可靠运行。
华能金陵电厂二期工程(2×1030MW)超超临界燃煤发电机组单层防雨铝合金百叶窗技术要求1设备规范1.1 单层防雨铝合金百叶窗的基本参数要求:1.1.1 功能:单层防雨、防尘;1.1.2 调节方式:无(固定防雨叶片)1.1.3 百叶窗的有效面积系数:不小于0.585;1.1.4 干工况下阻力系数:≯3.05(进风风速为3m/s);1.1.5 干工况下阻力(Pa):≯18.0(进风风速为3m/s);1.1.6 湿工况下阻力系数:≯3.22(进风风速为3m/s);1.1.7 湿工况下阻力(Pa):≯19.0(进风风速为3m/s);1.1.8 百叶窗过水量(g/kg):≯1.06 (进风风速为3m/s)1.1.9 承受最大风速(m/s):不小于30;1.1.10 安装方式:法兰式或嵌入式,具体方式在后继的技术联络中明确。
1.2 铝合金百叶窗的数量及控制系统设置根据百叶窗的布置方式,规格如下:百叶窗规格型号长(mm)高(mm)厚(mm)面积(m2/组)数量(组)备注弧线长度约110584约1710~901896备注:1、本工程圆形煤场所用的铝合金百叶窗沿圆形煤场通道的外边缘(其半径为57600mm)设置,每个圆形煤场(共2个圆形煤场)的百叶窗共分3组设置,每组的角度为110度,弧线长度约110584mm。
每度百叶窗拟设置110个单元百叶窗,每个单元的宽度约1005mm,百叶窗的高度约为1710mm,具体布置见相关施工图-F212401S/F1112S-N0406。
2、铝合金百叶窗安装位置的上下边已由网架制造安装厂家按单元百叶窗的尺寸予留槽钢,百叶窗竖向钢支撑由百叶窗厂家根据实际生产情况设计、生产及安装,以确保每组百叶窗牢固可靠。
1.3 有关技术参数的说明1.3.1 上述百叶窗规格系指招标方的安装留孔尺寸。
1.3.3 表中单元窗规格为建议规格,投标方可依据自己的企业标准进行调整,调整后的尺寸应征得设计同意。
华能金陵电厂二期工程(2×1030MW)超超临界燃煤发电机组单层防雨铝合金百叶窗技术要求1 设备规范1.1 单层防雨铝合金百叶窗的基本参数要求:1.1.1 功能:单层防雨、防尘;1.1.2 调节方式:无(固定防雨叶片)1.1.3 百叶窗的有效面积系数:不小于0.585;1.1.4 干工况下阻力系数:≯3.05(进风风速为3m/s);1.1.5 干工况下阻力(Pa):≯18.0(进风风速为3m/s);1.1.6 湿工况下阻力系数:≯3.22(进风风速为3m/s);1.1.7 湿工况下阻力(Pa):≯19.0(进风风速为3m/s);1.1.8 百叶窗过水量(g/kg):≯1.06 (进风风速为3m/s)1.1.9 承受最大风速(m/s):不小于30;1.1.10 安装方式:法兰式或嵌入式,具体方式在后继的技术联络中明确。
1.2 铝合金百叶窗的数量及控制系统设置根据百叶窗的布置方式,规格如下:1.3 有关技术参数的说明1.3.1 上述百叶窗规格系指招标方的安装留孔尺寸。
1.3.3 表中单元窗规格为建议规格,投标方可依据自己的企业标准进行调整,调整后的尺寸应征得设计同意。
1.3.4 百叶窗的规格和数量在施工图进行过程中可能出现微调,投标方在安排生产前应取得设计院的确认意见。
2 技术要求2.1 规程和标准单层防雨铝合金百叶窗及其附件的设计、制造、喷涂、检验、测试和包装应符合有关的标准及规范,用于它的制作材料由投标方推荐,除非招标方另有规定。
投标方所采用的包括但不限于下列标准及规范,并应在投标文件中列出所采用的全部标准及规范清单。
JB5171-85 《小功率电动机通用技术条件》BS848 《铝合金通风百叶窗》2.2 设备性能要求2.2.1铝合金百叶窗的设计、制造、安装,应保证在设备允许使用条件下能安全、可靠运行。
2.2.2铝合金百叶窗本体要求牢固、可靠,能简便地安装,同时百叶窗应满足本工程抗震的有关规定。
华能金陵电厂二期工程(2×1030MW)超超临界燃煤发电机组令狐采学单层防雨铝合金百叶窗技术要求1设备规范1.1 单层防雨铝合金百叶窗的基本参数要求:1.1.1功能:单层防雨、防尘;1.1.2调节方式:无(固定防雨叶片)1.1.3百叶窗的有效面积系数:不小于0.585;1.1.4干工况下阻力系数:≯3.05(进风风速为3m/s);1.1.5干工况下阻力(Pa):≯18.0(进风风速为3m/s);1.1.6湿工况下阻力系数:≯3.22(进风风速为3m/s);1.1.7湿工况下阻力(Pa):≯19.0(进风风速为3m/s);1.1.8百叶窗过水量(g/kg):≯1.06 (进风风速为3m/s)1.1.9承受最大风速(m/s):不小于30;1.1.10安装方式:法兰式或嵌入式,具体方式在后继的技术联络中明确。
1.2 铝合金百叶窗的数量及控制系统设置根据百叶窗的布置方式,规格如下:1.3.1上述百叶窗规格系指招标方的安装留孔尺寸。
1.3.3表中单元窗规格为建议规格,投标方可依据自己的企业标准进行调整,调整后的尺寸应征得设计同意。
1.3.4百叶窗的规格和数量在施工图进行过程中可能出现微调,投标方在安排生产前应取得设计院的确认意见。
2 技术要求2.1 规程和标准单层防雨铝合金百叶窗及其附件的设计、制造、喷涂、检验、测试和包装应符合有关的标准及规范,用于它的制作材料由投标方推荐,除非招标方另有规定。
投标方所采用的包括但不限于下列标准及规范,并应在投标文件中列出所采用的全部标准及规范清单。
JB5171-85 《小功率电动机通用技术条件》BS848 《铝合金通风百叶窗》2.2 设备性能要求2.2.1铝合金百叶窗的设计、制造、安装,应保证在设备允许使用条件下能安全、可靠运行。
2.2.2铝合金百叶窗本体要求牢固、可靠,能简便地安装,同时百叶窗应满足本工程抗震的有关规定。
2.2.3所有铝合金百叶窗均应由带集水沟的防雨叶片、带滴水框的侧框架等组成,设置防护网罩。
华能金陵电厂二期工程(2×1030MW)超超临界燃煤发电机组单层防雨铝合金百叶窗技术要求1 设备规范1.1 单层防雨铝合金百叶窗的基本参数要求:1.1.1 功能:单层防雨、防尘;1.1.2 调节方式:无(固定防雨叶片)1.1.3 百叶窗的有效面积系数:不小于0.585;1.1.4 干工况下阻力系数:≯3.05(进风风速为3m/s);1.1.5 干工况下阻力(Pa):≯18.0(进风风速为3m/s);1.1.6 湿工况下阻力系数:≯3.22(进风风速为3m/s);1.1.7 湿工况下阻力(Pa):≯19.0(进风风速为3m/s);1.1.8 百叶窗过水量(g/kg):≯1.06 (进风风速为3m/s)1.1.9 承受最大风速(m/s):不小于30;1.1.10 安装方式:法兰式或嵌入式,具体方式在后继的技术联络中明确。
1.2 铝合金百叶窗的数量及控制系统设置根据百叶窗的布置方式,规格如下:1.3 有关技术参数的说明1.3.1 上述百叶窗规格系指招标方的安装留孔尺寸。
1.3.3 表中单元窗规格为建议规格,投标方可依据自己的企业标准进行调整,调整后的尺寸应征得设计同意。
1.3.4 百叶窗的规格和数量在施工图进行过程中可能出现微调,投标方在安排生产前应取得设计院的确认意见。
2 技术要求2.1 规程和标准单层防雨铝合金百叶窗及其附件的设计、制造、喷涂、检验、测试和包装应符合有关的标准及规范,用于它的制作材料由投标方推荐,除非招标方另有规定。
投标方所采用的包括但不限于下列标准及规范,并应在投标文件中列出所采用的全部标准及规范清单。
JB5171-85 《小功率电动机通用技术条件》BS848 《铝合金通风百叶窗》2.2 设备性能要求2.2.1铝合金百叶窗的设计、制造、安装,应保证在设备允许使用条件下能安全、可靠运行。
2.2.2铝合金百叶窗本体要求牢固、可靠,能简便地安装,同时百叶窗应满足本工程抗震的有关规定。
华能金陵电厂二期工程(2×1030MW)超超临界燃煤发电机组单层防雨铝合金百叶窗技术要求1 设备规范1.1单层防雨铝合金百叶窗的基本参数要求:1.1.1功能:单层防雨、防尘;1.1.2调节方式:无(固定防雨叶片)1.3.1上述百叶窗规格系指招标方的安装留孔尺寸。
1.3.3表中单元窗规格为建议规格,投标方可依据自己的企业标准进行调整,调整后的尺寸应征得设计同意。
1.3.4百叶窗的规格和数量在施工图进行过程中可能出现微调,投标方在安排生产前应取得设计院22.2.12.2.22.2.32.2.5铝合金百叶窗应根据招标方提供的百叶窗及安装预留孔洞尺寸进行组合,具体组合方案及单元百叶窗尺寸应由招标方认可后方可进行生产。
百叶窗内组合情况应能适应招标方所留孔洞及预埋件的布置。
百叶窗内各单元连接框架采用优质钢板折板制作,框架应有足够的强度满足百叶窗安装的要求。
2.2.6所有铝合金百叶窗均要求单层、防雨、防尘。
2.3百叶窗的制造要求2.3.1百叶窗所有的五金配件等均应由专业厂家生产制造,并符合国家有关标准。
2.3.2防雨叶片应能有效防止雨水进入室内,并能经受雨水的长期侵蚀。
2.3.3带滴水框的侧框架应能迅速排出雨水,雨水不得漫进室内。
2.3.4用型钢和板材制成的构件,必须平直,由于切割而产生的毛刺应予以清除,形成的锐角予以倒钝,确保安装后的表面无锐角存在。
2.3.5铝合金百叶窗与孔洞之间采用固定角钢焊接连接,百叶窗与孔洞之间的缝隙应填充密封,投标方应在投标文件中提供百叶窗安装详图。
2.3.6铝合金百叶窗应具有良好的防腐措施。
2.4百叶窗材质要求)3.10投标方应在投标文件中提供百叶窗的外形组合示意图。
华能金陵电厂二期工程(2×1030MW)超超临界燃煤发电机组单层防雨铝合金百叶窗技术要求1 设备规X1.1 单层防雨铝合金百叶窗的基本参数要求:1.1.1 功能:单层防雨、防尘;1.1.2 调节方式:无(固定防雨叶片)1.1.3 百叶窗的有效面积系数:不小于0.585;1.1.4 干工况下阻力系数:≯3.05(进风风速为3m/s);1.1.5 干工况下阻力(Pa):≯18.0(进风风速为3m/s);1.1.6 湿工况下阻力系数:≯3.22(进风风速为3m/s);1.1.7 湿工况下阻力(Pa):≯19.0(进风风速为3m/s);1.1.8 百叶窗过水量(g/kg):≯1.06 (进风风速为3m/s)1.1.9 承受最大风速(m/s):不小于30;1.1.10 安装方式:法兰式或嵌入式,具体方式在后继的技术联络中明确。
1.2 铝合金百叶窗的数量及控制系统设置根据百叶窗的布置方式,规格如下:1.3 有关技术参数的说明1.3.1 上述百叶窗规格系指招标方的安装留孔尺寸。
1.3.3 表中单元窗规格为建议规格,投标方可依据自己的企业标准进行调整,调整后的尺寸应征得设计同意。
1.3.4 百叶窗的规格和数量在施工图进行过程中可能出现微调,投标方在安排生产前应取得XX的确认意见。
2 技术要求2.1 规程和标准单层防雨铝合金百叶窗及其附件的设计、制造、喷涂、检验、测试和包装应符合有关的标准及规X,用于它的制作材料由投标方推荐,除非招标方另有规定。
投标方所采用的包括但不限于下列标准及规X,并应在投标文件中列出所采用的全部标准及规X清单。
5171-85 《小功率电动机通用技术条件》BS848 《铝合金通风百叶窗》2.2 设备性能要求2.2.1铝合金百叶窗的设计、制造、安装,应保证在设备允许使用条件下能安全、可靠运行。
2.2.2铝合金百叶窗本体要求牢固、可靠,能简便地安装,同时百叶窗应满足本工程抗震的有关规定。
华能金陵电厂二期工程(2×1030MW)超超临界燃煤发电机组之马矢奏春创作单层防雨铝合金百叶窗技术要求1 设备规范1.1 单层防雨铝合金百叶窗的基本参数要求:1.1.1 功能:单层防雨、防尘;1. 调节方式:无(固定防雨叶片)1. 85;1. 干工况下阻力系数:≯3.05(进风风速为3m/s);1. 干工况下阻力(Pa):≯18.0(进风风速为3m/s);1. 湿工况下阻力系数:≯3.22(进风风速为3m/s);1. 湿工况下阻力(Pa):≯19.0(进风风速为3m/s);1. 百叶窗过水量(g/kg):≯1.06 (进风风速为3m/s)1. 承受最大风速(m/s):不小于30;1. 装置方式:法兰式或嵌入式,具体方式在后继的技术联络中明确。
1.2 铝合金百叶窗的数量及控制系统设置根据百叶窗的安插方式,规格如下:1 上述百叶窗规格系指招标方的装置留孔尺寸。
1 表中单元窗规格为建议规格,投标方可依据自己的企业尺度进行调整,调整后的尺寸应征得设计同意。
1 百叶窗的规格和数量在施工图进行过程中可能出现微调,投标方在安插生产前应取得设计院的确认意见。
2 技术要求2.1 规程和尺度单层防雨铝合金百叶窗及其附件的设计、制造、喷涂、检验、测试和包装应符合有关的尺度及规范,用于它的制作资料由投标方推荐,除非招标方另有规定。
投标方所采取的包含但不限于下列尺度及规范,并应在投标文件中列出所采取的全部尺度及规范清单。
JB5171-85 《小功率电动机通用技术条件》BS848 《铝合金通风百叶窗》2.2 设备性能要求2.铝合金百叶窗的设计、制造、装置,应包管在设备允许使用条件下能平安、可靠运行。
2.铝合金百叶窗本体要求牢固、可靠,能简便地装置,同时百叶窗应满足本工程抗震的有关规定。
2.所有铝合金百叶窗均应由带集水沟的防雨叶片、带滴水框的侧框架等组成,设置防护网罩。
防护网罩应采取304不锈钢网制作。
防护网罩应能方便的装配,便于清洁。
华能金陵电厂二期工程(2X 1030MW超超临界燃煤发电机组单层防雨铝合金百叶窗技术要求1 设备规范1.1单层防雨铝合金百叶窗的基本参数要求:1.1.1功能:单层防雨、防尘;1.1.2调节方式:无(固定防雨叶片)1.1.3百叶窗的有效面积系数:不小于0.585;1.1.4干工况下阻力系数:〉3.05(进风风速为3m/s);1.1.5干工况下阻力(Pa):〉18.0(进风风速为3m/s);1.1.6湿工况下阻力系数:〉3.22(进风风速为3m/s);1.1.7湿工况下阻力(Pa):〉19.0(进风风速为3m/s);1.1.8百叶窗过水量(g/kg):〉1.06 (进风风速为3m/s)1.1.9承受最大风速(m/s):不小于30;1.1.10安装方式:法兰式或嵌入式,具体方式在后继的技术联络中明确1.2铝合金百叶窗的数量及控制系统设置根据百叶窗的布置方式,规格如下:1.3有关技术参数的说明1.3.1上述百叶窗规格系指招标方的安装留孔尺寸。
1.3.3表中单元窗规格为建议规格,投标方可依据自己的企业标准进行调整,调整后的尺寸应征得设计同意。
1.3.4百叶窗的规格和数量在施工图进行过程中可能出现微调,投标方在安排生产前应取得设计院的确认意见。
2 技术要求2.1规程和标准单层防雨铝合金百叶窗及其附件的设计、制造、喷涂、检验、测试和包装应符合有关的标准及规范,用于它的制作材料由投标方推荐,除非招标方另有规定。
投标方所采用的包括但不限于下列标准及规范,并应在投标文件中列出所采用的全部标准及规范清单。
JB5171-85《小功率电动机通用技术条件》BS848《铝合金通风百叶窗》2.2设备性能要求2.2.1铝合金百叶窗的设计、制造、安装,应保证在设备允许使用条件下能安全、可靠运行。
2.2.2铝合金百叶窗本体要求牢固、可靠,能简便地安装,同时百叶窗应满足本工程抗震的有关规定。
2.2.3所有铝合金百叶窗均应由带集水沟的防雨叶片、带滴水框的侧框架等组成,设置防护网罩。
精心整理华能金陵电厂二期工程(2×1030MW)超超临界燃煤发电机组单层防雨铝合金百叶窗技术要求1 设备规范1.1单层防雨铝合金百叶窗的基本参数要求:1.1.1功能:单层防雨、防尘;1.1.2调节方式:无(固定防雨叶片)1.3.1上述百叶窗规格系指招标方的安装留孔尺寸。
1.3.3表中单元窗规格为建议规格,投标方可依据自己的企业标准进行调整,调整后的尺寸应征得设计同意。
1.3.4百叶窗的规格和数量在施工图进行过程中可能出现微调,投标方在安排生产前应取得设计院的确认意见。
2 技术要求2.1规程和标准单层防雨铝合金百叶窗及其附件的设计、制造、喷涂、检验、测试和包装应符合有关的标准及规范,用于它的制作材料由投标方推荐,除非招标方另有规定。
投标方所采用的包括但不限于下列标准及规范,并应在投标文件中列出所采用的全部标准及规范清单。
2.22.2.12.2.22.2.3用3042.2.42.2.52.2.62.32.3.12.3.22.3.32.3.42.3.5文件中提供百叶窗安装详图。
2.3.6铝合金百叶窗应具有良好的防腐措施。
2.4百叶窗材质要求2.4.1百叶窗本体、防雨叶片应采用高强度稀土铝合金型材制作,投标方应在投标文件中提供所用材料的鉴定文件等有关资料。
2.4.2百叶窗内各单元连接框架采用优质钢板折板制作,框架应有足够的强度满足百叶窗安装的要求。
2.4.3百叶窗采用的铝合金型材需经时效氧化处理以增强百叶窗抗腐蚀能力。
2.4.6百叶窗的颜色由招标方确定。
2.4.5铝合金百叶窗中各铝合金型材的厚度需满足下列要求:3 技术参数性能表投标方应在投标文件中以表格和附图形式提供铝合金百叶窗的下列参数:(至少,但不限于)3.5铝合金百叶窗在干工况下阻力(Pa)性能数据表:3.6铝合金百叶窗在湿工况下阻力(Pa)性能数据表:3.7铝合金百叶窗过水量(g/kg)测试表:3.8铝合金百叶窗漏风量(m3/h)测试表:3.9百叶窗运行环境:3.9.1环境温度(最高/最低):( C)3.9.2相对湿度(最高/最低):(%)3.9.33.10。
华能金陵电厂二期工程(2×1030MW)超超临界燃煤发电机组单层防雨铝合金百叶窗技术要求1 设备规范1.1 单层防雨铝合金百叶窗的基本参数要求:1.1.1 功能:单层防雨、防尘;1.1.2 调节方式:无(固定防雨叶片)1.1.3 百叶窗的有效面积系数:不小于0.585;1.1.4 干工况下阻力系数:≯3.05(进风风速为3m/s);1.1.5 干工况下阻力(Pa):≯18.0(进风风速为3m/s);1.1.6 湿工况下阻力系数:≯3.22(进风风速为3m/s);1.1.7 湿工况下阻力(Pa):≯19.0(进风风速为3m/s);1.1.8 百叶窗过水量(g/kg):≯1.06 (进风风速为3m/s)1.1.9 承受最大风速(m/s):不小于30;1.1.10 安装方式:法兰式或嵌入式,具体方式在后继的技术联络中明确。
1.2 铝合金百叶窗的数量及控制系统设置根据百叶窗的布置方式,规格如下:1.3 有关技术参数的说明1.3.1 上述百叶窗规格系指招标方的安装留孔尺寸。
1.3.3 表中单元窗规格为建议规格,投标方可依据自己的企业标准进行调整,调整后的尺寸应征得设计同意。
1.3.4 百叶窗的规格和数量在施工图进行过程中可能出现微调,投标方在安排生产前应取得设计院的确认意见。
2 技术要求2.1 规程和标准单层防雨铝合金百叶窗及其附件的设计、制造、喷涂、检验、测试和包装应符合有关的标准及规范,用于它的制作材料由投标方推荐,除非招标方另有规定。
投标方所采用的包括但不限于下列标准及规范,并应在投标文件中列出所采用的全部标准及规范清单。
JB5171-85 《小功率电动机通用技术条件》BS848 《铝合金通风百叶窗》2.2 设备性能要求2.2.1铝合金百叶窗的设计、制造、安装,应保证在设备允许使用条件下能安全、可靠运行。
2.2.2铝合金百叶窗本体要求牢固、可靠,能简便地安装,同时百叶窗应满足本工程抗震的有关规定。
华能金陵电厂二期工程(2×1030MW)超超临界燃煤发电机组
单层防雨铝合金百叶窗技术要求
1 设备规范
1.1 单层防雨铝合金百叶窗的基本参数要求:
1.1.1 功能:单层防雨、防尘;
1.1.2 调节方式:无(固定防雨叶片)
1.1.3 百叶窗的有效面积系数:不小于0.585;
1.1.4 干工况下阻力系数:≯3.05(进风风速为3m/s);
1.1.5 干工况下阻力(Pa):≯18.0(进风风速为3m/s);
1.1.6 湿工况下阻力系数:≯3.22(进风风速为3m/s);
1.1.7 湿工况下阻力(Pa):≯19.0(进风风速为3m/s);
1.1.8 百叶窗过水量(g/kg):≯1.06 (进风风速为3m/s)
1.1.9 承受最大风速(m/s):不小于30;
1.1.10 安装方式:法兰式或嵌入式,具体方式在后继的技术联络中明确。
1.2 铝合金百叶窗的数量及控制系统设置
根据百叶窗的布置方式,规格如下:
1.3 有关技术参数的说明
1.3.1 上述百叶窗规格系指招标方的安装留孔尺寸。
1.3.3 表中单元窗规格为建议规格,投标方可依据自己的企业标准进行调整,调整后的尺寸应征得设计同意。
1.3.4 百叶窗的规格和数量在施工图进行过程中可能出现微调,投标方在安排生产前应取得设计院的确认意见。
2 技术要求
2.1 规程和标准
单层防雨铝合金百叶窗及其附件的设计、制造、喷涂、检验、测试和包装应符合有关的标准及规范,用于它的制作材料由投标方推荐,除非招标方另有规定。
投标方所采用的包括但不限于下列标准及规范,并应在投标文件中列出所采用的全部标准及规范清单。
JB5171-85 《小功率电动机通用技术条件》
BS848 《铝合金通风百叶窗》
2.2 设备性能要求
2.2.1铝合金百叶窗的设计、制造、安装,应保证在设备允许使用条件下能安全、可靠运行。
2.2.2铝合金百叶窗本体要求牢固、可靠,能简便地安装,同时百叶窗应满足本工程抗震的有关规定。
2.2.3所有铝合金百叶窗均应由带集水沟的防雨叶片、带滴水框的侧框架等组成,设置防护网罩。
防护网罩应采用304不锈钢网制作。
防护网罩应能方便的拆卸,便于清洁。
2.2.4铝合金百叶窗的强度应根据35m/s的风速进行设计。
2.2.5铝合金百叶窗应根据招标方提供的百叶窗及安装预留孔洞尺寸进行组合,具体组合方案及单元百叶窗尺寸应由招标方认可后方可进行生产。
百叶窗内组合情况应能适应招标方所留孔洞及预埋件的布置。
百叶窗内各单元连接框架采用优质钢板折板制作,框架应有足够的强度满足百叶窗安装的要求。
2.2.6 所有铝合金百叶窗均要求单层、防雨、防尘。
2.3 百叶窗的制造要求
2.3.1百叶窗所有的五金配件等均应由专业厂家生产制造,并符合国家有关标准。
2.3.2 防雨叶片应能有效防止雨水进入室内,并能经受雨水的长期侵蚀。
2.3.3 带滴水框的侧框架应能迅速排出雨水,雨水不得漫进室内。
2.3.4 用型钢和板材制成的构件,必须平直,由于切割而产生的毛刺应予以清除,形成的锐角予以倒钝,确保安装后的表面无锐角存在。
2.3.5铝合金百叶窗与孔洞之间采用固定角钢焊接连接,百叶窗与孔洞之间的缝隙应填充密封,投标方应在投标文件中提供百叶窗安装详图。
2.3.6 铝合金百叶窗应具有良好的防腐措施。
2.4 百叶窗材质要求
2.4.1 百叶窗本体、防雨叶片应采用高强度稀土铝合金型材制作,投标方应在投标文件中提供所用材料的鉴定文件等有关资料。
2.4.2 百叶窗内各单元连接框架采用优质钢板折板制作,框架应有足够的强度满足百叶窗安装的要求。
2.4.3 百叶窗采用的铝合金型材需经时效氧化处理以增强百叶窗抗腐蚀能力。
2.4.6 百叶窗的颜色由招标方确定。
2.4.5 铝合金百叶窗中各铝合金型材的厚度需满足下列要求:
3 技术参数性能表
投标方应在投标文件中以表格和附图形式提供铝合金百叶窗的下列参数:(至少,但不限于)
m3/h
m2
百叶窗部件材料百叶窗材料及厚度,(a)(d)项均需配有断面详图。
序号性能参数
c)竖框mm高强度铝合金型材/
d)金属网罩mm304不锈钢网网孔12×13 丝径1mm
3.5 铝合金百叶窗在干工况下阻力(Pa)性能数据表:
3.6 铝合金百叶窗在湿工况下阻力(Pa)性能数据表:
3.7铝合金百叶窗过水量(g/kg)测试表:
3.8铝合金百叶窗漏风量(m3/h)测试表:
3.9百叶窗运行环境:
3.9.1环境温度(最高/最低):(C)
3.9.2相对湿度(最高/最低):(%)
3.9.3能承受的最大风速:(m/s)
3.10 投标方应在投标文件中提供百叶窗的外形组合示意图。