LMZ3-0.66系列电流互感器
- 格式:pdf
- 大小:1.32 MB
- 文档页数:3
电气设备型号低压互感器部分型号:LQZ(J)1-0.66、LQZJ4-0.66;LM-0.5;LMZ1-0.5、LMZJ1-0.5;LMZ1-0.66、LMZJ1-0.66;LMZ2-0.66、LMZ3-0.66;LMZW1-0.5、LMZW2-0.5系列;BH-0.66系列Ⅰ、Ⅱ、Ⅲ型;SDH/CDS、MES、MSQ/MFO、LN-0.66、LMK-0.66系列;LQG-0.66、LQG-0.5系列;BLZ-1K;MR、PR、RCT系列电流互感器;电度表用精密电流互感器;小型微型零序电流互感器;磁环线圈;JDZ-1、JDG4-0.5、JDG-0.5系列;JSGW-0.5电压互感器;LYM-0.5型电流互感器电流互感器部分型号:LZZB1-10、LZZBJ-10、LZZJ-10、LZZQB6-10、LZZBJ9-10、LZZBJ9-10A、LZZBJ9-10B、LZZBJ9-10C、LZZBJ18-10、LZZBJ71-10、LZZBJ6-10;LZZBJ9-12(AS12/150b/2s);LM-6、LM-10、LMCD-10、LMZ1-10、LMZJ1-10Q、LMZD2-10、LMZD1-20、LMZB6-10、LMZBJ-10;LZZJ-10;LA-10、LAJ-10Q、LAZBJ-10;LFZ1-10、LFZB8-10、LFS-10、LFC-10、LFCD-10、LFSQ-10Q、LFSB-10;LQZBJ-10、LQJ8-10、LQJ-10、LQJC-10;LZJC-10;LZX-10;LDJ-10Q/210、LDZJ1-10、LZZBJ10-10;LJWD1-10、LB-10、LBZ-10;LZZW-10;LZZB7-35、LZZBJ9-35、LDZB8-35、LCZ-35Q;LZZBW-10、12型电流互感器;LCWD1-35、LABN1-35、LB6-35、LABN6-35、LB-35、LJWD-35、LZZBJ4-35型电流互感器;真空断路器专用互感器;电压互感器部分型号:JDZ-6、JDZ-10、JDZ-6Q、JDZ-10Q、JDZJ-6Q、JDZJ-10Q、JDZ10-10、RZL-10、JDZX10-10、REL-10、JDZXF71-10、JDZC-10、JDZF8-10、JDZX11-10;JDZXW-10、JDZW-10、12;JDZ9-10、JDZ9-35、JDZ8-10、JDZX8-10、JDJ-6、JDJ-10、JDJ-35、JSJB-10、JSJW-6、JSJW-10、JD6-35、JDX6-35、JDJ2-35、JDN2-35、JDJJ1-35、JDJJ2-35、JDXN2-35、JDZX9-10型电压互感器;JDZX6-35、JDZ8-35W、JDZX8-35、JDZ9-35、JDZX9-35、JDZXF71-35、JDZW-35、JDZXW-35、JSZW-6、JSZW-10、JSZW3-6、JSZW3-10、JSZG-10、JSZK2-6、10(F)抗铁磁谐振三相电压互感器零序互感器、放电线圈、计量箱、限流电抗器部分型号:LXK-Φ80、LXK-Φ100、LXK-Φ120、LXK-Φ140、LXK-Φ150、LXK-Φ180、LXK-Φ200、LXK-Φ220、LXK-Φ250;LJK-Φ80、LJK-Φ100、LJK-Φ120、LJ-2、LJ-4、LJ-7;LJM-1、LJM-2、LJM-3、LJZ-Φ65、LXZ-Φ75、LJ-Φ75、LKZB-0.5、LCT-Φ100、LCT-Φ120、LCT-Φ185、LCT-Φ200、LCT-Φ250系列零序电流互感器;FD2放电线圈(6、10KV油浸式)、FDGE8、FDGE9干式10KV、FD2单相油浸式35KV放电线圈;JLS-6、JLS-10、JLS-35、JLSJWH-6、JLSJWH-10 、JLSJWS-6、JLSJWS-10、JLS3-10户外油浸式高压电力计量箱;JLSG-10、JLSZ1-10、JLSZW-6、JLSZW-10型户外干式高压电力计量箱;XD1-12、XD, 1-14、XD1-16、XD1-20、XD1-25、XD1-30、XD1-40;XD2-12、XD2-14、XD2-16消谐器部分型号:LXQ/RXQ/NLS/QNC高压消谐器LXQ-6,LXQ-10,LXQ-20,LXQ-35,LXQ3-6,LXQ3-10,LXQ3-35电压互感器中性点用高压消谐器;LXQII-6,LXQII-10,LXQII-35,LXQIII-6,LXQIII-10,LXQIII-35压变中性点用消谐电阻器;LXQII(D)-6,LXQII(D)-10,LXQII(D)-35,LXQIII(D)-6,LXQIII(D)-10,LXQIII(D)-35,LXQ2(D)-6,LXQ2(D)-10,LXQ2(D)-35,LXQ3(D)-6,LXQ3(D)-10,LXQ3(D)-3弱绝缘型高压消谐器;LXQ(3)型6-10KV通用型电压互感器中性点用消谐器绝缘子部分型号:FXBW6-10/70;FXBW4-10/70;FXBW4-10/100;FXBW4-35/70;FXBW4-35/100;FXBW4-66/70;FXBW4-66/100;FXBW4-110/70;FXBW4-100/100;FXBW4-220/100;FXBW4-220/160;FPS-105/3;FPQ1-10/4T20;FPQ2-10/3T20;FS4-10/2.5;FS4-10/5;FS4-35/5;FS4-66/6;FS4-110/10;FZS3-12/5;FZS3-35/6;FZS3-40.5/6;FZSW3-40.5/6;FZS3-72.5/6;FZS3-126/10避雷器主要产品有:氧化锌避雷器、复合金属氧化物避雷器、线路型避雷器、组合式避雷器,电站型避雷器、电机型避雷器、配电型避雷器,电容器型避雷器、电气化铁道型避雷器、中性点型避雷器、低压型避雷器、电动机型避雷器、变压器中性点型避雷器、机房避雷器、放电计数器、避雷器在线监测器、避雷器用脱离器等部分避雷器型号:HY1.5W-0.28/1.3;HY5WD-4/9.5;HY1.5W-0.5/2.6;HY5WD-8/18.7;HY5WD-1 3.5/31;HY5WD-17.5/40;;HY5WS-3.8/15;HY5WD-20/45;HY5WS-5/15;HY5WD-23/51;HY5WS-7.6/30; HY2.5WD-4/9.5;HY5WS-10/30;HY2.5WD-8/18.7;HY5WS-12.7/50;HY2.5WD-13.5/31;HY5W S-17/50;HY1.5WD-2.4/6;HY1.5WD-5/12;HY1.5WD-8/19;HY5WR-5/13.5;HY5WR-10/27;HY5WR-17/45;HY5WT-42/120;HY5WR-51/134;HY5WT-41/1 15;HY5WR-841/221;HY5WT-84/240;HY5WR-90/236;HY5WT-82/230;HY5 WR-51/134;HY10WT-42/120;HY5WR-54/134;HY10WT-41/115;HY10WT-8 4/240;HY5W-108/281;HY10WT-82/230;HY10WZ-51/134;HY10WZ-54/134; HY10W-90/235;HY1.5W-30/80;HY10W-96/250;HY1.5W-55/132;HY10W-10 0/260;HY1.5W-60/144;HY10W-108/281;HY1.5W-72/186;HY10W-192/500;H Y1.5W-73/200;HY10W-200/520;HY1.5W-144/320;HY10W-216/562;HY1.5W-146/320;Y5WS-5/15;HY5WZ-5/13.5;Y5WS-12/35.8;HY5WZ-10/27;Y5W S-10/30;HY5WZ-17/45;Y5WS-15/45.6;HY5WZ-51/134;Y5WS-17/50HY5WZ -54/134;Y5WZ-5/13.5;HY5W-84/221;Y5WZ-10/27;HY5W-90/235;Y5WZ-17/ 45;HY5W-100/260;Y5WZ-51/134Y5WZ-54/134;Y5W-84/221;Y5W-90/235;Y 5W-100/260;Y5W-108/281;Y10WZ-51/134;Y10WZ-54/134;Y10W-90/235;Y1 0W-96/250;Y10W-100/260;Y10W-108/281;Y10W-192/500;Y10W-200/520;Y 10W-216/562;避雷器附件:JS-8;JSY-10;JCQ-C;TLB热爆式脱离器;避雷器安装支架,导线过电压保护器部分常见老型号:TBP-A(B、C)各种型号;TBP-A-7.6F/85;TBP-B-7.6F/85;TBP-C-7.6F/85;TBP-A-7.6F/131;TBP-B-7.6F/131;TBP-C-7.6F/131;TBP-A(B、C)-7.6F/280W2;TBP-A-12.7F/85;TBP-B-12.7F/85;TBP-C-12.7F/85;TBP-A-12.7F/131;TBP-B-12.7F/131;TBP-C-12.7F/131;TBP-A(B、C)-12.7F/280W2;TBP-B(C)-42F/200(310);TBP-B(C)-42F/630(400)W真空断路器部分型号:VS1-12/630、VS1-12/1000、VS1-12/1250、VS1-12/1600、VS1-12/2000、VS1-12/2500、VS1-12/3150户内高压真空断路器(手车式和固定式) ;ZN12-12/630、ZN12-12/1250、ZN12-40.5/1250、ZN12-40.5/1600、ZN12-40.5/2000;ZN28-12/630、ZN28-12/1000、ZN28-12/1250、ZN28-12/1600、ZN28-12/2000、ZN28-12/2500、ZN28-12/3150户内高压真空断路器(分体式和连体式);ZW6-12/630、ZW8-12/630、ZW32-12/630户外高压真空断路器;隔离开关部分型号:GN19-10/400A、GN19-10C/400A、GN19-10/630A、GN19-10C/630A、GN19-10/1000A、GN19-10C/1000A、GN19-10/1250A、GN19-10C/1250A;GN22-10/2000A、GN22-10C/2000A、GN22-10/3150A、GN22-10C/3150A、GN22-10/4000A、GN22-10C/4000A;GN30-10/630A、GN30, -10D/630A、GN30-10/1000A、GN30-10D/1000A、GN30-10/1250A、GN30-10D/1250A、GN30-10/2000A、GN30-10D/2000A、GN30-10/3150A、GN30-10D/3150A 户内高压隔离开关;(H)GW9-10W/400A、(H)GW9-10/630A;GW1-10GD(W)/1250A、GW1-10GD(W)/630A、GW1-10G(W)/1250A、GW1-10G(W)/630A、GW1-10W/630A、GW1-10/630A;GW4-10/630A、GW4-10/1250A、GW5-40.5GDW/630A、GW5-40.5GW/630A、GW5-40.5DW/630A、GW5-40.5GW/1250A、GW5-35/630A、GW5-35/1250A、GW4-35/630A、GW4-35/1250户外高压隔离开关熔断器部分型号:RW3-10/100A、RW3-10/200A;RW7-10/100A、RW7-10/200A;RW5-10/100A、RW5-10/200A;(H)RW10-10/100A、(H)RW10-10/200A;(H)RW11-10/100A、(H)RW11-10/200A跌落式熔断器;PRWG2-35/200A、RW10-35/0.5A、RW9-35/0.5A、RXW0-35/0.5A、RW10-35/2户外高压熔断器;RN1-10/10A、RN2-10/0.5、RN3-10/2-50A户内高压熔断器;XRNP、XRNT系列高压限流熔断器。
Cast Current TransformerUser ManualStandard: GB/T 20840.1&2□Please carefully read this User Manual before installing and operating the product, and keep this manual properly for future referenceI. Overview1.1 LMZJ1-0.5, LMZJ1-0.66, LM Z3-0.66, and LM-0.5 series of current transformers are indoor devices, and they are used in the AC line with a rated frequency of 50Hz and a rated voltage 0.66kV and below for current, electric energy measurement and relay protection.1.2 Product standard: GB/T 20840.1&2II. Available Environment Conditions of Transformer2.1 The altitude at the installation site does not exceed 1000m;2.2 The ambient medium temperature is -5~+40°C;2.3 The relative humidity of air is not greater than 80%;2.4 Installed in a place where there is no dirt or aggressive and explosive medium that seriously affects the insulation of the transformer.III. Technical Parameters3.1 The meanings of the transformer model is described as follows:Rated voltage (kV)Design No.Large capacityCast insulationBusbar typeCurrent transformer3.2 Rated voltage: 0.5kV ~ 0.66kV;3.3 Rated frequency: 50Hz;3.4 Rated secondary current: 5A;3.5 Accuracy grade: Grade 1, Grade 0.5, Grade 0.2, Grade 0.5S, Grade 0.2S.3.6 Insulation requirements: The primary winding to the secondary winding and ground and the secondary winding to the ground can withstand a short-time power frequency withstand voltage of 3kV for one minute, and the insulation resistance is ≥ 100MQ.3.7 For current transformer with a load of 5VA or 10VA, the lower limit is 3.75VA, and the power factor is cosφ= 0.8 (except for customized products)IV. Key Components and StructureThe unsaturated resin is used in the transformer as main insulating material, the iron core is made of silicon steel sheet or amorphous crystalline material in the coiled way, and the secondary winding is wound with enameled round wire.V. Installation, Operation and Maintenance5.1 The transformer can be installed vertically or horizontally;5.2 The copper section of the connection line connected to the secondary instrument and relay is not less than 2.5mm2, and the secondary terminal is marked with S1 and S2. When the current flows from P1 to the P2 end, the secondary current flows to the S2 from S1 through the external circuit, and the transformer is in the subtractive polarity state;5.3 When the primary winding is powered with current, the open circuit of the secondary winding is strictly prohibited to prevent high voltage;5.4 The transformer storage site shall be kept dry and well ventilated, and the transformer shall be stored in the paper carton or wooden box for long-term storage; If the storage period of the product exceeds one year, the product shall be subject to the insulation resistance and power frequency withstand voltage test, and shall be dried if changed;5.5 The transformer shall be periodically verified, and any product failed to pass the verification shall be repaired or replaced.5.6 For bus type transformer, when it is used as a transformer with small transformation ratio, the window can be wound several times according to the data speci fied on the product nameplate to meet the user’s requirements. For details, see Table 1.VI. Outline and Installation DimensionsThe outline and installation dimensions of the transformer are illustrated in Table 2 and attached figures 1 ~ 10Fig. 1 (LMZ1-0.5 30-1200/5A) Fig. 2 (LM-0.5 30-600/5A)Fig. 3 (LMZJ1-0.5 750-3000/5A) Fig. 4 (LMZJ1-0.5 30-600/5A)Fig. 5 (LMZ1-0.66250-1200/5A) Fig. 6 (LMZJ1-0.66 150-2500/5A)Fig. 7 (LMZJ1-O.66 3000/5A) Fig. 8 (LMZJ1-0.66 type Grade 0.5, 120-50general assembly drawing) Fig. 9 (LMZ3-0.66 150-250/5A) Fig. 10 (LMZ3-0.66 300-2500/5A)Fig. 11 (LMZ3-0.66 3000/5A)H: High; W: Wide; D: Thickness; φd: Inner diameter;a: Window height; b: Window width;L1: Leg length; L2: installation width;VII. Company’s commitmentOur company will provide repair and replacement service free of charge for any damage or abnormal operation of the product due to poor manufacture quality within 24 months from the production date under the premise that users follow the use and storage conditions and the product are well sealed. A paid repair will be provided if the warranty period expires. For any damage due to one of the following situations, a paid repair will be given even if within the warranty period:(1)Improper operation, maintenance, or storage;(2)Modified and inappropriate repair without permission;(3)Damage due to falling off or during installation after purchase;(4)Force majeure such as earthquakes, fires, lightning strikes, abnormal voltages, and secondary disasters.If you have any question, please contact our dealer or our company’s customer service department.Customer service hotline:400-826-8008CertificateDELIXI GROUP CO., LTD.Manufacturer: Delixi Group Co., Ltd.Address: No. 155, Zhandong Road, Liushi Town, Yueqing City, Zhejiang P.C: 325604Tel: (86-577) 6177 8888Fax: (86-577) 6177 8000Customer Service Hotline: 400-826-8008。
L M ZJ1-0.66系列电流互感器符合标准:G B/T20840.2警告当电流互感器的一次绕组中通有电流时,严禁断开二次电路,否则电流互感器二次绕组所产生的高电压将危及设备和人身安全。
注意1 安装时,S2端应可靠接地。
2 长期工作电流不超过额定值,允许在1.2倍额定电流下作短时运行。
23 二次电路连接线截面积不小于1.5mm。
电路上的总阻抗不得超出标牌标注的二次负荷。
4 严格按照标牌标注的穿心匝数使用电流互感器。
5 避免同一互感器既作保护用又作测量用。
1 概述1.1 适用范围及主要用途L MZJ1-0.66系列为户内型电流互感器,适用于额定频率为50Hz,额定电压至0.66kV的交流电路中作电流测量、电能计量和继电保护用。
符合标准:GB/T20840.2 《第二部分:电流互感器的补充技术要求》。
1.2 使用环境条件a) 环境温度:(-5~40)。
b) 环境湿度:≤80%。
c ) 海拔高度:≤1000m 。
d ) 安装场所:户内,且无金属粉尘及剧烈震动的场所。
1.3 型号含义2 结构特征与工作原理2.1 结构互感器由树脂混合料将二次线圈、嵌装螺母等零部件固化成型。
中间窗孔供母排穿过。
二次线圈由高磁导率的优质取向硅钢带或纳米晶软磁合金带制作的环形或矩形铁芯与聚酯漆包圆线制作而成。
2.2 工作原理电流互感器是一种交流电流变换的电气设备,它串接在用电线路上,利用电磁互感的工作原理,将大小不一的电流变成一定大小的电流,便于用统一规格的电气仪表进行测量。
3 技术参数3.1 额定电压:0.66kV 。
3.2 额定频率:50Hz 。
3.3 额定安匝范围:50A t ~6000At 。
3.4 额定二次电流:5A ,1A 。
L M Z J 1 - 0.66额定电压(kV )电流互感器母线式绕注绝缘设计序号加强绝缘4 外形、窗孔及安装尺寸见图1、图2、图3、图4和表1。
图1 规格:30、40图2 规格:50、60图3图1、图2左视图 图4 规格:80、100、140、1803.5 二次负荷功率因数:0.8(滞后)。
2000~2001年试验合格的互感器类产品及企业名录
日期:2008-5-19 15:36:54 浏览:445 [大中小]
电力工业部电力设备质量检测中心始建于1986年(设在武汉高压研究所),下设8个产品质量监测站。
受国家质检总局授权,对电力电缆及附件、互感器、电力变压器机电抗器,避雷器,低压电器、电力电磁产品、带电作业工具设备、高压试验设备仪器8大类47项产品和30种参数进行检测试验。
现将2000~2001年试验合格的互感器类产品和企业名录予以公告。
检验报告有效期为3~5年。
一、电流互感器(见表1)
表1 试验合格的电流互感器产品和企业名录
二、电压互感器(见表2)
表2 试验合格的电压互感器产品和企业名录
三、组合式互感器(见表3)
表3 试验合格的组合式互感器产品和企业名录
4 三相干式组合互感器(见表4)
表4 试验合格的三相干式组合互感器产品和企业名录。
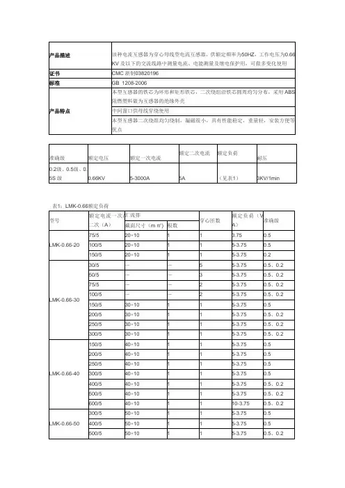
产品描述该种电流互感器为穿心母线型电流互感器,供额定频率为50HZ,工作电压为0.66KV及以下的交流线路中测量电流、电能测量及继电保护用,可做多变化使用证书CMC浙制03820196标准GB 1208-2006产品特点本型互感器的铁芯为环形和矩形铁芯,二次绕组沿铁芯圆周均匀分布,采用ABS 阻燃塑料做为互感器的绝缘外壳中间窗口供母线穿绕使用本型互感器二次绕组均匀绕制,漏磁很小,具有性能稳定,重量轻,安装方便等优点准确级额定电压额定一次电流额定二次电流额定负荷耐压0.2级、0.5级、0.5S级0.66KV 5-3000A 5A (见表1)3KV/1min 表1:LMK-0.66额定负荷型号额定电流一次/二次(A)汇流排穿心匝数额定负荷(VA)准确级截面尺寸(m㎡) 根数LMK-0.66-20 75/5 20×10 1 1 3.75 0.5 100/5 20×10 1 1 5-3.75 0.5 150/5 20×10 1 1 5-3.75 0.2LMK-0.66-30 30/5 -- 5 5-3.75 0.5、0.2 50/5 -- 3 5-3.75 0.5、0.2 75/5 -- 2 5-3.75 0.5、0.2 100/5 -- 2 5-3.75 0.5、0.2 150/5 30×10 1 1 5-3.75 0.5200/5 30×10 1 1 5-3.75 0.5、0.2 250/5 30×10 1 1 5-3.75 0.5、0.2 300/5 30×10 1 1 5-3.75 0.5、0.2LMK-0.66-40 150/5 40×10 1 1 5-3.75 0.5200/5 40×10 1 1 5-3.75 0.5250/5 40×10 1 1 5-3.75 0.5300/5 40×10 1 1 5-3.75 0.5400/5 40×10 1 1 5-3.75 0.5、0.2 500/5 40×10 1 1 5-3.75 0.5、0.2 600/5 40×10 1 1 10-3.75 0.5、0.2LMK-0.66-50 300/5 50×10 1 1 5-3.75 0.5400/5 50×10 1 1 5-3.75 0.5500/5 50×10 1 1 5-3.75 0.5、0.2600/5 50×10 1 1 10-3.75 0.5、0.2 750/5 50×10 1 1 10-3.75 0.5、0.2 800/5 50×10 1 1 10-3.75 0.5、0.2 1000/5 50×10 1 1 10-3.75 0.5、0.2LMK-0.66-60 300/5 60×20 1 1 5-3.75 0.5400/5 60×20 1 1 5-3.75 0.5500/5 60×20 1 1 5-3.75 0.5600/5 60×20 1 1 10-3.75 0.5、0.2 750/5 60×20 1 1 10-3.75 0.5、0.2 800/5 60×20 1 1 10-3.75 0.5、0.2 1000/5 60×20 1 1 10-3.75 0.5、0.2 1200/5 60×20 1 1 10-3.75 0.5、0.2 1500/5 60×20 1 1 15-3.75 0.5、0.2 2000/5 60×20 1 1 15-3.75 0.5、0.2LMK-0.66-80 500/5 80×10 60×30 1-2 1 5-3.75 0.5600/5 80×10 60×30 1-2 1 10-3.75 0.5750/5 80×10 60×30 1-2 1 10-3.75 0.5800/5 80×10 60×30 1-2 1 10-3.75 0.5、0.2 1000/5 80×10 60×30 1-2 1 10-3.75 0.5、0.2 1200/5 80×10 60×30 1-2 1 10-3.75 0.5、0.2 1500/5 80×10 60×30 1-2 1 15-3.75 0.5、0.2 2000/5 80×10 60×30 1-2 1 15-3.75 0.5、0.2LMK-0.66-100 750/5 100×10 80×30 1-2 1 10-3.75 0.5800/5 100×10 80×30 1-2 1 10-3.75 0.5 1000/5 100×10 80×30 1-2 1 10-3.75 0.5、0.2 1200/5 100×10 80×30 1-2 1 10-3.75 0.5、0.2 1500/5 100×10 80×30 1-2 1 15-3.75 0.5、0.2 2000/5 100×10 80×30 1-2 1 15-3.75 0.5、0.2 2500/5 100×10 80×30 1-2 1 15-3.75 0.5、0.2 3000/5 100×10 80×30 1-2 1 20-3.75 0.5、0.2LMK-0.66-120 1500/5 120×10 80×30 1-2 1 15-3.75 0.5、0.2 2000/5 120×10 80×30 1-2 1 15-3.75 0.5、0.2 2500/5 120×10 80×30 1-2 1 15-3.75 0.5、0.2 3000/5 120×10 80×30 1-2 1 20-3.75 0.5、0.2 4000/5 120×10 80×30 1-2 1 20-3.75 0.5、0.2 5000/5 120×10 80×30 1-2 1 20-3.75 0.5、0.2。
ACH-0.66系列电流互感器
ACH-0.66系列电流互感器, 外売采用阻燃.耐温120℃的进口聚碳酸酯注塑成形, 铁芯采用取向冷扎硅钢带卷绕而成,二次导线采用高强度电磁漆包线,产品结构新颖,造型美观,安装方便,体积小,质量轻,准确度高,容量大,可与測量仪表表配套使用。
2.技木指标
◆执行标准,GB1208-2006
◆一次电流5~10000A, 二次电流5A、1A
◆額定工作电压AC0.66k V(等效AC0.69kV,GB156-2003)
◆额定频率50-60Hz
◆环境温度-30℃~70℃,最高耐温120℃
◆海技高度≤3000m,用于没有雨雪直接侵袭,无严重污染及剧烈震动的场所
◆工频耐压3000V/1m i n50Hz
◆绝缘等级: E
3.选型说明
◆根据一次电流及母线截面等参数选择对应的规格产品。
一次导线穿越互感器窗孔。
打开互感器护盖,通过压线片进行二次接线。
计量互感器可联系我公司提供带孔护益.方便铅封。
◆工作电流长期不l超过1.1倍额定值,允许在1.2倍额定值时短时使用,时间不組过1h:
◆根据被测电流大小,选定额定电流比, 一般选用比被测电流大2/3左右的额定电流;
◆产品极性表示为:一次接线标志P1、P2,相应二次接线标志S1、S2;S1表示P1的同名端, S2表示P2的同名端;
◆测量仪表接于S1、S2端上, 此时所接回路总负荷不应超过互感器的额定负荷,当安装仪表位置与电流互感器相距甚远或回路负载较大时,应优先选用二次电流为1A的规格。
◆注意根据母排的规格和根数,強用相匹配窗口大小的互感器。
()LMZ J 1-0.6655555100/5150/5200/5250/5300/5400/5500/5600/530型40型50型5551111111155555555555555型电流互感器LMZ(J)1-0.66型电流互感器主要用于户内,供额定电压为0.66kV及以下,额定频率为50Hz的交流电路中作为电流、电能测量或继电保护用,产品为浇注式电流互感器,其安装方法采用母排固定安装方法。
符合标准:GB 1208。
L M Z (J) 1- 0.66额定电压(kV) 设计序号 加大容量 浇注绝缘式 母线式 电流互感器3.1 安装场所:户内。
3.2 环境温度:-5℃~40℃。
3.3 环境湿度:相对湿度不大于80%。
3.4 海拔高度:不超过1000m。
3.5 大气条件:大气中无严重污秽。
1 适用范围2 型号及含义3 正常工作条件和安装条件4 主要技术参数及外形安装尺寸60型100型130型170型用户在订货时,需提供以下信息:5.1 产品型号及安装母排宽度;5.2 电流比;5.3 额定输出及相应准确级;例如:订货LMZ1-0.66型,母排宽度为50mm、电流比600/5A、额定输出5VA、准确级0.5级的互感器。
订货代号为:LMZ1-0.66 50型 600/5A 5VA 0.5级。
5.4 如有特殊要求时,可与厂家协商定制。
80型600/5400/5750/51500/55101010111110105101055 订货须知D。