井口工具使用及介绍共58页
- 格式:ppt
- 大小:12.29 MB
- 文档页数:58
识别工具型号外型尺寸mm 接头螺纹表面硬度GZ86-1 Ф86×560 NC26型号外型尺寸mm 接头螺纹MZ/NC26-3 Ф95×340NC26(210)打捞2"油管接箍、MZ/NC31-1 Ф114×350NC31(210) 打捞21/2"MZ/NC31-2 Ф114×390专门从油管、钻杆等管状落物外壁进行造扣打捞专用工具,可用于无内孔或内孔堵死的圆柱形落物的打捞。
型号外径mm 接头螺纹打捞直径HLM—D60 86 NC26(2A10)42HLM—D73105 NC31(210) 52.6HLM—S73HLM—D8964.1型号外型尺寸mm 打捞范围mm许用拉力LM—T73 Ф95×65154.6~62 535LM—T89 Ф105×67066.1~77.9 814它是从鱼腔内孔进行打捞的工具,可捞自由状态下的管柱,也可抓获遇卡管柱,还可以根据不同的作业要求与安全接头、加上接头、矛杆、花键套、限位块、定位螺钉、卡瓦型号外型尺寸mm 接头螺纹打捞尺寸mm 许用拉力KN 扭矩N.m上接头、筒体、弹簧、卡瓦座、卡瓦、键、垫环、引鞋型号外型尺寸mm接头螺纹打捞尺寸mm许用拉力DLT-114 Ф114×660NC31(210)Ф48~Ф73 950从落鱼外壁进行打捞的不可退式工具,它可抓捞油管、钻杆、加重杆等,型号外型尺寸mm 接头螺纹打捞尺寸mm 许用拉力CLT01Ф55×346 5/8 15~16.7CLT02 3/4 18~19.7 CLT03 7/8 21~22.7套管尺寸外径108~114mm 齿数上接头、钩身、凸轮钩、轴销、扭簧组成接头螺纹钩体长度及钩数NC31(210)1000mm×1 1200mm×2用于打捞深井泵衬套,有内孔小件落物及被压死的绳、缆类。
上下接头、密封圈、胶筒、硫化芯子、中心管、滤网罩型号最大外径mm最小通径mm总长度mm作封压力MPa工作压力MPa工作温度℃K344-114 114 62 910 0.5~0.7 25 120最小通径mm 工作压力MPa偏孔直径mm堵塞器最大外径mm46 25 20 22上接头、活页总成、筒体筒体、钢球、引鞋型号外型尺寸mm 接头螺纹SQ114-01 Ф114×305 6 5/8 5/8。
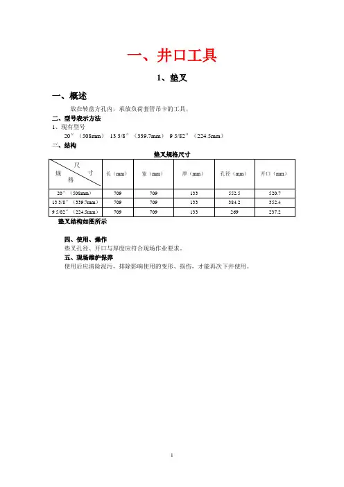
一、井口工具1、垫叉一、概述放在转盘方孔内,承放负荷套管吊卡的工具。
二、型号表示方法1、现有型号20″(508mm)13 3/8″(339.7mm)9 5/82″(224.5mm)三、结构四、使用、操作垫叉孔径、开口与厚度应符合现场作业要求。
五、现场维护保养使用后应清除泥污,排除影响使用的变形、损伤,才能再次下井使用。
2、吊卡一、概述吊卡放在钻台上,是套扣在钻杆接头、油管、套(铣)管接箍下面,用以悬挂、提升和下入钻杆、套(铣)管、油管等管柱的工具。
二、吊卡型号表示方法 1、吊卡吊卡最大载荷 KN孔径(下孔径×上孔径) mm结构特征代号;Z 锥型台阶,平台阶省略 名称代号:D 表示吊卡型号:C ;侧开式,D ;对开式 B ;闭锁环式例如;侧开式平台阶吊卡:CD131╳134/1350:下孔径131 mm ,上孔径134 mm ,最大载荷1350 KN3、现有型号(1)钻杆吊卡1) 侧开式锥形台阶(斜坡)钻杆吊卡:CDZ18°148/350T (5 1/2")、CDZ18°133/350T (5")、 CDZ18°101/350T (3 1/2")、 CDZ20°101/350T (3 1/2")、 CDZ20°83/250T (2 7/8")。
2) 对开式锥形台阶(斜坡牛头)钻杆吊卡:DDZ18°133/350T (5")。
3) 对开式平台阶(牛头)钻杆吊卡: DD 133/350T (5")、DD 101/350T (3 1/2") 、DD 83/250T (2 7/8")。
(2)套管吊卡侧开式平台阶套管吊卡:CD 513/350T (20")、CD 344/350T (13 3/8")、CD 254/350T(9 7/8")、CD 248/350T(9 5/8")、CD 181/350T(7")、CD 130/250T(5")、CD 248/350T (4 1/2")。
井口常用工具简介修井井口常用工具一般指作业吊升工具、卡具及上卸扣工具等,这些用具是修井施工作业时的专用工具,是保障作业得以实施的基本用具。
1吊卡吊卡是用来卡住并起吊油管、钻杆、套管等的专用工具。
在起下管柱时,用双吊环将吊卡悬吊在游车大钩上,吊卡再将油管、钻杆、套管等卡住,便可进行起下作业。
修井施工中常用的吊卡一般有活门式和月牙形两种吊卡,过去也用过的羊头吊卡,因其较笨重,目前已不再使用。
1.1基本结构形式吊卡的基本结构形式如图1、图2所示。
图1活门式吊卡1—吊卡体;2—活门销子;3—吊卡活门;4—手柄;5—锁扣销子;6—锁扣图2月牙形吊卡1—壳体;2—凹槽;3—插门;4—手柄;5—弹簧;6—弹簧底垫活门吊卡主要由本体、手柄、活门(或门)等部件组成,其特点是承重力较大,适用于较深井钻杆柱的起下。
月牙形吊卡主要由壳体、凹槽、插门、手柄和弹簧等组成,其特点是轻便、灵活,适用于油管柱或较浅井的钻杆柱的起下作业。
目前月牙形吊卡发展到平式与外加厚油管两用型。
1.2基本技术参数吊卡的基本技术参数见表1。
表1吊卡技术参数表吊卡形式名义尺寸in外形尺寸承重KN 质量Kg 适用管柱井口直径,mm宽,mm 高,mm 活门式26245020523040.5油管用21/277.7644021030040.3油管,钻杆392.9149523035052油管,钻杆4116.11552525040069油管,钻杆月牙式26243520523023油管,钻杆21/27748020542074油管,钻杆38960020542074油管,钻杆4115600280650121油管,钻杆月牙轻便两用262.6645020523041油管21/276.8344021030040平式、加厚391.9649523035053平式、加厚2抽油杆吊卡抽油杆吊卡是起下抽油杆的专用工具,主要由外壳、吊环、旋转套等组成,如图3所示。
抽油杆吊卡中间的卡具(卡套)一般是可以更换的,可以变成所需的卡具尺寸,一般由5/8~1in 均可更换,以适应各种规格尺寸的抽油杆的起下作业。