东北大学《工程力学》在线作业1 辅导答案
- 格式:doc
- 大小:31.00 KB
- 文档页数:4
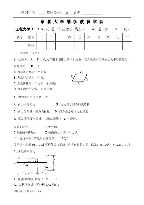
东 北 大 学 继 续 教 育 学 院工程力学(一)X 试 卷(作业考核 线上2) A 卷(共 3 页)总分 题号 一 二 三 四 五 六 七 八 九 十得分一、选择题(15分)1.已知1F ,2F ,3F,4F 为作用于刚体上的平面力系,其力矢关系如图所示为平行四边形。
由此可知( D )。
A. 力系可合成为一个力偶;B. 力系可合成为一个力;C. 力系简化为一个力和一个力偶;D. 力系的合力为零,力系平衡 2.内力和应力的关系( D )A. 内力小与应力B. 内力等于应力的代数和C. 内力为矢量,应力为标量D. 应力是分布内力的集度 3.梁发生平面弯曲时,其横截面绕( B )旋转。
A.梁的轴线; B.中性轴; C.截面的对称轴; D.截面的上(或下)边缘。
二、通过分析计算选出正确答案,(15分)图示结构由梁DC 、CEA 两构件铰接而成,尺寸和载荷如图。
已知:2qa M =,qa P 2=。
如求A 、B 处约束反力:1. 简便的解题步骤为( D );1F 3F 2F 4FA .先整体分析,再分析CAE 构件;B .先分析DBC 构件,再整体分析; C .先分析CAE 构件,再分析DBC 构件;D .先分析DBC 构件,再分析CEA 构件。
2. 由DBC 构件分析,可以求得( C ); A .F By B .F Cy 、F Ay C .F By 、F Cy D .F Ay3. F By 、F Ay 、M A 分别等于( A )。
A . qa 29, qa 23, 225qaB . qa 25, qa 29, 223qaC . qa 23, qa 29, qa 25D . qa 29, qa 25, qa 23三、已知变截面钢轴上的外力偶矩1800b m N m =⋅,1200c m N m =⋅,剪切弹性模量98010Pa G =⨯,轴的尺寸见图,试求最大切应力max τ和最大相对扭转角AC ϕ。
东北大学东大奥鹏远程教育东北大学20秋学期《工程力学(二)》在线平时作业1参考答案试读一页20秋学期《工程力学(二)》在线平时作业11. 要充分发挥梁的抗弯作用,下列()是不可以的。
【选项】:A 将材料置于离中性轴较近处B 采用高强度材料C 合理布置荷载位置D 合理布置支座位置【答案】:A 将材料置于离中性轴较近处 |2. 应力强度因子的修正因数与()有关。
【选项】:A 构件的几何特征B 裂纹的几何特征C 构件的受力形式D 以上三种【答案】:D 以上三种 |3. 冲击韧性与()有关。
【选项】:A 试样的尺寸B 试样的形状C 试样的支承条件D 以上三种【答案】:D 以上三种 |4. 两端铰支的细长杆长度系数为()。
【选项】:A 2B 0.7C 1D 0.5【答案】:C B |5. 在材料相同的条件下,随着柔度的增大,()。
【选项】:A 细长压杆的临界应力是减小的,中长压杆增加B 中长压杆的临界应力是减小的,细长压杆增加C 细长压杆和中长压杆的临界应力均是减小的D 细长压杆和中长压杆的临界应力均不是减小的【答案】:C 细长压杆和中长压杆的临界应力均是减小的 |6. 单向偏心拉伸可分解为()。
【选项】:A 轴向压缩和单向弯曲B 轴向拉伸和单向弯曲C 轴向压缩和双向弯曲D 轴向拉伸和双向弯曲【答案】:B 轴向拉伸和单向弯曲 |7. 利用平面平行力系的平衡条件,最多可求解出()个未知量。
【选项】:A 1B 2C 3D 4【答案】:B C |8. 采用高强钢筋会提高()。
【选项】:A 构件的剪应力B 构件的许用应力C 构件的应力D 截面惯性矩【答案】:B 构件的许用应力 |9. 一端嵌固在墙体中的悬臂阳台板,墙体对其的作用力可简化为()。
【选项】:A 平面汇交力系B 平面平行力系C 平面任意力系D 空间任意力系【答案】:C 平面任意力系 |10. 一拉压杆的抗拉截面模量E、A为常数,若使总伸长为零,则()必为零。
工程力学(一) 14秋学期《工程力学(一)》在线作业1 一,单选题1. 三力平衡定理是( )。
A. 共面不平行的三个力相互平衡必汇交于一点;B. 共面三力若平衡,必汇交于一点;C. 三力汇交于一点,则这三个力必互相平衡。
D. D?正确答案:A2. 下列实例中,属于有害摩擦的是 ( )A. 自行车车轮与地面摩擦B. 自行车脚踏板与鞋底摩擦C. 自行车车轮中车轴与轴承间摩擦D. 自行车刹车是闸皮与车轮间的摩擦?正确答案:C3. 弯曲变形时,弯曲正应力在横截面上沿载荷轴____。
A. 均匀分布B. 线性分布C. 假设均匀分布D. 抛物线分布?正确答案:B4. A. AB. BC. CD. D?正确答案:D5. 作用与反作用定律适用于下列哪种情况()。
A. 只适用于刚体系统B. 只适用于刚体C. 只适用于平衡状态D. 物体系统?正确答案:D6. A. AB. BC. CD. D?正确答案:D7. A. AB. BC. CD. D?正确答案:D8. 轴向拉伸和压缩的应力是分布在横截面上。
A. 线性B. 均匀C. 二次曲线D. 不规则?正确答案:B9. 钢屋架受与屋架平行的风荷载和屋面荷载作用,其力系为( )。
A. 空间力系B. 平面平行力系C. 平面一般力系D. 平面汇交力系?正确答案:C10. 一个物体上的作用力系,满足()条件,就称这种力系称为平面汇交力系。
A. 作用线都在同一平面内,且不交于一点B. 作用线都在同一平面内,但不交于一点C. 作用线在不同一平面内,且汇交于一点D. 作用线在不同一平面内,且不交于一点?正确答案:A11. 如果空心截面的内径为d,外径为D,则抗弯截面模量等于_______A.B.C.D.?正确答案:D12. A. AB. BC. CD. D?正确答案:D13. 平面汇交力系的必要和充分条件是各力在两个坐标轴上投影的代数和( )A. 一个大于0,一个小于0B. .都等于0C. 都小于0D. 都大于0?正确答案:B14. A. 1和2B. 2和3C. 1和3D. 1,2,3?正确答案:C15. A. 前者不变,后者改变B. 两者都变C. 前者改变,后者不变D. 两者都不变?正确答案:C二,判断题1. 力矩就是力偶矩。
19春学期《工程力学》在线作业1
在平行移轴公式Iz1=Iz+a2A中,z轴和z1轴,z轴通过。
A.平行、中性轴;
B.平行、下边缘;
C.垂直、中性轴;
D.垂直、下边缘.
正确答案:A
选择2:
A.A
B.B
C.C
D.D
正确答案:C
选择3:
A.A
B.B
C.C
D.D
正确答案:D
弯曲切应力在横截面上沿高度的分布是。
A.均匀分布;
B.线性分布,中性轴处大,上下边缘零;
C.抛物线分布
D.抛物线分布,中性轴处大,上下边缘零.
正确答案:D
力线平移定理是力系简化的理论基础。
()
A.对
B.错
正确答案:A
钢屋架受与屋架平行的风荷载和屋面荷载作用,其力系为()。
A.空间力系
B.平面平行力系
C.平面一般力系
D.平面汇交力系
正确答案:C
大小相等的三个力,分别作用在同一个平面内的A,B,C三点上,若AB=BC=CA,这力多变形如图所示,则该力系
A.合成为一合力
B.合成为一力偶
C.平衡
正确答案:B
已知边长为a的正方形截面对轴的惯性矩为,对形心轴的惯性矩为,则轴与轴的距离d为_____。
ABCD
A.A
B.B
C.C
D.D
正确答案:B
度量弯曲变形的尺度是,它要求挠曲线。
A.挠度、连续;
B.挠度和转角、光滑连续
C.转角、光滑
D.挠度和转角、连续函数.
正确答案:B
选择题3:
A.A
B.B
C.C
D.D
正确答案:B。
《工程力学X》在线平时作业1
阅读提示:本材料为东北大学21年秋季课程复习资料,供学生参考学习使
用!!!
一、单选题 (共 25 道试题,共 100 分)
1.如果F1与F2在x轴上投影相等,这两个力一定相等。
()
[A.项]对
[B.项]错
[解析:请按照课程学习要求,完成本题目]
<本题正确答案>:B
2.选择题1
[题目参照学习平台]
[A.项]A
[B.项]B
[C.项]C
[D.项]D
[解析:请按照课程学习要求,完成本题目]
<本题正确答案>:A
3.力矩就是力偶矩。
()
[A.项]对
[B.项]错
[解析:请按照课程学习要求,完成本题目]
<本题正确答案>:B
4.选择题1:
[题目参照学习平台]
[题目参照学习平台]
[题目参照学习平台]
[A.项]A
[B.项]B
[C.项]C
[D.项]D
[解析:请按照课程学习要求,完成本题目]
<本题正确答案>:B
5.选择题1
[题目参照学习平台]
[A.项]A
[B.项]B
[C.项]C
[D.项]D。
【东北大学】21春学期《工程力学(二)》在线平时作业1 注:本材料是东北大学2021年春季课程辅导资料,仅作为学习参考!!!一、单选题 (共 20 道试题,共 100 分)1.选择()较高的材料,有助于减小梁的挠度。
【A.】弹性模量【B.】切变模量【C.】屈服强度【D.】极限强度[提示:按照课程学习要求,对以上试题进行分析,并从中选择答案填写在答题卡上] 参考选项是:A2.脉动循环交变应力表述正确的是()。
【A.】最大应力和最小应力大小相等,方向相反【B.】最大应力和最小应力方向相同【C.】最小应力为零【D.】最大应力为零[提示:按照课程学习要求,对以上试题进行分析,并从中选择答案填写在答题卡上] 参考选项是:C3.具有对称轴或反对称轴的截面,其弯曲中心与()重合。
【A.】形心【B.】重心【C.】垂心【D.】需具体计算[提示:按照课程学习要求,对以上试题进行分析,并从中选择答案填写在答题卡上] 参考选项是:A4.截面法求杆件截面内力的三个主要步骤顺序为()。
【A.】列平衡方程、画受力图、取分离体【B.】画受力图、列平衡方程、取分离体【C.】画受力图、取分离体、取平衡方程【D.】取分离体、画受力图、列平衡方程[提示:按照课程学习要求,对以上试题进行分析,并从中选择答案填写在答题卡上] 参考选项是:D5.一端为固定端支座,一端为自由端的梁,称为()。
【A.】简支梁【B.】悬臂梁【C.】外伸梁【D.】超静定梁[提示:按照课程学习要求,对以上试题进行分析,并从中选择答案填写在答题卡上] 参考选项是:B6.下列( )描述的是平面力偶系的合成方法。
【A.】各力偶矩代数相加【B.】各力偶矩矢量相加【C.】各力偶矩绝对值相加【D.】不可相加[提示:按照课程学习要求,对以上试题进行分析,并从中选择答案填写在答题卡上] 参考选项是:A7.( )法确定的硬度值表征的是金属的塑性变形抗力及应变硬化能力。
【A.】弹性回跳法【B.】压入法【C.】划痕法【D.】以上三种都可以[提示:按照课程学习要求,对以上试题进行分析,并从中选择答案填写在答题卡上] 参考选项是:C8.一个物体上的作用力系,满足()条件,就称这种力系称为平面汇交力系。
东 北 大 学 继 续 教 育 学 院工程力学(一)X 试 卷(作业考核 线上2) A 卷(共 3 页)总分 题号 一 二 三 四 五 六 七 八 九 十得分一、选择题(15分)1.已知1F ,2F ,3F,4F 为作用于刚体上的平面力系,其力矢关系如图所示为平行四边形。
由此可知( D )。
A. 力系可合成为一个力偶;B. 力系可合成为一个力;C. 力系简化为一个力和一个力偶;D. 力系的合力为零,力系平衡 2.内力和应力的关系( D )A. 内力小与应力B. 内力等于应力的代数和C. 内力为矢量,应力为标量D. 应力是分布内力的集度 3.梁发生平面弯曲时,其横截面绕( B )旋转。
A.梁的轴线; B.中性轴; C.截面的对称轴; D.截面的上(或下)边缘。
二、通过分析计算选出正确答案,(15分)图示结构由梁DC 、CEA 两构件铰接而成,尺寸和载荷如图。
已知:2qa M =,qa P 2=。
如求A 、B 处约束反力:1. 简便的解题步骤为( D ); A .先整体分析,再分析CAE 构件;1F 3F 2F 4FB .先分析DBC 构件,再整体分析; C .先分析CAE 构件,再分析DBC 构件;D .先分析DBC 构件,再分析CEA 构件。
2. 由DBC 构件分析,可以求得( C );A .F ByB .F Cy 、F AyC .F By 、F CyD .F Ay3. F By 、F Ay 、M A 分别等于( A )。
A .qa 29, qa 23, 225qa B . qa 25, qa 29, 223qa C . qa 23,qa 29, qa 25D . qa 29, qa 25, qa 23三、已知变截面钢轴上的外力偶矩1800b m N m =⋅,1200c m N m =⋅,剪切弹性模量98010Pa G =⨯,轴的尺寸见图,试求最大切应力max τ和最大相对扭转角AC ϕ。
大工2020年春《工程力学(一)》在线作业1学习资料答案
【奥鹏】-大连理工20春《工程力学(一)》在线作业1
提示:请认真阅读本套试卷,核对是否是您需要的题目,本套试卷只做参考学习
使用
一、单选题 (共 8 道试题,共 40 分)
【题目】作用在杆件上的外力,如果其作用线与杆的轴线重合,则称为()。
[A.]弯矩荷载
[B.]剪力
[C.]轴向荷载
[D.]均布荷载
正确的选择是:C
【题目】力的可传性原理适用于()。
[A.]刚体
[B.]变形体
[C.]刚体和变形体
[D.]以上均不对
正确的选择是:A
【题目】合力在某轴上的投影等于力系中各分力在同一轴上投影的()。
[A.]代数和
[B.]矢量和
[C.]乘积
[D.]以上都不对
正确的选择是:A
【题目】单位长度杆的变形称为()。
[A.]平均线应变
[B.]线应变
[C.]单位应变
[D.]任意应变
正确的选择是:B
【题目】下列关于力偶性质的说法中,表述不正确的是()。
[A.]力偶无合力
[B.]力偶对其作用面上任意点之矩均相等,与矩心位置无关
[C.]若力偶矩的大小和转动方向不变,可同时改变力的大小和力臂的长度,作用效果不变
[D.]改变力偶在其作用面内的位置,将改变它对物体的作用效果。
1.利用空间一般力系的平衡方程可解出()个未知量。
A.2B.3C.4D.6【参考答案】: D2.约束对非自由体的作用力,称为()。
A.主动力B.被动力C.约束D.约束反力【参考答案】: D3.当力与某轴垂直时,力在该轴上的投影()。
A.与力大小相等B.一定为正C.大小为零D.以上均不对【参考答案】: C4.力是物体间的相互作用,是使物体的运动状态发生改变或引起物体变形的原因。
力的三要素不包括()。
A.大小B.方向C.作用点D.单位【参考答案】: D5.力的可传性原理适用于()。
A.刚体B.变形体C.刚体和变形体D.以上均不对【参考答案】: A6.力矩是力的大小与()的乘积。
A.距离B.长度C.力臂D.力偶臂【参考答案】: C7.下列关于力偶性质的说法中,表述不正确的是()。
A.力偶无合力B.力偶对其作用面上任意点之矩均相等,与矩心位置无关 C.若力偶矩的大小和转动方向不变,可同时改变力的大小和力臂的长度,作用效果不变 D.改变力偶在其作用面内的位置,将改变它对物体的作用效果【参考答案】: D8.平面一般力系有()个独立的平衡方程。
A.1B.2C.3D.4【参考答案】: C9.在单元体的两个互相垂直的截面上,切应力必然成对出现,其特点是(),称为切应力互等定律。
A.大小相等B.方向相反C.指向(或背离)两截面的交线D.大小不等【参考答案】: ABC10.以下关于力偶性质的叙述正确的是()。
A.力偶没有合力B.力偶在任一轴上的投影总等于零C.力偶对任一点之矩恒等于它的力偶矩D.力偶可以用一个力来代替【参考答案】: ABC11.下列所列的选项中,属于力偶性质的是()。
A.独立性B.可移性C.可改装性D.等效性【参考答案】: BCD12.刚体在两个力作用下保持平衡的必要与充分条件是:此二力()。
A.等值B.反向C.同向D.共线【参考答案】: ABD13.作用在物体上的一组力称为力系。
A.错误B.正确【参考答案】: B14.汇交力系中各个力的作用点为同一点。
大工19春《工程力学(一)》在线作业1对于单个刚体,通过空间汇交力系的平衡方程最多可求得()个未知量。
A.2B.3C.4D.6正确答案:B下列选项中,()不属于强度条件式可解决的工程实际中有关强度计算的问题。
A.确定安全因数B.强度校核C.截面选择D.确定许用荷载正确答案:A两物块A和B叠放在水平面上,已知物块A重0.5kN,物块B重0.2kN,物块A、B间的摩擦系数f1=0.25,物块B与地面间的摩擦系数f2=0.2,拉动B物块所需要的最小力为()。
A.0.14kNB.0.265kNC.0.213kND.0.237kN正确答案:A求圆轴的内力扭矩可使用的方法为()。
A.结点法B.截面法C.综合法D.以上都不对正确答案:B当两个物体接触面之间有相对滑动趋势或有相对滑动时出现的阻碍力,称为()。
A.一般摩擦力B.特殊摩擦力C.滚动摩擦力D.滑动摩擦力正确答案:D下列关于力偶性质的说法中,表述不正确的是()。
A.力偶无合力B.力偶对其作用面上任意点之矩均相等,与矩心位置无关C.若力偶矩的大小和转动方向不变,可同时改变力的大小和力臂的长度,作用效果不变D.改变力偶在其作用面内的位置,将改变它对物体的作用效果正确答案:D平面汇交力系平衡的几何条件是()。
A.力多边形自行封闭B.力多边形不封闭C.力多边形是否封闭都可以D.以上都不正确正确答案:A力系的合力为零是平面汇交力系平衡的()。
A.充分条件B.必要条件C.充要条件D.以上都不对正确答案:C对于有对称轴的均质物体,下列选项一定在对称轴上的是()。
A.形心B.重心C.面积D.体积正确答案:AB以下关于力偶性质的叙述正确的是()。
A.力偶没有合力B.力偶在任一轴上的投影总等于零C.力偶对任一点之矩恒等于它的力偶矩D.力偶可以用一个力来代替正确答案:ABC两个物体间的作用力和反作用力,总是()。
A.大小相等B.方向相反C.作用线重合D.作用于不同的两个物体上正确答案:ABCD杆件扭转变形的特点包括()。
长风破浪会有时,直挂云帆济沧海。
住在富人区的她东北大学智慧树知到“冶金工程”《工程力学(一)》网课测试题答案(图片大小可自由调整)第1卷一.综合考核(共10题)1.作用在同一物体上的两个力,大小相等,方向相反的力可能是()。
A、一对平衡力B、一个力偶C、一对平衡力或一个力偶D、一对作用力和反作用力2.关于摩擦力,下列哪些说法是正确的()A、相互压紧的粗糙物体之间总是有摩擦力的B、一个物体只有在另一个物体表面运动或有相对运动趋势时,才有可能受到摩擦力C、静止的物体一定受到静摩擦力的D、具有相对运动的两个物体,一定存在摩擦力3.下列说法正确的是()A、分力一定大于合力B、分力一定等于合力C、分力与合力的大小关系不一定4.平面汇交力系的必要和充分条件是各力在两个坐标轴上投影的代数和()A、一个大于0,一个小于0B、都等于0C、都小于0D、都大于05.物体受平面内三个互不平行的力作用而平衡,则三个力的作用线()。
A、必交于一点B、必交于二点C、必交于三点D、交于一点、二点、三点都可能6.弯曲的内力是()。
A、轴力B、扭矩C、剪力D、剪力、弯矩7.一般情况,过一点在最大正应力作用的截面上有无切应力?在最大切应力作用的截面上有无正应力?()A、有、没有B、没有、有C、有、有D、没有、没有8.如图所示,如果使力F直接作用在梁的C截面上,则梁上|M|max与|Fs|max为()A、前者不变,后者改变B、两者都变C、前者改变,后者不变D、两者都不变9.三力平衡定理是()。
A、共面不平行的三个力相互平衡必汇交于一点B、共面三力若平衡,必汇交于一点C、三力汇交于一点,则这三个力必互相平衡10.弯曲正应力在横截面上沿高度的分布是()。
A、线性、上下边缘大、中性轴为零B、线性、下边缘小、上边缘大C、线性、上下边缘小、中性轴大D、线性、下边缘大、上边缘小第1卷参考答案一.综合考核1.参考答案:C长风破浪会有时,直挂云帆济沧海。
东北大学《工程力学》在线作业1
单选题
一、单选题(共 20 道试题,共 100 分。
)
1.
在分布载荷作用处,弯矩图是斜直线。
()
A. 对
B. 错
答:B
2.
关于力偶,以下说法中哪个是正确的?
A.
组成力偶的两个力大小相等、方向相反,是一对作用力与反作用力
B. 组成力偶的两个力大小相等、方向相反,是平衡力系
C.
力偶对任一点之矩等于力偶矩矢量
D. 力偶在任一坐标轴的投影,等于该力偶矩的大小
答:C
3.
两个主应力不为零是应力状态,三个主应力不为零是应力状态。
A.
平面、空间;
B.
平面、平面
C. 空间、平面
D. 空间、空间、
答:A
4.
在面积相同的情况下,空心圆轴与实心圆轴相比,空心圆轴好。
()
A. 对
B. 错
答:A
5.
答题4:
A.
A
B. B
C. C
D. D。