塑料瓶盖检验标准
- 格式:pdf
- 大小:629.98 KB
- 文档页数:5
食品包装用塑料瓶、桶、盖1 范围本标准规定了食品包装用塑料瓶、桶、盖的原材料、产品分类、要求、试验方法、检验规则及标志、包装、运输、贮存。
本标准适用于以聚乙烯(PE)树脂、聚丙烯(PP)树脂为主要原料,添加或不添加色母料,经吹塑工艺所生产的食品包装用塑料瓶、桶及经注塑工艺所生产的食品包装用塑料瓶盖、桶盖。
2 规范性引用文件下列文件对于本文件的应用是必不可少的。
凡是注日期的引用文件,仅所注日期的版本适用于本文件。
凡是不注日期的引用文件,其最新版本(包括所有的修改单)适用于本文件。
GB/T 191 包装储运图示标志GB 4806.6 食品安全国家标准食品接触用塑料树脂GB 4806.7 食品安全国家标准食品接触用塑料材料及制品GB/T 13508-2011 聚乙烯吹塑容器GB/T 17876-2010 包装容器塑料防盗瓶盖3 原材料3.1 聚乙烯(PE)树脂、聚丙烯(PP)树脂应符合GB 4806.6的规定。
3.2 色母应符合相关标准的要求。
4 产品分类4.1 符号及缩略语PP ——聚丙烯;PE ——聚乙烯。
4.2 产品按材质和用途,可分为A、B两类,见表1。
表1 产品分类5 要求5.1 满口容积偏差A类产品的满口容积偏差应符合GB/T 13508-2011中5.1的要求。
5.2 质量偏差5.2.1 A类产品的质量偏差应符合GB/T 13508-2011中5.2的要求。
5.2.2 B类产品的质量偏差要求见表2。
表2 B类产品的质量偏差5.3 尺寸偏差A类产品的尺寸偏差应符合GB/T 13508-2011中5.3的要求。
B类产品的尺寸偏差应符合GB/T 17876-2010中5.2的要求。
5.4 外观质量A类产品的外观质量应符合GB/T 13508-2011中5.4的要求。
B类产品的外观质量应符合GB/T 17876-2010中5.1的要求。
5.5 壁厚A类产品的壁厚应符合GB/T 13508-2011中5.5的要求。
塑料瓶盖验收标准
1.目的
明确公司所有塑料瓶盖的材质要求、质量要求,对公司购进的所有塑料瓶盖进行检验、验证,确保入库塑料瓶盖的质量满足规定要求,以保证产品质量。
2.适用范围
本标准规定了公司产品所用塑料瓶盖的规格、尺寸、材质要求、包装要求、检验方法、质量要求以及检验不合格的处置方法,适用于公司采购的所有塑料瓶盖的来料检验、试验和判定。
3.规范性引用文件
GB/T 17876 《包装容器塑料防盗瓶盖》。
4.质量要求
4.1证件要求
资质证明、官方检验报告、随批检验报告。
4.2 质量技术要求
4.3规格尺寸
4.4缺陷类别。
管理标准编号:LK-QG-LSB-10-311-10-A 塑料防盗含气饮料瓶盖验收标准受控标识:编制:生产部日期:会签:日期:审核:日期:批准:日期:管理标准青岛崂山矿泉水有限公司管理标准塑料防盗饮料瓶盖验收标准编号:LK-QG-LSB-10-311-10-A1 目的1.1为确保用于生产的塑料防盗饮料瓶盖符合质量及工艺的要求,特制定本验收标准。
2 主题内容与适用范围2.1本标准规定了塑料防盗饮料瓶盖的检验标准、检验方法与判定依据等,适用于生产部塑料防盗饮料瓶盖的检验。
2.2生产部检验人员对进厂的塑料防盗饮料瓶盖进行检验。
3 前提内容3.1由生产部对供应商提供的新样品进行全面测试,并上机试用,完全符合要求后按有关程序进行采购。
3.2供应商必须提供塑料防盗饮料瓶盖的标准图纸、标准样品,并严格按照图纸标明的尺寸进行生产。
3.3检验人员对塑料防盗饮料瓶盖出现的质量问题进行跟踪检测,如由供应商原因造成,由采购部负责与供应商协商补偿。
3.4供应商若改变配方,图纸等必须通知使用方,并提供样品以便使用方检测、试机,试机符合要求后,供应商提供标准样品,双方认可签字后封样交质检员存档,作为检验依据。
如果供应商私自改变配方、图纸等造成的损失全部由供应商负责。
4.质量标准4.1基本要求:4.1.1塑料防盗饮料瓶盖应符合GB/T 17876的规定。
4.1.2本标准的规定与GB/T 17876不一致之处,按本标准执行。
4.2感官要求如表1所示:表1 感官要求4.3尺寸:4.3.1塑料防盗饮料瓶盖尺寸应符合表2的规定:表2 塑料防盗瓶盖尺寸4.3.2表2中规定的尺寸如与本标准附录中的标准图纸不一致,则以本标准附录中的标准图纸为准。
4.4重量:单个瓶盖重量为2.80±±0.15g4.5物理性能如表4所示:表4 物理性能4.6扭断力矩:塑料防盗饮料瓶盖扭断力矩范围:12-18kgf·cm。
5. 检验方法及验收标准5.1样本抽取:以供应商每次到货的每个品种为一批,每批随机抽取50个样本检测感官、尺寸、重量、封盖性能、防盗性能和扭断力矩。
塑料瓶盖产品质量监督抽查实施细则(2024年版)1 抽样方法以随机抽样的方式在被抽样生产者、销售者的待销产品中抽取。
随机数一般可使用随机数表等方法产生。
每批次产品抽取样品50个,其中40个作为检验样品,10个作为备用样品。
2 检验依据执行企业标准、团体标准、地方标准的产品,检验项目参照上述内容执行。
凡是注日期的文件,其随后所有的修改单(不包括勘误的内容)或修订版不适用于本细则。
凡是不注日期的文件,其最新版本适用于本细则。
— 237 —3 判定规则3.1判定依据GB 4806.6—2016 食品安全国家标准食品接触用塑料树脂GB 4806.7—2016 食品安全国家标准食品接触用塑料材料及制品GB 4806.7—2023 食品安全国家标准食品接触用塑料材料及制品GB 9685—2016 食品安全国家标准食品接触材料及制品用添加剂使用标准现行有效的企业标准、团体标准、地方标准及产品明示质量要求3.2判定原则经检验,检验项目全部合格,判定为被抽查产品所检项目未发现不合格;检验项目中任一项或一项以上不合格,判定为被抽查产品不合格。
若被检产品明示的质量要求高于本细则中检验项目依据的标准要求时,应按被检产品明示的质量要求判定。
若被检产品明示的质量要求低于本细则中检验项目依据的强制性标准要求时,应按照强制性标准要求判定。
若被检产品明示的质量要求低于或包含本细则中检验项目依据的推荐性标准要求时,应以被检产品明示的质量要求判定。
若被检产品明示的质量要求缺少本细则中检验项目依据的强制性标准要求时,应按照强制性标准要求判定。
若被检产品明示的质量要求缺少本细则中检验项目依据的推荐性标准要求时,该项目不参与判定。
4 附则本细则代替《市场监管总局关于发布童车等76种产品质量国家监督抽查实施细则的公告》(2022年第19号)中的《塑料瓶盖产品质量国家监督抽查实施细则》。
— 238 —。
Q/ACNF 桐城市旭日包装有限责任公司企业标准Q/TXRBZ 01—2008其它类塑料瓶盖2008-07-01发布2008-07-20实施桐城市旭日包装有限责任公司发布桐城市质量技术监督局备案Q/TXRBZ 01—2008前言本标准由桐城市旭日包装有限责任公司提出并起草。
本标准主要起草人:武俊本标准于2008年07月20日正式实施。
Q/TXRBZ 01—2008其它类塑料瓶盖1 范围本标准规定了其它类塑料瓶盖的产品的分类、要求、试验方法,检验规则及标志、包装、运输和贮存。
本标准适用于以聚乙烯、聚丙烯、丙烯腈-丁二烯-苯乙烯共聚物、丙烯腈-苯乙烯共聚物为主要原材料,经注塑、热压或其他工艺成型的塑料瓶盖(以下简称瓶盖)。
2 引用标准下列文件中的条款通过本标准的引用而成为本标准的条款。
凡是注日期的引用文件,其随后所有的修改单(不包括勘误的内容)或修订版均不适用于本标准,然而,鼓励根据本标准达成协议的各方研究是否可使用这些文件的最新版本。
凡是不注日期的引用文件,其最新版本适用于本标准。
GB/T 2828 逐批检查计数抽样程序及抽样表GB/T 4807 食品用橡胶垫片(圈)卫生标准GB/T 9687 食品包装用聚乙烯成型品卫生标准GB/T 9688 食品包装用聚丙烯成型品卫生标准GB17327-1998食品容器、包装材料用丙烯腈-苯乙烯成型品卫生标准GB/T5009.60-2003 食品包装用聚乙烯、聚苯乙烯、聚丙烯成型品卫生标准的分析方法 GB5009.69 食品罐头内壁环氧酚醛涂料卫生标准的分析方法GB13120 食品容器及包装材料用聚酯树脂及其成型品中锑的测定方法GB/T17338 食品包装用苯乙烯-丙烯腈共聚物和橡胶改性的丙烯腈-丁二烯-苯乙烯树脂及其成型品残留丙烯腈单体分析方法3 产品分类和规格3.1 产品分类3.1.1 产品根据使用材料分为单种材料瓶盖和多种材料瓶盖。
3.1.2 产品根据制造工艺分为一次成型瓶盖和多次成型瓶盖。
塑料瓶验收标准
塑料瓶入厂检验标准
一.适用范围:适用于200ml、450ml、1000ml塑料瓶入厂验收。
二.取样方式:从接收批中随机取样。
1.取样的塑料瓶必须从接收袋数的5%袋中抽取。
2.每一取样塑料瓶在同一袋里必须间隔30个塑料瓶以上。
3.取样塑料瓶必须在同一袋里上、中、下同时抽取。
4.抽样比例应按不同规格分开计算。
三.不良率的计算:
1. 每一取样塑料瓶视为一检验的基本单位。
2.根据检验标准,每一基本单位中如有一个主要缺点时,则视为一个不良数。
2.1在同一塑料瓶中相同的检验项目,若有一个以上缺点时,仍视为一个缺点。
2.2不良率等于不良个数除以检验个数。
四.验收项目及标准:(见附表)
五. 塑料瓶有下列情况时应予以拒收:
1. 塑料瓶规格不符合,不能正常使用的情形。
2. 塑料瓶卫生状况不良。
3. 塑料瓶上有裂缝、砂眼等。
4. 塑料瓶四壁厚度明显不均。
5. 塑料瓶八个角中,有一个角软、薄者。
6. 塑料瓶颜色不正。
六.检验方法:
1. 空盒重量:就所抽取的样本中任意抽取30个空盒样本放置于弹簧秤上,秤其实际重量,求其平均值并记录。
2. 规格检查:米尺测量。
3. 壁厚检测:用剪刀于瓶子中上部剪开后,尺子测量。
4. 外观检查:目视。
注:除依上述项目及方法检验外若使用中发现有影响到产品品质3个缺点时立即与供应商联络,共商解决的办法。
一、目的:规范保健食品用塑料瓶的检验操作。
二、适用范围:保健食品用塑料瓶的检验。
三、责任人:QA、QC负责人,QC检验员。
四、内容:
1 标准依据:
1.1 公司自订内控标准。
1.2 《口服固体药用高密度聚乙烯瓶(试行)》(YBB00122002)。
2 取样方法及取样量:QA取样员参照《取样管理制度(HYL-MS-02-042)》取样。
3 技术要求
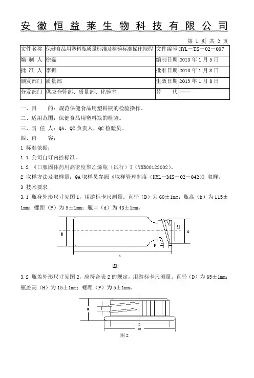
3.1 瓶身外形尺寸见图1,用游标卡尺测量。
直径(D)为60±1mm;瓶高(h)为115±1mm;螺距(P)为5±1mm;瓶口(d)为43±1mm。
3.2 瓶盖外形尺寸见图2,应符合表2的规定,用游标卡尺测量。
直径(D)为65±1mm;瓶盖高(H)为15±1mm;螺距(P)为5±1mm。
图2
4.1 外观:在自然光线明亮处目测检验。
2.3 微生物限度指标:按照《中国药典(2010年版)》二部附录Ⅺ J规定的方法测定。
Q/6JH 上高县精华塑料厂企业标准Q/6JH001-2019塑料瓶盖Plastic bottles for cap2019-03-12发布2019-03-18实施上高县精华塑料厂发布前言本标准按照GB/T1.1-2009《标准化工作导则第1部分:标准的结构和编写》给出的规则起草。
本标准由上高县精华塑料厂提出并起草。
本标准主要起草人:罗文婷、陈祖精塑料瓶盖1范围本标准规定了食品包装用塑料瓶盖的要求、试验方法、检验规则和标志、包装、运输、贮存。
本标准适用于以聚丙烯树脂(PP)、聚乙烯树脂(PE)为原料加工而成的食品用塑料瓶盖。
2规范性引用文件下列文件对于本文件的应用是必不可少的。
凡是注日期的引用文件,仅所注日期的版本适用于本文件。
凡是不注日期的引用文件,其最新版本(包括所有的修改单)适用于本文件。
GB/T191包装储运图示标志GB/T2828.1计算抽样检检验程序第1部分:按接收质量限(AQL)检索的逐批检验抽样计划GB4806.1食品安全国家标准食品接触材料及制品通用安全要求GB4806.6食品安全国家标准食品接触用塑料树脂GB4806.7食品安全国家标准食品接触用塑料材料及制品GB5009.156食品安全国家标准食品接触材料及制品迁移试验预处理方法通则GB9685食品安全国家标准食品接触材料及制品用添加剂使用标准GB/T18455包装回收标志GB31604.1食品安全国家标准食品接触材料及制品迁移试验通则GB31604.2食品安全国家标准食品接触材料及制品高锰酸钾消耗量的测定GB31604.7食品安全国家标准食品接触材料及制品脱色试验GB31604.8食品安全国家标准食品接触材料及制品总迁移量的测定GB31604.9食品安全国家标准食品接触材料及制品食品模拟物中重金属的测定3要求3.1原料要求3.1.1聚丙烯(PP)树脂、聚乙烯(PE)树脂应符合GB4806.6的规定。
3.1.2添加剂应符合GB9685的规定。
接触食品用包装塑料瓶盖1 范围本标准规定了食品包装用塑料瓶盖的分类、要求、试验方法、检验规则、标志、包装、运输及贮存本标准适用于聚乙烯树脂(PE)、聚丙烯树脂(PP)为原料,添加或不添加色母,经注塑工艺生产的用于盛装食品、饮料的食品包装用塑料瓶盖(以下简称瓶盖)2 规范性引用文件下列文件对于本文件的应用是必不可少的。
凡是注日期的引用文件,仅注日期的版本适用于本文件。
凡是不注日期的引用文件,其最新版本(包括所有的修改单)适用于本文件。
GB/T 191 包装储运图示标志GB/T 6543 运输包装用单瓦楞纸箱和双瓦楞纸箱GB 9685 食品容器、包装材料用添加剂使用卫生标准GB 4806.6 食品安全国家标准食品接触用塑料树脂GB 4806.7 食品安全国家标准食品接触用塑料材料及制品GB/T23887 食品包装容器及材料生产企业通用良好操作规范GB 31604.2 食品安全国家标准食品接触材料及其制品高锰酸钾消耗量的测定GB 31604.7 食品安全国家标准食品接触材料及其制品脱色试验GB 31604.8 食品安全国家标准食品接触材料及其制品总迁移量的测定GB 31604.9 食品安全国家标准食品接触材料及其制品食品模拟物中重金属的测定QB/T 1648 聚乙烯着色母料QB/T 2893 聚丙烯纤维用色母料3 分类按产品的结构分为上盖和下盖。
4 要求4.1 原辅材料要求4.1.1聚乙烯树脂应符合GB 4806.6的规定4.1.2聚丙烯树脂应符合GB 4806.6的规定4.1.3色母应符合QB/T 1648和QB/T 2893的规定。
4.2 感官要求4.2.1 外观要求外观要求应符合表1的要求。
表1 外观要求不得有异嗅4.3 瓶盖尺寸偏差瓶盖尺寸偏差应符合表2的要求表2 瓶盖尺寸偏差单位:毫米4.4 瓶盖质量偏差瓶盖质量偏差应符合表3的要求。
表3 瓶盖质量偏差单位:毫米4.5 卫生指标聚乙烯瓶盖和聚丙烯瓶盖应符合GB 4806.7规定。
食品接触用塑料瓶盖1范围本标准规定了食品接触用塑料瓶盖的定义、分类、要求、试验方法、检验规则和标志、包装、运输、贮存。
本标准适用于以聚乙烯或聚丙烯为主要原料,经注塑、热压等工艺成型再经组合或者不组合成型的非防伪的食品接触用塑料瓶盖(以下简称瓶盖)。
2规范性引用文件下列文件对于本标准的应用是必不可少的。
凡是注日期的引用文件,仅所注日期的版本适用于本标准。
凡是不注日期的引用文件,其最新版本(包括所有的修改单)适用于本标准。
GB/T 2828.1 抽样检验程序第1 部份:按接收质量限(AQL)检索的逐批检验抽样计划GB 4806.1 食品安全国家标准食品接触材料及制品通用安全要求GB 4806.6 食品安全国家标准食品接触用塑料树酯卫生标准GB 4806.7 食品安全国家标准食品接触用塑料材料及制品卫生标准GB/T 17876 包装容器塑料防盗瓶盖3定义塑料瓶盖:用聚乙烯或聚丙烯塑料制成,采用或者不彩用螺纹、过盈等方式与塑料、垫片组装或者不组合成型的瓶盖。
4要求4.1原料生产用原料应符合 GB 4806.6 的规定,禁止使用再生塑料为原料生产产品。
4.2外观外观应符合表 1 规定。
表1 外观4.3尺寸偏差尺寸偏差应符合表 2 的规定。
表2 尺寸偏差单位为毫米4.4物理机械性能物理机械性能应符合表 3 的规定。
表 3 物理机械性能4.5卫生指标卫生指标应符合 GB 4806.7 的规定。
5试验方法5.1外观按GB/T 17876 中6.1 的规定进行。
5.2尺寸极限偏差按GB/T 17876 中6.2 的规定进行。
5.3物理机械性能5.3.1热稳定性能按GB/T 17876 中6.4.2 的规定进行;将注满水并用瓶盖密封的塑料瓶放入(4±1)℃冷冻箱里,24h 后观察瓶盖是否爆裂或变形,倒置一分钟,观察密封处是否漏水、滴水。
5.3.2密封性能按GB/T 17876 中6.4.1 的规定进行;配套瓶口的塑料瓶,在瓶内注入水后正常封口并将瓶盖旋紧,横置于平面,4h 后检查,观察是否有泄漏。
塑料瓶执行标准
塑料瓶的执行标准通常有以下几种:
1. GB/T 11091-2005《塑料瓶容器通用技术条件》:该标准规定
了塑料瓶的分类、材料、规格、技术要求、试验方法等内容,适用于
各种塑料瓶容器的生产、检验和交货。
2. GB/T 10004-2008《塑料瓶密封性能试验方法》:该标准规定
了塑料瓶密封性能的试验方法,包括气密性、液体密封等试验。
3. GB/T 19145-2011《塑料瓶容器颈口和盖子的试验方法》:该
标准规定了塑料瓶颈口和盖子的试验方法,包括外观检查、尺寸测量、材料试验等内容。
除了以上标准,不同国家和地区还可能有自己的相关标准和规定,如美国的ASTM D 2911-1999《用于食品和食品包装塑料瓶的规范》和
欧洲的EN 15348:2007《塑料瓶和瓶盖 - 生产和检验规范》等。
在生
产和销售塑料瓶时,需要根据具体的标准和规定进行合规性检测和认证。
药用塑料盖本标准适用于以聚丙烯(PP)、聚乙烯(PE)为主要原料,采用注塑工艺成型的药用塑料盖。
本标准仅适用于药用塑料盖。
【外观】取本品适量,在自然光线明亮处,正视目测。
应具有均匀一致的色泽,不得有明显色差。
无残缺、毛刺、砂眼、气泡、凹陷、破裂,盖螺纹无拉伤,扣位完整,无油污和杂质点,盖沿无飞边。
【鉴别】(1)红外光谱取本品适量,敷于微热的溴化钾晶片上,照分光光度法(中华人们共和国药典2005年版二部附录ⅤC)测定,应与对照图谱基本一致。
密度(2)密度取本品2g,加水100mL,回流2小时,放冷,80干燥2小时后,精密称定(W a)。
再置适宜的溶剂(密度为d)中,精密称定(W s)。
按下式计算:WadWaWsHDPE的密度应为0.935~0.965(g/cm3)LDPE的密度应为0.910~0.935(g/cm3)PP的密度应为0.900~0.915(g/cm3)。
【密封性】(1)取本品适量,用测力扳手(扭力见表1)将瓶与盖旋紧,瓶口与瓶盖应配合适宜,不得滑牙。
(2)取本品适量,分别在瓶内装入适量玻璃珠,旋紧瓶盖(带有螺旋盖的试瓶,用测力扳手将瓶与盖旋紧,扭力见表1),置于带有抽气装置的容器中,用水浸没,抽真空至真空度为27kPa,维持2分钟,瓶内不得有进水或冒泡现象。
表1 瓶与盖的扭力【溶出物试验】溶出物试液的制备分别取本品平整部分内表面积600cm2(分割成长5cm,宽0.3的小片)三份置具塞锥形瓶中,加水适量,振摇洗涤小片,弃去水,重复操作一次。
在30℃~40℃干燥后,分别用水(70℃±2℃)、65%乙醇(70℃±2℃)、正已烷(58℃±2℃)200mL浸泡24小时后,取出放冷至室温,用同批试验用溶剂补充至原体积作为浸出液,以同批水、65%乙醇、正已烷为空白液。
溶液澄清度取水浸泡液20ml置纳氏比色管中,照澄清度检查法(中华人民共和国药典2000年版二部附录ⅨB)测定,溶液应澄清;如显浑浊,与2号浑浊标准液比较,不得更浓。
pet瓶检验标准
PET塑料瓶的检验标准包括外观、尺寸和物理性能等几个方面。
以下是一些具体的标准:
1. 外观检测:应无明显的划痕、毛刺、气泡、变形、开裂等现象,色泽均匀,无明显色差。
瓶口应平整,无破损,螺纹接口应严密,无渗漏。
2. 尺寸检测:长度、宽度、高度、厚度等尺寸应在规定的公差范围内。
3. 物理性能检测:包括抗拉强度、弯曲强度、冲击强度、热变形温度等,应符合相关标准要求。
4. 瓶壁厚度检测:应符合设计要求,瓶壁厚度应均匀。
5. 抗压性检测:PET塑料瓶应具有一定的抗压性能,以确保在存储和运输过程中不会变形或破裂。
6. 瓶盖开启疲劳检测:应能正常开启和关闭,无卡顿现象。
7. 耐热性检测:PET塑料瓶应具有一定的耐热性能,以确保在高温环境下不会变形或释放有害物质。
8. 透明度检测:应具有一定的透明度,使消费者能够清楚地看到瓶内的内容物。
9. 密封性能检测:应具有良好的密封性能,确保内容物不会泄漏。
10. 无毒性能检测:应符合相关国家和地区的法律法规要求,确保在使用过
程中不会对人体造成危害。
以上是PET塑料瓶检验标准的一些常见项目,具体标准可能会因地区和行业而有所不同。
聚⼄烯塑料瓶盖(⾷品安全企业标准)聚⼄烯塑料瓶盖(PE)1范围本标准规定了聚⼄烯塑料瓶盖的分类、要求、试验⽅法、检验规则、标志、包装、运输和贮存。
本标准适⽤于以聚⼄烯树脂为主要原料,添加或不添加⾊母,经注塑⼯艺成型的聚⼄烯塑料瓶盖,以下简称"瓶盖"。
2规范性引⽤⽂件下列⽂件对于本⽂件的应⽤是必不可少的。
凡是注⽇期的引⽤⽂件,仅注⽇期的版本适⽤于本⽂件。
凡是不注⽇期的引⽤⽂件,其最新版本(包括所有的修改单)适⽤于本⽂件。
GB/T191包装储运图⽰标志GB4806.6⾷品安全国家标准⾷品接触⽤塑料树脂GB4806.7⾷品安全国家标准⾷品接触⽤塑料材料及制品GB9685⾷品容器、包装材料⽤添加剂使⽤卫⽣标准GB/T17876包装容器塑料防盗瓶盖GB/T23887⾷品包装容器及材料⽣产企业通⽤良好操作规范GB31604.2⾷品安全国家标准⾷品接触材料及其制品⾼锰酸钾消耗量的测定GB31604.7⾷品安全国家标准⾷品接触材料及其制品脱⾊试验GB31604.8⾷品安全国家标准⾷品接触材料及其制品总迁移量的测定GB31604.9⾷品安全国家标准⾷品接触材料及其制品⾷品模拟物中重⾦属的测定QB/T1648聚⼄烯着⾊母料3分类按产品⽤途分为防盗圈式和⾮防盗圈式两种4要求4.1原材料4.1.1聚⼄烯树脂应符合GB4806.6规定的要求。
4.1.2⾊母粒应符合QB/T1648规定的要求。
4.2外观外观要求见表1表1外观要求项⽬要求瓶盖形状瓶盖⽆变形且呈圆形状,⽆明显⽑边。
瓶盖主体⽆孔、⽆裂缝。
表⾯表⾯光滑,⽆凹陷及抓痕。
⾊泽⾊泽均匀。
污染⽆⿊点,⽆锈迹,油污等外来附着物,⽆明显异味,内部应⼲燥,清洁⽆污染。
防盗圈防盗圈与盖⾝有连接桥相连,连接桥⽆破损。
螺纹⽆明显缺料、变形。
4.3尺⼨及质量偏差尺⼨及质量极限偏差应符合表2要求。
表2尺⼨及质量要求项⽬要求外形尺⼨极限偏差,mm±0.5内部尺⼨极限偏差,mm±0.4质量极限偏差,g±14.4物理机械性能4.4.1跌落性能:不爆裂、不脱盖、不漏液。
塑料瓶盖厂检验流程一、塑料瓶盖厂检验是个啥。
咱先来说说这个塑料瓶盖厂的检验啊,这可不是个简单事儿。
你想啊,那些塑料瓶盖可是要用到好多地方的,要是有问题,那可就麻烦大了。
比如说用在饮料瓶上,要是瓶盖不合格,饮料可能就漏了或者变质了,这可都是大事儿呢。
二、检验的人员都是谁呢。
在这个塑料瓶盖厂啊,有专门的检验人员。
这些人啊,就像是瓶盖的小卫士。
他们可能是在厂里干了好多年的老员工,对瓶盖那是相当熟悉了。
还有些可能是刚进厂的年轻人,充满了干劲儿。
不管是老的还是新的,他们都很重要。
老员工经验丰富,能一眼就看出一些常见的问题。
新员工呢,虽然经验少点儿,但是他们有新的想法,而且特别细心,也能发现不少问题呢。
三、检验的场地在哪里。
这检验场地也是有讲究的。
一般来说,在生产车间就有个初步的检验区域。
为啥在这儿呢?因为刚生产出来的瓶盖啊,马上就可以检查,要是有问题,能立刻调整生产设备啥的。
还有个专门的检验室,这个地方就更严格了。
在这儿,各种设备齐全,就像个瓶盖的医院一样。
那些需要进一步检查的瓶盖就会被送到这儿来。
四、具体的检验流程。
1. 外观检查。
咱先说这个外观,这可是最直观的。
检验人员会把瓶盖拿起来,左看看右看看。
看看有没有划痕啊,要是有划痕,那瓶盖看起来就不漂亮了,就像人的脸上有疤一样。
还有就是看看颜色均不均匀,要是有的地方颜色深,有的地方颜色浅,那肯定是有问题的。
另外,看看瓶盖的形状是不是规整,有没有变形的情况。
比如说圆形的瓶盖,要是变成椭圆了,那肯定是不合格的。
2. 尺寸测量。
这个尺寸也很重要呢。
每个瓶盖都有规定的大小,太大了盖不上瓶子,太小了又容易掉。
检验人员会用专门的工具来测量瓶盖的直径啊、高度啊这些。
他们可认真了,一点点的误差都不放过。
就像我们买衣服一样,尺寸不合适肯定不行啊。
3. 密封性检查。
这密封性可关系到瓶盖的大用途呢。
检验人员会模拟瓶盖盖在瓶子上的情况,然后看它能不能密封好。
有的时候会用一些特殊的设备,往瓶盖里打气或者抽水,看看有没有漏气或者漏水的情况。
塑料瓶盖检验标准
1 范围
本标准用作塑料瓶盖检验。
塑料瓶盖在使用前必须使用适当的仪器设备作出品质检查。
所有检查结果必须记录并出具检验报告。
工厂自用时不需要再次检验。
本标准自实施日起有关塑料瓶盖编号为21104、21107等品质规格单同时废止。
2 引用文件
GB/T17876-1999 包装容器 塑料防盗瓶盖 3 程序 3.1 抽取样品
生产工厂生产过程中每班全模抽检一次,检查外观、理化指标、防盗环物理性能。
产品以批为单位进行验收,同一规格同一生产线连续生产为一批。
进、出厂检验按表1抽样方案随机抽样。
(Ac 是接收数,Re 是拒收数)
表1: 瓶盖抽样方案表 合 格 质 量 水 平
项目
AQL=0.65 AQL=1.0 AQL=1.5 AQL=2.5 样本数 (个)
Ac Re
Ac Re Ac Re Ac Re 外观 200 7 8
耐低温性能 8
0 1
尺寸要求 0 1 密封性能 0 1
跌落性能 0 1 耐冲击性能
0 1
防盗环(条)物理性能 1 2
盖子重量 20
2 3
3.2 外观检查
在非阳光直射的自然光或日光灯下观察。
检查瓶盖色泽、外观、污染,记录所有瓶盖检查结果。
产品表面:成型饱满,结构完整,表面光滑无明显收缩、气泡、毛刺、缺损。
色泽:色泽与标样一致,均匀无明显色差。
污染:无黑点、无锈迹、油污等外来附着物,无明显异味。
防盗环(条):完整无缺陷,防盗环(条)与盖身有连接桥相连,连接桥无破坏,无桥外粘连。
3.3 理化指标
3.3.1重量
用精度为0.01g天平称量,具体标准见瓶盖图。
3.3.2尺寸
用精度为0.02mm的量具检验,具体尺寸见瓶盖图。
3.3.3密封性能
采用旋盖工具或上机旋盖,将瓶盖旋到位,用气密性仪检测瓶盖气密性。
高酸产品、水≥36psi,低酸产品≥100psi,保压1分钟不漏气、不脱盖。
3.3.4耐低温性能
瓶子中注入水后用盖密封,在(4±1)℃冷冻箱时侧向24h后,倒置,观察瓶盖是否爆裂,是否变形,密封处是否漏液。
3.3.5跌落性能
瓶子中注入水后用盖密封,在(4±1)℃和常温各放置24h后,在1.5m高度处,头朝下垂直和水平侧向向混凝土地面各自由跌落一次,观察瓶盖是否爆裂和密封处是漏液。
3.3.6防盗环物理性能
封盖后盖身及防盗环不变形、不断裂;开启后连接桥应有明显破坏。
开启和扭断力矩:Ⅰ果汁、茶11-16lbf.in Ⅱ水 8-14lbf.in
3.4 微生物指标
取样数量:每批随机抽取20个盖子;10个测细菌总数,10个测霉酵。
检测方法:10个盖子浸入200ml无菌水,充分振荡后,一次性进行0.45µm膜过滤。
检测标准:细菌总数:<5CFU/10个盖,霉酵:<5CFU/10个盖。
4 贮存运输
外为纸箱,内衬塑料膜并扎口,纸箱用胶带上下粘合;隔墙离地,存于干燥、通风的库房内;轻装轻卸,禁止与其它污染物混运;产品包装上贴有标识卡,注明生产日期、班次、产品名称、操作工姓名。
5 检查及判定
决定接受或拒收,可根据表1的AQL质量水平作出判断。
附图2 33#瓶盖图。