等电位联接检验批质量验收记录
- 格式:xls
- 大小:43.00 KB
- 文档页数:1
建筑物等电位连接子分部工程检验批质量验收记录一、项目名称:建筑物等电位连接子分部工程二、项目委托单位:XXX建设公司三、施工单位:XXX建筑装饰有限公司四、质量验收日期:XXXX年XX月XX日五、检验批总数目:共计XX批次六、工程概况:七、施工情况:1.施工过程中,施工单位按照相关设计文件和施工规范进行施工。
2.施工人员严格按照施工方案操作,确保施工质量。
3.施工单位根据工程进度,合理安排施工资源,保证工程按时完成。
八、质量验收内容:1.等电位连接子的埋设2.等电位连接子的连接3.等电位连接子的接地九、质量验收结果:经过抽查和实地检查,本次质量验收工作主要针对以上三项内容进行了认真检查。
检查结果如下:1.等电位连接子的埋设:施工单位按照相关规范要求进行了等电位连接子的埋设工作。
连接子的埋设深度符合设计要求,连接子之间的间距均匀,连接子与建筑物的接触部位紧密,无松动现象。
2.等电位连接子的连接:施工单位按照相关规范要求进行了等电位连接子的连接工作。
连接子之间采用可靠的连接方式,连接紧固,无虚焊现象。
3.等电位连接子的接地:施工单位按照相关规范要求进行了等电位连接子的接地工作。
接地电阻符合设计要求,接地材料采用耐腐蚀、导电性能良好的材料。
综上所述,本次工程的质量验收合格,符合相关规范和设计要求。
十、存在的问题和整改措施:经过本次质量验收,存在以下问题:1.部分等电位连接子的埋设深度不均匀:整改措施是对不符合要求的连接子进行重新埋设。
2.部分等电位连接子的连接紧固度不够:整改措施是对不符合要求的连接子进行重新连接。
3.部分等电位连接子的接地电阻不符合设计要求:整改措施是对不符合要求的接地连接点进行重新处理。
十一、工程质量验收结论:经过质量抽查和实地检查,本次建筑物等电位连接子分部工程的质量验收结果为合格。
施工单位按照相关规范和设计要求进行施工,工程质量符合要求。
存在的问题已提出整改措施并得到施工单位的认可。
建筑物等电位联结安装检验批质量验收记录概述根据《建筑电气安全规范》,建筑物内的金属构件应当采用等电位联结,以确保电气安全。
为保证等电位联结安装质量,在施工过程中需要进行检验批质量验收,并按照规定记录全部过程,实现全过程的跟踪和监督管理。
本文档记录了建筑物内等电位联结安装检验批质量验收的全部过程,以供工程管理人员和相关人员参考。
安装检验批质量验收记录一、检验批信息•检验批名称:建筑物内等电位联结安装•检验批编号:EQLJ-20211201•检验日期:2021年12月1日•检验地点:建筑物内二、检验项目1.安装箱式电气接线盒及其他电气元器件是否合格2.接线是否牢固可靠3.等电位联结导线截面是否符合要求4.等电位联结点是否牢固可靠5.等电位联结接地单元与接地体之间的接触电阻是否符合要求三、检验过程1.安装箱式电气接线盒及其他电气元器件时,检验人员对其进行抽样检查,发现存在以下问题:–有电气接线盒连接不牢固的现象;–其他电气元器件存在生锈、变形等质量问题。
现场要求施工方对问题进行整改,并进行复检。
2.检验人员对等电位联结导线进行了质量检查,发现存在以下问题:–部分导线的截面积小于规定要求;–部分导线连接方式不规范造成接点不牢固。
现场要求施工方更换截面积小的导线,并进行连接和牢固度的复检。
3.等电位联结点的安装检验,发现存在以下问题:–部分等电位联结点的接线不紧密;–部分等电位联结点焊接点出现缺陷。
现场要求施工方对问题进行整改,并进行复检。
4.建筑物内等电位联结点连接接地单元,检验人员进行了接触电阻测试,测试结果符合要求。
四、检验本次等电位联结安装检验批质量验收,存在不合格项,但施工方及时进行整改,并进行了复检。
经过检验人员的复检,现场所有检测项目均符合要求,合格合格率100%。
五、检验人员签字•检验人员:XXX•检验日期:2021年12月1日•签字:___________________•施工方代表签字:___________________本文档为建筑物内等电位联结安装检验批质量验收的记录,全程跟踪和监管了安装质量,确保了电气设备的安全。
等电位联接检验批质量验收记录注:本表内容的填写需依据《现场验收检验批检查原始记录》。
本检验批质量验收的规范依据见本页背面。
填写说明一、填写依据1 《智能建筑工程施工规范》GB50606-2010。
2 《建筑电气工程质量验收规范》GB50303-2002。
3 《建筑工程施工质量验收统一标准》GB50300-2013。
二、检验批划分防雷及接地装置安装工程中分项工程检验批,人工接地装置和利用建筑物基础钢筋的接地体各为一个检验批,大型基础可按区块划分成若干个检验批;避雷引下线安装六层以下的建筑为一个检验批,高层建筑依均压环设置间隔的层数为一个检验批;接闪器安装同一屋面为一个检验批。
三、GB50606-2010规范摘要3.5.1 材料、器具、设备进场质量检测应符合下列规定:1 需要进行质量检查的产品应包括智能建筑工程各子系统中使用的材料、硬件设备、软件产品和工程中应用的各种系统接口;列入中华人民共和国实施强制性产品认证的产品目录或实施生产许可证和上网许可证管理的产品应进行产品质量检查,未列入的产品也应按规定程序通过产品质量检测后方可使用。
2 材料及主要设备的检测应符合下列规定:1)按照合同文件和工程设计文件进行的进场验收,应有书面记录和参加人签字,并应经监理工程师或建设单位验收人员确认;2)应对材料、设备的外观、规格、型号、数量及产地等进行检查复核;3)主要设备、材料应有生产厂家的质量合格证明文件及性能的检测报告。
3 设备及材料的质量检查应包括安全性、可靠性及电磁兼容性等项目,并应由生产厂家出具相应检测报告。
16.1.3 等电位联结安装除应执行国家标准《建筑物电子信息系统防雷技术规范》GB50343-2012第6.4节和《建筑电气工程施工质量验收规范》GB50303-2002第27章的规定外,尚应符合下列规定:1 建筑物总等电位联结端子板接地线应从接地装置直接引入,各区域的总等电位联结装置应相互连通。
2 应在接地装置两处引连接导体与室内总等电位接地端子板相连接,接地装置与室内总等电位连接带的连接导体截面积,铜质接地线不应小于50m㎡,钢质接地线不应小于80m㎡。
1全
数
/2
1/
11/
2
全
数
/施工单位项目负责人
专业监理工程师:
年 月 日
主控项目
一般项目
施工单位 检查结果 监理单位 验收结论
抽样检查,主控项目和一般项目均符
合要求
专业工长:
项目专业质量检查员:
年 月 日
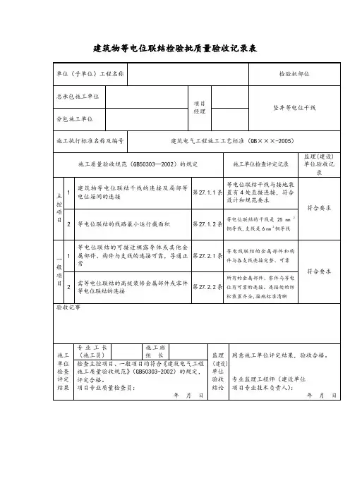
卫生间内金属部件或零件的外界可导电部分与等电位连接导体的连接及标识第25.2.1条等电位联结导体在地下暗敷时,导体间的连接方式
第25.2.2条
建筑物等电位联结的范围、形式
、方法、部件及联结导体的材料和截面积第25.1.1条
需做等电位联结的外露可导电部分或外界可导电部分的连接
第25.1.2条施工依据《建筑电气工程施工质量验收规范》GB50303-2015
验收依据
《建筑电气工程施工质量验收规
范》GB50303-2015
验收项目
设计要求及规范规定最小/实际 抽样数量
检查记录检查结果
分包单位
分包单位 项目负责人
检验批部位
检验批
容量建筑物等电位联结检验批质量验收记录
GD-C5-71253
单位(子单位)工程名称
分部(子分部)工程名称建筑电气/防雷及接地分项工程名称建筑物等电位联结。
建筑物等电位联结安装检验质量验收记录一、项目概述建筑物等电位联结是一种电气设备,用于确保建筑物的不同部分具有相同的电位,以减少电流通过建筑物造成的电损失和火灾风险。
本文档记录了建筑物等电位联结的安装检验工作、质量验收步骤和结果。
二、安装检验1. 施工单位:记录建筑物等电位联结安装工作的施工单位。
2. 施工人员:记录参与建筑物等电位联结安装工作的施工人员姓名和资质。
3. 设备信息:记录建筑物等电位联结设备的品牌、型号、数量和规格。
4. 安装步骤:详细描述建筑物等电位联结的安装步骤,包括穿管、接线、固定等。
5. 安装质量检验:对建筑物等电位联结的安装质量进行检验,包括检查连接是否牢固、接线是否正确、设备是否有损坏等。
6. 安装检验结果:记录建筑物等电位联结的安装检验结果,如合格、不合格等。
三、质量验收1. 验收单位:记录对建筑物等电位联结安装质量进行验收的单位。
2. 验收人员:记录参与建筑物等电位联结安装质量验收的验收人员姓名和资质。
3. 验收依据:记录进行建筑物等电位联结安装质量验收的依据,如相关地方法规、标准等。
4. 验收步骤:详细描述建筑物等电位联结的质量验收步骤,包括检查安装完整性、测量电位等。
5. 验收结果:记录建筑物等电位联结的质量验收结果,如合格、不合格等,并说明不合格原因。
6. 处理措施:对于不合格的建筑物等电位联结,记录采取的处理措施,如整改、更换等。
四、总结经过建筑物等电位联结的安装检验和质量验收,可以确保建筑物不同部分具有相同的电位,减少电损失和火灾风险。
本文档详细记录了建筑物等电位联结的安装检验质量验收过程,为下一步工作提供了参考和依据。
以上是《建筑物等电位联结安装检验质量验收记录》的内容,根据实际情况进行填写和修改。
正确记录和评估建筑物等电位联结的安装质量,以确保建筑物的安全和可靠运行。
建筑物等电位联络工程查验批质量查收记录
工程名称
施工单位
分包单位
施工设计要求及规范规定依照质量查收规范的规定分项工程名称
项目负责人
项目负责人
施工单位检查评定记录
查收部位
查验批容量
最小 / 实质抽样数目
监理(建设)单位查收记录
1.等电位联络干线应从与接地装
主
置有许多于 2 处直接连结的接
地进线或总等电位箱引出,连线
控
间应不串连连结
项
目 2. 等电位联络的线路最
条
小同意截面
1.等电位联络的靠谱近裸露导体或
其余金属零件、构件与支线连策
应靠谱,熔焊、钎焊或机械紧
一
固应导通正常
般
项
2. 需等电位联络的高级装饰金属零件
或零件,应有专用连线螺栓
目
与等电位联络支线连结,且有标
识;连结处螺帽紧固,防松零件
齐备
共实测点,此中合格点、不合格点,合格点率%
施工单位检查
评定结果
项目专业质量检查员:项目专业质量(技术)负责人:年月日
监理(建设)单位
查收结论
监理工程师(建设单位项目技术负责人):年月日注:本表由施工项目专业质量检查员填写,监理工程师(建设单位项目技术负责人)组织项目专业质量(技术)负责人
等进行查收。
等电位联接检验批质量验收记录一、验收目的等电位联接是一种常见的电气连接方式,用于确保电气设备的正常运行和安全性。
本文档旨在记录等电位联接检验批的质量验收过程,以确保连接的正确性和可靠性。
二、验收范围本文档适用于对等电位联接线路、设备及相关连接材料的质量验收。
三、验收标准1. 所有的等电位联接线路、设备及连接材料必须符合国家相关标准以及工程设计要求;2. 等电位联接系统的连接点必须牢固可靠,接触电阻小于规定值;3. 等电位联接系统的导线及连接材料应符合绝缘、耐热、耐腐蚀等相关要求;4. 等电位联接系统的标识必须清晰、准确,易于识别和维护。
四、验收内容及方法1. 线路连接a. 线路连接应按照设计图纸要求进行,包括线缆选择、剥端、焊接或压接等过程;b. 使用万用表测量连接点间的接触电阻,记录并与规定值进行对比。
2. 连接材料a. 检查连接材料的型号、规格、数量是否与设计要求一致;b. 检查连线金属材料的绝缘层是否完好,无损伤或老化现象;c. 检查连接材料焊接或压接的牢固性,无松动、脱落现象。
3. 标识a. 检查等电位联接系统的标识是否清晰、准确;b. 检查标识是否易于识别和维护;c. 确认标识的材料和固定方式符合相关要求。
五、验收记录在验收过程中,根据具体情况,填写以下内容:1. 项目名称、验收日期、验收人员;2. 验收范围;3. 验收标准;4. 验收结果:合格或不合格;5. 不合格项的具体描述和整改要求;6. 监理工程师的签字。
六、验收结论根据以上验收记录,结合实际情况,判断等电位联接检验批的质量验收结果。
如全部合格,则验收结果为合格;如有不合格项,应进行整改后重新验收。
七、验收注意事项1. 验收前,应确保被连接设备已经通电,并做好相应的安全措施;2. 验收时,应由专业人员进行,保证操作准确无误;3. 如有不明确之处或问题,应及时与设计方或验收方进行沟通和解决。
以上就是等电位联接检验批质量验收记录的内容,通过对等电位联接线路、设备及连接材料的质量验收,可以保证设备的正常运行和安全性。