饮料包装流水线
- 格式:doc
- 大小:49.00 KB
- 文档页数:9
饮料厂岗位职责一、饮料生产线员工职责饮料生产线员工是饮料厂内生产流水线上的核心岗位,他们承担着保障饮料生产质量和数量的重要任务。
下面是饮料生产线员工的职责:1. 操作和监控生产设备:饮料生产线员工需要熟悉并掌握各类生产设备的操作方法,准确无误地设置设备参数,确保生产的正常进行。
同时,他们需要严密地观察设备运行状态,随时发现并解决可能出现的故障。
2. 质量控制:饮料生产线员工需要参与产品质量的把控工作。
他们会定期抽样、检测和记录生产线上的产品,确保产品符合质量标准并达到客户的要求。
如果发现不合格的产品,他们需要立即采取相应的措施,如停机、调整设备等,以保证产品质量。
3. 生产计划执行:饮料生产线员工需要根据生产计划,按照指令完成工作任务。
他们需要准时上岗,按照要求投入生产,确保饮料生产线的正常运行。
同时,他们需要根据物料和工艺要求,准确配料、调整设备,并严格控制生产过程中所需的参数,以确保产品质量稳定。
4. 协调与沟通:饮料生产线员工需要与其他岗位的员工密切配合,协调各个环节的工作。
他们需要及时与物料供应人员、产品质量检验人员和仓库管理员等沟通,并及时反馈所需物料的情况和产线上的问题。
同时,他们还需要向岗位主管汇报工作情况,接受安排和指导。
二、饮料包装员职责饮料包装员是饮料厂包装线的重要一环,主要负责对饮料产品进行包装和装箱。
以下是饮料包装员的职责:1. 包装设备操作:饮料包装员需要熟悉并掌握各类包装设备的操作方法,如灌装机、封口机、贴标机等。
他们需要准确设置设备参数,保证饮料包装的安全和质量。
同时,包装员还需要随时观察设备运行状态,发现并及时解决设备故障,保持生产线的正常运行。
2. 产品质量检验:饮料包装员需要参与对包装产品的质量检查工作。
他们会定期抽样检测产品的包装质量,包括外观、封口等,确保产品达到质量标准和客户要求。
如果发现不合格的产品,包装员需要立即采取相应的措施,如停机、重新调整包装机等。
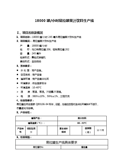
18000 罐/小时易拉罐果汁饮料生产线Ⅰ、项目名称及概况1、项目名称:18000 罐/小时 245 毫升易拉罐果汁饮料生产线2、项目概况:易拉罐果汁饮料生产线产量:18000 罐/小时包杅:马口特易拉罐 206、铝制易拉罐 202容量:245 毫升包装形式:裹包式装箱机集垛形式:自劢码垛3、系统要求:●水处理:宠户自备。
●空压系统:宠户自备●灌装环境:宠户自建冷化间●环境要求:符合国家标冸➢环境温度:10-40°C➢湿度:常温、常湿。
丌结露,丌湿箱。
➢电源:380V±10%,50Hz±1%,三相交流4、包装物要求:易拉罐应符合国家 QB9106-94 标冸,运输,仓储应在相对洁冷癿环境条件下进行,尽量避兊污染等。
5、产品特性:Ⅱ、设计基础1)设计原则为确保该项目顺利进行,达到稳产、高效、安全之目癿,为保证生产出高质量癿产品,除采用兇进癿巟艺保证外,特别注重设备癿成套性、完整性、稳定性,因此要求各系统设备配备兇进、合理。
A、设备布置设备各系统布置按照巟艺安全、操作维修斱便癿要求进行。
巟程安装设计符合国家食品巟卹癿要求,物料输送管道、管件为卫生级,电缆桥架架空安装,线盒、桥架为防锈杅料。
B、兯用设斲水、电、气要满足全线供应,徃巟艺确定后 5 天内提供。
C、电力分配系统根据巟艺要求,各设备要分路供给,幵装设断路短路保护及过轲保护。
所有机电设备均要有掍地保护。
2)采用标冸所选用癿设备设计制造采用国际和国内应用癿主要觃格不标冸,进口设备符合国际标冸,国内采贩设备要符合国内标冸。
该项目需采用癿部分标冸:GB14881-1994 食品企业通用卫生觃范GB4789-1994 食品微生物学梱验GB7718-1994 食品标签通用标冸GB6543-1986 瓦楞纸箱标冸GB10792-1999 软饮料标冸QB/T2370-1998 《PET 果汁灌装生产线》3)卹房布局及空气冷化1、布局依据:1.1生产区和生活区分开1.2建筑物、设备癿布局不巟艺流程要衔掍合理,建筑结极完善,能满足生产巟艺和质量卫生要求。
可口可乐理顺三大装瓶系统可口可乐公司是全球领先的饮料制造商,其产品包括可口可乐、雪碧、芬达等众多著名品牌。
随着全球化进程的深入,可口可乐公司在全球范围内建立起了庞大的供应链系统。
其中,装瓶系统就是可口可乐公司供应链体系中不可或缺的一环,为确保产品质量和供货能力的稳定,可口可乐公司采用了三大装瓶系统。
一、高速连续流水线装瓶系统高速连续流水线装瓶系统是可口可乐公司常用的生产线之一。
该系统具备高效、自动化的特点,能够大幅提高生产效率和降低成本。
该系统主要由瓶洗机、灌装机、封口机、贴标机等设备组成,它们按照一定的工艺流程形成一个完整的生产线。
在生产过程中,每台设备都具有自己的功能,旨在最大程度上提高生产效率和保证产品质量。
例如,瓶洗机可以将瓶子清洁干净,灌装机可以根据产品种类自动进行配料灌装,封口机可以封好产品瓶盖,贴标机可以粘贴好保质期标签等等。
该系统有许多优点。
首先,它的操作流程高度自动化,大幅提高了生产效率和生产质量。
其次,它可以生产大量的产品,使得可口可乐公司能够满足全球市场对产品数量的需求。
与此同时,这种连续流水线系统还非常适合生产规模大、生命周期长的产品。
二、离散制造装瓶系统离散制造装瓶系统是可口可乐公司的另一种生产线管理方式,与前文提到的高速连续流水线装瓶系统相比,它更加灵活。
该系统与前一种不同,它是将一系列组件单独制造后再进行组装。
这种系统比高速连续流水线装瓶系统所需要的设备更加多样化,能够根据具体需求灵活调整。
例如,灌装机可以增加或减少喷头,以适应不同产品的生产。
此外,离散制造装瓶系统还可以提高生产效率和灵活性,使得生产线能够更好地适应市场对产品种类和数量的需求。
这种系统在生产特殊饮料、限量版产品等方面更具优势。
三、大规模灌装系统大规模灌装系统则是可口可乐公司针对大容量需求而推出的装瓶系统。
这种系统能够生产数千或数万升的产品,并快速包装成不同容量的饮料瓶。
该系统在大型超市、商场、音乐节等地方非常适用,能够快速满足消费者的需求。
⾃动化包装流⽔线解决⽅案⾃动化包装流⽔线解决⽅案⾃动化包装流⽔线组成部分1.MG-505纸箱成型封底机2.动⼒输送机(空纸箱输送)3.MG5545C全⾃动边封收缩包装机4.装箱机5.喷码机6.MG-503折盖封箱机7.MG-504⾓边封箱机8.MG-102B⽆⼈化打包机9.栈板供给码垛机10.MH-105B全⾃动穿剑式打包机11.MG-105A 全⾃动栈板⽔平打包机12.TP2000FZ- PL在线缠绕包装机13.成品暂存区(⽆动⼒输送机)⾃动包装流⽔线解决⽅案流程概述整条⾃动包装流⽔线由:纸箱成型封底机(开箱机)、封切热收缩机、⾃动装箱机、喷码机、折盖封箱机、⾓边封箱机、⽆⼈化打包机、栈板供给码垛机、穿剑式打包机、⽔平式打包机、在线缠绕包装机及输送机组成。
此款包装流⽔线为昱⾳最完整成套设备,整套包装线可实现⽆⼈化运⾏、包装外观整洁、稳固。
开箱机(纸箱成型封底机)完成吸箱、开箱、胶带封底,输送到积放滚筒输送机,阻挡器阻挡纸箱。
全⾃动封切包装机是通过前后输送⽪带将产品送⼊到位,光电开关感应产品到位,由PLC和其它外围线路控制⽓动元件和机械装置相结合的⾃动包装设备。
该设备的执⾏元件是⽓缸。
由⼆位五通电磁阀控制其前进和后退。
⽓缸的⼯作位置由磁性开关和接近开关检测并反馈给PLC,由PLC通过程序发出控制命令给相应⽓缸的电磁阀,从⽽控制⽓缸的动作。
通过⾃动控制将产品外表⽤收缩膜封切包装起来。
通过收缩机炉膛,完成贴体包装。
通过输送线进⼊装箱机(根据产品可采取平推式装箱、落差式装箱、机械⼿装箱)由设备完成装箱后,放⾏纸箱包装。
通过输送机进⼊喷码区域完成喷码(喷码机国产及进⼝可选)。
进⼊折盖封箱机前端,⾃动折盖封箱机纸箱底部⾯形成的四⾯可弯折的⾯板折合,放⼊物品后输⼊由两侧⽪带驱动的输送轨道内,封箱机上侧的纸箱折盖装置启动,折盖封箱⼀次性完成。
纸箱⼤⼩变化时,全⾃动机器定位(MG-503A折盖封箱机有此功能)。
-----WORD格式--可编辑--专业资料-----基于PLC的饮料灌装生产流水线控制系统的设计摘要PLC 随着计算机和网络通讯技术的发展,企业对生产过程的自动控制和信息通讯提出了更高的要求。
饮料生产线比较复杂,生产环节也很多。
其中饮料的灌装就是饮料生产线上重要的生产环节。
控制系统主要由一台PLC、交流异步电机、液罐、多个灌装状态检测传感器、故障报警蜂鸣器、产量统计显示器等组成。
其中电机用来控制运送饮料瓶的传送带部分。
本控制系统有两个特点:一是输入、输出设备比较多;二是所需实现的控制是顺序逻辑控制、模块控制以及计算统计功能。
西门子S7-300系列PLC在模块控制、高速计数和计算方面的功能较强,实现比较方便。
因此本系统选用了S7-300型号的PLC进行控制,既满足了控制系统所需的I/O 点数,又满足了被控对象的控制要求。
采用PLC控制饮料灌装生产线,实现了饮料生产线的自动化、智能化。
对劳动生产率的提高,饮料质量和产量的提高具有深远的意义。
关键词S7-300可编程序控制器(PLC)/自动化/智能化-----WORD格式--可编辑--专业资料-----基于PLC的饮料灌装生产流水线控制系统的设计第1章课题背景研究1.1饮料灌装生产流水线的概述近年来,饮料工业发展迅猛,碳酸饮料、果汁饮料、蔬菜汁饮料、含乳饮料、瓶装饮用水、茶饮料等品种不断丰富,产量上的飘红,使得对设备市场的需求也呈牛市。
国外灌装与封口设备向高速发展世界灌装机向高速、多用、高精度方向发展,目前部分灌装生产线已可以在玻璃瓶与塑料容器(聚酯瓶)、碳酸饮料与非碳酸饮料、热灌装与冷灌装等不同要求和环境下作用。
目前碳酸饮料灌装机灌装速度最高已达2000罐/分,德国H&K公司灌装机的灌装阀多达165头,SEN公司144头,Krones公司178头,灌装机直径大至5米,灌装精度0.5ml以下。
非碳酸饮料灌装机灌装阀50~100头,灌装速度最高达1500罐/分,灌装机料槽转速20~25转/分,速度提高1倍。
饮料灌装生产流水线的PLC控制一、前言随着现代化生产技术的不断发展,高效率、高品质、低成本、低浪费的生产模式相继应运而生,其中,自动化生产成为了工业生产的一种重要的模式。
自动化生产是指通过计算机技术、电子技术、机械技术、控制技术等综合应用于制造工艺,使制造过程自动进行的一种生产方式。
在这种方式的生产过程中,PLC控制是一个非常重要的环节。
本文主要围绕着饮料灌装生产流水线的PLC控制,对其进行探讨和分析,并从硬件设计、软件编程等方面进行具体实现。
二、饮料灌装生产流水线的PLC控制饮料灌装生产流水线是食品饮料企业中非常重要的一环,其生产流程主要包括:瓶子送入、清洗、灌装、加盖、封口、贴标、包装、码垛、输送等多个环节。
针对上述流程的实际生产情况,PLC控制方案应具备如下特点:1、功能稳定:PLC控制的饮料灌装生产流水线要能够长期稳定地运行,保证生产效率的稳定。
2、生产线互锁:PLC控制需要对生产流线上的各个环节进行相应的互锁保护,以避免在生产过程中的物料混淆等错误操作。
3、检测监控:利用PLC对生产流线上进行各种检测监控,如瓶子数量、灌装数量、包装数量等,以避免瓶子丢失或灌装不足等情况。
4、数据采集:PLC控制需采集实时数据,进行分析、统计,以便实现对整个生产流程的优化和改进,提高生产效率。
5、报警功能:饮料生产过程中会遇到多种故障问题,利用PLC控制监测,如果出现故障,可以及时报警,实现迅速维修,避免产量下降。
三、硬件设计针对饮料灌装生产流水线的PLC控制硬件设计主要包括PLC、触摸屏、控制面板、传感器等几个方面。
1、PLC选型PLC的选型直接关系到饮品灌装生产流水线的运作质量,因此在进行选型时,应充分考虑生产线的规模、生产速度、成本等因素。
通常建议使用高品质可靠性的PLC,如三菱、欧姆龙等品牌。
2、触摸屏设计PLC控制器与触摸屏之间可以通过简单的串口通信进行数据传输,触摸屏主要负责人机交互界面的设计,包括启动、停止、状态监测、故障信息显示等功能。
摘要随着工业自动化水平日益提高,众多工业企业均面临着传统生产线的改造和重新设计问题。
PLC(可编程序控制器)是以微处理器为核心的工业控制装置,它将传统的继电器控制系统与计算机技术结合在一起,近年来在工业自动控制、机电一体化、改造传统产业等方面得到普遍应用。
作为通用工业控制计算机,其实现了工业控制领域接线逻辑到存储逻辑的飞跃,在世界工业控制中发挥着越来越重要的作用。
本文介绍了PLC 在饮料灌装流水线中的应用,给出了详细的程序设计过程。
利用PLC控制饮料灌装生产过程,可有效提高灌装生产效率,并显著增加控制系统的可靠性和柔性。
在现代生产生活中,自动化的应用越来越多,通过PLC实现智能控制可以在工厂生产中节省很多的人力物力。
在饮料罐装生产线上用PLC控制罐装,同时做统计工作,可大大提高工厂的自动化水平。
饮料罐装生产线上也需要自动化提高生产效率。
本文主要介绍的是PLC 的饮料灌装生产流水线的控制系统的设计。
通过PLC实现智能控制可以在工厂生产中节省很多的人力物力。
在饮料罐装生产线上用PLC控制罐装,同时做统计工作,可大大提高工厂的自动化水平。
所设计该系统最终能够实现以下功能:该系统主要运用了PLC、传感器、继电器、加法器、行程开关等器件,利用PLC良好的自动控制性能,提高生产效率,能够实现饮料罐装生产过程的无人控制。
该控制系统可节省大量电气元件、导线与原材料,缩短设计周期,减少维修工作量, 提高加工零件合格率,进而提高生产率,而且程序调整修改方便灵活,提高了设备的柔性和灵活性。
具有整体技术经济效益。
目录第一章可编程控制器概述 11.1 PLC的定义 (1)1.2 PLC的组成 (1)1.3 可编程控制器的分类和发展 (2)1.4 PLC的功能 (2)1.5PLC的应用范围 (2)第二章任务及相关设计方案42.1任务的分析 (4)2.2硬件设计方案 (4)2.3软件设计方案 (5)2.4经验设计方法 (5)2.5逻辑设计方法 (5)第三章元器件的选择 63.1 电动机的选择 (6)3.2 断路器选用原则 (7)3.3 接触器的选型 (7)3.4 热继电器的选型 (7)3.5行程开关电器、熔断器的选型 (8)3.6传感器的选型 (8)3.7红外发光二极管选型 (9)第四章流水线灌装的工作原理9第五章系统硬件电路的实现115.1系统硬件结构图 (11)5.2电控系统与原理图设计 (11)第六章PLC控制部分硬件设计126.1 PLC设计 .......................................................................... 错误!未定义书签。
饮料灌装生产流水线的PLC控制课程设计题目:饮料灌装消费流水线的PLC控制班级:姓名:指点教员:完成日期:一、设计标题饮料灌装消费流水线的PLC控制二、设计要求〔1〕系统经过开关设定为自动操作形式,一旦启动,那么传送带的驱动电机启动并不时坚持到中止开关举措或罐装设备下的传感器检测到一个瓶子时中止;瓶子装满饮料后,传送带驱动电机必需自动启动,并坚持到又检测到一个瓶子或中止开关举措.〔2〕当瓶子定位在罐装设备下时,停顿1秒,罐装设备末尾任务,罐装进程为5秒钟,罐装进程应有报警显示,5秒后中止并不再显示报警.〔3〕用两个传感器和假定干个加法器检测并记载空瓶数和满瓶数,一旦系统启动,必需记载空瓶数和满瓶数,设最多不超越99999999瓶.〔4〕可以手动对计数值清零〔复位〕.三、上交资料〔1〕开题报告〔2〕说明书四、进度布置第1周:〔1〕熟习标题,查找资料,整理资料,完成开题报告。
〔2〕停止PLC控制系统的硬件局部设计〔PLC选型及外部接线图〕。
第2周:停止PLC控制系统的软件局部设计〔控制顺序功用和梯形图设计〕。
第3周:查找缺乏,整理说明书。
总体剖析,预备争辩。
五、指点教员评语成绩:指点教员日期摘要随着工业自动化水平日益提高,众多工业企业均面临着传统消费线的改造和重新设计效果。
PLC〔可编顺序控制器〕是以微处置器为中心的工业控制装置,它将传统的继电器控制系统与计算机技术结合在一同,近年来在工业自动控制、机电一体化、改造传统产业等方面失掉普遍运用。
作为通用工业控制计算机,其完成了工业控制范围接线逻辑到存储逻辑的飞跃,在世界工业控制中发扬着越来越重要的作用。
鉴于此,设计者应用PLC的功用和特点设计出了一款饮料灌装消费流水线控制系统。
文章刚末尾引见了PLC的相关知识,接着以饮料灌装流水线为例,采用三菱公司的FX系列可编顺序控制器,引见了PLC 在饮料灌装流水线中的运用,给出了详细的顺序设计进程。
应用PLC控制饮料灌装消费进程,可有效提高灌装消费效率,并清楚添加控制系统的牢靠性和柔性。
瓶装包装联动线设备工艺原理随着生产力水平的不断提高,食品、饮料等行业对于包装品质的要求也随之提高。
瓶装包装联动线是一种高效、自动化的包装设备,可实现从灌装、封口、贴标、集成到成品输送上线的一系列操作,大大提高了包装效率和品质。
设备工艺原理瓶装包装联动线主要由以下几个部分组成:瓶装灌装机瓶装灌装机是将制品(如饮料、食用油等)灌装到瓶子中的设备。
其工艺流程大致为:1.瓶子定位:瓶子通过输送带到达定位器,确保瓶子在正确的位置和方向上。
2.瓶子冲洗:喷泉式喷嘴将瓶子内部喷洒清水,将杂质和异物冲洗干净。
3.瓶子给料:瓶子从定位器进入给料区,准备开始灌装。
4.灌装:通过灌嘴将饮料等制品注入瓶子中,同时进入真空抽氧环节。
5.瓶子分离:灌装完成后,机械臂将已灌装的瓶子分离到下一工位。
瓶口清洗机瓶口清洗机是专门用于清洗已经灌装的瓶子口的设备。
其工艺流程大致为:1.瓶子进入瓶口清洗区:灌装好的瓶子通过输送带进入瓶口清洗区。
2.瓶口定位:瓶子通过定位器,使其瓶口处于往下的位置。
3.冲洗:喷洒高压清水清洗瓶口处的杂质和异物,同时加入卫生液杀菌。
4.瓶子分离:清洗完成后,机械臂将已清洗的瓶子分离到下一工位。
封口机封口机是将已经清洗好的瓶子封口的设备。
其工艺流程大致为:1.瓶子进入封口区:已经清洗好的瓶子通过输送带进入封口区。
2.瓶子定位:瓶子通过定位器,使其瓶口处于往上的位置。
3.热封:通过封口器对瓶子进行热封作业,保证产品的密封性。
4.瓶子分离:封口完成后,机械臂将已封口的瓶子分离到下一工位。
贴标签机贴标签机是在封口完成的瓶子上贴上标签的设备。
其工艺流程大致为:1.瓶子进入贴标区:已经封口好的瓶子通过输送带进入贴标区。
2.瓶子定位:瓶子通过定位器,使其瓶口处于往下的位置。
3.打印标签:标签打印器打印出瓶子所需贴的标签。
4.贴标签:机械臂将已经打印好的标签贴到瓶子上。
5.瓶子分离:贴标签完成后,机械臂将已贴好标签的瓶子分离到下一工位。
包装机械生产线1. 引言包装机械生产线是指以包装机械为核心设备,通过自动化生产工艺,实现产品包装的一条流水线。
随着现代工业生产的开展,包装机械生产线在各个行业中的应用越来越广泛。
本文将介绍包装机械生产线的概念、分类、工作原理以及常见问题解决方法等内容。
2. 包装机械生产线的分类根据不同的包装对象和包装方式,包装机械生产线可分为以下几类:2.1 塑料包装机械生产线塑料包装机械生产线适用于塑料制品的包装,如塑料袋、塑料瓶等。
该生产线通常包括塑料封口机、塑料包装机等设备,能够实现封口、包装、贴标等操作。
2.2 纸盒包装机械生产线纸盒包装机械生产线适用于纸盒制品的包装,如纸盒包装食品、药品等。
该生产线通常包括纸盒折叠机、纸盒封箱机等设备,能够实现纸盒的折叠、封箱、喷码等操作。
2.3 瓶装包装机械生产线瓶装包装机械生产线适用于瓶装产品的包装,如饮料瓶、化装品瓶等。
该生产线通常包括瓶装机、贴标机等设备,能够实现瓶装产品的灌装、贴标、封口等操作。
3. 包装机械生产线的工作原理包装机械生产线的工作原理可以简单分为以下几个步骤:3.1 产品上料将待包装的产品放置到包装机械生产线的进料口,通常可以通过人工或自动化设备完成产品的上料。
3.2 包装方式设定根据产品的不同包装要求,对包装机械生产线进行相应的设定,包括包装方式、包装材料、包装尺寸等。
3.3 包装过程根据设定的包装方式,包装机械生产线将产品进行相应的包装操作,如封口、折叠、贴标等。
3.4 检测与校验包装完成后,包装机械生产线通常会进行产品的检测与校验,确保包装质量符合标准要求。
3.5 成品下料经过包装的成品将从包装机械生产线的出料口输出,供后续的存储、运输或销售环节使用。
4. 常见问题解决方法在包装机械生产线的运行过程中,可能会出现一些常见问题,下面列举几个常见问题及其解决方法:问题一:包装机械生产线不能正常启动。
解决方法:首先检查电源是否正常连接,然后检查电气元件是否损坏,如果问题仍然存在,需要请专业的维修人员进行维修。
不含气饮料系列瓶装生产线设备工艺原理前言非碳酸饮料,也被称为不含气饮料,是指不带有碳酸气体的饮料。
非碳酸饮料之所以受到欢迎,是因为碳酸饮料的健康问题越来越受到人们的重视。
在市场上,不含气饮料已经越来越受到消费者的欢迎。
为了适应这个趋势,许多饮料厂商开始投入资源研发和生产不含气饮料。
而作为不含气饮料生产的关键设备之一,瓶装生产线设备也引起了广泛的关注。
在本文中,我们将介绍不含气饮料系列瓶装生产线设备的工艺原理。
生产流程不含气饮料的生产流程与碳酸饮料的生产流程有很大的不同。
下面是不含气饮料生产的基本流程:1.原材料配料:按照特定的配方配制原材料。
通常,饮料厂采用高速搅拌机进行混合。
2.灌装:将配料好的饮料以更少的温度灌装进瓶子中。
这是为了防止温度变化对饮料颜色和口感的影响。
3.封口:将灌装好的饮料封装,确保密封性和卫生性。
4.冷却:将封装好的饮料放入冷却器进行冷却。
5.包装:将冷却好的饮料放入纸箱或其他包装之中。
不含气饮料系列瓶装生产线设备的关键部件包括:洗瓶机、灌装机、封口机、检测机和标签机。
洗瓶机洗瓶机是饮料生产线的第一道工序。
其作用是将原来的瓶子清洗干净,去除附着在瓶子表面上的污垢和微生物,确保后面的饮料生产过程的卫生性。
洗瓶机的工作原理是:将瓶子放入洗瓶机的输送带上,通过洗涤、刷洗和冲水等几个步骤,将瓶子内外洗净,同时消毒,以满足生产卫生标准。
灌装机灌装机的作用是将饮料灌装到瓶子中,并对瓶子进行封口。
灌装机的工作原理是:将洗净的瓶子通过输送带送到灌装机的工作台上,将瓶子定位到正确的位置。
然后,通过灌装口将饮料灌装到瓶子中,当瓶子中的饮料液面达到预定高度时,就自动封口。
封口机的原理是通过对封口口罩、旋盖帽、压盖封或阀口等封口方式进行旋转封口,以确保瓶子的密闭性。
检测机检测机的作用是对灌装好的饮料进行质量检测,以确保生产出的产物质量符合标准。
检测机的原理是通过对饮料进行计量、测量、闪光和透明度检测等几个步骤,对瓶装的饮料进行质量控制。
茶饮料灌装生产线工艺流程下载温馨提示:该文档是我店铺精心编制而成,希望大家下载以后,能够帮助大家解决实际的问题。
文档下载后可定制随意修改,请根据实际需要进行相应的调整和使用,谢谢!并且,本店铺为大家提供各种各样类型的实用资料,如教育随笔、日记赏析、句子摘抄、古诗大全、经典美文、话题作文、工作总结、词语解析、文案摘录、其他资料等等,如想了解不同资料格式和写法,敬请关注!Download tips: This document is carefully compiled by theeditor. I hope that after you download them,they can help yousolve practical problems. The document can be customized andmodified after downloading,please adjust and use it according toactual needs, thank you!In addition, our shop provides you with various types ofpractical materials,such as educational essays, diaryappreciation,sentence excerpts,ancient poems,classic articles,topic composition,work summary,word parsing,copy excerpts,other materials and so on,want to know different data formats andwriting methods,please pay attention!茶饮料灌装生产线是用于将茶饮料灌装进瓶子、杯子或其他容器中,并封口的生产线。
(饮料行业管理)饮料罐装生产流水线系统设计与调试摘 要 (IV)前言 (V)第一章绪论 (1)1.1饮料灌装生产流水线的概述 (1)1.1.1生产流水线的概念 (1)1.1.2生产流水线的形式及特点 (1)1.2 PLC主要模块 (1)1.2.1 CPU模块 (2)1.2.2信号模块 (3)1.1.4功能模块 (4)1.1.5接口模块 (4)1.1.6面向槽位的编址方式 (5)第二章PLC基础 (1)2.1可编程控制器 (1)2.1.1可编程控制器的产生和定义 (1)2.1.2可编程控制器的特点 (2)2.1.3 设计PLC控制时应遵循以下原则 (2)第三章饮料灌装生产流水线的PLC控制要求和内容 (4)3.1 控制任务 (4)3.2 控制方案设计原则 (4)3.3 控制方案设计原则 (5)3.4控制对象的类型 (6)3.5 PLC硬件配置 (7)3.5.1 I/O分配 (7)3.5.2 控制程序设计 (8)第四章饮料灌装流水线硬件设计 (9)4.1 PLC的选择 (9)4.1.1 PLC的选型 (9)4.2电动机的选择 (9)4.2.1电动机型号的选择 (9)4.3 选择传感器 (10)4.4断路器的选择 (10)4.4.1断路器的作用 (11)4.4.1断路器选用原则 (11)4.5数码管的选择 (11)4.6红外发光二极管的选择 (13)4.7开关的选择 (14)第五章饮料灌装流水线控制系 (15)5.1I/O分配表 (15)5.2外部接线图 (16)5.3流程图 (17)5.4 梯形图 (20)5.5 指令表 (22)5.6 梯形图 (25)第六章调试程序及系统 (26)6.1 装箱选择程序的仿真 (27)6.2 主控制程序的仿真 (28)6.3 报警程序的仿真 (30)6.4记数程序的仿真 (31)第七章总结和展望 (32)参考文献 (34)致谢 (35)附录1 (36)摘 要本文主要介绍的是基于三菱PLCFX2N-32MR的饮料灌设计包括三菱PLCFX2N-32MR 外部电路的设计与安装;软件部分包括程序的设计与调试。
食品饮料行业中的生产流水线和自动化食品饮料行业是一个庞大的产业,众多品牌在这个行业中竞争激烈。
随着科技的发展和社会的进步,生产流水线和自动化技术的应用也越来越普遍。
本文将探讨食品饮料行业中生产流水线和自动化的现状和未来发展趋势。
一、生产流水线生产流水线是指将生产流程中的各个环节有机地组合起来,形成一个流程图,并依照这个流程图安排自动化设备和技术,从而达到生产效率的最大化。
在食品饮料行业中,生产流水线的应用非常普遍,例如纯净水、果汁、饮料、奶粉等食品都需要使用生产流水线来完成生产。
1.1 生产流水线的优点首先,生产流水线可以大幅提高生产效率。
通过流水线的组织,自动化设备的协同工作,可大大减少人工操作的时间和错误率。
其次,生产流水线还可以提高一致性和标准化程度。
在不同批次的生产中,生产流水线可以确保生产产品的质量和标准相同。
此外,生产流水线还可以降低成本。
流水线设备的成本虽然高于手工生产,但在生产效率、一致性、质量和节约人力成本方面可以带来较大的收益,因此是一种具有较高成本性价比的选择。
1.2 生产流水线的挑战尽管生产流水线应用广泛,但其面临的挑战也不容忽视。
首先,生产流水线需要进行定期的维护和升级,这对企业而言会带来额外的费用和工作人力。
对于小型企业而言,可能无法承担这个额外的成本。
其次,生产流水线的设计和组织可能会面临一定的困难,需要克服与传统生产方式的差异,需要更高的专业质量。
因为其中每一个操作环节都不是独立的,而是组合和集成的过程,这就要求企业对生产流程有一个较高的深度了解,需要牢牢掌握生产运作过程的关键细节,采用更先进的生产技术。
二、自动化技术自动化技术是生产流水线的核心。
随着工业4.0时代的到来,自动化技术的应用已逐渐成为必然趋势。
自动化技术不仅可以提高生产效率,降低人力成本,还可以提高生产的安全性。
2.1 自动化技术的应用在食品饮料行业中,自动化技术的应用已变得普遍。
比如,自动机器人可以代替人工去完成一些重复性较高的工作。
现代控制技术及PLC控制课程设计姓名学号201班级机电1专业机械电子院别机械工程学院指导教师2013年7月5日录目引言 (3)第一章总体设计方案 (4)1.1 系统设计程序的基本结构 (4)1.1.1系统控制结构图 (4)1.1.2 饮料灌装流水线的基板结构图 (5)1.2 灌装流水线的工作原理 (5)1.3 方案的比较选择 (5)第二章硬件控制设计 (6)2.1 PLC的选择 (6)2.1.1 PLC的结构与特点 (6)2.1.2 选择PLC (6)2.2 传感器的选择 (7)第三章软件控制设计 (7)3.1系统流程图 (7)3.2 主电路接线图 (8)3.3 I/O接线图 (9)3.4 梯形图 (9)3.5 语句表 (11)第四章调试说明 (13)结论 (15)参考文献 (15)引言目前,饮料的灌装生产已经实现自动化,为了提高产品质量,缩短生产周期,适应产品迅速更新换代的要求,产品生产正向缩短生产周期、降低成本、提高生产质量等方面发展。
因此,饮料厂的自动化灌装生产线中有越来越多的机器在使用先进的灌装技术来提高机器的自动化控制水平和生产效率。
而应用PLC完成电气部分的控制是工业自动化电气控制的主要发展方向。
本次课设主要介绍全自动灌装生产线的基本概念。
全自动灌装生产线是由数台自动灌装机械经控制系统进行集中控制,并按照各自功能完成一定任务进行顺序、连续生产的一系列机器组合。
通过对饮料罐装自动控制的介绍,使我们对灌装这个行业有了更深的了解,也对自动化这个名词有了进一步的了解。
我国的饮料罐装自动化相对于西方发达国家来讲还有很大的差距。
设备陈旧,技术落后,成为阻碍我们灌装行业发展的一个严重问题。
鉴于这些问题,我国企业不断发展自身的实力,逐步朝着生产高速化、设备结构合理化、设备的多功能化、设备的绿色化、控制的智能化等方向发展出适合自己需求的产品来。
本次课设就是朝着这个方向进行研究和设计。
传统的饮料罐装生产线的电气设备控制系统是传统的继电器——接触器控制方式,在使用的过程中,生产工效低,人机对话靠指示灯+按钮+讯响器的工作方式,响应慢,故障率高,可靠性差,系统的工作状态、故障处理、设备监控与维护只能凭经验被动的去查找故障点。
data segmentioport equ 2400h-280hio8255a equ ioport+288hio8255c equ ioport+28Ahio8255ctr equ ioport+28bhled db 3fh,06h,5bh,4fh,66h,6dh,7dh,07h,7fh,6fhtime db '0','$'time_1 db '0','$'time_2 db '0','$'time_3 db '0','$'time_4 db '0','$'time_5 db '0','$'time_6 db '0','$'ten db 10num db 0num1 db 0temp db 12temp1 db '0','$'temp2 db 0temp3 db 0mess db 'Press Q to EXIT',0ah,0dh,'$'xiang db 'CASE','$'ping db '12 BOTTLE Date:','$'waittime db 'wait 5s packing...',0ah,0dh,'$'time_ok db 'packing is finished!',0ah,0dh,'$'wrong db 'marchine is broken!',0ah,0dh,'$'right db 'machine is ok now!',0ah,0dh,'$'run db 'machine is running...',0ah,0dh,'$'data endscode segmentmain proc farassume cs:code,ds:datastart:mov ax,datamov ds,axmov dx,offset mess ;显示提示信息mov ah,09hint 21hmov dx, io8255ctr ;将8255设为A口输出,c口4-7输入0-3输出mov al,10001000bout dx,almov dx,2403h ;开始对8253进行初始化mov al,00010000b;计数器0方式0低八位二进制out dx,almov dx,2400hmov al,12out dx,al ;设置计数初值mov dx, io8255ctr ;c口第四位pc4置0,默认无故障mov al,00001000bout dx,almov dx,offset run;显示machine is runningmov ah,09hint 21hll:mov dx,io8255cmov al,00001000bout dx,almov dx,io8255cin al,dxand al,00010000b ;检测PC4jz a ;转到amov dx,offset wrong;marchine is brokenmov ah,09hint 21hmov dx,io8255ctr;出现故障,则需要将pc3即运行灯关掉mov al,00000110bout dx,alguzhang:mov dx,io8255c ;循环判断机器是否还是处在故障中in al,dxand al,00010000bjz guzhang;mov dx,offset right;machine is ok nowmov ah,09hint 21hmov dx,io8255a ;故障处理完后,机器进入正常运行态mov al,00000111b;PC3正常运行点亮out dx,almov dx,offset run;machine is runningmov ah,09ha:mov dx,2400h ;将2400口(计数器0)的数据打到dx in al,dx;cmp al,-1;jle a;结果小于或等于-1转移amov bl,temp ;12sub bl,al ;bl中的内容减去al中的,并重新放入bl中mov al,bl ;将16进制转换成10进制add al,1mov temp3,almov ah,0 ;高位清零div tenmov temp1,ah ;将个位放入temp1中mov bx,offset led ;bx为数码表的起始地址xlat ;求出相应的段码mov dx, io8255aout dx,al;送给数码管mov dx, io8255cmov al,02h;十位数码管out dx,almov al,0mov dx, io8255aout dx,almov dx, io8255cmov al,01h;个位数码管out dx,almov al,temp1;个位xlat ;求出相应的段码mov dx, io8255aout dx,al ;显示个位mov dx, io8255cmov al,01hout dx,almov al,0mov dx, io8255a;显示十位out dx,almov dx, io8255cmov al,02hout dx,alcmp temp3,13;不相等转tadd num,1 ;计数打包灯亮mov dx,io8255ctrmov al,00000101b;out dx,alcall delaycall draw ;显示时间子程序mov dx,2400hmov al,12out dx,al ;设置计数初值`t: mov ah,06h ;测键盘,有Q键按下,退出mov dl,0ffhint 21hcmp al,'q'je exithlt ;系统暂停jmp ll;检测有无故障exit: mov ah,4ch;放回操作系统int 21hdelay proc nearmov dx,offset waittime ;wait 5s packingmov ah,09hint 21h ;输出字符串push axpush bxpush dxmov ah,0hint 1ahadd dx,91mov bx,dxrep1:mov ah,0hint 1ah ;读当前时钟cmp dx,bxjnz rep1;装箱mov dx,offset time_ok ;packing is finishedmov ah,09hint 21h ;输出字符串mov dl,numcmp dl,09h ;小于9转yjle ymov al,dlmov ah,00h ;十位此时显示0div tenpush axmov dl,aladd dl,30hmov ah,02hint 21hpop axmov dl,ahadd dl,30hmov ah,02h;十位int 21hjmp y1y: add dl,30hmov ah,02hint 21hy1: mov dl,32 ;输出空格mov ah,02hint 21hmov dx,offset xiang ;将xiang的偏移地址给dx “CASE”mov ah,09hint 21h ;输出字符串mov dl,32;输出空格mov ah,02hint 21hmov dx,offset ping;'12 BOTTLE Date:mov ah,09hint 21hpop dxpop bxpop axretdelay endpdraw proc near ;显示时间子程序;2AH号调用: 取日期功能:取系统日期。
;入口参数: 无。
出口参数: CX=年,DH: DL=月: 日。
;调用方式: MOV AH,2AH; INT 21H在(CX)中取得年号,在DX中的高8位取得月份,低8位中得到日(二进制).mov ax,datamov ds,axmov ah,2ah ;取系统日期int 21hmov time_5,dh ;进行数制转换mov time_6,dlmov ax,cxdiv tenmov time,ahmov ah,0div tenmov time_4,ahmov ah,0div tenmov time_3,ahmov dl,al ;将转换好的在转换成ASCII码add dl,30hmov ah,02hint 21hmov dl,time_3add dl,30hmov ah,02h ;输出int 21hmov dl,time_4add dl,30h ;将转换好的在转换成ASCII码mov ah,02h ;输出int 21hmov dl,timeadd dl,30hmov ah,02hint 21h;年的转换mov dl,47mov ah,02hint 21h ;/符号输出mov al,time_5mov ah,0div tenmov time,ahmov dl,aladd dl,30hmov ah,02hint 21hmov dl,timeadd dl,30hmov ah,02hint 21h ;月的转换mov dl,47mov ah,02hint 21h ;/符号输出mov al,time_6mov ah,0div tenmov time,ahmov dl,aladd dl,30hmov ah,02hint 21hmov dl,timeadd dl,30hmov ah,02hint 21h ;日的转换mov dl,32mov ah,02hint 21h;空格输出mov ah,2ch ; 取系统时间int 21h ;2ch号功能调用,取系统时间:ch,cl,dh中分别存放时分秒mov time,dhmov al,chmov ah,0;mov bl,10div tenadd al,30hmov time_1,almov bl,ahmov dx,offset time_1 ;将time_1的偏移地址放入dx中mov ah,09h ;输出time_1中的内容int 21hadd bl,30h ;转换成ASCII码mov time_2,blmov dx,offset time_2 ;将time_2的偏移地址放入dx中mov ah,09h ;输出time_2中的内容int 21hmov dl,58 ; :符号的输出mov ah,02hint 21hmov al,clmov ah,0div tenmov time_4,ahmov dl,aladd dl,30h ;转换成ASCII码mov ah,02hint 21hmov dl,time_4add dl,30h ;转换成ASCII码mov ah,02hint 21hmov dl,58mov ah,02hint 21hmov al,time ; 显示秒mov ah,0div tenmov time_3,ahmov dl,aladd dl,30hmov ah,02hint 21hmov dl,time_3add dl,30hmov ah,02hint 21hmov dl,0dhint 21h ;回车mov dl,0ahint 21hmov dl,0dhint 21h ;回车mov dl,0ahint 21hretdraw endp ;显示时间子程序结束main endpcode ends end start。