江苏星级工地检查表
- 格式:docx
- 大小:614.90 KB
- 文档页数:13
建筑工地文明施工检查表1. 基本信息- 工地名称:- 施工单位:- 监理单位:- 现场负责人:- 检查日期:2. 现场环境- 现场周边是否清洁整齐?- 施工区域是否设置围挡,并标注明确的警示语言和标志?- 施工区域是否设置合理的出入口?3. 安全管理- 是否制定并落实了工地安全责任书?- 工地人员是否按照相关规定佩戴安全帽、安全鞋等个人防护用品?- 是否设置明示禁止火种的标志,并对禁止吸烟区域进行有效管理?- 是否设置明确的危险区域,并采取有效的安全防护措施?4. 噪音和粉尘污染- 是否设置隔音墙并采取有效措施降低噪音?- 施工现场是否采取了粉尘防护措施,如湿法作业、覆盖等?5. 渣土、垃圾处理- 渣土、垃圾是否及时清理、分类和处置?- 是否设置合理的渣土、垃圾堆放点,并经常进行清理和消毒?6. 水电通讯设施- 水电通讯设施是否安全可靠?是否设置防护措施避免意外发生?7. 施工设备- 施工设备是否符合要求,并经过定期维护和检查?- 是否设置明确的施工设备使用规范,如禁止未经授权人员操作设备等?8. 施工人员管理- 施工人员是否具备相应的资质证书或培训证明?- 是否有人员上岗证明,并进行定期检查和更新?9. 文明施工- 是否在工地设置了文明施工标语,并进行文明施工宣传和教育?- 是否存在违反文明施工规范的行为,如乱丢建筑垃圾、吸烟等?10. 其他问题- 是否存在其他需要注意和处理的问题?11. 检查结论- 是否达到规定的文明施工要求?- 若有问题,需要进行整改,并制定整改措施和时间表。
12. 检查人员- 检查人员:- 签名:- 日期:。
附表5
江苏省省级文明工地考核汇总表
(交通工程)
表一现场安全管理考核评分表(交通工程)
注:★项目为保证项目,缺少保证项目的工地不得参加省级文明工地、平安工地的评选。
表二现场安全防护考核评分表(交通工程)
注:★项目为保证项目,缺少保证项目的工地不得参加省级文明工地、平安工地的评选。
表三现场临时施工用电、机械设备考核评分表(交通工程)
项目名称:项目经理:
注:★项目为保证项目,缺少保证项目的工地不得参加省级文明工地、平安工地的评选。
表四现场文明施工考核评分表(交通工程)
注:★项目为保证项目,缺少保证项目的工地不得参加省级文明工地、平安工地的评选。
表五现场平安创建考核评分表(交通工程)
项目名称:项目经理:。
江苏省建筑施工标准化星级工地检查概况表□项目部自查□企业检查□县市、区检查□设区市检查□省厅检查□其他检查检查组组长:成员:检查日期:年月日江苏省建筑施工标准化星级工地检查表一规定项□项目部自查□企业检查□县市、区检查□设区市检查□省厅检查□其他检查项目名称:检查组组长:成员:检查日期:年月日江苏省建筑施工标准化星级工地检查表二安全管理□项目部自查□企业检查□县市、区检查□设区市检查□省厅检查□其他检查项目名称:检查组组长:成员:检查日期:年月日江苏省建筑施工标准化星级工地检查表三模架和脚手架工程□项目部自查□企业检查□县市、区检查□设区市检查□省厅检查□其他检查项目名称:检查组组长:成员:检查日期:年月日江苏省建筑施工标准化星级工地检查表四起重机械□项目部自查□企业检查□县市、区检查□设区市检查□省厅检查□其他检查项目名称:检查组组长:成员:检查日期:年月日江苏省建筑施工标准化星级工地检查表五基坑土方开挖及支护工程□项目部自查□企业检查□县市、区检查□设区市检查□省厅检查□其他检查项目名称:检查组组长:成员:检查日期:年月日江苏省建筑施工标准化星级工地检查表六临时用电□项目部自查□企业检查□县市、区检查□设区市检查□省厅检查□其他检查项目名称:检查组组长:成员:检查日期:年月日江苏省建筑施工标准化星级工地检查表七安全防护□项目部自查□企业检查□县市、区检查□设区市检查□省厅检查□其他检查项目名称:检查组组长:成员:检查日期:年月日江苏省建筑施工标准化星级工地检查表八扬尘防治□项目部自查□企业检查□县市、区检查□设区市检查□省厅检查□其他检查项目名称:检查组组长:成员:检查日期:年月日江苏省建筑施工标准化星级工地检查表九平安创建□项目部自查□企业检查□县市、区检查□设区市检查□省厅检查□其他检查检查组组长:成员:检查日期:年月日江苏省建筑施工标准化星级工地检查表十加分项□项目部自查□企业检查□县市、区检查□设区市检查□省厅检查□其他检查项目名称:检查组组长:成员:检查日期:年月日。
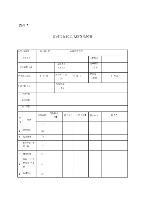
附件2泰州市标化工地检查概况表泰州市标化工地检查表(一)(规定项)项目名称:检查组组长:成员:检查日期:年月日泰州市标化工地检查表(二)(安全管理)项目名称:检查组组长:成员:检查日期:年月日泰州市标化工地检查表(三)(模架和脚手架工程)检查组组长:成员:检查日期:年月日泰州市标化工地检查表(四)(起重机械)检查组组长:成员:检查日期:年月日泰州市标化工地检查表(五)(基坑土方开挖及支护工程)项目名称:____________________________________________________________________检查组组长:成员:检查日期:年月日泰州市标化工地检查表(六)(临时用电)项目名称:_____________________________________________________________________检查组组长:成员:检查日期:年月日泰州市标化工地检查表(七)(安全防护)项目名称:________________________________________________________________________检查组组长:成员:检查日期:年月日泰州市标化工地检查表(八)(扬尘防治)项目名称:________________________________________________________________________检查组组长:成员:检查日期:年月日泰州市标化工地检查表(九)(平安创建)项目名称:检查组组长:成员:检查日期:年月日泰州市标化工地检查表(十)(加分项)项目名称:________________________________________________________________________检查组组长:成员:检查日期:年月日。
江苏建筑施工标准化星级工地检查概
况表
江苏省建筑施工标准化星级工地检查概况表
□项目部自查□企业检查□县(市、区)检查□设区市检查□省厅检查□其它检查
检查组组长:
员:
检查日期:年月日
江苏省建筑施工标准化星级工地检查表(一)
(规定项)
□项目部自查□企业检查□县(市、区)检查□设区市检查□省厅检查□其它检查
项目名称:
检查组组长:成员:
检查日期:年月日
江苏省建筑施工标准化星级工地检查表(二)
(安全管理)
□项目部自查□企业检查□县(市、区)检查□设区市检查□省厅检查□其它检查
项目名称:
检查组组长:成员:
检查日期:年月日
江苏省建筑施工标准化星级工地检查表(三)
(模架和脚手架工程)
□项目部自查□企业检查□县(市、区)检查□设区市检查□省厅检查□其它检查
项目名称:
检查组组长:成员:
检查日期:年月日
江苏省建筑施工标准化星级工地检查表(四)
(起重机械)
□项目部自查□企业检查□县(市、区)检查□设区市检查□省厅检查□其它检查项目名称:
检查组组长:成员:
检查日期:年月日。
附表2
江苏省省级文明工地考核汇总表
(市政公用工程)
表一现场安全管理考核评分表(市政公用工程)项目名称:项目经理:
注:★项目为保证项目,缺少保证项目的工地不得参加省级文明工地、平安工地的评选。
表二现场安全防护考核评分表(市政公用工程)
项目名称:项目经理:
注:★项目为保证项目,缺少保证项目的工地不得参加省级文明工地、平安工地的评选。
表三现场临时施工用电、机械设备考核评分表(市政公用工程)
项目名称:项目经理:
注:★项目为保证项目,缺少保证项目的工地不得参加省级文明工地、平安工地的评选。
表四现场文明施工考核评分表(市政公用工程)
项目名称:项目经理:
注:★项目为保证项目,缺少保证项目的工地不得参加省级文明工地、平安工地的评选。
表五现场平安创建考核评分表(市政公用工程)
项目名称:项目经理:
注:★项目为保证项目,缺少保证项目的工地不得参加省级文明工地、平安工地的评选。
江苏省建筑施工标准化星级工地检查概况表□项目部自查□企业检查□县(市、区)检查□设区市检查□省厅检查□其他检查检查组组长:成员:检查日期:年月日江苏省建筑施工标准化星级工地检查表(一)(规定项)□项目部自查□企业检查□县(市、区)检查□设区市检查□省厅检查□其他检查项目名称:检查组组长:成员:检查日期:年月日江苏省建筑施工标准化星级工地检查表(二)(安全管理)□项目部自查□企业检查□县(市、区)检查□设区市检查□省厅检查□其他检查项目名称:检查组组长:成员:检查日期:年月日江苏省建筑施工标准化星级工地检查表(三)(模架和脚手架工程)□项目部自查□企业检查□县(市、区)检查□设区市检查□省厅检查□其他检查项目名称:检查组组长:成员:检查日期:年月日江苏省建筑施工标准化星级工地检查表(四)(起重机械)□项目部自查□企业检查□县(市、区)检查□设区市检查□省厅检查□其他检查项目名称:检查组组长:成员:检查日期:年月日江苏省建筑施工标准化星级工地检查表(五)(基坑土方开挖及支护工程)□项目部自查□企业检查□县(市、区)检查□设区市检查□省厅检查□其他检查项目名称:检查组组长:成员:检查日期:年月日江苏省建筑施工标准化星级工地检查表(六)(临时用电)□项目部自查□企业检查□县(市、区)检查□设区市检查□省厅检查□其他检查项目名称:检查组组长:成员:检查日期:年月日江苏省建筑施工标准化星级工地检查表(七)(安全防护)□项目部自查□企业检查□县(市、区)检查□设区市检查□省厅检查□其他检查项目名称:检查组组长:成员:检查日期:年月日江苏省建筑施工标准化星级工地检查表(八)(扬尘防治)□项目部自查□企业检查□县(市、区)检查□设区市检查□省厅检查□其他检查项目名称:检查组组长:成员:检查日期:年月日江苏省建筑施工标准化星级工地检查表(九)(平安创建)□项目部自查□企业检查□县(市、区)检查□设区市检查□省厅检查□其他检查项目名称:检查组组长:成员:检查日期:年月日江苏省建筑施工标准化星级工地检查表(十)(加分项)□项目部自查□企业检查□县(市、区)检查□设区市检查□省厅检查□其他检查项目名称:检查组组长:成员:检查日期:年月日。
附件一:苏州工业园区建筑工程现场检查内容和计分表一、建筑工程现场检查主要内容:建筑市场行为、项目管理、质量行为、安全行为、实体质量、安全文明施工等。
二、建筑业企业在园区每年度评价期内的检查综合得分由以下六个方面组成:市场行为综合检查得分(表一,市场行为检查表,总分100分)、质量综合检查得分(表二、质量综合检查表,总分100分)、安全综合检查得分(表三、安全综合检查表,总分100分)、建设工程终止安全得分(表四、建设工程终止安全检查表,总分100分)、竣工验收检查得分(表五、竣工验收检查表,总分100分)。
评价期内上述表一、二、三、四、五检查得分的,按本评价期内历次检查的平均得分予以记取。
检查综合得分计分为:检查综合得分=【历次市场行为检查平均得分×20%+(历次质量综合检查平均得分+历次安全综合检查平均得分+历次建设工程完毕安全平均得分+历次竣工验收检查平均得分)/4×80% 】×80%三、本附件的检查计分表为房屋建筑施工工程现场检查用表,其他专业类别的建设工程现场检查计分表可根据各自差异进行调整。
表一:苏州工业园区施工企业市场行为综合检查表项目名称:检查日期:表二:质量综合检查总表(房屋建筑工程)注:1、本表总分100分,项目在检查过程中未涉及的检查项分值,直接计入得分。
2、项目检查过程中发现违反强制性条文应会同项目质量监督及安全监督人员签发整改及停工通知书。
3、项目检查过程中发现质量行为不规范的应会同项目质量监督及安全监督人员签发不良行为检查记录表,并给以网上通报。
4、本表得分低于75分的,园区质安站将对该项目相关负责人进行诫勉谈话;低于70分的,园区质安站将对该项目进行通报批评。
表二-1质量综合检查表项目名称:表三:安全综合检查总表(房屋建筑工程)注:1、本表总分100分,项目在检查过程中未涉及的检查项分值,直接计入得分。
2、项目检查过程中发现违反强制性条文应会同项目质量监督及安全监督人员签发整改及停工通知书。
附表2江苏省省级文明工地考核汇总表(市政公用工程)工程名称工程造价工程地点结构类型申报单位项目经理建设单位形象进度监理单位总监姓名安全管理(20分)安全防护(15分)临时用电和机械设备(20分)文明施工(20分)平安创建(15分)管理人员安全知识考试(10分)总计得分:评语:现场考核组组长(签字)现场考核组成员(签字)现场考核时间表一现场安全管理考核评分表(市政公用工程)项目名称:项目经理:序号分项内容扣分标准标准分扣减分数实得分数1安全管理1.★总包或分包单位无安全生产许可证,项目经理、专职安全员无安全生产考核合格证;2.★无安全生产责任制;3.★无安全生产组织机构和专职人员;4.★未制订事故应急预案;5.无安全目标管理扣10分;6.未编制专项施工方案每缺一项扣10分;7.未进行安全三级教育扣10分;8.无安全技术交底或交底手续不全扣10分;9.未进行班组安全活动扣10分;10.未进行定期安全检查扣10分;11.对事故隐患未及时进行整改每发现一次扣5分;12.管理人员、特种作业人员未持证上岗,每发现一人扣5分;13.无现场安全标志布置平面图扣10分;14.未建立安全、保卫、防火、治安等制度扣15分;15.对市政管网和周边建、构筑物、供电设施未制定防护措施扣8分;16.其他。
考核时间考核人总计100注:★项目为保证项目,缺少保证项目的工地不得参加省级文明工地、平安工地的评选。
表二现场安全防护考核评分表(市政公用工程)项目名称:项目经理:序号分项内容扣分标准标准分扣减分数实得分数1三宝四口1.未正确使用安全帽、安全带每人扣2分;2.未使用安全网封闭或使用不合格的安全网扣25分;3.“四口”、“临边”每有一处不符合要求的扣2分;4.防护设施未做到定型化、工具化的扣10分;5.高空作业安全防护措施每有一处不符合要求扣5分6.毒气、粉尘严重的场所,安全防护面罩配备不符合要求的扣5分;7.其他。
小计302沟槽基坑1.★无专项方案或编制、审批不符合要求;2.★深基坑工程专项方案未组织专家认证;3.★防坍塌措施落实不到位扣;4.支撑系统施加不及时或不符合要求扣20分;5.放坡坡度不符合要求的扣20分;6.坑(槽)边违规堆载每处扣5分7.土方开挖不符合要求的扣10分;8.其他。
附件
江苏省建设工程施工现场安全文明施工措施费监督检查表
(房屋建筑工程)
备注:1.安全文明施工措施费包括基本费、标化工地增加费、扬尘污染防治增加费三部分费用。
扣减基数为基本费部分。
2.如项目在建设周期内被抽查2次及以上,则按其中扣减最多的一次进行扣减。
3.轨道交通、装饰装修、园林绿化等专业工程的监督检查表由各市参照制定。
江苏省建设工程施工现场安全文明施工措施费监督检查表
(市政工程)
备注:1.安全文明施工措施费包括基本费、标化工地增加费、扬尘污染防治增加费三部分费用。
扣减基数为基本费部分。
2.如项目在建设周期内被抽查2次及以上,则按其中扣减最多的一次进行扣减。
3.轨道交通、装饰装修、园林绿化等专业工程的监督检查表由各市参照制定。
江苏省建筑施工标准化星级工地检查概况表□项目部自查□企业检查□县(市、区)检查□设区市检查□省厅检查□其他检查检查组组长:成员:检查日期:年月日江苏省建筑施工标准化星级工地检查表(一)(规定项)□项目部自查□企业检查□县(市、区)检查□设区市检查□省厅检查□其他检查项目名称:检查组组长:成员:检查日期:年月日江苏省建筑施工标准化星级工地检查表(二)(安全管理)□项目部自查□企业检查□县(市、区)检查□设区市检查□省厅检查□其他检查项目名称:检查组组长:成员:检查日期:年月日江苏省建筑施工标准化星级工地检查表(三)(模架和脚手架工程)□项目部自查□企业检查□县(市、区)检查□设区市检查□省厅检查□其他检查项目名称:检查组组长:成员:检查日期:年月日江苏省建筑施工标准化星级工地检查表(四)(起重机械)□项目部自查□企业检查□县(市、区)检查□设区市检查□省厅检查□其他检查项目名称:检查组组长:成员:检查日期:年月日江苏省建筑施工标准化星级工地检查表(五)(基坑土方开挖及支护工程)□项目部自查□企业检查□县(市、区)检查□设区市检查□省厅检查□其他检查项目名称:检查组组长:成员:检查日期:年月日江苏省建筑施工标准化星级工地检查表(六)(临时用电)□项目部自查□企业检查□县(市、区)检查□设区市检查□省厅检查□其他检查项目名称:检查组组长:成员:检查日期:年月日江苏省建筑施工标准化星级工地检查表(七)(安全防护)□项目部自查□企业检查□县(市、区)检查□设区市检查□省厅检查□其他检查项目名称:检查组组长:成员:检查日期:年月日江苏省建筑施工标准化星级工地检查表(八)(扬尘防治)□项目部自查□企业检查□县(市、区)检查□设区市检查□省厅检查□其他检查项目名称:检查组组长:成员:检查日期:年月日江苏省建筑施工标准化星级工地检查表(九)(平安创建)□项目部自查□企业检查□县(市、区)检查□设区市检查□省厅检查□其他检查项目名称:检查组组长:成员:检查日期:年月日江苏省建筑施工标准化星级工地检查表(十)(加分项)□项目部自查□企业检查□县(市、区)检查□设区市检查□省厅检查□其他检查项目名称:检查组组长:成员:检查日期:年月日。
江苏星级工地检查表Revised on November 25, 2020
江苏省建筑施工标准化星级工地检查概况表□项目部自查□企业检查□县(市、区)检查□设区市检查□省厅检查□其他检查
检查组组长:
检查日期:年月日
江苏省建筑施工标准化星级工地检查表(一)
(规定项)
□项目部自查□企业检查□县(市、区)检查□设区市检查□省厅检查□其他检查项目名称:
检查组组长:成员:
检查日期:年月日
江苏省建筑施工标准化星级工地检查表(二)
(安全管理)
□项目部自查□企业检查□县(市、区)检查□设区市检查□省厅检查□其他检查
检查组组长:成员:检查日期:年月日
江苏省建筑施工标准化星级工地检查表(三)
(模架和脚手架工程)
□项目部自查□企业检查□县(市、区)检查□设区市检查□省厅检查□其他检查项目名称:
检查组组长:成员:
检查日期:年月日
江苏省建筑施工标准化星级工地检查表(四)
(起重机械)
□项目部自查□企业检查□县(市、区)检查□设区市检查□省厅检查□其他检查项目名称:
检查组组长:成员:
检查日期:年月日
江苏省建筑施工标准化星级工地检查表(五)
(基坑土方开挖及支护工程)
□项目部自查□企业检查□县(市、区)检查□设区市检查□省厅检查□其他检查
项目名称:
检查组组长:成员:
检查日期:年月日
江苏省建筑施工标准化星级工地检查表(六)
(临时用电)
□项目部自查□企业检查□县(市、区)检查□设区市检查□省厅检查□其他检查项目名称:
检查组组长:成员:
检查日期:年月日
江苏省建筑施工标准化星级工地检查表(七)
(安全防护)
□项目部自查□企业检查□县(市、区)检查□设区市检查□省厅检查□其他检查
检查组组长:成员:检查日期:年月日
江苏省建筑施工标准化星级工地检查表(八)
(扬尘防治)
□项目部自查□企业检查□县(市、区)检查□设区市检查□省厅检查□其他检查项目名称:
检查组组长:成员:
检查日期:年月日
江苏省建筑施工标准化星级工地检查表(九)
(平安创建)
□项目部自查□企业检查□县(市、区)检查□设区市检查□省厅检查□其他检查
检查组组长:成员:
检查日期:年月日
江苏省建筑施工标准化星级工地检查表(十)
(加分项)
□项目部自查□企业检查□县(市、区)检查□设区市检查□省厅检查□其他检查项目名称:
检查组组长:成员:检查日期:年月日。