三氯乙烷;甲基氯仿
- 格式:doc
- 大小:57.00 KB
- 文档页数:2
1,1,1-三氯乙烷化学品安全技术说明书第一部分:化学品名称化学品中文名称: 1,1,1-三氯乙烷化学品英文名称: 1,1,1-trichloroethane中文名称2:甲基氯仿英文名称2: methyl chloroform技术说明书编码: 612CAS No.: 71-55-6分子式: C2H3Cl3分子量: 133.42第二部分:成分/组成信息有害物成分含量 CAS No.1,1,1-三氯乙烷≥95.0% 71-55-6第三部分:危险性概述危险性类别:侵入途径:健康危害:急性中毒主要损害中枢神经系统。
轻者表现为头痛、眩晕、步态蹒跚、共济失调、嗜睡等;重者可出现抽搐,甚至昏迷。
可引起心律不齐。
对皮肤有轻度脱脂和刺激作用。
环境危害:燃爆危险:本品可燃,有毒,具刺激性。
-第四部分:急救措施皮肤接触:脱去污染的衣着,用肥皂水和清水彻底冲洗皮肤。
眼睛接触:提起眼睑,用流动清水或生理盐水冲洗。
就医。
吸入:迅速脱离现场至空气新鲜处。
保持呼吸道通畅。
如呼吸困难,给输氧。
如呼吸停止,立即进行人工呼吸。
就医。
食入:饮足量温水,催吐。
就医。
第五部分:消防措施危险特性:遇明火、高热能燃烧,并产生剧毒的光气和氯化氢烟雾。
与碱金属和碱土金属能发生强烈反应。
与活性金属粉末(如镁、铝等)能发生反应, 引起分解。
有害燃烧产物:一氧化碳、二氧化碳、氯化氢、光气。
灭火方法:消防人员须佩戴防毒面具、穿全身消防服,在上风向灭火。
喷水保持火场容器冷却,直至灭火结束。
灭火剂:雾状水、泡沫、二氧化碳、砂土。
第六部分:泄漏应急处理应急处理:迅速撤离泄漏污染区人员至安全区,并进行隔离,严格限制出入。
切断火源。
建议应急处理人员戴自给正压式呼吸器,穿防毒服。
从上风处进入现场。
尽可能切断泄漏源。
防止流入下水道、排洪沟等限制性空间。
小量泄漏:用砂土或其它不燃材料吸附或吸收。
大量泄漏:构筑围堤或挖坑收容。
用泡沫覆盖,降低蒸气灾害。
用防爆泵转移至槽车或专用收集器内,回收或运至废物处理场所处臵。
中国消耗臭氧层物质逐步淘汰国家方案导言1国家方案编制目的1.1.中国政府已在1989年9月加入了《保护臭氧层的维也纳公约》(以下简称《公约》),并在1991年6月加入1990年经修正的《关于消耗臭氧层物质的蒙特利尔议定书》(以下简称《议定书》),成为按《议定书》第五条第一款行事的缔约国。
为使中国能全面而有效地遵循《议定书》控制措施,及时获得《议定书》过渡多边基金应提供的资金和技术援助,根据缔约国第二次会议报告附件4附录第10段的要求,制定中国消耗臭氧层物质逐步淘汰国家方案(以下简称国家方案)。
1.2.国家方案是中国政府对环境保护基本国策的贯彻,是实施《议定书》的决心和信心的体现,同时是中国履行《议定书》所面临的经济、技术等方面困难而复杂的现实的反映。
1.3.国家方案详细地统计分析了中国消耗臭氧层物质(以下简称ODS)的生产、消费现状,科学评估了其发展趋势及代用品、代用技术在中国的发展情况,优化制定了中国削减消耗臭氧层物质的有效的行动计划。
1.4.国家方案将行动计划分解为可执行的项目。
谨慎评估了每一项目可向基金申请援助的增加费用,确认了基金应向中国提供援助的基本框架,按优先顺序分批提出了申请基金援助的具体项目。
1.5.国家方案提出了一整套中国的保护臭氧层政策及配套的机构框架,以支持、领导、监督和保证行动计划及相应项目的如期实施并取得预期效果。
2国家方案编制状况2.1.国家方案根据过渡多边基金执委会制定的国家方案的格式和内容及中国消耗臭氧层物质国家方案工作大纲要求,由中国保护臭氧层领导小组委托北京大学环境科学中心编制。
编制工作是在国家环保局组织协调下完成的,并得到了外交部、国家计委、国家科委、国务院经贸办、财政部、经贸部、海关总署、国家税务局、国家工商局、公安部、机电部、航空航天部、化工部、轻工部、商业部以及《议定书》基金执委会及联合国开发署、世界银行的支持。
国家方案是在1992年5月至7月由30名中国专家组成的包括化学品生产、泡沫材料、工业商业制冷、家用冰箱、哈龙、气溶胶、溶剂、循环回收等8个专家工作组的研究报告的基础上编制而成的。
1,1,1-三氯乙烷化学品安全技术说明书第一部分:化学品及企业标识第二部分:成分/组成信息第三部分:危险性概述危险性类别:毒害品侵入途径:吸入、食入、经皮吸收健康危害:急性中毒主要损害中枢神经系统。
轻者表现为头疼、眩晕、步态蹒跚、共济失调、嗜睡等;重者可出现抽搐,甚至昏迷。
可引起心率不齐。
对皮肤有轻度脱脂和刺激作用环境危害:对水体、土壤和大气可造成污染燃爆危险:可燃,其蒸汽与空气混合,能形成爆炸性混合物第四部分:急救措施皮肤接触:脱去污染的衣着,用肥皂水和清水彻底冲洗皮肤。
如有不适感,就医眼睛接触:立即提起眼睑,用流动清水或生理盐水冲洗。
如有不适感,就医。
吸入:迅速脱离现场至空气新鲜处。
保持呼吸道通畅。
如呼吸困难,给输氧。
心跳、呼吸停止,立即进行心肺复苏术。
就医。
食入:漱口,催吐。
给服活性碳悬液就医。
第五部分:消防措施危险特性:与明火,高热能燃烧,并产生剧毒的光气和氯化氢烟雾。
与碱金属和碱土金属能发生强烈反应。
与活性金属粉末能发生反应,引起分解有害燃烧产物:一氧化碳、氯化氢、光气。
灭火方法:用雾状水、二氧化碳、沙土灭火灭火注意事项及措施消防人员必须佩戴空气呼吸器、穿全身防火防毒服,在上风向灭火。
尽可能将容器从火场移至空旷出。
喷水保持火场容器冷却,直至灭火结束。
容器突然发出异常声音或出现异常现象,应立即撤离第六部分:泄漏应急处理应急处理:根据液体流动和蒸汽扩散的影响区域划定警戒区,无关人员从侧风、上风向撤离至安全区。
建议应急处理人员戴自给正压式呼吸器,穿防毒服。
戴化学品手套,穿上适当的防护服前严禁接触破裂的容器物和泄露物。
尽可能切断泄露原。
防止泄露物进入水体、下水道、地下室或限制性空间。
小量泄漏:用干燥的砂土或其它不然材料吸收或覆盖,收集与容器中。
大量泄露:构筑围堤或挖坑收容。
用沙土、惰性物质或蛭石收大量液体。
用泵转移至槽车或专用收集器内第七部分:操作处置与储存操作注意事项:密闭操作,局部排风。
操作人员必须经过专门培训,严格遵守操作规程。
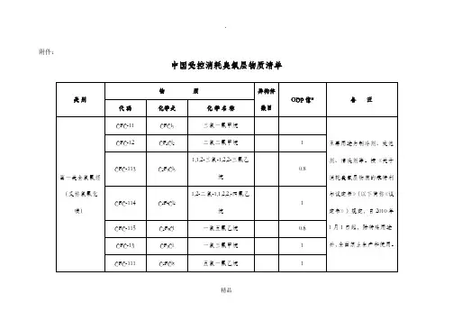
消耗臭氧层(ODS)物质清单类别物质异构体数目ODP值*备注代码化学式化学名称第一类全氯氟烃(又称氯氟化碳)CFC-11 CFCl3三氯一氟甲烷主要用途为制冷剂、发泡剂、清洗剂等。
按《关于消耗臭氧层物质的蒙特利尔议定书》(以下简称《议定书》)规定,自2010年1月1日起,除特殊用途外,全面禁止生产和使用。
CFC-12 CF2Cl2二氯二氟甲烷 1CFC-113 C2F3Cl31,1,2-三氯-1,2,2-三氟乙烷0.8CFC-114 C2F4Cl21,2-二氯-1,1,2,2,-四氟乙烷1CFC-115 C2F5Cl 一氯五氟乙烷0.6CFC-13 CF3Cl 一氯三氟甲烷 1CFC-111 C2FCl5五氯一氟乙烷 1CFC-112 C2F2Cl4四氯二氟乙烷 1CFC-211 C3FCl7七氯一氟丙烷 1CFC-212 C3F2Cl6六氯二氟丙烷 1第一类全氯氟烃(又称氯氟化碳)CFC-213 C3F3Cl5五氯三氟丙烷 1 主要用途为制冷剂、发泡剂、清洗剂等。
按《关于消耗臭氧层物质的蒙特利尔议定书》(以下简称《议定书》)规定,自2010年1月1日起,除特殊用途外,全面禁止生产和使用。
CFC-214 C3F4Cl4四氯四氟丙烷 1CFC-215 C3F5Cl3三氯五氟丙烷 1CFC-216 C3F6Cl2二氯六氟丙烷 1CFC-217 C3F7Cl 一氯七氟丙烷 1第二类哈龙(哈龙-1211) CF2BrCl一溴一氯二氟甲烷3主要用途为灭火剂。
按《议定书》规定,自2010年1月1日起,除特殊用途外,全面禁止生产和使用。
(哈龙-1301) CF3Br 一溴三氟甲烷10(哈龙-2402) C2F4Br2二溴四氟乙烷 6第三类四氯化碳CCl4四氯化碳 1.1主要用途为加工助剂、清洗剂和试剂等。
按《议定书》规定,自2010年1月1日起,除特殊用途外,全面禁止生产和使用。
第四类甲基氯仿**C2H3Cl31,1,1-三氯乙烷(非1,1,2-三氯乙烷)又称甲基氯仿0.1主要用途为清洗剂、溶剂。
附件:
中国受控消耗臭氧层物质清单
精品
精品
精品
精品
精品
精品
精品
精品
精品
精品
精品
精品
精品
* 在列出消耗臭氧潜能值的幅度时,为蒙特利尔议定书的目的应使用该幅度的最高值。
作为单一数值列出的消耗臭氧潜能值是根据实验室的测量计算得出的。
作为幅度列出的潜能值是根据估算得出的,因为较不确定,幅度值涉及一个同质异构群的潜能值,其最高值是具有最大消耗臭氧潜能值的异构体的消耗臭氧潜能值估计数,最低值是具有最少消耗臭氧潜能值的异构体的潜能值估计数。
** 本分子式并不指1,1,2-三氯乙烷。
如有侵权请联系告知删除,感谢你们的配合!
精品。
二氯甲烷同类型溶剂
二氯甲烷是一种卤代烃,具有与二氯甲烷相似的化学性质和用途。
以下是一些与二氯甲烷同类型的溶剂:
1.氯仿:氯仿是一种无色液体,具有类似于二氯甲烷的挥发性和溶解性。
它在
有机合成和实验室中常被用作溶剂,特别是在萃取和结晶过程中。
2.三氯甲烷:三氯甲烷与二氯甲烷非常相似,它们的分子结构只有一个氯原子
的差异。
三氯甲烷是一种无色液体,具有较高的密度和较低的沸点。
它在化学实验室中常用于萃取和溶解有机物,也可用于清洗和除脱脂剂。
3.二氯乙烷:二氯乙烷是一种无色液体,具有与二氯甲烷类似的化学性质和用
途。
它在有机合成、实验室和工业生产中常被用作溶剂和化学原料。
4.二氯丙烷:二氯丙烷是一种无色液体,具有与二氯甲烷类似的化学性质和用
途。
它在有机合成、实验室和工业生产中常被用作溶剂和化学原料。
5.三氯乙烷:三氯乙烷是一种无色液体,具有较高的密度和较低的沸点。
它在
有机合成、实验室和工业生产中常被用作溶剂和化学原料。
需要注意的是,虽然这些溶剂与二氯甲烷具有相似的化学性质和用途,但它们在具体的应用场景中可能具有不同的性能和适用范围。
因此,在使用这些溶剂时需要根据具体情况进行选择和使用。
三氯甲烷和三氯乙烷的气相色谱测定方法三氯甲烷和三氯乙烷的气相色谱测定方法本文关键词:乙烷,甲烷,色谱,气相,测定方法三氯甲烷和三氯乙烷的气相色谱测定方法本文简介:三氯甲烷又名氯仿,该物质为有特殊气味的无色液体,密度为1.50,沸点为61.3℃,在农业机械工业上主要作为有机合成原料,也可用作抗生素、香料、树脂、橡胶的溶剂和化学合成剂。
三氯乙烷又名甲基氯仿,是一种不易爆、不易燃的有气味的无色淡黄色液体,密度为1.441,沸点为86.7℃,主要用作偏二氯乙烯的原料、树脂的中间体和农探针三氯甲烷和三氯乙烷的气相色谱试样本文内容:三氯甲烷又名氯仿,该物质为有特殊气味的无色液体,密度为 1. 50,沸点为61. 3℃,在农业机械工业上主要作为有机合成原料,也可用作抗生素、香料、树脂、橡胶的溶剂和萃取剂。
三氯乙烷又名甲基氯仿,是一种不易爆、不易燃的有味道的无色液体,密度为 1. 441,沸点为86. 7℃,主要用作偏二乙烷的主要就原料、树脂的中间体和农业上的熏蒸剂等。
三氯甲烷和三氯乙烷均有毒,几乎不溶于水,与乙醇、乙醚、吡啶等有机溶剂互溶,人体长期谈论会对人体健康造成危害。
空气制定了工作场所我国中的三氯甲烷和三氯乙烷职业接触限值,三氯甲烷时间加权平均容许浓度为 20mg/m3,三氯乙烷时间三氯乙烷加权平均容许沸点为 900mg/m3.目前我国还没有制定空气中三氯甲烷和三氯乙烷标准测定方法。
本文研究同时测定三氯甲烷和三氯乙烷的色谱分离条件,建立了准确快速测定空气中三氯甲烷和陈晓佳三氯乙烷的气相色谱测定方法,本方法操作简便,快速,精密好,准确度高。
1 试验1. 1 试验仪器和试剂Agilent7890A 型气相色谱仪,具火焰离子化检测器(FID);色谱柱为30m ×0. 53mm ×1μm HP -NNOWAX 毛细管柱; 2mL 样品瓶; 10mL 溶剂解吸瓶;活性炭管,内装 100mg/50mg 活性炭; FDC -1500 大气采样器,流量范围0. 1 ~ 1. 5L / min;10μL、25μL 微量注射器,使用前需清洗;1000μL移液器;三氯甲烷、三氯乙烷和乙醇均为色谱纯,经色谱测定无杂峰。
有机化学物质俗名汇总1,1,1-Trichloroethane (Methyl chloroform) 1,1,1-三氯乙烷(甲基氯仿)1,1,1-Trichloroethylene 1,1,1-三氯乙烯1,1,2,2-Tetrachloroethane 1,1,2,2-四氯乙烷1,1,2-Trichloroethane 1,1,2-三氯乙烷1,1-Dichloroethane 1,1-二氯乙烷1,2:3,4-Dibenzanthracene 1,2:3,4-二苯并□1,2:5,6-Dibenzanthracene 1,2:5,6-二苯并□1,2-Benzanthracene 1,2-苯并□1,2-Diaminoethane (Ethylenediamine) 1,2-二胺基乙烷(乙二胺)1,2-Dichlorobenzene (o-Dichlorobenzene) 1,2-二氯苯(邻二氯苯)1,2-Dichloroethane (Ethylene dichloride) 1,2-二氯乙烷(二氯化乙烷)1,2-Dimethoxyethane 1,2-二甲氧基乙烷1,3-Benzenediol 间苯二酚1,3-Butadiene 1,3-丁二烯1,4-Dichlorobenzene (p-Dichlorobenzene) 1,4-二氯苯(对二氯苯)1,4-Dioxan (Dioxan) 1,4-二氧陆圜(二恶烷)1,5-Naphthylene diisocyanate 1,5-□撑二异氰酸酯10-Hydroxy-2-decylenic acid 10-羟基-2-癸烯酸1-Butanol (n-Butyl alcohol) 1,3-丁醇(正丁醇)1-Chloro-2,3-epoxy propane (Epichlorohydrin) 1-氯代-2,3-环氧丙烷(表氯醇)1-Cyclohexyl-3-para-toluenesulphonylurea(tolcyclamide) 甲磺环己□(对甲苯磺□环己□) PP 1-Methyl-4-phenylpiperidine-4-carboxylic acid 1-甲基-4-苯基□啶-4-羧酸DD1-Methyl-4-phenylpiperidine-4-carboxylic acid 1-甲基-4-苯基□啶-4-羧酸1-Methyl-4-phenylpiperidine-4-carboxylic acid; its salts; its esters; their salts 1-甲基-4-苯基□啶-4-羧酸;其盐类;其酯类;它们的盐类PP-S11-phenyl-2-propanone 1-苯基-2-丙酮2,2,2-Trichloroethyl alcohol, esters of; their salts 2,2,2-三氯乙醇之酯类;它们的盐类PP-S1,S3 2,2'-Iminodi(ethylamine) (Diethylene triamine) 2,2*-亚胺基二乙基胺(二乙撑三胺)2,3-Benzofluorene 2,3-苯并芴2,4,6-Trimethyl-1,3,5-Trioxan (Paraldehyde) 2,4,6-三甲基-1,3,5-三恶烷(副醛)2-Butanol (sec-Butyl alcohol) 2-丁醇(仲丁醇)2-Butanone (Methyl ethyl ketone) [MEK] 2-丁酮(甲基乙基甲酮)2-Butoxyethanol [EGBE] 2-丁氧基乙醇2-Ethoxyethanol [EGEE] 2-乙氧基乙醇2-Ethoxyethyl acetate [EGEEA] 醋酸-2-乙氧基乙酯2-Furaldehyde (Furfural) 糠醛(□喃甲醛)2-Heptanone (Methyl n-amyl ketone) 2-庚酮(甲基正戊基甲酮)2-Hexanone (Methyl n-butyl ketone) 2-己酮(甲基正丁基甲酮)2-Methoxyethanol [EGME] 2-甲氧基乙醇2-Methoxyethyl acetate [EGMEA] 醋酸-2-甲氧基乙酯2-methyl-1-propanol 2-甲基丁醇2-Methyl-3-morpholino-1,1-diphenylpropanecarboxylic acid 2-甲基-3-吗□酮-1,1-二苯基丙烷羧酸2-Methyl-3-morpholino-1,1-diphenyl-propanecarboxylic acid 2-甲基-3-吗□酮-1,1-二苯基丙烷羧酸DD2-Methyl-3-morpholino-1,1-diphenylpropanecarboxylic acid; its salts; its esters; their salts 2-甲基-3-***酮-1,1-二苯基丙烷羧酸;其盐类;其酯类;它们的盐类PP-S12-Methylbuta-1,3-diene 2-甲基-1,3-丁二烯2-Methylbutan-2-ol 2-甲基-2-丁醇2-Methylpropan-2-ol (tert-Butyl alcohol) 2-甲基丙-2-醇(叔丁醇)2-Phenylcinchoninic acid; 2-salicylcinchoninic acid; their salts; their esters 辛可芬(2-苯基金鸡宁酸);2-水杨□金鸡宁酸;它们的盐类;它们的酯类PP-S1,S32-Propen-1-ol (Allyl alcohol) 2-丙烯醇(丙烯醇)3-(3,4-Dihydroxyphenyl)alanine;its salts 3-(3,4-二羟苯基)丙氨酸;其盐类PP-S1,S33,3'-Dimethoxybenzidine (o-Dianisidine) 3,3*-二甲氧基联苯胺(邻联茴香胺)3,5,5-Trimethylcyclohex-2-enone (Isophorone) 3,5,5-三甲基环己-2-烯酮(异佛尔酮)3.4-methylenedioxyethylamphetamine (MDEA) 3,4 -亚甲二氧基乙基安非他明DD3.4-methylenedioxymethamphetamine (MDMA) 3,4-亚甲二氧基甲基安非他明DD3.4-methylenedioxy-phenyl-2-propanone 3,4-亚甲二氧-苯基-2-丙酮3-Di-n-butylaminomethyl-4,5,6-trihydroxyphthalide 3-正丁胺甲基-4,5,6-三羟基苯并□喃酮PP 3-Heptanone (Ethyl butyl ketone) 3-庚酮(乙基丁基甲酮)3-Hydroxymorphinan; its salts; its optical isomers; their salts, their esters and ethers; their salts 3-羟基***喃;其盐类;其光学异构体;它们的盐类;它们的酯类及醚类;它们的盐类PP-S13-Hydroxy-N-methylmorphinan; its salts; its optical isomers; their salts 3-羟基-N-甲基***喃;其盐类;其光学异构体;它们的盐类PP-S13-Hydroxy-N-phenacylmorphinan; its salts; its optical isomers; their salts; their esters and ethers; their salts 3-羟基-N-苯甲□***喃;其盐类;其光学异构体;它们的盐类;它们的酯类及醚类;它们的盐类PP-S13-methyl-1-propanol 3-甲基丁醇4,5-Benzopyrene 4,5-苯并芘4-Aminodiphenyl and its salts 4-安基联苯及其盐4-Cyano-1-methyl-4-phenylpiperidine 4-氰基-1-甲基-4-苯基□啶DD4-Cyano-1-methyl-4-phenylpiperidine; its salts 4-氰基-1-甲基-4-苯基□啶;其盐类PP-S14-Cyano-2-dimethylamino-4,4-diphenylbutane 4-氰基-2-二甲胺基-4,4-二苯基丁烷DD4-Cyano-2-dimethylamino-4,4-diphenylbutane; its salts 4-氰基-2-二甲氨基-4,4-二苯基丁烷;其盐类PP-S14-Epianhydrotetracycline 4-差向脱水四环素AT4-Epitetracycline 4-差向四环素AT4H-Cyclopenta [def]phenathrene 4H-环戊[def]菲4-Methoxysalicyladehyde 4-甲氧基水杨酸4-Methyl aminorex 4-甲基阿米雷司DD4-methylthioamphetamine 4-甲硫苯胺(4-甲硫安非他明) DD4-Nitrodiphenyl 4-硝基联苯4-Phenylpiperidine-4-carboxylic acid ethyl ester 4-苯基□啶-4-羧酸乙酯DD4-Phenylpiperidine-4-carboxylic acid ethyl ester; its salts 去甲□替啶;其盐类PP-S15-Phenylhydantoin; its alkyl and aryl derivatives; their salts 5-苯基海因(5-苯基乙内□□);其烷其烷基与芬香基的衍生物;它们的盐类PP-S1,S39,10-Dihydroanthracene 9,10-二氢□Abciximab 阿昔单抗PP-S1,S3ABO grouping ABO 分型absorbed dose 吸收剂量absorption technique 吸收法abundance ratio 含量比例Acamprosate; its salts 阿坎酸;其盐类PP-S1,S3Acarbose; its salts 阿卡波糖;其盐类PP-S1,S3acaricide 刹□剂acceleration 加速;加速度acceleration of gravity 重力加速度acceleration scuff 加速擦印Acceptable Daily Intake [ADI] 日容许摄入量accessibility 可达性accreditation 认可;认证accumulated dose 累积剂量Acebutolol; its salts 醋丁洛尔;其盐类PP-S1,S3Acemetacin, its salts 阿西美卒;其盐类PP-S1,S3Acenaphthene 二氢□Acenaphthylene □Acetaldehyde 乙醛Acetanilide 乙□苯胺Acetanilide; alkyl acetanilides 乙□苯胺;烷基乙□苯胺类PP-S1,S2,S3Acetazolamide 乙□唑胺Acetic acid 醋酸(乙酸)Acetic anhydride 醋酐;酸酐Acetohexamide 醋磺己□PP-S1,S3Acetone 丙酮Acetonitrile 乙□Acetorphine; its salts; its esters and ethers; their salts 乙□氧戊甲***;其盐类;其酯类及醚类;它们的盐类PP-S1,S3Acetrizoic acid 醋碘苯酸PP-S1,S3Acetyl chloride 乙□氯Acetylcarbromal 乙□阿达林PP-S1,S3Acetyldihydrocodeine 醋氢可待因DDAcetyldihydrocodeine; its salts 醋氢可待因;其盐类PP-S1,S3Acetylene 乙炔Aciclovir; its salts 阿昔洛韦;其盐类PP-S1,S3acid 酸acid digestion 酸消化acid phosphatase 酸性磷酸□acid purification system 酸净化系统;酸再生系统acid rain 酸雨acid strength 酸强度acid value 酸价acidic 酸性acidic dyes 酸性色料acidosis 酸中毒Acipimox; its salts 阿西莫司;其盐类PP-S1,S3Acitretin; its salts; its esters 阿维A;其盐类;其酯类PP-S1,S3 Aclarubicin 阿柔比星ATAconite, alkaloids of 乌头生物硷PPAconitine 乌头□PPAcrivastine 阿伐斯汀PPAcrylic acid 丙烯酸Acrylonitrile 丙烯□Actinium [Ac] 锕Actinomycin 放线菌素ATactivated charcoal tube 活性碳采样管activited carbon 活性碳activity concentration 活度浓度acute exposure 急性照射量(放射)Adapalene; its salts; its esters 阿达帕林;其盐类;其酯类PP-S1,S3 addiction 瘾;癖嗜additives 添加物;添加剂(食物)adhesion tester 粘性测试器Adipidone 胆影酸Administration Headquarters 行政总部Administration Section 行政部Adrenaline 肾上腺素Adriamycin 阿霉素ATadsorption technique 吸附法adulterant 搀杂物adulteration 掺加;掺杂aerosol 气溶胶;烟雾剂;浮质Aesculetin 秦皮乙素Aesculin 秦皮甲素Aflatoxins 黄曲霉素agarose gel □脂糖凝胶agarose gel electrophoresis □脂糖凝胶电泳agglutinates 凝集物agglutination 凝集作用Agricultural Pesticides Ordinance 除害剂条例agrochemical 农用化学品Air Chemistry Section 空气化验组air particulate 空气粒子;大气粒子Air Pollution Control Ordinance 空气污染管制条例airborne particle counter 空气粒子计数器Alclofenac; its complexes 阿氯芬酸;其复合物木醇:甲醇,Methanol,CH3OH甘醇:乙二醇,Ethylene glycol ,HO-甘油: 丙三醇,glycerol ,OH-CH2-CH(OH)-CH2-OH石炭酸:苯酚,Phenol,,C6H5OH蚁酸:甲酸,formic acid,HCOOH水杨醛:邻羟基苯甲醛,salicylaldehyde水杨酸:邻羟基苯甲酸;2-羟基苯甲酸;2-Hydroxybenzoic acid 氯仿:三氯甲烷,trichloromethane草酸:乙二酸,oxalic acid苦味酸:2.4.6-三硝基苯酚肉桂酸:3-苯基丙烯酸苯酐:邻苯二甲酸酐甘氨酸:氨基乙酸丙氨酸:α-氨基丙酸谷氨酸:α-氨基戊二酸巴豆醛:丁烯醛,CH3-CH3=CHCHO葡萄糖:己醛糖,化学式C6H12O6果糖:D-阿拉伯型己酮糖,分子式C5H12O5CO还应熟悉一些常见的缩写及商品名称所代表的化合物:如:RNA、DNA、阿司匹林:2-(乙酰氧基)苯甲酸煤酚皂(来苏儿):邻、间、对甲苯酚福尔马林:35%左右甲醛水溶液扑热息痛:对乙酰氨基酚尼古丁:1-甲基-2-(3-吡啶基)吡咯烷甲烷CH4沼气三氯甲烷CHCl氯仿乙醇C2H5OH酒精甲酸HCOOH蚁酸乙酸CH3COOH醋酸苯酚C6H5OH石炭酸丙三醇C3H5(OH)3甘油乙二酸HOOCCOOH草酸萘C10H8樟脑三氯乙烷C2H3Cl3,DDT十八酸C17H35COOH硬脂酸十八烯酸C17H33COOH油酸十六酸C15H31COOH软脂酸2,4,6三硝基甲苯C6H2CH3(NO2)3,TNT三硝酸甘油酯C3H5(NO3)3碳酰胺CO(NH2)2尿素A俗名化工产品学名阿米酚二盐酸-2,4-二氨基苯酚"阿尼林黑,精元" 苯胺黑阿尼林油苯胺阿司匹林乙酰水杨酸癌得平盐酸氧氮芥艾氏剂1,2,3,4,10,10-六氯-1,4,4a,5,8,8a-六氢化-1,4,5,8-二甲撑萘安妥α-萘硫脲安息香苯偶姻,二苯乙醇酮安息香酸苯(甲)酸氨基G酸2-萘胺-6,8-二磺酸B巴豆醛β-甲基丙烯醛巴豆酸丁烯酸巴黎绿醋酸亚砷酸铜白报纸新闻纸白金铂白铅粉、铅白碱式碳酸铅白脱纸牛油纸白艳华活性轻质碳酸钙白洋干漆白虫胶百里酚5-甲基-2-异丙基苯酚柏油焦油沥青酸(五倍子酸、没食子酸)3,4,5-三羟基苯(甲)酸包衣塑料苯乙烯-2-乙烯吡啶聚合物保棉丰(3911亚砜)二硫代磷酸-O,O-二乙基-S-乙基亚磺酰基甲基酯保棉磷(谷硫磷)二硫代磷酸-O,O-二甲基-S-(4-氧代-二氢-1,2,3-苯并三嗪-3-甲基)酯保险粉连二亚硫酸钠倍硫磷硫逐磷酸-O,O-二甲基-O-(3-甲基-4-甲硫基苯基)酯焙烧苏打硫酸氢钠苯胺灵苯胺基甲酸异丙酯苯酐邻苯二甲酸酐苯基溶纤剂乙二醇-苯醚蓖麻酸顺式-12-羟基十八碳烯-9-酸避蚊油邻苯二甲酸二甲酯变色酸1,8-二羟基萘-3,6-二磺酸C藏红花酸2-萘酸-8-磺酸草碱不纯的碳酸钾草枯醚2,4,6-三氯苯基-4'-硝基苯基醚草酸、肥酸乙二酸层压板层压塑料赤血钠铁氰化钠赤血盐铁氰化钾除草醚2,4-二氯苯基-4'-硝基苯基醚除线磷(VC-13)硫代磷酸-O,O-二乙基-O-2,4-二氯苯基酯吹风油吹制油粗汽油石油英醋石醋酸钙D哒嗪硫磷(杀虫净)硫逐磷酸-O,O-二乙基-O-[3-氧代-2-苯基-4,5-(ZH)-哒嗪基]酯打底剂、纳夫妥色酚打火石燧石打萨宗双硫腙大红色基B 2-萘胺大红色基G(旗红培司) 5-硝基2-甲苯胺大茴香油八角茴香油大苏打海波、硫代硫酸钠胆矾(蓝矾)硫酸铜胆酸3,7,12-三羟甾代异戊酸蛋氨酸甲硫基丁氨酸道林纸胶版印刷纸稻草完(杀草丹)二乙胺基硫代甲酸-S-(4-氯)苄基酯稻丰散二硫代磷酸O,O-二甲基-S-(α-乙羟基)苄基酯稻瘟醇五氯苄醇稻瘟净硫赶磷酸O,O-二乙基-S-苄基酯低级醇低碳数脂肪醇滴滴涕双对氯苯基三氯乙烷滴维净乙酰胂胺敌草隆N-3,4-二氯苯基-N',N'-二甲基脲敌敌畏磷酸-O,O-二甲基-O-2,2-二氯乙烯基酯敌菌灵2,4-二氯-6-(邻-氯代苯胺基)-均三氮苯敌鼠2-(二苯基乙酰基)-1,3-茚二酮敌锈钠对氨基苯磺酸钠碘纺三碘甲烷电木(胶木) 以木粉为填料的酚醛塑料电石碳化钙电石气乙炔电玉给加工成形而得的脲醛塑料电玉粉脲醛压塑粉靛青靛蓝雕白粉粉状甲醛次硫酸氢钠雕白块块状甲醛次硫酸氢钠丁基卡必醇二甘醇一丁醚丁基卡必醇醋酸酯二甘醇丁醚醋酸酯丁基溶纤剂乙二醇一丁醚丁子香酚4-烯丙基-2-甲氧基苯酚豆棵威(草灭平)2,5-二氯-3-氨基苯甲酸毒草安N-异丙基-氯乙酰替苯胺毒杀芬八氯莰烯杜鹃花酸壬二酸HOOC(CH↓2)↓7COOH度冷丁盐酸哌替啶多菌灵N-(2-苯并咪唑基)-氨基甲酸甲酯多灭磷O,S-二甲基硫代磷酰胺E儿苯酚邻苯二酚二甲苯麝香2,4,6-三硝基-5-叔丁基间二甲苯二甲基溶纤剂乙二醇二甲醚二乙基卡必醇二甘醇二乙醚二乙基溶纤素乙二醇二乙醚F发光剂电镀光亮剂发泡剂AC 偶氮二甲酰胺凡立水清漆矾土氧化铝反油酸反式十八烯-9-酸方棚油变压器油非冈二氯萘醌非那西丁乙酰替乙氧苯胺肥酸己二酸分散(性)耐硒桃红B 1-氨基-4-羟基蒽醌酚沥青煤焦油分馏时杂酚油馏出后的残贸物风茅油柠檬草油氟里昂氟氯烷氟里昂-11 一氟三氯甲烷氟里昂-113 1,1,2-三氟-1,2,2-三氯乙烷氟里昂-114 1,1,2,2-四氟-1,2-二氯乙烷氟里昂-12 二氟二氯甲烷氟里昂-13 三氟一氯甲烷氟里昂-14 四氟甲烷,四氟化碳氟里昂-22 二氟一氯甲烷氟纶聚四氟乙烯纤维氟塑料-46 四氟乙烯-六氟丙烯共聚物福尔马林甲醛水福美甲胂二甲胺基荒酸甲胂福美锰二甲胺基荒酸锰福美镍N,N-二甲基二硫代氨基甲酸镍福美砷N,N-二甲基二硫代氨基甲酸砷复方阿斯匹林复方乙酰水杨酸富巴酸(延胡索酸) 反丁烯二酸富民隆(三环汞剂)磺胺汞、N-苯汞基对甲苯磺酰苯胺G干冰固体二氧化碳甘氨酸氨基醋酸甘醇乙二醇甘汞氯化亚汞甘油丙三醇钢宗、钢精铝高级醇高碳数脂肪醇铬盐精碱式硫酸铬根皮酚间苯三酚谷氨酸α-氨基戊二酸谷仁乐生、谷乐生磷酸乙基汞硅石二氧化硅过氯纶过氯乙烯纤维H海波硫代硫酸钠皓矾硫酸锌黑油膏鱼石脂红矾钾重铬酸钾红矾钠重铬酸钠红霉素族抗菌素大环内酯族抗菌素红色基BB 邻氨基苯甲醚红色基GG 对硝基苯胺红色基KB 对氯邻氨基甲苯红色基RC 5-氯-2-甲氧基苯胺盐酸盐胡椒嗪哌嗪胡椒醛(天芥菜精)3,4-亚甲二氧基苯甲醛胡敏酸腐殖酸胡敏酸钠腐殖酸钠琥珀酸丁二酸花生酸廿烷酸黄丹一氧化铅黄蜀葵素十五内酯黄血盐亚铁氰化钾黄血盐纳亚铁氰化钠黄油奶油、润滑脂黄樟脑(黄樟素)4-烯丙基-1,2-甲撑二氧基苯磺胺酸对氨基苯磺酸灰锰养高锰酸钾茴香醇对甲氧基苯甲醇茴香脑对丙烯基茴香醚茴香醛对甲氧基苯甲醛活性陶土活性粘土火油照明煤油J几奴尼对苯二酚加拉明三碘季铵酚甲基-1605(甲基对硫磷) 硫代磷酸O,O-二甲基-O-对硝基苯基酯甲基卡必醇二甘醇-甲醚甲基溶纤剂乙二醇一甲醚碱粉(碱面)无水碳酸钠酱色焦糖焦酸(焦油没食子酸)连苯三酚,苯三酚-〔1,2,3〕角鲨烯三十碳六烯结晶玫瑰醋酸三氯甲基苯基甲酯芥酸顺式廿二烯-13-酸芥子气二氯乙硫醚金粉铜粉金刚砂SiC 碳化硅锦纶聚己内酰胺纤维锦纶-3 聚β-酰胺纤维精氨酸2-氨基-5-胍基戊酸鲸蜡醇十六醇久效磷磷酸O,O-二甲基-O-Cl-1-甲基-2-甲胺甲酰基)乙烯基酯酒精乙醇酒石酸2,3-二羟基丁二酸聚砜双酚A-4,4'-二苯基砜聚氯醚聚3,3-双(氯甲基)环氧丙烷聚碳酸酯2,2-双(-4-羟基苯基)-丙烷聚碳酸酯菌核净N-(3,5-二氯苯基)丁二酰亚胺K卡巴胂对脲基苯砷酸卡必醇二甘醇一乙醚卡必醇醋酸酯二甘醇一乙醚醋酸酯卡地阿唑戊四氮开乐散三氯杀螨醇抗虫灵(噻唑嘧啶)噻吩乙烯四氢甲嘧啶抗氧剂1010 四-(4-羟基-3,5-特丁基苯基丙酸)季戊四醇酯抗氧剂1076 3,5-二特丁基-4-羟基苯丙酸十八酯抗氧剂330 1,3,5-三甲基-2,4,6-三(3,5-特丁基-4-羟基苄基)苯抗氧剂CA 1,1,3-三(2-甲基-4-羟基-5-特丁基苯基)丁烷栲皮植物(鞣)革苛性钾氢氧化钾克菌丹N-三氯甲硫基-四氢化酞酰亚胺克瘟散二硫代磷酸O-乙基-S,S-二苯基酯克泻痢宁δ-羟基喹啉酞磺胺噻唑口恶烷环氧乙烷枯茗醛对异丙基苯甲醛苦咪酸2,4,6-三硝基苯酚苦土氧化镁快干漆料内用瓷漆料葵子麝香2,6-二硝基-3-甲氧基-1-甲基-4-叔丁基苯L赖氨酸2,6-二氯基己酸蓝色基B 邻联茴香胺蓝色基BB 4-苯酰胺基-2,5-二乙氧基苯胺蓝色盐VB 4-甲氧基-4'-氨基二苯胺重氮盐劳伦酸1-萘胺-5-磺酸老亚胺聚酰亚胺乐果二硫代磷酸O,O-二甲基-S-(-N-甲基氨基甲酰)甲基酯雷米封异烟肼雷锁辛间苯二酚立德粉锌钡白联苯胺4,4'-二氨基联苯磷酸钠玻璃六偏磷酸钠硫铵硫酸铵硫钡粉多硫化钡硫比潮蓝硫化蓝硫丹1,2,3,4,7,7-六氯双环〔2,2,1〕庚烷-(2)-双羟甲基-5,6-亚硫酸酯硫化促进剂AZ 二乙基苯并噻唑次磺酸胺硫化促进剂CZ 环乙基苯并噻唑次磺酸胺硫化促进剂D 二苯胍硫化促进剂DIBS N,N'-二异丙基-2-苯并噻唑次磺酸胺硫化促进剂DM 二硫化二苯并噻唑硫化促进剂DOTG 二邻甲苯胍硫化促进剂H 六亚甲基四胺硫化促进剂M、氢硫剂(M剂)2-巯基苯并噻唑硫化促进剂NA-22 乙撑硫脲硫化促进剂TETD 二硫化四乙基秋兰姆硫化促进剂TMTD、福美双二硫化四甲基秋兰姆硫化促进剂TMTM、福美联一硫化四甲基秋兰姆硫化促进剂ZBX 丁基黄原酸锌硫化促进剂ZDMC 二甲胺基荒酸锌硫黄硫硫喷妥钠5-乙基-5-(1-甲丁基)-2-硫代巴比妥酸钠硫糖铝蔗糖硫酸酯碱式铝盐硫铁矿黄铁矿六六六六氯化苯、六氯环己烷六氢吡啶哌啶,氮杂环己烷绿矾硫酸亚铁绿麦隆N-(3-氯-4-甲基苯基)-N',N'-二甲基脲氯百杀四氯苯酞氯丹八氯化甲桥茚氯仿三氯甲烷氯化苦三氯硝基甲烷氯硫磷硫代磷酸O,O-二甲基-O-(3-氯-4-硝基苯)酯氯纶聚氯乙烯纤维氯硝胺2,6-二氯-4-硝基苯胺氯压定(催压降)二氯苯胺咪唑啉罗谢尔盐酒石酸钠钾M马粪纸黄板纸马来酰肼顺丁烯二酸酰肼马来酰肼(抑芽丹) 顺丁烯二酸酰肼吗啉1,4-氧氮杂环己烷麦穗宁2-(2'-呋喃基)苯并咪唑螨卵酯(K-6451)对氯苯基磺酸对氯苯基酯茅草枯达拉朋茂果二硫代磷酸O,O-二甲基-S-(吗啉基甲酰甲基)酯米吐尔硫酸对甲胺基苯酚密胺三聚氰(酰)胺灭草灵N-3,4-二氯苯胺基甲酸甲酯灭草隆N-对-氯苯基-N',N'-二甲基脲灭黑穗药六氯苯灭蚜净磷酸O,O-二甲基-O-(1-甲基-2-乙氧基羰基)乙烯基酯莫尔盐硫酸亚铁铵木精甲醇。
国家环保总局关于收集甲基氯仿(TCA)生产企业名单的
公告
文章属性
•【制定机关】国家环境保护总局(已撤销)
•【公布日期】2003.02.10
•【文号】
•【施行日期】2003.02.10
•【效力等级】部门规范性文件
•【时效性】现行有效
•【主题分类】环境监测
正文
国家环保总局关于收集甲基氯仿(TCA)生产企业名单的公告我国于1991年加入了《关于消耗臭氧层物质的蒙特利尔议定书》伦敦修正案。
在该议定书附件B第三组中,甲基氯仿(又称1,1,1-三氯乙烷,以下简称TCA)被列为消耗臭氧层物质。
根据国务院批准实施的中国逐步淘汰消耗臭氧层物质国家方案》,2015年我国TCA消费将削减为零。
为保护臭氧层,履行国际义务,我国政府将争取国际赠款以淘汰TCA的生产。
根据赠款管理机构的要求,国际审计机构将于近期对国内TCA生产企业进行生产审计。
目前生产企业有四家,分别为:南通世洋化工公司、常熟三爱富氟化工公司、浙江世化化工矿业公司、山东肥城社会福利石化公司。
为充分维护企业利益,请上述四家企业之外的TCA生产企业于3月1日之前将企业生产情况及联系方式报送国家环保总局。
联系人:杨礼荣(010)66133882 66153366-5501
冯留雷(010)66151927 66153366-5626
联系地址:北京西直门内南小街115号
国家环保总局对外合作中心
邮编:100035
传真:(010)66151776
E-mail:YANGLR@SVR1- CHINA_FLL@ 国家环境保护总局对外合作中心
2003年2月10日。
三氯甲烷和三氯乙烷的气相色谱测定方法
2020年4月
三氯甲烷和三氯乙烷的气相色谱测定方法本文关键词:乙烷,甲烷,色谱,气相,测定方法
三氯甲烷和三氯乙烷的气相色谱测定方法本文简介:三氯甲烷又名氯仿,该物质为有特殊气味的无色液体,密度为1.50,沸点为61.3℃,在工业上主要作为有机合成原料,也可用作抗生素、香料、树脂、橡胶的溶剂和萃取剂。
三氯乙烷又名甲基氯仿,是一种不易爆、不易燃的有气味的无色液体,密度为1.441,沸点为86.7℃,主要用作偏二氯乙烯的原料、树脂的中间体和农
三氯甲烷和三氯乙烷的气相色谱测定方法本文内容:
三氯甲烷又名氯仿,该物质为有特殊气味的无色液体,密度为 1. 50,沸点为61. 3℃,在工业上主要作为有机合成原料,也可用作抗生素、香料、树脂、橡胶的溶剂和萃取剂。
三氯乙烷又名甲基氯仿,是一种不易爆、不易燃的有气味的无色液体,密度为 1. 441,沸点为86. 7℃,主要用作偏二氯乙烯的原料、树脂的中间体和农业上的熏蒸剂等。
三氯甲烷和三氯乙烷均有毒,几乎不溶于水,与乙醇、乙醚、氯苯等有机溶剂互溶,长期接触会对人体健康造成危害。
我国制定了工作场所空气中的三氯甲烷和三氯乙烷职业接触
1。
第一部分化学品及企业标识化学品中文名:1,1,1-三氯乙烷化学品英文名:1,1,1-trichloroethane;methyl chloroform化学品别名:甲基氯仿CAS No.:71-55-6EC No.:200-756-3分子式:C2H3Cl3产品推荐及限制用途:工业及科研用途。
第二部分危险性概述紧急情况概述液体。
对臭氧层有危害。
GHS危险性类别根据《危险化学品分类信息表》(2015版),该产品分类如下:危害臭氧层,类别1。
标签要素象形图:警示词:警告危险信息:破坏高层大气中的臭氧,危害公共健康和环境。
预防措施:不适用。
事故响应:不适用。
安全储存:不适用。
废弃处置:参考制造商或供应商提供的回收或循环再用的信息物理化学危险:无资料。
健康危害:吸入该物质可能会引起对健康有害的影响或呼吸道不适。
意外食入本品可能对个体健康有害。
通过割伤、擦伤或病变处进入血液,可能产生全身损伤的有害作用。
眼睛直接接触本品可导致暂时不适。
环境危害:请参阅SDS第十二部分。
第三部分成分/组成信息√物质混合物第四部分急救措施一般性建议:急救措施通常是需要的,请将本SDS出示给到达现场的医生。
皮肤接触:立即脱去污染的衣物。
用大量肥皂水和清水冲洗皮肤。
如有不适,就医。
眼睛接触:用大量水彻底冲洗至少15分钟。
如有不适,就医。
吸入:立即将患者移到新鲜空气处,保持呼吸畅通。
如果呼吸困难,给吸氧。
如患者食入或吸入本物质,禁止人工呼吸。
如果呼吸停止。
立即进行心肺复苏术。
立即就医。
食入:禁止催吐,切勿给失去知觉者从嘴里喂食任何东西。
立即呼叫医生或中毒控制中心。
对保护施救者的忠告:清除所有火源,增强通风。
避免接触皮肤和眼睛。
避免吸入蒸气。
使用防护装备,包括呼吸面具。
对医生的特别提示:根据出现的症状进行针对性处理。
注意症状可能会出现延迟。
第五部分消防措施危险特性燃烧时可能会释放毒性烟雾。
加热时,容器可能爆炸。
暴露于火中的容器可能会通过压力安全阀泄漏出内容物。